| Скачать .zip |
Реферат: Микросхемо-техника: Схема контроля дешифратора на три входа восемь выходов
ВВЕДЕНИЕ
Развитие электронной вычислительной техники, и информатики и применение их средств и методов в народном хозяйстве, научных исследованиях, образовании и других сферах человеческой деятельности являются в настоящее время приоритетным направлением научно-технического прогресса. Это приводит к необходимости широкой подготовки специалистов по электронным вычислительным машинам, системам и сетям, программному обеспечению и прикладной математике, автоматизированным системам обработки данных и управления и другим направлениям, связанным с интенсивным использованием вычислительной техники. Всем этим специалистам необходимы достаточно глубокие знания принципов построения и функционирования современных ЭВМ, комплексов, систем и сетей, микропроцессорных средств, персональных компьютеров. Такие знания необходимы не только специалистам различных областей вычислительной техники, но и лицам, связанным с созданием программного обеспечения и применением ЭВМ в различных областях, что определяется тесным взаимодействием аппаратурных и программных средств в ЭВМ, тенденцией аппаратурной реализации системных и специализированных программных продуктов, позволяющей достигнуть увеличение производительности, надежности, функциональной гибкости, большей приспособленности вычислительных машин и систем к эксплуатационному обслуживанию.
В последние годы мир электронных вычислительных машин значительно расширился - в нем наряду с машинами общего назначения заняли большое место супер-ЭВМ, малые ЭВМ и особенно микропроцессоры и микро-ЭВМ, персональные компьютеры.
Информация которая передается между узлами компьютера или хранится в нем, ни каким образом не должна изменяться, для это существуют, либо аппаратные, либо программные средства контроля и диагностики.
1. ОБЩАЯ ЧАСТЬ
Назначение схем контроля цифровых устройств, виды контроля для комбинационных схем
Потери времени в таких сложных объектах, как ЭВМ, в первую очередь связанны с поиском места неисправности. Важнейшим средством уменьшения потерь и повышение обслуживаемости ЭВМ является система автоматического диагностирования, позволяющая локализовать неисправность.
Чтобы уменьшить потери от сбоев и отказов, порождающих ошибки, надо предотвратить распространение ошибки в вычислительном процессе, так как в противном случае существенно усложнятся и удлинятся процедуры проверки правильности работы программы, определение и устранения искажений в программе, данных и промежуточных результатах.
Для этого необходимо обнаружить появление ошибки в выполняемых машиной преобразованиях информации возможно ближе к моменту ее возникновения. С этой целью надо иметь систему автоматического контроля правильности работы ЭВМ, которая при появлении ошибки в работе машины немедленно приостанавливает выполнение программы. Наличие такой системы освобождает от забот по контролю достоверности.
Для уменьшения времени восстановления информации следует иметь систему автоматического восстановления вычислительного процесса, распознающую характер (сбой или отказ) ошибки и при сбое автоматически восстанавливающую достоверность информации и выполнения программы, а при отказе инициирующую работу системы автоматического диагностирования ЭВМ.
Обнаружение ошибок должно производиться в машине непрерывно и, следовательно, не должно вызывать заметного снижения быстродействия машины. Поэтому эта функция возлагается на быстродействующие аппаратурные средства контроля, которые позволяют почти полностью совместить во времени выполнение основных и контрольных операций.
Необходимость в коррекции ошибок, восстановлении вычислительного процесса и диагностирования неисправностей при современном уровне надежности ЭВМ возникает достаточно редко. Поэтому целесообразно использовать для выполнения этих функций главным образом микропрограммные, а также программные средства в виде корректирующих и диагностических микропрограмм и программ. Однако чтобы эти программы не были чрезмерно сложны, предусматриваются и определенные аппаратурные средства, поддерживающие процедуры восстановления после сбоев и локализации неисправностей.
Основными характеристиками системы автоматического контроля правильности функционирования ЭВМ являются:
а) отношение количества оборудования, охваченного системой контроля, к общему количеству оборудования ЭВМ;
б) вероятность обнаружения системой контроля ошибок в функционировании ЭВМ;
в) степень детализации, с которой система контроля указывает место возникновения ошибки;
г) отношение количества оборудования системы контроля к общему количеству оборудования ЭВМ.
Основными характеристиками системы автоматического диагностирования являются:
а) вероятность правильного обнаружения места отказа;
б) разрешающая способность, равная среднему числу подозреваемых сменных блоков;
в) доля аппаратурных средств системы диагностирования в общем оборудовании ЭВМ [ 3 ].
Виды контроля комбинационных схем.
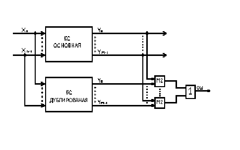
Контроль с помощью дублирования (рис.1).
Контроль с помощью обратных схем (рис.2).
На входы X0-Xn-1 приходят сигналы, которые подаются на: основную и дублирующую схемы. Далее выходные сигналы Y0-Ym-1 анализируются в блоках M2. Завершающем этапом является логические операции в логическом блоке,

Рис.1. Схема контроля построенная на основе дублирования

Рис.2. Схема контроля построенная по принципу обратной схемы
на выходе которого, сформируется сигнал (ОШ) показывающий, есть ошибка или нет.
Суть контроля с помощью обратной схемы (данный метод называется воспроизведением входных сигналов) состоит в сравнении входных сигналов основной схемы с выходными контролирующими.
1.2 Выбор и обоснование функциональной схемы, элементной базы
При работе дешифратора могут возникнуть следующие виды ошибок:
а) наличие двух или более активных сигналов на выходах дешифратора;
б) отсутствие активных сигналов на выходах дешифратора.
Схема контроля дешифратора (рис.3, рис.4) состоит из трех блоков:
а) входного блока - на него подаются сигналы с выходов дешифратора, над этими сигналами выполняются логические операции, после чего формируются выходные сигналы, необходимые для дальнейшего сравнения и анализа;
б) промежуточный блок - в этот блок поступают сигналы с входного блока, которые подвергаются сравнению и анализу, с выходов блока формируются сигналы, необходимые для формирования сигнала сообщающего о ошибке;
в) выходной блок - на него поступают сигналы из промежуточного блока, на основе этих сигналов формируется сигнал ошибки, если сигнал ошибки высокого уровня, т.е. лог.1, есть ошибка. Если лог.0 дешифратор сработал нормально, без ошибки.
В курсовом проекте рассматривается схема - 1, изображенная на рис.3. За счет инвертирующих элементов в схеме - 2 (рис.4), быстродействие ее больше, чем в первой схеме. Но схема - 1проще в построении, также в ней используется меньшее количество ИМС при построении схемы на печатной плате, что приводит к увеличению надежности работы схемы и меньшей ее цене.
Элементная база подбиралась по основным характеристикам: повышенное быстродействие, малая потребляемая мощность, минимальные токи потребления.
ИМС используемые в схеме:
ИМС - КР1533ЛИ1

Изготовлена по ТТЛШ - технологии, выпускается в полимерном корпусе.
Назначения выводов 1,2,4,5,9,10,12,13 - входы 1 - 4 лог. элементов, 3,6,8,11 - выходы лог. элементов. К 14 - выводу подключается Uпит, а вывод 7 является общим.
Параметры и эксплуатационные данные
Iпот - не более 4,0 мА Uвых - не более 0,5 В
Iпот - не более 2,4 мА Uвых - не менее 2,7 В
Iвх - не более 2 мкА tзд.р и tзд.р - не более 15 нс.
Iвх - не более 50 мкА Uпит - 5 В 5%
Tокр - от -10’C до +70’C
ИМС - КР1531ЛЛ1

Изготовлена по ТТЛШ - технологии, выпускается в полимерном корпусе.
Назначения выводов 1,2,4,5,9,10,12,13 - входы 1 - 4 лог. элементов, 3,6,8,11 - выходы лог. элементов. К 14 - выводу подключается Uпит, а вывод 7 является общим.
Параметры и эксплуатационные данные
Iпот - не более 15,5 мА Uвых - не более 0,5 В
Iпот - не более 8,3 мА Uвых - не менее 2,7 В
Iвх - не более -0,6 мА tзд.р. - не более 5,0 нс
Iвх - не более 20 мкА tзд.р - не более 5,5 нс
Uпит - 5 В 5% Tокр - от -10’С до +70’С
ИМС - К155ЛЕ4

Изготовлена по ТТЛ - технологии, выпускается в пластмассовом корпусе.
Назначения выводов 1,2,3,4,5,9,10,11,13 - входы 1 - 3 лог. элементов, 6,8,12 - выходы лог. элементов. К 14 - выводу подключается Uпит, а вывод 7 является общим.
Параметры и эксплуатационные данные
Iпот - не более 26 мА Uвых - не более 0,4 В
Iпот - не более 16 мА Uвых - не менее 2,4 В
Iвх - не более -1,6 мА tзд.р. - не более 11 нс
Iвх - не более 40 мкА tзд.р - не более 15 нс
Uпит - 5 В 5% Tокр - от -10’С до +70’С
ИМС - КР531ЛН1

Изготовлена по ТТЛШ - технологии, выпускается в пластмассовом корпусе.
Назначения выводов 1,3,5,9,11,13 - входы 1 - 6 лог. элементов, 2,4,6,8,10,12 - выходы лог. элементов. К 14 - выводу подключается Uпит, а вывод 7 является общим.
Параметры и эксплуатационные данные
Iпот - не более 54 мА Uвых - не более 0,5 В
Iпот - не более 24 мА Uвых - не менее 2,5 В
Iвх - не более -2,0 мА tзд.р. - не более 5 нс
Iвх - не более 50 мкА tзд.р - не более 4,5 нс
Uпит - 5 В 5% Tокр - от -10’С до +70’С
2. СПЕЦИАЛЬНАЯ ЧАСТЬ
Логический расчет схемы
Расчет входного блока
В входной блок (рис.3) поступают сигналы A0, A1, A2, A3, B0, B1, B2, B3 с дешифратора, после логических операций с четырех элементов выходного блока формируются сигналы E и S. Чтобы рассчитать выходные сигналы, нужно посмотреть табл.1. Из таблицы истинности видно, что сигнал E=1, только в том случае, если сигналы A и B равны лог. 1. На основе этого можно построить карту Карно, она приведена рядом, далее из карты можно получить следующую формулу для сигнала E:

Рис.3. Схема контроля дешифратора с прямыми выходами

Рис.4. Схема контроля дешифратора с инверсными выходами
E=AŸB
Для сигнала S получается следующая формула:
S=A+B,
Таблица 1.
Таблица истинности входного блока и карты Карно для сигналов E и S.
Карта Карно Карта Карно
для сигнала E для сигнала S
|
A |
B |
E |
S |
B |
B |
B |
B |
|||||||
|
0 |
0 |
0 |
0 |
A |
1 |
A |
1 |
1 |
||||||
|
0 |
1 |
0 |
1 |
A |
A |
1 |
||||||||
|
1 |
0 |
0 |
1 |
|||||||||||
|
1 |
1 |
1 |
1 |
Расчет промежуточного блока
Промежуточный блок состоит из двух под блоков, эти блоки полностью аналогичны. В промежуточный блок поступают сигналы E1,E2,S1 и S2 с элементов выходного блока,
после логических операций, в промежуточном блоке на выходах формируются сигналы E и S. Для логического расчета выходных сигналов, можно рассмотреть один из под блоков схемы.
Табл.2, по данным в таблицы истинности, строятся карты Карно, а из карт можно получить следующие формулы:
Формула для сигнала E:
E=E1+E2+S1ŸS2
Формула для сигнала S:
S=E1+E2+S1+S2=A0B0+A1B1+A1+B1+A2+B2=A0+B0+A1+B1=S1+S2
Таблица 2.
Таблица истинности промежуточного блока и карты Карно для сигналов Е и S.
Карта Карно
для сигнала E
|
E1 |
S1 |
E2 |
S2 |
E |
S |
S1 |
S1 |
|||||||||||||||
|
0 |
0 |
0 |
0 |
0 |
0 |
E1 |
1 |
1 |
X |
X |
E2 |
|||||||||||
|
0 |
0 |
0 |
1 |
0 |
1 |
v |
X |
1 |
X |
X |
E2 |
|||||||||||
|
0 |
0 |
1 |
0 |
X |
X |
E1 |
X |
1 |
1 |
X |
||||||||||||
|
0 |
0 |
1 |
1 |
1 |
1 |
1 |
E2 |
|||||||||||||||
|
0 |
1 |
0 |
0 |
0 |
1 |
v |
S2 |
S2 |
S2 |
|||||||||||||
|
0 |
1 |
0 |
1 |
1 |
1 |
|||||||||||||||||
|
0 |
1 |
1 |
0 |
X |
X |
Карта Карно |
||||||||||||||||
|
0 |
1 |
1 |
1 |
1 |
1 |
для сигнала S |
||||||||||||||||
|
1 |
0 |
0 |
0 |
X |
X |
|||||||||||||||||
|
1 |
0 |
0 |
1 |
X |
X |
S1 |
S1 |
|||||||||||||||
|
1 |
0 |
1 |
0 |
X |
X |
E1 |
1 |
1 |
X |
X |
E2 |
|||||||||||
|
1 |
0 |
1 |
1 |
X |
X |
X |
1 |
X |
X |
E2 |
||||||||||||
|
1 |
1 |
0 |
0 |
1 |
1 |
E1 |
X |
1 |
1 |
X |
||||||||||||
|
1 |
1 |
0 |
1 |
1 |
1 |
1 |
1 |
1 |
E2 |
|||||||||||||
|
1 |
1 |
1 |
0 |
X |
X |
S2 |
S2 |
S2 |
||||||||||||||
|
1 |
1 |
1 |
1 |
1 |
1 |
|||||||||||||||||
v - комбинации получившиеся при нормальной работе дешифратора.
x - запрещенная комбинация, появляется только в том случае, если E1=1 и S1=0 или E2=1 и S2=0.
2.1.3 Расчет выходного блока
Из промежуточного блока в выходной поступают сигналы E1, S1, Е2 и S2. Эти сигналы необходимы, для формирования сигнала сообщающего об ошибке. После логических операций в выходном блоке, на его выходе формируется сигнал ERR. Таблица истинности и карта Карно для этого сигнала приведены в табл. 3, после всех логических преобразований формула для сигнала ERR получится следующая:
ERR=E1+E2+S1ŸS2+S1ŸS2
Таблица 3.
Таблица истинности и карта Карно для сигнала ERR
|
E1 |
S1 |
E2 |
S2 |
ERR |
Карта Карно |
||||||||||||||||||
|
0 |
0 |
0 |
0 |
1 |
для сигнала ERR |
||||||||||||||||||
|
0 |
0 |
0 |
1 |
0 |
v |
||||||||||||||||||
|
0 |
0 |
1 |
0 |
X |
S1 |
S1 |
|||||||||||||||||
|
0 |
0 |
1 |
1 |
1 |
E1 |
1 |
1 |
X |
X |
E2 |
|||||||||||||
|
0 |
1 |
0 |
0 |
0 |
v |
X |
1 |
X |
X |
E2 |
|||||||||||||
|
0 |
1 |
0 |
1 |
1 |
E1 |
X |
1 |
1 |
X |
||||||||||||||
|
0 |
1 |
1 |
0 |
X |
1 |
1 |
E2 |
||||||||||||||||
|
0 |
1 |
1 |
1 |
1 |
S2 |
S2 |
S2 |
||||||||||||||||
|
1 |
0 |
0 |
0 |
X |
|||||||||||||||||||
|
1 |
0 |
0 |
1 |
X |
|||||||||||||||||||
|
1 |
0 |
1 |
0 |
X |
|||||||||||||||||||
|
1 |
0 |
1 |
1 |
X |
|||||||||||||||||||
|
1 |
1 |
0 |
0 |
1 |
|||||||||||||||||||
|
1 |
1 |
0 |
1 |
1 |
|||||||||||||||||||
|
1 |
1 |
1 |
0 |
X |
|||||||||||||||||||
|
1 |
1 |
1 |
1 |
1 |
|||||||||||||||||||
v - ERR=0, ошибки нет - нормальная работа дешифратора.
x - запрещенная комбинация, получается только в том случае, если E1=1 и S1=0 или E2=1 и S2=0.
2.2 Описание работы принципиальной
схемы
Сигналы с выходов дешифратора поступают в входной блок на выводы 1,2,4,5,8,10,12,13 - DD1 и DD2, далее формируются сигналы E1,S1 на выводе 3, E2,S2 на выводе 6, E1’,S1’ на выводе 8 и E2’,S2’ на выводе 11 м/cх DD1 и DD2. Эти сигналы поступают в промежуточный блок, в результате чего появляются новые сигналы, нужные для дальнейшей проверки: E1 вывод 2 DD6, S1 вывод 3 DD4, E2 вывод 4 DD6 и S2 вывод 6 DD4. Последним, завершающим этапом являются логические операции в выходном блоке, который в зависимости от этих сигналов сформирует выходной сигнал ERR. Если сигнал ERR=0, то ошибки нет, ERR=1 есть ошибка.
Работу данной схемы можно рассмотреть на примерах.
Нормальный режим работы дешифратора, т.е. высокий уровень сигнала (лог. 1) присутствует на одном из выходов дешифратора, пусть в данном случае, это выход Y0=1, на остальные выводы 2,4,5,9,10,12 DD1,DD2 приходит лог. 0. На выводе 3 DD1(E1) после выполнения логической операции появится лог.0, на выводе 3 DD2 получится лог. 1, на всех же остальных выводах DD1 и DD2 формируется лог. 0. Сигнал лог. 1 с вывода 3 DD2 поступает вместе с сигналом лог. 0 с вывода 6 DD2 на вывод 1 и 2 DD4. Лог. 0 с выводов 3 и 6 DD3 поступает на выводы 13 и 5 DD5. На выводе 3 DD4 образуется сигнал лог. 1, который с сигналом с вывода 6 поступает на выводы 9 и 10 DD3, а также на выводы 9 и 10 DD5. На выводах 12, 6 и 8 DD5 образуется комбинация сигналов 110. Сигналы с выводов 12 и 6 инвертируются и поступают на выводы 1 и 2 выходного блока м/сх DD7. С вывода 3 DD7 лог. 0 подается на вывод 4 с сигналом лог.0 с вывода 8 DD5 на вывод 5 DD7, а с вывода 6 DD7 приходит лог.0 на вывод 10 DD7 и на вывод 9 DD7 приходит так же лог. 1 с вывода 8
DD3. На выводе 8 DD7 образуется лог. 0, т.е. сигнал ERR=0, значит схема проработала правильно, ошибки нет.
На выходах дешифратора нет активных сигналов, т.е. Y0=Y1=Y2=Y3 =Y4=Y5=Y6=Y7=0.
На выходах входного блока, м/сx DD1 и DD2, формируется лог. 0, далее эти сигналы поступают на м/сх DD3 и DD4.
Проследить появление сигнала, по влияющего на формирование ошибки можно с выводов 3 и 6 DD4, на этих выводах присутствуют лог. 0, которые поступят на выводы 9 и 10 м/сх DD5, после выполнения логической операции, т.е. логического сложения и инверсии, на выводе 8 DD5 сформируется сигнал лог. 1, который поступает на вывод 5 DD7, так как все выходы дешифратора пассивны, то к выходному блоку, кроме выше зафиксированного сигнала лог. 1, сигналы высокого уровня не поступят. Это значит, что ERR=1, есть ошибка.
Если на двух выходах дешифратора лог. 1.
На выходах Y0=Y7=1, на всех остальных лог. 0. На выводах 3 и 11 DD2 формирование лог. 1, на всех остальных выходах входного блока сигналы равные лог. 0, далее сигнал с выводов 3 и 6 DD2 поступают на выводы 1 и 2 DD4, в результате на выводе 3 DD4 формируется лог.1. Сигналы с выводов 8 и 11 DD2 поступают на выводы 4 и 5 DD4 после чего формируется сигнал лог. 1 на выводе 6 DD4. Сигналы с выводов 3 и 6 DD4 поступят на выводы 9 и 10 - DD3 и DD5. На выводе 8 DD5 после выполнения логической операции сформируется сигнал, который про инвертируется и в результате получится сигнал лог. 0. Этот сигнал с сигналом с вывода 3 DD7 (лог.0) подается на выводы 4 и 5 DD7, после чего на выводе 6 - DD7 сформируется лог. 0, далее этот сигнал с сигналом с вывода 8 DD3 (лог.1) поступают на выводы 9 и 10 DD7, после выполнения логической операции на выводе 8 DD7 сформируется сигнал высокого уровня, т.е. ERR=1, что известит об ошибке.
Вывод: для того чтобы сформировался сигнал ERR=1 достаточно чтобы из промежуточного блока в выходной блок пришел хотя бы один сигнал, равный лог. 1.
Расчет параметров: Pпотр., быстродействие, надежность
Расчет потребляемой мощности изделия (Pпотр.) можно определить по формуле:
Pпотр = S Pпотр.ср.i
Среднее значение мощности можно определить по формуле:
Pcр.=IпсрUпит
где Iпср - среднее значение тока, потребляемого ЛЭ;
Uпит - напряжение питания ЛЭ;
Iпср можно определить по формуле:
Iпср=Iп + Iп /2
В табл. 4 приведены токи потребления ИМС и ток потребления средний рассчитанный по вышеуказанной формуле.
Таблица 4.
|
Тип ИМС |
Iп, мА |
Iп, мА |
Iпср, мА |
|
КР1533ЛИ1 |
2,4 |
4,0 |
3,2 |
|
КР1531ЛЛ1 |
8,3 |
15,5 |
11,9 |
|
К155ЛЕ4 |
16 |
26 |
21 |
|
КР531ЛН1 |
54 |
24 |
39 |
По этим данным подсчитывается среднее значение мощности потребляемой каждой из м/сх, табл. 5.
Таблица 5.
|
Тип ИМС |
Pср, мВт |
|
КР1533ЛИ1 |
16 |
|
КР1531ЛЛ1 |
59,5 |
|
К155ЛЕ1 |
105 |
|
КР531ЛН1 |
195 |
Окончательный подсчет потребляемой мощности изделия:
Pпотр. = 16*2+59,5*3+105+195=510=0,51 Вт
Быстродействие можно определить по формуле:
T=Stзср
где tзср - средняя задержка, определяет среднее время выполнения логических операций, она определяется по формуле:
tзср = tз + tз /2
В табл.6 приведены данные по которым подсчитывается tзср, и уже подсчитанное tзср
Таблица 6.
|
Тип ИМС |
tз , нс |
tз , нс |
tзср, нс |
|
КР1533ЛИ1 |
15 |
15 |
15 |
|
КР1531ЛЛ1 |
5,0 |
5,5 |
5,25 |
|
К155ЛЕ4 |
11 |
15 |
13 |
|
КР531ЛН1 |
5 |
4,5 |
4,75 |
По данным из табл.6 можно определить быстродействие изделия:
T=15*2+5,25*3+13+4,75=63,5 нс
Теперь можно определить максимальную рабочую частоту, которая определяется по формуле:
F=1/T,
F=1/63,5=15,7 МГц
Расчет надежности проводится по следующим показателям:
интенсивность отказов изделия
lобщ.=Sliо*ni
где N - число групп «компонентов надежности», имеющих разные интенсивности отказов;
liо - интенсивность отказов элемента i-ой группы;
ni - количество элементов в i-ой группе.
время наработки на отказ
F=1/lобщ.
вероятность безотказной работы
- lобщ.t
P(t)=e
подсчитывается для t=100,1000,10000
Все это заносится в табл.7, для ИМС liо, было взято из [ 4 ]
Таблица 7.
|
Группа элементов |
Интенсивность отказов liо , 1/ч |
Кол-во элементов n |
liо*n |
|
ИМС |
8,5*10^-7 |
7 |
59,5*10^-7 |
|
C1 |
0,50*10^-6 |
1 |
0,50*10^-6 |
|
С2 - С8 |
0,05*10^-6 |
7 |
0,35*10^-6 |
|
пайка |
0,005*10^-6 |
104 |
0,52*10^-6 |
|
основание ПП |
1*10^-6 |
1 |
1*10^-6 |
|
разъем |
11 |
^ - степень;
C1 - электролитический конденсатор;
С2-С8 - керамические конденсаторы.
В табл. 8 приведены значения F и P(t) для 100,1000,10000.
Таблица 8.
|
Группа элементов |
F, ч |
P(t), 100 |
P(t), 1000 |
P(t), 10000 |
|
ИМС |
160000 |
0,9999 |
0,9994 |
0,994 |
|
С1 |
2000000 |
0,9999 |
0,9995 |
0,995 |
|
С2 - С8 |
2850000 |
0,9999 |
0,9996 |
0,996 |
|
пайка |
1900000 |
0,9999 |
0,9994 |
0,994 |
|
основание ПП |
1000000 |
0,9999 |
0,999 |
0,99 |
|
разъем |
1950000 |
0,9999 |
0,9994 |
0,994 |
Окончательный расчет надежности ведется на этапе технического проектирования. Формулы для расчете те же, но при расчете интенсивности отказов следует учитывать электрический режим работы ЭРЭ и условия эксплуатации (температура, влажность, вибрация и т.д.).
В рамках курсового проекта для учета влияния режима работы рассчитывается коэффициент нагрузки Kн, а температурный коэффициент берется равным 1:
li=liо*Kн*Kt=liо*Kн
Kн=Нраб./Нном.
где Нраб. - нагрузка на элемент в рабочем режиме;
Нном. - нагрузка в номинальном режиме.
Коэффициент Kн для ИМС определяется по нагрузочной способности:
Кн имс = Кразв.раб./Кразв.ном;
для конденсаторов - через напряжение:
Kн с = Uраб./Uном.
Таблица 9.
|
элемент |
lio, 1/ч |
Kн |
liо*Kн |
|
ИМС |
8,5*10^-7 |
0,05 |
0,43*10^-7 |
|
C1 |
0,50*10^-6 |
0,2 |
0,1*10^-6 |
|
C2 - C8 |
0,05*10^-6 |
0,2 |
0,01*10^-6 |
Таблица 10.
|
Группа элементов |
liо*n |
F, ч |
P(t), 100 |
P(t), 1000 |
P(t), 10000 |
|
ИМС |
3,01*10^-7 |
3300000 |
0,9999 |
0,9997 |
0,997 |
|
С1 |
0,1*10^-6 |
10000000 |
0,9999 |
0,999 |
0,99 |
|
С1 - С8 |
0,07*10^-6 |
100000000 |
0,99999 |
0,9999 |
0,9993 |
|
пайка |
0,52*10^-6 |
1900000 |
0,9999 |
0,9994 |
0,994 |
|
основание ПП |
1*10^-6 |
1000000 |
0,9999 |
0,999 |
0,99 |
|
разъем |
1950000 |
0,9999 |
0,9994 |
0,994 |
По расчетам вероятности безотказной работы строится график P(t) рис. 5.
Рис.5. График P(t)
2.4. Конструктивный расчет печатной платы. Технология изготовления
Описание технологии производства.
Производство ПП характеризуется большим числом различных механических, фотохимических и химических операций. При производстве ПП можно выделить типовые операции, разработка и осуществление которых производится специалистами различных направлений.
Для изготовления ПП был выбран комбинированный позитивный метод.
Перечень технологических операций:
а) нарезка заготовок и образование базовых отверстий - в крупносерийном производстве разрезку материала выполняют методом штамповки в специальных штампах на эксцентриковых прессах с одновременной пробивкой базовых отверстий на технологическом поле; в серийном и мелкосерийном производстве получили широкое применение одноножевые и много ножевые роликовые ножницы, на которых материал сначала разрезается на полосы заданной ширины, а затем на заготовки, сверление базовых отверстий производится на специализированных станках.
б) химическая металлизация ПП заключается в последовательности химических реакций осаждения меди, используемой в качестве подслоя при нанесении основного слоя токопроводящего рисунка гальваническим способом. Для придания диэлектрику способности к металлизации производят следующие подготовительные операции: сенсибилизация поверхности, имеет целью формирования на поверхности диэлектрика пленки ионов двухвалентного олова, являющихся восстановителем для ионов активатора металлизации; активизация поверхности, производится растворами солей благородных металлов, преимущественно палладия, создает на подложке тонкую пленку металлического палладия, способствующую последующему осаждению меди. Химическое меднение ПП производят в специальных автооператорных линиях с набором ванн необходимого размера, выполненных из материалов, выдерживающих воздействие растворов при их рабочих температурах.
в) гальваническая металлизация - при производстве ПП ее применяют для предварительного увеличения тонкого слоя химической меди до толщины 5-8 мкм с целью последующего нанесения на поверхность проводящего рисунка схемы. Металлизируемые платы, закрепленные на специальных подвесках-токоподводах, помещают в гальваническую ванну с электролитом между анодами, выполненными из металла необходимого покрытия. Равномерность толщины гальванического покрытия зависит от:
габаритов металлизируемых плат; диаметром металлизируемых отверстий; расположение плат в ванне; рассеивающей способности электролитов; оптимальной плотности тока.
г) нанесение рисунка схемы на ПП или их слои необходимо для получения защитной маски требуемой конфигурации при осуществлении процессов металлизации и травления проводящего рисунка. Наибольшее распространение в промышленности нашли сеткографический и фотохимический способы нанесения рисунка схемы. В обоих случаях инструментом переноса изображения на плату служат позитивные или негативные фотошаблоны, выполненные на пленке или стекле.
д) удаление защитной маски после операций травлений или металлизации осуществляют химическим или механическим способом. При химическом удалении применяют соответствующие растворители, а при механическом - гидроабразивную пульпу, подаваемую на поверхность платы под давлением.
е) травление меди с пробельных мест - при изготовлении важнейшим этапом является формирования проводящего рисунка схемы является процесс травления (удаления) меди с непроводящих (пробельных) участков схемы. Травление является сложным окислительно-восстановительным, в котором травильный раствор служит окислителем. Как правило, травление состоит из операций предварительной очистки меди, способствующей более равномерному ее удалению, очистки поверхности диэлектрика и при необходимости осветления поверхности металлорезиста. Качество образующегося в результате травления проводящего рисунка зависит от свойств примененного резиста, характеристик тра-
вильного раствора и скорости травления. Нанесенный рисунок схемы должен быть четким, сплошным, иметь необходимую толщину резиста, устойчивого к выбранному травильному раствору. Если платы изготавливаеют комбинированным позитивным методом, то после удаления резиста необходимо стравить слой предварительной металлизации и фольгу исходного материала. При этом проводящий рисунок защищен металлорезистом.
ж) оплавление металлорезиста - гальванически нанесенный металлорезист олово - свинец имеет пористую структуру, матовый светло-серый оттенок, быстро окисляется, теряя способность к пайке, и создает эффект нависания покрытия после травления меди. Для устранения этих недостатков производят оплавление металлорезиста с помощью инфракрасного излучения в жидкости или газе. Лучшие результаты оплавления достигают при составе покрытия, близком к эвтектическому состоянию сплава свинец-олово.
з) При обработке ПП по контуру применяют два способа; вырубку штампами и фрезерование. Вырубка плат на эксцентриковых прессах с помощью штампов, которые могут формировать сложный по форме контур, экономически целесообразна при большом выпуске плат одного типоразмера, когда могут быть оправданны затраты на изготовление штампов. Фрезирование выполняется на специальных фрезерных станках, работающих по копиру. Этот способ отличается высокой производительностью, дает хорошее качество кромок плат и точность размеров.
и) маркировку плат осуществляют с помощью сеткографии, нанесением символов специальными штемпелями, металлизированными символами, выполняемыми одновременно с рисунком схемы, или краской вручную. Маркировка должна сохранятся в течении всего срока службы, не должна стираться или смываться при воздействии моющих растворов, лаков и спиртобензиновой смеси. Маркировка состоит из товарного знака завода-изготовителя, обозначения платы, заводского номера, года и месяца выпуска, монтажных знаков и символов, облегчающих сборку узлов и регламентные работы при эксплуатации.
к) нанесение защитного покрытия на плату наносится с помощью кисти или специальной распылительной камеры, в
качестве защитного материала может использоваться лак, флюсы ацитоноканифольные или спиртоканифольные.
л) окончательный контроль платы проводится либо визуально, либо проверкой отдельных параметров платы. [ 5 ]
При рассмотрении конструктивных характеристик плат используются следующие условные обозначения:
t - ширина печатного проводника;
S - расстояние между печатными проводниками;
S0 - расстояние между контактными площадками или контактной площадкой и проводником;
b - ширина контактной площадки в узком месте;
d - диаметр отверстия;
dз - диаметр зенковки;
H - толщина ПП;
hФ - толщина фольги;
Таблица 11. Приведены размеры показателей ПП
|
Элемент |
Размер, мм |
|
t |
0,25 |
|
S,S0 |
0,25 |
|
b |
0,1 |
|
g |
0,33 |
|
dвыв |
0,5 |
|
dвыв. эл. конд. |
0,6 |
|
dмет |
0,8 |
|
dз |
1,1 |
|
dкп |
1,7 |
|
H |
1,5 |
|
hф |
0,5 |
Список литературы:
Шевкопляс Б.В. Микропроцессорные структуры. Инженерные решения. Дополнение первое: Справочник. - М.: Радио и связь, 1993. - 256с.: ил.
Юшин А.М. Цифровые микросхемы для электронных устройств. Справ. для ПТУ. - М.: Высш. шк., 1993. - 176 с.: ил.
Каган Б.М. Электронные вычислительные машины и системы: Учеб. Пособие для вузов. - 3-е изд., перераб. и доп. - М.: Энергоатомиздат, 1991. - 592 с.: ил.
Ефимов И.Е., Горбунов Ю.И., Козырь И.Я. Микроэлектроника. Физические и технологические основы, надежность. Учеб. Пособие для вузов. М., «Высш. школа», 1977.
Технология ЭВА, оборудование и автоматизация: Учеб. Пособие для студентов вузов специальности «Конструирование и производство ЭВА»/ Алексеев В.Г., Гриднев В.Н., Нестеров Ю.И. и др. - М:. Высш. шк., 1984. - 392 с., ил.

Иркутский авиационный техникум
СХЕМА КОНТРОЛЯ ДЕШИФРАТОРА
Пояснительная записка
КП 2201.97.49.02 ПЗ
Зав. отделением Руководитель
Сыровая И. С. Домашенкина А. В.
Председатель ЦК Выполнил
Домашенкина А. В. Колмагоров Д.Б.
1997
СОДЕРЖАНИЕ
Введение
Общая часть
1.1Назначение схем контроля цифровых устройств, виды контроля для комбинационных схем
1.2 Выбор и обоснование функциональной схемы, элементной базы
2. Специальная часть
Логический расчет схемы
Расчет входного блока
Расчет промежуточного блока
Расчет выходного блока
Описание работы принципиальной схемы
Расчет параметров: Pпотр., быстродействие, надежность
Конструктивный расчет печатной платы. Технология изготовления
Список литературы