| Скачать .docx |
Реферат: Защита салона автомобиля от съема информации
Агентство образования Российской Федерации
ТОМСКИЙ ГОСУДАРСТВЕННЫЙ УНИВЕРСИТЕТ СИСТЕМ УПРАВЛЕНИЯ
И РАДИОЭЛЕКТРОНИКИ
( ТУСУР )
Кафедра радиоэлектроники и защиты информации (РЗИ)
Защита салона автомобиля от съема информации
Пояснительная записка к курсовому проекту по дисциплине «Инженерно-техническая защита информации»
Выполнил:
Студент гр. 1А1
_________ Пляскин Е.В
Руководитель:
Доцент каф. РЗИ
_________ Бацула А.П.
Томск 2004
Реферат
Пояснительная записка содержит 31 стр., 7 рисунков, 7 таблиц.
ТЕХНИЧЕСКИЕ КАНАЛЫ УТЕЧКИ ИНФОРМАЦИИ, ЭЛЕКТРОМАГНИТНОЕ ЭКРАНИРОВАНИЕ, ЭЛЕКТРОМАГНИТНЫЙ ЭКРАН, ВИБРОАКУСТИЧЕСКОЕ ЗАШУМЛЕНИЕ, ГЕНЕРАТОР ШУМА, ПОДАВЛЕНИЕ ДИКТОФОНОВ.
В курсовом проекте был проведен обзор технических каналов утечки информации, был проведен расчет электромагнитного экранирования салона автомобиля для защиты от утечки информации по радиоканалу, также расчет виброакустического зашумления салона.
Курсовой проект выполнен с использованием текстового редактора MicrosoftWorldХР MathCad 11 Professional.
Агентство образования Российской Федерации
ТОМСКИЙ ГОСУДАРСТВЕННЫЙ УНИВЕРСИТЕТ СИСТЕМ
УПРАВЛЕНИЯ И РАДИОЭЛЕКТРОНИКИ
(ТУСУР)
Кафедра радиоэлектроники и защиты информации (РЗИ)
Зав. кафедрой РЗИ
_______ В. Н. Ильюшенко
«___» _________ 2004 г.
по дисциплине "Инженерно-техническая защита информации"
1. Тема проекта: Защита салона автомобиля от несанкционированного съема информации по виброакустическому каналу________________________________________________________________
2. Срок сдачи законченного проекта: ___________ 2004 г.
3. Этап работы:
4. Цель проекта: определение и рассмотрение технических каналов утечки информации из салона автомобиля, расчет методов противодействия утечке информации, анализ полученных данных и выявления наиболее целесообразных средств защиты охраняемой информации.
5. Исходные данные для исследования._____________________________________________________
_______________________________________________________________________________________________
6. Технические требования: микроавтобус MITSUBISHI DELICA
| Длина салона автомобиля | 2.6м |
| Ширина салона автомобиля | 1.5м |
| Высота салона автомобиля | 1.2м |
| Толщина кузова автомобиля | 5мм |
6.1 Технические характеристики: уровень информативного сигнала- 80дб
Уровень шумов-30дб_________________________
Контролируемая зона______________5м___________
7. Вопросы, подлежащие исследованию и разработке.
7.1 Рассчитать виброакустическое зашумление салона автомобиля
7.2 Рассчитать электромагнитное экранирование салона автомобиля
7.3 Сравнить эффективность виброакустического зашумления и электромагнитного экранирования.
Руководитель курсового проекта Исполнитель студент
Бацула А.П Пляскин Е.В_______
«___» _________2004 г
Содержание
1 Введение. 5
2 Технические каналы утечки акустической информации. 6
2.1 Воздушные технические каналы утечки информации. 6
2.2 Вибрационные технические каналы утечки информации. 7
2.3 Электроакустические технические каналы утечки информации. 7
2.4 Оптико-электронный технический канал утечки информации. 8
2.5 Параметрические технические каналы утечки информации. 8
3 Методы защиты информации. 10
3.1 Пассивные методы защиты.. 11
3.1.2 Электромагнитное экранирование. 11
3.2 Активные методы защиты.. 18
3.2.1 Виброакустическая маскировка. 18
3.2.2 Обнаружение и подавление диктофонов. 27
4 Заключение. 30
Список использованных источников. 31
1 Введение
Для несанкционированного добывания информации в настоящее время используется широкий арсенал технических средств, из которых малогабаритные технические средства отражают одно из направлений в развитии современных разведывательных технологий. Выполняемые в портативном, миниатюрном и сверхминиатюрном виде, эти средства аккумулируют в себе новейшие научные, технические и технологические достижения электроники, акустики, оптики, радиотехники и других наук. Такие средства находят широкое применение, как в деятельности правоохранительных органов, так и иностранных технических разведок, в подпольном информационном обеспечении незаконных экономических, финансовых и криминальных организаций. В условиях рыночной экономики появление значительного числа конкурирующих между собой различных структур естественным образом создало определенное пространство, на котором применение подобных устройств технической разведки для добывания информации различной значимости является наиболее вероятным.
На сегодняшний день инженерно-техническая защита информации переживает бурный рост и эта тенденция будет сохранятся в дальнейшем. Многие фирмы и организации заинтересованы в защите своих конфиденциальных данных и проводят мероприятия по пресечению их утечки. К таким мероприятиям относятся организационные, инженерно-технические решения в области защиты информации, а также защита информации в области компьютерных технологий. К организационным методам защиты информации можно отнести: пропускной и внутреобъектный режим, обучение сотрудников и различные другие мероприятия. На помощь организационной защиты информации приходят инженерно-технические решения и вычислительные системы, позволяющие автоматизировать процесс контроля выполнения режимов. Но к процессу автоматизации контроля за объектом необходимо подходить осторожно, так как применение дополнительных технических и компьютерных средств создает дополнительные каналы утечки информации.
Но несмотря, на бурное развитие в данном направлении существуют еще некоторые области в защите информации, которые не находят яркого отражения в литературе. Одной из таких областей является защита салона автомобиля от съема информации. Проблема защиты информации в салоне автомобиля имеет много общего с защитой помещения от утечки информации, но в тоже время имеет некоторые свои особенности.
В данном курсовом проекте я остановлюсь на защите от утечки акустической информации, в виду того, что она несет наибольшую информативную нагрузку.
2 Технические каналы утечки акустической информации
Подтехническим каналом утечки информации (ТКУИ) понимают совокупность объекта разведки, технического средства разведки (TCP), с помощью которого добывается информация об этом объекте, и физической среды, в которой распространяется информационный сигнал. По сути, под ТКУИ понимаютспособ получения с помощью TCP разве дывательной информацииоб объекте.
Сигналы являются материальными носителями информации. По своей физической природе сигналы могут быть электрическими, электромагнитными, акустическими и т.д. То есть сигналами, как правило, являются электромагнитные, механические и другие виды колебаний (волн), причем информация содержится в их изменяющихся параметрах.
В зависимости от природы сигналы распространяются в определенных физических средах. В общем случае средой распространения могут быть газовые (воздушные), жидкостные (водные) и твердые сре ды. Например, воздушное пространство, конструкции зданий, соедините льные линии и токопроводящие элементы, грунт (земля) и т.п.
Технические средства разведки служат для приема и измерения параметров сигналов.
Пол акустической понимается информация, носителем которой являются акустические сигналы. В том случае, если источником информации является человеческая речь, акустическая информация называетсяречевой.
Акустический сигнал представляет собой возмущения упругой среды, проявляющиеся в возникновении акустических колебаний различной формы и длительности. Акустическими называются механические колебания частиц упругой среды, распространяющиеся от источника колебаний в окружающее пространство в виде волн различной длины.
Первичными источниками акустических колебаний являются механические колебательные системы, например органы речи человека, а вторичными -преобразователи различного типа, в том числе электроакустические. Последние представляют собой устройства, предназначенные для преобразования акустических колебаний в электрические и обратно. К ним относятся пьезоэлементы, микрофоны, телефоны, громкоговорители и другие устройства.
В зависимости от формы акустических колебаний различают простые (тональные) и сложные сигналы. То нальный - это сигнал, вызываемый колебанием, совершающимся по синусоидальному закону. Сложный сигнал включает целый спектр гармонических составляющих. Речевой сигнал является сложным акустическим сигналом в диапазоне частот от 200. ..300 Гц до 4 ...6 кГц. В зависимости от физической природы возникновения информационных сигналов, среды распространения акустических колебаний и способов их перехвата технические каналы утечки акустической (речевой) информации можно разделить на воздушные, вибрационные, электроакустические, оптико-электронный и параметрические.
2.1 Воздушные технические каналы утечки информации
В воздушных технических каналах утечки информации сре дой распространения акустических сигналов является воздух, и для их перехвата используются миниатюрные высокочувствительные микрофоны и специальные направленные микрофоны.
Миниатюрные микрофоны объединяются (или соединяются) с портативными звукозаписывающими устройствами (диктофонами) или специальными миниатюрными передатчиками. Автономные устройства, конструкционно объединяющие миниатюрные микрофоны и передатчики, называют закладными устройствами перехвата речевой информации, или простоакустическими закладками.Перехваченная закладными устройствами речевая информация может передаваться по радиоканалу, оптическому каналу (в инфракрасном диапазоне длин волн), по сети переменного тока, соединительным линиям вспомогательных технических средств и систем (ВТСС), посторонним проводникам (трубам водоснабжения и канализации, металлоконструкциям и т. п.). Причем для передачи информации по трубам и металлоконструкциям могут использоваться не только электромагнитные, но и механические ультразвуковые колебания.
2.2 Вибрационные технические каналы утечки информации
В вибрационных (структурных) технических каналах утечки информации средой распространения акустических сигналов являются конструкции з даний, сооружений (стены , потолки , полы) , трубы во доснабжения. отопления , канализации и другие твердые тела. Для перехвата акустических колебаний в этом случае используются контактные микрофоны (стетоскопы). Контактные микрофоны , соединенные с электронным усилителем. называютэлектронными стетоскопами.
По вибрационному каналу также возможен перехват информации с использованием закладных устройств. В основном для передачи информации используется радиоканал , поэтому такие устройства часто называютрадиостетоскопами. Возможно использование закладных устройств с передачей информации по оптическому каналу в ближнем инфракрасном диапазоне длин волн, а также по ультразвуковому каналу (по металлоконструкциям здания).
2.3 Электроакустические технические каналы утечки информации
Электроакустические технические каналы утечки информации возникают за счет электроакустических преобразований акустических сигналов в электрические и включают перехват акустических колебаний через ВТСС. обладающие “микрофонным эффектом”, а также путем “высокочастотного навязывания”.
Некоторые элементы ВТСС. в том числе трансформаторы, катушки индуктивности, электромагниты вторичных электрочасов, звонков телефонных аппаратов, дроссели ламп дневного света. электрореле и т. п .. обладают свойством изменять свои параметры (емкость, индуктивность, сопротивление) под действием акустического поля, создаваемого источником акустических колебаний.
Изменение параметров приводит либо к появлению на данных элементах электродвижущей силы (ЭДС). изменяющейся по закону воз действующего информационного акустического поля, либо к модуляции токов, протекающих по этим элементам, информационным сигналом. Например, акустическое поле, воздейству й на якорь электромагнита вызывного телефонного звонка, вызывает его колебание. В результате чего изменяется магнитный поток сердечника электромагнита. Изменение этого потока вызывает появление ЭДС самоиндукции в катушке звонка, изменяющейся по закону изменения акустического поля. ВТСС, кроме указанных элементов, могут содержать непосредственно электроакустические преобразователи.
К таким ВТСС относятся некоторые датчики пожарной сигнализации, громкоговорители ретрансляционной сети и т.д. Эффект электроакустического преобразования акустических колебаний в электрические часто называют“микрофонным эффектом”. Причем из ВТСС, обладающих “микрофонным эффектом”, наибо льшую чувствительность к акустическому полю имеют абонентские громкоговорители и некоторые датчики пожарной сигнализации. Перехват акустических колебаний в данном канале утечки информации осуществляется путем непосре дственного подключения к соединительным линиям ВТСС, обладающих “микрофонным эффектом”, специальных высокочувствительных низкочастотных усилителей.
2.4 Оптико-электронный технический канал утечки информации
Оптико-электронный (лазерный) канал утечки акустической информации образуется при облучении лазерным лучом вибрирующих в акустическом поле тонких отражающих поверхностей (стекол окон, картин, зеркал и т.д.). Отраженное лазерное излучение (диффузное или зеркальное) модулируется по амплитуде и фазе (по закону вибрации поверхности) и принимается приемником оптического (лазерного) излучения, при демодуляции которого выделяется речевая информация. Причем лазер и приемник оптического излучения могут быть установлены в одном или разных местах (помещениях). Для перехвата речевой информации по данному каналу используются сложные лазерные акустические локационные системы, иногда называемые“лазерными микрофонами”. Работают они, как правило , в ближнем инфракрасном диапазоне волн.
2.5 Параметрические технические каналы утечки информации
В результате воздействия акустического поля меняется давление на все элементы высокочастотных генераторов ТСПИ и ВТСС. При этом изменяется (незначительно) взаимное расположение элементов схем, проводов в катушках индуктивности, дросселей и т. п., что может привести к изменениям параметров высокочастотного сигнала, например к модуляции его информационным сигналом. Поэтому этот канал утечки информации называется параметрическим. Это обусловлено тем, что незначительное изменение взаимного расположения, например, прово дов в катушках индуктивности (межвиткового расстояния) приво дит к изменению их ин дуктивности, а, следовательно, к изменению частоты излучения генератора, т.е. к частотной модуляции сигнала.
Или воздействие акустического поля на кон денсаторы приводит к изменению расстояния между пластинами и, следовательно, к изменению его емкости, что, в свою очередь, также приводит к частотной модуляции высокочастотного сигнала генератора. Наиболее часто наблю дается паразитная модуляция информационным сигналом излучений гетеродинов радиоприемных и телевизионных устройств, находящихся в вы деленных помещениях и имеющих кон денсаторы переменной емкости с воздушным д иэлектриком в колебательных контурах гетеро динов.
Промодулированные информационным сигналом высокочастотные колебания излучаются в окружающее пространство и могут быть перехвачены и детектированы средствами радиоразведки. Параметрический канал утечки информации может быть реализован и путем “высокочастотног о облучения” помещения, где установлены полу активные закла дные устройства, имеющие элементы. некоторые параметры которых (например, добротность и резонансная частота объемного резонатора) изменяются по закону изменения акустического (речевого) сигнала.
При облучении мощным высокочастотным сигналом помещения, в котором установлено такое закладное устройство, в последнем при взаимодействии облучающего электромагнитного поля со специальными элементами закладки (например, четвертьволновым вибратором) происходит образование вторичных радиоволн, т.е. переизлучение электромагнитного поля. А специальное устройство закладки (например, объемный резонатор) обеспечивает амплитудную, фазовую или частотную модуляцию переотраженного сигнала по закону изменения речевого сигнала. Подобного вида закладки иногда называют полуактивными.
Для перехвата информации по данному каналу кроме закладного устройства необходимы специальный передатчик с направленной антенной и приемник.
Таблица 2.1 - Технические каналы утечки акустической информации и пути перехвата информации по ним
| Воздушный канал | 1. микрофоны, укомплектованные портативными устройствами записи 2. направленные микрофоны 3. микрофоны, укомплектованные устройствами передачи информации по радиоканалу 4. микрофоны, комплектованные устройствами передачи информации по сети электропитания 220В 5. микрофоны, укомплектованные устройствами передачи информации по оптическому каналу в ИК-диапазоне длин волн 6. микрофоны, с возможностью передачи информации по телефонной линии 7. микрофоны, с возможностью передачи информации по трубам водоснабжения и т.п. |
| Вибрационный канал | 1. электронные стетоскопы 2. стетоскопы с возможностью передачи информации по радиоканалу 3. стетоскопы с возможностью передачи информации по оптическому каналу 4. стетоскопы с передачей информации по трубам водоснабжения и т.п. |
| Электроакустический канал | 1. через ВТСС, обладающих микрофонным эффектом, путем подключения к их соединительным линиям 2. через ВТСС, путем высокочастотного навязывания |
| Оптико-электронный канал | 1. лазерные микрофоны |
| Параметрический канал | 1. прием и детектирование побочных ЭМИ (на частотах ВЧ-генераторов) ТСПИ и ВТСС 2. путем высокочастотного облучения специальных полуактивных закладных устройств |
3 Методы защиты информации
Для перехвата речевой информации предполагаемый "противник" (лицо или группа лиц, заинтересованных в получении данной информации) может использовать широкий арсенал портативных средств акустической речевой разведки, позволяющих перехватывать речевую информацию по прямому акустическому, виброакустическому, электроакустическому и оптико-электронному (акустооптическому) каналам, к основным из которых относятся :
· портативная аппаратура звукозаписи (малогабаритные диктофоны, магнитофоны и устройства записи на основе цифровой схемотехники);
· направленные микрофоны;
· электронные стетоскопы;
· электронные устройства перехвата речевой информации (закладные устройства) с датчиками микрофонного и контактного типов с передачей перехваченной информации по радио, оптическому (в инфракрасном диапазоне длин волн) и ультразвуковому каналам;
· оптико-электронные акустические системы и т.д.
Портативная аппаратура звукозаписи и закладные устройства с датчиками микрофонного типа (преобразователями акустических сигналов, распространяющихся в воздушной и газовой средах) могут быть установлены при неконтролируемом пребывании физических лиц («агентов») непосредственно в салоне автомобиля. Данная аппаратура обеспечивает хорошую регистрацию речи средней громкости.
Электронные стетоскопы и закладные устройства с датчиками контактного типа позволяют перехватывать речевую информацию без физического доступа «агентов» в салон автомобиля. Для этого они могут быть установлены на стеклах. Но здесь возникает проблема возможного обнаружения стетоскопа владельцем автомобиля.
Применение для ведения разведки направленных микрофонов и оптико-электронных (лазерных) акустических систем не требует проникновения «агентов» не только в салон автомобиля, но и также не требует контакта с автомобилем вообще. Разведка может вестись из соседних зданий или автомашин, находящихся в отдалении.
С использованием направленных микрофонов возможен перехват речевой информации из салона при наличии открытых стекол в условиях города (на фоне транспортных шумов) на расстояниях до 50 м [2].
Максимальная дальность разведки с использованием оптико-электронных (лазерных) акустических систем, снимающих информацию со стекол, составляет 150…200 метров в городских условиях (наличие интенсивных акустических помех, запыленность атмосферы) и до 500 м в загородных условиях 3].
Использование микрофонов с передачей информации по оптическому каналу я считаю не целесообразным, т. к. для перехвата информации необходима тонкая настройка передатчика и приемника. А это будет невозможным при использовании в городских условиях.
Для снижения разборчивости речи необходимо стремиться уменьшить отношение «уровень речевого сигнала/уровень шума» (сигнал/шум) в местах возможного размещения датчиков аппаратуры акустической разведки. Уменьшение отношения сигнал/шум возможно путем или уменьшения (ослабления) уровня речевого сигнала (пассивные методы защиты ), или увеличения уровня шума (создания акустических и вибрационных помех) (активные методы защиты ). К пассивным методам защиты я также отнесу электромагнитное экранирование салона автомобиля, для исключения использования микрофонов с передачей информации по радиоканалу, высокочастотного навязывания и т.п.
3.1 Пассивные методы защиты
3.1.2 Электромагнитное экранирование
Под экранированием понимается локализация электрического, электромагнитного полей в определенной части пространства и более или менее полное освобождение от него остальной среды. Экранирование позволяет защитить как радиоэлектронные приборы от воздействия внешних полей, так и локализовать их собственные излучения, препятствуя их появлению в окружающем пространстве.
В результате становится практически невозможным несанкционированный съем информации по техническим каналам (к которым относится канал побочных электромагнитных излучений и наводок, электроакустический канал, радиоканал и т.д.).
Таким образом оно позволяет снизить эффективность использования злоумышленником микрофонов с передачей информации по радиоканалу, высокочастотного «навязывания» и др. средств съема информации.
Эффективность действия электромагнитного экрана характеризуется коэффициентом экранирования[4]:
| (3.1) | |
| (3.2) |
где
- коэффициент экранирования электрической составляющей;
- коэффициент экранирования магнитной составляющей;
- напряженность электрического поля в какой-либо точке при наличии экрана;
- напряженность электрического поля при отсутствии экрана;
- напряженность магнитного поля в какой-либо точке при наличии экрана;
- напряженность магнитного поля при отсутствии экрана.
На практике действие экрана принято оценивать эффективностью экранирования, дБ,
| (3.3) | |
| (3.4) |
Теоретическое решение задачи экранирования, определение значений напряженности полей в общем случае чрезвычайно затруднительно, поэтому в зависимости от типа решаемой задачи представляется удобным рассматривать отдельные виды экранирования: электрическое, магнитостатическое и электромагнитное. Последнее является наиболее общим и часто применяемым, так как в большинстве случаев экранирования приходится иметь дело либо с переменными, либо с флуктуирующими и реже — действительно со статическими полями. На нем я и остановлюсь.
В общем случае эффективность экранирования можно представить в виде[4]:
| (3.5) |
где
- эффективность экранирования за счет поглощения энергии в толще материала;
- эффективность экранирования за счет отражения энергии от границ раздела внешняя среда – металл и металл – внешняя среда;
- эффективность отражения за счет многократных внутренних отражений для последующих составляющих волн.
Значения этих эффективностей можно вычислить по формулам[5]:
| (3.6) |
где
- толщина экрана;
- глубина проникновения – расстояние вдоль направления распространения волны, на котором амплитуда падающей волны уменьшается в e=2.71 раз.
, |
(3.7) |
где
- значения характеристических сопротивлений диэлектрика и металла.
Отражение электромагнитной энергии обусловлено несоответствием волновых характеристик диэлектрика, в пределах которого расположен экран, и материала экрана. Чем больше это несоответствие, чем больше отчаются волновые сопротивления экрана и диэлектрика, тем интенсивнее частичный эффект экранирования, определяемый отражением электромагнитных волн.
![]() |
(3.8) |
Электромагнитное экранирование основано на возникновении вихревых токов, которые ослабляют электромагнитное поле. Эффективность экранирования такого экрана в ближней зоне (зоне индукции) будет неодинакова для составляющих поля. Поэтому, как правило, для ближней зоны следует вычислять эффективность экранирования каждой из компонент поля в отдельности, принимая при этом, что в дальней зоне (зона излучения) эффективности экранирования составляющих окажутся одинаковыми.
Физическая сущность электромагнитного экранирования, рассматриваемая с точки зрения теории электромагнитного поля и теории электрических цепей, сводится к тому, что под действием источника электромагнитной энергии на стороне экрана, обращенной к источнику, возникают заряды, а в его стенках - токи, поля которых во внешнем пространстве по интенсивности близки к полю источника, а по направлению противоположны ему, и поэтому происходит взаимная компенсация полей.
Ниже приведены материалы, используемые при экранировании:
- металлические материалы (в том числе сеточные материалы и фольговые материалы);
- металлизация поверхностей;
- стекла с токопроводящим покрытием;
- специальные ткани;
- радиопоглощающие материалы;
- токопроводящие краски;
- электропроводный клей;
В таблице 3.1 приведены значения эффективности экранирования для реальных замкнутых экранов.
Таблица 3.1 - Значения ЭЭ для реальных замкнутых экранов, дБ
| Материал экрана | Диапазон частот, МГц | ||||
| 0,15-3 | 3-30 | 30-300 | 300-3000 | 3000-10000 | |
| Сталь листовая: | |||||
| - сварка сплошным швом | >100 | >100 | >100 | >100 | >100 |
| - сварка точечным швом, шаг 50 мм | 70 | 50 | - | - | - |
| - болтовое соединение, шаг 50 мм | 75 | 60 | - | - | - |
| Жесть (фальцем): | |||||
| - пайка непрерывная | 100 | 100 | 100 | 100 | 100 |
| - точечная пайка, шаг 50 мм | 100 | 80 | 60 | 50 | 40 |
| - без пайки | 100 | 100 | 60 | 50 | 40 |
| Сетка металлическая, ячейка 1 мм | 80 | 60 | 50 | 40 | 25 |
| Фольга, склейка внахлест | 100 | 80 | 80 | 70 | 60 |
| Токопроводящая краска, Rs =6 Ом | 70 | 40 | 30 | 40 | 40 |
| Металлизация, расход металла 0,3 кг/м2 | 100 | 80 | 60 | 50 | 40 |
| Экранирование смотровых и оконных проемов: | |||||
| - штора или створка из металлической сетки с ячейкой 1-1,5 мм | 70 | 60 | 60 | 40 | 40 |
| - металлическая сетка с ячейкой до 2 мм | 70 | 60 | 40 | 20 | - |
| - стекло с токопроводящей поверхностью | 70 | 30 | - | 30 | 30 |
При рассмотрении процесса экранирования автомобиля необходимо учитывать влияние корпуса автомобиля, выполняющего уже роль электромагнитного экрана.
Для инженерных расчетов используют упрощенные выражения, полученные при анализе многих конструкций экранов различного назначения. Рассчитаем эффективность экранирования автомобиля без использования дополнительных средств.
Расчет эффективности экранирования для электрически толстых (
) металлических экранов производится по формуле:
![]() |
(3.9) |
где
- удельное сопротивление материала;
- длина волны;
- волновое сопротивление электрического (магнитного) поля;
- эквивалентный радиус экрана;
- наибольший размер отверстия (щели).
Волновое сопротивление электрического и магнитного полей начисляют по формулам:
| (3.10) | |
| (3.11) |
где
- характеристическое сопротивление воздуха электромагнитной волне, равное
.
Эквивалентный радиус экрана в свою очередь высчитывается по формуле:
| (3.12) |
При расчете эффективности экранирования автомобиля будем исходить из того, что корпус автомобиля выполнен из стали. Это соответствует действительности для некоторых моделей.
Рассчитаем эквивалентный радиус. Будем считать, что длина салона автомобиля равна 2,6 метрам, высота 1,2 метру, а ширина 1.5 метра.
Тогда:
Толщину корпуса примем равной 5 мм. Для повышения эффективности экранирования необходимо уменьшить размеры возможных щелей в корпусе автомобиля. Я принял ее равной 2 мм.
Глубина проникновения рассчитывается по формуле:
| (3.13) |
где
- относительная магнитная проницаемость материала экрана.
Для стали относительная магнитная проницаемость равна 180. На основе этих данных можно вычислить эффективность замкнутого экрана сделанного из такого же материала, что и автомобиль.
Расчеты будут проводится по формулам (3.9)-(3.13). Зависимость эффективности экранирования от частоты приведена на рисунке 3.1
По рисунку определяем, что на частоте 1 ГГц эффективность экранирования данного экрана составляет 123 дБ, а на частоте 2 ГГц – 115 дБ.

Рисунок 3.1 – Зависимость эффективности экранирования стального экрана от частоты, дБ.
Для получения реальной эффективности необходимо учитывать наличие в автомобиле окон, которые нельзя заменить эквивалентным стальным экраном. Поэтому необходимо рассчитать эффективность экранирования эквивалентного стеклянного экрана.
При расчете экранирования окон необходимо учитывать снижение светопропускания. В качестве решения данной проблемы можно предложить следующие методы:
1. вкрапление в стекло металлической сетки;
2. стекла с токопроводящим покрытием.
И эти методы находятся в бурном развитии. Например, для нанесения токопроводящего покрытия используют вакуумные установки многослойного магнетронного напыления. Принцип работы этих установок основан на методе «бомбардировки» поверхности материала-подложки атомами или молекулами осаждаемого вещества, создающими на поверхности тонкий (от нескольких нанометров), ровный и чрезвычайно прочный слой покрытия. Используемые установки позволяют наносить одно- и многослойные покрытия из Ti, Ni, Al, In, Si, Zr, Cu, Co, Fe и др. материалов (до трех видов за один цикл) на стекло, керамику, металл и ряд пластмасс, и делать это со производительностью (для пятислойных покрытий) 200 дм2 /час.
В качестве примера можно привести систему «Forster shielding» обладающей эффективностью 60 дБ в полосе частот от 1кГц до 1ГГц. При этом экраны обладают отличной проницаемостью света.
Рассмотрим экранирование стекол с помощью металлической сетки. Расчет будем проводить для сетки изготовленной из медной проволоки диаметром 0.05 мм с размером ячейки 2 мм. Оптическая проницаемость такой сетки составляет 85%[10].
Расчет эффективности сеточного экрана проводится по формуле:
![]() |
(3.14) |
где
- эквивалентная толщина сетки, м;
- диаметр провода сетки, мм;
- шаг сетки, мм.
Результаты вычисления представлены на рисунке 3.2.

Рисунок 3.2 – Зависимость эффективности экранирования медной сетки от частоты, дБ.
Из рисунка видно, что на частоте 2 ГГц эффективность экранирования равна 51 дБ.
Таким образом эффективность наиболее слабого звена электромагнитного экрана автомобиля обеспечивает эффективность экранирования 51 дБ в полосе частот от 1МГц до 2 ГГц.
Для повышения эффективности экранирования салона возможно покрытие внутренней стороны корпуса автомобиля тонким слоем алюминия. При этом мы получаем многослойный экран эффективность экранирования которого вычисляется по формуле:
![]() |
(3.15) |
Где
и
- эффективности экранирования первого и второго экранов;
и
- коэффициенты отражения слоев.
Используя формулу 3.7 можно вычислить коэффициент отражения для каждого слоя. Коэффициент отражения равен:
![]() |
(3.16) |
где
- эффективность экранирования за счет отражения электромагнитной волны от границы раздела сред.
Рассчитаем коэффициенты отражения для каждого слоя. Для этого сначала рассчитаем значения характеристических сопротивлений диэлектрика и металла.
Характеристическое сопротивление воздуха[4]:
Ом
Характеристическое сопротивление металла[4]:
![]() |
(3.17) |
где
- удельная проводимость.
Для алюминия характеристическое сопротивление равно:
Ом
Тогда зависимость отражения от границы воздух-алюминий от частоты будет иметь вид, показанный на рисунке 3.4. Теперь необходимо рассчитать зависимость коэффициента отражение от границы алюминий-сталь. Характеристическое сопротивление стали равно:
Ом
Теперь по формуле 3.15 вычислим итоговую эффективность экранирования для двухслойного экрана. Результаты вычислений представлены на рисунке 3.3
Как видно из рисунка можно добиться высокой эффективности экранирования салона автомобиля. Также следует отметить, хорошие экранирующие свойства бронированных автомобилей. Это объясняется тем, что в основном для бронирования автомобилей используют стальные листы толщиной от 3 до 10 мм.
К недостаткам электромагнитного экранирования можно отнести громоздкость и соответственно высокую стоимость работ. Также, как видно из рисунков, эффективность экранирования экспоненциально уменьшается с увеличением частоты, и учитывая развитие радиоэлектроники необходимо отметить опасность выхода за границ безопасных частот.

Рисунок 3.3 – Зависимость эффективности экранирования двухслойного экрана от частоты, дБ.
Для избежания этого существуют два решения: увеличение толщины экрана и разработка и применение новых материалов. Но увеличение толщины экрана ограничено техническими показателями автомобиля. В качестве новых материалов для экранирования можно привести "METALTEX 450"- гибкий, воздухопроницаемый материал с высоким уровнем защиты против электрических, электромагнитных волн и полей. Эффективная защита от утечки информации по электромагнитным полям, ослабление (демпфирование) сигналов свыше 80 дБ в широкой полосе частот (0,01 - 10 000 МГц).
3.2 Активные методы защиты
3.2.1 Виброакустическая маскировка
Виброакустическая маскировка заключается в создании маскирующих акустических и вибрационных помех средствам разведки. Акустическая маскировка эффективна для защиты речевой информации от утечки по всем каналам, вибрационная – только по виброакустическому.
В настоящее время создано большое количество различных систем активной виброакустической маскировки, успешно используемых для подавления средств перехвата речевой информации. К ним относятся: системы «Заслон», «Барон», «Порог-2М», «Фон-В», «Шорох», VNG-006, ANG-2000, NG-101, «Эхо» и т.д.
Для формирования виброакустических помех применяются специальные генераторы на основе электровакуумных, газоразрядных и полупроводниковых радиоэлементов. На практике наиболее широкое применение нашли генераторы шумовых колебаний. Наряду с шумовыми помехами в целях активной акустической маскировки используют «Речеподобные» помехи, хаотические последовательности импульсов и т.д.
Роль оконечных устройств, осуществляющих преобразование электрических колебаний в акустические колебания речевого диапазона частот, обычно выполняют малогабаритные широкополосные акустические колонки, а осуществляющих преобразование электрических колебаний в вибрационные - вибрационные излучатели. Акустические колонки систем зашумления устанавливаются в салоне в местах наиболее вероятного размещения средств акустической разведки, а вибрационные излучатели крепятся на стеклах. В состав типовой системы виброакустической маскировки входят шумогенератор и от 6 до 12...25 вибрационных излучателей (пьезокерамических или электромагнитных).
При организации акустической маскировки необходимо помнить, что акустический шум может создавать дополнительный мешающий для владельца автомобиля фактор (дискомфорт) и раздражающе воздействовать на нервную систему человека, вызывая различные функциональные отклонения, приводить к быстрой утомляемости. Степень влияния мешающих помех определяется санитарными нормативами на величину акустического шума. В соответствии с нормами для учреждений величина мешающего шума не должна превышать суммарный уровень 45 дБ [5].
В системах акустической и виброакустической маскировки используются шумовые, "Речеподобные" и комбинированные помехи. Наиболее часто из шумовых используются следующие виды помех[2]:
- «белый» шум (шум с постоянной спектральной плотностью в речевом диапазоне частот);
- «розовый» шум (шум с тенденцией спада спектральной плотности 3 дБ на октаву в сторону высоких частот);
- шум с тенденцией спада спектральной плотности 6 дБ на октаву в сторону высоких частот;
- шумовая «речеподобная» помеха (шум с огибающей амплитудного спектра, подобной речевому сигналу).
В системах акустической и виброакустической маскировки, как правило, используются помехи типа «белого» и «розового» шумов.
В ряде систем виброакустической маскировки возможна регулировка уровня помехового сигнала. Например, в системе ANG-2000 осуществляется ручная плавная регулировка уровня помехового сигнала, а в системе «Заслон-2М» – автоматическая (в зависимости от уровня маскируемого речевого сигнала). В комплексе "Барон" возможна независимая регулировка уровня помехового сигнала в трех частотных диапазонах (центральные частоты: 250, 1000 и 4000 Гц). Система «Шорох-1» позволяет регулировать форму генерируемой помехи пятиполосным октавным эквалайзером [3].
«Речеподобные» помехи формируются (синтезируются) из речевых сигналов. При этом возможно формирование помехи, как из скрываемого сигнала, так и из некоррелированных со скрываемым сигналом речевых фрагментов (отрезков). Характерным представителем помех, формируемых из речевых фрагментов, некоррелированных со скрываемым сигналом, является помеха типа «речевой хор». Такая помеха формируются путем смешения фрагментов речи нескольких человек (дикторов). Среди помех, формируемых из скрываемого сигнала, можно выделить два типа: «речеподобную» реверборационную и «речеподобную» инверсионную. «Речеподобная» реверборационная помеха формируется из фрагментов скрываемого речевого сигнала путем многократного их наложения с различными уровнями. «Речеподобная» инверсионная помеха формируется из скрываемого речевого сигнала путем сложной инверсии его спектра.
Комбинированные помехи формируются путем смешения различного вида помех, например помех типа «речевой хор» и «белый» шум, «Речеподобные» реверборационной и инверсионной помех и т.п. «Речеподобная» помеха типа «речевой хор» и комбинированная помеха типа «речевой хор» и «белый» шум реализованы в комплексе «Барон». Для этих целей в его состав кроме обычного генератора шума включены три радиоприемника, независимо настраиваемые на различные радиовещательные станции FM (УКВ-2) диапазона .
«Речеподобная» комбинированная (реверборационная и инверсионная) помеха используется в системе акустической маскировки «Эхо». Помеха формируется путем многократного наложения смещенных на различное время задержек разноуровневых сигналов, получаемых путем умножения и деления частотных составляющих скрываемого речевого сигнала.
Оценка эффективности шумовых помех осуществляется инструментально-расчетным методом, подробно изложенным в [5] и обеспечивающим требуемую достоверность получаемых результатов оценки. Данный метод основан на результатах экспериментальных исследований, проведенных Н.Б. Покровским [6].
Спектр речи разбивается на N частотных полос. Для каждой частотной полосы на среднегеометрической частоте
определяется формантный параметр
, характеризующий энергетическую избыточность дискретной составляющей речевого сигнала. Для каждой
-й частотной полосы определяется весовой коэффициент
, характеризующий вероятность наличия формант речи в данной полосе[5]:
где
и
- значения весового коэффициента для верхней и нижней граничной частот
-й частотной полосы спектра речевого сигнала.
Для каждой частотной полосы на среднегеометрической частоте определяется коэффициент восприятия формант слуховым аппаратом человека
, представляющий собой вероятное относительное количество формантных составляющих речи, имеющих уровни интенсивности выше порогового значения, которое зависит от отношения сигнал/шум
.
Далее определяется спектральный индекс артикуляции (понимаемости) речи
(информационный вес
-й спектральной полосы частотного диапазона речи) и рассчитывается интегральный индекс артикуляции речи R[5]:
По интегральному индексу артикуляции речи определяются слоговая и словесная разборчивость речи. Зависимости
,
,
,
и
определены Н. Б. Покровским экспериментально и представлены в виде графиков в [7]. Данные графики можно аппроксимировать следующими аналитическими выражениями, при которых ошибка аппроксимации составляет менее 1% [5]:
![]() |
![]() |
![]() |
где
– значение весового коэффициента в i-й октавной полосе;
![]()
– отношение "уровень речевого сигнала/уровень шума" в месте измерения в i-й октавной полосе, дБ;
– средний спектральный уровень речевого сигнала в месте измерения в i-й октавной полосе, дБ;
– уровень шума (помехи) в месте измерения в i-й октавной полосе, дБ;
– значение формантного параметра спектра речевого сигнала в i-й октавной полосе, дБ;
N – количество октавных вопрос, в которых проводится измерение.
Числовые значения формантного параметра спектра речевого сигнала D Аi и весового коэффициента кi в октавных полосах приведены в табл. 3.1 .
Таблица 3.2
Числовые значения формантного параметра спектра речевого сигнала D Аi и весового коэффициента кi в октавных полосах
| Наименование параметров | Среднегеометрические частоты октавных полос fcp.i , Гц | ||||
| 250 | 500 | 1000 | 2000 | 4000 | |
| Числовое значение формантного параметра спектра речевого сигнала в октавной полосе D Аi , дБ | 18 | 14 | 9 | 6 | 5 |
| Числовое значение весового коэффициента в октавной полосе кi | 0,03 | 0,12 | 0,20 | 0,30 | 0,26 |
Требования, предъявляемые к эффективности защиты акустической (речевой) информации, в качестве показателя оценки которой наиболее часто используют словесную разборчивость W.
![]() |
Для оценки разборчивости речи речевой диапазон целесообразно разбивать на полосы имеющие одинаковый весовой коэффициент (вносящих одинаковый вклад в разборчивость речи). Покровским было предложено разбивать речевой диапазон частот на двадцать равноартикуляционных полос с весовым коэффициентом 0.05.
Для простоты используют не двадцать, а семь октавных полос. Погрешность в расчетах при таком количестве полос значительно зависит от вида шума и при словесной разборчивости 30-80% составляет 1-2% для «речеподобной» помехи, 3-5% - для «белого» и «розового» шума и 15% - для шума с тенденцией спада спектральной плотности 6 дБ на октаву в сторону высоких частот[5].
Характеристики октавных полос и рассчитанные числовые значения формантного параметра спектра речевого сигнала и весовых коэффициентов для них представлены в таблице 3.3.
Таблица 3.3 – Характеристики октавных полос частотного диапазона речи
| Номер полосы | Частотные границы полосы |
Среднегеометрическая частота полосы |
Весовой коэффициент полосы |
Значение формантного параметра речи в полосе |
| 1 | 90-180 | 125 | 0.01 | 25 |
| 2 | 180-355 | 250 | 0,03 | 18 |
| 3 | 355-710 | 500 | 0,12 | 14 |
| 4 | 710-1400 | 1000 | 0,2 | 9 |
| 5 | 1400-2800 | 2000 | 0,3 | 6 |
| 6 | 2800-5600 | 4000 | 0,26 | 5 |
| 7 | 5600-11200 | 8000 | 0.07 | 4 |
Первая и седьмая октавные полосы являются малоинформативными, поэтому обычно ограничиваются рассмотрением пяти октавных полос со среднегеометрическими частотами 250, 500, 1000, 2000, 4000. Погрешность при таком рассмотрении не превышает 1-2 % для «белого» и «розового» шумов и 4-5% - для «речеподобной» помехи и шума с тенденцией спада спектральной плотности на 6 дБ на октаву в сторону высоких частот.
Результаты математического моделирования зависимости словесной разборчивости от интегрального отношения сигнал/шум в пяти октавных полосах (180-5600 Гц) при различном виде шумовых помех представлены на рисунке 3.4.

1 – «белый» шум; 2 – «розовый» шум; 3 – шум со спадом спектральной плотности 6 дБ на октаву в сторону высоких частот; 4 – шумовая «речеподобная» помеха
Рисунок 3.4 – Зависимость словесной разборчивости W от интегрального отношения сигнал/шум q в полосе частот 180-5600 Гц;
Критерии эффективности защиты речевой информации во многом зависят от целей, преследуемых при организации защиты, например:
· скрыть смысловое содержание;
· скрыть тематику разговора и т.д.
Процесс восприятия речи в шуме сопровождается потерями составных элементов речевого сообщения. Понятность речевого сообщения характеризуется количеством правильно принятых слов, отражающих качественную область понятности, которая выражена в категориях подробности справки о перехваченном разговоре.
Выделяют несколько уровней оценки качества перехваченной информации[3]:
1. Перехваченное речевое сообщение содержит количество правильно понятых слов, достаточное для составления подробной справки о содержании перехваченного разговора;
2. Перехваченное речевое сообщение содержит количество правильно понятых слов, достаточное только для составления краткой справки-аннотации, отражающей предмет, проблему, цель и общий смысл перехваченного разговора;
3. Перехваченное речевое сообщение содержит отдельные правильно понятые слова, позволяющие установить предмет разговора;
4. При прослушивании фонограммы перехваченного речевого сообщения возможно установить факт наличия речи, но нельзя установить предмет разговора.
Практический опыт показывает, что составление подробной справки о содержании перехваченного разговора невозможно при словесной разборчивости менее 60 – 70 %, а краткой справки-аннотации – при словесной разборчивости менее 40 – 50 %. При словесной разборчивости менее 20 – 30 % значительно затруднено установление даже предмета ведущегося разговора[2].
Ниже в таблице 3.4 приведены значения отношения сигнал/шум в октавных полосах, при которых словесная разборчивость составляет 20%, 30% и 40%.
Таблица 3.4- Значения отношений сигнал/шум, при которых обеспечивается требуемая эффективность защиты акустической информации[5].
| Вид помехи | Словесная разборчивость W, % | Отношение с/ш qi в октавных полосах | Отношение с/ш в полосе частот 180…5600 Гц | ||||
| 250 | 500 | 1000 | 2000 | 4000 | |||
| «Белый» шум | 20 | +0,8 | -2,2 | -10,7 | -18,2 | -24,7 | -10 |
| 30 | +3,1 | +0,1 | -8,4 | -15,9 | -22,4 | -7,7 | |
| 40 | +5,1 | +2,1 | -6,4 | -13,9 | -20,4 | -5,7 | |
| «Розовый» шум | 20 | -5,9 | -5,9 | -11,4 | -15,9 | -19,4 | -8,8 |
| 30 | -3,7 | -3,7 | -9,2 | -13,7 | -17,2 | -6,7 | |
| 40 | -1,9 | -1,9 | -7,4 | -11,9 | -15,4 | -4,9 | |
| Шум со спадом спектральной плотности 6 дБ на октаву | 20 | -14,1 | -11,1 | -3,6 | -15,1 | 15,6 | -13,0 |
| 30 | -12,0 | -9,0 | -11,5 | -13,0 | -13,5 | -10,8 | |
| 40 | -10,0 | -7,2 | -9,7 | -11,2 | -11,7 | -9,0 | |
| Шумовая «речеподобная» помеха | 20 | -3,9 | -7,9 | -12,9 | -15,9 | -16,9 | -9,0 |
| 30 | -1,7 | -5,7 | -10,7 | -13,7 | -14,7 | -6,8 | |
| 40 | +0,1 | -3,9 | -8,9 | -11,9 | -12,9 | -5,0 | |
По результатам, приведенным в таблице 3.4 видно, что наиболее эффективным является «розовый» шум и шумовая «речеподобная» помеха. При их использовании для скрытия тематики разговора необходимо обеспечить превышение уровня помех над уровнем скрываемого сигнала в точке возможного размещения датчика на 8,8 и 9 дБ соответственно. Для «белого» шума и шума со спадом спектральной плотности 6 дБ на октаву это значение составляет 10 и 13 дБ.
Все приведенные выше расчеты позволяют определить защищенность одного канала, однако при оценке защищенности объекта необходимо учитывать комплексность применения способов и средств разведки, а также совместную обработку данных поступающих из разных источников. Применительно к подслушиванию можно ожидать, что аппаратурой разведки будет вестись регистрация речевых сигналов несколькими различными датчиками, а данные, поступающие по различным каналам, могут в ходе совместной обработки использоваться для повышения разборчивости перехватываемой речи. Таким образом может сложиться ситуация, что при выполнении норматива по защищенности каждого отдельного канала, разборчивость на основании всех каналов получится выше нормативной. Для оценки суммарной разборчивости при использовании независимых каналов можно воспользоваться следующим выражением[6]:
Где
- разборчивость по совокупности каналов;
- разборчивость в отдельном
-ом канале;
- число статистически независимых каналов утечки.
Таким образом, если злоумышленник будет иметь в своем распоряжении 3 статистически независимых канала со словесной разборчивостью 0.2, то при обработке данных полученных из этих каналов он будет обладать информацией с разборчивостью 0,49.
В этом случае требования к значению разборчивости в каждом отдельном канале будут равны[6]:
При данном подходе определения состояния безопасности речевой информации ужесточаются требования к разборчивости речи. Так для достижения суммарной разборчивости в 20% необходимо обеспечить разборчивость по каждому каналу мене 5% при двух каналах и менее 2.5% при трех.
Основываясь на данных таблицы 3.4, необходимо подобрать генератор виброакустического зашумления для обеспечения активной защиты в салоне автомобиля. Так как защищаемый объект – салон автомобиля, генератор шума должен обладать возможностью питания от батареек.
Необходимо, что бы генератор шума обеспечивал необходимое отношение сигнал/шум во всех октавных полосах. Ввиду отсутствия возможности провести инструментальные измерения, в данном проекте приведены расчетные данные.
Для выбора генератора виброакустического зашумления необходимо выяснить уровень фонового шума. В качестве фона выбираем уровень шума на тихой улице без движения транспорта. Уровень шума вне салона автомобиля будет равен 30…35 дБ[7]. Среднее значение звукоизоляции для одинарного стекла и герметичной металлической двери равны 30 дБ[7]. Таким образом, учитывая внимание, которое уделяют производители автомобилей их шумоизоляции, можно сказать, что уровень внешних шумов в салоне автомобилей равен 0 дБ.
В качестве возможных решений можно предложить следующие приборы:
1. Генератор акустического шума WNG-023. Предназначен для защиты переговоров от прослушивания в замкнутых пространствах (тамбур, салон автомобиля, небольшие кабинеты и пр.) за счет генерации «белого» шума в акустическом диапазоне частот, что обеспечивает снижение разборчивости после записи или передачи по каналу связи. Технические характеристики приведены в таблице 3.5
Таблица 3.5 – Технические характеристики WNG-023.
| Диапазон частот | 100-12000Гц |
| Максимальная выходная мощность | 1 Вт |
| Габариты | 111x70x22 мм |
| Питание | 220/9 В |
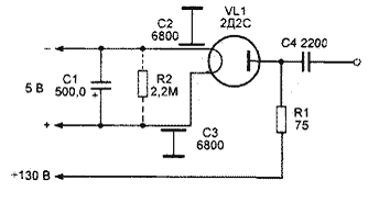
Самым простым методом получения белого шума является использование шумящих электронных элементов (ламп, транзисторов, различных диодов) с усилением напряжения шума . Принципиальная схема несложного генератора шума приведена на рис 3.5.

рис 3.5 Генератор шума
Источником шума является полупроводниковый диод - стабилитрон VD1 типа КС168, работающий в режиме лавинного пробоя при очень малом токе. Сила тока через стабилитрон VD1 составляет всего лишь около 100 мкА. Шум, как полезный сигнал, снимается с катода стабилитрона VD1 и через конденсатор С1 поступает на инвертирующий вход операционного усилителя DA1 типа КР140УД1208. На не инвертирующий вход этого усилителя поступает напряжение смещения, равное половине напряжения питания с делителя напряжения выполненного на резисторах R2 и R3. Режим работы микросхемы определяется резистором R5, а коэффициент усиления - резистором R4. С нагрузки усилителя, переменного резистора R6 , усиленное напряжение шума поступает на усилитель мощности, выполненный на микросхеме DA2 типа К174ХА10. С выхода усилителя шумовой сигнал через конденсатор С4 поступает на малогабаритный широкополосный громкоговоритель В1. Уровень шума регулируется резистором R6.
Стабилитрон VD1 генерирует шум в широком диапазоне частот от единиц герц до десятков мегагерц. Однако на практике он ограничен АЧХ усилителя и громкоговорителя. Стабилитрон VD1 подбирается по максимальному уровню шума, так как стабилитроны представляют собой некалиброванный источник шума. Он может быть любым с напряжением стабилизации менее напряжения питания.
Для получения калиброванного по уровню шума генератора используют специальные шумящие вакуумные диоды. Спектральная плотность мощности генерируемого шума пропорциональна анодному току диода. Широкое распространение получили шумовые диоды двух типов 2ДЗБ и 2Д2С. Первый генерирует шума полосе до 30 МГц, а второй - до 600 МГц. Принципиальная схема генератора шума на шумящих вакуумных диодах приведена на рис 3.6.

рис 3.6 Генератор шума на вакуумной лампе.
3.2. 2Обнаружение и подавление диктофонов
Для обнаружения работающих в режиме записи диктофонов применяются так называемые детекторы диктофонов. Принцип действия приборов основан на обнаружении слабого магнитного поля, создаваемого генератором подмагничивания или работающим двигателем диктофона в режиме записи. Электродвижущая сила (ЭДС), наводимая этим полем в датчике сигналов (магнитной антенне), усиливается и выделяется из шума специальным блоком обработки сигналов. При превышении уровня принятого сигнала некоторого установленного порогового значения срабатывает световая или звуковая сигнализация. Во избежание ложных срабатываний порог обнаружения необходимо корректировать практически перед каждым сеансом работы, что является недостатком подобных приборов.
Детекторы диктофонов выпускаются в переносном и стационарном вариантах. К переносным относятся детекторы "Сова", RM-100, TRD-800, а к стационарным - PTRD-14, PTRD-16, PTRD-18 и т.д.
Переносные детекторы диктофонов в данном проекте не рассматривается, исходя из того что перед каждым выездом автомобиля проверять его на наличие диктофонов нецелесообразно.
В отличие от переносных детекторов, имеющих один датчик сигналов, стационарные детекторы диктофонов оборудованы несколькими датчиками (например, детектор PTRD-18 имеет возможность подключения до 16 датчиков одновременно), что позволяет существенно повысить вероятность обнаружения диктофонов.
Ввиду слабого уровня магнитного поля, создаваемого работающими диктофонами (особенно в экранированных корпусах), дальность их обнаружения детекторами незначительна. Например, дальность обнаружения диктофона L- 400 в режиме записи в условиях офиса даже при использовании стационарного детектора PTRD-018 не превышает 45 ... 65 см. Дальность обнаружения диктофонов в неэкранированных корпусах может составлять 1 ... 1,5 м. Поэтому необходимо установить датчики в места наиболее вероятного размещения диктофонов.
Наряду со средствами обнаружения портативных диктофонов на практике эффективно используются и средства их подавления. Для этих целей используются устройства электромагнитного подавления типа "Рубеж", "Шумотрон", "Буран", "УПД" и др. (таблица 3.6) и устройства ультразвукового подавления типа "Завеса".
Принцип действия устройств электромагнитного подавления основан на генерации в дециметровом диапазоне частот (обычно в районе 900 МГц) мощных шумовых сигналов. В основном для подавления используются импульсные сигналы. Излучаемые направленными антеннами помеховые сигналы, воздействуя на элементы электронной схемы диктофона (в частности, усилитель низкой частоты и усилитель записи), вызывают в них наводки шумовых сигналов. Вследствие этого одновременно с информационным сигналом (речью) осуществляется запись и детектированного шумового сигнала, что приводит к значительному искажению первого.
Зона подавления диктофонов зависит от мощности излучения, его вида, а также от типа используемой антенны. Обычно зона подавления представляет собой сектор с углом от 30 до 80 градусов и радиусом до 1,5 м (для диктофонов в экранированном корпусе).
Системы ультразвукового подавления излучают мощные неслышимые человеческим ухом ультразвуковые колебания (обычно частота излучения около 20 кГц), воздействующие непосредственно на микрофоны диктофонов или акустических закладок, что является их преимуществом. Данное ультразвуковое воздействие приводит к перегрузке усилителя низкой частоты диктофона или акустической закладки (усилитель начинает работать в нелинейном режиме) и тем самым - к значительным искажениям записываемых (передаваемых) сигналов.
В отличие от систем электромагнитного подавления подобные системы обеспечивают подавление в гораздо большем секторе. Например, комплекс "Завеса" при использовании двух ультразвуковых излучателей способен обеспечить подавление диктофонов и акустических закладок в помещении объемом 27 м3 . Однако системы ультразвукового подавления имеют и один важный недостаток: эффективность их резко снижается, если микрофон диктофона или закладки прикрыть фильтром из специального материала или в усилителе низкой частоты установить фильтр низких частот с граничной частотой 3,4 ... 4 кГц.
Таблица 3.6 - Основные характеристики устройств подавления аппаратуры магнитной записи
| Наименование характеристики | Модель | ||||
| "Рубеж-" | "Рамзес-Авто" | "Рамзес-Дубль" | "Буран-2" | "Буран-3" | |
| Дальность подавления, м | не менее 1.5/- | не менее 1.5/2 | не менее 2/2 | не менее 1.5/- | не менее 3/2 |
| Зона подавления | Телесный угол не менее 600 | Шаровой сектор с углом не менее 600 | Шаровой сектор с углом не менее 700 | - | - |
Проблема устранения нежелательных записей на диктофон на расстояниях ближе 1,5 – 2 м может решаться несколькими методами (в том числе и скрыто для пользователя диктофона).
Однако, в некоторых случаях это расстояние может потребоваться увеличить до 3 – 10м, что не позволяют сделать скрыто известные методы.
Можно использовать для этого интерференционный метод.
Поскольку звуковой диапазон (до 20 кГц) не может быть применен для постановки помехи из-за восприятия его человеческим слухом, используем два излучателя в ультразвуковом диапазоне (30 – 50 кГц).
Их частоты F1 и F2 выбираем таким образом, чтобы
F=/ F1 – F2 /< (1 – 3) кГц.
Аппаратура располагается как показано на рис. 3.7.

рис 3.7 Расположение аппаратуры при интерференционном методе подавления диктофонов
1 – диктофон (предполагаемый); 2 – аппаратура устранения записи (скрыто); 3 – генератор гармонического сигнала частоты F 1 с ультразвуковым излучателем; 4 – то же на частоте F 2 ; D 1 – расстояние предполагаемого диктофона от аппаратуры устранения записи (постановщика гармонической интерференционной помехи), может быть более 1,5 – 2м; D 2 – расстояние между излучателями (выбирается в пределах от нескольких сантиметров до десятков).
Принцип работы следующий: излучения гармонических ультразвуковых колебаний каждого в отдельности не прослушиваются человеческим слухом (однако тренированная собака их может уловить). Человеческое ухо достаточно линейно в амплитудном отношении и поэтому интерференционных явлений не будет. Микрофон диктофона сугубо нелинейный элемент, и поэтому на входе диктофона возникнет интерференционный процесс, который приведет к подавлению записи речи сигналом разностной частоты. Уровень ультразвуковых колебаний используется в пределах 80 ... 100 дБ.
Этот метод может использоваться также и в автомобилях и в самолетах.
4 Заключение
В ходе данного были рассмотрены основные каналы утечки информации, их возможность использования в реальных условиях. Необходимо отметить, что не все каналы утечки информации, которые актуальны при рассмотрении защиты помещения, требуют рассмотрения при защиты салона автомобиля от утечки информации. В качестве примера можно привести микрофоны, укомплектованные устройствами передачи информации по оптическому каналу в ИК-диапазоне длин волн. Во-первых они требуют очень тонкой настройки, что при оперативной разведки невозможно, во-вторых они требуют отсутствия помех на пути луча, что обеспечить на улицах города сложно. Также невозможным является использование лазерных микрофонов для снятия информации со стекол автомобиля. Это объясняется теми же причинами, что и относительно использования оптического канала.
Таким образом остаются микрофоны с передачей информации по радиоканалу, стетоскопы с передачей информации по радиоканалу, диктофоны и высокочастотное навязывание. В данном курсовом проекте проведено рассмотрение основных средств противодействия данным техническим средствам. На основе полученных данных можно сделать, что более технически легким, дешевым и эффективным является применение активных средств виброакустического зашумления. Которые обеспечивают высокую эффективность при относительно небольших материальных затратах и несложности установки. Для этой цели на российском рынке представлен значительный выбор технических средств виброакустического зашумления. Использование генераторов виброакустического зашумления также дает возможность модернизации системы защиты при изменении характера угрозы.
Список использованных источников
1. Хорев А.А. Технические каналы утечки акустической (речевой) информации.// «Специальная техника».-М.:1998. - №1
2. Хорев А.А. К оценке эффективности защиты акустической (речевой) информации.// «Специальная техника».-М.:2000. - №5
3. Хорев А.А. Способы и средства защиты информации. Учебн. пособие. – М.: МО РФ, 2000. – 316 с.
4. Чернушенко А.М. Конструкции СВЧ устройств и экранов. – М.: Радио и связь, 1983. – 400 с.
5. Хореев А.А., Макаров Ю.К. Оценка эффективности систем виброакустической маскировки.//Вопросы защиты информации. – М.: 2001. - № 1.
6. Покровский Н.Б. Расчет и измерение разборчивости речи. – М.: Связьиздат, 1962. – 391 с.
7. Сапожков М. А. Акустика: Справочник. - М.: Радио с связь, 1989 - 336 с.
,








