| Скачать .docx |
Реферат: Усилитель мощности
Министерство Образования РФ
Тюменский Государственный Нефтегазовый Университет
Курсовая работа
по дисциплине: Электроника.
Выполнил: студент гр. АиУ-01-4
Муфтахов Эльвир Асхатович
Проверил: к.т.н., доцент
Крамнюк Анатолий Илларионович
Тюмень 2003
Содержание
1. Техническое задание………………………………………………………... 2. Введение……………………………………………………………………... 3. Блок-схема…………………………………………………………………… 4. Расчет каскадов усилителя мощности: 4.1. Выходной каскад………………………………………………………... 4.2. Повторитель 3…………………………………………………………… 4.3. Аттенюатор……………………………………………………………… 4.4. Повторитель 2…………………………………………………………… 4.5. Усилитель 2……………………………………………………………… 4.6. Повторитель 1…………………………………………………………… 4.7. Усилитель 1……………………………………………………………… 4.8. Расчет разделительных конденсаторов………………………………... 5. АЧХ и ФЧХ усилителя на транзисторе VT4………………………………. 6. Расчет искажений на верхних частотах……………………………………. 7. Расчет стабилитронов……………………………………………………….. 8. Расчет радиаторов охлаждения…………………………………………….. 9. Технология изготовления печатных плат………………………………….. 10. Спецификация……………………………………………………………… 11. Карта режимов……………………………………………………………... 12. Список литературы………………………………………………………… |
Стр. 3 4 4 5 11 14 17 20 24 27 31 32 34 36 38 39 40 41 43 |
1. Техническое задание
Необходимо спроектировать и рассчитать усилитель мощности со следующими параметрами:
· на выходе он должен обеспечивать при нагрузке Rн =19,8185 Ом мощность Pвых =5,7427 Вт;
· Диапазон частот работы усилителя мощности 59,5728 Гц – 59572,8 Гц;
· Значения частотных искажений Мн =1,0151, Мв =1,1Мн =1,11661;
· Значение коэффициента нелинейных искажений, которые должны обеспечивать выходной каскад усилителя мощности Kf =0,0624 %;
· Входное сопротивление усилителя мощности Rвх =0,2646 кОм=264,6 Ом;
· Входное напряжение усилителя мощности Uвх=0,0179 В;
· Аттенюатор с ослаблением 0; -0,1763 дБ; -1,763 дБ; -17,63 дБ.
2. ВВЕДЕНИЕ
Усилитель мощности предназначен для создания требуемой мощности сигнала в нагрузке. Усилитель колебаний низкой частоты – составная часть каждого современного радиоприемника, телевизора или магнитофона. Усилитель является основой радиовещания по проводам, аппаратуры телеуправления, многих измерительных приборов, электронной автоматики и вычислительной техники, кибернетических устройств.
3. Блок-схема
Выходной каскад предназначен для обеспечения заданной мощности на заданном сопротивлении нагрузки.
Повторитель 3 увеличивает входное сопротивление выходного каскада.
Аттенюатор служит для плавной и ступенчатой регулировки уровня ослабления выходного напряжения.
Повторитель 2 увеличивает входное сопротивление аттенюатора.
Усилители 1, 2 увеличивают входное напряжение до величины, необходимой для выходного каскада.
Повторитель 1 увеличивает входное сопротивление усилителя 2, для того, чтобы обеспечить величину входного напряжения и сопротивления усилителя 1 указанного в техническом задании.
4. Расчет каскадов усилителя мощности
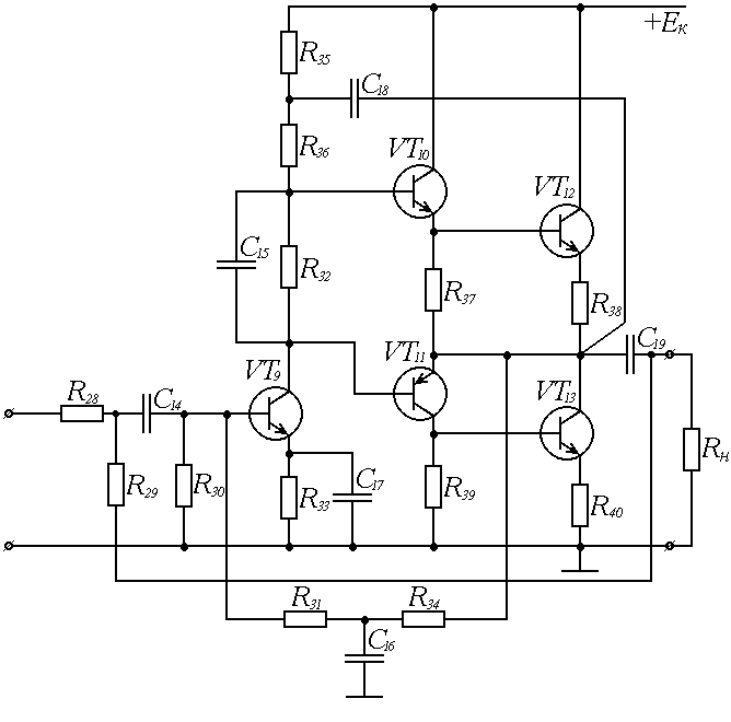
4.1. Выходной каскад

1. Определим амплитудные значения тока и напряжения:
![]()

2. Определим Pдоп :
![]()
3. Определим Uкэ1 2 , Uкэ1 3 :
![]()
![]()
4. Определим Eк :
![]()
Приняв Uз = 0,7В получили Eк = 43,118В, округлим это значение до стандарта, т.е. примем Eк = 45В
5. Выберем тип транзисторов VT12, VT13 (n-p-n) соответствующий найденным параметрам:
| Модель | P, Вт | U(кэ), В | I(k), A | β | f(гр), Mhz | C(к) | I(ко), А | U(бэ), В | |
| VT12 | КТ817Б | 25 | 45 | 3 | 15 | 3 | 60 | 0,00005 | 0,7 |
| VT13 | КТ817Б | 25 | 45 | 3 | 15 | 3 | 60 | 0,00005 | 0,7 |
6. Определим ток покоя VT12, VT13:
![]()
Примем Iп 12, 13 = 390 мА
7. Определим величину резисторов защиты:
, выбираем по Е24, R38,40
= 1,8 Ом
8. Определим ток покоя VT10, VT11:
, выбираем по E24, R37,39
= 18 Ом
![]()
9. Определим Uкэ 10, 11 :
![]()
![]()
10. Определим мощность, рассеиваемую на VT10, VT11:
![]()
11. Выберем тип транзисторов VT10(n-p-n), VT11(p-n-p) соответствующий найденным параметрам:
| Модель | P, Вт | U(кэ), В | I(k), A | β | f(гр), Mhz | C(к) | U(бэ), В | |
| VT10 | КТ815Б | 10 | 50 | 1,5 | 20 | 3 | 60 | 0,7 |
| VT11 | КТ814Б | 10 | 50 | 1,5 | 20 | 3 | 60 | 0,3 |
12. Определим величину напряжения смещения U0 по равенству:
![]()
13. Определим ток покоя транзистора VT9:
, примем Iп9
= 0,015А, тогда ![]()
14. Определим R35 +R36 :
![]()
15. Определим мощность, рассеиваемую на VT9:
![]()
16. Выберем тип транзисторов VT9(n-p-n) соответствующий найденным параметрам:
| Модель | P, Вт | U(кэ), В | I(k), A | β | f(гр), Mhz | C(к) | U(бэ), В | |
| VT9 | КТ961Б | 1 | 60 | 1,5 | 100 | 50 | 20 | 0,7 |
17. Выберем R35 >> Rн , то есть R35 = 200 Ом
Тогда R36 = 1449,4 – 200 = 1249 Ом = 1,249 кОм
Примем R36 = 1,2кОм.
18. Определим величину емкости C15 из условия:
![]()
Примем C15 = 47мкФ
19. Определим емкость в цепи компенсации:
![]()
Примем C18 = 220мкФ
20. Определим коэффициент передачи повторителя на транзисторах VT10 – VT13:
![]()
21. Проверим правильность выбранного значения Uкэ9 :
![]()
![]()
22. Определим входное сопротивление выходного каскада в целом:
![]()
23. Величина R~ для предварительного каскада равна:

24. Найдем входное сопротивление транзистора VT9:
![]()
25. Определим коэффициент усиления предварительного каскада:
![]()
![]()
26. Определим коэффициент усиления всего выходного каскада:
![]()
27. Выбираем ток базового делителя VT9:
![]()
28. Определим резистор делителя:
![]()
Примем R30 = 910 Ом
![]()
Выберем R34 из условия R34 > Rн . Одновременно для уменьшения необходимой емкости конденсатора фильтра C16 желательно выбирать как можно больше.
Поэтому принимаем R31 = 1300 Ом = 1,3 кОм, R34 = 12000 Ом = 12 кОм
29. Определим емкость конденсатора фильтра:
![]()
Примем C16 = 3300мкФ
30. Определим неизвестные сопротивления:
![]()
31. Определим падения напряжений на резисторах:
![]()
![]()
![]()
![]()
![]()
![]()
![]()
![]()
![]()
![]()
![]()
![]()
32. Рассчитаем мощности резисторов:
Вт
Вт
Вт
Вт
Вт
Вт
Вт
Вт
Вт
Вт
Вт
33. Рассчитаем напряжения на конденсаторах:
![]()
![]()
![]()
![]()
![]()
![]()
Расчет ООС:
34. Рассчитаем глубину ООС:
![]()
35. Рассчитаем входное сопротивление выходного каскада:
![]()
Примем R28 ≈ Rвх = 200 Ом
36. Рассчитаем эквивалентное сопротивление:
![]()
![]()
![]()
Примем R29 = 1600 Ом
37. Определим коэффициент усиления выходного каскада с ООС:
![]()
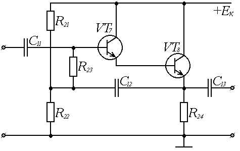
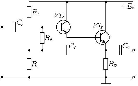
4.2. Повторитель 3

Нагрузкой для данного повторителя будет являться входное сопротивление выходного каскада, т.е. сопротивление R28 цепи обратной связи, а за амплитуду выходного напряжения примем входное напряжение выходного каскада, т.е.:
![]()
Rн = 200 Ом
1. Вычислим значение тока протекающего через нагрузку:
![]()
2. Определим параметры транзистора VT8:
![]()
![]()
![]()
![]()
3. Выберем тип транзистора VT8 (n-p-n) соответствующий найденным параметрам:
| Модель | P, Вт | U(кэ), В | I(k), A | β | f(гр), Mhz | C(к) | |
| VT8 | КТ315Б | 0,15 | 20 | 0,1 | 50 | 250 | 7 |
4. Определим значение тока базы VT8:
![]()
5. Определим падение напряжения на R24 :
![]()
6. Определим параметры транзистора VT7:
![]()
![]()
7. Выберем тип транзистора VT7 (n-p-n) соответствующий найденным параметрам:
| Модель | P, Вт | U(кэ), В | I(k), A | β | f(гр), Mhz | C(к) | |
| VT7 | КТ315Б | 0,15 | 20 | 0,1 | 50 | 250 | 7 |
8. Определим значение тока базы VT7:
![]()
9. Определим значение тока делителя:
Выберем ток базового делителя из условия, что Iд >>Iб . Примем:
![]()
10. Найдем значение резистора R24 :
![]()
11. Найдем значение резистора R23 :
R23 = (5-10) кОм. Примем R23 = 10000 Ом, тогда
![]()
12. Определим падения напряжений на резисторах базового делителя:
![]()
13. Определим значения резисторов базового делителя:

14. Определяем величину Rэ ~ :
![]()
15.Определим входное сопротивление транзистора VT7:

16. Определим коэффициент передачи повторителя:


![]()
17. Определим входное напряжение повторителя:
![]()
18. Вычислим значение входного сопротивления повторителя:

19. Определим величину емкости конденсатора С12 , исходя из условия:
![]()
Примем C16 = 100 мкФ
20. Определим напряжение на конденсаторах:

21. Определим мощности резисторов:


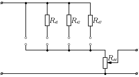
4.3. Аттенюатор

Аттенюатор должен обеспечивать дискретное переключение диапазонов и плавное изменение сигнала внутри них:
(-17.63 ... -1.763) дБ
(-1.763 ... -0.1763) дБ
(-0.1763 ... 0) дБ
Для нормальной работы аттенюатора необходимо выполнение следующего условия:
![]()
![]()
1. Для обеспечения максимального ослабления (-17.63 ... -1.763) дБ:



![]()

Округлим найденное значение сопротивления по раду Е24: R43 =7,5кОм
Тогда максимальное ослабление в этом диапазоне будет:

2. Для диапазона (-1.763 ... -0.1763) дБ



Округлим найденное значение сопротивления по раду Е24: R42 =240 Ом
Тогда максимальное ослабление в этом диапазоне будет:

3. Для диапазона (-0.1763 ... 0)дБ



Округлим найденное значение сопротивления по раду Е24: R41 =22 Ом
Тогда максимальное ослабление в этом диапазоне будет:

4. Рассчитаем напряжения на резисторах аттенюатора:
![]()
![]()
![]()
Для UR 25 возьмём наибольшее значение, т.е. когда ослабление наименьшее:
![]()
Рассчитаем мощности данных резисторов:


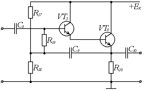
4.4. Повторитель 2
Нагрузкой для данного повторителя будет являться эквивалентное сопротивление, т.е. параллельное соединение сопротивления R44 аттенюатора и Rвх предыдущего повторителя, а за амплитуду выходного напряжения примем входное напряжение того же повторителя, т.е.:
![]()
![]()
1. Вычислим значение тока протекающего через нагрузку:
![]()
2. Определим параметры транзистора VT6:
![]()
![]()
![]()
![]()
3. Выберем тип транзистора VT6 (n-p-n) соответствующий найденным параметрам:
| Модель | P, Вт | U(кэ), В | I(k), A | β | f(гр), Mhz | C(к) | |
| VT6 | КТ315Б | 0,15 | 20 | 0,1 | 50 | 250 | 7 |
4. Определим значение тока базы VT6:
![]()
5. Определим падение напряжения на R20 :
![]()
6. Определим параметры транзистора VT5:
![]()
![]()
7. Выберем тип транзистора VT5 (n-p-n) соответствующий найденным параметрам:
| Модель | P, Вт | U(кэ), В | I(k), A | β | f(гр), Mhz | C(к) | |
| VT5 | КТ315Б | 0,15 | 20 | 0,1 | 50 | 250 | 7 |
8. Определим значение тока базы VT5:
![]()
9. Определим значение тока делителя:
Выберем ток базового делителя из условия, что Iд >>Iб . Примем:
![]()
10. Найдем значение резистора R20 :
![]()
11. Найдем значение резистора R19 :
R19 = (5-10) кОм. Примем R19 = 10000 Ом, тогда
![]()
12. Определим падения напряжений на резисторах базового делителя:
![]()
13. Определим значения резисторов базового делителя:

14. Определяем величину Rэ ~ :
![]()
15.Определим входное сопротивление транзистора VT5:

16. Определим коэффициент передачи повторителя:


![]()
17. Определим входное напряжение повторителя:
![]()
18. Вычислим значение входного сопротивления повторителя:

19. Определим величину емкости конденсатора С9 , исходя из условия:
![]()
Примем C9 = 100 мкФ
20. Определим напряжение на конденсаторах:

21. Определим мощности резисторов:


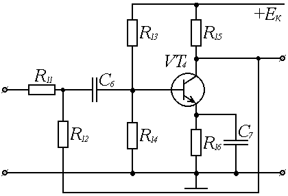
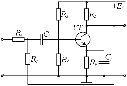
4.5. Усилитель 2

Нагрузкой для данного усилителя будет являться входное сопротивление предыдущего каскада RвхП2 , а амплитудой выходного сигнала будет амплитуда входного сигнала повторителя, т.е.:
Uн =2.12 В
Rн =189673 Ом
Расчет каскада по постоянному току:
1. Определим ток в нагрузке:
![]()
2. Ориентировочно зададим значения Iк min и Uкэ min , используя соотношения:
![]()
3. Определяем Iк max :
![]()
4. Зададимся значением γэ и вычислимλ:

5. Определим Ек и R15 , UC 7 :
![]()
![]()
![]()
6. Определим Iкнач и Uкнач :
![]()
![]()
7. Определим допустимую мощность рассеивания на транзисторе:
![]()
8. Выберем тип транзистора VT4 (n-p-n) соответствующий найденным параметрам:
| Модель | P, Вт | U(кэ), В | I(k), A | β | f(гр), Mhz | C(к) | |
| VT4 | КТ340Б | 0,15 | 20 | 0,05 | 100 | 300 | 3,7 |
9. Найдём ток Iд :

10. Рассчитаем значения резисторов делителя R13 и R14 :

11. Рассчитаем значение конденсатора в цепи эмиттера С7 :

Расчет каскада по переменному току:
При расчете каскада по переменному току определяются следующие параметры:
12. Определим коэффициент усиления в области средних частот:
,
![]()
![]()
![]()
![]()
Тогда ![]()
13. Входное сопротивление каскада:

14. Выходное сопротивление каскада:
![]()
15. Определим напряжения на резисторах R15 , R16 :

Для обеспечения уровня нелинейных искажений, определяемых техническим заданием, вводим отрицательную обратную связь по напряжению глубиной F=5.
16. Входное сопротивление усилителя с ОС равно значению резистора R11 :
![]()
17. Определим сопротивление цепи ОС R12 :

18. Коэффициент усиления усилителя с ОС:
![]()
19. Определим входные параметры каскада:

20. Найдём напряжение на базовых делителях:

21. Определим мощности резисторов:


22. Определим напряжение на конденсаторах:

4. 6 . Повторитель 1

Нагрузкой для данного повторителя будет являться входное сопротивление последующего усилителя, а за амплитуду выходного напряжения примем входное напряжение того же каскада, т.е.:
![]()
![]()
1. Вычислим значение тока протекающего через нагрузку:
![]()
2. Определим параметры транзистора VT3:
![]()
![]()
![]()
![]()
3. Выберем тип транзистора VT3 (n-p-n) соответствующий найденным параметрам:
| Модель | P, Вт | U(кэ), В | I(k), A | β | f(гр), Mhz | C(к) | |
| VT3 | КТ315Б | 0,15 | 20 | 0,1 | 50 | 250 | 7 |
4. Определим значение тока базы VT3:
![]()
5. Определим падение напряжения на R10 :
![]()
6. Определим параметры транзистора VT2:
![]()
![]()
7. Выберем тип транзистора VT2 (n-p-n) соответствующий найденным параметрам:
| Модель | P, Вт | U(кэ), В | I(k), A | β | f(гр), Mhz | C(к) | |
| VT2 | КТ315Б | 0,15 | 20 | 0,1 | 50 | 250 | 7 |
8. Определим значение тока базы VT2:
![]()
9. Определим значение тока делителя:
Выберем ток базового делителя из условия, что Iд >>Iб . Примем:
![]()
10. Найдем значение резистора R10 :
![]()
11. Найдем значение резистора R9 :
R9 = (5-10) кОм. Примем R9 = 10000 Ом, тогда
![]()
12. Определим падения напряжений на резисторах базового делителя:
![]()
13. Определим значения резисторов базового делителя:

14. Определяем величину Rэ ~ :
![]()
15.Определим входное сопротивление транзистора VT2:

16. Определим коэффициент передачи повторителя:


![]()
17. Определим входное напряжение повторителя:
![]()
18. Вычислим значение входного сопротивления повторителя:

19. Определим величину емкости конденсатора С4 , исходя из условия:
![]()
Примем C4 = 150 мкФ
20. Определим напряжение на конденсаторах:

21. Определим мощности резисторов:


4. 7 . Усилитель 1
Нагрузкой для данного усилителя будет являться входное сопротивление следующего повторителя, а амплитудой выходного сигнала будет амплитуда входного сигнала повторителя, т.е.:
Uн =0,123В
Rн =188753 Ом
Расчет каскада по постоянному току:
1. Определим ток в нагрузке:
![]()
2. Ориентировочно зададим значения Iк min и Uкэ min , используя соотношения:
![]()
3. Определяем Iк max :
![]()
4. Зададимся значением γэ и вычислимλ:

5. Определим Ек и R5 , UC 2 :
![]()
![]()
![]()
6. Определим Iкнач и Uкнач :
![]()
![]()
7. Определим допустимую мощность рассеивания на транзисторе:
![]()
8. Выберем тип транзистора VT1 (n-p-n) соответствующий найденным параметрам:
| Модель | P, Вт | U(кэ), В | I(k), A | β | f(гр), Mhz | C(к) | |
| VT1 | КТ301Б | 0,15 | 30 | 0,01 | 10 | 20 | 10 |
9. Найдём ток Iд :

10. Рассчитаем значения резисторов делителя R3 и R4 :

11. Рассчитаем значение конденсатора в цепи эмиттера С2 :

Расчет каскада по переменному току:
При расчете каскада по переменному току определяются следующие параметры:
12. Определим коэффициент усиления в области средних частот:
,
![]()
![]()
![]()
![]()
Тогда ![]()
13. Входное сопротивление каскада:

14. Выходное сопротивление каскада:
![]()
15. Определим напряжения на резисторах R5 , R6 :

Для обеспечения уровня нелинейных искажений, определяемых техническим заданием, вводим отрицательную обратную связь по напряжению глубиной F=6.
16. Входное сопротивление усилителя с ОС равно значению резистора R1 :
![]()
17. Определим сопротивление цепи ОС R2 :

18. Коэффициент усиления усилителя с ОС:
![]()
19. Определим входные параметры каскада:

20. Найдём напряжение на базовых делителях:

21. Определим мощности резисторов:


22. Определим напряжение на конденсаторах:


4. 8 . Расчёт разделительных конденсаторов
Расчет конденсаторов будем производить на низких частотах.
Распределим равномерно частотные искажения по всем конденсаторам, т.е.:
![]()
Расчет ёмкостей производится по следующей формуле:

Определим ёмкости разделительных конденсаторов:




5. АЧХ и ФЧХ усилителя на транзисторе VT 4
Коэффициент усиления усилителя:



Фазовый сдвиг усилителя:


АЧХ и ФЧХ данного усилительного каскада имеют вид:


6. Расчет искажений на верхних частотах
1. Повторитель на транзисторах VT10-VT13:
VT12, 13:

VT10, 11:

2. Усилитель на транзисторе VT9:

3. Усилитель на VT4:

4. Усилитель на VT1:

Суммарное значение коэффициента частотных искажений:
![]()
7. Расчет стабилитронов
Стабилитроны используются для понижения напряжения питания для отдельных каскадов.
Стабилитрон VD1:
Для подачи питания использован стабилитрон КС515Г со следующими параметрами:
| Uст, В | Iст min, mA | Iст ном, mA | Iст max, mA | Pст max, Вт |
| 15,0 | 3 | 10 | 31 | 0,25 |


Стабилитрон VD2:
| Uст, В | Iст min, mA | Iст ном, mA | Iст max, mA | Pст max, Вт |
| 12,0 | 0,5 | 4 | 13 | 0,125 |
Для подачи питания использован стабилитрон КС212Ж со следующими параметрами:


Стабилитрон VD3:
| Uст, В | Iст min, мА | Iст ном, mA | Iст max, мА | Pст max, Вт |
| 9,1 | 3 | 10 | 20 | 0,25 |
Для подачи питания использован стабилитрон КС191С со следующими параметрами:


8. РАСЧЕТ РАДИАТОРОВ ОХЛАЖДЕНИЯ
В выходном каскаде стоят транзисторы большой мощности, следовательно, необходимо поставить радиаторы для отвода теплоты. Площадь радиатора рассчитывается по следующей формуле:
S=1000 / (RTn - c sT ) см2
где sT - коэффициент теплоизлучения от теплоотвода в окружающую среду,
RTn-c =(Tn-Tc)/Pк - тепловое сопротивление переход-среда.
Tc- температура окружающей среды (30°С),
Тn- температура p-n -перехода.
Для дюралюминия sT =1.5 мВт/см2 °С.
1. Транзисторы VT12, VT13: КТ-817Б
Необходимо рассеять мощность 8.5 Вт. Tn=150°С
![]()
![]()

![]()
2. Транзисторы VT10: КТ-815, VT11: КТ-814Б
Необходимо рассеять мощность 2.1 Вт. Tn =125°С
![]()
![]()

![]()
9. Технология изготовления печатных плат
Печатная плата представляет собой изоляционное основание с нанесёнными на него элементами печатного монтажа. К элементам печатного монтажа относятся: проводники, контактные площадки, зазоры, отверстия и т.д.
Печатная плата является несущим элементом. На ней размещаются навесные элементы (интегральные схемы и дискретные радиокомпоненты), разъёмы и другие детали. В качестве оснований печатных плат используют обычно листовые фольгированные материалы, которые представляют собой слоистый прессованный пластик (гетинакс или стеклотекстолит), облицованный с одной или двух сторон медной фольгой толщиной 0.035 или 0.05 мм. В радиоэлектронной аппаратуре и приборах в основном применяют фольгированный стеклотекстолит по ГОСТ 10316-62.
Существуют два вида конструкции печатных плат – однослойные и многослойные.
Как правило, однослойные печатные платы выполняются с двухсторонним монтажом – проводники располагаются с двух сторон. Переходы с одной стороны платы на другую осуществляются через металлизированные отверстия в ней.
В основе технологии изготовления двусторонних печатных плат (ДПП) лежит использование фольгированных диэлектриков.
В настоящее время для изготовления ДПП применяется комбинированный метод, который включает в себя два способа: негативный и позитивный.
Технологический процесс получения ДПП комбинированным негативным способом состоит из следующих этапов: получение заготовок и подготовка поверхности фольги, нанесение на плату защитного покрытия (фоторезиста), получение изображения печатных проводников экспонированием и проявлением, удаление незащищенных участков фольги травлением, удаление фоторезиста с проводников, нанесение на основание защитного поврытия, обработка отверстий, подлежащих металлизации, химическая металлизация отверстий, электролитическая металлизация отверстий и печатных проводников, покрытие печатных проводников сплавом олово-свинец, механическая обработка контура платы.
Технологический процесс получения ДПП комбинированным позитивным способом состоит из следующих этапов: получение заготовок и подготовка поверхности фольги, нанесение на плату защитного покрытия (фоторезиста), получение изображения печатных проводников экспонированием и проявлением, нанесение защитной лаковой плёнки, сверление отверстий и их химическое меднение, удаление защитной лаковой плёнки, электролитическое меднение отверстий и проводников, нанесение кислостойких сплавов, удаление фоторезиста, химическое травление фольги с пробельных мест, осветление проводящих покрытий, механическая обработка контура печатной платы.
В том случае, если ДПП не удовлетворяет требованиям, в частности не позволяет разместить большое число навесных элементов из-за малого объёма, применяют многослойные печатные платы (МПП).
Известно несколько способов изготовления МПП, однако все они имеют недостатки: большую стоимость и длительность проектирования, значительные затраты времени на изготовление, на налаживание производства, трудности внесения изменений.
Исходным документом при конструировании печатных плат является принципиальная электрическая схема. Для одной принципиальной схемы можно построить несколько вариантов топологии печатной платы, т.е. печатного монтажа.
10 . СПЕЦИФИКАЦИЯ
10 .1. Резисторы
| Позиционное обозначение | Наименование | Количество |
| R1, R2, R3, R4, R5, R6, R7, R8, R9, R10, R11, R12, R13, R14, R15, R16, R17, R18, R19, R20, R21, R22, R23, R24, R28, R29,R30, R31, R32, R33, R34, R35, R41, R42, R43 | МЛТ-0,125 | 35 |
| R26, R39 | МЛТ-0,25 | 2 |
| R25, R36, R37, R38, R40 | МЛТ-0,5 | 5 |
| R27 | МЛТ-1 | 1 |
| R44 | СП3-13 | 1 |
10 .2. Конденсаторы
| Позиционное обозначение | Наименование | Количество |
| C3, C8, C11 | К53-1 | 3 |
| C16, C17 | К50-12 | 2 |
| C1, C2, C4, C5, C6, C7, C9, C10, C12, C13, C14, C15, C18, C19 | К50-16 | 14 |
10 .3. Транзисторы
| Позиционное обозначение | Наименование | Количество |
| VT1 | КТ301Б | 1 |
| VT2, VT3, VT5, VT6, VT7, VT8 | КТ315Б | 6 |
| VT4 | КТ340Б | 1 |
| VT11 | КТ814Б | 1 |
| VT10 | КТ815Б | 1 |
| VT12, VT13 | КТ817Б | 2 |
| VT9 | КТ961Б | 1 |
10 . 4 . Стабилитроны
| Позиционное обозначение | Наименование | Количество |
| VD1 | КС515Г | 1 |
| VD2 | КС212Ж | 1 |
| VD3 | КС191С | 1 |
1 1 . КАРТА РЕЖИМОВ
1 1 .1. Резисторы
| Позиционное обозначение | Напряжение, В | Ток, А | Мощность, Вт | Номинальное сопротивление, Ом | Тип |
| R1 | 0.0179 | 0.000066 | 0.000001187 | 270 | МЛТ-0,125 |
| R2 | 0.0869 | 0.000054 | 0.0000047 | 1600 | МЛТ-0,125 |
| R3 | 13.55 | 0.0024 | 0.033 | 5600 | МЛТ-0,125 |
| R4 | 1.38 | 0.00203 | 0.0028 | 680 | МЛТ-0,125 |
| R5 | 12.13 | 0.00404 | 0.049 | 3000 | МЛТ-0,125 |
| R6 | 0.8 | 0.00444 | 0.0036 | 180 | МЛТ-0,125 |
| R7 | 0.71 | 0.0000866 | 0.00006 | 8200 | МЛТ-0,125 |
| R8 | 11.29 | 0.0000868 | 0.00098 | 130000 | МЛТ-0,125 |
| R9 | 0.0084 | 0.00000008 | 0.000000007 | 10000 | МЛТ-0,125 |
| R10 | 9.88 | 0.0021 | 0.021 | 4700 | МЛТ-0,125 |
| R11 | 0.0842 | 0.000077 | 0.00000645 | 1100 | МЛТ-0,125 |
| R12 | 1.499 | 0.000062 | 0.000097 | 24000 | МЛТ-0,125 |
| R13 | 10.285 | 0.0000935 | 0.00096 | 110000 | МЛТ-0,125 |
| R14 | 1.3 | 0.000072 | 0.000094 | 18000 | МЛТ-0,125 |
| R15 | 6.842 | 0.00311 | 0.0213 | 2200 | МЛТ-0,125 |
| R16 | 0.626 | 0.00313 | 0.00196 | 200 | МЛТ-0,125 |
| R17 | 2.627 | 0.000164 | 0.00043 | 16000 | МЛТ-0,125 |
| R18 | 6.473 | 0.000155 | 0.0004 | 43000 | МЛТ-0,125 |
| R19 | 0.0155 | 0.0000015 | 0.000000024 | 10000 | МЛТ-0,125 |
| R20 | 5.057 | 0.00389 | 0.0197 | 1300 | МЛТ-0,125 |
| R21 | 2.4255 | 0.000475 | 0.00115 | 5100 | МЛТ-0,125 |
| R22 | 6.6745 | 0.000445 | 0.00297 | 15000 | МЛТ-0,125 |
| R23 | 0.0445 | 0.00000445 | 0.000000198 | 10000 | МЛТ-0,125 |
| R24 | 5.23 | 0.01113 | 0.0582 | 470 | МЛТ-0,125 |
| R25 | 30 | 0.01 | 0.3 | 3000 | МЛТ-0,5 |
| R26 | 33 | 0.006 | 0.195 | 5600 | МЛТ-0,25 |
| R27 | 35.9 | 0.01908 | 0.716 | 1800 | МЛТ-1 |
| R28 | 1.32 | 0.0066 | 0.0087 | 200 | МЛТ-0,125 |
| R29 | 10.668 | 0.0067 | 0.07113 | 1600 | МЛТ-0,125 |
| R30 | 1.365 | 0.0015 | 0.00205 | 910 | МЛТ-0,125 |
| R31 | 2.145 | 0.00165 | 0.00354 | 1300 | МЛТ-0,125 |
| R32 | 2.4 | 0.015 | 0.036 | 160 | МЛТ-0,125 |
| R33 | 0.40452 | 0.02023 | 0.00818 | 20 | МЛТ-0,125 |
| R34 | 19.8 | 0.00165 | 0.03267 | 12000 | МЛТ-0,125 |
| R35 | 4.01516 | 0.02008 | 0.08061 | 200 | МЛТ-0,125 |
| R36 | 24.091 | 0.02008 | 0.48364 | 1200 | МЛТ-0,5 |
| R37 | 2.46683 | 0.13705 | 0.33807 | 18 | МЛТ-0,5 |
| R38 | 0.73388 | 0.40771 | 0.29921 | 1,8 | МЛТ-0,5 |
| R39 | 1.91865 | 0.10659 | 0.20451 | 18 | МЛТ-0,25 |
| R40 | 0.7766 | 0.43144 | 0.33506 | 1,8 | МЛТ-0,5 |
| R41 | 0.04 | 0.0018 | 0.000073 | 22 | МЛТ-0,125 |
| R42 | 0.366 | 0.001525 | 0.00056 | 240 | МЛТ-0,125 |
| R43 | 1.782 | 0.0002376 | 0.00042 | 7500 | МЛТ-0,125 |
| R44 | 2.043 | 0.001857 | 0.0038 | 1100 | СП3-1 |
1 1 .2. Конденсаторы
| Позиционное обозначение | Ёмкость, мкФ | Расчетное напряжение, В | Тип | Номинальное напряжение, В | |||
| C1 | 220 | 1,49 | К50-16 | 6.3 | |||
| C2 | 150 | 0,18 | К50-16 | 6.3 | |||
| C3 | 0,33 | 8,41 | К53-1 | 10 | |||
| C4 | 150 | 1,41 | К50-16 | 6.3 | |||
| C5 | 47 | 9,88 | К50-16 | 10 | |||
| C6 | 47 | 3,858 | К50-16 | 6.3 | |||
| C7 | 150 | 0,624 | К50-16 | 6.3 | |||
| C8 | 0,33 | 1,3 | К53-1 | 6.3 | |||
| C9 | 100 | 1,416 | К50-16 | 6.3 | |||
| C10 | 47 | 5,057 | К50-16 | 6.3 | |||
| C11 | 0,68 | 6,63 | К53-1 | 10 | |||
| C12 | 100 | 1,44 | К50-16 | 6.3 | |||
| C13 | 330 | 5,23 | К50-16 | 6.3 | |||
| C14 | 330 | 1,365 | К50-16 | 6.3 | |||
| C15 | 47 | 2,4 | К50-16 | 6.3 | |||
| C16 | 3300 | 3,51 | К50-12 | 6.3 | |||
| C17 | 2200 | 0,40452 | К50-12 | 6.3 | |||
| C18 | 220 | 40,98484 | К50-16 | 50 | |||
| C19 | 330 | 20,0824 | К50-16 | 25 | |||
1 1 .3. Транзисторы
Позиционное обозначение |
Uкэ , В | Uбэ , В | Iк , А | Iб , А | P, Вт | Тип |
| VT1 | 2.15 | 0.7 | 0.004034 | 0.0004034 | 0.009 | КТ301Б |
| VT2 | 1.42 | 0.7 | 0.0000422 | 0.0000008 | 0.00006 | КТ315Б |
| VT3 | 2.12 | 0.7 | 0.002108 | 0.0000422 | 0.0045 | КТ315Б |
| VT4 | 4.54 | 0.7 | 0.031 | 0.0000312 | 0.014 | КТ340Б |
| VT5 | 3.343 | 0.7 | 0.000076 | 0.0000016 | 0.00026 | КТ315Б |
| VT6 | 4.043 | 0.7 | 0.00388 | 0.0000776 | 0.0157 | КТ315Б |
| VT7 | 3.17 | 0.7 | 0.000227 | 0.0000045 | 0.00072 | КТ315Б |
| VT8 | 3.87 | 0.7 | 0.1135 | 0.000227 | 0.0439 | КТ315Б |
| VT9 | 20.559 | 0.7 | 0.015 | 0.00015 | 0.30838 | КТ961Б |
| VT10 | 20.159 | 0.7 | 0.10152 | 0.005076 | 2.04646 | КТ815Б |
| VT11 | 20.159 | 0.3 | 0.10152 | 0.005076 | 2.04646 | КТ814Б |
| VT12 | 20.859 | 0.7 | 0.38068 | 0.025379 | 8.20386 | КТ817Б |
| VT13 | 20.859 | 0.7 | 0.38068 | 0.025379 | 8.20386 | КТ817Б |
1 1 .4. Стабилитроны
Позиционное обозначение |
Расчетный ток, мА | Iст min, мА | Iст max, мА | Uст, В | Pст max, Вт | Тип | |||
| VD1 | 10 | 3 | 31 | 15 | 0.25 | КС515Г | |||
| VD2 | 6 | 0.5 | 13 | 12 | 0.125 | КС212Ж | |||
| VD3 | 19.08 | 3 | 20 | 9.1 | 0.25 | КС191С | |||
1 2. Список литературы
1. Бочаров Л.Н. и др.
Расчёт электронных устройств на транзисторах/ Бочаров Л.Н., Жебряков С.К., Колесников И.Ф.–М.: Энергия,1978.
2. Верховцев О.Г., Лютов К.П.
Практические советы мастеру-любителю: Электроника. Электротехника. Материалы и их применение.–3-е изд., перераб. и доп.–С.Пб.: Энергоатомиздат. Санкт-Петербург. Отд-ние, 1991.
3. Крамнюк А.И.
Электроника и схемотехника: Учебное пособие. Ч 3-5.–Тюмень: ТюмГНГУ, 2001.
4. Московкин Л.Н., Сорокина Н.Н.
Сборка электромеханических и радиотехнических приборов и систем: Учеб. пособ. пля сред. проф.-техн. училищ. – М.: Высш. шк.,1984.
5. В помощь радиолюбителю: Сборник. Вып. 109/ Сост. И.Н. Алексеева.– М.: Патриот,1991.
6. В помощь радиолюбителю: Сборник. Вып. 110/ Сост. И.Н. Алексеева.– М.: Патриот,1991.
7. Методические указания по курсовому проектированию для студентов дневного и заочного обучения специальности «Автоматика и управление в технических системах» по курсу «Электроника и микросхемотехника» (часть1.Усилители мощности)./Сост. К.т.н., доцент Крамнюк А.И.–Тюмень:ТюмИИ,1988.
8. Методические указания по курсовому проектированию для студентов дневного и заочного обучения специальности «Автоматика и управление в технических системах» по курсу «Электроника и микросхемотехника» (Расчёт предварительных каскадов)./Сост. К.т.н., доцент Крамнюк А.И.–Тюмень: ТюмИИ,1989.
9. Транзисторы/ Чернышев А.А., Иванов В.И., Галахов В.Д. и др.; под общ. ред. А.А. Чернышева. – 2-е изд., перераб. и доп. – М.: Энергия, 1980.