| Скачать .docx |
Реферат: Розрахунок вихідного двотактного трансформаторного підсилювача потужності в режимі роботи класу А або В
Львівський технічний коледж
Радіотехнічний факультет
Кафедра електронних апаратів
![]() |
На тему: ’’Розрахунок вихідного двотактного трансформаторного підсилювача потужності в режимі роботи класу А або В’’
з курсу ’’Основи радіоелектроніки’’.
Виконавстудент групи 32-РТ:
Гайчук Павло Юрійович
Прийняв викладач:
Васін Анатолій Олексійович
Львів 2000
| -. | Зав д а нн я | …………………………………………….. | 3 | ст | |||||
| -. | Вступ | ………………………………………………….. | 4 | ст | |||||
| -. | Розрахунково-пояснюавльна записка | …….. | 7 | ст | |||||
| -. | Специфікація …………………………………………. | 16 | ст | ||||||
| -. | Графічна частина | ………………………………… | 18 | ст | |||||
| -. | Аналіз і ви сновки | …………………………….. | 20 | ст | |||||
| - | Ви користан а літерату ра | ……………………….. | 22 | ст | |||||
- Завдання :
| № варіанта | Режим роботи | Рвх . В т |
Кг, % | mН =mв дБ |
fH , Гц |
fB , кГ ц |
RН , Ом |
Тр.н.с. . С° |
| 5 | А | 2,0 | 3,5 | 2,0 | 120 | 16 | 12 | 33 |
Завдання на курсову роботу передбачає:
1) Вибір типу транзисторів та схеми їх включення.
2) Визначення найбільшої потужності, яка виділяється в транзисторі.
3) Розрахунок режимів роботи транзисторів по постійному і змінному струму.
4) Визначення напруги джерела живлення підсилювача
5) 5.Визначення потужності сигналу, яка віддається транзисторами у вибраному режимі їх роботи.
6) Визначення коефіцієнта підсилення плеча каскаду по напрузі і потужності.
7) Розрахунок коефіцієнта нелінійних спотворень вхідного сигналу.
8) Визначення номінальних значень елементів схеми підсилювача і вибір 'їх типу.
9) Електричний розрахунок трансформатора у вихідному колі підсилювача.
- Вступ
Підсилення електричних сигналів – один з видів перетворення електромагнітної енергії, який відноситься до процесів її керування. Пристрій, який призначений для керування електричною енергією, для збільшення її потужності називають підсилювачем.
![]() |
Структурна схема підсилювача має вигляд:
Вхідне коло підсилювача – коло підсилювача, до якоговмикається джерело керованої енергії, яке характеризується миттєвим значенням ЕРС (Еі ) і внутрішнім опором (Zі ).
Підсилювальний елемент – активний елемент електричного кола, який має управляючу властивість (транзистори, ЕВП, ІМС).
Вихідне коло – коло підсилювача, до якого підмикається навантаження, яке в загальному випадку носить комплексний характер.
Джерело живлення – джерело керуючої енергії, яка петворються підсилювальним елементом в енергію підсилювальних сигналів. Найчастіше в якості джерела живлення використовують гальванічні елементи.
Підсилювачі класифікують за такими ознаками:
- За характером підсилювального сигналу:
- підсилювачі гармонічних сигналів;
- підсилювачі дискретних сигналів.
- По діапазону підсилювальних частот:
- підсилювачі постійного струму;
- підсилювачі змінного струму.
- За видом електричних параметрів підсилювального сигналу:
- підсилювачі струму;
- підсилювачі напруги;
- підсилювачі потужності.
- По типу підсилювальних елементів:
- транзисторні;
- ІМС;
- електровакуумні.
- По типу підсилюваних сигналів:
- аперіодичні;
- резонансні.
-По призначенню:
- телевізійні;
- радіомовні;
- радіотрансляційні;
- вимірювальні.
Властивості підсилювачів характеризуються технічними показниками, які регламентуються відповідними стандартними. Число технічних показників визначається пизначенням підсилювача.
До основних технічних показників відносяться:
-вхідні/вихідні праметри;
-ККД і споживана потужність;
-коефіцієнт підсилення;
-амплітудна характеристика і динамічний діапазон;
-лінійні і нелінійні спотворення;
-перехідні спотворення;
-шуми.
Підсилювачем потужності називається підсилювач в якому вихідна потужність підсиленого сигналу співрозмірна з потужністю, яка підводиться до колекторного кола підсилювача від джерела живлення.
Підсилювальний каскад – це сукупність підсилюваль-них елементів з усіма додатковими елементами, які забезпечують заданий режим роботи.
Принцип підсилення підсилювальним каскадом на біполярних транзисторах полянає в тому, що підсилення напруги, струму або вихідної потужності відбувається за рахунок частини енергії або потужності джерела живлення по постійному струму.
Потужнім каскадом прийнято вважати каскад в якому транзистори віддають в навантаження потужність, близьку до максимально можливої. Основними вимогами, які ставляться до потужних вихідних каскадів, є одержання необхідної потужності в навантаженні і її максимальний коефіцієнт корисної дії при допустимих спотвореннях сигналу. Вимога максимального ККД має найбільше значення для підсилювачів з живленням від автономних джерел. Максимальне підсилення – другорядна вимога, оскільки необхідне підсилення може бути одержане в інших каскадах.
Транзистори, які стоять в підсилювачах потужності можуть працювати в режимах класів А, В, АВ.
Режим А – це такий режим, при якому робоча точка знаходиться по середині лінійної частини прохідної характеристики. Амплітуда вихідного струму змінюється напротязі повного періоду підсилювального сигналу. Тобто кут відсікання θ=180°
Режим В – режим з такою відсічкою, при якій вихідний струм тече практично тільки напротязі півперіода сигналу θ=90°. При цьому робоча точка лежить на початку прохідної характеристики.
Режим АВ – проміжний режим, при якому вихідний струм протікає напротязі більш, як одного півперіоду. Кут відсікання лежить в межах 30° < θ <180°
Вибір режиму здійснюється прикладенням відповідної напруги між базою та емітентом. В режимах класів АВ і В можуть працювати тільки двотактні каскади.
Однотактні вихідні каскади застосовуються деколи в підсилювачах з малою вихідною потужністю, оскільки їх ККД не перевищує 40%
Трансформаторні двотактні вихідні каскади в основному використовуються в режимі АВ, при якому ККД перевищує 50%. В цьому режимі втрати енергії джерелом живлення досить малі при відсутності сигналу і підвищується з підвищенням рівня сигналу, а рівень нелінійних спотворень більший, ніж при роботі в режимі класу А.

І. Вибір типу транзистора :
1) Вихідна (коливальна) потужність сигналу в колекторному колі трансформатора:
[Вт],
де ηт =0,8 – ККД вихідного трансформатора.
2) Потужність, яка розсіюється на колекторі транзистора:
,
де ηА =0,45 – ККД колекторного кола транзистора в режимі роботи А (лежить в межах 0,4¸0,45).
3) Максимальна потужність яка розсіюється на колекторі транзистора з врахуванням температури навколишнього середовища:
,
де Рkmaxp . – максимально допустима розрахункова потужність транзистора, який вибирається.
Трмах =+850 С – максимальна температура колектор-ного переходу для германієвих транзисторів.
Тр ном =+200 С – номінальна температура, при якій значення потужності, яка розсіюється на колекторі транзистора максимальна.
Тдс =+330 С – температура довколишнього середовища
4) Розрахункове значення граничної частоти транзистора для схеми з спільним емітером:
[кГц],
де Мв – визначається у відносних одиницях:Мв =Мн (дБ)=20lgМв
Мв
=Мн
=![]()
5) Вибираємо тип транзистора виходячи з умов:

Вибрав транзистор ГТ403А :
fh 21 e =1000 кГц;
Pk max =4 Вт (з тепловідводом).
Так, як умова Pk max р ≤ Pk max виконується тільки при наявності тепловідводу, то проводжу розрахунок поверхні охолодження радіатора:
[см2
],
де RTT =150 С/Вт — величина теплового опору колекторного переходу.
6) Тип вибраного транзистора та параметри вибраного транзистора:
Pk max =4 Вт (з тепловідводом);
fh21e =1000 кГц;
Uke max =30 В;
h21 e =20¸60;
Ik max =1,25 А;
RTT =150 С/Вт
ІІ. Розрахунок режиму роботи транзистора по
постійному струму:
1) Напруга на колекторі транзистора в режимі спокою:
Uke0 =(0.3¸0.5)Uke max = 0,3∙20 = 6 [B]
2) Напруга джерела живлення:
Ek =2.25Uke0 = 2.25∙6 = 13.5 [B]
3) Величина колекторного струму в режимі спокою:
[A]
4) Побудова ЛН_ на вихідних статичних характеристиках транзистора і визначчення координати робочої точки: {Ik 0 ; Uke 0 ; Іб 0 } (див. графічну частину РИС.1):
Uke0 =6 B;
Ik0 =0.46 A;
Iб 0 ≈23 mA.
5) Величинаемітрного струму в режимі спокою:
Ie 0 =Ik 0 +Iб 0 =0.46+23=23∙10-3 +0.46=0.483 [A]≈0.5 [A]
ІІІ. Розрахунок режиму роботи транзистора
по змінному струму:
1) Опір колекторного навантаження по змінному струму для одного плеча схеми:
[Oм]
2) Спад напруги на Rк ~ :
URk ~ =Ik0∙Rк ~ = 0.46∙14.4 = 6.6 [B]
3) Напруга між колектором і емітером транзистора:
Uke ~ =Uk 0 +URk ~ = 6+6.6 = 12.6 [B]
4) На РИС.1 наносимо точки {0, Uke ~ } та {Ik 0 , Uke 0 }.
5) За графіком на РИС.1 визначаємо мінімальне і максимальне значення вихідного струму та напруги транзистора:
Ik min =2.0 mA;
Ik max =0.88 A;
Uke max =12.6 B;
Uk min =2.0 B
IV . Визначення потужності сигналу, яка віддається транзисторами у вибраному режимі їх роботи:
1) Потужність, яку віддає транзистор у вибраному режимі роботи:
Pk~ =0.125∙(Ik max - Ik min )2 ∙Rk~ =
=0.125∙(0.88-2)2 ∙14.4 = 2,26 [Bт]
2) Перевірка виконання умови:
Pk ~ ≥P~ .
2.26>1.25 [Вт]
(умова виконується)
V . Визначення коефіцієнта підсилення плеча каскаду по напрузі і потужності:
1) На вхідній динамічній характеристиці транзистора відкладаємо відповідні координати робочої точки і граничних точок (див графічну частину РИС.2):
{Iб 0 ;Uб e 0 }, {Iб max ;Uб e max }, {Iб min ;Uб e min }
Iб 0 = 23 mA;
Uб e0 = 0.47 B;
Iб max = 64 mA;
Uб e max = 0.68 B;
Iб min = 2 mA;
Uб e min = 0.17 B.
2) Амплітудні значення вхідного струму та напруги:


3) Вхідний опір транзистора по змінному струму:

4) Потужність на вході підсилювача:

5) Коефіцієнт підсилення по напрузі:

KUдБ =20lg KU =26,19 [дБ]
6) Коефіцієнт підсилення по потужності:

KP дБ =10lgKP =27,49 [дБ]
VI. Розрахунок коефіцієнта нелінійних
спотворень сигналу:
1) Формуємо наскрізну динамічну ВАХ підсилювального елемента за сім'єю вхідних і вихідних статичних характеристик і навантажувальної прямої змінного струму каскаду Ік =f(Ei ): для цього визначаємо значення Uke для трьох точок (А, Р, В) по вхідних і вихідних статичних характеристиках транзистора (див. графічну частину РИС.3).
2) Дані заносимо в таблицю і будуємо наскрізну динамічну ВАХ транзистора по табличним даним.
| т. А | т. Р | т. В | |
| Uke , B | 2,8 | 6 | 9 |
| Ik , A | 0,66 | 0,46 | 0,26 |
| Iб , mA | 48 | 23 | 8 |
| Uб e , B | 0,6 | 0,47 | 0,36 |
| E, B | 24,6 | 11,97 | 4,36 |
3) Виділяємо на наскрізній характеристиці (РИС.3) п'ять ординат - значень колекторного струму у характерних точках:
Ik min =0.26 A;
Ik сер =0.46 A;
Ik max =0.66 A;
Ik1 =0.36 A;
Ik2 =0.56 A.
4) Амплітудні значення 2, 3, 4 гармонік колекторного струму:
Ikm1
=
[(Ik max
-Ik min
)+(Ik2
-Ik1
)]=
[(0.66-0.26)+(0.56-0.36)]=0.2 A
Ikm2
=
[(Ik max
+Ik min
)-2Ik c
ер
]=
[0.66+0.26-2∙0.46)]=0 A
Ikm3
=
[(Ik max
-Ik min
)-2∙(Ik2
-Ik1
)] =
[(0.66-0.26)- -2*(0.56-0.36)]=0 A
Ikm4
=
[(Ik
max
+Ik
min
)-4∙(Ik
2
+Ik
1
)+6∙Ik
c
ер
] =
[0.92- -4∙0.92+6∙0.46]=0 A
5) Перевіряємо правильність розрахунків амплітудних значень гармонік колекторного струму^
Ik max = Ikm1 +Ikm2 +Ikm3 +Ikm4 +Ik c ер , де
Ik c
ер
=
[ Ik max
+Ik min
+2Ik2
+2Ik1
]=
[0.92+1.12+0.72]=0.46 A
Ik max =0.46+0.2=0.66 (Умова виконується).
6) Обчислюємо значення КГ р % :
КГ
р
%
7) Перевіряємо виконання умови:
КГр% ≤К Г % .
0<3.5
(умова виконується).
VII . Розрахунок елементів схеми підсилювача:
Елементи ланки емітерної т ер мо стабілізації транзистора :
1) Значення резистора Re :
Re
=![]()
2) Значення резисторів Re 1 Re 2 звичайно приймають рівним 1 Ом:
Re0
=![]()
Re1 =Re2 =1 [Oм]
3) Вибираємо стандартне значення опорів
Rе1ст =R51 ст = 1 Ом;
Rе2с т =R52 ст = 1 Ом;
Rе0ст =R5ст = 3,6 Ом.
Елементи розв'язуючого фільтра Rф і Сф :
1) Значення резистора Rф :
UR ф =(0.1¸0.3)Ek
UR ф =0.2∙Ek =0.2∙13.5=2.7 [B]
IП =(3¸10)Іб0
IП =7∙Іб0 =7,23∙10-3 161 mA
2) Вибір стандартного значення
Rф ст =R6ст =9.1 Ом
3) Ємність розв'язуючого фільтру Сф
Сф
≥
[Ф]
4) Вибір стандартного значення СФ ст =СЗс т :
СФ ст =СЗс т =3∙10-3 [Ф]
5) Вибір робочої напруги на СФ =СЗ. Вибирається з умови: UC фр ≥1.5∙(Ek -UR ф )
UC фр ≥1.5∙(13.5-2.7)=16.2 [B]
Елементи подільника напруги:
1) Значення резисторів R2=R4, R1=RЗ, при умові, що R2=R4≥(3¸5)Rвх VT :
R2=R4=
[Ом]
R1=RЗ=
[Ом]
2) Вибірстандартного значення опорів:
R1ст =RЗс т =16 Ом
R2ст =R4ст =51 Ом
Потужність, яка розсіюється на резисторах:
PRe
0
=2∙
∙Reocm
=2∙(0.5)2
∙3.6≈1 [Bт]
PR ф =2∙(IП +Iб0 )2 ∙Rф cm =2∙((161+23)∙10-3 )2 ∙9,1=0,62 [Вт]
PR e =PR e1 =(IП +Iб0 )2 ∙Re1cm =(0.5)2 ∙1=0.25 [Вт]
PR1 =PR3 =(IП +Iб0 )2 ∙R1cm =(184∙10-3 )2 ∙16=0.54 [Вт]
PR2 =PR4 =(IП )2 ∙R2cm =(161∙10-3 )2 ∙51=0.98 [Вт]
Виб і р тип у резисторів:
(Див. специфікацію)
Роздільні конденсатори :
1) Значення ємностей роздільних конденсаторів С1 і С2:
С1 і С2=
[Ф]
2) Вибираємо стандартне значення конденсаторів С1с т , С2с т :
С1с т =С2с т =4,3 [мкФ]
3) Робоча напруга на роздільних конденсаторах С1 і С2:
UC1p,C2p ≥1.5∙Ek
UC1p,C2p =1.5∙13.5=20.25 [В]
Виб и р аємо тип конденсаторів :
(Див. специфікацію)
VIII Розрахунок вихідного трансформатора:
1) Коефіцієнт трансформації.
n=
2) Опір первинної і вторинної обмоток трансформатора.
r1
=
[Ом]
r2
=
[Ом]
C=0.5 – коефіцієнт, який врахохвує наявність в первинній обмотці трансформатора постійної складової струму і лежить в межах (0,2¸0,7)
3) Індуктивність первинної обмотки трансформатора.
L1
=
[Гн]
![]() |
| Поз. познач. | Назва | К-ть | Приміт-ки | |
| Резистори | ||||
| R51 , R52 | C2-27-0.25-1 Ом±0.5% | 2 | ||
| R2, R4 | C2-23-1.0-51 Ом±2% | 2 | ||
| R1, R3 | C2-23-1.0-16 Ом±2% | 2 | ||
| R6 | C2-23-1.0-9.1 Ом±2% | 1 | ||
| Конденсатори | ||||
| С1, С2 | K71-3-160 B-4.3 мкФ±1% | 2 | ||
| С3 | K71-3-160 B-3 мкФ±1% | 1 | ||
| Транзистори | ||||
| VT1, VT2 | ГТ403А | 2 | ||
![]() |


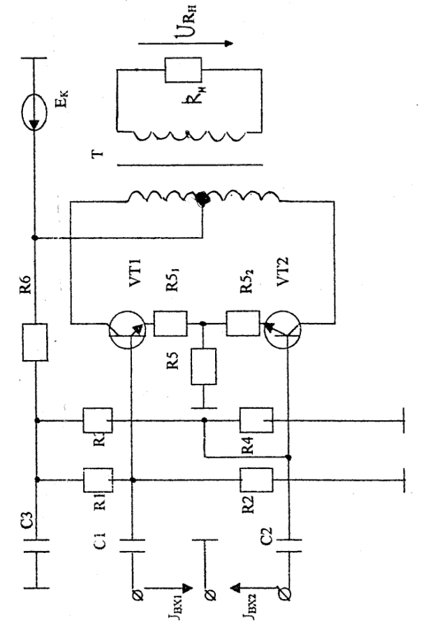
Типова схема двотактного трансформаторного підсилювача та транзисторах включених по схемі з спільним емітером
![]() |
В даній курсовій роботі я спроектував вихідний двотактний трансформаторний підсилювач потужності в режимі роботи класу А.
Так як в даній роботі мені було потрібно одержати максимальний коефіцієнт підсилення по потужності при коефіцієнті гармонік 4%, я вибрав схему включення транзисторів зі спільним емітером. Як відомо саме таке включення дає найбільший коефіцієнт підсилення при, великому коефіцієнті гармонік.
Для підсилювача було вибрано транзистори типу ГТ403А структури n-p-n, тому для відкриття транзисторів на їх бази потрібно подавати додатні пів хвилі відносно “землі ”.
Так як вибраний транзистор задовільняє потрібній потужності лише за умови присутності радіатора, було проведено розрахунок його площі охолодження.
За напругу живлення було прийнято нестандартну напругу 13,5 В, тому потрібний розрахунок фільтра.
Максимальні значення колекторного і базового струмів не перевищують заданих для даного транзистора в довіднику.
Розрахував, що попередній каскад повинен бути інверсний і забеспечувати вихідну напругу 0,26 В і потужність 4,03 mВт . При цьому вихідна потужність буде рівна заданій, а коефіцієнт підсилення по потужності буде складати 27,49 дБ.
Розрахунковий коефіцієнт гармонік рівний 0, що не перевищує заданого. Тому каскад вносить допустимі нелінійні спотворення і не потребує введення від’ємного зворотного зв’язку.
Також були розраховані елементи емітерної термостабілізації, елементи подільників напруги зміщення робочої точки фіксованою напругою бази, роздільні конденсатори, що служать для затримання постійної складової попереднього каскаду і частковий розрахунок електричних параметрів вихідного трансформатора.
Список використаної літератури
1)Цыкина Г.В. Проэктирование транзисторних усилителей низкой частоты «Связь», 1978.
2)Гершунский Б.С. Справочник по расчету електрон-ных схем «Вища школа», 1983.
3)Транзисторы широкого использования. Справочник Под ред. Перельмана. 1981.
4)Полупроводниковые приборы: Транзисторы. Справочник. Под ред. Горюнова Н.Н.
5)Р.М. Терещук, К.М. Терещук, С.А. Седов «Полупроводниковые приемно-усилительные устройства» Справочник кадиолюбителя. К.-«Наукова думка», 1987.
6). Під ред. Горюнова Н.Н. «Справочник по полупро-водниковым диодам, транзисторам и интегральным схемам» «Энегния» – Москва – 1976.
7)Під ред. Горюнова Н.Н. «Справочник по полупро-водниковым диодам и транзисторам». Випуск №2 – «Энегния» – Москва – 1968.
8)Е.И. Манаев «Основы радиоэлектроники» - «Радио и связь» - 1985.
9)А.О. Васін. Конспект лекцій – ЛТК – Львів – 2000.




