| Похожие рефераты | Скачать .zip |
Реферат: Оптико-электронные системы
ОПТИКО-ЭЛЕКТРОННЫЕ (КВАНТОВЫЕ)
СИСТЕМЫ И УСТРОЙСТВА
СОДЕРЖАНИЕ
|
1. |
Задачи, решаемые с помощью ОЭС |
2 |
|
2. |
Краткий исторический очерк |
4 |
|
3. |
Сравнение приборов (систем) оптического диапазона с радиоэлектронными устройствами |
6 |
|
4. |
Основные энергетические и фотометрические величины |
7 |
|
5. |
Основные характеристики излучателей |
9 |
|
6 |
Типовая структура ОЭС и основные его характеристики |
11 |
|
7. |
Фоны их общая характеристика |
13 |
|
8. |
Ослабление оптического излучения в атмосфере |
34 |
| 8.1. |
Молекулярное поглощение излучения |
34 |
| 8.2. |
Методы расчета МП |
34 |
| 8.3. |
Аэрозольное ослабление оптического излучения |
41 |
|
8.4. |
Релеевское рассеяние излучения |
43 |
| 8.5 |
Атмосферная рефракция и турбулентность |
45 |
|
9. |
Пример оценки контрастов малоразмерных объектов |
57 |
|
10. |
Оптические материалы |
61 |
| 10.1. |
Показатель преломления |
62 |
| 10.2. |
Пропускание, отражение |
63 |
| 10.3. |
Физические свойства материалов |
64 |
| 10.4. |
Используемые оптические материалы |
64 |
| 10.5. |
Нетрадиционные оптические материалы на основе стекла |
66 |
|
11. |
Оптические фильтры |
66 |
| 11.1. |
Классификация оптических фильтров |
66 |
| 11.2 |
Характеристики оптических фильтров |
67 |
| 11.3 |
Основные типы оптических фильтров |
68 |
|
12. |
Оптические системы формирующие изображение в ИК области спектра |
70 |
| 12.1. |
Зеркальные телескопические системы |
70 |
| 12.2. |
Зеркально-линзовые телескопы |
72 |
| 12.3. |
Вспомогательные оптические элементы |
74 |
| 12.4. |
Формирование изображения, аберрации |
74 |
|
13. |
Детекторы оптического излучения |
78 |
| 13.1. |
Характеристики детекторов оптического излучения |
78 |
| 13.2. |
Типы детекторов излучения |
80 |
| 13.2.1 |
Фотонные приемники |
80 |
| 13.2.2. |
Тепловые приемники излучения |
81 |
| 13.3. |
Промышленные образцы приемников |
82 |
|
14. |
Фотоприемники с переносом заряда (ПЗС) |
84 |
| 14.1. |
Трехфазный ПЗС |
84 |
| 14.2. |
Двухфазный ПЗС |
86 |
|
14.3. |
Приборы с инжекцией заряда (ПЗИ) |
88 |
15. |
Системы охлаждения приемников излучения |
92 |
| 15.1. |
Охлаждение сжиженными газами |
92 |
| 15.2. |
Охлаждение за счет эффекта Джоуля -Томсона |
92 |
| 15.3. |
Криогенные машины |
92 |
| 15.4. |
Термоэлектрическое охлаждение |
98 |
|
16. |
Сканирующие системы |
98 |
| 16.1. |
Траектории сканирования при регулярном поиске |
99 |
| 16.2. |
Типы сканирующих устройств |
101 |
| 16.3. |
Оптико-механическое сканирование |
112 |
|
17. |
Анализаторы изображения – растровая модуляция |
126 |
| 17.1. |
Классификация и принцип действия растровых анализаторов |
126 |
| 17.2. |
Амплитудная модуляция |
127 |
| 17.3. |
Частотная модуляция |
136 |
| 17.4. |
Фазовая модуляция |
136 |
| 17.5. |
Амплитудно-частотная модуляция |
140 |
| 17.6. |
Импульсно-частотная модуляция |
140 |
| 17.7. |
Амплитудно-фазовая модуляция |
|
| 17.8. |
Частотно-фазовая модуляция |
|
|
18. |
Видимость в атмосфере |
150 |
| 18.1. |
Определение МДВ |
151 |
| 18.2. |
Трассовые измерители метеорологической дальности видимости |
152 |
| 18.3. |
Нефелометрический метод определения МДВ |
156 |
| 18.4. |
Нефелометры – аэрозольные спектрометры |
158 |
|
19. |
Технические основы систем лазерного зондирования |
161 |
| 19.1. |
Применение технологии флуоресцентного анализа в других практических задачах |
167 |
| 19.2. |
Источник фемтосекундного импульсного излучения в атмосфере |
169 |
Ниже рассматриваются общие вопросы построения и применения оптико-электронных и квантовых систем и устройств (ОЭС) с учётом динамики внешних условий.
Оптико-электронными принято называть системы и устройства, в состав которых входят как оптические так и электронные узлы, причем и те и другие служат для выполнения основных задач, решаемых данным прибором, т.е не являются вспомогательными звеньями (примеры вспомогательных звеньев – это элементы осветительных, отсчетных и т.п. устройств).
Сущность физических процессов, определяющих действие ОЭС, заключается в преобразовании одного вида энергии в другой и, в частности, энергии излучения оптического диапазона спектра в электрическую. Т.о. действие ОЭС основано на приеме электромагнитного излучения во всей оптической области спектра, которая включает диапазон длин волн от 1 нм до 1 мм. Впоследнем выделяют участки ультрафиолетового (0.001 –0,38 мкм), видимого (0,38-0,78 мкм) и ИК (0,78-1000 мкм) излучения (см. структуру спектра электромагнитного излучения).
1. Задачи, решаемые с помощью ОЭС
С помощью ОЭС контактными и дистанционными методами получают информации
о размерах,
форме,
положении,
энергетическом состоянии тел-объектов наблюдения, обнаружения, исследований
Указанные задачи реализуются в результате приема излучения в нужном спектральном диапазоне длин волн, при заданных ракурсах и поле зрения с получением на выходе приемника излучения электрического сигнала, который обрабатывается с целью выделения из шумов для последующего информационного анализа.
Начало развития ОЭС как мощного инженерно-физического направления техники мы вправе отнести к сороковым годам ХХ века, поскольку именно в этот период удалось перейти от уровня простейших приборов, рассчитанных только на пассивный метод работы /т.е. на прием видимого и теплового излучения нагретых объектов/ к отработке принципов построения квантовых оптических локационных систем, использующих в своей основе источники когерентного излучения – лазеры.
ОЭС могут быть квалифицированы по следующим признакам:
рабочей области спектра (УФ, видимая, ИК);
способу формирования информационного поля или типу источника излучения;
способу обработки (использования) информации;
Спектр электромагнитного излучения
решаемой задаче;
ширине рабочей полосы длин волн и т.д.
Способ формирования информационного поля определяется, прежде всего, типом источника излучения и, в связи с этим, различают:
пассивные ОЭС, воспринимающие либо собственное излучение наблюдаемого участка пространства, либо совокупность собственного и отраженного излучения (доля последнего формируется солнцем, луной, звездами и т.д);
активные ОЭС, в которых используется искусственный источник подсветки исследуемого участка пространства при последующем информационном анализе сигналов, сформированных при приеме отраженного объектом излучения в строго выделенном спектральном диапазоне;
комбинированные, в которых задействованы оба из обозначенных выше методов.
Способ обработки (использования) информации определяет:
автоматические ОЭС,
индикационные ОЭС, в которых информация выдается в виде, пригодном для принятия решения человеком-оператором.
Исходя из решаемых задач ОЭС подразделяется на:
пеленгационные (определение положения объекта в пространстве наблюдения).Сюда относятся оптические пеленгаторы, оптические головки самонаведения.
наблюдательные (тепловизионные, приборы ночного видения и т.д.),
локационные (дальномеры, измерители скоростей и т.д.),
фотометрические приборы широкого и специального применения для оптико-физических измерений (фотометры, нефелометры и т.д).
С учетом ширины рабочей области длин волн ОЭС подразделяют на:
интегральные (радиометры, тепловизоры и т.д.),
спектральные (спектрометры, спектрорадиометры и т.д.).
Учитывая особенности квантовых систем и устройств, при их классификации выделяют:
квантовые стандарты длины, частоты и времени;
квантовые усилители;
преобразователи частоты лазерного излучения;
лазерные модуляционные устройства;
лазерные системы (лидары, лазерные доплеровские измерители скорости, системы связи, гирометры и т.д.).
2. Краткий исторический очерк
Широкое практическое использование ОЭС стало возможным только начиная с 30-40х годов XX века, когда были достигнуты первые ощутимые результаты в технологиях создания оптических материалов для различных диапазонов спектра и, прежде всего, в разработке приемников излучения, обладающих высокой чувствительностью в тех же областях длин волн.
Исследования свойств оптического излучения ведутся очень давно. Ещё в XVIII В.И. Ньютон описал опыты по разложению белого света на квазимонохроматические составляющие. Одна из первых теорий, объясняющих с физических позиций наблюдаемые оптические явления, была разработана Декартом (XVII век) и затем Ньютоном и основывалась на представлении света как совокупности корпускул–мельчайших частиц эфира, распространяющихся вдоль определенных траекторий – световых лучей. В этот же период появились первые работы Гюйгенса, в которых была сделана попытка интерпретации тех же явлений на основе понятий световой волны. Теория Гюйгенса длительное время уступала по популярности теории Ньютона и только благодаря исследованиям Юнга и Френеля на рубеже XIX века получила блестящее подтверждение. К концу XIX века Максвелл дал волнам Френеля электромагнитную интерпретацию и показал, что всякая световая волна является электромагнитным возмущением. Теория Максвелла была блестяще подтверждена опытным путем Герцем.
Электромагнитная теория, обобщенная в виде системы дифференциальных уравнений, явилась вершиной классического этапа развития оптики.

Успешно подтвержденная гипотеза Планка о квантовой природе излучения света и гипотеза Эйнштейна (1916) в сочетании с успехами радиотехники и потребностями практики послужили базой для изобретения оптических квантовых генераторов и рождения интенсивно развивающейся новой области науки –квантовой электроники.
На возможность использования индуцированного излучения для наблюдения отрицательного поглощения (т.е. усиления) веществом, впервые указал в 1940 году В.А.Фабрикант.
Много сил инженерами различных стран было затрачено на создание генераторов максимально коротких волн. Длина волны наиболее коротких волн, полученных радиотехническими средствами, составляет величину порядка 1000 мкм. Попытки получить ещё более короткие волны натолкнулись на непреодолимые трудности изготовления миниатюрных резонансных систем, размеры которых должны быть порядка длины волны.
Решение последней проблемы возможно на пути использования в качестве резонаторов непосредственно атомов и молекул, имеющих самые разнообразные частоты колебания. Таким образом, такая проблема стимулировала создание нового типа прибора – квантовых генераторов излучения для генерации когерентных электромагнитных колебаний в оптическом диапазоне спектра.
Отметим здесь, что термин “ОКГ” не бесспорен, поскольку генератором оптических (некогерентных) квантов является и горящая спичка. Поэтому для обозначения обсуждаемого класса излучателей наибольшее применение нашел термин “Лазер”, сформированное из первых букв английской фразы “световой усилитель с помощью вынужденного излучения” по аналогии со своим предшественником, названным “Мазер”, который относится к первым СВЧ генераторам, разработанным проф. Колумбийского университета Е.Таунсом в 1954 году и использовавшим явление вынужденного излучения.
Начало основного технологического прорыва в оптическом приборостроении следует отнести к 1920-1930 гг., когда был создан ряд искусственных источников УФ и ИК излучения. Чуть позднее появились первые многокаскадные фотоумножители, первые фоторезисторы, чувствительные в ИК-области спектра.
Успехи и интенсивность разработок в области оптоэлектроники (раздела науки и техники, исследующей процессы взаимодействия оптического излучения с веществом для передачи, приема, хранения и т.д. информации) в этот и последующий периоды в значительной степени были стимулированы расширением военных применений ОЭС. Здесь в конце XX века отчетливо проявилась тенденция к комплексированию в аппаратуре одного и того же назначения нескольких каналов, работающих как в оптическом, так и в радиодиапазоне, что оказывает подчас решающее значение, например, в повышении достоверности показаний дистанционных систем наблюдения или управления, в которых оператору или автомату-дешифратору в каждом конкретном случае предъявляется взаимодополняющий набор информационных признаков для принятия максимально правильного решения.
3. Сравнение приборов (систем) оптического диапазона с радиоэлектронными устройствами.
Сравнение позволяет выделить ряд неоспоримых преимуществ ОЭС по отношению к радиоэлектронным приборам, которые вытекают из различий диапазонов спектра электромагнитных волн.
Действительно, если вспомнить, что минимально разрешаемый при дифракции угол пропорционален отношению длины волны к диаметру входного зрачка D, т.е. /D, то легко объяснить более высокую разрешающую способность ОЭС. Отсюда следует принципиально более высокая точность оптико-электронных измерений, ограничиваемая разрешающей способностью ОЭС, а также их преимущество по массо-габаритным показателям. Отметим в этом случае и то обстоятельство, что для формирования диаграммы направленности радиоизлучения с расходимостью 0,1 на длине волны =1 м необходимо антенное устройство с размерами 1 (100 м), с тех же позиций в оптическом диапазоне длин волн диаметр формирующего поток излучения объектива с подобной расходимостью может иметь размеры в десятки мм или единицы сантиметров.
Частота электромагнитных колебаний в оптическом диапазоне существенно выше, чем в радиодиапазоне. Например, в видимом диапазоне частота световых колебаний в млн раз превышает частоту волн в радио и телевещании. Это определяет высокую информационную емкость оптического канала. (Напомним, что для передачи обычного телевизионного изображения требуется полоса частот 5 Мгц. Поэтому в метровом диапазоне (=1 м.,300 Мгц.) можно передать лишь около 10 телевизионных программ, в оптическом диапазоне при том же отношении сигнал/шум – это число возрастает в млн.раз).
Передача информации в оптическом диапазоне осуществляется фотонами, которые в отличие от электронов – электрически нейтральные частицы, не взаимодействующие между собой и внешними полями. Это допускает возможность идеальной гальванической развязки входа и выхода, однонаправленность потока информации, высокую помехозащищённость.
К числу других достоинств ОЭС следует отнести возможность двойной (пространственной и временной) модуляции излучения, а также близкую для восприятия человеком визуальную форму представления информации. Однако с представленными преимуществами должен быть назван ряд недостатков оптического диапазона длин волн, в частности, большее ослабление излучения в атмосфере, значительное число фоновых помех от естественных и искуственных источников.
4. Основные энергетические и фотометрические величины.
Простейший
вид излучения
– монохроматическое,
т.е. излучение
характеризуемое
очень узким
интервалом
длин волн. 1-
(1
при 0.
Монохроматическое
излучение можно
характеризовать
и частотой ,
причем связь
последней с
длиной волны
определяет
соотношение
(с-скорость
света).*)
Спектральный состав излучения, т.е. распределение электромагнитной энергии по длинам волн или частотам является как качественной характеристикой, так и количественной при определении облученности входного зрачка ОЭС.
Определим основные энергетичекие величины оптоэлектроники:
Лучистый поток Фе - средняя мощность, переносимая оптическим излучением за время значительно большее периода электромагнитных колебаний
[Вт]
/ 1 Вт = 10-7эргс-1= 0234 кал.с-1=6,241018 эВ с-1/.
При расчетах ОЭС особый интерес также представляют:
Энергетическая светимость (поверхностная плотность излучения) Ме: отношение испускаемого поверхностью по одну сторону от себя (т.е. – в полусферу) полного лучистого потока к площади этой поверхности

/
/
Облученность или энергетическая освещенность (плотность мощности) Ее определяет отношение лучистого потока dФ, падающего на какую-либо поверхность, к площади этой поверхности dS2

Энергия излучения

/
/
![]()
* Отметим
также широкое
применение
в оптике (спектроскопии)
единицы шкалы
длин волн –
волновых чисел
![]()
Сила излучения
или энергетическая
сила света –
отношение
лучистого
потока dФ
к телесному
углу
,
в пределах
которого он
распространяется

Лучистостью или энергетической яркостью излучающей поверхности в данном направлении называется отношение измеренной в этом направлении силы излучения к видимой площади излучающей поверхности

Для плоских излучающих поверхностей, имеющих лучистость, одинаковую во всех направлениях действует закон Ламберта

откуда
![]()
Закон Ламберта справедлив только для АЧТ, а также идеально рассеивающих поверхностей. Широко известно следствие из закона Ламберта
![]()
Фотометрические (световые) величины:определяют спектр излучения в пределах чувствительности человеческого глаза.
Световой поток
,
где
-
максимальное
значение так
называемого
коэффициента
видности
,
(
=
683 лмВт-1)
- относительный
коэффициент
видности, спектрально
совпадающий
с кривой видности
человеческого
глаза, максимум
которой
расположен
в зеленой области
спектра (0,555
мкм).
Соответственно различают:
Световую энергию
/1 лмс=1
тальбот/Силу света

Светимость
/1лк=1лмм-2=10-4фот/Яркость
.
Основные характеристики излучателей
Для сравнения различных излучателей целесообразно иметь общий эталон. Им является черное тело или полный излучатель, имеющий при заданной температуре для всех длин волн максимально возможную спектральную плотность энергетической яркости. Черное тело полностью поглощает все падающее на него излучение независимо от длины волны, поляризации и направления падения, поэтому обычно говорят об абсолютно черном теле (АЧТ).
Любой реальный излучатель характеризуется коэффициентом излучения (коэффициентом черноты) - отношением его энергетической яркости к энергетической яркости АЧТ при той же температуре.
Тепловой излучатель для которого величина () не зависит от длины волны называется неселективным и, наоборот, при условии =f() мы имеем дело с селективным излучателем (см.рис.1).
Световым КПД излучателя называется отношение

Световая отдача Ксв – это отношение М к величине энергетической светимости

Яркостная температура – это температура черного тела, при которой оно имеет ту же спектральную плотность энергетической яркости, что и рассматриваемое тело (излучатель)
Распределение энергии по спектру длин волн в излучении АЧТ описывает закон Планка
,
(1)
где С1=3,741510-16Втм2, С2=1,4387910-2мК
Из формулы Планка можно получить выражение для закона Стефана-Больцмана:
(2)
т.е. энергетическая светимость АЧТ определяется его температурой в четвертой степени (=5,6697110-8Вт м-2к-4 – постоянная Стефана-Больцмана).
Экстремум функции (1) определяет закон Голицина –Вина
(3)
( - [мкм], Т-[K])
Как
пример применения
соотношения
(3) можно оценить
область максимума
излучения
такого тела
как планета
Земля, средняя
температура
которой ТЗ290
К. Видно, что
эта величина
близка
в то время как
для
Солнца (Т6000К)
соответствует
зеленой области
видимого спектра.
Рис.1. Зависимость спектрального коэффициента излучения материалов от длин волн. Альб.лист
Для
удобства
использования
в расчётах
соотношения
(1) в справочниках
представляется
единая изотермическая
кривая, которая
получается
заменой в (1)
переменных
на
.
Чтобы по значениям единой изотермической кривой y(x) вернуться к кривой Планка необходимо:
Определить
по
(3)Определить

для выбранных определить

найти y(x) и в заключение-
.
Полезно
отметить, что
для длин волн
величина
изменяется
пропорционально
Т, а в области
-
увеличивается
пропорционально
Т5.
Взяв
производную
,
можно найти
длину волны
,
при которой
скорость изменения
максимальна.
В частности,
(4)
Типовая структура канала ОЭС и основные его характеристики.
Практически для большинства видов ОЭС на стадии создания разработчикам следует учитывать взаимозависимость (взаимообусловленность) характеристик, определяющих весь канал функционирования прибора, а именно – систему “объект-фон–атмосфера-прибор-оператор”. В указанной системе соотношение яркостей наблюдаемого объекта и окружающей среды (т.е. фона) или, как принято, их определять, контраст объекта
(5)
и его динамика во времени очевидным образом должны учитываться при определении конструктивных особенностей самой ОЭС.
Контраст объекта деформируется как по спектральному составу, так и по амплитуде за счёт влияния участка атмосферы, разделяющего объект и входной зрачок ОЭС. В атмосфере происходит неодинаковое для различных длин волн поглощение и рассеяние оптического излучения, формирование поля рассеянного излучения.
ФОН
атмосфера
ОЭС
оператор
Таким образом в системе наблюдения ОЭС-объект необходимо рассматривать следующие составляющие части трассы визирования:
объект
Непосредственно с ОЭС связаны следующие части оптического канала:
оптическая система (зеркальная, линзовая или зеркально-линзовая), которая осуществляет формирование изображения наблюдаемого участка пространства, фотоприемное устройство, которое состоит из приемника оптического излучения и предусилителя, сигнал с которого подается в электронную систему обработки и видеоконтрольное устройство.
В последнем случае заключает канал ОЭС оператор, на принятие решения которым (с этим также следует считаться) влияют свойства зрительного восприятия (т.е. глаза)- психофизические свойства человеческого мозга.
Количественную оценку свойств и эффективности ОЭС в том или ином режиме его применения осуществляют с помощью ряда основных характеристик, в числе которых:
Пороговая чувствительность – это наименьшая величина потока излучения, наименьшая величина освещенности, при воздействии которой на входной зрачок оптической системы прибора, обеспечивается заданная вероятность выполнения основной функции прибора (обнаружение объекта, точность слежения, адекватность восприятия изображения и т.д.).
В тех случаях, когда необходимо характеризовать непосредственно фотоприемник, то говорят об обнаружительной способности – величине обратно пропорциональной пороговой чувствительности. В практике создания ОЭС, работающих в тепловой области спектра удобно характеризовать качество изделия способностью различать минимальную разность температур двух участков наблюдаемого тела. Эта характеристика, типичные значения которой изменяются в пределах 0,01-0,5, наиболее информативна и наглядна в инженерной практике.
Пороговому значению чувствительности естественно соответствует предельное значение отношения сигнал/шум S/N ОЭС, при котором возможна работоспособность прибора.
Дальность действия – определяется порогом чувствительности ОЭС и характеризует максимальную дистанцию (или определённый диапазон дистанций), на который при строго определенных внешних условиях реализуется основная функция прибора.
Поле обзора – телесный угол с вершиной в центре входного зрачка оптической системы, в пределах которого реализуется основная функция прибора, например для систем наблюдения - возможность различать объект. Для систем сканирующего типа поле обзора формируется как совокупность мгновенных полей зрения.
Мгновенное поле зрения – это телесный угол с вершиной в центре входного зрачка оптической системы, в пределах которого ОЭс фиксирует часть пространства с заданным пространственным разрешением в данное время t, при условии, что обзор всего пространства занимает интервал времени t0=t.
Время обзора t0– время осмотра поля обзора. Иногда задают число кадров- величину, определяющую телевизионные системы и частоту обновления информации. Мгновенное поле ОЭС определяется размером входного зрачка и так как всегда в приборе присутствует полевая диафрагма, её размером и фокусным расстоянием объектива.
Фоны, их общая характеристика
Основные свойства фонов рассмотрим для классов ОЭС, работающих на естественных оптических трассах в приземном слое воздуха, с авиационных и космических носителей. Подобный подход означает лишь тот факт, что внимание будет уделено практике применения ОЭС для наблюдения удаленных объектов.
Практически для всех случаев следует подчеркнуть, что классифицировать большинство источников излучения (объектов наблюдения) как цель или фон затруднительно, так как в зависимости от задачи, решаемой ОЭС, один и тот же объект может быть как фоном, так и целью. Например, облака – фон, мешающий пеленгации стартующих с поверхности земли ракет и эти же облака – цель для ОЭС, устанавливаемых на космических аппаратах -спутниках погоды. Вместе объекты и окружающий их фон образуют поле излучений – фоноцелевую обстановку (ФЦО), спектральные характеристики которой изменяются в пространстве и во времени. Для систем обнаружения и распознавания одной из основных функций является оперативный анализ ФЦО, завершающийся выделением из шума сигнала реальной цели. Эта задача осложняется тем, что если источником полезного сигнала является только излучение реального объекта – цели, то источником шума могут быть излучения как естественного фона, так и ложных целей, собственное излучение оптической системы, шум приемника и усилителя сигнала, а также флуктуации параметров всех элементов ОЭС.
Данные в ФЦО необходимы для решения следующих задач –
создания моделей типовых целей и алгоритмов обнаружения, распознавания и сопровождения, целей с разделением их по приоритетности;
управления основными оптическими параметрами объекта для их оптимизации при создании малозаметных целей, например, по технологии, определяемой в зарубежной практике как “Стелс-технология”
имитации и моделирования различных режимов работы ОЭС на стадии отработки конструкции и, в том числе, в плане решения задачи снижения стоимости прибора;
разработки системы идентификации объектов сложной конструкции в автоматическом режиме за счет фильтрации фона и корреляции путем сравнения характерных параметров принимаемого изображения и эталона цели.
Объем информации о ФЦО, необходимый разработчикам ОЭС, зависит от типа и назначения прибора. Например, является ли прибор пассивным или активным. При этом по мере увеличения средств радиоэлектронного противодействия, по единодушной оценке, специалистов все шире будут использоваться комбинированные пассивно-активные многоспектральные ОЭС.
В виде таблицы дадим иллюстративный пример комплексирования различных диапазонов длин волн для получения требуемой информации о летательных аппарата.
| ОЭС комбинированного типа из двух датчиков | Объект обнаружения | Информация, которая должна быть получена |
|
Коротковолновый. + длинноволн. ИК диапазон ИК диапазоны Коротковолн. + Видимый ИК диапазон диапазон УФ диапазон + Видимый диапазон |
Факел Холодные Объекты Аэродинамические цели |
Высота полёта цели, величина тяги, состав топлива Габариты, форма конструкции, ориентация относительно солнца, температура корпуса Состав топлива |
Примеры исходных условий наблюдения:
Излучение мощных ракетных двигателей на активном участке полета сконцентрировано в области 2,7 и 4,26 мкм и характеризуется температурой 1400 К. При этом сила излучения факела может достигать (1…8)106втср-1, что на несколько порядков превосходит силу фонового излучения. На заключительном этапе активного участка, при разделении головной части ракеты, двигательные установки отдельных субэлементов существенно маломощны, сила их излучения 30-100 втср-1, а температура нагрева поверхности 300 К, что сравнимо с тепловым фоном Земли. В данном случае удобнее различать такие субэлементы на фоне “холодного” космоса, температура которого 4 К.
В системе УФ/видимый каналы условия наблюдения существенно изменяются – здесь должны учитываться факторы отражения солнечного излучения корпусом, минимальный контраст холодной цели в УФ и наличие здесь информационного сигнала от неё в том случае, если действует двигательная установка (ДУ) / минимальный контраст цели без ДУ в УФ обусловлен практически полным поглощением излучения озоном атмосферы в области 0,22 мкм и резким снижением в области длин волн короче 0,3 мкм коэффициентов отражения современных конструкционных материалов/.
Как уже отмечалось, фоновые образования являются сложными нестационарными источниками, оптические характеристики которых зависят от многих причин:
условий освещения,
географического положения,
сезона,
метеоусловий,
типа подстилающей поверхности, времени и т.д.
Поэтому наиболее адекватные результаты описания фонов могут быть получены только на основе статистического анализа экспериментальных данных с выделением дисперсии, коэффициентов корреляции, средних величин и т.д.
С учетом излучения Солнца и температурного режима естественных источников излучения на Земле в общем потоке радиации воспринимаемой ОЭС в диапазоне длин волн 3…3,5 мкм доминирует отраженное излучение - это так называемая подсветочная область спектра. В области > 5 мкм преобладает собственное излучение объектов и фонов. Участок длин волн 3-5 мкм –как бы переходный.
Ниже на рис.2-19 проиллюстрируем энергетические характеристики фонов типичными примерами в виде спектральных зависимостей изменения яркости фонов и объектов или составляющих их элементов.
Рис.2 Схематический спектральный ход яркости оснащенной
Солнцем стороны Земли, наблюдаемой со спутников.
Пунктирными кривыми показана яркость абсолютно
черного тела при температуре 300С и 200К.
Рис.3. Спектральная сигнатура фона – поверхности
земли (а) и факела ракетного двигателя (б).
Рис.4. Спектральный состав отраженной солнечной составляющей
от инверсионного следа самолета В-57 на высоте 8,5 км
(измерения сверху).
Рис.5. Спектральная интенсивность излучения факела
в функции длины волны для пяти типов РДТТ
ракеты “Сатурн”
Рис.6. Спектральный ход яркости облаков и льда
(1-перистые, 2-кучевые, 3-лед со снегом).
Рис.7. Спектральная яркость ясного солнечного
неба в районе Колорадо на высоте 3,3 км,
t=+8С (различные углы возвышения).
Рис.8 Изотермы факела турбореактивного двигателя
на максимальной тяге на уровне моря без
дожигания и на форсаже.
Рис.9. Поле температур факела ракетного двигателя.
Рис.10. Индикатрисы излучения самолета “В-66”
с двумя турбореактивными двигателями;
а – в вертикальной плоскости, в – в горизонтальной.
Рис.11. а,б – относительная спектральная лучистость для некоторых
фоновых образований, в- спектральная лучистость типичных
земных фонов при наблюдении днем: 1-снег, 2 – черное тело 35С;
3 - почва 32С; 4-белый песок; 5 – трава.
Рис.12. Пример съемки местности в видимом (а) и ИК(б) диапазонах.
На рис.12 б видно яркое белое пятно – пленка нефтепродуктов на воде.
Рис.13. Изображение объекта в области 8-14 мкм
(Виден яркий двигательный отсек).
Рис.14. Тот же объект, зарегистрированный в области 4-5 мкм:
в изображении: превалирует яркость факела ДУ
Рис.15. ИК съемка местности на участке
слива в реку промышленных стоков.
Рис.16. Демонстрация эффекта, достигаемого синтезированием
(объединением) изображений, полученных в нескольких
спектральных диапазонах: А) 1-2 мкм: Б) 3,5-5,5 мкм;
В) 8-13 мкм; Г) – синтезированное изображение.
Рис.17. Некоторые примеры данных по учету
особенностей изменения ФЦО.
Рис.18. Изменение яркости одного и того же объекта
в разных условиях (пример модельного расчета)
Рис.19 Физическое и математическое моделирование в лазерной локации (ЭПР – эффективная поверхность рассеяния).
Оптические системы, формирующие изображения в ИК области спектра
В коротковолновой – УФ и видимой области спектра формирующая сигнал оптика ОЭП выполняется в виде системы линз –линзовых объективов. Успехи в развитии оптического материаловедения и технологии обработки материалов позволяют изготовить линзовые объективы и в ИК области спектра. Характерный пример – германиевые объективы, основной недостаток которых прежде всего высокая стоимость. С другой стороны, оптика в ИК диапазоне волн может быть чисто зеркальной. В этом случае она полностью ахроматична и может работать с очень высоким пропусканием на всех длинах волн Неудобство зеркальной оптики в том, что невозможно обеспечить большое поле из-за внеосевых геометрических аберраций. Увеличить поле можно путем введения преломляющих элементов, называемых корригирующими, т.е. применением зеркально-линзовых систем.
Коррекция ухудшает спектральное пропускание.
Наконец для широкоугольной по полю оптики применяется в основном преломляющие элементы. Введение асферических поверхностей позволяет существенно уменьшить число элементов в системах, предназначенных для решения конкретной задачи. Оптическое пропускание можно увеличить за счет просветления преломляющих поверхностей.
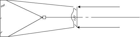
Зеркальные телескопические системы
Параболическое зеркало
![]()
![]()
![]()
![]()
![]()
![]()
![]()
![]()
![]()
![]()
![]()
![]()

![]()
З1
ПР
З1
(гиперб)

















З2 (плоск)
Телескоп Ньютона
Телескоп Кассегрена
![]()
![]()
![]()
![]()
![]()
![]()
![]()
![]()
![]()
![]()
З2(гиперб)
П
р
З1 (парабола)













З2 (эллипт.)
З1 (парабола)
Пр
Телескоп Грегори
Телескоп Гершеля (без экранирования)
Пр
![]()
![]()

Осевой телескоп без экранирования
![]()
![]()
![]()
![]()
![]()
![]()
![]()
![]()
![]()
![]()
Пр-к

![]()
![]()
![]()
З2
![]()
![]()
![]()
![]()
![]()
З1(параб.)
З3
(эллипс)
Зеркально-линзовые телескопы
Телескоп Шмидта
![]()
![]()
![]()
![]()
![]()
![]()
![]()
![]()
![]()
![]()
![]()
![]()

З1 (сфера)
М1 (мениск)
Телескоп Максутова –Бауэра
![]()
![]()
![]()
![]()
![]()
![]()
![]()
![]()
![]()
![]()
![]()

З1(сфера)
М1(толст. мениск концентр. с З1)
Телескоп Манжена –корригирующий элемент непосредственно на зеркале
![]()
![]()
![]()
![]()
З1+М1
Телескоп Кассегрена с корригирующим элементом Максутова
![]()
![]()

![]()
![]()
![]()
![]()
![]()
![]()
![]()
![]()
![]()
![]()
З1
М1
![]()
З2
Т


елескоп
Кассегрена
с корригирующим
элементом
Манжена
![]()
![]()
![]()
![]()
![]()
![]()
![]()
![]()
![]()
![]()
![]()
![]()
![]()
![]()
![]()
![]()
![]()
![]()
![]()
![]()
![]()
![]()
![]()
![]()
З1
Телескоп с корригирующим элементом вблизи фокуса
З1
М
![]()
![]()


![]()
З2
![]()
![]()
![]()
![]()
Иммерсионная система Шмидта

ФП
![]()
Вспомогательная оптика
Обтекатели
Линза для спрямления поверхности изрбражения
Призмы
Делители
Линзы Рэлея и световыоды
/Линза Рэлея служит для перефокусировки изображения в новую более удобную плоскость. Применяется редко. Световод служит для переноса изображения без перефокусировки/. К вспомогательным элементам следует отнести бленды (рис.31).

Рис.31
Формирование изображения, аберрации
Попадая в ОЭС , излучение проходит внутри её ряд сред. Входная оптика – это та часть системы, которая собирает излучение и формирует изображение, анализируемое затем модулем пространственного разложения. Поэтому характеристики оптических компонентов являются одним из факторов, ограничивающих качество ОЭС по такому, например, параметру как обнаружение. Указанные ограничения связаны прежде всего с геометрическими и хроматическими аберрациями.
Хроматические аберрации
Для тонкой линзы с фокусным расстоянием f и показателем преломления n() и радиусами кривизны R и R для оптической силы

можно получить соотношение
,
(39)
12
11
10
9
8
о
пределяющее
расплывание
в диапазоне
=1…i
изображения
точки, связанное
со спектральной
зависимостью
n()/
Исправление хроматических аберраций осуществляется комбинацией линз в объективе т.о., чтобы дисперсия одной линзы компенсировалась дисперсией другой. Результатом создания такого дублета формируется ахромат. В некоторых случаях требуется применение более сложной оптической системы, составленной из трех линз (апохромат)
Продольная хроматическая аберрация dx в зависимости от длины волны иллюстрируется графическими рисунками (1-ахромат, 2-апохромат, 3-нескорригированная система).
Геометрические аберрации.
а
dx
В соответствии с геометрической оптикой в Гауссовом приближении изображение объекта, расположенного вблизи главной оптической оси (оси вращения оптической системы) можно получить для параксиальных лучей, образующих с осью малые углы: на практике системы должны иметь достаточно большие относительные отверстия и поля зрения, т.е. работать в условиях , далеких от сформулированного выше допущения. Результатом этого является возникновение четырех видов аберраций.
Сферическая аберрация (СА)
СА сильно
увеличивается
с ростом апертурного
угла, не зависит
от размера
изображения
y.
Поперечная
сферическая
аберрация dy
имеет круговую
симметрию.
Причем dy=ah3
D/f,
где а – коэффициент
сферической
аберрации, D/f-
относительное
отверстие
объектива.
Коррекция СА
производится
за счет достижения
условия, что
в объективе
а0
расчетным путем
(за счет достижения
взаимной компенсации
членов третьего
порядка членами
пятого порядка
в полиноме,
определяющем
аналитическое
выражениеdx.Линза,
соответстующая,
минимальной
аберрации
называется
линзой оптимальной
формы. Коэффициент
формы


-1
0
![]()
![]()
![]()
-2 -1 0 1 2
Сферическая аберрация простых линз быстро уменьшается с уменьшением показателя преломления.

Кома – определяется отклонением условия Аббе

для апланатических
систем. Её
характеризует
отношение
Кома проявляется вне оптической оси (в косых пучках дает изображение не обладающее круговой симметрией и увеличивается с увеличением поля и апертуры системы.
Для этого типа аберрации

здесь - угловое поле в пространстве предметов.
Так как кома в реальном объективе накладывается на СА при определенных условиях СА может скомпенсировать этот вид аберрации (изопланатизм).
Астигматизм и кривизна поля
![]()

![]()
![]()
![]()

![]()
![]()
Для этого
вида аберрации
.
Благодаря кривизне поля, к которой приводит астигматизм, уже не существует плоскости изображения, а есть кривая поверхность изображения.
Дисторсия
Дисторсия определяется соотношением
dy=y3d3
здесь d- коэффициент дисторсии системы и не зависит от апертуры h
Если d>0, изображение вытягивается к краям поля (подушкообразная дисторсия), если d<0 – увеличение к краям поля становится меньше и имеем дело с бочкообразной дисторсией. Дисторсия не влияет на качество изображения, но изменяет положение каждой точки.
Обычно все рассмотренные виды аберраций одновременно присутствуют в оптических системах в большей или в меньшей степени. Задача оптического расчета состоит в том, чтобы общий кружок рассеяния, обусловленный всеми аберрациями, не превосходил требуемой величины или размера чувствительной площадки приемника т.е. мгновенное поле зрения ОЭС не должно быть ограничено аберрациями.
Детекторы оптического излучения
Необходимость измерять или обнаруживать оптическое излучение возникла, фактически, со времени открытия ИК излучения – это исследования Гершеля 1800 г., приведшее в 1800 г. к: обнаружению теплового эффекта за пределами красной границы видимого диапазона длин волн, разложенного в спектр с помощью призмы) и УФ излучения (опыты 1801 г. Риттера по воздействию на светочувствительные материалы).
Приемник излучения преобразует поступающий на него оптический сигнал, который является функцией пространственных координат и времени F(x,y,z), в электрический сигнал или реакцию приемника в форме напряжения, тока или мощности. Существует два вида использования приемника: приемники потока (радиометрия), которые осуществляют интегрирование оптического сигнала по пространственным переменным и реакция которых является функцией времени:
;
приемники изображения (глаз, фотография, матрицы), в которых интегрирование сигналов происходит по времени и реакция которых является функцией пространственных переменных
![]()
Приемники потока дают реакцию, которая отражает изменения по времени попадающего на приемник сигнала. В частности, когда эти изменения отражают перемещение элементарного поля зрения, визируемого приемником, система сочетает в себе оба вида использования приемников, т.е. идет речь о получении телевизионного (тепловизионного) изображений.
Характеристики детекторов оптического излучения
При определении параметров детекторов оптического излучения – фотоприемников (ФП) отмечают прежде всего характеристики чувствительности и общие характеристики. К числу последних должны быть отнесены:
геометрические параметры,
электрические (позволяют описать приемник параметрами эквивалентной схемы),
оптические свойства приемника-последний элемент оптической системы,
механические свойства, температурные свойства, временные свойства(старение).
Чувствительность ФП – это отношение изменения электрической величины на выходе ФП, вызванного падающим на него излучением, к количественной характеристике этого излучения в заданных эксплуатационных условиях. Помимо полезного регулярного сигнала на выходе ФП имеется хаотический сигнал со случайной амплитудой и частотой – шум ФП. Шум – это флуктуации напряжения или тока приемника, выражаются среднеквадратичной величиной вида:

Типичный
спектр мощности
шума полупроводниковых
ФП приведен
на рис.32. В области
избыточного
шума (зона f
Рис. 32.
Отношение сигнала (S) к шуму (N) определяют как отношение мощности сигнала к мощности шума.
Мощность, эквивалентную шуму Wпор.определяет столь слабый поток излучения F0,, при котором мощность сигнала Ws, эквивалентна мощности шума Wш, так что
,

где W( - величина потока излучения, S -чувствительность приемника, f- ширина полосы предусилителя, Аd – площадь ФП..
Интегральная чувствительность R(,f,d) характеризует преобразование оптического потока F в напряжение или ток
Обнаружительная способность D
Это величина обратная потоку, эквивалентному шуму (G- коэффициент усиления).
,
[Вт-1]
Обнаружительная способность зависит от ряда параметров:
спектрального состава и частоты модуляции излучения,
условий питания и ширины полосы системы обнаружения,
температуры приемника излучения.
Чтобы иметь возможность сравнивать различные приемники между собой удобно использовать обнаружительную способность отнесенную к корню квадратному из площади и полосы пропускания, называемую удельной обнаружительной способностью D

Кроме обозначенных, приемники излучения определяют:
Локальная чувствительность
Спектральная чувствительность S()
Чувствительность в функции частот тракта усиления S(f)
Полоса пропускания приемника
Постоянная времени
Температурная чувствительность
Типы детекторов излучения
Известны многие физические явления, которые могут использоваться для обнаружения падающего на приемник излучения. Эти явления делятся на два класса:
а - фотонные эффекты, обусловленные непосредственным воздействием фотонов излучения на энергетическое состояние атомов приемника;
б – тепловые эффекты, возникающие в результате нагревания приемника поглощенным излучением.
Здесь рассмотрим те типы приемников, которые нашли применение в практике разработки ОЭП. (см. диаграмму).
Фотонные приемники
В номенклатуре фотонных приемников широко представлены фотоэмиссионные приемники излучения (ФЭП).
Речь идет о фотоэлектрических приемниках с внешним фотоэффектом и прежде всего - о фотоэлементах. Наблюдаемый в ФЭП сигнал соответствует числу электронов, испущенных твердым телом под действием падающих фотонов, и зависит от приложенного к фотоэлементу постоянного напряжения.

Некоторые фотоэлементы наполняют инертным газом для увеличения чувствительности за счет ионизации газа, но при этом шум фотоприемника возрастает. Другой путь повышения чувствительности – использование вторичной электронной эмиссии (ФЭУ) в приборах диодного и микроканального типов).
Область чувствительности ФЭП –УФ, видимая и ближняя ИК.
Фотокатоды: Ag-O-Cs- 0,3 – 1 мкм
S-20 – 0,3 – 0,75 (K –Sb – Na – Cs)
GaAs – 0,3 – 0,95.
К числу ФЭП относятся также:
Фотосопротивления, фотодиоды, полупроводниковый ФЭП, работа которого связана с т.н. фотопроводимостью (фотодиоды кремниевые – 0,5 – 1,1 мкм, германиевые 0,8 – 1,8 мкм).
Фотографические слои.
Люминесцентные приемники (фосфоры).
Приемники индуцированного излучения.
Тепловые приемники излучения
- Болометры (полупроводниковые, металлические) – наблюдаемый сигнал формируется за счет изменения электропроводимости материала в функции его температуры. Болометры - инерционные детекторы; 10-3 с, подключаются по мостовой схеме.
-
Пироэлектрики.
Чувствительный
элемент этих
приемников
– кристаллическая
пластина, на
поверхности
которых под
действием
нагрева образуются
электрические
заряды.
-Термоэлементы – приемники излучения, в которых ЭДС возникает за счет термоэлектрического эффекта. Как правило-это батарея последовательно соединенных термопар.
- Пневматические приемники излучения.Принцип построения демонстрирует рис.33. Здесь показаны: приемная площадка, нагреваемая излучением Ф через окно 2 и нагревающая в свою очередь объем воздуха V1, М –мембрана, отделяющая объем V2 от объема V1, объемы V1,V2 связаны каналом К. При изменении уровня потока Ф газ в объеме V1 расширяется, изменение давления приводит к деформации мембраны М. Уровень сигнала можно измерить по изменению емкости конденсатора, одной из пластин которого и есть мембрана М (это так называемый приемник I сорта), или по интерференционной картине
( приемник Голея).

![]()
![]()
Обобщенные характеристики известных типов фотоприемников представлены на рис.33
Промышленные образцы приемников
Сернистый свинец (PbS). Первый массовый приемник. Представляет собой фотосопротивление, изготовленное из монокристалла PbS (1б,…3 мкм) (Сопротивление –Мом, область частот до 10 кГц, max ~ 2,6 мкм).
Охлаждаемые приемники PbS (77 К -гр 4 мкм. Д~ 101141012).
PbSе. Подобен предыдущему, но ещё в большей степени один образец отличается от другого
(гр 5; (77 К). гр 7 мкм, Д~ 1010)
PbТе. Работает только с охлаждением ( ~77 К ), гр 5,4 мкм.
InSb (гр~6 мкм. Низкоомный, требует согласующего трансформатора, Д~ 1011)
Германий, легированный золотом (медью, кадмием) - max – 5-10 мкм и до 40-100 мкм сдвигается при глубоком охлаждении, Д~ 1010- 1011.
Термоэлементы (пороговая чувствительность – 3-5 10-9 вт-1 при полосе 1 Гц).
Приемник Голея ( - 230 мсек; Д~ 2109)
Кремний, легированный бором, висмутом, Al, P, сурьмой и т.д. (max ~ 30 мкм Ддо 1013, обязательно охлаждаемые).
КРТ – приемники (кадмий – ртуть – теллур), 70-140 К, Ддо 1013.
Матричные приемники - ФП конца ХХ и ХХI века.
Перспективы развития оптических детекторов
Увеличение чувствительности.
Уменьшение размеров и создание многоэлементных приемников.
Увеличение срока службы.
Снижение стоимости и, безусловно, создание матричных приборов с числом чувствительных элементов сотни и тысячи.
Спектральные характеристики тепловых приемников без окна.
1- пироэлектрический приемник из триглицинсульфата (ТГС); 2- термисторный болометр.
Спектральные характеристики приемников разных типов
1-идеальный приемник с р-n-переходом; 2-идеальный фоторезистор; 3 –идеальный тепловой приемник; 4 – пироэлектрический приемник; 5 –термисторный болометр; 6 – термоэлемент; ФД- фотодиод; ФР –фоторезистор.
Фотоприемники с переносом заряда (ПЗС)
Принцип действия одного из важнейших типов приборов этого класса, приборов с зарядовой связью (ПЗС) основан на использовании структуры металл – диэлектрик – полупроводник (МДП) в виде линейки или матрицы фоточувствительных элементов, каждый из которых является конденсатором. Если подать на металл импульс напряжения такого знака, чтобы основные носители заряда в п/п были вытолкнуты от поверхности с образованием слоя объемного заряда, то для неосновных носителей, образуется потенциальная яма. Излучение, падающее на конденсатор, будет генерировать пары из основного и неосновного носителей заряда. Основные будут выталкиваться из ямы, а неосновные – накапливаться в ней. Пакет накопленных зарядов несет оптическую информацию, которую можно передать по всей линейке (матрице) от основного элемента к элементу, подавая на них последовательность импульсов напряжения. Вывод всех зарядов, содержащихся в линейке, осуществляется единым выходным электродом. Устройство ведет себя как многоэлементный приемник, связанный с системой мультиплексирования и считывания информации в форме видеосигнала.
Трехфазный ПЗС
В этом типе ПЗС управляющие напряжения, поступающие от трех генераторов, сдвинуты на треть периода. ПЗС состоит из полупроводника (например, кремния, n-типа) покрытого слоем изолятора, на который нанесена пленка металла – алюминия (рис.33) – электроды. Эти электроды присоединены группами по три к трем фазам 1, 2, 3, выдающим управляющие напряжения-команды.
Перенос заряда происходит под действием напряжения V1 и V2, третье напряжение V0 определяет направление переноса и не дает зарядам двигаться в обратном направлении. Падающее излучение индуцирует в полупроводнике положительные электрические заряды. Эти заряды задерживаются вблизи электрода, потенциал которого V2 более отрицательный, чем V0 двух соседних электродов (момент времени t1) (рис.34).
Далее, в момент времени t2 электрод, к которому осуществляется перенос, приобретает потенциал V2, между тем как потенциал V1 такой, что V0 > V1>V2 это приводит к перемещению заряда к электроду с более отрицательным потенциалом V2. Заряды задерживаются теперь около этого нового электрода, в то время как два соседних – имеют потенциал V0 (момент t3). Затем циклы последовательно повторяются. Заряды, продвигающиеся т.о. вперед, доходят до последнего электрода и попадают в выходной диод, где видеосигнал принимается и усиливается.
Рис. 33 Схема действия трехфазного ПЗС
V0
V1
V2
![]()
V0![]()
V1
V2
V0![]()
V1
V2
t1 t2 t3 t4 t5 t6
![]()
![]()
![]()
![]()
![]()
`![]()
![]()
![]()
![]()
![]()

![]()
![]()

![]()
![]()
![]()
![]()
![]()
![]()
![]()
![]()
![]()
![]()
![]()
![]()
![]()
![]()
![]()
![]()
Рис.34
Двухфазный ПЗС
Чтобы упростить механизм управления, можно обеспечить преимущественное направление движения зарядов несимметричной конфигурацией емкостных электродов (например, сделать толщину диэлектрика переменной, что сформирует в п/п два потенциальных уровня, соответствующих одному данному потенциалу электрода) (рис.35).
Эффективность переноса заряда на практике по различным причинам (особенно из-за существования уровня захвата на границе кремний-окись кремния) уменьшается – часть зарядов теряется при каждом переносе. Обычно эффективность 90% на тысячу переносов. Разрабатывают методы, облегчающие диффузию зарядов в кремние. ПЗС регистр позволяет выделять сигналы с различных чувствительных элементов линейки приемников. Эта операция протекает в три этапа (см.рис.37).
этап накопления, во время которого излучение создает электрический сигнал в фоточувствительных элементах;
параллельный перенос сигнала с каждого элемента в ПЗС;
перенос сигнала вдоль ПЗС.
Рис.35. Схема действия двухфазного ПЗС
![]()
![]()
1
> t
2 > t
0
-V
время
t1
Рис. 36. Диаграмма напряжений S1,S2 к рис. 35
Изображение с помощью матрицы ПЗС можно получить двумя способами.
В первом случае (рис.38 а) облучаемая матрица ПЗС считывается путем переноса индуцированных зарядов вдоль каждой строки к выходному регистру, представляющему столбец элементов ПЗС, используемых в мультиплексном режиме. Заряды каждого столбца одновременно передаются соседнему столбцу. В результате каждого такого шага выходной регистр заполняется новой информацией, которая тут же считывается и передается видеоусилителю. Рабочая частота устройства очень высока, поскольку требуется очень большая скорость переноса.
Во втором случае информация с элементов облученной матрицы передается в матрицу памяти, имеющую ту же структуру и затем мультиплексируется выходным ПЗС-регистром. Этот метод позволяет согласовать время накопления сигнала от излучения в течениие одного кадра, время очень быстрой передачи информации в матрицу памяти и время считывания. Таким образом рабочая частота оказывается существенно сниженной (рис.38 б).
Приборы с инжекцией заряда (ПЗИ) (рис.39, 40)
ПЗИ работают аналогично ПЗС с той лишь разницей, что в случае ПЗИ возникает ток в подложке благодаря инжекции зарядов, составляющих видеосигнал. Этот ток пропорционален числу принятых фотонов.
Мозаичные структуры ПЗИ состоят из набора элементарных ячеек – два прозрачных электрода нанесены на подложку п-типа и разделены полученной диффузией областью р-типа.
Рис. 37. ИК-ПЗС-фотоприемник
Приемник излучения
Ключи переноса
ПЗС
Выходной диод
Виделсигнал
Электрод управления ключами
Электроды управления ПЗС
Рис. 38 Матричный ПЗС – фотоприемник
Фоточувствительная структура
Выходной регистр
ПУ видео
Видеосигнал
Управляющий генератор строчной развертки
Управляющий генератор кадровой развертки
Рис.39
Рис.40. Топология мозаики ПЗУ
1.Фоточувствительная структура
2.Строчный сдвиговый регистр
3.Кадровый сдвиговый регистр
4.Элемент, с которого происходит считывание
Системы охлаждения приемников излучения
Чтобы повысить обнаружительную способность ИК ФП нужно “заглушить” собственное излучение чувствительного элемента и примыкающих к нему элементов (подводящих электродов, диафрагму поля зрения) Это достигается охлаждением приемника до температур, при которых шум собственного излучения становится пренебрежимо малым.
Кроме того охлаждение очень маленьких чувствительных элементов с малой теплоемкостью позволяет предотвратить чрезвычайный их нагрев под действием интенсивного и продолжительного облучения, наконец охлаждение примеников уменьшает шум от теплового возбуждения носителей заряда внутри чувствительного элемента, т.е. повышает обнаружительную способность.
В настоящее время существует три способа охлаждения:
сжиженными газами;
криогенными машинами;
за счет эффекта Джоуля – Томсона;
за счет термоэлектрического эффекта.
Охлаждение сжиженными газами
Обычная конструкция
сосуд Дьюара (рис.41).
Хладоагенты:
жидкий азот (77 К)
жидкий гелий (4,2 К)
жидкий водород (20,3 К)
Сосуды Дьюара обеспечивают одной заливкой 3-4 ч. работы приемника.
Охлаждение за счет эффекта Джоуля – Томсона
Этот метод охлаждения основан на эффекте понижения температуры при быстром дросселировании газа под высоким давлением (20-40 Мпа). Получаемый перепад Т невелик, поэтому необходим теплообменник, использующий полученный холод для понижения температуры газа перед дросселированием.
Выпущенный охлажденный газ, поднимаясь к выходу из сосуда Дьюара, отбирает тепло (рис.42) от спирали, охватывающей трубку с газом высокого давления и охлаждает её. Через насколько минут вблизи чувствительного элемента приемника образуется несколько капель жидкого азота.
Криогенные машины
Это машины с замкнутым циклом для непрерывной выработки холода механическим путем за счет расширения предварительно сжатого газа. Машины работают на основе различных термодинамических циклов.
Рис.41.Сосуды Дьюара (стеклянный и металлический)
Цикл Стерлинга
Это замкнутый цикл, основанный на процессе регенерации при постоянном объеме; фазы сжатия и расширения изотермические.
Цикл имеет четыре фазы:
сжатие при постоянной температуре Т, в камере А (рис.43);
переход газа через регенератор (здесь газ охладится до температуры Т2) в камеру В;
расширение газа в камере В при Т2 с поглощением тепла из окружающей среды;
возврат газа в камеру А.
Вытесняемый поршнем камеры В при прохождении через регенератор газ отбирает тепло. Поглощение тепла от окружающей среды происходит благодаря тепловому контакту с металлическим стержнем, находящемся в сосуде Дьюара.Особенность машины данного цикла – малые габариты и малое потребление мощности.
Цикл Джифорда Мак – Магона
Фазы цикла этой машины основаны на тех же принципах сжатия и расширения, что и в цикле Стерлинга.
Поршень находится в нижней части цилиндра, впускной клапан V1, открыт, давление в регенераторе резко поднимается (рис.44)
Впускной клапан V1 закрыт, и поршень перемещается в верхнюю часть цилиндра (расширение-генерация холода).
Выпускной клапан V2 открыт, поршень перемешается в нижнюю часть цилиндра, газ отбирает тепло в регенераторе и понижает его температуру.
Следующий цикл такой же, но газ предварительно охлаждается, проходя через регенератор.
Следует упомянуть и машины с разомкнутым циклом, которые включают фильтр, компрессор, осушитель и теплообменник с использованием эффекта Джоуля –Томпсона. Эти устройства по существу заменяют в системах раздела 14.2 баллон со сжатым воздухом на компрессор, выигрывая в габаритах и надежности.
Рис.42 .Холодильник с использованием эффекта Джоуля-Томсона
1-баллон с азотом под давление, 2-фильтр для очистки газа,
3-теплообменник с использованием эффект Джоуля-Томсона,
4- сосуд Дьюара, 5,6 -спиральная обмотка для улучшения теплообмена,
7- дросселирующее отверстие, 8- охлажденный газ
Рис.43. Цикл Стирлинга.
1-регенератор; 2-отвод тепла, 3- подвод тепла
Рис.44. Цикл Джиффорда – Мак-Магона
1-регенератор;2-компрессор
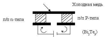
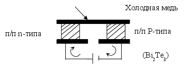
Термоэлектрическое охлаждение
![]()
![]()
![]()
![]()
![]()
I

![]()
Q
Пр-к 2
Пр-к I
Термоэлектрический эффект Пелтье состоит в поглощении или выделении тепла на спае двух различных металлов или полупроводников, когда по этим проводникам протекает электрический ток . Если Е1 и Е2 термоэдс первого и второго спаев, то количество тепла, получаемого на спае при температуре Т(К) выражается формулой : Q=(Е1 - Е2)xTxI.
Q

Один каскад конструкции на основе Bi2Te3 позволяет получить температуру
(-30)С, два каскада (-75 ), шесть (-100)
Сканирующие системы
Для преобразования многомерного оптического сигнала в одномерный электрический, содержащий адекватную информацию о распределении параметров оптического сигнала, в ОЭП используется сканирование – процесс последовательной, непрерывной или дискретной, выборки значений оптического сигнала. Наиболее часто в ОЭП выполняется преобразование пространственного распределения потока излучения в видеосигнал. Поэтому процесс сканирования в этом случае есть последовательный просмотр сравнительно большого поля обзора малым мгновенным полем.
Важной функцией сканирования является повышение помехозащищенности ОЭП. Действительно, применение малого мгновенного поля зрения при обзоре большого пространства, содержащего малоразмерный объект на фоне помех, безусловно более предпочтительно, чем выполнение той же операции прибором с большим полем зрения.
Сканирующие системы могут быть классифицированы различным образом:
по способу разложения поля обзора (одноэлементное, параллельное, последовательное, комбинирование).
по физической сущности явлений, лежащих в основе работы сканирующей системы (механические, оптико-механические, фотоэлектронные, ультразвуковые и т.д.)
по пространственному признаку (одномерные, двумерные).
При одноэлементном сканировании малое мгновенное поле зрения может быть просмотрено , как показано ниже на рисунке, по самым различным траекториям.

При параллельном сканировании все поле OYLX просматривается одновременно по горизонтальным строкам, например, путем перемещения линейки ФП , ориентированной перпендикулярно направлению сканирования.

При последовательном сканировании линейка ФП ориентирована параллельно направлению сканирования каждую точку пространства просматривают все элементы. Сигналы от них поступают на линию задержки и в сумматор. В этом случае возможно не только осреднение сигнала, но и получение большого разрешения в (n) раз при усложнении электронной схемы и повышении стоимости ОЭП, которые могут быть несопоставимы с достижимым преимуществом.

При параллельно-последовательном сканировании просмотр поля зрения обеспечивается матрицей.

Траектории сканирования при регулярном поиске
В оптико-электронных приборах используются различные траектории сканирования. Вид конкретной траектории определяет прежде всего форму контролируемой области поля обзора (форму растра).
Круглая форма поля образуется осесимметричными траекториями, которые создаются за счет двух составляющих сканирования. Одной из них является вращательное движение с постоянной скоростью, второй – как вращательные, так и колебательные движения.
Прямоугольная форма поля создается двумя колебательными перемещениями, хотя в некоторых случаях используются сочетания вращательного и поступательного движения.
Осесимметрические траектории сканирования могут быть разделены на ряд классов в зависимости от типа слагающих движений и соотношения между их скоростями. При этом различают спиральную и розеточную траектории сканирования.
Траектории сканирования при колебательно-вращательном движении сканирующего поля.
Архимедова спираль образуется, когда за время одного колебания вдоль некоторой оси ОУ последняя совершает несколько оборотов вокруг неподвижной точки О (рис.45).


![]()
![]()

r

![]()
![]()
a
а-шаг спирали.
![]()
![]()
![]()
Рис.45
Для осмотра поля обзора без (2r) пропусков размер мгновенного поля зрения должен быть равен (а).
Если при колебательно-вращательном движении сканирующего поля за время одного оборота совершается несколько колебаний, то создается розеточная траектория (рис.46, 47,48)
![]()
![]()
![]()

![]()
![]()
![]()
y y
![]()
![]()
![]()
![]()



![]()
![]()
![]()

t
![]()
![]()
0 T/2 T 2T
![]()
![]()
Рис.46.
Розеточная траектория характеризуется числом лепестков N, которое определяется угловой скоростью вращения , линейной скоростью и амплитудоколебания r
,
где

В зависимости от соотношения между r, радиусом поля обзора R, а также направления и начала сканирующего колебания изменяется характер заполнения поля линиями сканирования изменяется.
Траектории сканирования при вращательно-вращательном движении достаточно наглядно представлены на рис. 49-51.
Траектории сканировании при колебательных перемещениях.
Колебательные перемещения сканирующего поля в двух взаимно перпендикулярных направлениях позволяют осуществить так называемую построчную и прогрессивную траекторию сканирования. В этом случае в процессе развертки сканирующее поле (СП) перемещается слева направо и одновременно смещается на ширину строки вниз. Пройдя одну строку, СП быстро перемещается влево и затем процесс повторяется до заполнения кадра –поля обзора. Для получения равномерного движения СП вдоль строки или кадра перемещения его в исходное положение необходимо обеспечить пилообразный закон движения (рис.52). В заключении приведём рис.53, который иллюстрирует некоторые специальные траектории сканирования.
Типы сканирующих устройств
Обычно различают ОЭП с фотоэлектронным сканированием, сканирование электронным лучом, сканирование световым лучом, оптико-механическое сканирование.
Сканирование электронным лучом (СЭЛ)
СЭЛ осуществляется в телевизионных передающих трубках (иконоскоп, супериконоскоп, ортикон, диссектор, видикон и др.).
Большинство современных передающих трубок являются фотоэлектрическими приемниками излучения с внешним фотоэффектом,обладающим достаточной чувствительностью в области длин волн до ~1,2 мкм.
В ряде случаев в качестве фотокатода в трубках используются фоторезистор, т.е.явление внутреннего фотоэффекта, что сдвигает область чувствительности до 2-2,5 мкм.
Рис.47. Розеточная траектория сканирования при колебательно-вращательном движении сканирующего поля
Рис.
48.Траектория
сканирования
при колебательно-вращательном
движении сканирующего
поля для r
Рис.49 Спиральная а) и розеточная б) траектории сканирования при
вращательно-вращательном движении сканирующего поля при 2r=R
Рис.50 Спиральная
траектория
для случая 2r
Рис. 51. Розеточная
траектория
для случая 2r
h y a![]()
![]()
![]()
![]()
![]()
![]()
![]()
![]()
![]()
![]()
![]()
![]()
![]()
![]()
![]()
![]()
![]()
![]()
![]()

![]()
![]()
О
l
X
а)
Т Т Т
б)
![]()
![]()
tпр tобр.
T
Рис. 52. Построчная или прогрессивная траектория сканирования
Рис.53. Некоторые специальные траетории сканирования: а- гусеница: б – следящая развертка
Наибольшее распространение в автоматических ОЭП получили диссектор и видикон, соответственно системы мгновенного действия с накоплением.
В системах мгновенного действия энергия излучения каждой точки обозреваемого поля преобразуется в сигнал только в течение времени прохождения через неё сканирующего луча. Это время существенно меньше времени обзора всего поля, т.е. здесь не используется возможность накопления энергии.
В системах c накоплением осуществляется суммирование энергии излучаемой данной точкой поля в течении всего времени обзора, что позволяет повысить их чувствительность по сравнению с системами мгновенного действия.
Пояснить работы системы с накоплением удобно на примере устройства иконоскопа.
Фотокатод телевизионной трубки (мишень) можно представить в виде большого количества отдельных, изолированных друг от друга фотоэлементов, соединенных последовательно с источником э.д.с. [(см. рис. 54), R– сопротивление нагрузки, С – распределенная емкость фотокатода].
Под действием излучения одной из точек i поля обзора происходит заряд конденсатора Сi фототоком I3 в течение времени работы ключа К- времени экспозиции.
Системы с накоплением относительно сложны в эксплуатации, требуют стабилизации источников питания и боятся сильных засветок. В связи с этим, несмотря на меньшую чувствительность, в ОЭП широко используются диссекторы.
Диссектор
Его принцип действия заключаетсяв следующем. Полупрозрачный фотокатод (рис.55), на котором проектируется изображение светящегося объекта, испускает внутрь трубки фотоэлектроны в количестве, пропорциональном его освещенности. Образовавшееся электронное изображение переносится с фотокатода к электронному умножителю с помощью электрического и магнитного поля.
Для получения сигналов от всех элементов изображения производится развертка с помощью магнитной системы (5)/ 4- ускоряющее поле/.
Диссекторы выпускаются с различными типами фотокатодов, обеспечивающих чувствительность от УФ до ближней ИК области длин волн.
Видикон (рис.56)
На полупрозрачную сигнальную пластину (металлическую) 1 нанесен слой полупроводника 2. Фотоизображение считывается электронным лучом. Нормальное падение последнего обеспечивается сеткой вблизи сигнальной пластины. Электронный луч, перемещаясь по мишени, оставляет на ней электроны, приводя потенциал участка полупроводника к потенциалу катода. Чем меньше освещенность участка мишени, тем больше сопротивление полупроводника, тем меньше, следовательно, необходимо электронов для компенсации изменения заряда, т.е. считывания рельефа изображения.
Рис.54. Схемы передающей телевизионной трубки с накоплением:
а - принципиальная: б – эквивалентная
Рис.55. Диссектор
Рис.56. Видикон
Сканирование световым лучом
По принципу действия к системам с электронным сканированием близки устройства со сканированием световым лучом. Пример такого устройства –термоэлектронный преобразователь изображения – термикон (рис.57)
Приемная поверхность термикона состоит, в том числе, из очень тонкой ИК чувствительной пленки. С обратной стороны последней наносится специальный фотоэлектрический слой, эффективность которого зависит от температуры. На фотослой проецируется изображение яркого светящегося пятна, движущегося по экрану электронно-лучевой трубки по заданному закону. В зависимости от положения светящегося пятна на фотослое и распределения температуры на поверхности П количество эмитируемых электронов и фототок в цепи кольцевого коллектора изменяется на 2-3% на каждый градус изменения температуры. Изменение фототока усиливается и управляетэлектроннолучевая трубка И2.
Область применения (расширяющаяся) – в МДП структурах. Максимальное разрешение близко 50 линий на кадр при 1.
Оптико-механическое сканирование.
В оптико – механических сканирующих устройствах процесс сканирования осуществляется за счет изменения направления оптической оси ОЭс. При этом общее поле обзора последовательно анализируется мгновенным полем зрения оптической системы. Общая классификация таких устройств приведена на рис.58.
Сканирование может производится за счет движения всей оптической системы прибора или её элементов – зеркал, призм, клиньев, линз, диафрагм. Оптико-механические системы, в которых сканирование осуществляется диафрагмой (щелью) , движущейся в фокальной плоскости иногда называют экранирующими. Широко известный пример – диск Нипкова. Своеобразные методы сканирования используются в системах с волоконной оптикой. Сканирование может осуществляться также путем изменения коэффициента преломления или других оптических свойств материалов, входящих в систему. Сканирование движения всей системы осуществляется в тех случаях, когда возможно использовать перемещение платформы, на которой размещается ОЭС. Для обзора более широкой полосы на местности в таких системах часто используется сканирование по строке. (рис.59).
Сканирование зеркалами: различают сканирование в пространстве предметов (зеркало размещается перед объективом, рис.60) и сканирование в пространстве изображений (используется широкоугольный объектив, обеспечивающий высокое качество изображения по всему полю обзора, зеркало за ним, рис. 61).
Наряду с простым зеркалом в сканирующей системе может использоваться система зеркал, зеркальные призмы, пирамиды и т.д. (рис.62-64). В качестве исполнительных механизмов применяются шаговые двигатели, кулачковые механизмы и т.д.
Рис.57. Принципиальная схема термикона.
СКАНИРОВАНИЕ В ПРОСТРАНСТВЕ ПРДМЕТОВ
ОПТИКО-МЕХАНИЧЕСКИЕ СКАНИРУЮЩИЕ УСТРОЙСТВА
СКАНИРОВАНИЕ В ПРОСТРАНСТВЕ ИЗОБРАЖЕНИЙ
![]()
![]()
![]()
![]()
![]()
![]()
СКАНИРОВАНИЕ ЗА СЧЕТ ДВИЖЕНИЯ ВСЕЙ ОПТИЧЕСКОЙ СИСТЕМЫ
СКАНИРОВАНИЕ ПОДВИЖНЫМИ ЭЛЕМЕНТАМИ ОПТИЧЕСКОЙ СИСТЕМЫ
![]()
![]()
![]()
СКАНИРОВАНИЕ ЩЕЛЬЮ, ДВИЖУЩЕЙСЯ В ПЛОСКОСТИ ИЗОБРАЖЕНИЯ
СКАНИРОВАНИЕ ЗА СЧЕТ ИЗМЕНЕНИЯ ОПТИЧЕСКИХ СВОЙСТВ ЭЛЕМЕНТОВ, ВХОДЯЩИХ В СИСТЕМУ
СКАНИРОВАНИЕ В СИСТЕМАХ С ВОЛОКОННОЙ ОПТИКОЙ
Рис. 58. Классификация оптико-механических
сканирующих устройств
Рис. 59. Однострочное сканирование с движущейся платформы.
Рис. 60.Сканирование в пространстве предметов:
сканирующее зеркало; 2 – объектив;3 – диафрагма;
4 – конденсор; 5 – приемник излучения;6 – мгновенное
поле зрения; 7 – поле обзора
Рис. 61. Сканирование в пространстве изображений:
сканирующее зеркало; 2 – объектив;3 – диафрагма;
4 – конденсор; 5 – приемник излучения;6 – мгновенное
поле зрения; 7 – поле обзора
Эффективность ОЭП, предназначенных для обзора пространства с неподвижного носителя может быть существенно повышена за счет применения черезстрочной развертки сканирующего луча (рис.65) линейки многоэлементного приемника. Достигаемый результат – уменьшение числа элементов приемника и уменьшение полосы частот коммутационно-усилительного тракта, причем это уменьшение равно m раз, где m = N (числу граней призмы). Недостаток – возможность пропуска цели, именно поэтому ОЭС (платформа) должна быть неподвижна.
Сканирование отверсием в непрозрачном экране - наиболее простой способ сканирования. Классический пример диск Нипкова. Пример этих устройств показан на рис. 66,67. Отверстие в диске Д (рис.66) расположено таким образом, что изображение, ограниченное диафрагмой ДП последовательно анализируется по строкам так, что когда одно отверстие выходит за пределы окна диафрагмы ДП, другое выходит прочерчивая следующую строку. Одна из последних конструкций с указанным механизмом сканирования – тепловизор “Янтарь” (70-е годы , поле обзора 5х4, мгновенное поле зрения 5, частота кадров 25 Гц), которым удалось убеспечить минимально обнаруживаемую разность температур =0,2 – 0,3С.
Зенитный теплопеленгатор - одна из таких разработок (её исллюстрирует рис. 67) проста по конструкции и эффективна. Зеркало (D~1500 мм, f~640 мм) создает изображение точечной цели в плоскости непрозрачной диафрагмы с вырезом , вращаемой двигателем М2 (М1 – модулятор). Сигнал запитывает неоновую лампочку Л, которая вращается с частотой диафрагмы М2 в пределах окружности, удобной для восприятия оператором. Легко видеть, что при условии точной ориентации приемного зеркала на цель, лампочка очерчивает полный круг и вспыхивает в определенном секторена краткие моменты времени при прочих условиях
Сканирование путем управления оптическими свойствами элементов, входящих в систему. Управление осуществляется магнитным или электрическим полем. Известно, например, что такие материалы, как нитробензол, кварц, некоторые кристаллы изменяют показатель преломления n при воздействии электрического поля. Для сканирования можно использовать систему фильтров как на рис.68, выполненных из чередующихся слоев некоторых материалов, например, сульфида цинка и креолита. Такие фильтры пропускают только монохроматическое излучение, длина волны которых в четыре раза больше толщины l фильтра. Если изготовить фильтр в виде клина и направить на него монохроматическое излучение, то последнее пройдет только в той части, где толщина соответствует четверти длины волны (при условии n=/4). Введя второй фильтр, развернутый на 90, обеспечим возможность прохождения только той части излучения, которая соответствует участкам фильтров с толщиной 1/4. Подводя к фильтрам напряжение, можно перемещать линии равной толщины и т.о. обеспечить сканирование изображения.
(На рис.68 – ГКР – генератор кадровой и строчной разверток; КФГ, КФВ – клиновые фильтры горизонтальной и вертикальной развертки).
Рис.62. Типы сканирующих зеркал: а - вращающееся двустороннее(двугранное) зеркало; б – зеркало, вращающееся вокруг оси, неперпендикулярной к нему; в – «крест» из зерал 1 и 2; г – зеркало, качающееся в двух плоскостях; д – система из двух вращающихся зеркал; е – два зеркала, вращающихся или качающихся вокруг взаимно перпендикулярных осей; ж – вращающаяся зеркальная N – гранная призма; з – вращающаяся зеркальная N – гранная пирамида.
Рис.63. Сканирующее зеркало в виде многогранной призмы:
Об – объектив; Пр –приемник из М элементов;
З – зеркало с N гранями; НП – направление полета
Рис. 64. Основные принципы сканирования плоскопараллельной пластинкой (призмой): а – ход лучей; б – призма , эквивалентная пластинке толщиной ; в – поле обзора и поворот пластинки при неподвижном приемнике (диафрагме поля).
Рис. 65. Схема сканирования и расположения чувствительных слоев
многоэлементного приемника при чересстрочной развертке.
Рис.66. Система механичесого телевидения с диском Нипкова:
а – приемник излучения большой площади;
б – небольшой приемник и конденсор;
в – сканирующий диск
Рис. 67. Сканирование щелью в зенитном теплопеленгаторе
Рис. 68. Сканирующее устройство с клинообразными фильтрами.
Термоэлектрическое охлаждение
![]()
![]()
![]()
![]()
![]()
I

![]()
Q
Пр-к 2
Пр-к I
Термоэлектрический эффект Пелтье состоит в поглощении или выделении тепла на спае двух различных металлов или полупроводников, когда по этим проводникам протекает электрический ток . Если Е1 и Е2 термоэдс первого и второго спаев, то количество тепла, получаемого на спае при температуре Т(К) выражается формулой : Q=(Е1 - Е2)xTxI.
Q

Один каскад конструкции на основе Bi2Te3 позволяет получить температуру
(-30)С, два каскада (-75 ), шесть (-100)
Сканирующие системы
Для преобразования многомерного оптического сигнала в одномерный электрический, содержащий адекватную информацию о распределении параметров оптического сигнала, в ОЭП используется сканирование – процесс последовательной, непрерывной или дискретной, выборки значений оптического сигнала. Наиболее часто в ОЭП выполняется преобразование пространственного распределения потока излучения в видеосигнал. Поэтому процесс сканирования в этом случае есть последовательный просмотр сравнительно большого поля обзора малым мгновенным полем.
Важной функцией сканирования является повышение помехозащищенности ОЭП. Действительно, применение малого мгновенного поля зрения при обзоре большого пространства, содержащего малоразмерный объект на фоне помех, безусловно более предпочтительно, чем выполнение той же операции прибором с большим полем зрения.
Сканирующие системы могут быть классифицированы различным образом:
по способу разложения поля обзора (одноэлементное, параллельное, последовательное, комбинирование).
по физической сущности явлений, лежащих в основе работы сканирующей системы (механические, оптико-механические, фотоэлектронные, ультразвуковые и т.д.)
по пространственному признаку (одномерные, двумерные).
При одноэлементном сканировании малое мгновенное поле зрения может быть просмотрено , как показано ниже на рисунке, по самым различным траекториям.

При параллельном сканировании все поле OYLX просматривается одновременно по горизонтальным строкам, например, путем перемещения линейки ФП , ориентированной перпендикулярно направлению сканирования.

При последовательном сканировании линейка ФП ориентирована параллельно направлению сканирования каждую точку пространства просматривают все элементы. Сигналы от них поступают на линию задержки и в сумматор. В этом случае возможно не только осреднение сигнала, но и получение большого разрешения в (n) раз при усложнении электронной схемы и повышении стоимости ОЭП, которые могут быть несопоставимы с достижимым преимуществом.

При параллельно-последовательном сканировании просмотр поля зрения обеспечивается матрицей.

Траектории сканирования при регулярном поиске
В оптико-электронных приборах используются различные траектории сканирования. Вид конкретной траектории определяет прежде всего форму контролируемой области поля обзора (форму растра).
Круглая форма поля образуется осесимметричными траекториями, которые создаются за счет двух составляющих сканирования. Одной из них является вращательное движение с постоянной скоростью, второй – как вращательные, так и колебательные движения.
Прямоугольная форма поля создается двумя колебательными перемещениями, хотя в некоторых случаях используются сочетания вращательного и поступательного движения.
Осесимметрические траектории сканирования могут быть разделены на ряд классов в зависимости от типа слагающих движений и соотношения между их скоростями. При этом различают спиральную и розеточную траектории сканирования.
Траектории сканирования при колебательно-вращательном движении сканирующего поля.
Архимедова спираль образуется, когда за время одного колебания вдоль некоторой оси ОУ последняя совершает несколько оборотов вокруг неподвижной точки О (рис.45).


![]()
![]()

r

![]()
![]()
a
а-шаг спирали.
![]()
![]()
![]()
Рис.45
Для осмотра поля обзора без (2r) пропусков размер мгновенного поля зрения должен быть равен (а).
Если при колебательно-вращательном движении сканирующего поля за время одного оборота совершается несколько колебаний, то создается розеточная траектория (рис.46, 47,48)
![]()
![]()
![]()

![]()
![]()
![]()
y y
![]()
![]()
![]()
![]()



![]()
![]()
![]()

t
![]()
![]()
0 T/2 T 2T
![]()
![]()
Рис.46.
Розеточная траектория характеризуется числом лепестков N, которое определяется угловой скоростью вращения , линейной скоростью и амплитудоколебания r
,
где

В зависимости от соотношения между r, радиусом поля обзора R, а также направления и начала сканирующего колебания изменяется характер заполнения поля линиями сканирования изменяется.
Траектории сканирования при вращательно-вращательном движении достаточно наглядно представлены на рис. 49-51.
Траектории сканировании при колебательных перемещениях.
Колебательные перемещения сканирующего поля в двух взаимно перпендикулярных направлениях позволяют осуществить так называемую построчную и прогрессивную траекторию сканирования. В этом случае в процессе развертки сканирующее поле (СП) перемещается слева направо и одновременно смещается на ширину строки вниз. Пройдя одну строку, СП быстро перемещается влево и затем процесс повторяется до заполнения кадра –поля обзора. Для получения равномерного движения СП вдоль строки или кадра перемещения его в исходное положение необходимо обеспечить пилообразный закон движения (рис.52). В заключении приведём рис.53, который иллюстрирует некоторые специальные траектории сканирования.
Типы сканирующих устройств
Обычно различают ОЭП с фотоэлектронным сканированием, сканирование электронным лучом, сканирование световым лучом, оптико-механическое сканирование.
Сканирование электронным лучом (СЭЛ)
СЭЛ осуществляется в телевизионных передающих трубках (иконоскоп, супериконоскоп, ортикон, диссектор, видикон и др.).
Большинство современных передающих трубок являются фотоэлектрическими приемниками излучения с внешним фотоэффектом,обладающим достаточной чувствительностью в области длин волн до ~1,2 мкм.
В ряде случаев в качестве фотокатода в трубках используются фоторезистор, т.е.явление внутреннего фотоэффекта, что сдвигает область чувствительности до 2-2,5 мкм.
Рис.47. Розеточная траектория сканирования при колебательно-вращательном движении сканирующего поля
Рис.
48.Траектория
сканирования
при колебательно-вращательном
движении сканирующего
поля для r
Рис.49 Спиральная а) и розеточная б) траектории сканирования при
вращательно-вращательном движении сканирующего поля при 2r=R
Рис.50 Спиральная
траектория
для случая 2r
Рис. 51. Розеточная
траектория
для случая 2r
h y a![]()
![]()
![]()
![]()
![]()
![]()
![]()
![]()
![]()
![]()
![]()
![]()
![]()
![]()
![]()
![]()
![]()
![]()
![]()

![]()
![]()
О
l
X
а)
Т Т Т
б)
![]()
![]()
tпр tобр.
T
Рис. 52. Построчная или прогрессивная траектория сканирования
Рис.53. Некоторые специальные траетории сканирования: а- гусеница: б – следящая развертка
Наибольшее распространение в автоматических ОЭП получили диссектор и видикон, соответственно системы мгновенного действия с накоплением.
В системах мгновенного действия энергия излучения каждой точки обозреваемого поля преобразуется в сигнал только в течение времени прохождения через неё сканирующего луча. Это время существенно меньше времени обзора всего поля, т.е. здесь не используется возможность накопления энергии.
В системах c накоплением осуществляется суммирование энергии излучаемой данной точкой поля в течении всего времени обзора, что позволяет повысить их чувствительность по сравнению с системами мгновенного действия.
Пояснить работы системы с накоплением удобно на примере устройства иконоскопа.
Фотокатод телевизионной трубки (мишень) можно представить в виде большого количества отдельных, изолированных друг от друга фотоэлементов, соединенных последовательно с источником э.д.с. [(см. рис. 54), R– сопротивление нагрузки, С – распределенная емкость фотокатода].
Под действием излучения одной из точек i поля обзора происходит заряд конденсатора Сi фототоком I3 в течение времени работы ключа К- времени экспозиции.
Системы с накоплением относительно сложны в эксплуатации, требуют стабилизации источников питания и боятся сильных засветок. В связи с этим, несмотря на меньшую чувствительность, в ОЭП широко используются диссекторы.
Диссектор
Его принцип действия заключаетсяв следующем. Полупрозрачный фотокатод (рис.55), на котором проектируется изображение светящегося объекта, испускает внутрь трубки фотоэлектроны в количестве, пропорциональном его освещенности. Образовавшееся электронное изображение переносится с фотокатода к электронному умножителю с помощью электрического и магнитного поля.
Для получения сигналов от всех элементов изображения производится развертка с помощью магнитной системы (5)/ 4- ускоряющее поле/.
Диссекторы выпускаются с различными типами фотокатодов, обеспечивающих чувствительность от УФ до ближней ИК области длин волн.
Видикон (рис.56)
На полупрозрачную сигнальную пластину (металлическую) 1 нанесен слой полупроводника 2. Фотоизображение считывается электронным лучом. Нормальное падение последнего обеспечивается сеткой вблизи сигнальной пластины. Электронный луч, перемещаясь по мишени, оставляет на ней электроны, приводя потенциал участка полупроводника к потенциалу катода. Чем меньше освещенность участка мишени, тем больше сопротивление полупроводника, тем меньше, следовательно, необходимо электронов для компенсации изменения заряда, т.е. считывания рельефа изображения.
Рис.54. Схемы передающей телевизионной трубки с накоплением:
а - принципиальная: б – эквивалентная
Рис.55. Диссектор
Рис.56. Видикон
Сканирование световым лучом
По принципу действия к системам с электронным сканированием близки устройства со сканированием световым лучом. Пример такого устройства –термоэлектронный преобразователь изображения – термикон (рис.57)
Приемная поверхность термикона состоит, в том числе, из очень тонкой ИК чувствительной пленки. С обратной стороны последней наносится специальный фотоэлектрический слой, эффективность которого зависит от температуры. На фотослой проецируется изображение яркого светящегося пятна, движущегося по экрану электронно-лучевой трубки по заданному закону. В зависимости от положения светящегося пятна на фотослое и распределения температуры на поверхности П количество эмитируемых электронов и фототок в цепи кольцевого коллектора изменяется на 2-3% на каждый градус изменения температуры. Изменение фототока усиливается и управляетэлектроннолучевая трубка И2.
Область применения (расширяющаяся) – в МДП структурах. Максимальное разрешение близко 50 линий на кадр при 1.
Оптико-механическое сканирование.
В оптико – механических сканирующих устройствах процесс сканирования осуществляется за счет изменения направления оптической оси ОЭс. При этом общее поле обзора последовательно анализируется мгновенным полем зрения оптической системы. Общая классификация таких устройств приведена на рис.58.
Сканирование может производится за счет движения всей оптической системы прибора или её элементов – зеркал, призм, клиньев, линз, диафрагм. Оптико-механические системы, в которых сканирование осуществляется диафрагмой (щелью) , движущейся в фокальной плоскости иногда называют экранирующими. Широко известный пример – диск Нипкова. Своеобразные методы сканирования используются в системах с волоконной оптикой. Сканирование может осуществляться также путем изменения коэффициента преломления или других оптических свойств материалов, входящих в систему. Сканирование движения всей системы осуществляется в тех случаях, когда возможно использовать перемещение платформы, на которой размещается ОЭС. Для обзора более широкой полосы на местности в таких системах часто используется сканирование по строке. (рис.59).
Сканирование зеркалами: различают сканирование в пространстве предметов (зеркало размещается перед объективом, рис.60) и сканирование в пространстве изображений (используется широкоугольный объектив, обеспечивающий высокое качество изображения по всему полю обзора, зеркало за ним, рис. 61).
Наряду с простым зеркалом в сканирующей системе может использоваться система зеркал, зеркальные призмы, пирамиды и т.д. (рис.62-64). В качестве исполнительных механизмов применяются шаговые двигатели, кулачковые механизмы и т.д.
Рис.57. Принципиальная схема термикона.
СКАНИРОВАНИЕ В ПРОСТРАНСТВЕ ПРДМЕТОВ
ОПТИКО-МЕХАНИЧЕСКИЕ СКАНИРУЮЩИЕ УСТРОЙСТВА
СКАНИРОВАНИЕ В ПРОСТРАНСТВЕ ИЗОБРАЖЕНИЙ
![]()
![]()
![]()
![]()
![]()
![]()
СКАНИРОВАНИЕ ЗА СЧЕТ ДВИЖЕНИЯ ВСЕЙ ОПТИЧЕСКОЙ СИСТЕМЫ
СКАНИРОВАНИЕ ПОДВИЖНЫМИ ЭЛЕМЕНТАМИ ОПТИЧЕСКОЙ СИСТЕМЫ
![]()
![]()
![]()
СКАНИРОВАНИЕ ЩЕЛЬЮ, ДВИЖУЩЕЙСЯ В ПЛОСКОСТИ ИЗОБРАЖЕНИЯ
СКАНИРОВАНИЕ ЗА СЧЕТ ИЗМЕНЕНИЯ ОПТИЧЕСКИХ СВОЙСТВ ЭЛЕМЕНТОВ, ВХОДЯЩИХ В СИСТЕМУ
СКАНИРОВАНИЕ В СИСТЕМАХ С ВОЛОКОННОЙ ОПТИКОЙ
Рис. 58. Классификация оптико-механических
сканирующих устройств
Рис. 59. Однострочное сканирование с движущейся платформы.
Рис. 60.Сканирование в пространстве предметов:
сканирующее зеркало; 2 – объектив;3 – диафрагма;
4 – конденсор; 5 – приемник излучения;6 – мгновенное
поле зрения; 7 – поле обзора
Рис. 61. Сканирование в пространстве изображений:
сканирующее зеркало; 2 – объектив;3 – диафрагма;
4 – конденсор; 5 – приемник излучения;6 – мгновенное
поле зрения; 7 – поле обзора
Эффективность ОЭП, предназначенных для обзора пространства с неподвижного носителя может быть существенно повышена за счет применения черезстрочной развертки сканирующего луча (рис.65) линейки многоэлементного приемника. Достигаемый результат – уменьшение числа элементов приемника и уменьшение полосы частот коммутационно-усилительного тракта, причем это уменьшение равно m раз, где m = N (числу граней призмы). Недостаток – возможность пропуска цели, именно поэтому ОЭС (платформа) должна быть неподвижна.
Сканирование отверсием в непрозрачном экране - наиболее простой способ сканирования. Классический пример диск Нипкова. Пример этих устройств показан на рис. 66,67. Отверстие в диске Д (рис.66) расположено таким образом, что изображение, ограниченное диафрагмой ДП последовательно анализируется по строкам так, что когда одно отверстие выходит за пределы окна диафрагмы ДП, другое выходит прочерчивая следующую строку. Одна из последних конструкций с указанным механизмом сканирования – тепловизор “Янтарь” (70-е годы , поле обзора 5х4, мгновенное поле зрения 5, частота кадров 25 Гц), которым удалось убеспечить минимально обнаруживаемую разность температур =0,2 – 0,3С.
Зенитный теплопеленгатор - одна из таких разработок (её исллюстрирует рис. 67) проста по конструкции и эффективна. Зеркало (D~1500 мм, f~640 мм) создает изображение точечной цели в плоскости непрозрачной диафрагмы с вырезом , вращаемой двигателем М2 (М1 – модулятор). Сигнал запитывает неоновую лампочку Л, которая вращается с частотой диафрагмы М2 в пределах окружности, удобной для восприятия оператором. Легко видеть, что при условии точной ориентации приемного зеркала на цель, лампочка очерчивает полный круг и вспыхивает в определенном секторена краткие моменты времени при прочих условиях
Сканирование путем управления оптическими свойствами элементов, входящих в систему. Управление осуществляется магнитным или электрическим полем. Известно, например, что такие материалы, как нитробензол, кварц, некоторые кристаллы изменяют показатель преломления n при воздействии электрического поля. Для сканирования можно использовать систему фильтров как на рис.68, выполненных из чередующихся слоев некоторых материалов, например, сульфида цинка и креолита. Такие фильтры пропускают только монохроматическое излучение, длина волны которых в четыре раза больше толщины l фильтра. Если изготовить фильтр в виде клина и направить на него монохроматическое излучение, то последнее пройдет только в той части, где толщина соответствует четверти длины волны (при условии n=/4). Введя второй фильтр, развернутый на 90, обеспечим возможность прохождения только той части излучения, которая соответствует участкам фильтров с толщиной 1/4. Подводя к фильтрам напряжение, можно перемещать линии равной толщины и т.о. обеспечить сканирование изображения.
(На рис.68 – ГКР – генератор кадровой и строчной разверток; КФГ, КФВ – клиновые фильтры горизонтальной и вертикальной развертки).
Рис.62. Типы сканирующих зеркал: а - вращающееся двустороннее(двугранное) зеркало; б – зеркало, вращающееся вокруг оси, неперпендикулярной к нему; в – «крест» из зерал 1 и 2; г – зеркало, качающееся в двух плоскостях; д – система из двух вращающихся зеркал; е – два зеркала, вращающихся или качающихся вокруг взаимно перпендикулярных осей; ж – вращающаяся зеркальная N – гранная призма; з – вращающаяся зеркальная N – гранная пирамида.
Рис.63. Сканирующее зеркало в виде многогранной призмы:
Об – объектив; Пр –приемник из М элементов;
З – зеркало с N гранями; НП – направление полета
Рис. 64. Основные принципы сканирования плоскопараллельной пластинкой (призмой): а – ход лучей; б – призма , эквивалентная пластинке толщиной ; в – поле обзора и поворот пластинки при неподвижном приемнике (диафрагме поля).
Рис. 65. Схема сканирования и расположения чувствительных слоев
многоэлементного приемника при чересстрочной развертке.
Рис.66. Система механичесого телевидения с диском Нипкова:
а – приемник излучения большой площади;
б – небольшой приемник и конденсор;
в – сканирующий диск
Рис. 67. Сканирование щелью в зенитном теплопеленгаторе
Рис. 68. Сканирующее устройство с клинообразными фильтрами.
Анализаторы изображения - растровая модуляция
Анализатор изображения – это устройство, служащее для извлечения из оптического сигнала в виде изображения наблюдаемого объекта информации о параметрах или свойствах этого объекта.
Обычно анализ изображения осуществляется путем непрерывной или дискретной выборки значений сигнала в отдельных точках плоскости изображений. Сканирование осуществляется с помощью специальных устройств – растровых анализаторов.
Классификация и принцип действия растровых анализаторов (Р.А.).
РА можно классифицировать по относительному расположению оси вращения растра и оптической оси объектива, по характеру зависимости, амплитуды, частоты, фазы или других параметров модуляции или угла визирования источника излучения, по виду модуляции или параметрам модулированного сигнала.
Классификация по относительному расположению оси вращения растра и оптической оси объектива ОЭП представлена на рис.69. Поэтому признаку различают растры с концентрической (а), эксцентрической (б) и со скрещенными осями.
Ось вращения концентрического растра совпадает с оптической осью ОЭП. Такой растр имеет нерабочую зону в центре, т.к. размеры деталей его рисунка и их линейная скорость около центра приближаются к нулю. Такой растр устанавливается во внутренней обойме подшипника, возможно его неподвижное закрепление – если изображение поля вращается – в этом случае уменьшается нерабочая часть растра в центре. В простейшем случае растр располагается вблизи приемника, как можно ближе к плоскости изображения (ПИ), но и приемник должен быть максимально приближенк ПИ, эти два конструктивных решения могут быть несовместимы. Более того из-за неоднородности чувствительности по площадке приемника в подобной конструкции появляются дополнительные и резкие изменения сигнала.
Ось вращения эксцентрического растра параллельна оптической оси ОЭП. В этом случае “мертвая” зона у растра отсутствует.
Растровый анализатор со скрещивающимися осями имеет ось вращения расположенную под некоторым углом (обычно – прямым) к оси ОЭП.
Различают два вида РА:
-с ограниченной (а) и неограниченной (б) зонами линейности

/Q – параметр модуляции, - угол визирования, - угол поля зрения л – угловой размер зоны линейности/.
Классификация РА по виду модулированного сигнала представлена на рис. 70. Здесь различают три типа: с непрерывной, импульсной и смешанной модуляцией.
Растры с непрерывной модуляцией характеризуются тем, что излучение цели проходит через них в течение времени, составляющего ~50%. В этом случае приемник освещается непрерывным периодическим сигналом, амплитуда, частота и фаза первой гармоники которого зависит от угловых координат цели. Различают амплитудную частотную, фазовую, АЧ, АФ и ЧФ непрерывную модуляцию.
Растры с импульсной модуляцией – излучение от цели проходит через них на приемник в течение времени, короткого по сравнению с периодом модуляции. Причем относительное положение импульса от цели во времени зависит от её угловых координат. Импульсная модуляция может быть амплитудной (АИМ), частотной (ЧИМ), фазовой (ФИМ), широтной и модуляцией по длительности, кодовой и смешанной импульсной.
Растры со смешанной модуляцией характеризуются тем, что наряду с непрерывной модуляцией потока имеет место периодическое импульсное изменение параметров модулированного сигнала. Причем перемещение цели приводит к нарушению закона этого периодического изменения параметров.
Амплитудная модуляция
Кодирование информации о положении цели в поле зрения можно обеспечить поместив в фокальную плоскость РА в виде секторного диска (рис.71). Затемненная часть РА обычно равна кружку рассеяния объектива, как и ширина темных и светлых секторов по краям – здесь достигается 100% модуляция сигнала. Амплитуда сигнала, вырабатываемая ФП, в данной конструкции зависит не только от положения изображения цели на растре но и от величины потока излучения от цели. Избавится от этого можно введя АРУ и дополнительную полную модуляцию потока излучения. Структурная схема соответствующего ОЭП приведена на рис.72. Естественно, что секторный диск в одних случаях обеспечивает неограниченную зону линейности, в других ограниченную (рис.73, 74). Следует отметить, что фактически понятие: “линейности” условно.
Рис.69. Классификация растровых анализаторов по относительному расположению оси вращения растра и оптической оси объектива: а – концентрический, б – эксцентрический; в – со скрещивающимися осями;Об – объектив; Р – растр; Пр–приемник; Д–двигатель.
Рис.70. Классификация растровых анализаторов по виду
модуляции и параметрам модулированного сигнала.
Рис.71. Концентрический растровый анализатор – секторный растр,
обеспечивающий амплитудную модуляцию:
а – идеальный секторный; б – секторный с затемненной центральной
частью; в – секторный с полупрозрачной центральной частью.
Рис. 72. Структурная схема прибора с секторным растром и системой АРУ
Рис.73. Изображение точечных целей на секторном растре
Рис. 74. Угловая характеристика 6 и секторного растра (см.рис.73
(ориентировочная форма кривой с акцентом на точки М=0)
Частотная модуляция
Зависимость
частоты модулированного
потока излучения
от угловых
координат цели,
т.е кодирование
информации,
можно обеспечить,
поместив в
плоскость
изображения
эксцентрический
РА в виде диска
(рис.75), каждый
из секторов
которого имеет
одинаковое
число непрозрачных
и прозрачных
полос, причем
центральная
полоса каждого
сектора направлена
по радиусу,
остальные ей
параллельны.
При вращении
растра поток
излучения
модулируется
с частотой тем
большей, чем
дальше от центра
находится
изображение
цели, т.к число
модулирующих
полос возрастает
от центра к
периферии
диска. Измерение
координат цели
можно осуществить,
если применять
две оптические
системы размещенные
относительно
растра т.о., чтобы
изображение
одной и той же
цели были смещены
относительно
друг друга на
90.Так
как фактически
в такой системе
изменение
частоты происходит
дискретно, то
точность измерения
координат
пропорциональна
,
где F – фокусное
расстояние,
y
– величина,
определяющая
ступенчатый
характер изменения
частоты при
перемещении
изображения
по радиусу
растра. Для
преобразования
частоты модуляции
в амплитуду
электрического
сигнала с целью
декодирования
применяются
частотные
детекторы
(рис.76) – в простейшем
случае это
резонансный
контур.Величина
напряжения
Uвых
снимаемого
с контура зависит
от частоты.
Могут быть
использованы
два контура,
резонансные
частоты которых
1, 2
разнесены
относительно
средней частоты.
В этом случае
в одном контуре
при увеличении
амплитуда
напряжения
возрастает,
в другом уменьшается,
а разность
амплитуд определяется
знаком и величиной
отклонения
частоты.
Вместо контуров
можно использовать
схему, состоящую
из двух ветвей
– с индуктивным
и емкостным
сопротивлением.
Фазовая модуляция
Зависимость фазы модуляции потока излучения от угловых координат точечного источника можно обеспечить, например, с помощью РА со скрещенными осями, выполненного в виде надетой на вращающийся барабан тонкой пленки, прозрачность котрой изменяется по синусоидальному закону:
,
где - пропускание, L - длина окружности барабана пленки, N – число полных изменений прозрачности (рис.77).
Следовательно, если на поверхности плёнки сформировано изображение цели, то поток излучения, проходящий через неё и падающий на приемник, а также вырабатываемый сигнал изменяются по синусоидальному закону, причем фаза сигнала зависит от положения изображения цели на пленке растра.
Рис. 75. Эксцентрический растровый анализатор с частотной модуляцией (восьмисекторный):
1-пределы поля зрения; 2-изображение источника излучения (в центре поля зрения); 3- второе изображение источника излучения при наличии двух оптических систем ( в центре поля зрения)
Рис. 76. Принципиальные схемы и характеристики простейших частотных детекторов: а-одиночный резонансный контур; б – два контура; в – схема с индуктивностью и емкостью.
Рис.77. Растровый анализатор со скрещивающимися осями,
обеспечивающий фазовую модуляцию:
а – развертка ленты анализатора и зависимость её коэффициента пропускания от положения изображения источника излучения l: б – схема использования анализатора с фазовой модуляцией.
Для того, чтобы зафиксировать начало отсчета фазы, используются различные синхроконтакты и генераторы опорных напряжений (ГОН), которые вырабатывают электрические сигналы, момент появления или фаза которых жестко связана с положением пленки растра и не зависит от положения изображения источника излучения (обведен на рис.77 пунктиром).
Для измерения разности фаз сигнала Uс и опорного напряжения, т.е. декодирования информации о положении цели в поле зрения, используются фазовые детекторы, которые для фиксированного значения фазы называются синхронными детекторами.Принцип действия фазового детектора состоит в том, что сигнал переменного тока, подлежащий выпрямлению поступает на нагрузку через сопротивление, величина которого с помощью опорного напряжения изменяется во времени синхронно с чатотой изменения сигнала. В простейшем случае (рис.78). В качестве переменного сигнала можно применить контакт, включенный последовательно с нагрузкой и управляемый от ГОН.
Амплитудно-частотная модуляция
Амплитудно-частотный РА модулирует излучение так, что изменение частоты модулированного сигнала определяет знак угла рассогласования, а изменение амплитуды модулированного сигнала определяет величину угла рассогласования. Принцип работы подобных устройств поясняют рис. 79-82.
Импульсно-частотная модуляция
Импульсно-частотный РА модулирует излучение цели так, что изменение частоты модулированного сигнала определяет знак угла рассогласования, а изменение длительности модуляции потока излучения с той или иной частотой определяет величину угла рассогласования.
РА в данном случае линия раздела серий полос различной частоты представляет собой спираль Архимеда (рис.83).
В заключении раздела на рис.84-89 представлены ряд других РА, обеспечивающих кроме перечисленных функций амплитудно-фазовую, частотно-время-импульсную и широтно-импульсную модуляции.
Рис. 78. Принципиальная схема и временные графики
работы фазового детектора:
Рис.79. Амплитудно-частотный растровый анализатор
с ограниченной зоной линейности эксцентрического типа:
а – рисунок растра; б – принципиальная схема использования
растра; в-угловая характеристика
Рис.66. Расположение полей зрения на амплитудно-частотной растре с двумя оптическими системами
Рис. 67. Расположение амплитудно-частотных растров в системе с одним объективом
Рис. 82. Амплитудно-частотный растр со скрещивающимися осями
Рис.83. Импульсно-частотный растровый анализатор с неограниченной зоной линейности:
а – односекторный; б – двухсекторный;
А – нейтральная окружность – траектория относительного перемещения
изображения цели, находящейся в центре поля
Рис. 84. Многоступенчатый растр
для амплитудно-частотной модуляции
Рис. 85. Импульсно-частотный растровый анализатор в виде
вращающегося барабана: а –односекторный; б- двухсекторный
Рис.86. Амплитудно-фазовый растровый анализатор с неограниченной зоной линейности: а – рисунок растра; б –изменение потока излучения, прошедшего через растр во времени; в – изменение коэффициента пропускания растра вдоль оси у
Рис.87. Амплитудно-фазовый растр со смещенным центром
а
Рис.86. Амплитудно-фазовый растровый анализатор с неограниченной зоной линейности: а – рисунок растра; б – изменение потока излучения, прошедшего через растр, во времени; в – изменение коэффициента пропускания растра вдоль оси y.
мплитудной характеристики и несущей частотойРис. 88. Растр для смешанной
частотно-время-импульсной модуляции
Рис. 89. Растр для широтно - импульсной модуляции
Технические основы систем лазерного зондирования.
Одну из мощных современных возможностей дистанционного изучения (количественного контроля) атмосферы и её составляющих обеспечивают лидары – лазерные локационные системы.
Задача лидарного зондирования в приближении однократного рассеяния связана с решением уравнения (уравнения лазерного зондирования).
,
(55)
где P(z,) – мощность принимаемого сигнала;
Po() – мощность зондирующего импульса;
- объемный коэффициент обратного рассеяния;
z = сu/2 – пространственное разрешение, зависящее от длительности импульса u и скорости света с;
(z,) – объемный коэффициент ослабления излучения;

G(z) функция геометрического фактора лидара.
Функция G(z) определяется процессом виньетирования приемной системой лидара сигнала обратного рассеяния, она может быть расчитана (см. рис. ), если заданы диаметр приемного телескопа D0, поперечный размер зондирующего пучка излучения 0 и его углвая расходимость Qn, фокусное расстояние приемного телескопа и расстояния B и угла между оптическими осями передатчика и приемника лидара, форма и положение полевой диафрагмы приемной системы, например, её расстояние от фокальной плоскости z0. Меняя z0 можно в значительной степени варьировать динамическим диапазоном лидарного сигнала.
Представленный вариант зондирования может быть расширен за счет много волновой локации или т.н. многочастотного лазерного зондирования. В этом случае удается за счет применения методов решения “обратных задач” трансформировать высотные профили (z,) в спектры размеров аэрозолей N(r,z) на соответствующей высоте z.
Применение двухчастотного зондирования используется для определения концентрации газов в атмосфере, например, её влажности.
Лазерное зондирование влажности a(z) осуществляется лидарным методом дифференциального поглощения, основанном на сравнении двух сигналов, один из которых соответствует длине волны n, совпадающей с линией поглощения паров воды, второй – близкорасположенной длине волны o вне области поглощения.
Причем:
(56)
где k0(z),k(z) – профили коэффициентов поглощения на длинах волн 1,0;
z пространственное разрешение по трассе зондирования;
P0(z) и P1(z) – профили регистрируемых отраженных сигналов на соответствующих длинах волн, приведенные к одному уровню энергии зондирующего импульса. Эти сигналы описываются уравнением (55).
Лидар дифференциального поглощения представляет собой сложный оптико-электронный комплекс. О его принципиальной схеме можно судить по рис.98.
К1
К2

ФЭУ 3
Ф
Рис. 98
Источники излучения лазер 1 (694,383 нм) и лазер 2 ( =1 см-1) генерирует импульсы со сдвигом во времени ~200 относительно друг друга. Часть излучения, для контроля, уровня энергии направляется к ФЭУ(1,2) . (k1,2 - коллимторы). В аппаратуре, показанной на рис.98, применены в приемной системе два ФЭУ(3,4) для уменьшения динамического диапазона сигнала (возможная альтернатива – применение т.н. динодного съема сигналов при одном ФЭУ).
Для защиты фотокатода ФЭУ4 от мощной засветки, поступающей от близлежащего участка пространства применен блок управления модулятором (БУМ). Метод дифференциального поглощения (МДП), как отмечалось применим для определения концентрации различных газов (NO2, SO2, O3, NH3, CO2). Используется УФ, видимая и ИК области спектра. В последнем случае нашли применение в виде промышленных разработок трассовые лазерные измерители концентрации, которые обладают большей точностью и помехоустойчивостью.
Вариант конструктивного исполнения приемопередающего блока лидара показан на рис.99. На рис.100 приведена схма , поясняющая режим работы лидара при контроле состояния атмосферы при рудных разработках.
Наряду с МДП все шире применяются лазерные локаторы – спектрометры, использующие явление комбинационного рассеяния и флуоресценции. Принцип действия этих приборов заключается в следующем. Все элементы окружающей среды при облучении коротковолновым (УФ) излучением способны генерировать возбужденное (флуоресцентное) излучение на характерных для данного вещества частотах. Поэтому в приборе на рис. 99 в кчестве источника первичного излучения использован лазер на красителе, обладающий достаточно широкой областью генерируемого спектра ( в качестве источника накачки применялся эксимерный лазер). Излучение лазера на красителе направляется на исследуемый элемент окружающей среды. Излучение флуоресценции воспринимается приемным оьъективом, разлагается компактным монохроматором для выделения интересующего участка длин волн . Величина сигнала I() и будет искомой количественной характеристикой контролируемого участка.
Рис. 99 . Внешний вид приемо-передающего блока лидара.
Рис. 100. Схема работы лидара в режиме контроля открытого
рудного карьера.
Применение технологии флуоресцентного анализа в других практических задачах.
В последне время происходит бурное развитие флуоресцентных методов анализа и создаются новые приборы, работающие на принципе измерения флуоресценции образцов в различных агрегатных состояниях. Второе рождение этого направления связано с появлением новой элементной базы (лазеры, высокочувствительные приемники излучения для ультрафиолетовой и видимой области спектра), что привело к существенному повышению чувствительности флуоресцентного метода и достижению рекордных значений минимально определяемых концентраций не регистрируемых другими методами анализа. Принципиальные изменения в структуру построения флуоресцентных приборов внесло также появление многоэлементных фотоприемников, что позволило исключить сканирующие устройства из приборов, тем самым упростить их конструкцию и значительно уменьшить их габариты.
Расширение области применения флуоресцентных приборов стимулируют исследования спектров флуоресценции многих объектов и веществ. Например показана высокая эффективность их применения в диагностике качества нефтепродуктов, определения состояния живой ткани в процессе операции или при оценке неизвестного медикоментозного вмешательства в организм человека, так как было показано, что УФ флуоресценция клеток реагирует на малейшие нарушения их функционального состояния, причем зачастую динамику интенсивности излучения удается зарегистрировать даже тогда, когда никакие другие методы не улавливают каких-либо функциональных и структурных изменений в тканях.
В частности, в Казани проведены исследования по изучению спектров люминесценции органов желудочно-кишечного тракта в норме и в экспериментальном илеусе и в практике РКБ освоен новый метод диагностики воспалительных заболеваний органов желудочно-кишечного тракта.
Для флуоресцентной диагностики в медицине используется прибор , схема которого приведена на рис.101. Прибор имеет оригинальную оптическую схему с использованием многоэлементного фотоприемника и импульсного азотного лазера. Для удобства работы излучение лазера и излучение флуоресценции направляется по двум кварцевым одножильным световодам, сформированным в кабель-зонд с устройством для ввода его в анализируемую среду. Излучение лазера через согласующую оптику подается на вход световода, по которому производится облучение исследуемого объекта. Излучение флуоресценции со световода подается на входную щель полихроматора, относитеьное отверстие которого согласовано с апертурным углом кварцевой жилы и составляет величину1:4. Необходимая обратная линейная дисперсия 0,030 мкм/мм при данной светосиле и размере фотоприемника достигается применением вогнутой дифракционной решетки (300 штр/мм) с радиусом кривизны 100 мм. При этом спектральное разрешение прибора при ширине щели 0,1 мм составляет ~ 3 нм. В плоскости спекттра полихроматора установлен многоэлементный фотоприемник – фотодиодная линейка, имеющая 500 светочувствительных площадок размерами 26х500 мкм. Выходной сигнал с приемника излучения усиливается в предварительном усилителе и поступает на схему двойной коррелированной выборки (ДВК), которая предназначена для уменьшения шума фотоприемника.
С ДВК аналоговый сигнал поступает в АЦП, где преобразуется в цифровую форму и вводится в микроЭВМ с помощью устройства ввода и управления (УВиУ). По командам с микроЭВМ устройство ввода и управления формирует диаграмму управляющих напряжений для фотоприемника посредством схемы формирования уровней (СФУ). Кроме того, с УвиУ производится управление электромеханическим затвором (ЭМЗ), установленным перед входной щелью полихроматора.
Графическое и цифровое представление сигнала отображается на мониторе. Программа управления и обработки информации записана на магнитном носителе и вводится в микроЭВМ через устройство УВХЛ (магнитофон). При необходимости работы прибора длительное время в жесткой программе, программа записывается в ПЗУ.
Возвращаясь к проблеме контроля нефтепродуктов, можно показать, что они также флуоресцируют при возбуждении их излучением лазера, а значит для их определения можно использовать вышеописанный прибор для медицины. Вместе с тем, эксперименты показывают, что для работы с нефтепродуктами, растворенными в воде (одна из задач экологического контроля!) чувствительность описанного прибора недостаточна, чтобы работать с реальными образцами без их обогащения. Для повышения чувствительности прибора в полихроматор может быть введен дополнительно усилитель яркости – электронно – оптический преобразователь (ЭОП), с которым стыкуется многоэлементный приемник. Предложенная схема позволила повысить чувствительность прибора на три порядка.
Рис. 101. Функциональная схема прибора:1 –лапароскоп; 2 – кварцевые одножильные световоды; 3 – многоэлементный приемник; 4 – узел сопряжения со световодом; 5 – импульсный лазер; 6 – электромеханический затвор; 7 – полихроматор; 8 – предварительный усилитель; 9 – схема двойной коррелированной выборки; 10 – аналого-цифровой преобразователь: 11 – устройство ввода и управления; 12 – схема формирования уровней; 13 – магнитофон; 14 – микроЭВМ; 15 – монитор; 16 – анализируемая среда.
Источник фемтосекундного импульсного излучения в аимосфере.
Солнце, звезды, луна, находящиеся вне атмосферы – важные источникм излучения, используемые при определении характеристик атмосферы Земли. Однако эти источники освещения не позволяют вести наблюдения на любой нужной высоте, там где это необходимо. Поэтому долгое время мечтой ученых геофизиков–метеорологов было создание источника излучения на определенной высоте. В Германии и США проведены эксперименты с фемтосекундными лазерными импульсами (< 10-14с) большой мощности, которые посылались в атмосферу в вертикальном направлении. При этом на месте прохождения импульса наблюдалось явление генерации белого света. . Реализованный опыт позволяет вплотную приблизиться к мечте о беспроводном источнике белого света в небе, открывающим новые многообещающие перспективы в области исследования атмосферы.
Генерация белого света в газах при фокусировании излучения ультракоротких импульсов лазеров с энергией в импульсе Твт (>1012 вт) –известное явление. В ходе последних экспериментов показано, что при использовании современных лазеров, работающих в фемтосекундном режиме, сфокусированные импульсы лазерного излучателяобеспечивают интенсивный белый свет в газе или воздухе и генерируют устойчивые световые полосы с размерами 10 м.
Экспериментальная установка показана на рис.102.
Излучающая часть установки включает: лазерную систему, работающую в фемтосекундном импульсном режиме, устройство сжатия импульсов, оптику фокусировки луча и управления им. Лазерные импульсы максимальной мощностью ~ 2,2 Твт наводились из лаборатории и направлялись в вертикальном направлении. Эти импульсы либо в незначительной степени фокусировались с помощью собирающей линзы, либо направлялись без использования оптики. В последнем случае луч быстро исчезал вследствии самофокусировки. Однако в любом случае профиль распределения интенсивности луча был неустойчив и разделялся вследствие самофокусировкина многочисленные нити, в которых происходит генерация (квази) непрерывного излучения.
Как показывает фотоснимок на рис.102 белый свет виден на небе на большом расстоянии даже невооруженным глазом. В отличие от почти невидимого темно-красного цвета лазерного источника фемтосекундных импульсов, луч кажется желто-белым, причем интенсивность рассеянного света достигает своего максимума на высоте ~ 2 км. Это повышение интенсивности связано с наличием температурного инверсионного слоя, где происходит скопление атмосферных аэрозолей, рассеивающих белый свет.
Рис. 102.
1 – излучатель (длительность импульса 110 фемтосек), 2- приемник, 3 – система сжатия импульсов,4 – фокусирующая линза, 5 – система лазера на титане/сапфире, работающего в фемтосекундном импульсном режиме, 6 – оптическое волокно, 7 – телескоп, 8 – оптический многоканальный анализатор
Рис. 103 Фотоснимок атмосферного канала белого света, сделанный с внутреннего двора здания физического факультета университета имени Ф.Шиллера в Йене.
Описанное явление было использовано при создании установки-лидара, в которой излучающая и приемная системы были разнесены на расстояние 10 м. Лазер изготовлен на титане/сапфире в качестве усиливающей среды и работает на длине волны =790 нм (спектральная ширина – 11 нм, длительность импульса -~ 110 фсек). Максимальная энергия импульса на выходе – 240 миллиджоулей (после сжатия –Твт) при частоте повторения 10 Гц. Диаметр пучка, проходящего через конечную апертуру системы – 60 мм.
Рассеянный обратный свет собирался с помощью телескопа Кассегрена и фокусировался непосредственно на волоконный кабель диаметром 1 мм. Спектральная характеристика принимаемого света анализировалась с помощью оптического многоканального анализатора (ОМА). Основная длина волны лазерного излучения во время этих измерений подавлялась цветными стеклянными фильтрами.
Ослабление оптического излучения в атмосфере
Наличие атмосферы между наблюдаемым объектом и ОЭС обычно является причиной основных помех. Энергия излучения от объекта ослабляется при прохождении сквозь атмосферу, трансформируется её спектральный состав Кроме того, градиенты температуры в атмосфере вызывает турбулентность, связанную с неоднородностью показателя преломления воздуха, что обуславливает флуктуации амплитуды, фазы и угла падения излучения на входной зрачок прибора и, как следствие, ухудшение качества сигнала изображения.
Ослабление излучения зависит от следующих явлений:
молекулярного поглощения газами, входящими в состав атмосферы,
ослабления за счет поглощения и рассеяния излучения атмосферным аэрозолем – твердыми и жидкими частицами вещества, взвешенными в воздухе и образующими дымки, туманы, дым и облака.
молекулярного рассеяния,
ослабления за счет флуктуаций на входном зрачке.
Молекулярное поглощение излучения
Уже продолжительное время – по крайней мере с 50-х годов молекулярное поглощение (МП) в атмосфере является предметом теоретических и экспериментальных исследований, и составляет важнейшую часть относительно молодого направления в науке – прикладной атмосферной оптики. Подобный интерес определен не только проблематикой создания и эксплуатации ОЭС, но и многими другими геофизическими задачами, включая экологию, прогноз погоды и климатических изменений.
Методы и исследования МП –
лабораторные и натурные исследования функций спектрального молекулярного пропускания, спектроскопических характеристик оптически активных газов, разработка теоретических и эмпирических методик расчета, статистически обеспеченных как и в задаче о свойствах фонов:
получение статистических данных о вариациях концентрации поглощающих газов и ряда определяющих параметров (температура, давление).
Картины структуры спектра молекулярного поглощения излучения в УФ, видимом ИК диапазоне волн иллюстрируют рис.20,21. На рисунках приведено положение основных полос поглощения основных атмосферных газов.
Рис. 20 Общая картина спектра поглощения оптического излучения атмосферными газами с обозначением центров полос
(представлена по измерениям солнечного излучения)
Рис. 21. Экспериментальный спектр прозрачности /7/ слоя атмосферы
0,3 км над уровнем моря (толщина осажденного слоя воды
температура
воздуха +26С
Продолжение рис.21
(фрагменты г,д,е)
продолжение рис.21
(фрагменты ж,з,и)
Методы расчета МП.
В настоящее время в практике используют три метода расчета молекулярного поглощения или как удобнее – молекулярного пропускания
(6
)
/Здесь I0 – амплитуда сигнала на уровне источника излучения,
IL – амплитуда сигнала на входном зрачке ОЭC, удаленном на расстояние L от источника/:
теоретический /”линия за линией”/, когда интегрируется функция () с учетом каждой из сотен линий поглощения в пределах интервала ;
полуэмпирический;
эмпирический.
Теоретический метод в последние годы все шире используется в зарубежной практике и предполагает знание положения каждой линии поглощения каждого из атмосферных газов, а также форму и интенсивность этих линий.
Расчёты осуществляются с разрешением по спектру длин волн для интервалов=20 см-1 относительно мощными ЭВМ, в памяти которых содержится база спектроскопической информации. Процесс расчета в зарубежной литературе – этот метод определен как “расчет линия за линией” и оформлен в виде стандартных программных средств типа “Hitran”, которые постоянно уточняются.
Полуэмпирический метод получил основное развитие также за рубежом.
Его суть связана с упрощением реальной структуры спектра поглощения, отражающим характерные особенности различных газов.
Например, из эксперимента известно, что такие газы как СО2, СО, НСl имеют ту особенность, что линии поглощения расположены по спектру упорядоченно. Это обстоятельство используется в модели Эльзассера, в которой реальная полоса поглощения заменяется совокупностью равноудаленных линий поглощения одинаковой интенсивности. Подобный подход позволяет свести расчет к одной достаточно сложной формуле
,
(7 )
где

d-среднее расстояние между линиями, I(x) – функция Бесселя, - полуширина спектральной линии, S-её интенсивность, - количество поглощающего вещества на трассе.
Известны дальнейшие упрощения расчетной формулы (7).
Основные недостатки модели – её сложность и погрешности.
Другой пример. Такой газ, как пары воды, характеризует нерегулярное распределение линий поглощения в измеренных спектрах. Это обстоятельство вызвало к жизни статистическую модель (модель Гуди), которая предполагает замену реальной полосы поглощения набором линий, расположенных случайным образом.
Дальнейшее развитие полуэмпирического метода расчета характеризует модель полосы поглощения в виде случайно расположенных в её спектре полос Эльзассера.
В этой модели
,
(8)
где N – число наложенных друг на друга полос Эльзассера.
Для j –полосы полуширина линии, i - расстояние между линиями, di - интенсивность Si.
Модель (8)
нашла применение
при описании
оптических
трасс большой
протяженности
при наличии
слабых линий
поглощения
(т.е. когда
).
И, наконец, агрегатный метод – где используется совокупность вышеперечисленных методов и достигается – наиболее близкое к реальному описание функций для основных абсорбентов атмосферы – паров воды и углекислого газа.
Как видно, полуэмпирические методы и их комбинации используют стилизации, следующие из качественной оценки спектров эксп., экспериментальные данные и теоретические модельные расчеты о спектроскопических параметров линий. При этом достигается удовлетворительное совпадение с экспериментом в отдельных участках функций расч(), (где - поглощающая масса газа) и расхождении расчетных и экспериментальных значений в других.
Эмпирический метод, который нашел свое развитие в таких зарубежных разработках как “Lowtran”, “Modtran” и активно развивается в отечественных разработках, наиболее удобен в инженерной практике. Исследования показали, что функция , по крайней мере в пределах =0,05…0,95 может быть аппроксимирована соотношением вида
(9 )
где - коэффициент, определяющий интенсивность поглощения в области i /определяется из эксперимента/, m и n - эмпирические параметры, - количество поглощающего газа на трассе, p – давление, равное сумме давлений (поглощающегося и т.н. уширяющегося газа). Соотношение (9) отвечает однородной горизонтальной трассе визирования. В общем случае
(10)
где эфф- эффективная поглощающая масса газа, определяемая интегрированием по оптической трассе L с учетом реальной стратификации поглотителя в атмосфере.
Известен также графический метод расчета , который базируется на использовании соотношения (10). Действительно, можно показать, что (10) соответствует:
( 11)
В основной
системе координат
на лучах, исходящих
из её центра,
нанесён спектр:
,
(12 )
который
используется
для поиска луча
в системе координат,
представляющей
график зависимости
.
Принцип её
построения
для отдельной
области спектра
показан на
рис.21а.
Рис.21а.
Номограмма
для расчета
в
области
полосы поглощения паров Н2О 1,37 мкм
Пример расчета спектрального молекулярного пропускания.
Оптически активные газы атмосферы подразделяются на компоненты, концентрация которых в воздухе практически постоянна - это СО2, СО, NH3, O2, CH4, N2O, O3) и пары Н2О, содержание которых определяется абсолютной влажностью воздуха в данный момент времени. Концентрация С0 отмеченных газов в атмосфере Земли имеет значения для
СО23,410-2 %,
СО(1-20)10-5 %,
CH41,410-2%,
N2O(2,5-6)10-3 %,
O2,=20,95%
Н2О(2-40)10-2 %.
Поглощающую массу газа с постоянной концентрацией будем определять в соответствии с (9). Тогда для горизонтальной трассы L(км), расположенной на высоте h(км)
,
[cм]
(13)
где qh – относительная эффективная концентрация, определяемая соотношением:
(14)
при условии, что функция давления в атмосфере определяется барометрической формулой:
(15)
Для паров воды в приземном слое воздуха
(16)
где е – парциальное давление паров воды,
T – температура в К.
Определение величины h для вертикальных оптических трасс требует интегрирования по высоте с учетом стратификации конкретного газа. Для наклонных трасс
,
(17)
где в пределах (0-85) от вертикали =sec и определяется табулированной функцией Бемпорад в области 85…90.
Аэрозольное ослабление оптического излучения
Как можно было видеть из вышеизложенного, спектральное молекулярное поглощение отличают два характерных обстоятельства:
невыполнимость для функции закона Бугера*)
высокая спектральная селективность
Аэрозольное ослабление излучения связано с его поглощением и рассеянием на частицах, взвешенных в воздухе и характерно тем, что имеет незначительную селективность, а также подчиняется закону Бугера (т.е. коэффициент ослабления пропорционален количеству вещества на трассе или её протяженности). С учетом этого обстоятельства аэрозольное ослабление излучения в однородной среде (например, на приземной оптической трассе):
,
(18)
причем
(19)
Способность частицы аэрозоля ослаблять излучение определяющим образом связана с комплексным показателем преломления вещества, из которого частица состоит, и размерам частицы.
Теория рассеяния оптического излучения наиболее полно развита Ми и носит его имя.
Согласно теории Ми
(20)
В (20) присутствует поперечное сечение частицы (r2), nr – количество рассеивающих частиц и K0 – эффективный коэффициент рассеяния, являющийся функцией относительного радиуса частицы
![]()
и показателя преломления m=n-i (см. рис.22). Невыполнение закона Бугера для распространения излучения в аэрозольной среде наблюдается только при превышении мощности излучения – порога, за которым начинается взрывообразное разрушение отдельных частиц аэрозоля. Аналогичным образом определяется и функция эффективного коэффициента поглощения Kр, которая имеет более простой вид без характерных для К0 сцинтиляций.
В литературе известны специальные расчеты по теории Ми функций рассеяния и поглощения для частиц с различными m,. Как правило это объемистые издания. Большинство таблиц определяют сферические частицы с однородной структурой. Специальные разделы посвящены развитию теории Ми в интересах расчета рассеяния на несферических частицах, – например эллипсах, цилиндрах и т.д. Достаточно глубоко исследован теоретический вопрос рассеяния на многослойных частицах. Последний актуален для атмосферной оптики, поскольку доказано, что при относительной влажности воздуха f 40 % частицы аэрозоля увлажнены и в их “оптике” должно учитываться проявление свойств воды. В частности, доказано, что при толщине “водяной рубашки” частицы, составляющей 10% и более, её оптические свойства полностью определяются m воды (раствора).
На практике оказалось более удобным расчет осл осуществлять на основе эмпирических соотношений. Впервые аппроксимация была предложена для видимой области спектра Ангстремом и определяется соотношением
,
(21)
где n –эмпирический коэффициент.
Рис.22. Пример изменений эффективных коэффициентов ослабления (Кос),
рассеяния (Кр) и поглощения (Кп) для водяных сфер (=4 мкм),
Позднее специальными исследованиями было показано, что формула Ангстрема на основе незначительного усложнения может быть распространена на широкую область длин волн. В этой модифицированной трактовке
(22)
В (22) n0, n1, n2 – эмпирические параметры, одинаковые для конкретных состояний атмосферы т.н. типов оптической погоды, - компонента, независящая от типа оптической погоды, имеющая выраженный селективный ход (см.рис.22а) (физически связана с поглощающими свойствами вещества аэрозоля – его водной оболочки, задается таблично), 0- коэффициент ослабления в области, в которой осуществлена нормировка функции.
В соответствии
с общепринятой
практикой –
это видимая
область спектра,
в которой аэрозольное
ослабление
характеризуют
метеорологической
дальностью
видимости SM,
связанный с
показателем
ослабления
излучения на
длине волны
=0,55 мкм
.
Согласно соотношения
Кошмидера
,
(23)
Коэффициент 3,912 в (23) определяется исходя из возможности человека при заданной контрастной чувствительности глаза различать на расстоянии SM=L раздельно два предмета. Таким образом, с учетом (9,18,24)
имеем:
(24)
Аэрозольная и молекулярная компоненты действуют независимо, поэтому, следуя (9,18,24)
(25 )
В (25) не учтено Рэлеевское (молекулярное ) рассеяние излучения.
Рэлеевское рассеяние излучения.
Аэрозольное рассеяние носит название рассеяния Ми. В УФ и видимой области спектра должно быть учтено также молекулярное рассеяние на флуктуациях плотности воздуха, описанное Рэлеем.
Из курса общей физики известно, что
,
(26)
(n
– показатель
преломления
воздуха; в,
во
– плотность
влажного и
сухого воздуха,
N
- число Лошмидта,
P
–деполяризация
света).
Изменение
1/4
и определяет
тот факт, что
в области 1
мкм
становится
менее 0,001 и может
не приниматься
во внимание.
(Для примера
при =0,4
мкм
=0,043
км-1).
Рис.22а
На рисунке 22а - компонента, обусловленная поглощением излучения газами, 2 - аэрозольная компонента, зависящая от погодной ситуации,3 =exp(-L)- зависит только от SМ, спектральная зависимость 3 показана на рис. 22б
Рис.22б
Атмосферная рефракция и турбулентность
Атмосферная рефракция и турбулентность – это те факторы, с которыми связано как ослабление потока излучения, фиксируемого ОЭС, так и ухудшение наблюдаемого изображения.
Атмосферная рефракция обусловлена градиентом показателя преломления в атмосфере, в особенности в её приземном слое, который связан с суточным ходом температуры воздуха.
Известно, что показатель преломления воздуха зависит от его плотности в (n-1=kв, где k – константа), а плотность обратно пропорциональна абсолютной температуре, с учетом этого можно показать, что
т.о.

Если мы имеем дело с ОЭС стационарного наведения на источник – объект, то легко убедиться на практике, что в первые же полчаса после восхода солнца направленный на входной зрачок ОЭС коллимированный поток от объекта-источника выйдет из поля зрения прибора. Это конкретное проявление рефракции.
Неоднородности прогрева атмосферного воздуха, связанные с облачностью, различием типа поверхности и растительности приводят к флуктуациям его плотности и соответственно показателя преломления благодаря чему имеет место атмосферная турбулентность.
Атмосферная турбулентность приводит к искривлению пучка лучей из-за стратификации слоев воздуха (результат – миражи и угловые ошибки в ОЭС). Быстрые флуктуации неоднородностей – причина флуктуаций наклона волнового фронта и перемещения точки изображения в плоскости изображения, расфокусировки, “пятнистости” изображения, нарушения пространственной когерентности.
Расчет влияния
турбулентности
на качество
изображения
базируется
на теории дифракции
в её применении
к дифракции
излучения на
неоднородностях
атмосферы и
развит В.И.Татарским.
При этом, в общем
случае учета
турбулентного
воздействия
на поток излучения
можно показать,
что влияние
дифракции
ощущается
только в том
случае, если
поперечное
сечение пучка
,
где -длина
волны, L
– расстояние.
Значение R для различных и L даны ниже
|
L, м |
0,5 |
10,0 |
|
10 100 1000 10000 |
2,3 7,1 22,4 70,7 |
10 31,6 100,0 316 |
Ф
луктуации
луча за счет
вариаций показателя
преломления
принято описывать
с помощью структурной
функции Fn(r),
которая является
корреляционной
функцией,
определяющей
разности показателей
преломления
m(x+r)– m(x),
где r
характеризует
радиус (масштаб)
флуктуаций.
В соответствии
с теорией В.И.
Татарского
(28)
для среды с масштабом флуктуаций
![]()
(
-max,
-min границы
размеров флуктуаций).
Коэффициент Сn – структурная постоянная показателя преломления. Если Сn=0 имеет местооднородная среда, перемещение всех её точек происходит с одинаковой скоростью.
При
Сn
=810-9 м-1/3
–имеем слабую
(
=1,2
см,
=10
м)
Сn =410-8 м-1/3 – среднюю и
Сn
=510-7 м-1/3
– сильную
турбулентность
=0,3
см,
=1
м
Сдвиг
луча характеризуется
дисперсией
или среднеквадратическим
отклонением
(29)
Флуктуации
луча приводят
к расплыванию
пучка на 2r
и угловой
ошибке
.
Спектр частот
флуктуации
лежит в пределах
0,03 Гц…20 Гц.
В заключение иллюстрируем представленные выше сведения.
Рис.23 дает представление о пространственно-временных изменениях показателя в пыледымовых облаках различного происхождения. В частности на рис.23(а) даны поперечные разрезы (L) облака маскирующей аэрозольной завесы (МЗ). На рис.23 (б) показан эффект изменения спектра размеров частиц при удалении от оси шлейфа МЗ.
На рис. 23 (в) приведены частотные спектры вариаций показателя (см. рис.23(г)) в МЗ, создаваемых генераторами различных конструкций (1…6).
Рис. 24
иллюстрирует
спектральный
ход оптической
плотности
ряда известных
дымообразующих
составов,
используемых
для создания
МЗ
(L3 –геометрическая ширина МЗ)/
Рис.23
Б
В
Г
сек
продолжение рис. 23
(фрагменты Б,В,Г)
Наконец таблица ниже иллюстрирует эмпирическую модель спектральных показателей аэрозольного ослабления , в которой указаны параметры для расчета и дана характеристика соответствующих метеорологических условий.
Таблица
Модель спектральных показателей аэрозольного ослабления

| Морфологическое обозначение типа оптической погоды |
Синоптическая ситуация |
Температура воздуха С |
Относительная влажность, % |
SM, Км |
n0 |
n1 |
n2 |
| 1 | 2 | 3 | 4 | 5 | 6 | 7 | 8 |
|
Дымка Дымка Дымка Дымка Туманная дымка Дымка Дымка Туманная дымка Дымка Ледяной туман |
Антициклоны нетропических широт Антициклоны субтропических широт Квазистационарные антициклоны (гребни) внетропических широт |
(-20)(+20) (-12)(+25) (-12)(+25) (-12)(+25) (-12)(+25) (-12)(+25) (-12)(+25) (-12)(+25) от –35 до -12 |
50-90 30-50 50-90 85-90 90-95 90-100 90-100 60-90 90-100 90-100 70-90 |
20-50 15-50 1—20 5-10 10-15 5-10 1-5 5-15 1-5 1-5 1-5 |
0,03 0,004 0,09 0,07 0,22 0,06 0,30 0,56 0,34 0,56 |
0,35 0,35 0,44 0,54 0,57 0,79 0,37 0,39 0,49 0,39 |
2 2 1,45 1,06 0,65 0,4 0,9 0,39 0,52 0,39 |
Рис.24
Рис.25.
На рис.25 представлена демонстрация возможности одностороннего преимущества при постановке М3, связанного с тем, что противнику не известна область спектра, где 0. Этот участок может быть использован для «скрытой» связи по аналогии с запасными частотами в радиосвязи. Представленный эффект достигается за счет оптимизированного подбора вещества частиц в М3, обладающих определенным комплексным показателем преломления n() и спектром размеров частиц N(r).
Ранее было отмечено, что такие газы ка СО2, СО, СН4 и ряд других представлены в атмосфере Земли практически в постоянной концентрации имеющей лишь незначительный (вековой) тренз. Вместе с тем в отдельных участках пространства в условиях, когда имеет место приземная инверсия температуры угарный газ СО может накапливаться и более существенно влиять на оптику атмосферы. Этот факт демонстрирует рис.26.
Рис.26
Типичная погодная ситуация накопления СО в приземной атмосфере – зима, инверсия температуры, наличие интенсивных источников угарного газа –автомобилей и отопительных систем. Причем из рис.26 следует, что увеличение концентрации СО коррелирует с аэрозольным помутнением воздуха, которое определяет величина метеорологической дальности видимости. Подчеркнем, однако, что приведенный пример имеет границы в пространстве и времени и мало заметен в глобальном распределении.
Наконец рис.27 позволяет сравнить (оценки специалистов США) модель, предлагаемую с учетом соотношения (22) (на рисунке – кривые , для возможных вариаций ). С принятой в США стилизованной моделью атмосферного аэрозоля (пунктир). Действительно модель аэрозоля, принятая в США входит в программу “Lowtran” и предлагает учитывать только такие состояния аэрозоля, как “сельский”, “городской”, “морской”, что не может быть адекватным отражением атмосферыс характерным для неё перемещением воздушных масс (Vср50 км/час)
Рис.27
Пример оценки радиационных контрастов малоразмерных объектов по данным численного моделирования в области спектра 8-14 мкм.
Представленные сведения об объектах (фоне) и ослаблении излучения в атмосфере позволяют представить пример их применения в общей оценке контрастов малоразмерных объектов, под которыми будем понимать объекты мешающие пилотированию (ОМП) на низких высотах. ОЭС работает в области 8-18 мкм, т.е. является тепловизором.
Рассмотрим сначала метод расчета радиационных контрастов низкотемпературных препятствий на пригоризонтальных фонах Земли и атмосферы. При этом принимаем, что отражательные характеристики (альбедо ) и температура объектов и подстилающих поверхностей известны.
|
Значения коэффициентов черноты некоторых конструкционных материалов в области спектра 8-13 мкм |
|
|
Материал |
Коэффициент черноты (1-)= |
|
Кирпич Бетон Древесина Окрашенное железо Окись алюминия Сталь коррозионно –стойкая |
0,93 0,81 0,90 0,90 0,75 0,50 |
Нужно различать фон излучения подстилающей поверхности под зенитным углом наблюдения и фон атмосферы, когда линия визирования не пересекает подстилающую поверхность, а проходит над ней на некоторой высоте Zh при наблюдении с высоты Zmin.Спектральная яркость восходящего излучения Земли описывается излучением черного тела с температурой равной температуре подстилающей поверхности, причем коэффициент черноты =(1-)=0,8-0,99. В области спектра 8-14 мкм альбедо подстилающей поверхности наиболее низко для песка (1-)=0,8 и близко к 1 для мокрых почв и водной подстилающей поверхности.
В области 8-13 мкм естественные препятствия имеют значение альбедо , изменяющееся в довольно широких пределах – от 0,5 до 0,05 /В таблице выше приведены значения коэффициента черноты для некоторых конструкционных материалов/.
Радиационный контраст объектов определяется по формуле (15) или аналогичной ей
,
(30)
где Iоб – интенсивность излучения от объекта, Iф – интенсивность излучения фона. Однако для низкотемпературных объектов необходим учет излучения фонов, отраженных от объекта. Последние будут зависеть от направления визирования объекта, так как на горизонтально ориентированную площадку падает излучение с верхней полусферы (нисходящее излучение неба), а на вертикально ориентированную площадку падает излучение неба (из верхней полусферы) и излучение Земли. При тех же самых величинах альбедо отраженное объектом излучение фона для горизонтально ориентированной площадки всегда меньше, чем для вертикальной. Таким образом необходимо рассматриватьдва направления визирования – “в горизонт” (вертикальная площадка) и сверху (горизонтальная площадка).
Итак, для расчета радиационного контраста необходимо знать температуру объекта Тоб и фона Тф, которые, наряду с известными величинами об и ф позволяют расчитать яркость фона Воб=В(Тоб)об и объекта Вф=В(Тф)ф на основе данных о яркости АЧТ В(Тоб) и В(Тф).
Введем далее
следующее
обозначение:
- средняя
интенсивность
нисходящего
(т.е. направленного
сверху вниз)
и восходящего
излучений
атмосферы
как одной из
составляющих
фона. При этом
расчет
выполняется
по формуле
(31)
Температура поверхности как препятствий, так и окружающего фона зависит от многих факторов - таких как положение Солнца на небосводе, замутненность атмосферы, наличие или отсутствие облачности, влажность атмосферы и почвы, скорость ветра и др. В связи с тем, что теплопроводность и теплоемкость объектов на естественных фонах. различаются, в условиях сильных солнечных засветок наблюдаются значительные перепады температуры объекта и имеет место достаточно высокий контраст при наблюдении Радиационные и температурные контрасты существенно снижаются приналичии облачности, сильной замутненности атмосферы. В этих ситуациях контрастность объектов определяется отличиями в величинах коэффициента черноты объектов.
Величины температурных контрастов определяются среднеинтегральной яркостной температурой объекта и фона
(32)
Если радиационная температура объекта больше радиационной температуры фонов, то наблюдается положительный температурный контраст. В противном случае – температурный контраст отрицательный. и относительного радиационного контраста по формуле приведенной выше. В дневных летних условиях разброс радиационных температур яркости естественных фонов очень велик от 15 до 50С, в связи с чем объекты могут иметь в зависимости от яркости фонов как положительные, так и отрицательные температурные контрасты, которые зависят от типа подстилающей поверхности (почва, асфальт, водная поверхность) и особенно от влажности почвы. Важно также учитывать наличие тени облаков. Только для влажной почвы (например, после обильных осадков) температурные контрасты объектов являются положительными. В ночных условиях радиационные контрасты объектов являются положительными. Большинство ОМП в сумерках приобретают заметность в основном за счет большей инерционности при радиационном выхолаживании. Большое значение приобретает здесь протяженность препятствий, от которых зависит теплоемкость ОМП и время радиационного остывания ОМП.
Наблюдение объектов препятствий всегда выгодно вести в зоне горизонта, так как рост температуры естественных фоновых ансамблей в этом случае часто приводит не к ухудшению видимости ОМП, а улучшению за счет подсветки их восходящим тепловым излучением естественных фонов.
Величины температурных контрастов объектов в различных атмосферных условиях визирования для визирования в “горизонт”
Объект |
Условия наблюдения |
Яркостная температура фона | Температурный контраст |
| 1 | 2 | 3 | 4 |
| Кирпичное отапливаемое здание | зима,ясно,температура атмосферы Т=-10 С |
-15 |
=8С |
| Кирпичное здание, отопление отсутствует |
-15 |
=5С |
|
| Кирпичное здание, отопление отсутствует |
лето,=20С |
+10 |
=3С |
| Кирпичное здание отопление отсутствует |
лето,=16С |
+14 |
=3С |
| Дерево одиночное |
зима,ясно,температура атмосферы Т=-10С |
-15 |
=3,5С |
| Дерево одиночное |
лето,ясно,температура атмосферы Т=-20С |
+19 | =8С–солн.сторона =4С-тень |
| Провода обесточенные |
зима,ясно,температура атмосферы Т=-10 С |
-15С |
=4С |
| Провода обесточенные |
лето, Т=20С, полдень |
+19С |
=1,5С |
| Провода обесточенные |
лето, ясно, ночь =16С |
+14С |
=0,7С |
| Столб железобетонный диаметром 30 см |
лето,ясно,полдень =20С лето, ясно, ночь зима, Т=-10С |
+19С +14С -15С |
=3С =1,5С =4,5С |
| Столб деревянный диаметром 30 см |
лето, полдень, ясно =20С лето, ясно, ночь=16С зима, полдень Т=-10С зима, ночьТ=-10С |
+19С +14С -15С -15С -12С |
=16Ссолн.сторона=3С-тень =2С =3С =5С |
| Провода | зима,облачность сплошная |
-12С |
=1,5С |
| Кирпичное отапливаемое здание |
Температура атмосферы Т=-10С |
-12С |
=4С |
| Кирпичное здание отопление отсутствует |
-12С |
=1С |
|
| Столб железобетонный |
-12С |
=1С |
|
| Кирпичное здание, неотапливаемое |
Лето,облачность сплошная,температура атмосферы Т=20С полдень |
+19С |
=2С |
Величины температурных контрастов объектов в различных атмосферных условиях визирования для визирования в “надир”
Объект |
Условия наблюдения |
Яркостная температура фона | Температурный контраст |
| 1 | 2 | 3 | 4 |
|
Кирпичное отапливаемое здание |
зима,температура атмосферы Т=-10 С полдень |
-12С |
2,5С |
|
Кирпичное отапливаемое здание, |
зима,температура атмосферы Т=-10 С ночь |
-12С |
1,6 C |
| Кирпичное неотапливаемое здание |
зима,температура атмосферы Т=-10С |
+12С |
-0,3C |
| Кирпичное неотапливаемое здание |
зима,температура атмосферыТ=-10С |
-12С |
-0,3 C |
| Провода обесточенные |
зима,температура атмосферы Т=-10С день зима,температура атмосферы Т=-10С |
-12С -12С |
-0,7C -0,7 С |
| Столб железобетонный |
ночь зима,температура атмосферы Т=-10С |
0,5С |
|
| Столб деревянный |
день,ночь зима,температура атмосферы Т=-10С день, зима,температура атмосферы Т=-10С |
-12С -12С -12С |
3 С 0 С 30 С |
| Кирпичная труба действующих котельных |
ночь,зима,температура атмосферы=-10С |
-12С |
|
Одинокое дерево |
день, ночь,зима, температура атмосферы Т=-10С день,зима,температура атмосферы Т=-10С |
-12С -12С |
1,5 С 0 С |
Оптические материалы
В данном разделе дадим краткую информацию о материалах, которые используются разработчиками ОЭС.
Оптические материалы необходимы для изготовления фильтров, дифракционных решеток , входных окон, элементов объективов – зеркал, линз.
Основными характеристиками оптичеких материалов следует считать:
показатель преломления n и дисперсия (изменения n по длинам волн);
поглощение, пропускание отражение;
физические свойства (твердость, растворимость, теплофизические свойства).
Показатель преломления
Показатель
преломления
оптических
материалов
в общем случае
комплексная
величина
,
изменяющаяся
по спектру длин
волн. Существует
два типа зависимостей
показателя
преломления
m
(соответственно
n
и к)
от .
а) Материалы с нормальной дисперсией.
Эти материалы имеют хорошее пропускание в той области спектра, где они применяются. Типичный спектральный ход n и к показан на рис.28
Рис.28
б) материалы с аномальной дисперсией.
Это материалы, которые используются в оптических элементах в области длин волн, прилегающей к спектральной полосе поглощения. Показатель преломления здесь меняет знак, так как показано на рис.29

Рис. 29
Отметим,
в частности,
что материалы,
имеющие спектральные
области аномальной
дисперсии
применяются
для изготовления
т.н. дисперсионных
фильтров, основанных
на эффекте
Христиансена.
Суть последнего
заключается
в том, что при
условии
и для двух сред
с n1
и n2
при величине
n
0 в
области аномальной
дисперсии
рассеяние на
однородности
прозрачного
материала имеет
ярко выраженную
селективность
– полосу пропускания.
Пропускание, отражение
Показатель ослабления k в области нормальной дисперсии определяет пропускание материала (поглощение в нем излучения).
Исходя из законов Френеля можно определить коэффициент отражения R, т.е. отношение отраженного излучения к величине приходящего потока излучения. При нормальном падении
(33 )
В случае, если среда прозрачна, т.е. k=0
(34)
При нанесении на поверхность среды с показателем преломления n слоя, имеющего показатель преломления n, толщиной l, при условии, что nl=/, коэффициент отражения такой двухслойной системы определяется формулой:
,
(35)
из
которой видно,
что R
становится
равным нулю
при
.
Например, для германия (n=4) при =10 мкм при нанесении слоя сульфида цинка (ZnS) с показателем преломления n=2,2 и толщиной l=/4n=10/8,8=1,14 мкм, коэффициент отражения будет равен:
,
т.е. имеет место
(36)
эффект просветления (без просветления RGe = 0,36). Многослойное просветляющее покрытие позволяет снизить отражение на границе двух сред в более широкой спектральной области и таким образом уменьшить потери излучения в рабочей спектральной области ОЭС.
В качестве просветляющих покрытий используются пленки следующих веществ:
MgF2 – фтористый магний (n=1,38)
SiO – окись кремния (n=1,6-1,9)
СеО2 – окись церия (n=2,2)
ZnS – сульфид цинка (n=2,2)
AlF3-NaF-криолит (n=1,3)
Для металлов, т.е. материалов с большим k
,
(37)
где с – скорость света,
- электрическая проводимость,
- круговая
частота.
Из (36) видно, что для металлов R растет с ростом и . Это обстоятельство, в частности, обращает внимание на то, что зеркальная поверхность, изготовленная путем нанесения слоя алюминия, меди, серебра и золота, которую следует характеризовать, прежде всего, величиной R, будет лучше всего в случае позолоченной поверхности, несколько хуже – для серебра, затем для меди, еще хуже – для алюминия с учетом определяющих эти наиболее распространенные материалы зеркальных покрытий величин .
Физические свойства материалов
При выборе оптического материала следует учитывать их механические, теплофизические, электрические и химические свойства. В первом случае – это прежде всего твердость. Твердость обычно определяется как отношение нагрузки P к площади S и имеет размерность давления.
Определение твердости важно, когда выбирается материал для обтекателей и входных окон, а также для других деталей, которые должны подвергаться оптической полировке и сохранять свое состояние в процессе эксплуатации. Из практики следует, что твердость материалов указанных элементов должна быть не менее 15. Это качество должно сохраняться при воздействии химических реактивов, влажности, температуры. Теплофизические свойства важны для материалов, работающих при значительных перепадах температур. Здесь следует оценить теплопроводность, тепловое расширение, удельную теплоемкость.
Используемые оптические материалы
Материалы, используемые в оптике, включают стекла, керамики, природные и синтетические кристаллы, а также пластмассы и металлы.
Стекла и керамика
Большинство стекол прозрачно лишь в области 2,7 мкм из-за сильного поглощения ионами ОН. Плавленный кварц имеет длинноволновую границу ~5 мкм (далее поглощение /Si –0/. Используются специальные стекла из алюмината кальция, а также полученная горячим прессованием керамика на основе фтористого магния, InS, флюорита (CaF2), MgO, теллурида кадмия (CdTe) и др.
Кристаллы
Наиболее употребимы монокристаллы NaCl, CaF2, сильвин (КСl), AgCl, бромисто-йодистый калий КRS (КRS-5) и таллий (КRS-6).
Поликристаллические структуры
Кремний,германий, арсенид галлия.
Пластические материалы
Полиметилметакрилат – плексиглас, полиэтилен.
Металлы – алюминий, медь, золото, серебро. На их поверхность обычно наносится защитное покрытие – SiO (окись кремния).
Примеры характеристик оптических материалов.
1.Баросиликатный крон (SiO2, B2O3, K2O, Na2O)
(0,2 –2,7, твердость~300,нерастворим в воде.
2.Тяжелый флинт (SiO2, K2O, Na2O,РbO)
(0,25 –3,0, нерастворим )
3.Плавленный кварц (SiO2)
(0,2 – 4,2, 460,0, нерастворим).
4.Керамика ZnS
(0,35 – 13,5, 354, нерастворимая).
5.Керамика CaF2
(0,2 –12,0, 200, слабая растворимость)
6.Керамика ZnSе
(0,4 –20,0, 100-250, нерастворимая).
7.NaCl
(0,21 –26,0, 18, сильная растворимость)
8.NaF
(0,2 –15, 60, умеренная растворимость)
9.КСl
(0,2 –30,0, 8, сильная растворимость)
10.KBr
(0,23-40, 6 –7, сильная растворимость)
11.LiF
(0,12 –9, 110, нерастворим).
12.Хлористое серебро
(0,45 –28,0, 0,5, нерастворимо, чернеет под действием УФ).
13.Германий
(1,8 –23,0, 700, нерастворим)
14.Al2O3
0,17 –6,5, 1700, нерастворим).
15.Кварц – природный аристал (0,2 – 4,5, 741, нерастворим)
16.Полиэтилен
(0,2 – 3,2; 35 – 7; 7,5-13, 14-30)
Нетрадиционные оптические материалы на основе стекла
Общее требование к оптическому стеклу (ОС) – химическая и структурная однородность. В новейших производственных процессах изготовления ОС совершенствуется технология ‘золь-гель”, в которой используется раствор кремнезёма, однородный на уровне, близком к молекулярному с исключением стадии плавления. Другое направление - управляемое создание в однородном оптическом стекле структурно-химических неоднородностей, придающих стеклу новые свойства, в частности, выделение в объеме стекла кристаллической фазы с формированием композиционного материала, который сочетает свойства стекла и кристалла. Это- ситаллы (доля кристаллической фазы ~ 70…80%), обладающие высокой механической и тепловой стойкостью, термостойкостью и коэффициентом термического расширения близким к 0 (астроситаллы). Перспективно также создание стекол с микродисперсной полупроводниковой фазой, в которых концентрация кристаллической фазы 1% в связи с малой растворимостью полупроводниковых соединений в стеклообразной матрице. Эти композиты обладают, в частности, фотохромными нелинейно-оптическими свойствами и создаются с добавлением галогенидов серебра и меди на основе сульфоселенидов кадмия.
Оптические фильтры
Задача улучшения отношения сигнал/шум, выделения полезной информации на фоне помех не может быть решена без применения методов оптической фильтрации. Т.о. оптические фильтры – один из основных элементов ОЭС.
Классификация оптических фильтров
Оптические фильтры с учетом выделяемой области спектра разделяются на полосовые и отрезающие. Для классификации фильтров по физическому принципу их взаимодействия с излучением необходим учет не только оптических постоянных материала, но и отношения длины волны фильтруемого излучения к размерам конструктивных элементов фильтра. Лишь в простейшем случае, когда оптический фильтр (ОФ) представляет собой плоскопараллельную пластинку от соотношения показателей преломления и поглощения зависит, какая часть спектра излучения пройдет через пластинку. При этом, если пластинка имеет области селективного отражения, то она может использоваться как отражающий фильтр, при сильном поглощении в отдельных участках длин волн пластинка будет фильтровать проходящее излучение, т.е. являться поглощающим фильтром.
В том случае, если одно измерение пластинки, например, толщина уменьшается, наступают условия, при которых становятся существенными волновые эффекты. В частности, если размеры пластинки в двух измерениях велики по сравнению с длиной волны, а в одном сравнимы, т.е. она обращается в тонкую пленку и наблюдается интерференция волн в отраженном и прошедшем потоках. Система таких пленок с соответствующим образом подобранными оптическими постоянными позволяет реализовать интерференционный фильтр.
Если два измерения пластинки сравнимы с длиной волны и она преобразуется в полоску или нить, то наступит более сложный характер интерференционного взаимодействия излучения с объектом – дифракция. Система таких полос, представляющих собой совокупность неоднородностей в поле излучения, составляет дифракционный фильтр.
Наконец, если все три измерения пластинки сранимы с длиной волны и пластинка обращается в частицу, форма которой может быть произвольной – то наступает самый сложный случай взаимодействия – рассеяние излучения. Совокупность частиц, а также шероховатая поверхность раздела двух сред, размеры неоднородностей которых сравнимы с длиной волны могут служить рассеивающими фильтрами. Вообще говоря, оптические неоднородности, в рассеивающем фильтре обладают дисперсией оптических постоянных. Если, например, показатель преломления совпадает с показателем преломленияокружающей среды лишь для одного узкого участка длин волн, то такая система фильтрует проходящее излучение и называется рассеивающим дисперсионным фильтром. Т.о. спектральная характеристика ОФ зависит как от спектрального хода оптических постоянных, так и от соотношения между конструктивными элементами фильтра и длиной волны фильтруемого излучения. В некоторых случаях удается использовать оба эти фактора.
Характеристики ОФ
Выше отмечалось, что ОФ разделяется на полосовые и отрезающие.
Полосовые
фильтры характеризуют
0(max),
Тmax,
полушириной
на уровне
0,5 Тmax,
Тmin в
крыльях, контрастностью
(см. рис.30).
Соответственно для отрезающего фильтра: Tmin, 0,1, 0,1Tmax, 0,5Tmax, 0,9Tmax, Tmax и их положение в центре.
Крутизна полосового ОФ
(38)
Для полосовых П – образных фильтров должны быть заданы граничные длины волн.

![]()
![]()
![]()
![]()
Tmin
T0,1
T0,5
T0,9
Tmax
T
Тмах
![]()
![]()

Тмин
0,1
0,5
0,9
max
max
Рис. 30Заметим, что, если область чувствительности приемника излучения значительно шире ОФ, величина Tmin должна быть прослежена во всем интервале .
Основные типы оптических фильтров.
Отражающие фильтры
Здесь должны быть выделены:
фильтры для выделения достаточно широких участков длин волн, работающие по методу остаточных лучей. В таком фильтре используется наличие у его материала области с резко заниженным коэффициентом отражения. В этом случае организуется схема, в которой от материала фильтра (кристаллов) после двух –трехкратного отражения в спектре остаются только те лучи, которые относятся к области максимального отражения (схема Уайта). Материалы: LiF, CaF2, NaCl и т.д. для области >50 мкм.
Диэлектрические зеркала можно отнести к фильтрам, работающим по методу остаточных лучей и образуются за счет использования многократного отражения от зеркал, изготовленных из многослойных диэлектрических покрытий.
![]()
![]()
![]()

![]()
![]()

Фильтры полного внутреннего отражения.
![]()

Простейшее конструктивное исполнение: излучение с длиной волны большей чем зазор между призмами проходит в прямом направлении. С меньшими длинами волн – отражается от воздушного промежутка.
Отражение от дифракционных решеток и сеток.
Матированные зеркала – используется зеркальная составляющая рассеянного излучения, амплитуда которого зависит от дисперсности частиц на поверхности зеркал.
Поглощающие фильтры
Конструктивно – это пластинки (кристаллические, стекла, оптическая керамика, пластмассы), а также кюветы, наполненные жидкостью или газом: жидкостные и газовые фильтры.
Интерференционные фильтры
Узкополостные и отрезающие представляют собой пластину из оптического материала, на которую наносится последовательность пленок других оптических материалов.Интерференция излучения в такой системеи определяет требуемые характеристики ОФ.
Рассеивающие дисперсионные фильтры
Представляют собой пластины оптического материала с нанесенным слоем мелкодисперсных частиц с заданным n() и спектром размеров.
Комбинированные фильтры – интерференционно-абсорбционные
Закон Бугера применим при молекулярном поглощении только для монохроматического излучения.
Похожие рефераты:
Применение лазеров в технологических процессах
Автоматизированные системы обработки информации и управления
Дискретизация и квантование изображений
Проект высокоскоростной локальной вычислительной сети предприятия
Передающее устройство одноволоконной оптической сети
Передающее устройство одноволоконной оптической сети
Устройства генерирования и канализации субмиллиметровых волн
Электромагнитные волны в волноводном тракте
Анализ и моделирование методов когерентной оптики в медицине и биологии
Анализ погрешностей волоконно-оптического гироскопа