| Скачать .docx |
Реферат: Цифровые устройства и микропроцессоры
МИНИСТЕРСТВО ВНУТРЕННИХ ДЕЛ
РОССИЙСКОЙ ФЕДЕРАЦИИ
ВОРОНЕЖСКИЙ ИНСТИТУТ
КОНТРОЛЬНАЯ РАБОТА № 1
по предмету “Цифровые устройства и микропроцессоры”
Вариант 8
Выполнил: слушатель 31 учебной группы
радиотехнического факультета з/о
Оларь Андрей Геннадьевич
шифр 00/72
347800 Ростовская область г. Каменск
ул. Героев-Пионеров д. 71 кв. 72
Проверил:
“_____” _______________ 200__ г.
ВОРОНЕЖ 2002 г.
Задания
стр.
1. Расставить числа в порядке возрастания и объяснить свой выбор (8910 , 2Е16 , 578 , 1110112 ) ......................................................................... - 4
2. Выполнить арифметические операции над двоичными числами, используя обратный код: а) 10111012 -1101112 ; b )10101112 -11100112 .......... - 4
3. Упростить выражение, применив правила де Моргана и основные тождества алгебры логики: а)
,
b
)
................................................................... - 4
4. ![]()
По таблице работы логического устройства записать СКНФ:..... - 5
a) получить минимальную нормальную форму (мкнф) с помощью метода Квайна;
b) построить логическую схему устройства в базисе ИЛИ-НЕ;
c) провести анализ работы полученной схемы при х1 =1, х2 =0, х3 =0.
5. Нарисовать символическое изображение и таблицу работы синхронного RS-триггера. В какое состояние перейдёт триггер, если на его входы последовательно подавать сигналы:........................ - 6

6. Построить схему регистра D-триггеров для записи числа 1010 , начиная с цифры младшего разряда. Составить таблицу состояний его триггеров, показывающую запись отдельных цифр............... - 7
7. Частота следования импульсов на выходе второго триггера счётчика – 256 кГц. Сколько триггеров должен иметь счётчик, чтобы на его выходе получить импульс с частотой 32 кГц, 4 кГц.......... - 7
8. Построить схему суммирующего счётчика Т-триггеров ёмкостью 28...................................................................................................... - 8
9. Разработать логическую схему таймера с прямым отсчётом времени и выдачей звукового сигнала. Частота генератора – 1700 герц. Предусмотреть кнопки пуска, остановки и сброса. Указание : для сравнения заданного времени, следует использовать микросхему сравнения (типа К531СП1) ................................................................................... - 8
10. Найти по справочнику микросхему К555ИР9 . Нарисовать её условное изображение и выписать параметры (с учётом обозначения):.................................................................................................. - 11
а) типоразмер и изображение корпуса; б) напряжение питания и выводы, на которые оно подаётся; в) напряжения логических нуля и единицы; г) ток потребления (потребляемая мощность); д)диапазон рабочих частот; е) интервал рабочих температур; ж)время задержки включения (выключения); з) коэффициент объединения по входу; и) коэффициент разветвления по входу.
11. Что означают сокращения: ТТЛ, ДТЛ, n-МОП? Указать их основные отличительные характеристики............................................... - 12
12. Назначение и основные функции микропроцессора?.................... - 13
13. Используя команды типового МП К1804, составить программу в машинных кодах:............................................................................ - 14
- выполнить загрузку числа 12 в ячейку Q , а 9 в РОН с адресом 3;
- из первого числа вычесть число 8 из шины данных, результат разместить в РОН с адресом первого числа;
- третье число сдвинуть на один разряд вправо и сложить с суммой первых двух чисел. Результат разместить в РОН с адресом 9.
14. Использованная литература........................................................... - 14
1. Расставить числа в порядке возрастания и объяснить свой выбор:
(8910 , 2Е16 , 578 , 1110112 )
Переведём данные числа в десятичную систему исчисления, кроме 8910 , так как это число уже является десятичным.
1) 2Е16 - так как 2Е16 =2*16+14=4610 ;
2) 578 - так как 578 =5*8+7=4710 ;
3) 1110112 - так как 1110112 =32+16+8+2=5910 ;
4) 8910
46<47<59<89
2. Выполнить арифметические операции над двоичными числами, используя обратный код:
а) 10111012 -1101112 ; b ) 10101112 -11100112
a) 10111012 -1101112 =1001102 _ 1011101
110111
+ 01011101
11001001
00100110
100110
b) 10101112 -11100112 =-11011 _ 1010111
1110011
+ 01010111
10001101
11100100
- 11011
3. Упростить выражение, применив правила де Моргана и основные тождества алгебры логики:
а)
,
b
)
![]()
a) ![]()
![]()
![]()
b) ![]()
4.
![]()
По таблице работы логического устройства записать СКНФ:
a) получить минимальную нормальную форму (мкнф) с помощью метода Квайна;
b) построить логическую схему устройства в базисе ИЛИ-НЕ;
c) провести анализ работы полученной схемы при х1 =1, х2 =0, х3 =0.
Для данной функции СКНФ будет иметь вид:
![]()
a) получим МКНФ данной функции с помощью метода Квайна:
Сравним попарно все члены функции: 1 и 2 члены не имеют общих импликант; 1 и 3 члены
; 3 и 5 члены
; 4 и 5 члены
.
Составим таблицу:
|
|
|
|
|
|
|
|
|
* |
* |
|||
|
|
* |
* |
|||
|
|
* |
* |
Из таблицы видно, что МКНФ данной функции будет иметь вид:
![]()
b) построить логическую схему устройства в базисе ИЛИ-НЕ;

Логическая схема данного устройства в базисе ИЛИ-НЕ:
c) провести анализ работы полученной схемы при х1 =1, х2 =0, х3 =0.
Данное устройство состоит из элементов ИЛИ-НЕ, а на его входе присутствует лог «1» (х1 =1), то на его выходе тоже будет лог «1», так как для данных логических элементов активным логическим сигналом является «1», следовательно, у(1,0,0) = 1.
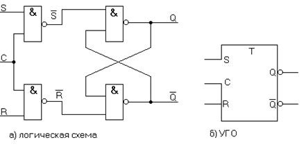
5. Нарисовать символическое изображение и таблицу работы синхронного RS -триггера. В какое состояние перейдёт триггер, если на его входы последовательно подавать сигналы:

Символическое изображение RS-триггера с инверсными входами:

Таблица работы синхронного RS-триггера:
| Таблица-1 |
Таблица-2 |
|||||||||
| S |
R |
C |
Q |
Режим работы |
Входы |
Выходы |
||||
| Н |
Н |
/ |
|
Инверсия |
C |
S |
R |
Q |
|
|
| L |
Н |
/ |
Н |
Запись Н |
0 |
0 |
0 |
Q |
|
|
| Н |
L |
/ |
L |
Запись L |
0 |
1 |
0 |
Q |
|
|
| L |
L |
/ |
Q* |
Предшествующее состояние |
0 |
0 |
1 |
Q |
|
|
| 0 |
1 |
1 |
Q |
|
||||||
| 1 |
0 |
0 |
Q |
|
||||||
| 1 |
1 |
0 |
1 |
0 |
||||||
| 1 |
0 |
1 |
0 |
1 |
||||||
| 1 |
1 |
1 |
* |
* |
||||||
Как видно из таблицы № 2, состояние сигналов на входах S=R=C=1 недопустимо, что обозначено «*» (это является основным недостатком RS-триггеров).
6. Построить схему регистра D -триггеров для записи числа 1010 , начиная с цифры младшего разряда. Составить таблицу состояний его триггеров, показывающую запись отдельных цифр
Для записи 4-х разрядного числа, начиная с цифры младшего разряда, целесообразно применить не отдельные D-триггеры (К555ТМ2, ТМ7, ТМ8, ТМ9), а сдвигающий регистр К555ИР11А (смотреть рисунок). Биты 4-х разрядного числа надо подавать на вход D и сдвигать импульсами с входа L.
| Десятичная запись |
10 |
5 |
2 |
1 |
| Двоичная запись |
1010 |
101 |
10 |
1 |

7. Частота следования импульсов на выходе второго триггера счётчика – 256 кГц. Сколько триггеров должен иметь счётчик, чтобы на его выходе получить импульс с частотой 32 кГц, 4 кГц
Каждый триггер счётчика уменьшает частоту в два раза, следовательно, частота на входе счётчика – 210 =1024 кГц.
Составим таблицу падения частоты на триггерах счётчика:
| Частота, кГц |
|
| Вход счётчика |
1024 |
| Выход 1-го триггера |
512 |
| Выход 2-го триггера |
256 |
| Выход 3-го триггера |
128 |
| Выход 4-го триггера |
64 |
| Выход 5-го триггера |
32 |
| Выход 6-го триггера |
16 |
| Выход 7-го триггера |
8 |
| Выход 8-го триггера |
4 |
| Выход 9-го триггера |
2 |
| Выход 10-го триггера |
1 |
Из чего следует, что для получения на выходе счётчика импульса с частотой 32 кГц, счётчик должен состоять из 5-ти триггеров. А для получения, на выходе счётчика, импульса с частотой 4 кГц, счётчик должен состоять из 8-ми триггеров.
8. Частота следования импульсов на выходе второго триггера счётчика – 256 кГц. Сколько триггеров должен иметь счётчик, чтобы на его выходе получить импульс с частотой 32 кГц, 4 кГц
Т – триггеры, в отличие от D и JK – триггеров, выпускаются в интегральной форме не в виде отдельных микросхем, а виде двоичных счётчиков, например: К555ИЕ19 – два 4-х разрядных двоичных счётчика . Ёмкость счётчика 28=4*7. При этом 710 =1112 .
Ниже приведена схема счётчика:

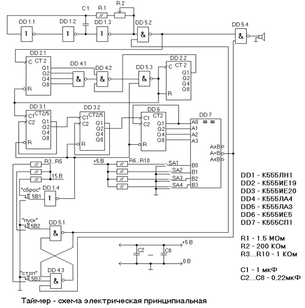
9. Разработать логическую схему таймера с прямым отсчётом времени и выдачей звукового сигнала. Частота генератора – 1700 герц. Предусмотреть кнопки пуска, остановки и сброса.
Указание : для сравнения заданного времени, следует использовать микросхему сравнения (типа К531СП1)
Частота 1,7 кГц является не стандартной частотой (в большинстве случаев применяются генераторы с кварцевым резонатором частоты, например: 100 кГц, либо с синхронизацией от сети 50 Гц). Если таймер должен отсчитывать время в секундах (в задании это не оговорено), то входную последовательность импульсов необходимо разделить на 1700=17*10*10, что легко может быть реализовано с применением микросхем К555ИЕ19 и К555ИЕ20.
Микросхема К555СП1 позволяет сравнивать без приращения разрядности 4-х разрядные двоичные коды. Так как в задании не оговорен предел измерений таймера, то мы можем ограничиться пределом 16 секунд.
Функциональная и принципиальная схемы таймера представлены ниже :


10. Найти по справочнику микросхему К555ИР9 . Нарисовать её условное изображение и выписать параметры (с учётом обозначения):
а) типоразмер и изображение корпуса; б) напряжение питания и выводы, на которые оно подаётся; в) напряжения логических нуля и единицы; г) ток потребления (потребляемая мощность); д)диапазон рабочих частот; е) интервал рабочих температур; ж)время задержки включения (выключения); з) коэффициент объединения по входу; и) коэффициент разветвления по входу.
Условное изображение ИМС К555ИР9:

Корпус 2103-16.2 (старое обозначение 238.16-1):
- шаг выводов 2,5 мм (изображение корпуса приведено на рисунке ниже);

- напряжение питания 5±5% В на 16 вывод, 0 В на 8 вывод;
- L – не более 0,4 В; Н – не менее 2,5 В, не более 5,5 В;
- ток потребления не более 3 мА;
- диапазон рабочих частот не более 25 МГц;
- интервал рабочих температур от 100 С до 700 С;
- время задержки включения/выключения 20 нс (Сн =15 пФ);
- коэффициент объединения по входу – 1;
- коэффициент разветвления по входу – 10.
11. Что означают сокращения: ТТЛ, ДТЛ, n -МОП? Указать их основные отличительные характеристики.
ТТЛ – транзисторно-транзисторная логика , ДТЛ – диодно-транзисторная логика , n-МОП – логика на униполярных транзисторах с n-каналом . Все эти сокращения обозначают тип схемотехники и конструкции цифровых микросхем.
В настоящее время ДТЛ не применяется, ТТЛ вытеснены совместимыми с ними по уровням питания и сигналов сериями ТТЛШ (ТТЛ с диодами и транзисторами Шоттки (К555, К1531 и т.д.)), а n-МОП логика вытеснена КМОП (К564, К1564, К1554).
Основными параметрами, которые позволяют производить сравнение базовых ЛЭ различных серий, являются:
- напряжение источника питания – определяется величиной напряжения и величиной его изменения. ТТЛ – рассчитаны на напряжение источника питания равное 5 В ± 5%. Большая часть микросхем на КНОП структурах устойчиво работает при напряжении питания от 3 до 15 В, некоторые – при напряжении 9 В ± 10%;
- уровень напряжения логического нуля и логической единицы – это уровни напряжения, при которых гарантируется устойчивое различение логических сигналов, как нуля, так и единицы. Различают пороговое напряжение логического нуля (U0 пор ) и логической единицы (U1 пор ). Напряжение низкого и высокого уровня на выходе микросхем ТТЛ U0 пор <2,4 В; U1 пор >0,4 В. Для микросхем на КНОП структурах U0 пор <0,3*Uпит ; U1 пор >0,7*Uпит . В тоже время отклонение выходных напряжений от нулевого значения и напряжения питания, достигают всего нескольких милливольт;
- нагрузочная способность – характеризуется количеством элементов той же серии, которые можно подключить к выходу элемента без дополнительных устройств согласования и называется коэффициентом разветвления по выходу. Для большинства логических элементов серии ТТЛ составляет 10, а для серии КМОП – до 100;
- помехоустойчивость – характеризуется уровнем логического сигнала помехи, которая не вызывает изменения логических уровней сигнала на выходе элемента. Для элементов ТТЛ статическая помехоустойчивость составляет не менее 0,4 В, а для серии КНОП – не менее 30% напряжения питания;
- быстродействие
– определяется скорость переключения логического элемента при поступлении на его вход прямоугольного управляющего сигнала требуемой величины. Предельная рабочая частота микросхем серии ТТЛ
составляет 10 МГц, а микросхем на КНОП
структурах – лишь 1 МГц. Быстродействие определяется так же, как и среднее время задержки распространения сигнала:
, где
и
- времена задержки распространения сигнала при включении и выключении. Для микросхем ТТЛ
составляет около 20 нс, а для микросхем на КНОП
структурах – 200 нс;
- потребляемая микросхемой от источника питания мощность – зависит от режима работы (статистический и динамический). Статистическая средняя мощность потребления базовых элементов ТТЛ составляет несколько десятков милливатт, а у элементов на КНОП структурах она более чем в тысячу раз меньше. Следует учитывать, что в динамическом режиме, мощность, потребляемая логическими элементами, возрастает;
- надёжность
– характеризуется интенсивностью частоты отказов. Средняя частота отказов микросхем со средним со средним уровнем интеграции составляет:
1/час.
Для согласования уровня сигналов ТТЛ и КНОП применяют специальные ИМС (например, К564ПУ4).
12. Назначение и основные функции микропроцессора?
Процессор предназначен для выполнения арифметической и логической обработки информации. Арифметические и логические операции можно выполнять как на дискретных элементах и на основе микросхем малой и средней степени интеграции, что приводит к росту размеров процессора, так и на БИС. В последнем случае говорят о микропроцессоре (МП).
К функциям микропроцессора можно отнести :
- выбор из программной памяти ЭВМ команд, дешифрация и выполнение их;
- организация обращения к памяти и устройствам ввода-вывода;
- выполнение запросов на прерывание;
- подача сигналов ожидания для синхронизации работы с медленно действующими устройствами памяти и ввода-вывода информации;
- подача сигналов прямого доступа к памяти и другие сигналы;
- формирование сигналов управления для обращения к периферийным устройствам.
Работа МП организуется по командам, записанным в памяти и поступающим в МП в порядке возрастания номеров ячеек, в которые они записаны.
13. Используя команды типового МП К1804, составить программу в машинных кодах:
- выполнить загрузку числа 12 в ячейку Q , а 9 в РОН с адресом 3;
- из первого числа вычесть число 8 из шины данных, результат разместить в РОН с адресом первого числа;
- третье число сдвинуть на один разряд вправо и сложить с суммой первых двух чисел. Результат разместить в РОН с адресом 9.
Программа в машинных кодах
| М2 |
Т8 |
Т7 |
Т6 |
М1 |
Т2 |
Т1 |
Т0 |
С |
Т5 |
Т4 |
Т3 |
А3 |
А2 |
А1 |
А0 |
В3 |
В2 |
В1 |
В0 |
D3 |
D2 |
D1 |
D0 |
|
| а |
0 |
0 |
0 |
1 |
1 |
1 |
0 |
0 |
0 |
1 |
1 |
0 |
0 |
|||||||||||
| 0 |
1 |
1 |
1 |
1 |
1 |
0 |
0 |
0 |
0 |
0 |
1 |
1 |
1 |
0 |
0 |
1 |
||||||||
| б |
1 |
0 |
0 |
1 |
1 |
0 |
1 |
0 |
0 |
1 |
0 |
0 |
0 |
1 |
1 |
1 |
0 |
0 |
1 |
0 |
0 |
0 |
||
| в |
0 |
0 |
0 |
1 |
1 |
0 |
0 |
0 |
0 |
1 |
1 |
1 |
0 |
0 |
||||||||||
| 0 |
0 |
0 |
0 |
0 |
0 |
0 |
0 |
0 |
0 |
1 |
1 |
0 |
0 |
|||||||||||
| 0 |
1 |
1 |
0 |
0 |
0 |
0 |
0 |
0 |
0 |
0 |
0 |
1 |
1 |
1 |
0 |
0 |
1 |
14. Использованная литература
1. «Цифровые интегральные микросхемы устройств охранно-пожарной сигнализации», В. Болгов - Воронеж 1997 г.
2. «Основы микропроцессорной техники», В. Болгов, С. Скрыль, С Алексеенко – Воронеж 1997 г.
3. «Цифровые устройства и микропроцессоры», учебно-методическое пособие, Болгов В.В. – Воронеж 1998 г.