| Скачать .zip |
Реферат: Устройства приёма-обработки сигналов УПОС
Техническое задание.
Назначение радиовещательный
Диапазон принимаемых частот, МГц 3,95 – 15,8
Чувствительность, мкВ 200
Ослабление зеркального/соседнего канала 12/34
Ослабление помехи на промежуточной частоте 30
Выходная мощность, Вт 0,5
Полоса пропускания, кГц 9,5
Эффективность АРУ, дБ (Uвх/Uвых) 26/12
Программа работы.
Введение ………………………………………………………………………...3
Анализ технического задания……...…………………………………………3
Разработка структурной схемы приемника…………………………………4
Разработка и расчет принципиальной схемы приемника……………….6
Выбор промежуточной частоты (обоснование)……………………………9
Расчёт входных параметров микросхемы………………………………….9
Сопряжение настроек Входных и Гетеродинных контуров...…………..15
Выбор керамического фильтра………………………………..…………...18
Параметры Микросхемы К174ХА2………………………………………….19
Расчётная схема включения Микросхемы К174ХА2…………………….23
Выводы. ………………………………………….……………………………..24
1. Введение.
Задачей курсовой работы является разработка радиовещательного приёмника коротковолнового диапазона радиоволн, (диапазон: 3,95 – 15,8 МГц; длины волн: 76 – 19 метров) удовлетворяющего требованиям технического задания и проектируемого с использованием современной элементной базы.
В процессе разработки структуры приёмника составляется структурная схема приёмника, определяются методы обработки сигналов в приёмном тракте, анализируются требования к избирательным свойствам, рассчитываются требования к отдельным элементам структурной схемы, определяются общие качественные показатели приёмного устройства и разрабатывается принципиальная схема радиоприёмника.
Программа работы построена следующим образом: первые три раздела рассматривают заданные характеристики радиоприёмника, структуру приёмного тракта, обеспечивающего заданные параметры. Далее на их основе выводятся основные требования к построению приёмного тракта.
Анализ технического задания.
Рассмотрим основные характеристики радиоприёмников коротковолнового диапазона, описанные в техническом задании.
Чувствительность:
Возможность приёмника улавливать слабые электромагнитные сигналы характеризуется таким параметром как чувствительность. Существует реальная и максимальная чувствительность: реальная определяет минимальный уровень входного сигнала, при котором обеспечивается стандартная мощность при заданном отношении сигнал/шум на выходе радиоприёмника. Заданное отношение сигнал/шум для радиоприёмников АМ сигналов коротковолнового диапазона составляет величину не менее 6 dB. Чувствительность приёмника (по напряжению) при наружной антенне измеряется в микровольтах. Её величина как бы обратна напряжению: чем ниже напряжение, тем выше чувствительность.
Максимальная чувствительность радиоприёмника также определяется минимальным уровнем входного сигнала, но с условием: при максимальном усилении отношение сигнал/шум на выходе линейной части приёмника должно быть равно 0 dB.
В соответствии с техническим заданием чувствительность разрабатываемого радиоприёмника составляет 200 мкВ.
Избирательность:
Избирательность – способность приёмника выделять полезный сигнал из всего эфира. Выделение полезного сигнала осуществляется благодаря различию направлений прихода и поляризации в антенне, а также различию частот полезного сигнала и помехи. Частотная полоса пропускания приёмника определяется по уровню 0,707.
Избирательность показывает во сколько раз резонансный коэффициент усиления на частоте настройки приёмника больше коэффициента усиления на других частотах. Для радиоприёмников коротковолнового диапазона избирательность нормируется по зеркальному, соседнему и сквозному каналам.
Для зеркального канала расстройка между частотами полезного сигнала и помехи равна удвоенной промежуточной частоте.
Частота сквозного канала соответствует промежуточной частоте, на которой осуществляется основное усиление принимаемого сигнала.
В соответствии с техническим заданием избирательность по зеркальному каналу – 12 dB, соседнему каналу – 34 dB.
Автоматическая регулировка усиления (АРУ):
АРУ оценивается соотношением изменения напряжения на входе и выходе радиоприёмника. Этот «механизм» используется для защиты от перегрузок усилительного тракта при перестройке (движении) приёмника от источника слабого сигнала к источнику сильного. Под воздействием АРУ усиление тракта на приёме мощных сигналов по достижении некоторого уровня автоматически уменьшается в такой пропорции, чтобы сигнал на выходе оставался относительно постоянным (по уровню напряжения). Блок АРУ используется во всех радиовещательных приёмниках.
В соответствии с техническим заданием эффективность АРУ 26/12 dB.
Максимальная неискаженная выходная мощность:
Максимальная неискаженная мощность на выходе – это мощность, которая может быть получена на выходе приёмника при заданной величине искажений. Величина её зависит от вида усилительных элементов и правильности построения оконечных каскадов радиоприёмника. В соответствии с техническим заданием выходная мощность должна быть равна 0,5 Вт.
3. Разработка структурной схемы приемника
Сигнал от приемной антенны поступает на вход приемника и, в первую очередь подается на блок преселектора. В преселекторе осуществляется выделение спектра полезного высокочастотного сигнала от определенного источника, выбор которого производится с помощью элементов перестройки контуров преселектора. В преселекторе осуществляется также предварительное усиление сигнала Необходимо отметить, что от построения блока преселектора зависят такие качественные показатели приемника как избирательность по зеркальному и сквозному каналам приема и чувствительность. Избирательность обеспечивается за счет амплитудно-частотной характеристики (АЧХ) входной цепи (ВЦ) и резонансных контуров усилителя высокой частоты (УВЧ). Чувствительность приемника обеспечивается применением в УВЧ активных малошумящих элементов в сочетании с максимально возможным коэффициентом передачи входной цепи в полосе пропускания. Структура приемника приведена на рис. 1.

Рис. 1. Структурная схема радиоприемника.
С выхода преселектора сигнал поступает на блок преобразования частоты (ПЧ), в состав которого входят смеситель (СМ) и гетеродин. Здесь производится перенос спектра сигнала на промежуточную частоту (465 кГц). Основное требование к этому блоку - низкий коэффициент шума, малый коэффициент нелинейных искажений в полосе перестройки приемника, постоянство промежуточной частоты. Далее сигнал поступает
на усилитель промежуточной частоты (УПЧ). В УПЧ осуществляется основное усиление сигнала в заданной полосе частот, которая для коротковолновых приемников примерно равна удвоенной полосе пропускания усилителя низкой частоты, т.е. - 2 кГц. Существует два вида схем обеспечения требуемой полосы усиливаемых частот. УПЧ с распределенной избирательностью и УПЧ с сосредоточенной избирательностью. В настоящее время наибольшее распространение получили схемы УПЧ с сосредоточенной избирательностью, благодаря широкому применению интегральных микросхем, реализующих блок УПЧ и фильтров сосредоточенной селекции (ФСС) на поверхностно-акустических волнах (ПАВ) с пьезокерамическими преобразователями, образующими частотно избирательные микроблоки (ЧИМ), которые позволяют получить очень высокую добротность и высокий коэффициент передачи в полосе пропускания. УПЧ. УПЧ характеризуется такими качественными характеристиками как номинальное значение промежуточной частоты, полосой пропускания, коэффициентом усиления, устойчивостью работы, коэффициентом шума и линейностью фазочастотной характеристики (ФЧХ).
После усиления на промежуточной частоте принятый сигнал детектируется и усиливается в усилителе низких частот.
4. Разработка и расчет принципиальной схемы приемника
Для выбора элементов преселектора необходимо рассчитать следующие величины: Полоса пропускания линейного тракта приемника:
П = Пс + 2fд + Пнс,
где Пс – ширина полосы частот спектра принимаемого сигнала – 9,5кГц,
fд – возможное доплеровское смещение частоты принимаемого сигнала,
Пнс - запас полосы, требуемый для учета нестабильности и неточности настроек приемника.
В данном случае доплеровское смещение частоты fд отсутствует, так как приемник и источник сигнала неподвижны относительно друг друга. Пусть, суммарная нестабильность радиолинии и погрешность гетеродина составляет величину в 500 Гц. Тогда:
П = 2 кГц + 500 Гц. = 2,5 кГц.
Шумовая полоса Пш определяется по формуле:
Пш =1,1 1,2 a = 3 кГц.
Допустимый коэффициент шума приемника можно определить по формуле:
Nд Е2 а /2вх/(4kТ0 ПшRа),
где Еа - реальная чувствительность, заданная в виде ЭДС сигнала в антенне, вх - минимально допустимое отношение эффективных напряжений сигнал/помеха на входе приемника ( пусть это отношение составляет величину вх = 10 дБ.), k - постоянная Больцмана, Т0 = 290° Кельвинов – стандартная температура приемника, Ra - внутренне сопротивление приемной антенны (Ra = 100 Ом). Тогда:
Nд [(1 х10-6 )2/ 10] / [ 1,3810-2329033100] = 83 (38 дБ.)
Следует отметить, что полученный коэффициент шума приемника не
особенно регламентирует шумовые свойства приемника.
Коэффициент шума приемника N0 = NBц + (Np -1)/ Kрвц + Np2 /Крвц Кр +
где NBц, Np, Np2 - коэффициенты шума входной цепи и усилительных
каскадов УВЧ, Крвц, Кр - коэффициент передачи мощности входной цепи и
коэффициент усиления первого каскада УВЧ.
Так как входная цепь пассивная, для нее Nвц = 1/ Крвц, тогда формулу
для коэффициента шума можно записать:
N0= Np/Крвц + (Np2-1)/(КрвцКр)+
Реальное значение для Крвц = 0,4 ....0,7, тогда для обеспечения заданной чувствительности нет необходимости использовать УВЧ с малым Np и достаточно большим Кр. При достаточно большом Кр основное влияние на N0 оказывает первое слагаемое в сумме, а на долю остальных приходится примерно 9% от первого. Если задаться Крвц - 0,5, тогда Np УВЧ может быть порядка 2, что возможно.
В супергетеродинных приемниках частотная избирательность определяется ослаблением по зеркальному, соседнему и сквозному каналам приема. В приемниках с одинарным преобразованием частоты ослабление зеркального канала обеспечивает преселектор и резонансный УВЧ. Резонансные характеристики преселектора и УВЧ должны быть такими, чтобы линейный тракт обладал полосой пропускания не меньше заданной (2,5 кГц.). Процедура определения средств обеспечения избирательности заключается в следующем:
Выбирается эквивалентное затухание контуров преселектора для приемников коротковолнового диапазона волн dэр = 0,006.... 0,01. Для обеспечения требуемой избирательности контура преселектора и УВЧ должны быть высокодобротными, поэтому dэp = 0,006. Далее определяется обобщенная расстройка зеркального канала зк
зк = 4(fп/fc)[(fc-fп)/(fc-2fп)]/dэр,
где - промежуточная частота (465 кГц), - максимальная частота из диапазона принимаемых частот (15,8 МГц.). Тогда:
зк = 4465103/ 15.8106[(15.86 - 465103)/(15.86 – 2465103)] / 0,006 =
= 20,23 раз или 26,1 дБ.
Далее,
по полученному
значению обобщенной
расстройки
выбирается
схема обеспечения
требуемой
избирательности.
Так как к
приемнику
предъявляются
достаточно
невысокие
требования
по
чувствительности и необходимо обеспечить низкую избирательность, то требуемому значению зк = 12 дБ будет соответствовать меньшее эквивалентное затухание контуров преселектора, что соответствует большей добротности контура. Реализация контура с вдвое большей добротностью вполне возможна, так как в расчете эквивалентное затухание численно характеризует контур со средней добротностью. Схема преселектора представленная на рис. 2. Поскольку избирательность по зеркальному каналу обеспечивается не только входной цепью, то должен быть использован резонансный УВЧ, что несколько усложнит конструкцию приемника. Данная схема обеспечивает одновременно нужную избирательность и чувствительность, кроме того, позволяет реализовать схему, в которой УВЧ состоит из одного каскада. Каскад входит в состав интегральной микросхемы и охвачен цепью АРУ. Правильность такого технического решения подтверждают результаты моделирования входной цепи на прикладном пакете "Electronics Workbench", приведенные в приложении к пояснительной записке.
Входная цепь должна обладать резонансным коэффициентом передачи не менее 0,5 и обладать достаточно высокой избирательностью. Данным требованиям удовлетворяет входная цепь с емкостной связью с антенной и индуктивной связью с первым каскадом УВЧ.

Рис 2. Преселектор.
Недостаток цепи данного типа, заключающийся в большой неравномерности параметров цепи по диапазону. Схема входной цепи представлена на рис. 3.

Рис. 3. Схема входной цепи с внешнеемкостной связью с антенной и индуктивной связью с каскадом УВЧ.
5. Выбор промежуточной частоты (обоснование)
Для расчёта промежуточной частоты КВ-приёмника радиовещательного типа целесообразнее всего использовать частоту 465 килогерц по причине того, что данная частота является Российской общепринятой промежуточной частотой. Кроме того, микросхема К174ХА2 (её типовое включение) рассчитано именно на эту частоту.
Расчёт входных параметров микросхемы
Так как отношение максимальной частоты заданного диапазона к минимальной больше 3 – следует разбить весь диапазон на 2 поддиапазона, причём с увеличеним максимальной частоты до 30,5 МГц для достижения требуемой полосы пропускания в 9,5 кГц.
Для первого поддиапазона (3,95 – 11,1 МГц)
Возможны два случая:
эквивалент антенны - активное сопротивление
Ra < 1/(6.28*Cin), где Cin - емкость входа,
эквивалент антенны - емкость (короткая штыревая антенна) Ca=Cin.
С учетом Cin параметры нового эквивалента определяются
Ca1 = Ca+Cin,
Dca1 = Dca+Dci.
ВВОД ИСХОДНЫХ ДАННЫХ:
Диапазон частот (в Мгц.) - fmin = 3.95
fmax = 11,1
Чувствительность (в мкв.) - Е = 200
Избирательность по зеркальному каналу (dB.) - d = 12
Растянутый диапазон Т=1. /нерастянутый Т=2. Т = 2
/ При ошибке в данных повторите ввод - " Esc ",
для продолжения нажмите любую другую клавишу./
1.Определяем коэффициент перекрытия диапазона
Kd = N * fmax / fmin = 2.95 и
полагаем максимальную конструктивно осуществимую добротность
Q = 150.
2.Находим наименьшее значение показателя связи входной цепи
транзистора с контуром -amin:
Введите параметры входного транзистора:
Активная составляющая проводимости (в Мсим) - g11 = 0.33
и ее относительное изменение - dg11 = 0.1
Реактивная составляющая проводимости (в Мсим) - b11 = 470
и ее относительное изменение - db11 = 10
Коэффициент шума (разы) - N = 1.3
Оцениваем
а).влияние изменения активной составляющей проводимости
транзистора на полосу a1= 4.0*dg11-1 = -0.600,
b).влияние изменения реактивной составляющей проводимости
db11 транзистора на частоту настройки
a2= 1.25*b11/g11*db11-1 = 17802.030,
c).Задаем допустимое значение коэффициента расширения полосы
S = 1.25-2 и находим значение a3 ,
а) Если эквивалент антенны - емкость a3=1/(S-1).
б) Если эквивалент антенны - сопротивление
a3=[3*SQRT(Kd * Kd * Kd)+s-1]/[Kd * Kd*(S-1)].
Выбираем тип антенны:
открытая антенна - Ra<<1./(2.*pi*f*Cin) R = 1,
короткая штыревая антенна - Ca = Cin R = 2.
Введите значение (целое) R = 2
Введите емкость антенны (в пф) - Ca = 80
ее нестабильность (в пф) - Dca = 20
емкость входа (в пф) - Cin = 45
ее нестабильность (в пф) - Dcin = 5
a3 = 1.600.
amin = max(ai), i=1,2,3; amin = 17802.030 .
3.Выбираем настроечный конденсатор Cmin, Cmax ,
удовлетворяющий условию Cmax/Cmin > [3-6]*Kd*Kd , Kd= 2.95
и определяем для него значение неравномерности изменения
емкости настройки с углом поворота - H.
Введите значение H = 65
Дальнейший расчет схемы определяется значением величины
h0=Exp[Ln(0.9*H)/3] = 3.88196803832761E+0000
4.Случай Kd < h0. Cck включается в схему.
Введите (в пф.) значение Cmin = 10
Введите (в пф.) значение Cmax = 600
4.1 Вычисляем значения следующих емкостей:
C3 = Cl+0.4*(Cmin + Cm) = 11.0 пф,
C2=C~*(K2+SQRT(K2*K2+4*K2*Kk*C3/C~))/(2*Kk) = 967,7 пф.
где K2=Kd*Kd-1 = 7.723,
Kk=[1-SQRT(Kd*Kd*Kd/H)]*[SQRT(Kd *H)-1]= 4.762,
C~=Cmax-Cmin,
- полная емкость, включенная последовательно с конденсато-
ром настройки.
C1 = 0.5*b/a*{ SQRT[1+4*a*dd/(b*b)]-1} - Cmin = 25.0 пф,
где a = K2*(C2+Cl), Cl= 4 пф,
b = K2*[Cl*(2*C2+C~)+C2*(C2+C~)],
dd = C~*C2*C2-K2*Cl*C2*(C2+C~)
- полная емкость, включенная параллельно конденсатору
настройки.
Ckmax = Cl+C2*(C1+Cmax)/(C1+C2+Cmax) = 382.7 пф.
Ckmin = Cl+C2*(C1+Cmin)/(C1+C2+Cmin) = 36.8 пф.
- максимальная и минимальная емкости контура.
4.2 Для антенны с эквивалентом Ra определяем коэффициент
as = 2/[(S-1)*SQRT(K3)], где K3=Kd*Kd*Kd,
при штыревой антенне полагаем as >>> 1; и находим значение
емкости связи с транзистором Cct.
Cc=SQRT{Ckmax*g11*Q*amin/(6.28*fmin)/[1+1/(as*K3)]} = 116574.3 пф.
Cct = Cc-b11/(6,28*fmin) =97636.9 пф. (по ГОСТ 100 нф.)
4.3 Находим емкость связи с антенной Cca
Если эквивалент антенны - емкость
Cca =( Ca + Cin)/SQRT[2*Q*(Dca + Dcin)/Ckmin-1)= 8.78 пф,
Ca1 = Ca * Cca/(Ca + Cca) = 7.91 пф.
4.4 Далее находим емкости подстроечного Cp, дополнительного Cd
конденсаторов, а также емкость связи Cck.
kkk=Cc/(Cc+Cl-C2-C3) = 1.00827112532716E+0000
Cp=kkk*(C3-Cl)-Ca1 = 0.16 пф,
Cck=kkk*C2 = 975.7 пф.
Введите значение Cck, соответствующее ГОСТ. Cck = 1000
Cd=C1-kkk*C2*(C3-Cl)/Cc-Cm = 14.95 пф.
Введите значение Cd соответствующее ГОСТ. Cd = 15.00
6.Определяем индуктивность контура
Lk=1E6/[SQR(6.28*fmin)*Ckmax] = 4.24 мкГн.
7.Для частоты fmin вычисляем значения следующих коэффициентов
r0 = 6.28*f*Lk = 105.3 Ом.
p1 = 1/[6.28*f*Lk*(6.28*f*Cct+b11)] ,
b1 = 6.28*f*Lk*p1*p1*g11*Q = 5.39633745009760E-0005 .
Если эквивалент антенны - емкость
a = Ca/Ckmin = 2.17417727661086E+0000, b0 = 0.
8.Определяем реальные значения
добротности входной цепи - Q1 = Q/(1+b0)/[1+b1/(1+b0)] = 150,0
чувствительности -
E1=1.25e-10*s*fmin/(a*m*Q)*SQRT(6.28*N*Lk)= 0.1мкВ,
где m = 0.3 - глубина модуляции,
s = - 5 дБ отношение сигнал/шум на входе ,
N - коэффициент шума входного транзистора (разы);
ослабления зеркального канала -
D1 = 10*Lg[1+SQR(ez)]+20*Lg(fz/fmax),
где ez = Q1 * (fz/fmax - fmax/fz),
D1 = 10 * Lg[1+SQR(24,15)] + 20 * Lg(12,03/11,1) = 28,36 дБ,
где ez = 150 * (12,03/11,1 – 11,1/12,03) = 25,15,
При расчете реальной величины ослабления зеркального ка-
нала, в данном случае, дополнительно определяется величина D2.
D2 = 20 * Lg(Q1 * Ckmin/Cl) = 65.27 дБ.
Меньшее из значений D1, D2 принимаем за значение ослабления.
D1 = 28,36 дБ.
Для второго поддиапазона (11,0 – 30,1 МГц)
Возможны два случая:
эквивалент антенны - активное сопротивление
Ra < 1/(6.28*Cin), где Cin - емкость входа,
эквивалент антенны - емкость (короткая штыревая антенна) Ca=Cin.
С учетом Cin параметры нового эквивалента определяются
Ca1 = Ca + Cin,
Dca1 = Dca + Dci.
ВВОД ИСХОДНЫХ ДАННЫХ:
Диапазон частот (в Мгц.) - fmin = 11.00
fmax = 30.1
Чувствительность (в мкв.) - Е = 200
Избирательность по зеркальному каналу (dB.) - d = 12
Растянутый диапазон Т=1. /нерастянутый Т=2. Т = 2
/ При ошибке в данных повторите ввод - " Esc ",
для продолжения нажмите любую другую клавишу./
1.Определяем коэффициент перекрытия диапазона
Kd = N * fmax / fmin = 2.88 и
полагаем максимальную конструктивно осуществимую добротность
Q = 150.
2.Находим наименьшее значение показателя связи входной цепи
транзистора с контуром -amin:
Введите параметры входного транзистора:
Активная составляющая проводимости (в Мсим) - g11 = 0.33
и ее относительное изменение - dg11 = 0.1
Реактивная составляющая проводимости (в Мсим) - b11 = 470
и ее относительное изменение - db11 = 10
Коэффициент шума (разы) - N = 1.3
Оцениваем
а).влияние изменения активной составляющей проводимости
транзистора на полосу a1= 4.0*dg11-1 = -0.600,
b).влияние изменения реактивной составляющей проводимости
db11 транзистора на частоту настройки
a2= 1.25*b11/g11*db11-1 = 17802.030,
c).Задаем допустимое значение коэффициента расширения полосы
S = 1.25-2 и находим значение a3 ,
а) Если эквивалент антенны - емкость a3=1/(S-1).
б) Если эквивалент антенны - сопротивление
a3=[3*SQRT(Kd * Kd * Kd)+s-1]/[Kd * Kd*(S-1)].
Выбираем тип антенны:
открытая антенна - Ra<<1./(2.*pi*f*Cin) R = 1,
короткая штыревая антенна - Ca = Cin R = 2.
Введите значение (целое) R = 2
Введите емкость антенны (в пф) - Ca = 80
ее нестабильность (в пф) - Dca = 20
емкость входа (в пф) - Cin = 45
ее нестабильность (в пф) - Dcin = 5
a3 = 1.600.
amin = max(ai), i=1,2,3; amin = 17802.030 .
3.Выбираем настроечный конденсатор Cmin, Cmax ,
удовлетворяющий условию Cmax/Cmin > [3-6]*Kd*Kd , Kd= 2.88
и определяем для него значение неравномерности изменения
емкости настройки с углом поворота - H.
Введите значение H = 65
Дальнейший расчет схемы определяется значением величины
h0=Exp[Ln(0.9*H)/3] = 3.88196803832761E+0000
4.Случай Kd < h0. Cck включается в схему.
Введите (в пф.) значение Cmin = 10
Введите (в пф.) значение Cmax = 600
4.1 Вычисляем значения следующих емкостей:
C3 = Cl+0.4*(Cmin + Cm) = 11.0 пф,
C2=C~*(K2+SQRT(K2*K2+4*K2*Kk*C3/C~))/(2*Kk) = 867.9 пф.
где K2=Kd*Kd-1 = 7.271,
Kk=[1-SQRT(Kd*Kd*Kd/H)]*[SQRT(Kd *H)-1]= 5.006,
C~=Cmax-Cmin,
- полная емкость, включенная последовательно с конденсато-
ром настройки.
C1 = 0.5*b/a*{ SQRT[1+4*a*dd/(b*b)]-1} - Cmin = 25.7 пф,
где a = K2*(C2+Cl), Cl= 4 пф,
b = K2*[Cl*(2*C2+C~)+C2*(C2+C~)],
dd = C~*C2*C2-K2*Cl*C2*(C2+C~)
- полная емкость, включенная параллельно конденсатору
настройки.
Ckmax = Cl+C2*(C1+Cmax)/(C1+C2+Cmax) = 366.5 пф.
Ckmin = Cl+C2*(C1+Cmin)/(C1+C2+Cmin) = 37.3 пф.
- максимальная и минимальная емкости контура.
4.2 Для антенны с эквивалентом Ra определяем коэффициент
as = 2/[(S-1)*SQRT(K3)], где K3=Kd*Kd*Kd,
при штыревой антенне полагаем as >>> 1; и находим значение
емкости связи с транзистором Cct.
Cc=SQRT{Ckmax*g11*Q*amin/(6.28*fmin)/[1+1/(as*K3)]} = 68362.4 пф.
Cct = Cc-b11/(6,28*fmin) = 61562.1 пф. (по ГОСТ 62нф.)
4.3 Находим емкость связи с антенной Cca
Если эквивалент антенны - емкость
Cca =( Ca + Cin)/SQRT[2*Q*(Dca + Dcin)/Ckmin-1)= 8.84 пф,
Ca1 = Ca * Cca/(Ca + Cca) = 7.96 пф.
4.4 Далее находим емкости подстроечного Cp, дополнительного Cd
конденсаторов, а также емкость связи Cck.
kkk=Cc/(Cc+Cl-C2-C3) = 1.01241221065538E+0000
Cp=kkk*(C3-Cl)-Ca1 = 0.15 пф,
Cck=kkk*C2 = 878.4 пф.
Введите значение Cck, соответствующее ГОСТ. Cck = 910
Cd=C1-kkk*C2*(C3-Cl)/Cc-Cm = 15.59 пф.
Введите значение Cd соответствующее ГОСТ. Cd = 15,0
6.Определяем индуктивность контура
Lk=1E6/[SQR(6.28*fmin)*Ckmax] = 0.57 мкГн.
7.Для частоты fmin вычисляем значения следующих коэффициентов
r0 = 6.28*f*Lk = 39.5 Ом.
p1 = 1/[6.28*f*Lk*(6.28*f*Cct+b11)] ,
b1 = 6.28*f*Lk*p1*p1*g11*Q = 5.54603637459560E-0005 .
Если эквивалент антенны - емкость
a = Ca/Ckmin = 2.14567727662181E+0000, b0 = 0.
8.Определяем реальные значения
добротности входной цепи - Q1 = Q/(1+b0)/[1+b1/(1+b0)] = 150,0
чувствительности -
E1=1.25e-10*s*fmin/(a*m*Q)*SQRT(6.28*N*Lk)= 0.1мкВ,
где m = 0.3 - глубина модуляции,
s = - 5 дБ отношение сигнал/шум на входе ,
N - коэффициент шума входного транзистора (разы);
ослабления зеркального канала -
D1 = 10 * Lg[1 + SQR(ez)] + 20 * Lg(fz/fmax),
где ez = Q1*(fz/fmax - fmax/fz),
D1 = 10 * Lg[1 + SQR(9)] + 20 * Lg(31,03/30,1) = 19,52 дБ,
где ez = 150 * (31,03/30,1 – 30,1/31,03) = 9,
При расчете реальной величины ослабления зеркального канала, в данном случае, дополнительно определяется величина D2.
D2 = 20*Lg(Q1*Ckmin/Cl) = 65.38 дБ.
Меньшее из значений D1, D2 принимаем за значение ослабления.
D1 = 19,52 дБ.
7. Сопряжение настроек Входных и Гетеродинных контуров
Для первого поддиапазона (3,95 – 11,1 МГц)
Ввод исходных данных:
Диапазон частот (в МГц.) fmin = 3.95
fmax = 11.1
Значение промежуточной частоты (в МГц.) fпр = 0,465
Индуктивность входного контура (в мкГн.) Lk = 4,24
Ёмкость катушки (в пф.) Cl = 4
Ёмкость монтажа (в пф.) Cm = 7.5
Задайте число точек точного сопряжения Т = 3
Вид входной цепи № = 7

Частоты точного сопряжения:
f2 = 0.5*(fmax + fmin) = 7.525 MHz
f1 = f2 – 0.433*( fmax - fmin) = 4.429 MHz
f3 = f2 + 0.433*( fmax - fmin) = 10.621 MHz
Расчёт кривых сопряжения в 50 точках:
df(i) = (m * (f * f + n) – sqr(f + fпр) * (f * f + l))/(2 *( f + fпр) * (f * f + l))
где а = f1 + f2 + f3 = 22,575
b = f1*f2 + f1*f3 + f3*f2 = 160,292
с = f1 * f2 * f3 = 353,981
d = 2 fпр + а = 23,505
l = (b * d - c)/2*fr = 3670.625
m = fпр * fпр + l + a * d – b = 4041.175
n = (l * fпр * fпр + c *d)/m = 2.225
Ошибка на границах диапазона при этом имеет величину:
df(fmin) = - 9.63659 кГц
df(fmax) = 4,50536 кГц
3.Величины емкостей элементов схемы
C1 = Cl + Cm = 11.5 пФ ,
CC = 1/(4*pi*pi*Lk)*[1/n-1/l] = 2647,31 пФ.
C2 = CC*[1/2+SQRT(1/4+C1/CC)] = 2658.76 пФ,
C3 = 1/(4*pi*pi*Lk*l) - C1*C2/(C1+C2) = -9.82 пФ .
величина индуктивности контура гетеродина
Lg = Lk * l/m*(C2+C3)/(C2+C1) = 3.82 мкГн.

Для второго поддиапазона (11,0 – 30,1 МГц)
Ввод исходных данных:
Диапазон частот (в МГц.) fmin = 11
fmax = 30,1
Значение промежуточной частоты (в МГц.) fпр = 0,465
Индуктивность входного контура (в мкГн.) Lk = 0.57
Ёмкость катушки (в пф.) Cl = 4
Ёмкость монтажа (в пф.) Cm = 7.5
Задайте число точек точного сопряжения Т = 3
В
ид
входной цепи
№
= 7
Частоты точного сопряжения:
f2 = 0.5*(fmax + fmin) = 20.55 MHz
f1 = f2 – 0.433*( fmax - fmin) = 12.29 MHz
f3 = f2 + 0.433*( fmax - fmin) = 28.82 MHz
Расчёт кривых сопряжения в 50 точках:
df(i) = (m * (f * f + n) – sqr(f + fпр) * (f * f + l))/(2 *( f + fпр) * (f * f + l))
где а = f1 + f2 + f3 = 61,65
b = f1*f2 + f1*f3 + f3*f2 = 1198,51
с = f1 * f2 * f3 = 7272,74
d = 2 fпр + а = 62,58
l = (b * d - c)/2*fr = 72827,949
m = fпр * fпр + l + a * d – b = 75487,713
n = (l * fпр * fпр + c *d)/m = 6,238
Ошибка на границах диапазона при этом имеет величину:
df(fmin) = - 9.57995 кГц
df(fmax) = 4,47807 кГц
3. Величины емкостей элементов схемы
C1 = Cl + Cm = 11.50 пФ (по ГОСТ 13 пф.),
CC = 1/(4*pi*pi*Lk)*[1/n-1/l] = 7123.58 пФ. ,
C2 = CC*[1/2+SQRT(1/4+C1/CC)] = 7135.07 пФ,
C3 = 1/(4*pi*pi*Lk*l) - C1*C2/(C1+C2) = - 10.87 пФ .
величина индуктивности контура гетеродина
Lg = Lk * l/m*(C2+C3)/(C2+C1) = 0.55 мкГн.

Фильтрация промежуточной частоты.
Существуют типовые схемы и расчёты фильтрации промежуточной частоты. В нашем случае целесообразно использовать керамический фильтр как наиболее простую и удобную форму. Из приведённого ниже списка самым подходящим является фильтр CFK465E10 (5.0 кГц/3 dB,
12 кГц/70 dB). Его параметры максимально приближены к техническому заданию. Так как чувствительность довольно низкая – можно пренебречь тем фактом, что некоторое количество помех всё же будет присутсвовать, но их уровень будет довольно мал. Подавление
соседнего канала в размере 34 децибел (заданных в техническом задании) данный фильтр сможет осуществить без существенного ухудшения частотных свойств полезного сигнала (исходя из таблицы сводного графика амплитудно-частотных характеристик фильтров марки CFK).
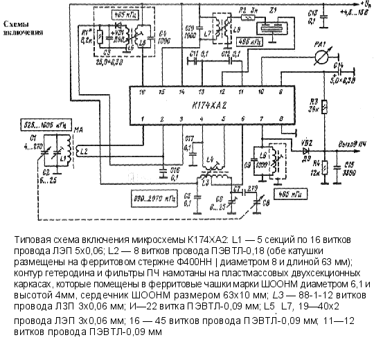
. Параметры Микросхемы К174ХА2, типовые включения
К174ХА2 представляет собой многофункциональную микросхему радиоприемного тракта, выполняющую функции усиления и преобразования сигналов с частотой до 27 МГц. В состав микросхемы входят: усилитель ВЧ сигнала с АРУ, смеситель, гетеродин, усилитель ПЧ с АРУ.
Корпус типа 238.16-2 (см. К174АФ1). Вес не более 1,5 г.
Электрические параметры
Номинальное напряжение питания..9В
Ток потребления при Uп = 9В, Т= +25°С, не более…………………16мА
Отношение сигнал-шум при Uп = 9В, вх = 1МГц, Uвх = 10мкВ, m = 0,8; Т= +25°С, не более……….. 24 дБ
Выходное напряжение низкой частоты при Uп = 9В, вх = 1МГц,
ПЧ = 465 кГц, м =1 кГц, m = 0,8; Т=+25°С:
при Uвх = 20мкВ, не менее……..60 мВ
при Uвх = 5103мкВ…….. .100..560мВ
Изменение выходного напряжения низкой частоты, при изменении напряжения источника питания в диапазоне 4,8 ...9В, при =1МГц,
м =1кГц, m=0,3, Uвх =10мкВ, Т=+25°С, не более…………….6 дБ
Верхнее значение частоты входного сигнала при UП = 9В, Т=+25°С,
не менее ………………….….27 МГц
Коэффициент гармоник при UП = 9 В, вх= 1МГц, ПЧ = 465кГц,

м =1кГц, m = 0,8; Т=+25° С, не более:
при Uвх = 5105мкВ…………………………………………………………………...…...10%
при Uвх = 3104мкВ……………….………………………………………………………..8%
Входное сопротивление УПЧ при UП = 9 В, Т=+25°С, не менее…………3 кОм Входное сопротивление УВЧ при UП = 9 В, Т=+25°С, не менее………..…3 кОм
Выходное сопротивление УПЧ при UП = 9 В, Т=+25°С, не менее………..60 кОм
Предельные эксплуатационные данные
Напряжение питания ….………………………………………………………….4,8 ...15 В
Максимальное входное напряжение…………………………………………………..2В
Максимальная температура кристалла……………………………………….+125° С
Температура окружающей среды…………………………………………. -25...+55°С


Зависимость тока потребления от температуры окружающей среды при UП = 9 В. Заштрихована область разброса значений параметра для 95% микросхем. Сплошной линией показана типовая зависимость.
Зависимость выходного напряжения от температуры окружающей среды при UП =В, вх=1 МГц. Заштрихована область разброса значений параметра для 95% микросхем. Сплошной линией показана типовая зависимость.
Зависимость изменения коэффициента передачи УПЧ от управляющего напряжения на частоте ПЧ = 465 кГц при UП = 9 В. Заштрихована область разброса значений параметра для 95% микросхем. Сплошной линией показана типовая зависимость.
Зависимость изменения коэффициента передачи УВЧ от управляющего напряжения на частоте входного сигнала вх = 1МГц при UП = 9В, ПЧ =465 кГц.

П
ринципиальная
схема приемника
радиоуправления
моделями [23].
Входная и
гетеродинная
матушки
намотаны на
полистироловых
цилиндрических
каркасах диаметром
5 мм и содержат
^соответственно
11,2 и 11 витков провода
ПЭВ-2 диаметром
0,2мм. Катушки
ФПЧ намотаны
на [двухсекционных
каркасах, помещенных
в ферритовые
чашки марки
1000НМ диаметром
6,1 и высотой
4 мм и содержат
48+48 витков провода
ПЭВ-2 диаметром
0,1 мм; катушка
связи L4
содержит
22 витка провода
ПЭВ-2 диаметром
0,07 мм и намотана
поверх катушки
L3

Принципиальная схема малогабаритного КВ-приемника [22 ]. Входной контур и контур гетеродина намотаны на полиетироловом цилиндрическом каркасе диаметром 7,5мм и содержат: L1—15 витков провода ПЭЛШО-0,3 мм; L2—4 витка теми же проводами соответственно. Катушки фильтров ПЧ намотаны на пластмассовых двухсекционных каркасах, которые помещены в ферритовые чашки марки 100QHM диаметром 6,1 и высотой 4 мм и имеют подстроечный сердечник 1000НМ размером МЗ х 10 мм; LJ — 6 витков, L6—115 витков, L7—100 витков провода
ГТЭВ-2 диаметром 0,12мм
10. Расчётная схема включения Микросхемы К174ХА2

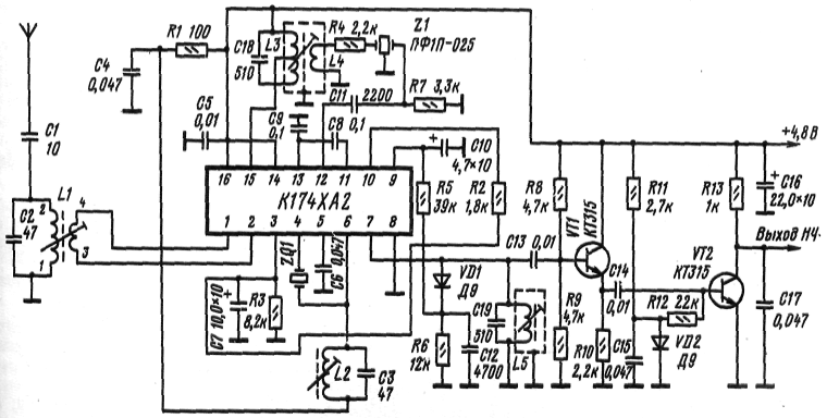
Отличительной особенностью данной схемы включения от типовых являются параметры некоторых элементов, а также два параллельных гетеродинных контура и две входные катушки, которые попарно переключаются спаренным переключателем, что приводит к переключению поддиапазонов приёма с первого (3,95 – 11 МГц) на второй (11 – 15,8 МГц и более).
Изменённые и добавленные номиналы (по сравнению с типовой схемой):
Переменная ёмкость С1 – 10…600 пф.
Ёмкости: С5 – 12 пф.
С6 – 10 пф.
С7 – 2,7 нф.
С17 – 12 пф.
С18 – 6,8 нф.
С19 – 11 пф
Индуктивность входного контура L1 – 4,2 мкГн.
Индуктивность гетеродинного контура L3 – 3,8 мкГн.
Индуктивность входного контура L10 – 0,5 мкГн.
Индуктивность гетеродинного контура L3 – 0,5 мкГн
Керамический фильтр Z1 - CFK465E10
Выводы.
Данная микросхема К174ХА2 полностью соответствует требованиям, предъявленным в техническом задании:
Чувствительность в 200 микровольт абсолютно обеспечивается микросхемой, так как её номинальная чувствительность составляет 10 микровольт. (п.9 стр.19)
Ослабление по зеркальному каналу в 12 децибел обеспечивается микросхемой (входными цепями), которое при расчёте составило 19,52 децибела. (п.6 стр.14)
Ослабление соседнего канала в 34 децибела обеспечивается керамическим фильтром CFR465E10 с параметрами 5.0 кГц/3 dB,
12 кГц/70 dB. (п.8 стр.18)
Выходная мощность в 0,5 Ватта обеспечивается типовой схемой включения. (стр.20)
Полоса пропускания 9,5 килогерц и диапазон принимаемых частот достигается входной и гетеродинной цепями, а также керамическим фильтром.
Эффективность АРУ, оцениваемая пропорцией соотношений амплитуд двух входных и двух выходных сигналов составила:
Входные сигналы – 20 lg.(5000 мкВ/20 мкВ) = 48 дБ,
Выходные сигналы – 20 lg.(560 мВ/60 мВ) = 19 дБ,
что превышает параметры технического задания, но не вредит работе радиоприёмника. (п.9 стр.14)
Государственный комитет Российской федерации по высшему образованию
Санкт-Петербургский государственный технический университет
Радиофизический факультет
Кафедра радиотехники
СОПРЯЖЕНИЕ НАСТРОЕК ВХОДНЫХ И ГЕТЕРОДИННЫХ КОНТУРОВ
Методические указания к курсовому проектированию по курсу "Устройства приема и обработки сигналов"
Санкт-Петербург
1995
Составители: А.Ю.Дзевановская, С.Б.Макаров.
УДК 621.396.7
Сопряжение настроек гетеродинных и входных контуров усилительнопреобразовательного тракта: Методическое указание к курсовому проектированию. Санкт-Петербургский гос. техн. университет; Сост.
А.Ю.Дзевановская, С.Б.Макаров. С.Пб, 1995 .
Приводится описание программы расчета сопряжения настроек гетеродинных и входных контуров усилительно-преобразовательного тракта устройств приема и обработки сигналов. Даются варианты расчета для различных частотных диапазонов при использовании в качестве перестраиваемого элемента конденсатора переменной емкости и варикапа. Предназначен для студентов специальности "Радиотехника", выполняющих курсовое проектирование по курсу: "Устройства приема и обработки сигналов", а также могут быть использованы в общетехнических циклах подготовки бакалавров по направлению "Радиотехника".
Ил. Библиогр. Тираж 50 экз. Печатается по решению редакционно-издательского совета СанктПетербургского государственного технического университета.
1. ВВЕДЕНИЕ.
В супергетеродинных устройствах приема и обработки сигналов, работающих в широком диапазоне частот, необходимо согласование или сопряжение настройки частоты контуров преселектора на частоту сигнала fc и гетеродина - на частоту fг = fc + fпр, где fпр - промежуточная частота, блоком идентичных конденсаторов переменной емкости или варикапов. Для получения различных резонансных частот этих контуров в контур гетеродина включаются добавочные постоянные конденсаторы.
На рис 1. показана обобщенная схема контуров входной цепи - LkC~ и гетеродина - LgC~ с добавочными конденсаторами C1,C2,C3. В такой схеме не удается точно выполнить условие настройки
fс0 = fс,
fпр = fг - fc,
где fс0 - резонансная частота входного контура, на всех частотах
диапазона. Обычно при пректировании точно выполняется лишь условие
fпр = fг - fc.
Расстройка входных контуров относительно частоты входного сигнала
df = fc - fс0 (1)
называется неточностью сопряжения.
Методические указания предназначены для выполнения на ПЭВМ расчетов сопряжения настроек входных и гетеродинных контуров усилительнопреобразовательных трактов устройств приема и обработки сигналов.
Расчеты применимы для различных вариантов входных цепей, а также для различных вариантов регулировки частоты (с помощью блока переменных конденсаторов или с помощью варикапов).
2. РАСЧЕТ НЕТОЧНОСТИ СОПРЯЖЕНИЯ НАСТРОЕК КОНТУРОВ.
В соответствии с рис 1. полная емкость гетеродинного контура
Cг = C1 + C2*(C3+C~)/(C2+C3+C~). (2)
Частота гетеродина определяется выражением:
fг = 1/[2*pi*SQRT(Lг*Cг)], (3)
а величина емкости может быть определена через резонансную частоту
входного контура
C~ = 1/[SQR(2*pi*fс0)*Lk]. (4)
Выразим fг через значения Cг - (2) и C~ - (4)
fг = SQRT[m*(fс0*fс0+n)/(fс0*fс0+l)], (5)
где m = (C2+C3)/[4*pi*pi*(C1*C2+C1*C3+C2*C3)],
n = 1/[4*pi*pi*Lk*(C2+C3)],
l = (C1+C2)/[4*pi*pi*(C1*C2+C1*C3+C2*C3)].
Подставляя (5) в (1) и производя ряд преобразований, можно получить выражение для определения неточности сопряжения в виде:
df = [m*(fс0*fс0+n)-SQR(fс0-f)*(fс0*fс0+l)] /
[2*(fс0+f)*(fс0*fс0+l)]. (6)
Выражение (6) является полиномом 4-ой степени относительно f0 и, соответственно, имеет 4 корня. Анализ показывает, что один из корней является отрицательным и лежит за пределами рабочего диапазона частот. Три других корня определяют точки точного сопряжения в 3-х точках диапазона.
В коротковолновом диапазоне достаточно осуществить сопряжение в 2-х точках. При этом схема контура гетеродина упрощается (рис.2).
ИСХОДНЫМИ ДАННЫМИ ПРИ РАСЧЕТЕ ЯВЛЯЮТСЯ: значения граничных частот диапазона - fmin,fmax, значение промежуточной частоты - fпр, значение индуктивности входного контура - Lk, емкость катушки - Cl и емкость монтажа - Cm, число точек точного сопряжения - Т;
а также вид входной цепи:
для ДВ и СВ диапазонов
1.- с внешней емкостной связью с антенной,
2.- с трансформаторной связью с антенной и внутренней емкостной с усилителем радиочастоты (УРЧ),
3.- с автотрансформаторной связью с антенной и внутренней емкостной связью с УРЧ,
4.- с трансформаторной связью с антенной и УРЧ,
5.- с ферритовой антенной в качестве входного контура и внутренней емкостной связью с УРЧ,
для КВ и УКВ диапазонов
6.- с ферритовой антенной в качестве входного контура и трансформаторной связью с УРЧ, для КВ диапазона
7.- с внешней емкостной связью с антенной,
8.- с трансформаторной связью с антенной,
9.- с магнитной антенной в качестве входного контура.
ПРОГРАММА РАСЧЕТА - файл COPRGET.exe
Вспомогательные программы: GRAPHIC.com
CYRILLIC.com
ПОСЛАНИЕ ПОТОМКАМ.
этот курсовик был написан мной, пока ещё учащимся Полтитехнического универа города Питера,
факультетеа ВЭРТФ, 4-5 курс. Сдача должна была быть на 4-ом, но это почти никому не удалось!
Препод - ШИПИЦИН А.А.
Советы
ходите на все лекции - на экзамене спросит больше, чем в конспекте.
с курсовиком почаще к нему ходите - пусть ставит отметки о просмотре (подпись, дата)
мой курсач под мои параметры, под свои ищите керамический фильтр, расчитывайте вход. цепь
(у меня прога ТТ7) и гетеродинную (ГЕТ или Ххх). Проги у Шип-на.
И запомните: ЭТОЙ UYBLT ЗАЧЁТЫ И ЭКЗАМЕНЫ СДАЮТ ГОДАМИ.
ДЕРЗАЙТЕ EDJHJD.


