| Скачать .docx |
Реферат: Усилитель мощности 1-5 каналов ТВ
Министерство образования Российской Федерации
ТОМСКИЙ УНИВЕРСИТЕТ СИСТЕМ
УПРАВЛЕНИЯ И РАДИОЭЛЕКТРОНИКИ
(ТУСУР)
Кафедра радиоэлектроники и защиты информации (РЗИ)
Усилитель мощности 1-5 каналов ТВ
Пояснительная записка к курсовому
проекту по дисциплине «Схемотехника аналоговых электронных устройств»
Выполнил
студент гр.148-3
______Галимов М.Р.
Проверил
преподаватель каф. РЗИ
______Титов А.А.
2001
РЕФЕРАТ
Курсовая работа 32с., 12рис., 5 источников, 1 приложение.
УСИЛИТЕЛЬ, ТРАНЗИСТОР, АЧХ, НЕРАВНОМЕРНОСТЬ АЧХ, КОЭФФИЦИЕНТ ПЕРЕДАЧИ, РАБОЧИЙ ДИАПАЗОН ЧАСТОТ, ТЕРМОСТАБИЛИЗАЦИЯ, МОЩНОСТЬ, КОРРЕКТИРУЮЩАЯ ЦЕПЬ, НОРМИРОВАННАЯ ВЕЛИЧИНА.
В данной курсовой работе основной задачей является расчёт транзисторных усилителей, используя методические указания.
Цель работы- на конкретном примере научиться расчитывать усилители на транзисторах, используя при этом разные варианты схемных решений.
Пояснительная записка выполнена в текстовом редакторе Microsoft Word 7.0.
1. Техническое задание
Усилитель должен отвечать следующим требованиям:
1. Рабочая полоса частот: 49-100 МГц
2. Линейные искажения
в области нижних частот не более 2 дБ
в области верхних частот не более 2 дБ
3. Коэффициент усиления 15 дБ
4. Мощность выходного сигнала Pвых=10 Вт
5. Сопротивление источника сигнала и нагрузки Rг=Rн=75 Ом
Содержание
1.Техническое задание......................................................................3
2.Введение..........................................................................................5
3.Расчётная часть…...........................................................................6
3.1 Определение числа каскадов ............................................…..6
3.2 Распределение линейных искажений в области ВЧ ........….6
3.3 Расчёт выходного каскада……………………………............6
3.3.1 Выбор рабочей точки..................................................6
3.3.2 Выбор транзистора......................................................9
3.3.3 Расчёт эквивалентной схемы
транзистора ………………………………...........…..10
3.3.4 Расчёт цепей термостабилизации……………..….....12
3.3.5 Расчёт корректирующих цепей………………….….15
3.3.5.1 Выходная корректирующая цепь……………..…..15
3.3.5.2 Расчёт МКЦ……………………………………..….16
3.4 Расчёт предоконечного каскада……………………........…...18
3.4.1 Выбор рабочей точки……………………….........…..18
3.4.2 Выбор транзистора…………………………...........…19
3.4.3 Расчёт эквивалентной схемы
транзистора………………………………….........…..19
3.4.4 Расчёт цепей термостабилизации.………….........….20
3.4.5 Расчёт МКЦ………….……………………..........…....20
3.5 Расчёт входного каскада……………………………......….….22
3.5.1 Выбор рабочей точки………………………......….…22
3.5.2 Выбор транзистора ...…….…………………..........…23
3.5.3 Расчёт цепей термостабилизации………….........…..23
3.5.4 Расчёт входной корректирующей цепи………….…23
3.6 Расчёт разделительных и блокировочных ёмкостей…………………………………………….............…25
4 Заключение……………………………….……………….…..29
Список используемой литературы…………….………………30
Приложение А.Схема электрическая принципиальная……...31
Перечень элементов……………………………………….……32
2.Введение
В данной курсовой работе требуется рассчитать усилитель мощности для 1-5 каналов TV. Этот усилитель предназначен для усиления сигнала на передающей станции, что необходимо для нормальной работы TV-приёмника, которого обслуживает эта станция. Так как мощность у него средняя (10 Вт), то применяется он соответственно на небольшие расстояния(в районе деревни, небольшого города).В качестве источника усиливаемого сигнала может служить видеомагнитофон, сигнал принятый антенной ДМВ и преобразованный в МВ диапазон. Так как усиливаемый сигнал несёт информацию об изображении, то для получения хорошего качества изображения на TV-приёмнике на усилитель налагаются следующие требования: равномерное усиление во всём рабочем диапазоне частот; должен иметь большую мощность, что бы каждый приёмник, находящийся в зоне обслуживания этой станции, мог без помех просматривать вещаемые ей передачи. С экономической точки зрения должен обладать максимальным КПД.
Наиболее эффективное достижение требуемой мощности даёт использование мощного ВЧ трансформатора, который задаёт такой режим работы транзистора, при котором он даёт максимальную мощность. Для коррекции АЧХ усилителя используются разные приёмы: введение отрицательных обратных связей, применение межкаскадных корректирующих цепей. Так как проектируемый усилитель является усилителем мощности то введение ОС влечёт за собой потерю мощности в цепях ОС что снижает КПД и следовательно применять её в данном усилителе не целесообразно. Применение межкаскадных корректирующих цепей (МКЦ), значительно повышает КПД. В данном усилителе используется МКЦ 3-го порядка, так как она обладает хорошими частотными свойствами.
3. Расчётная часть
3.1 Определение числа каскадов.
При выборе числа каскадов примем во внимание то, что у мощного усилителя один каскад с общим эмиттером позволяет получать усиление до 6 дБ, а так как нужно получить 15 дБ оптимальное число каскадов данного усилителя равно трём, тогда, в общем, усилитель будет иметь коэффициент усиления 18 дБ (запас 3 дБ).
3.2 Распределение линейных искажений в области ВЧ
Расчёт усилителя будем проводить исходя из того, что искажения распределены между каскадами равномерно. Как было определено ранее, количество каскадов проектируемого усилителя равно трём, а неравномерность усилителя по заданию не доложна превышать 2дБ. Следовательно,на каждый каскад приходится по 0,7 дБ.
3.3 Расчёт выходного каскада
3.3.1 Выбор рабочей точки
Для расчёта рабочей точки следует найти исходный параметр Uвых, который определяется по формулам:
(3.3.1)
(3.3.2)
Так как выходное напряжение имеет большую величину между нагрузкой и выходным транзистором необходимо установить трансформатор импедансов на длинных линиях с коэффициентом трансформации 1/9 [1]. Тогда исходные параметры примут следующие значения :
![]()
![]()
(3.3.3)
При дальнейшем расчете, нужно выбрать по какой схеме будет выполнен каскад: с дроссельной или резистивной нагрузкой. Рассмотрим обе схемы и выберем ту, которую наиболее целесообразно применить.
А) Расчёт каскада с резистивной нагрузкой:
Схема резистивного каскада по переменному току представлена на рисунке 3.3.1

Рисунок 3.3.1 Схема каскада с резистивной нагрузкой по переменному току
Так как нагрузкой каскада по переменному току является резистор, включенный в цепь коллектора - Rк и Rн , при чём Rк выбирается равный Rн , то эквивалентное сопротивление – Rэкв , на которое работает транзистор, будет равным Rн /2. Тогда:
=3.25 (А) (3.3.4)
(3.3.5)
(3.3.6)
где
– остаточное напряжение на коллекторе и равно 2 В, тогда: ![]()
Напряжение питания выбирается равным
плюс напряжение которое падает на
:
![]()
Построим нагрузочные прямые по постоянному и переменному току. Они приведены на рисунке 3.3.2.
I, А
8.2
5.5
R~
![]()
![]()
3.6
R_
![]()
15 30 50 U, В
Рисунок 3.3.2. Нагрузочные прямые по постоянному и переменному току.
Произведём рассчёт мощностей: потребляемой и рассеиваемой на коллекторе, используя следующие формулы:
(3.3.7)
(3.3.8)
Б) Расчёт дроссельного каскада:
Схема дроссельного каскада по переменному току представлена на рисунке 3.3.3.

Рисунок 3.3.3. Схема дросельного каскада.
В дроссельном каскаде нагрузкой по переменному току является непосредственно нагрузочное сопртивление Rн .:
Подставляя полученные значения в формулы (3.3.4)-(3.3.6), получим:
![]()
![]()
Построим нагрузочные прямые по постоянному и переменному току. Они представлены на рисунке 3.3.4.
I, А
R_
R~
1.8
15 28 U, В
Рисунок 3.3.4 – Нагрузочные прямые по постоянному и переменному току.
Произведём расчёт мощности по формулам (3.3.7), (3.3.8) :
![]()
![]()
Анализируя полученные результаты можно прийти к выводу, что целесообразней использовать дроссельный каскад, так как значительно снижаются потребляемая мощность и величина питающего напряжения.
3.3.2 Выбор транзистора
Выбор транзистора осуществляется с учётом следующих предельных параметров[2]:
1. граничной частоты усиления транзистора по току в схеме с ОЭ
;
2. предельно допустимого напряжения коллектор-эмиттер
;
3. предельно допустимого тока коллектора
;
4. предельной мощности, рассеиваемой на коллекторе
.
Этим требованиям полностью соответствует транзистор КТ930Б. Его основные технические характеристики взяты из справочника [3] и приведены ниже.
Электрические параметры:
1. Граничная частота коэффициента передачи тока в схеме с ОЭ
МГц;
2. Постоянная времени цепи обратной связи при
В
пс;
3. Статический коэффициент передачи тока в схеме с ОЭ
;
4. Ёмкость коллекторного перехода при
В
пФ;
5. Индуктивность вывода базы
нГн;
6. Индуктивность вывода эмиттера
нГн.
Предельные эксплуатационные данные:
1. Постоянное напряжение коллектор-эмиттер
В;
2. Постоянный ток коллектора
А;
3. Постоянная рассеиваемая мощность коллектора
Вт;
3.3.3 Расчёт эквивалентной схемы транзистора
Существует много разных моделей транзистора. В данной работе произведён расчёт моделей: схемы Джиаколетто и однонаправленной модели на ВЧ.
А) Расчёт схемы Джиакалетто:
Схема Джиакалетто представлена на рисунке 3.3.5.

Рисунок 3.3.5 Схема Джиакалетто.
Найдем при помощи постоянной времени цепи обратной связи сопротивление базового перехода по формуле:
![]()
(3.3.9)
При чём
и
доложны быть измерены при одном напряжении Uкэ. А так как справочные данные приведены при разных напряжниях, необходимо воспользоваться формулой, которая позволяет вычислить
при любом значении напряжения Uкэ:
, (3.3.10)
в нашем случае:
![]()
Подставим полученное значение в формулу (3.3.9):
, тогда ![]()
Используя формулу (3.3.10), найдем значение коллекторной емкости в рабочей точке :
![]()
Найдем значения остальных элементов схемы:
, (3.3.11)
где
(3.3.12)
– сопротивление эмиттеного перехода транзистора. Тогда: ![]()
Емкость эмиттерного перехода: ![]()
Выходное сопротивление транзистора:
(3.3.13)
(3.3.14)
(3.3.15)
Б) Расчёт однонаправленной модели на ВЧ:
Схема однонаправленной модели на ВЧ представлена на рисунке 3.3.6. Описание этой модели можно найти в журнале [4].

Рисунок 3.3.6 Схема однонаправленной модели на ВЧ
Параметры эквивалентной схемы рассчитываются по приведённым ниже формулам.
Входная индуктивность:
, (3.3.16)
где
–индуктивности выводов базы и эмиттера, которые берутся из справочных данных.
Входное сопротивление:
, (3.3.17)
Выходное сопротивление имеет такое же значение, как и в схеме Джиакалетто:
.
Выходная ёмкость- это значение ёмкости
вычисленное в рабочей точке:
.
3.3.4 Расчёт цепей термостабилизации
При расчёте цепей термостабилизации нужно для начала выбрать вариант схемы. Существует несколько вариантов схем термостабилизации: пассивная коллекторная, активная коллекторная и эмиттерная. Их использование зависит от мощности каскада и от того, насколько жёсткие требования к термостабильности. В данной работе рассмотрены две схемы: эмиттерная и активная коллекторная стабилизации.
3.3.4.1 Эмиттерная термостабилизация
Эмиттерная стабилизация применяется в основном в маломощных каскадах, и получила наиболее широкое распространение. Схема эмиттерной термостабилизации приведена на рисунке 3.3.7. Произведём упрощённый расчёт этой схемы [2].

Рисунок 3.3.7 Принципиальная схема эмитерной термостабилизации
Расчёт производится по следующей схеме:
1.Выбираются напряжение эмиттера
и ток делителя
(см. рис. 3.4), а также напряжение питания
;
2. Затем рассчитываются
.
Напряжение эмиттера
выбирается равным порядка
. Ток делителя
выбирается равным
, где
- базовый ток транзистора и вычисляется по формуле:
(мА); (3.3.18)
Тогда:
А (3.3.19)
Учитывая то, что в коллекторной цепи отсутствует резистор, то напряжение питания рассчитывается по формуле:
(В) ; (3.3.20)
Расчёт величин резисторов производится по следующим формулам:
Ом; (3.3.21)
(Ом); (3.3.22)
(Ом); (3.3.23)
Данная методика расчёта не учитывает напрямую заданный диапазон температур окружающей среды, однако, в диапазоне температур от 0 до 50 градусов для расчитанной подобным образом схемы, результирующий уход тока покоя транзистора, как правило, не превышает (10-15)%, то есть схема имеет вполне приемлимую стабилизацию [2].
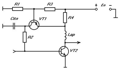
3.3.4.2 Активная коллекторная термостабилизация
Активная коллекторная термостабилизация используется в мощных каскадах и является достаточно эффективной, её схема представлена на рисунке 3.3.

Рисунок 3.3.8 Схема активной коллекторной термостабилизации.
В качестве VT1 возьмём КТ814А. Выбираем падение напряжения на резисторе
из условия
(пусть
В), тогда
. Затем производим расчёт по формулам [6]:
; (3.3.24)
; (3.3.25)
; (3.3.26)
; (3.3.27)
, (3.3.28)
где
– статический коэффициент передачи тока в схеме с ОБ транзистора КТ814;
; (3.3.29)
; (3.3.30)
. (3.3.31)
Получаем следующие значения:
(Ом);
(мА);
(В);
(А);
(А);
(Ом);
(кОм);
(Ом)
Величина индуктивности дросселя выбирается таким образом, чтобы переменная составляющая тока не заземлялась через источник питания, а величина блокировочной ёмкости – таким образом, чтобы коллектор транзистора VT1 по переменному току был заземлён.
Как было сказано выше, эмиттерную термостабилизацию в мощных каскадах применять “невыгодно” так как на резисторе, включённом в цепь эмиттера, расходуется большая мощность, поэтому в нашем случае необходимо выбрать активную коллекторную стабилизацию.
3.3.5 Расчёт корректирующих цепей
3.3.5.1 Расчёт выходной корректирующей цепи
Расчёт всех КЦ производится в соответствии с методикой описанной в [5]. Схема выходной корректирующей цепи представлена на рисунке 3.3.9.

Рисунок 3.3.9 Схема выходной корректирующей цепи
Найдём
– выходное сопротивление транзистора нормированное относительно
и
:
(3.3.32)
.
Теперь, по таблице приведённой в [4], найдём ближайшее к рассчитанному значение
и выберем соответствующие ему нормированные величины элементов КЦ:
и
, а также
–коэффициент, определяющий величину ощущаемого сопротивления нагрузки
и модуль коэффициента отражения
.

Найдём истинные значения элементов по формулам:
; (3.3.33)
; (3.3.4)
. (3.3.35)
(нГн);
(пФ);

3.3.5.2 Расчёт межкаскадной КЦ
В данном усилителе имеются две МКЦ: между выходным и предоконечным каскадами и между предоконечным и входным каскадами. Это корректирующие цепи третьеого порядка. Цепь такого вида обеспечивает реализацию усилительного каскада с равномерной АЧХ и частотными искажениями лежащих в пределах допустимых отклонений [5].
Расчёт межкаскадной корректирующей цепи, находящейся между выходным и предоконечными каскадами:
Принципиальная схема МКЦ представлена на рисунке 3.3.10
Рисунок 3.3.10. Межкаскадная корректирующая цепь третьего порядка
При расчёте используются однонаправленные модели на ВЧ выходного и предоконечного транзисторов. Возникает задача: выбор предоконечного транзистора. Обычно его выбирают ориентировочно, и если полученные результаты будут удовлетворять его оставляют.
Для нашего случая возьмём транзистор КТ930А, который имеет следующие эквивалентные параметры [3]:
При расчёте будут использоваться коэффициенты: , , , значения которых берутся из таблицы [5] исходя из заданной неравномерности АЧХ. В нашем случае они соответственно равны: 2.31, 1.88, 1.67. Расчет заключается в нахождении нормированных значений:
и подставлении их в соответствующие формулы, из которых находятся нормированные значения элементов и преобразуются в действительные значения.
Итак, произведём расчёт, используя следующие формулы:
, (3.3.36)
, (3.3.37)
= (3.3.38)
- нормированные значения , , .
Подставим исходные параметры и в результате получим:

Зная это, рассчитаем следующие коэффициенты:
;
;
;
получим:

Отсюда найдем нормированные значения , , и :
где ;
; (3.3.39)
; (3.3.40)
. (3.3.41)
При расчете получим:

и в результате:
(3.3.42)
Рассчитаем дополнительные параметры:
(3.3.43)
(3.3.44)
где S210 - коэффициент передачи оконечного каскада.
Для выравнивания АЧХ в области нижних частот используется резистор , рассчитываемый по формуле:
(3.3.45)
Найдем истинные значения остальных элементов по формулам:
, , , (3.3.46)
![]()


На этом расчёт выходного каскада закончен и можно приступить к предоконечному каскаду.
3.4 Расчёт предоконечного каскада
3.4.1Выбор рабочей точки
При расчёте режима предоконечного каскада условимся что питание всех каскадов осуществляется от одного источника напряжения с номинальным значением Eп . Так как Eп =Uк0 , то соответственно Uк0 во всех каскадах берётся одинаковое то есть Uк0(предоконечного к.) =Uк0(выходного к) . Мощность, генерируемая предоконечным каскадом доложна быть в коэффициент усиления выходного каскада вместе с МКЦ(S210 ) раз меньше, следовательно, и Iк 0 , будет во столько же раз меньше. Исходя из вышесказанного координаты рабочей точки примут следующие значения: Uк0 = 15 В; Iко =1.8/2.23= 0.8 А. Мощность, рассеиваемая на коллекторе Pк = Uк0 Iк0 =12 Вт.
3.4.2 Выбор транзистора
Выбор транзистора был произведён в пункте 3.3.5.2 его название КТ930А. Этот транзистор так же отвечает требованиям, приведенных в пункте 3.3.2. Его основные технические характеристики взяты из справочника [3] и приведены ниже.
Электрические параметры:
1. граничная частота коэффициента передачи тока в схеме с ОЭ
МГц;
2. Постоянная времени цепи обратной связи
пс ;
3. Статический коэффициент передачи тока в схеме с ОЭ
;
4. Ёмкость коллекторного перехода при
В
пФ;
5. Индуктивность вывода базы
нГн;
6. Индуктивность вывода эмиттера
нГн.
Предельные эксплуатационные данные:
1. Постоянное напряжение коллектор-эмиттер
В;
2. Постоянный ток коллектора
А;
3.4.3 Расчёт эквивалентной схемы транзистора
Так как при расчётах схема Джокалетто не используется, то достаточно будет расчитать однонаправленную модель на ВЧ. Эквивалентная схема замещения транзистора имеет тот же вид, что и схема, представленная на рисунке 3.3.6. Расчёт её элементов производится по формулам, приведённым в пункте 3.3.3.
нГн;
пФ;
Ом
Ом;
3.4.4 Расчёт цепи термостабилизации
Как было сказано в пункте 3.3.4.2., для данного усилителя предпочтительней выбрать во всех каскадах активную коллекторную термостабилизацию. Принципиальная схема её представлена на рисунке 3.3.8. Расчёт производится аналогично расчёту выходного каскада. Отличием является лишь то, что коллекторный ток
будет иметь другое значение.
В качестве VT1 возьмём транзистор КТ361А так как требуется меньшее рассеивание энергии чем в выходном каскаде. H21
транзистора КТ 361, используемое в ниже приведённых формулах равно H21
=50. Выбираем падение напряжения на резисторе
из условия
(пусть
В), тогда
. В результате получаем следующие значения:
Ом;
А;
В;
А;
А;
Ом;
кОм.
Ом
На этом расчёт термостабилизации закончен.
3.4.5. Расчёт межкаскадной КЦ
Расчёт межкаскадной корректирующей цепи, расположенной между вторым и первым каскадом производится аналогично расчёту приведённому в пункте 3.3.5.2. Принципиальная схема МКЦ представлена на рисунке 3.4.1
Рисунок 3.4.1. Межкаскадная корректирующая цепь третьего порядка
В качестве входного транзистора возьмём КТ 930А. Его параметры, необходимые для расчёта имеют следующие значения:
![]()
Далее подставляя параметры транзисторов: VT 1 и VT 2 в соответствующие формулы получим следующие значения:
,
,
= - нормированные значения , , .

;
;
;
получим:

Отсюда найдем нормированные значения , , и :
где ;
;
;
.
При расчете получим:

и в результате:

Рассчитаем дополнительные параметры:
где S210 - коэффициент передачи предоконечного каскада.
Найдем истинные значения остальных элементов по формулам:
, , ,
![]()
![]()
![]()
На этом расчёт предоконечного каскада закончен и можно приступить к входному каскаду.
3.5 Рассчёт входного каскада по постоянному току
3.5.1 Выбор рабочей точки
Выбор рабочей точки входного каскада производится анологично предыдущим каскадам, то есть Uко берётся тем же самым а Iко в коэффициент усиления раз предоконечного каскада вместе с МКЦ( S210 ) меньше. Тогда координаты рабочей точки примут следующие значения: Uк0 = 15 В; Iко =0.8/3.131=0.26 А.
3.5.2 Выбор транзистора
Выбор транзистора был осуществлён при расчёте МКЦ, его название КТ 930А. Его основные технические характеристики приведены в пункте 3.4.2.
3.5.3 Расчёт цепи термостабилизации
Для входного каскада также выбрана активная коллекторная термостабилизация, и расчёт производится в соответствии с методикой расписанной в пункте 3.3.4.1.
В качестве VT1 возьмём тот же транзистор КТ361А.
Ом;
А;
В;
А;
А;
Ом;
кОм.
Ом
На этом расчёт термостабилизации закончен.
3.5.4 Расчёт входной КЦ
Принципиальная схема входной корректирующей цепи представлена на рисунке 3.5.1.
![]() |
Рисунок 3.5.1 Схема входной корректирующей цепи
Методика расчёта входной корректирующей цепи аналогична методике расчёта МКЦ, о которой написано в пункте . Здесь Rвых есть выходное сопротивлние генератора, а Cвых его ёмкость. Подставим эти значения в соответствующие формулы и получим исходные параметры цепи:
,
= - нормированные значения , , .
Подставим исходные параметры и в результате получим:

Зная это, рассчитаем следующие коэффициенты:
;
;
;
получим:

Отсюда найдем нормированные значения , , и :
где ;
;
;
.
При расчете получим:

и в результате:

Рассчитаем дополнительные параметры:
где S210 - коэффициент передачи оконечного каскада.
Найдем истинные значения остальных элементов по формулам:
, , ,
![]()
![]()
![]()
На этом расчёт водного каскада закончен.
3.6 Расчёт разделительных и блокировочных ёмкостей
В данном усилителе имеются три блокировочные ёмкости, которые стоят в цепях коллекторной стабилизации, и необходимы для того чтобы термостабилизация не влияла на режим работы усилителя по переменному току. Блокировочные ёмкости С4, С9, С14 рассчитываются из условия, что их сопротивление на нижней частоте в десять раз меньше сопротивления R2 в цепи коллекторной стабилизации (рисунок 3.3.8). То есть:
1/Wн Cбл =R2/10
отсюда
, (3.6.1)
Для расчёта блокировочной ёмкости, стоящей в выходном каскаде, R2 =200Ом тогда:

Для расчёта блокировочной ёмкости, стоящей в предоконечном каскаде, R2 =456Ом тогда:

Для расчёта блокировочной ёмкости, стоящей во входном каскаде, R2 =1400Ом тогда:

Так же в усилителе имеются три конденсатора фильтра : С5, С10, С15,. которые стоят паралельно R4(рисунок 3.3.8) по переменному току. Их роль не пропустить переменную составляющую на источник питания. Их рассчёт производится аналогично блокировочным емкостям, разница лишь в том что в формуле (3.6.1) вместо R2 ставится R4. Исходя из этого, получим следующие значения:
При расчёте ёмкости, стоящей в выходном каскаде(С14), R4 =0.6Ом тогда:

При расчёте ёмкости, стоящей в предоконечном каскаде(С9), R4 =1.25Ом тогда:

При расчёте ёмкости, стоящей во входном каскаде(С4), R2 =3.85Ом тогда:

Дроссель в коллекторной цепи выходного каскада ставится для того, чтобы выход транзистора по переменному току не был заземлен. Его величина выбирается исходя из условия:
. (3.6.2)
мкГн.
В данном устлителе имеется четыре разделительных конденсатора, которые препятствуют прохождению постоянной составляющей от одного каскада к другому. Нижняя граничная частота усилителя определяется влиянием разделительных и блокировочных емкостей Эти конденсаторы вносят искажения на низких частотах, а так как искажения усилителя по заданию не доложны превышать 2 дБ, то каждый конденсатор должен вносить искажения не более 0.5 дБ. Номинал разделительных емкостей можно определить из соотношения [2]:
; (3.6.3)
Где R1 иR2 эквивалентные сопротивления, находящиеся по обеим сторонам конденсатора;Yн-заданная неравномерность АЧХ на НЧ, измеряемая в разах.
В нашем случае Yн=0.5 дБ или 1.01 в разах.
При расчёте Ср, разделяющего нагрузку и выходной каскад R1и R2 соответственно равны R1=R2=8Ом тогда:

При расчёте Ср, разделяющего выходной и предоконечный каскад каскад R1и R2 соответственно равны R1=8Ом, R2=390Ом тогда:

При расчёте Ср, разделяющего предоконечный и входной каскад R1и R2 соответственно равны R1=8 Ом, R2=360Ом тогда:

При расчёте Ср, разделяющего входной каскад и источник сигнала R1и R2 соответственно равны R1=75Ом, R2=680Ом тогда:

На этом расчёт закончен.
4. Заключение
В результате проделанной работы был рассчитан усилитель который имеет следующие технические характеристики:
1. Рабочая полоса частот: 49-100 МГц
2. Линейные искажения
в области нижних частот не более 2 дБ
в области верхних частот не более 2 дБ
3. Коэффициент усиления 18 дБ
4. Мощность выходного сигнала Pвых=10 Вт
5. Питание однополярное, Eп=16 В
Усилитель рассчитан на нагрузку Rн=75 Ом и работает от генератора с выходным сопротивлением Rг=75 Ом.
Усилитель имеет запас по усилению 3дБ, что позволяет усилителю работать с коэффициентом усиления не ниже заданного при изменении параметров элементов в результате старения.
Литература
1. Проектирование радиопередающих устройств./ Под ред. О.В. Алексеева. – М.: радио и связь, 1987.-392с.
2. Красько А.С., Проектирование усилительных устройств, методические указания. - Томск: ТУСУР, 1990г-23с.
3. Полупроводниковые приборы: транзисторы. Справочник / Под ред. Горюнов Н.Н. – 2-е изд. М.: Энергоатомиздат, 1985.-903с.
4. Титов А.А., Бабан Л.И., Черкашин М.В. Расчет межкаскадной согласующей цепи транзисторного полосового усилителя мощности/ Электронная техника СЕР, СВЧ – техника. – 2000. – вып. 1-475с.
5. Титов А.А. Расчет корректирующих цепей широкополосных усилительных каскадов на биполярных транзисторах – http://referat.ru/download/ref-2764.zip
6. Цыкин Г.С. Усилительные устройства.-М.: Связь, 1971.-367с.
|
||||||||||||
| РТФ КП 468740.001 ПЗ |
||||||||||||
| Лит |
Масса |
Масштаб |
||||||||||
| Изм |
Лист |
Nдокум. |
Подп. |
Дата |
||||||||
| Выполнил |
Галимов |
УCИЛИТЕЛЬ |
||||||||||
Проверил |
Титов |
МОЩНОСТИ |
||||||||||
| Лист |
Листов |
|||||||||||
ТУСУР РТФ |
||||||||||||
Принципиальная |
Кафедра РЗИ |
|||||||||||
| Схема |
гр. 148-3 |
|||||||||||
| Поз. Обозна- Чение |
Наименование |
Кол. |
Примечание |
|||||||||||
| Транзисторы |
||||||||||||||
| VT1 |
КТ930А |
1 |
||||||||||||
| VT2 |
КТ361 |
1 |
||||||||||||
| VT3 |
КТ930А |
1 |
||||||||||||
| VT4 |
КТ361 |
1 |
||||||||||||
| VT5 |
КТ930Б |
1 |
||||||||||||
| VT6 |
КТ814 |
1 |
||||||||||||
| Конденсаторы |
||||||||||||||
| С1 |
КД-2-47пФ ±5% ОЖО.460.203 ТУ |
1 |
||||||||||||
| С6 |
КД-2-80пФ ±5% ОЖО.460.203 ТУ |
1 |
||||||||||||
| С11 |
КД-2-70пФ ±5% ОЖО.460.203 ТУ |
1 |
||||||||||||
| С16 |
КД-2-145пФ ±5% ОЖО.460.203 ТУ |
1 |
||||||||||||
| С2 |
КД-2-30пФ ±5% ОЖО.460.203 ТУ |
1 |
||||||||||||
| С3 |
КД-2-48пФ ±5% ОЖО.460.203 ТУ |
1 |
||||||||||||
| С4 |
КД-2-27пФ ±5% ОЖО.460.203 ТУ |
1 |
||||||||||||
| С5 |
КД-2-8нФ ±5% ОЖО.460.203 ТУ |
1 |
||||||||||||
| С9, |
КД-2-70пФ ±5% ОЖО.460.203 ТУ |
1 |
||||||||||||
| С10 |
КД-2-0.027мкФ ±5% ОЖО.460.203 ТУ |
1 |
||||||||||||
| С14 |
КД-2-150пФ ±5% ОЖО.460.203 ТУ |
1 |
||||||||||||
| С15 |
КД-2-0.47мкФ ±5% ОЖО.460.203 ТУ |
1 |
||||||||||||
| С7 |
КД-2-390пФ ±5% ОЖО.460.203 ТУ |
1 |
||||||||||||
| С8 |
КД-2-130пФ ±5% ОЖО.460.203 ТУ |
1 |
||||||||||||
| С12 |
КД-2-330пФ ±5% ОЖО.460.203 ТУ |
1 |
||||||||||||
| С13 |
КД-2-150пФ ±5% ОЖО.460.203 ТУ |
1 |
||||||||||||
| С17 |
КД-2-150пФ ±5% ОЖО.460.203 ТУ |
1 |
||||||||||||
| Катушки индуктивности |
||||||||||||||
| L1 |
Индуктивность 62нГн ±5% |
1 |
||||||||||||
| L2, L4, L6 |
Индуктивность 20мкГн ±5% |
3 |
||||||||||||
| РТФ КП 468740.001 ПЗ |
||||||||||||||
| Лит |
Масса |
Масштаб |
||||||||||||
| Изм |
Лист |
Nдокум. |
Подп. |
Дата |
||||||||||
| Выполнил |
Галимов |
УСИЛИТЕЛЬ |
||||||||||||
Провер. |
Титов |
МОЩНОСТИ |
||||||||||||
| Лист |
Листов |
|||||||||||||
ТУСУР РТФ |
||||||||||||||
Перечень элементов |
Кафедра РЗИ |
|||||||||||||
| гр. 148-3 |
||||||||||||||
| Поз. Обозна- Чение |
Наименование |
Кол. |
Примечание |
|||||||||||
| L3, L5 |
Индуктивность 4.7нГн ±5% |
2 |
||||||||||||
| L7 |
Индуктивность 75нГн ±5% |
1 |
||||||||||||
| Трансформаторы |
||||||||||||||
| Тр1 |
Трансформатор |
1 |
||||||||||||
| Резисторы |
||||||||||||||
| R1 |
МЛТ – 0.125 – 680 Ом ±10%ГОСТ7113-77 |
1 |
||||||||||||
| R2 |
МЛТ – 0.125 – 1.6 кОм ±10%ГОСТ7113-77 |
1 |
||||||||||||
| R3 |
МЛТ – 0.125 – 13 кОм ±10%ГОСТ7113-77 |
1 |
||||||||||||
| R4 |
МЛТ – 0.125 – 1.6 кОм ±10%ГОСТ7113-77 |
1 |
||||||||||||
| R5 |
МЛТ – 0.5 – 3.9 Ом ±10%ГОСТ7113-77 |
1 |
||||||||||||
| R6 |
МЛТ – 0.125 – 360 Ом ±10%ГОСТ7113-77 |
1 |
||||||||||||
| R7 |
МЛТ – 0.125 – 470 Ом ±10%ГОСТ7113-77 |
1 |
||||||||||||
| R8 |
МЛТ – 0.125 – 4.7 кОм ±10%ГОСТ7113-77 |
1 |
||||||||||||
| R9 |
МЛТ – 0.125 – 560 Ом ±10%ГОСТ7113-77 |
1 |
||||||||||||
| R10 |
МЛТ – 2 – 1.25 Ом ±10%ГОСТ7113-77 |
1 |
||||||||||||
| R11 |
МЛТ – 0.125 – 680 Ом ±10%ГОСТ7113-77 |
1 |
||||||||||||
| R12 |
МЛТ – 0.125 – 200 Ом ±10%ГОСТ7113-77 |
1 |
||||||||||||
| R13 |
МЛТ – 0.125 – 2 кОм ±10%ГОСТ7113-77 |
1 |
||||||||||||
| R14 |
МЛТ – 0.125 – 240 Ом ±10%ГОСТ7113-77 |
1 |
||||||||||||
| R15 |
МЛТ – 2 – 1 Ом ±10%ГОСТ7113-77 |
1 |
||||||||||||
| РТФ КП 468740.001 ПЗ |
||||||||||||||
| Лит |
Масса |
Масштаб |
||||||||||||
| Изм |
Лист |
Nдокум. |
Подп. |
Дата |
||||||||||
| Выполнил |
Галимов |
УСИЛИТЕЛЬ |
||||||||||||
Провер. |
Титов |
МОЩНОСТИ |
||||||||||||
| Лист |
Листов |
|||||||||||||
ТУСУР РТФ |
||||||||||||||
Перечень элементов |
Кафедра РЗИ |
|||||||||||||
| гр. 148-3 |
||||||||||||||

