| Похожие рефераты | Скачать .zip |
Реферат: Управляемый микроконтроллером выпрямитель

Министерство образования РФ
![]()
Южно-Российский Государственный Технический Университет (НПИ)
ИНСТИТУТ ИИТУ _
КАФЕДРА А и Т _
СПЕЦИАЛЬНОСТЬ __ Промышленная электроника__
Пояснительная записка
к курсовому проекту
по дисциплине «Электронные промышленные устройства»
на тему «Управляемый микроконтроллером выпрямитель»
Выполнил студент IV курса, группы 1б Евченко С. Е
Принял Шкарупин А. Я.
НОВОЧЕРКАССК 2002 г.
Задание на курсовой проект
Спроектировать управляемый выпрямитель по трёхфазной мостовой схемы и управляемый микроконтроллером, обладающий следующими параметрами:
Область регулируемого напряжения 10 – 250 В;
Максимальный выпрямленный ток 75 А;
Схема выпрямления 3-х фазная, мостовая;
Силовые выпрямляющие элементы оптотиристоры;
Схема управления микроконтроллерная;
Аннотация
Задачей данного курсового проекта является разработка управляемого выпрямит большой мощности, обладающего высоким КПД и высокой точностью и стабильностью управляемого напряжения.
Пояснительная записка к курсовому проекту состоит из теоретической и собственно проектной части. Теоретическая часть включает в себя обзор стандартных схем построения управляемых выпрямителей, описаны достоинства и недостатки каждой схемы.
Проектная часть содержит принципиальную схему управляемого выпрямителя с ее обоснованием и расчетом..
.
Содержание
Однофазный управляемый выпрямитель 7
Однофазный управляемый выпрямитель со средней точкой 7
Однофазная мостовая схема управляемого выпрямителя 8
Трёхфазный управляемый выпрямитель с нулевым выводом 8
Мостовой трёхфазный управляемый выпрямитель 8
Управление выпрямителем и контроль 10
Расчёт параметров силового трансформатора 11
Расчет температуры нагрева вентиля 13
Регулировочная характеристика преобразователя 14
Расчёт системы управления тиристорами 16
Расчёт параметров компонентов схем питания. 17
Выбор микроконтроллера и расчёт параметров его периферийных устройств 18
Введение.
Постоянный прогресс в области электроники приводит к непрерывному совершенствованию элементной базы электронных устройств, что дает возможность разрабатывать новые устройства, которые по сравнению с разработанными ранее устройствами обладают важными преимуществами такими как:
улучшение основных параметров;
повышение надёжности;
простотой схемной реализации;
удобством в эксплуатации устройств;
универсальность;
более низкой себестоимостью;
и др.
С развитием силовой электроники проявляется всё большая потребность в универсальных силовых выпрямителях и особенно в управляемых.
Теперь с развитием микроконтроллерной отрасли и появлением оптотиристоров на большие токи и напряжения появилась возможность спроектировать управляемые выпрямители по очень простой схеме.
Применение оптотиристоров привело к упрощению выходной части схемы управления.
Применение микроконтроллеров позволило:
упростить схему управления буквально до одной микросхем;
включить в себя функцию контроля входных и выходных напряжений;
автоматически регулировать выходного напряжения по заданному алгоритму в зависимости от внешних факторов;
удалённому контролю и управлению выпрямителем.
Управляемые выпрямители
Управляемые выпрямители на тиристорах позволяют:
1) выпрямлять переменное напряжение;
2) регулировать величину среднего значения этого напряжения Ud (постоянную составляющую).
Регулирование ведется за счет задержки момента включения очередного вентиля Среднее значение выпрямленного напряжения Ud , определяемые заштрихованной площадью, будет меньше Ud0. Чем больше угол задержки , тем меньше Ud .
Приведём упрощённые типичные схемы силовых частей управляемых выпрямителей с описанием каждой достоинств и недостатков.
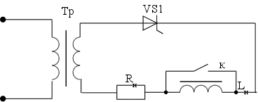
Однофазный управляемый выпрямитель
Достоинства: минимальное количество, простота реализации., простота системы управления.
Недостатки: низкий КПД , высокая пульсация выпрямленного напряжения.

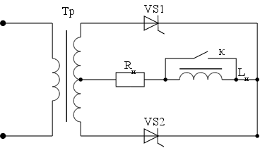
Однофазный управляемый выпрямитель со средней точкой
Достоинства: разгрузка режима работы тиристоров, высокий КПД.,. низкая пульсация выпрямленного напряжения
Недостатки: усложнённая система управления, увеличенный размер трансформатора

Однофазная мостовая схема управляемого выпрямителя
Достоинства: оптимальное использование возможностей трансформатора,, высокий КПД.,. низкая пульсация выпрямленного напряжения.
Недостатки: усложнённая система управления, большое число элементов схемы выпрямления.

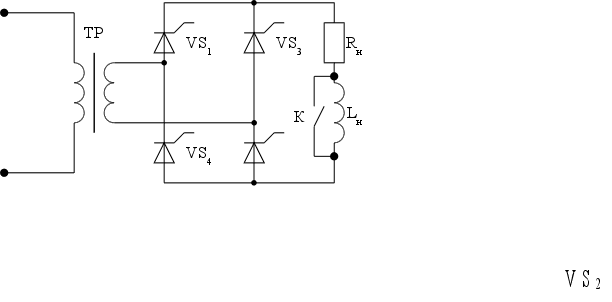
Трёхфазный управляемый выпрямитель с нулевым выводом
Достоинства: возможное создание выпрямителей большой мощности , высокий КПД, низкая пульсация выпрямленного напряжения, простота реализации.
Недостатки: сложная система управления, неэффективное использование возможностей трансформатора

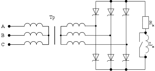
Мостовой трёхфазный управляемый выпрямитель
Достоинства: возможное создание выпрямителей большой мощности , высокий КПД, низкая пульсация выпрямленного напряжения, простота реализации, эффективное использование возможностей трансформатора
Н
едостатки:
сложная система
управления,
, большое число
элементов схемы
выпрямления.
Описание работы схемы
На основе 3-х фазной мостовой схемы конструируются самые мощные выпрямители, обладающими КПД близким к 100%.
Трансформатор Тр1 выполняет функции гальванической развязки выпрямленного напряжения с питающей сетью, а также для согласования уровней напряжений питающей сени и выпрямляемого напряжения.
Преобразование переменного напряжения в постоянное основано на свойстве вентилей пропускать ток только в одном направлении. В качестве силовых выпрямляющих вентилей выберем оптотиристоры VO1 – VO6 , что позволит исключить из схемы управления тиристорами импульсные трансформаторы.
Регулирование уровня напряжения ведется за счет задержки момента включения очередного вентиля. Среднее значение выпрямленного напряжения будет меньше выпрямляемого напряжения на вторичной обмотке трансформатора Тр1. Чем больше угол задержки , тем меньше выпрямленное напряжение .
Для усиления тока, который может обеспечить микроконтроллер до тока, необходимого для отпирания тиристора используются транзисторы VT1 – VT6, включённые по схеме с общим эмиттером. Надёжное закрывание транзисторов VT1 – VT6 обеспечивается подачей отрицательного напряжения на базы через резисторы R23, R33, ... ,R73, которое получено путём добавления диодов VD21, VD31, … , VD71 в эмиттерные цепи. Начальный ток диодов задают резисторы R24, R34, ... , R74
Логическую часть системы управления выполняет микроконтроллер MPU1. Данные в микроконтроллер об уровне регулируемого напряжения и способе его регулирования вводятся с помощью кнопок “Mode+” , “Mode-“ , “Value+” , “Value-“. Контроль вводимых значений и режима работы выпрямителя осуществляется по данным , выводимым на 4-х 7-сегментный индикатор HL1.
Момент подачи управляющих импульсов на тиристоры фазы “A” определяется путём введения задержки от момента поступления синхронизирующего сигнала на входе микроконтроллера RE0, соответствующей заданным данным и пересчитанной по формуле регулировочной характеристики. Управляющие импульсы тиристорами фаз “B” и ”C” формируются путём задержки на 120 и 240 градусов соответственно, т. е. на 6,6 мс и 13,3мс.
В режиме стабилизации напряжения путём сравнения текущего с заданным начальная задержка автоматически варьируется для компенсации рассогласования. Так для повышения регулируемого напряжения первоначальная задержка уменьшается.
Управление выпрямителем и контроль
С помощью кнопок “Mode” последовательным перебором выбирается один из следующих режимов общения с системой
Индикация реального на данный момент напряжения;
Индикация реального на данный момент угла отпирания тиристоров;
Индикация выбранного режима стабилизации напряжения (по постоянному углу отпирания или по сравнению текущего напряжения с заданным);
При нажатии кнопки “Mode+” режимы меняются в порядке (2 → 3 → 1 → 2).
При нажатии кнопки “Mode-” режимы меняются в порядке (2 → 1 → 3 → 2).
Изменение режима подтверждается выводом на дисплей в течении одной секунды названием режима (НАПР, УНО, СБЗ).
Переход из режимов индикации в режим установки значений производится одновременным удержанием кнопок “Mode+” и “Mode-“ более секунды. Выбор подтверждается выводом последнего установленного значения и миганием старшего разряда, изменение значения которого становится доступно. Последующий переход к установки значений младших разрядов и выходу из режима установки производится так же одновременным нажатием кнопок “Mode+” и “Mode-.
В режиме установок нажатие кнопки “Mode+” приводит к увеличению значения мигающего разряда (0 → 1 → 2 → 3 → 4 → 5 → 6 → 7 → 8 → 9 → 9 → 9 ),.
нажатие кнопки “Mode-” приводит к уменьшению значения мигающего разряда ( 9 → 8 → 7 → 6 → 5 → 4 → 3 → 2 → 1 → 0 → 0 → 0),
Изменения вступают в силу в момент выхода из режима установки..
Расчёт параметров силового трансформатора
1. Фазное напряжение вторичной обмотки трансформатора определим по формуле
U2 = Kн * Ku * Kα * Kr * Udн ,
где Udн – максимальное значение среднего напряжения нагрузки;
Kн – коэффициент схемы, определяющий связь между выпрямленным напряжением и фазным напряжением на вторичной стороне трансформатора;
Ku - коэффициент запаса по напряжению, учитывающий возможное снижение напряжения в сети;
Kα – коэффициент запаса, учитывающий ограничение угла открывания вентилей при максимальном управляющем сигнале;
Kr – коэффициент запаса, учитывающий падение напряжения в обмотках трансформатора, вентилях и в результате коммутации токов
U2 = (3,14/3*√6) * 1,2 * 1,1 * 1,05 * 250 = 148 В.
U3 = (1/√2) * 1,1 * 1,05 * 10 = 8 В.
2. Действующее значение тока вторичной обмотки трансформатора
I2 = Ki * KT2 * Id ,
I3 = 2 * √ * 2 * U3 / R3,
где Ki – коэффициент, учитывающий отклонение формы тока от прямоугольной;
KT2 – коэффициент схемы, определяющий соотношение между выпрямленным током и переменным током вторичной обмотки трансформатора;
Id – среднее значение тока нагрузки, в расчётах берётся наибольшее значение тока нагрузки (при α = αмин), т.е. Id = Idн.
I2 = 1,1 * √(2/3)* 75 = 67 А.
I3 = 2√2 * 300 mA = 850 mА.
3. Действующее значение тока первичной обмотки трансформатора
I = Ki * Kt1 * Id / Kтр ,
где Kt1 - коэффициент схемы, определяющий соотношение между выпрямленным током и переменным током первичной обмотки трансформатора;
Kтр – коэффициент трансформации трансформатора ;
Kтр = U1 / U2;
U2 – фазное напряжение первичной обмотки трансформатора.
I = 1,1 * √(2/3) * 75 / 1,5 = 44,6 А.
4. Расчётная типовая мощность трансформатора
SТР = KT * Ud * Id ,
где KT – коэффициент схемы.
SТР = 1,05 * 250 * 75 = 19687,5 вт.
Выбор вентилей
1. Среднее значение тока вентиля
Iв = K тв * Id
где KTB - коэффициент схемы.
Iв = 1/3 * 75 = 25 А.
2. Классификационное значение предельного тока вентиля при заданном типе охладителя, указываемое в каталогах, определяется по формуле
In0 = Kэт * Iв
где Кэт - коэффициент запаса по току, выбираемый исходя из надежности работы вентиля и с учетом пусковых токов.
In0 = 1,25 * 25 = 31,25 А.
3. Максимальная величина обратного напряжения, прикладываемого к вентилю, определяется по формуле
UВМ = U2 * KНВ ,
где КНВ - коэффициент схемы ;
UВМ = 148 * √6 = 363 В.
Повторяющееся напряжение, определяющее класс вентиля, выбирается с запасом :
UП ≥ UВМ / Kзн ,
где Кзн - коэффициент запаса по напряжению.
UП ≥ 363/ 0,8 = 453 В
Выберем по справочнику прибор со следующими параметрами:
Тип прибора – ТО132-40-6
Максимально допустимый действующий ток в открытом состоянии – 40 А.
Повторяющееся импульсное напряжение в закрытом состоянии: наибольшее мгновенное значение напряжения в закрытом состоянии, прикладываемое к тиристору, включая только повторяющиеся переходные напряжения – 600 В.
Ударный неповторяющийся ток в открытом состоянии: наибольший ток в открытом состоянии, протекание которого вызывает превышение максимально допустимой температуры перехода, но воздействие которого за время службы тиристора предполагается редким, с ограниченным числом повторений – 750 А.
Отпирающий постоянный ток управления: наименьший постоянный ток управления, необходимый для включения тиристора – 150 мА.
Отпирающее импульсное напряжение управления – 2,5 В.
пороговое напряжение (напряжение отсечки) - 1,15 В.
динамическое (дифференциальное) сопротивление прямой вольтамперной характеристики вентиля в открытом состоянии - 6 Ом.
общее установившееся тепловое сопротивление - 0,3 °С/Вт
Расчет температуры нагрева вентиля
1 Температура полупроводниковой структуры Тр„п зависит от мощности потерь , образующихся в полупроводниковой структуре.
В нормальных режимах работы на частотах не более 200Гц потери в основном обусловлены протеканием прямого тока прибора. Эти потери составляют 95+98 % от полных потерь в приборе и определяются выражением
ΔP = U0 * IB + Rд * Kф2 * IB2,
где U0 - пороговое напряжение (напряжение отсечки), В;
IB - среднее за период значение прямого тока вентиля. А;
Rд - динамическое (дифференциальное) сопротивление прямой вольт-амперной характеристики вентиля в открытом состоянии , Ом ;
Кф = Iэф / IB - коэффициент формы тока , протекающего через прибор;
Iэф и IB - среднее по модулю и эффективное значение прямого тока, протекающего через вентиль .
В этом случае дополнительными потерями обычно пренебрегают .
ΔP = 1,15 * 25 = 28,75 Вт.
2 Эквивалентная температура полупроводниковой структуры определяется выражением
Tp-n = Tc + ΔP * RT
где Тс - температура окружающей среды (или охлаждающего агента при принудительном охлаждении) , °С;
RT - общее установившееся тепловое сопротивление,
(зависит от типа охладителя и интенсивности охлаждения), °С/Вт.
Tp-n = 60 + 28,75 * 0,3 = 69°
выполняться условие нормальной работы прибора
Тр-п ≤ [ Тр-п ]
69° ≤ 125°
Регулировочная характеристика преобразователя
Регулировочная характеристика преобразователя представляет собой зависимость среднего значения выпрямленного напряжения от угла открывания вентилей а. Вид регулировочной характеристики определяется типом нагрузки (индуктивная или активная) и схемой силовой части преобразователя .
В идеальном преобразователе при чисто индуктивной нагрузке (Lн = ∞) изменение напряжения нагрузки от максимального значения Udo до нуля происходит при изменении угла открывания тиристоров в пределах от нуля до 90 эл. град, Теоретическая регулировочная характеристика таких преобразователей описывается уравнением ~
Uda=Udo*cosα,
где Udo — среднее значение выпрямленного напряжения при α=0.
При реальной активно-индуктивной нагрузке (LН≠α ) в таких преобразователях, если α > 90 эл. град., наступает режим прерывистого тока и средние значения тока и напряжения нагрузки не равны нулю.
При чисто активной нагрузке (LН = 0) диапазон регулирования угла открывания вентилей и вид регулировочной характеристики преобразователя меняются.
Теоретическая регулировочная характеристика при чисто активной нагрузке описывается уравнениями:
для трехфазной мостовой схемы
Uda = Udo*cos α при 0°< α <60°;
Uda = Udo*[ l+cos(600 + α)] при 60°< α < 120.

Регулировочная характеристика
Uф
Ua
Ub
Uc
![]()
![]()
![]()
![]()
![]()
![]()
![]()
![]()
![]()
![]()
![]()
![]()
![]()
![]()
![]()
![]()
![]()
![]()
![]()
![]()
![]()
![]()
t1
t2
t3
![]()
![]()
![]()
![]()
![]()
![]()
![]()
![]()
120 о
Uу1
Uу2
Uу3
![]()
![]()
![]()
![]()
![]()
![]()
![]()
![]()
120 о
VS1
VS2
VS3
VS1
VS1
VS2
VS3
VS1
Uу4
Uу5
Uу6
Ud
id
< 30
> 30
Расчёт системы управления тиристорами
Выберем по справочнику прибор со следующими параметрами:
Тип прибора – КТ616А
Максимальная рассеиваемая мощность коллектора – 0,3 вт.
Максимальное напряжение коллектор-эмиттер - 20 В.
Максимальное напряжение коллектор-база - 20 В.
Максимальное напряжение эмиттер-база - 4 В.
Максимальный постоянный ток коллектора - 400 мА.
Максимальный импульсный ток коллектора - 600 мА.
Статический коэффициент передачи тока в схеме с общим эмиттером - 40
Напряжение насыщения коллектор-эмиттер при постоянном токе базы - 0,6 В.
Граничная частота коэффициента передачи тока - 100 МГц.
Минимальное напряжение на коллекторе транзистора снижается до значения
Uк.мин = Uд.см + Uке.нас
Uк.мин = 0,7 + 0,6 = 1,3 В.
Значение резистора, задающего ток управления тиристором, определим по формуле
Rx2 = (Uп - Uк.мин) / Iу
Rx2 = (10 – 1,3) / 200 мА = 40 Ом.
Для обеспечения ключевого режима работы транзистора минимальный ток базы определим по формуле
IБ > IК / β
IБ > 200 мА / 70 = 2,9 мА.
Rx4 – резистор, задающий начальный ток на диоде смещения
Rx4 = Uп / Iд
Rx4 = 10 / 0,01 = 1 кОм.
Rx3 – резистор, обеспечивающий быстрое рассасывание электронов в базе транзистора
Rx3 = Uсм / IКБ0
Rx3 = 2 / 0,1 мА = 20 кОм.
Максимальное значение резистора, ограничивающего ток управляющего импульса, поступающего на базу по формуле
Rx1 < R2 / 10
Rx1 < 20 / 10 = 2 кОм.
Выходная нагрузочная способность микроконтроллера ограничивает минимальное значение резистора, ограничивающего ток управляющего импульса, поступающего на базу, рассчитываемое по формуле
Rx1 > U / I
Rx1 > 5 / 20 мА = 250 Ом.
Значение резистора, удовлетворяющее обоим условиям выберем равным 1 кОм.
Длину управляющих импульсов определим по формуле
tи ≥ tвкл=100 мкс.
Расчёт параметров компонентов схем питания.
Подберём диод VD1 по максимальному току, прямому току > 800 мА.
Выберем по справочнику прибор со следующими параметрами:
Тип прибора – Д302
Среднее за период значение прямого тока диода - 1 А.
Прямое обратное напряжение диода - 200 В.
Значение максимально допустимой частоты - 5 кГц.
Определим ёмкость Фильтрующего конденсатора С1 по длине периода RC – фильтра
5 /RC < f
5/ (20 * 6300 мкФ) < 50 Гц
Выберем электролитический конденсатор: 6300 мкФ x 16 В.
Питание для контроллера построим на стабилизаторе КР142ЕН5А и конденсаторах С4 : 0,1 и С5 100x10.
Выбор микроконтроллера и расчёт параметров его периферийных устройств
Требования, предъявляемые к микроконтроллеру:
Наличие внутренней памяти программ и ОЗУ.
Наличие EEPROM (Электрически перепрограммируемая память) – для хранения при отключении питания введённых значений уровня регулируемого напряжения и режима работы;
Наличие сторожевого таймера для обеспечения гарантированно надёжной работы микроконтроллера.
Наличие внутрисхемно реализованного АЦП.
Наличие USART приёмо-передатчика для возможности управления и контроля на расстоянии или с помощью компьютера.
Для решения этой задачи наиболее подходящим является микроконтроллер PIC16F873 фирмы Microchip со следующими параметрами:
35 команд;
все команды выполняются за 1 цикл (20 нс при 20 Мгц), кроме команд перехода, выполняющихся за 2 цикла
тактовая частота 0 ... 20 МГц, цикл команды от 20 нс;
Флеш память программ 4х14 Кбайта
аппаратные прерывания от 13 источников;
8-уровневый аппаратный стек;
прямой, непосредственный, косвенный и относительный режимы адресации
3 таймер/счётчик с предварительным делителем.
Встроенное электрически перепрограммируемое ПЗУ данных 128 бит – типовое число циклов перезаписи – 1000000
Схема запуска по включению питания
Таймер запуска генератора
Сторожевой таймер с отдельным встроенным RC-генератором
Бит защиты считывания памяти программ
Режим пониженного энергопотребления
Программируемый выбор генератора
Внутрисхемное программирование через 2 вывода
Микропотребляющая высокоскоростная КМОП технология
Полностью статическое устройство
Широкий диапазон питания: 2.0...6.0 В
Высокотоковые входы-выходы 25 мА
Низкое энергопотребление: <2 мА (5 В, 4 МГц), 15 мкА типовой (2 В, 32 кГц), < мкА типовой в режиме пониженного энергопотребления при 2 В
Модуль компаратора/накопителя/ШИМ
Последовательные порты SPI / I2C / USART
A/D преобразователь (10 разрядов) 5 каналов
Наминал резисторов R4 – R11, задающих ток через сегменты равным 2,5 мА
R= (Uп-Uсег) / ( I * n),
R= (5-2) / (2,5 мА * 4) = 300 Ом.
Наминал подтягивающих резисторов R12 – R15, выберем согласно рекомендациям фирмы-производителя по 10 кОм.
Коэффициент деления делителя определим по формуле
Kдел ≈UV_OUT / UOP
Kдел ≈ 300 / 5 = 60
Выберем коэффициент деления равным 100
Наминал резистора R3 определим по максимальному входному сопротивлению входа АЦП:
R2 = Rвх.max / 10
R2 = 10 кОм /10 = 1 кОм.
R1 = R2 * Kдел
R1 = 1 кОм * 100 = 100 кОм.
Схему формирования отсчёта сдвига фазы организуем на ограничителе полярности сигнала – диоде VD3 , ограничителе входного напряжения – стабилитроне VD4 и задатчика тока стабилизатора – резистора R3.
Подберём стабилитрон по напряжению стабилизации равным 3ч5 В.
Выберем по справочнику прибор со следующими параметрами:
Тип прибора – КС139Г
Значение напряжения стабилизации при протекании тока стабилизации - 3,9 В.
Значение постоянного тока, протекающего через стабилитрон в режиме стабилизации - 5 мА
Значение задатчика тока стабилизатора – резистора R3 определим по формуле
R3 = U / Iст
R3 = 5 / 5 мА = 1 кОм
. Подберём диод VD3 по максимальному току, прямому току > 5 мА.
Выберем по справочнику прибор со следующими параметрами:
Тип прибора – Д102А
Среднее за период значение прямого тока диода - 0,1 А.
Прямое обратное напряжение диода - 250 В.
Номиналы конденсаторов кварцевого генератора С2, С3 возьмем из документации фирмы-изготовителя микроконтроллера, соответствующие частоте 20 Meg равными по 15 пФ.
Заключение
В результате выполнения курсового проекта был разработан управляемый выпрямитель;
обладающий высокой мощностью
имеющий высокий КПД
имеющий высокую стабильность и заданную точность выходного напряжения
имеющий широкий диапазон и малую дискретность регулируемого напряжения
возможность удалённого контроля и управления выпрямителем
возможность автоматического регулирования напряжения
Такие возможности были получены в результате использования современной элементной базы
Список использованной литературы
Руденко B.C., Сенько В.И., Чиженко И.М. Преобразовательная техника:
Учебник, Киев: Высш.1шс., 1983.431с. Дополнительная
«Электроника» В. И. Лачин, Н. С. Савёлов. Феникс 2000г.
Полупроводниковые выпрямители/ Под ред. Ф.И. Ковалева и Г.П. Мостковой. М.: Энергия, 1978. 448с. К контрольной работе
Шкарупин А.Я. Расчет систем управления тиристорами. Методические указания к курсовому проекту по преобразовательной технике/ Новочерк. гос. техн. ун-т. Новочеркасск, 1998. 20с. К лабораторным работам
Методические указания к лабораторным работам по курсу " Преобразовательная техника" / Сост.: В.И.Лачин, К.Ю.Соломенцев, А.Я.Шкарупин. Новочерк. гос. техн. ун-т. Новочеркасск , 1998.
Справочник. «Интегральные микросхемы и их зарубежные аналоги». Под редакцией Нефёдова А.В. М. Радиософт. 1994г.-
Справочник. «Диоды, тиристоры, транзисторы и микросхемы общего назначения». Воронеж. 1994г.
Приложение
|
Поз. обозначение |
Наименование |
Кол. |
Примечание |
||||||||||
|
Конденсаторы |
|||||||||||||
|
С1 |
Конденсатор К50-6-16В-6300мкф ОЖО.464.031ТУ |
1 |
|||||||||||
|
С2, С3 |
Конденсатор КМ-5-15пкф ОЖО.460.050ТУ |
2 |
|||||||||||
| С4, С5 | Конденсатор К50-6-100мкф ОЖО.464.031ТУ |
2 |
|||||||||||
|
Микроконтроллер |
|||||||||||||
| MPU1 | PIC16F873 |
1 |
|||||||||||
|
Стабилизатор напряжения |
|||||||||||||
| DA1 | КР142ЕН5А |
1 |
|||||||||||
|
Индикатор |
|||||||||||||
| HL1 | BQ-N326RD | 1 | |||||||||||
|
Резисторы МЛТ ГОСТ7113-77 |
|||||||||||||
| R1 | МЛТ-0,125-100кОм ± 10% |
1 |
|||||||||||
|
R2, R3 |
МЛТ-0,125-1кОм ± 10% |
2 |
|||||||||||
|
R4.-R11 |
МЛТ-0,125-300Ом ± 10% |
8 |
|||||||||||
|
R12.-R15 |
МЛТ-0,125-10кОм ± 10% |
4 |
|||||||||||
|
R21...R71 |
МЛТ-0,125-1кОм ± 10% |
6 |
|||||||||||
|
R23...R74 |
МЛТ-0,125-40Ом ± 10% |
6 |
|||||||||||
|
R23...R74 |
МЛТ-0,125-20кОм ± 10% |
6 |
|||||||||||
|
R24...R74 |
МЛТ-0,125-1кОм ± 10% |
6 |
|||||||||||
|
Кнопки |
|||||||||||||
| S1-S4 | П2К | 4 | |||||||||||
2004.КП.02.059.00.ПЭ3 |
|||||||||||||
|
Изм. |
Лист |
№ докум. |
Подп. |
Дата |
|||||||||
|
Разраб. |
Евченко | Управляемый микроконтроллер выпрямитель |
Лит. |
Лист |
Листов |
||||||||
|
Пров. |
Шкарупин |
1 |
2 |
||||||||||
Кафедра АиТ |
|||||||||||||
|
Н.контр. |
|||||||||||||
|
Утв. |
|||||||||||||
|
Поз. обозначение |
Наименование |
Кол. |
Примечание |
||||||||||
|
Трансформатор |
|||||||||||||
| Tp1 | 1 | ||||||||||||
|
Диоды |
|||||||||||||
|
VD1 |
Д302 |
1 |
|||||||||||
|
VD2 |
КД102А |
1 |
|||||||||||
|
VD21...VD71 |
Д302 |
6 |
|||||||||||
|
Стабилитрон |
|||||||||||||
|
VD3 |
КС139Г |
1 |
|||||||||||
|
Оптотиристоры |
|||||||||||||
|
VO1-VO6 |
ТО132-40-6 |
6 |
|||||||||||
|
Транзисторы |
|||||||||||||
|
VТ1-VТ6 |
КТ602АМ |
6 |
|||||||||||
|
Разъёмы |
|||||||||||||
| А, В, С | 3 | ||||||||||||
| V_OUT | 1 | ||||||||||||
| GND | 1 | ||||||||||||
2004.КП.02.059.00.ПЭ3 |
|||||||||||||
|
Изм. |
Лист |
№ докум. |
Подп. |
Дата |
|||||||||
|
Разраб. |
Евченко | Управляемый микроконтроллер выпрямитель |
Лит. |
Лист |
Листов |
||||||||
|
Пров. |
Шкарупин |
2 |
2 |
||||||||||
|
Кафедра АиТ |
|||||||||||||
|
Н.контр. |
|||||||||||||
Похожие рефераты:
Синхронные машины. Машины постоянного тока
Компенсация реактивной мощности в системах электроснабжения с преобразовательными установками
Энергосбережение на современном этапе
Лекции по твердотельной электронике
Разработать лабораторный стенд для испытания устройств защиты судовых генераторов
Модернизация релейной защиты на тяговой подстанции Улан-Удэ на базе микропроцессорной техники
Основные качества полупроводников
Пассивные линейные измерительные преобразователи синусоидальных напряжений и токов
Проектирование электрической тяговой подстанции постоянного тока
Основные приборы и механизмы тягового электровоза
Тиристорные устройства для питания автоматических телефонных станций
Инверторные источники питания для электродуговой сварки
Оборудование летательных аппаратов
Разработка устройства автоматического регулирования света на микроконтроллере