| Скачать .zip |
Реферат: Система бесперебойного электропитания телекоммуникационного узла
Министерство Российской Федерации по связи и информатизации
Сибирский государственный университет телекоммуникаций и информатики
Курсовая работа на тему:
“Система бесперебойного электропитания телекоммуникационного узла”
Выполнил: студент группы С-08 ХХХ
Проверил: Козляев Ю.Д
Новосибирск 2003г
Оглавление.
Анализ исходных данных, представление функциональной схемы ЭПУ с отображением на ней данных задания и обозначений недостающих параметров.
Расчет параметров аккумуляторной батареи.
Вычисление параметров тока и мощности всех категорий потребителей и суммарных значений максимальной и усредненной мощности. Выбор типа ДГУ.
Выбор преобразователей электрической энергии для ЭПУ и шкафного оборудования. Вычисление значений рабочего тока всех типов потребителей и соответствующий выбор автоматических выключателей. Заполнение карты заказа на коммутационное оборудование.
Вычисление усредненного значения годового потребления электрической энергии и ожидаемой стоимости энергопотребления.
Укрупненный расчет блока или модуля выпрямительного устройства.
Задача.
Разработать в соответствии с техническим заданием функциональную схему электропитающей установки, рассчитать максимальные и усредненные значения тока и мощности ЭПУ, определить рабочие характеристики преобразователей электрической энергии, выбрать необходимое распределительное и преобразующее оборудование. Индивидуальной частью работы является укрупненный расчет инвертора напряжения с элементами управления (ИН).
Электропитающая установка является одной из базовых инфраструктур телекоммуникационного узла, предназначенной для получения напряжения (или ряда напряжений) питания, адаптированного к требованиям телекоммуникационного оборудования независимо от качества внешнего электроснабжения. Статистика показывает, что суммарное время отказов городской сети переменного тока составляет около 4-х часов в год, при этом до 90% времени приходится на кратковременные (до 0.5 сек) перебои. Ущерб от «потери связи» в зависимости от сферы обслуживания исчисляется суммами от 10 до 800 тыс. долл. в час
Данные:
Тип узла – удалённый доступ. Параметры первичного электроснабжения: номинальное напряжение сети (U1=380/220 В), число фаз (m=3), число вводов сети (n=1), нестабильность напряжения в % (N1= - 20% +10%) и частотой 50Гц.
U0=48 В;
I0=20 А;
= кВт;
Sхоз=1.2 кВА;
cosφхоз=0.7;
cosφвыпр=0.95;
Рубп, перем. тока=0.4 кВт;
пр=0.85
Число групп аккумуляторных батарей (NAB=1).
Время аварийной работы от аккумуляторных батарей ТАВ=8 часов.
Номинальная температура окружающей среды и её отклонения.
Тмин=-9˚С.
Среднегодовое значение коэффициентов спроса:
Кс(техн + зар.бат)=0.9Кс(осв)=0.6Кс(ав.осв)=0.7Кс(хоз)=0.8
Тариф за потребляемую энергию одноставочный, С=0.8 руб/кВт час.
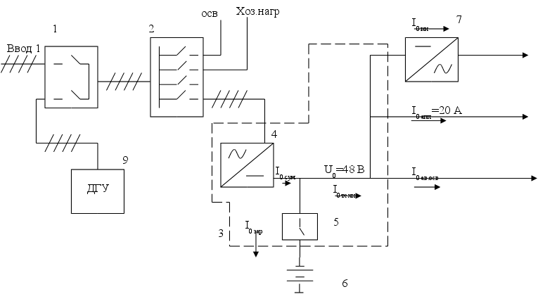
1. Функциональная схема.
Первичное напряжение сети подводится четырех проводной линией (три фазных провода А, В, С и нейтральный провод N или PEN); выпрямительный модуль (4) содержит группу однофазных выпрямителей, включенных по входу к одному из фазных и нейтральному проводу сети, а по выходу- параллельно, с заземлением положительного вывода источников питания аккумуляторный модуль содержит две группы батарей (АБ1, АБ2) и батарейный блок контроля и защиты; выходы ЭПУ разделены по возможным категориям потребителей; в щите распределения энергии переменного тока могут быть установлены измерительные приборы (амперметр, вольтметр, ваттметр); напряжение аварийного освещения внутренних помещений узла формируется из напряжения аккумуляторной батареи и коммутируется контактором в автоматизированном, вводно-распределительном шкафу. Схема дает наглядное представление о составе оборудования и взаимодействии элементов, хотя не определяет структуру и необходимое число отдельных блоков.
1
- шкаф вводно–распределительный
с одним вводом
городской сети
и резервным
вводом ДГУ. 2 -
шкаф вводно–распределительный.3
– установка
бесперебойного
питания постоянного
тока. 4 – модули
выпрямителей.
5 – устройство
коммутации
и защиты аккумуляторных
батарей. 6 - аккумуляторная
батарея. 7 – инвертор
напряжения.
9 – двигатель
– генераторная
установка.
Обозначение токов: I0 – постоянные составляющие тока, аппаратуры (апп), аварийного освещения (ав.осв), инвертора (ин), технологических потребителей (техн), заряда батарей (зар), суммарный (сум).
Рассчитаем токи, приведенные на схеме:
А
А
А
А
2. Расчет аккумуляторной батареи.
Определить номинальную емкость Сн при условиях: U0=48B, Tразр=8 часов, Iразр=36.05 A, Т=-9˚C.
Число элементов в батареи: Nэл=UБ ном /Uэл ном.=48/2.0=24
Ёмкостью определяют количество электричества, запасаемое или отдаваемое аккумулятором, измеряемое в А.час. (С= I х Т). Различают номинальную емкость (Сн, как полученную от аккумулятора при нормальной температуре 200С в режиме 10 часового разряда током равным величине Iразр=0.1С и рабочую (Ср=IразрТразр), полученную при других условиях. Названные емкости связаны соотношением:
А·час,
где Кi=0.92 – коэффициент отдачи емкости в зависимости от величины разрядного тока, t - средняя температура элемента в град. по Цельсию.
А·час,
Теперь учтем, что аккумулятор за 10 лет теряет 20% своей емкости.
Свыб=1.2·Сн=455.37 А·час.
Так как по заданию 1 аккумуляторная батарея, то её емкость будет 490 А·час.
Рассчитаем ток разряда:
А;
Аккумуляторы герметичного исполнения, с регулирующим клапаном OPZv – 490, Hawker Oldham, Франция.
3. Вычисление параметров тока и мощности всех категорий потребителей и суммарных значений максимальной и усредненной мощности. Выбор типа ДГУ.
Двигатель- генераторные установки (ДГУ) являются автономными источниками электрической энергии, применяемые для резервирования электроснабжения узлов связи на случай отказов сети переменного тока.
Конструктивно ДГУ состоит из двигателя внутреннего сгорания, механически соединенного с электрическим генератором. В маломощных установках используются бензиновые двигатели, в установках с мощностью 6.0 и более кВт используются дизельные двигатели, в которых в качестве топлива используется керосин
Определяем активную и реактивную составляющие мощности потребления от сети переменного тока.
А. Выпрямительные устройства:


Б. Хозяйственные нагрузки:

В. Суммарные показатели потребления:
Вт,
В·Ар,
ВАр
.
Заметим, что полученная величина Sсум определяет максимальную, т.н. «заявляемую» мощность. На эту величину заключается договор с энергоснабжающей организацией, дающей разрешение на присоединение к ближайшей трансформаторной подстанции. С учетом этой мощности вычисляется максимальный ток ввода и выбирается автоматический выключатель вводного щита.
Г. Рассчитаем заявочный ток и мощность одной фазы.

Д. Усредненное значение активной мощности нагрузок с учетом коэффициентов одновременности и загрузки

Е. Ориентировочное значение усредненной величины полной мощности.
ВА.
По данным подходящим типом ДГУ является бензиновый G5000H(б), с показателями мощности – 5 кВА/4 кВт, поставщик Elteco.
4.Выбор преобразователей электрической энергии для ЭПУ и шкафного оборудования. Вычисление значений рабочего тока всех типов потребителей и соответствующий выбор автоматических выключателей. Заполнение карты заказа на коммутационное оборудование.
а) Шкафы вводно-распределительные ШВР производства ОАО Юрьв-Польского завода “Промсвязь”, далее ЮПЗ “Промсвязь”.
Шкафы ШВР предназначены для ввода и распределения электрической энергии трехфазного или однофазного переменного тока с номинальным напряжением 380/220В. Щиты обеспечивают защиту сети и потребителей энергии от перегрузок, коротких замыканий, от перенапряжения.
Первый ШВР:
ШВР А У 380/10 1 1 П -
Второй ШВР:
ШВР А - 380/10 - - П -
б) Выбор ЭПУ:
Устройства электропитания представляют шкафную конструкцию, объединяющую ряд функциональных элементов ЭПУ, выпрямительных модулей, блок контроля и коммутации аккумуляторных батарей, устройств контроля сети, измерения тока и коммутации нагрузки, элементов местной и дистанционной сигнализации. Шкаф допускает размещение в нём аккумуляторов герметичного типа. При большой емкости аккумуляторов их размещение предусматривается в дополнительных шкафах
U
УЭПС-2 48/90 8-4 ЮПЗ «Промсвязь».
o=48 B
Io=85.05 А
Я взял ИБП 1 – 48/160 с 4 выпрямителями типа ВБВ 48/30 – 2 (выходным током 30 А). Три выпрямителя дают 90 А > 85.05 А и один выпрямитель запасной.
в) Преобразователи постоянного напряжения отсутствует.
г) Инверторы.
Инверторы напряжения (ИН) предназначены для обеспечения бесперебойного питания ответственных потребителей напряжением переменного тока. Как правило, к ним относятся серверы, компьютеры обеспечения технологического процесса, мониторинга телекоммуникационных систем. В ряде случаев инверторы применяют для организации аварийного освещения «наружных» объектов (например, антенных мачт) осветительными приборами, рассчитанными на стандартное напряжение переменного тока 220В. Инвертор преобразует опорное напряжение ЭПУ в переменное напряжение гарантированного качества.
Поскольку нам задана мощность Рубп=0.4 кВт, то выбор падет на инвертор:
S 034.
Заполнение опросного листа.
Опросная карта (лист), для оформления заказа на шкаф ШВР1.
Номинальное напряжение вводов сети 380 В.
Номинальный ток вводного автомата (А): 10, 10.
Количество вводов: а) от сети: 1.
б) от дизельной электростанции: 1.
Тип дизельной электростанции: стационарная.
Необходимость предусматривать АВР для включения АДЭС: да.
Необходимость контролирующих приборов:
А. Амперметры: да, на каждом вводе.
Б. Вольтметры: да, на каждом вводе.
В. Счетчики электроэнергии: да, на каждом вводе.
Количество автоматических выключателей потребителей:
Ток, А 10 10 1ф 3ф 1 1 От вводного автомата
От ДГУ
Условие переключения АВР: при отклонения напряжения более допустимых по ОСТ пределов.
Опросная карта (лист), для оформления заказа на шкаф ШВР2.
номинальное напряжение вводов сети 380В.
Номинальный ток вводного автомата (А): 6, 6, 10.
Количество вводов: а) от сети: - .
б) от дизельной электростанции: - .
Тип дизельной электростанции: - .
Необходимость предусматривать АВР для включения АДЭС: - .
Необходимость контролирующих приборов:
А. Амперметры: да, на каждом вводе.
Б. Вольтметры: да, на каждом вводе.
Количество автоматических выключателей потребителей:
Ток,А Хоз: 6 А Осв: 6 А Вх.выпр: 10 А 1ф 3 3ф 1 1 Условие переключения АВР: при отклонения напряжения более допустимых по ОСТ пределов.
5.Вычисление усредненного значения годового потребления электрической энергии и ожидаемой стоимости энергопотребления.
Вт
рублей.
6.Укрупненный расчет блока или модуля выпрямительного устройства.
(инвертор напряжения).
Блок-схема современного выпрямителя.
В
Cy2

ыпрямитель содержит:
А. Блок сетевых выпрямителей (БСВ), коммутируемый по входу автоматическим выключателем Q1. Диодное звено В1 выполняет первичное преобразование напряжения сети в пульсирующее напряжение Ud1. Вспомогательный маломощный выпрямитель Вдоп обеспечивает стабилизированным напряжением питания элементы систем управления.
Б. Корректор коэффициента мощности (ККМ), выполняющий функции активного фильтра тока сети, повышения, фильтрации и стабилизации напряжения U01 на выходе ККМ.
В. Инвертор напряжения (И), преобразующий постоянное напряжение U01 в знакопеременное напряжение высокой частоты U1 с управляемой длительностью импульсов.
Г. Высокочастотный понижающий трансформатор (Т), обеспечивающий согласование уровней напряжения и гальваническую развязку цепей входа и выхода выпрямителя.
Д. Выходной выпрямитель В2 с индуктивно-емкостным фильтром напряжения пульсаций.
Е. Управляющие схемы корректора мощности (К1) и инвертора напряжения (К2). Схемы содержат буферные усилители мощности импульсов управления транзисторами (драйверы) и элементы обратной связи по току и напряжению.
На выходе инвертора диаграмма будет иметь следующий вид:

На выходе трансформатора:
Н
а
выходе В2:

Расчитаем максимальные амплиудные показатели по току и напряжению:


Найдем амплитуду первой гармоники на входе по напряжению:
Поскольку
нам известна
Um(1)вых=5 мВ,
то найдем
Отсюда сделаем вывод:
1.Увеличивая частоту, мы уменьшаем размеры LC.
2.Импульсные методы передачи напряжения и регулирования (из схемы видно, что регулирование осуществляется в инверторе).
Мостовая схема инвертора.
П
ринцип
работы:
Работа заключается в парной работе диодов (ключей), каждый раз включается диагональная пара диодов (ключей) и в зависимости от полярности сигнала формируется либо положптельный либо отрицательный импульсы (выходное напряжение инвертора всегда импульсное)
Д
иоды
2 – 4 формируют
положительную
полуволну, а
отрицательную
1 – 3.
Заключение.
В данной курсовой работе самостоятельно изучили и освоили принципы построения ЭПУ телекоммуникационного узла связи. Произвели выбор питающей аппаратуры в соответствии с предложенной документацией. И предоставили подробное описание одного из блоков (инвертора) выпрямительного устройства.
Список литературы:
1. Козляев Ю.Д.СИСТЕМА БЕСПЕРЕБОЙНОГО ЭЛЕКТРОПИТАНИЯ ТЕЛЕКОММУНИКАЦИОННОГО УЗЛА
Задания и методические указания для курсовой работы для студентов, обучающихся по направлению «Телекоммуникации» Новосибирск 2003г.
2. Лекции
![]()
![]()
![]()
![]()
![]()
![]()
![]()
![]()
![]()
![]()
![]()
![]()
![]()
![]()
![]()
![]()
![]()
![]()
![]()
![]()
![]()
![]()
![]()
![]()
![]()
![]()
![]()
![]()
![]()
![]()
![]()
![]()
![]()
![]()
![]()
![]()
![]()
![]()
![]()
![]()
![]()
![]()
![]()
![]()
![]()

![]()
![]()
![]()
![]()
![]()

![]()
![]()
![]()
![]()
![]()
![]()

![]()
![]()
![]()

![]()
![]()
![]()
![]()
![]()
![]()
![]()
![]()
![]()
![]()
![]()
![]()
![]()
![]()
![]()
![]()
![]()
![]()
![]()
![]()
![]()
![]()
![]()
![]()
![]()
![]()
![]()





![]()
![]()
![]()
![]()
![]()
![]()
![]()
![]()
![]()
![]()
![]()
![]()
![]()
![]()
![]()
![]()
![]()
![]()
![]()
![]()
![]()
![]()
![]()
![]()
![]()
![]()
![]()
![]()
![]()
![]()
![]()
![]()
![]()
![]()
![]()
![]()
Q1
Q2
Q3
+
Q8
Q9
F3
Rs1
Rs2
Q4
Q5
Q6
Q7
контр.
тока
контр,
напряже
ния и
сигнали
зация
индикац.
тока
клеммы
дистанц.
сигнализации
F1
F2
+
батарея1
K
I0 ин
ВБВ



ДГУ
Ввод 1
9
Шкаф вводно-распределительный
осв
Хоз.нагр
I0 апп
I0 ав. осв.