Скачать .docx  

Реферат: Ремонт и регулировка СМРК-2

«СМРК-2»

1.1 Введение.

Для предоставления максимальных удобств населению в приобретении и эксплуатации БРЭА созданы сеть фирменного технического обслуживания, административно подчиненная профсоюзам промышленных министерств, выпускающих радиотелевизионную аппаратуру.

Работу ФТО осуществляют технические центры, которые обеспечивают работоспособность БРЭА начиная с ее продажи.

Подготовка включает в себя ремонт позволяющий существенно сократить количество обращений в ремонтные организации в период гарантийного срока эксплуатации.

Важным звеном в системе повышения качества БРЭА и улучшения ее технического обслуживания является: фирменная торговля в системе промышленных министерств. Вся аппаратура поступающая в фирменные магазины проходит 100% предторговую подготовку в сфере инжинерно-технической службы. Создание специализированных предприятий по ремонту.

БРЭА и их концентрация позволяет уже использовать производственные площади и транспорт. Исключить дублированные функции и снять с баланса предприятий морально устаревшие приборы и оборудование.

Структурная схема телевизора 3УСЦТ

Блок управления (БУ) А9, в его состав входят плата регулировки А9.1 и модуль усилителя А9.2. С БУ связано конструктивное устройство сенсорного выбора телевизионных программ А10.

Модуль радиоканала А1, в который входят: селектор каналов СК-М-24-2 (А1.1), селектор каналов СК-Д-24 (А1.2), субмодуль синхронизации УСР (А1.4), субмодуль радиоканала СМРК (А1.3).

В состав модуля цветности МЦ-2 (А2) входит субмодуль цветности СМЦ (А2.1)

А3 – соединительная плата ПС, а А4 – модуль питания МП.

А6 – Модуль кадровой развертки МК.

А7 – Модуль строчной развертки МС, в его состав входит субмодуль коррекции растра А7.1.

А8 – Плата кинескопа.

А11 – устройство размагничивания кинескопа УРК

А12 – Плата фильтра ПФП.

Принципиальная схема СМРК-2

СМРК-2 содержит канал изображения и канал звукового сопровождения. В состав канала изображения входят апериодические широкополосные усилители на транзисторах VT1-VT3, пьезокерамический ФСС D1 и ИС D2.

Полный цветовой телевизионный сигнал вещательного телевиденья на промежуточной частоте с выхода СК-М-24-2 поступает через контакт 20 соединителя Х1 и конденсатора С1 на базу VT1. Нейтрализация ПОС по переменному напряжению выполняется С3. VT1 питается по эмитерной цепи через R3, а его режим определяется делителем R1,R2. С включенного в коллекторную цепь резистора нагрузки R4 усиленный сигнал поступает на вывод 2 фильтра D1, с помощью которого формируется АЧХ УПЧИ с требуемой полосой пропускания и заданными нормами подавления паразитных сигналов. Потери сигнала при прохождении через фильтр компенсируется усилением VT1 и двухкаскадного усилителя на VT2, VT3.

Микросхема D2 выполняет функции УПЧИ, синхронного детектора, предварительного видеоусилителя и устройства формирования управляющих напряжений для систем АРУ и АПЧГ.

В коллекторной цепи VT2 и VT3 включены резисторы R11, R12 и R14 соответственно. Назначение этих резисторов – создать равные по размаху напряжения, которые поступают через С7, С11 и выводы 1 и 16 ИС D2 на регулируемый усилитель 2. С выхода РУ сигнал поступает на синхронный детектор 10.1, к которому через выводы 8 и 9 ИС подключен опорный контур L1 C19 R31. С выхода детектора сигнал поступает на АРУ (13) и через усилитель 1 – на вывод 12 ИС. Опорный контур через емкость монтажа связан с контуром J2 c25, который через выводы 10 и 7 ИС подсоединен к синхронному детектору 10.1, с частотой опорного контура (38МГц) и вырабатывается напряжение ошибки, пропорциональное разности этих частот. Значение и знак напряжения ошибки определяется по отклонению частот гетеродина от номинального значения. Для изменения частоты гетеродина до значения, которое отличается от номинального на величину остаточной расстройки, это напряжение после усилителя постоянного тока 3.2, через вывод 5 D2, резистор R25 и контакт 16 соединителя Х1 поступает в цепь настройки селектора каналов СК-М-24-2.

Устройство АПЧГ блокируется замыканием на корпус вывода 6 ИС D2 через R29. При этом напряжение АПЧГ не поступает в цепь настройки СК, а на ее шине (вывод 5 ИС D2) устанавливается напряжение около 6В, образованное делителем R24, R28 (напряжение условного нуля).

Полный цветовой тв видеосигнал с вывода 13 ИС D2 через дроссель L3 и резистор R33 поступает на пьезокерамический фильтр D4; который подавляет сигнал второй ПЧ звукового сопровождения в канал изображения. Вход и выход режекторного фильтра соединены через фазосдвигающую индуктивность L4. Выход фильтра связан с ЭП на VT4, предназначенным для согласования ИС D2 с последующими устройствами.

Нагрузкой VT4 служит переменный резистор R41 с помощью которого устанавливается размах ПЦТС, равный 2,2В±10%.

С движка переменного резистора R41 полный цветовой тв сигнал через контакт 7 соединителя Х1 (А1), контакты переключателя Х2 (положение 1) поступает на контакт 1 соединителя Х6 (А2) МЦ, через контакт 9 соединителя Х8 (А1.4) – на модуль синхронизации УСР и на устройство сопряжения с ВМ.

Рассмотрим работу АРУ. АРУ (13 ИС D2) вырабатывает управляющее напряжение, которое подает на регулируемый усилитель 2, а так же через УПТ 3.1, вывод 4 ИС D2, резистор R23, контакт 14 соединителя Х1 (А1) на вход АРУ СК – контакт 6 соединителя Х1 СК-М-24-2.

Начальное напряжение АРУ (8±0.5В) устанавливается делителем R22, R17, связанным с источником питания 12В. Фильтр С13 R20 C14 и резистор R21, подсоединены к выводу 14 ИС D1, определяет постоянную времени системы АРУ, которая характеризует ее благодействие т.е. возможность следить за быстрыми изменениями сигнала на выходе тв. В то же время при выборе элементов фильтра учитываются необходимость сохранения значения на время передачи одного кадра изображения. Чтобы АРУ не воздействовало на каскады УВЧ при малых уровнях входного сигнала, к выходу 3 ИС подсоединена цепь C12, R19, R18. Переменный резистор R18 устанавливается таким образом, чтобы АРУ начинало поступать в каскады УВЧ селектора при уровне сигнала на выходе около 1мВ.

Канал звукового сопровождения выполнен на микросборке D3. С выхода 12 ИС D2 ПЦТС через дроссель L3 и конденсатор С20 поступает на вход пьезокерамического полосового фильтра 15.1, настроенного на вторую ПЧ звукового сопровождения (6.5МГц). Выделенная ПЧ звукового сопровождения, через ограничитель 16 поступает на вход ЧД 10. его настройка производится опорным контуром 15.2, выполненного в виде пьезокерамического фильтра. С выхода ЧД сигнал ЗЧ поступает на входы регулируемого 2 и нерегулируемого 1 усилителей.

Для возможности отключения УПЧИ и УПЧЗ, что бывает необходимо при работе с ВМ и сервисными устройствами, вывод 14 ИС D2, через диод VD1, а так же вывод 3 микросборки D3, резистор R34 и диод VD2 могут быть замкнуты на корпус через контакт 6 соединителя Х1.

2.1 Внешний осмотр и апробирование.

Внешний осмотр производят визуально и на слух.

Параметры телевизора измеряют при нормированном сигнале. Первоначальную установку нормированного сигнала выполняют при нормированном изображении, которое устанавливают max: на вход телевизора подают несущую частоту соответствующего канала, модулированную полным телевизионным сигналом шахматного поля (для телевизоров с экраном менее 42см). При этом число клеток должно быть таким, чтобы площадь каждой клетки превышало площадь окна фотометра (ФТ-129). Затем регуляторами контрастности и яркости устанавливают по фотометру нормированное изображение: яркость черной клетки – 2кд/м2 , яркость белой клетки – 80кд/м2 (или близкие к ним).

Найти причину неисправности телевизора во многих случаях значительно труднее, чем ее устранить.

В начале необходимо исключить причины, по которым могла нарушиться работа вполне исправного телевизора. Например, при невозможности включить телевизор, следует проверить исправность сетевой вилки, шнура питания и целость сетевых предохранителей, при наличии шумов на экране и отсутствии изображения на всех тв каналах, многоконтурности при приеме одной или нескольких программ, излома вертикальных линий, неустойчивости (подергивании) изображения следует проверить исправность антенного соединителя и антенны, при искажении на одном канале – положение соответствующего органа настройки в устройстве выбора программ, при отсутствии цвета и звука – положение кнопок, предназначенных для их выключения.

Анализ внешних признаков неисправности позволяет в зависимости от ее характера определить неисправный блок, модуль, субмодуль, подлежащий затем более тщательному исследованию. Он включает в себя внешний осмотр монтажа и радиоэлементов при включенном и выключенном телевизоре, проверку радиоэлементов и качества контактов, измерение режимов и снятие осциллограмм.

При включенном телевизоре необходимо отсоединить шнур питания от электрической сети и одним концом отрезка провода с хорошей изоляцией, сухой конец которого соединен с корпусом, прикоснуться несколько раз к аноду кинескопа для снятия остаточного напряжения. Внешний осмотр позволяет выявить плохо сочлененные соединители, обрывы проводов в местах их пайки, нарушение изоляции проводов, а также неисправность детали, нарушение изоляции, внешний вид которых свидетельствует либо о перегрузке (потемнение или обгорание покрытия резисторов, потемнение корпусов диодов, деформация каркасов катушек индуктивности и т.д.), либо о неработоспособности (вспучивание корпусов ИС и конденсаторов, растрескивание покрытия умножителя и т.д.).

Осмотр печатных плат со стороны фольги часто позволяет выявить некачественные пайки, разрывы и микротрещины в печатных проводниках. Пайки должны быть гладкими, без подтеков. Для холодных паек характерна неровная поверхность, пористость, малое количество припоя. Иногда холодную пайку удается обнаружить по контуру, окружающему выводы детали. В ряде случаев такая пайка не видна невооруженным глазом, но ее можно найти на ощупь, касаясь пальцем одной руки места пайки и слегка покачивая другой рукой подозреваемую деталь со стороны монтажа. Помощь при осмотре печатных плат может оказать применение оптической линзы с двух-трех кратным увеличением. Для выявления тех участков телевизора, где эпизодически возникают и самоустраняются те или иные нарушения, поступают следующим образом: включают телевизор и наблюдая за экраном осторожно ударяют по рамке или торцевой части модуля (субмодуля), использую для этой цели легкий технологический молоток с резиновым бойком или отвертку с изолированной ручкой.

Определив по выявлению нарушений на экране или звука неисправный блок, модуль, субмодуль, переходят к простукиванию печатной платы с помощью карандаша, отвертки или изолированного стержня. Это позволяет вплотную подойти к месту плохой пайки, микротрещине в печатном проводнике, найти конденсатор с внутренним обрывом вывода или переменный резистор, у которого ослаблен контакт между подвижной частью и проводящим слоем.

2.2 Проверка модулей и микросхем.

Одним из эффективных способов проверки неисправного модуля (субмодуля) является его замена другим, заведомо исправным. Однако во всех случаях, когда замена позволяет устранить неисправность, следует вновь устранить снятый модуль (субмодуль), чтобы убедиться в том, что нарушение не было вызвано каким либо случайным обстоятельством (например плохим контактом соединителя) и что снятый модуль требует ремонта.

Неисправность в самом модуле находят изменением постоянных и импульсных напряжений на контакт соединителей, активных элементов и в контрольных точках.

Очень эффективный метод сравнения (прозвонки). Для этого омметром измеряют сопротивление между выводами активных элементов исправного и неисправного модулей (субмодулей), а так же между ними и корпусом. Таким образом находят неисправный элемент в неисправном модуле (субмодуле).

При ремонте не рекомендуется спешить с выпайкой ИС, не убедившись в исправности всех подсоединенных к ней элементов и наличии на ее выводах напряжения питания и подводимых сигналов. Выводы ИС со стороны элементов отсчитывают против часовой стрелки, начиная от имеющейся на ее корпусе маркировки, а со стороны печатки по часовой стрелке от вывода 1. Чтобы избежать случайных замыканий близкорасположенных выводов ИС, рекомендуется подсоединять щупы приборов не к этим выводам, а к связанным с ними выводами радиоэлементов.

Следует помнить, что отклонение значений напряжений, подводимых на схемах, может быть следствием неисправности как самих ИС, так и подсоединенных к ним деталей. Сказанное относится в первую очередь к конденсаторам К50-6, К50-16, К10-78, наиболее характерные неисправности которых – появление тока утечки или обрыв (потеря емкости). Сложность заключается в том, что в ряде случаев эти параметры конденсаторов временно приходят в норму и последующая проверка не позволяет выявить дефект.

2.3 Обоснование выбора контрольно-измерительной аппаратуры.

При оборудовании рабочих мест на предприятиях по ремонту БРЭА учитывают следующие общие требования: наличие необходимого технологического оборудования и КИА, исправного инструмента и приспособлений; обеспечение безопасности труда, производственной санитарии, пожарной безопасности и удобств в работе; необходимой производительности труда; современные эстетические требования к инструменту.

Рабочее место радиомеханика оснащают необходимым инструментом: пинцетом, кусачками, плоскогубцами, круглогубцами, набором отверток с изолированными ручками, торцовыми и др. ключами, диэлектрическими отвертками для настройки колебательных контуров, электропаяльниками на безопасное напряжение 24…36В и мощностью 60Вт.

Для работы с микросхемами электропаяльники снабжаются специальными насадками.

Разработаны и выпускаются серийные наборы инструментов радиомеханика для ремонта телевизоров РТПИ-4, радиоприемников и ЭПУ – РПТИ-6, магнитофонов РПТИ-7. Эти наборы размещены в портфеле-дипломате и содержат необходимый инструмент, запасные радиодетали, узлы и материалы.

Для регулировки и контроля параметров СМРК-2 требуется:

1. Осциллограф-мультиметр С1-112

2. Ампервольтметр Ц4315 или Ц43101

3. Генератор испытательных сигналов ЛАСПИ-01

2.4 Настройка и регулировка субмодуля радиоканала СМРК

На антенный вход телевизора подать сигнал сетчатого поля размахом 1мВ от транзистора или испытательной таблицы. Настроить телевизор по наилучшему приему на одном из каналов ручкой установки частоты гетеродина.

Выключить телевизор, заменить субмодуль технологического телевизора на ремонтируемый. Установить движок резистора 1.3 R18 в среднее положение. Подключить осциллограф к КТ 1хN2.2 на плате СМРК. Включить ранее принимаемый канал. Ручку установки частоты гетеродина при этом не трогать.

На осциллографе получить осциллограмму видеосигнала. Положительные и отрицательные выбросы на площадке белого цвета, на синхроимпульсе и на гасящем импульсе должны быть минимальными, а площадка гасящего импульса – горизонтальной. Вращением подстроечного резистора катушки 1.3 L1 субмодуля добиться нужной формы осциллограммы. При этом изображение на экране телевизора должно быть устойчивым, с наилучшей четкостью вертикальных линий при мало заметных окантовках и повторах.

2.5 Неисправности в СМРК-2

Неисправность

Дополнительный признак

Возможная причина

Способ отыскания неисправности

Нет изображения и звука на всех тв каналах

Шумы на экране и треск в динамической головке при касании отверткой входа ПЧ – контакта 20 соединителя Х1 (А1.3) не появляются

Неисправен субмодуля радиоканала СМРК-2

Проверить неисправность цепи ПЧ сигнала от контактов 20 соединителя Х1 (А1) до выводов 1 и 16 ИС D2 (А1.3). Проверить режимы и исправность транзисторов VT1-VT3, исправность конденсаторов С1,С3-С5, С7,С8,С11 субмодуля СМРК-2, а также исправность фильтра D1 и ИС D2

Нет изображения, растр и звук имеются

При касании металлической отверткой контакта 1 соединителя Х6 (А2) наблюдаются помехи на растре

Неисправен РЭ между выводами 12 ИС D2(А1.3) и контактом 1 соединителя Х6 (А2)

Проверить исправность резистора R33, дросселя L3, транзистора VT4, переменного резистора R41 и контактов соединителя Х1 (А1.1) и перемычки Х2N1

Есть изобра-жение, нет звука

При касании лезвием металлической отвертки контакта 3 соединителя Х9 (А9) слышен фон

Неисправна микросборка D3 или РЭ в субмодуле СМРК-2 (А1.3), неисп-равен регуля-тор громкост.

Проверить цепи регулировки громкости по изменению постоянного напряжения на выводе 7 микросборки D3 (А1.3) при перемещении движка регулятора громкости в БУ. Проверить исправность микросборки D3, после чего решить вопрос о ее замене

Четкость изображения при выклю-чении системы АПЧГ более высокая, чем в режиме авто-подстройки

Расстроен контур системы АПЧГ в субмодуле радиоканала СМРК (А1.3)

Осторожным поворотом сердечника опорного контура системы АПЧГ (L2C25) в СМРК-2 установить сердечник в положении соответствующее отсутствию искажений и наибольшей четкости по изображению УЭИТ или ТИТ-0249

Неисправность

Дополнительный признак

Возможная причина

Способ отыскания неисправности

Прием возмо-жен только при отклю-чении системы АПЧГ

При включении системы АПЧГ изобра-жение становится неустойчивым

Неисправна система АПЧГ в субмодуле СМРК-2 (А1.3)

Проверить напряжение на выводах 5и6 ИС D2 (А1.3), исправность контура L2C25, отсутствие обрывов в печатном проводнике между контактом 15 и 16 соединителя Х1(А1.3)

Проверить исправность резисторов R3,R5и конден-саторов С1,С7, установлен-ных на кросс плате модуля МРК-2. Проверить ИС D2, после чего принять решение о ее замене

2.6 Оборудование рабочего места.

При оборудовании рабочих мест на предприятиях по ремонту БРЭА учитывают следующие общие требования: наличие необходимого технологического оборудования и контрольно-измерительной аппаратуры, исправного инструмента и приспособлений, обеспечение безопасности труда, производственной санитарии, пожарной безопасности, необходимой производительности труда.

Состав и размещение оборудования в стационарной мастерской зависят от вида аппаратуры, метода ремонта и объема работ. При индивидуальном методе ремонта телевизоров технология ремонта непосредственно не влияет на расположение оборудования в производственном помещении. При комбинационном методе с последовательно расположенными местами аппаратуры по мере ремонта его отдельных блоков применяют в ручную, перевозя на специальных тележках или по конвейеру.

Стационарную мастерскую оснащают в зависимости от специализации. На практике разработаны и внедрены комплекты оборудования КИА приспособлений и вспомогательных устройств для ремонта телевизоров, черно-белого и цветного изображения, радиоприемников, радиол, магнитол, усилителей, ЭПУ, магнитофонов.

Рабочее место для ремонта телевизоров кроме того содержат блок питания, выдвижные ящики для запчастей инструмента и материалов, передвижную тележку для транспортировки телевизоров в пределах цеха, передвижное зеркало для контроля.

2.7 Техника безопасности при ремонте телевизоров.

При ремонте телевизоров возможны: поражение электрическим током, механические травмы, ожоги.

Радиомеханикам занимающимся ремонтом телевизионной аппаратуры, необходимо знать правила техники безопасности.

Перечислим основные из них:

- Одним из наиболее опасных путей протекания эл. тока по телу человека является направление от рук к ногам, поэтому запрещается ремонтировать телевизоры в сырых помещениях или в помещениях с цементным и другими токопроводящими полами.

В этом случае использование диэлектрического коврика уменьшает вероятность поражения электрическим током.

- Не менее опасным является путь тока от руки к руке. Поэтому запрещается ремонт телевизоров вблизи заземленных конструкций (батарей центрального отопления и др.)

- Выполнение всех операций при включенном телевизоре должно осуществляться только одной рукой. Одежда с длинными рукавами: нарукавники, инструмент с изолированными ручками уменьшают вероятность поражения эл. током.

- При ремонте телевизоров с импульсным модулем питания их следует включать в сеть через разделительный трансформатор.

- При регулировках, при включенном телевизоре надо быть осторожным, чтобы не коснуться близко расположенных выводов ТВС, ВВ, фокусирующего электрода кинескопа при высокой плотности монтажа переносных телевизоров это требование приобретает особую значимость.

- При работе с включенным телевизором следует помнить о том, что конденсаторы могут сохранять электрический заряд довольно долго (например на одном выводе он может сохраняться несколько дней). Поэтому необходимо разряжать оксидные конденсаторы и емкости аквадага.

Отметим, что какие бы меры не применялись, в процессе ремонта телевизоров радиомеханик должен быть готов к электрическим ударам от весьма заметных, до весьма ощутимых, это поможет ему избежать отрицательных последствий ударов током (чем меньше неожиданность, тем более отрицательная реакция). А для этого, как и вообще при ремонте телевизоров, требуется исключительная внимательность. Поэтому недопустимы на рабочем месте курение и громкая музыка. Причинами механических травм радиомеханика могут быть:

- неисправный или неправильно используемый инструмент (при отворачивании винта лезвие сорвавшееся со шлица обвертки может поранить руку).

- При откусывании проводов или выводов радиоэлементов кусочки проволоки могут попасть в глаз.

- Тяжелые радиодетали (силовые трансформаторы питания и т.п) при их замене в телевизоре могут упасть со стола на ногу.

- Различные пружины, кожухи, экраны при их снятии могут повредить руки.

- При взрыве оксидного кинескопа корпус его может отлететь с большой силой.

Отметим также, что после снятия с телевизора неисправного кинескопа для исключения его взрыва следует нарушить его вакуум, аккуратно раздавив пассатижами стеклянный отросток на цоколе кинескопа.

Наиболее часто ожог пальцев радиомеханика происходит при пайке без пинцета, а так же при неосторожном касании паяльника или перегревающегося радиоэлемента. Особенно опасен ожог, вызванный расплавленным припоем, который может отлететь в глаза при пайке пружинящих контактов.

2.8 Описание конструкции аппарата

Рассмотрим особенности структурной электрической схемы и конструкции унифицированного цветного телевизора третьего поколения 3УСЦТ.

Телевизоры этого типа имеют одинаковую схему и конструкцию, кинескопы с самосведением лучей. Отличие телевизоров может быть в блоках строчной развертки и питания в зависимости от применяемого кинескопа, в устройстве сенсорного выбора программ, модуле цветности (могут применяться устройства сенсорного выбора программ УСУ-1-15, СВП-4, модули цветности МЦ-2 или МЦ-31). Выпускаются модели, в которых используются кинескопы с дельтообразным расположением электронно-оптических прожекторов. В таких телевизорах кроме рассмотренных ниже блоков применяют блок сведения и регулятор сведения.

Телевизор имеет АРУ, АПЧГ, систему АПЧиФ строчной развертки, автоматическое отключение канала цветности и режекторного фильтра в канале цветности при приеме сигналов черно-белого изображения, стабилизацию размеров растра при изменении тока лучей кинескопа, ограничение тока лучей кинескопа, защиту импульсного источника питания при коротких замыканиях в нагрузке, схему отключения высоковольтного выпрямителя при неисправностях в строчной развертке.

Использование импульсного блока питания обеспечивает высокую стабильность питающих напряжений при изменении напряжения сети в пределах от 170 до 240В и, кроме того, значительное снижение потребляемой мощности телевизора. При использовании кинескопов с самосведением она составляет 75…80Вт.

К телевизору можно подключать наушники для прослушивания звукового сигнала при отключенном громкоговорителе, магнитофон для записи, предусмотрена возможность подключения видеомагнитофона (через устройство сопряжения).

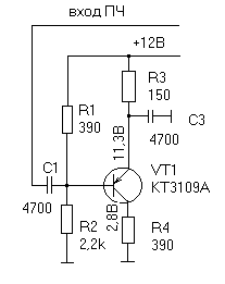
3 Расчетная часть

Расчет первого каскада УПЧИ

R1, R2, R3,R4 – резисторы типа ОМЛТ – 0,25

С1,С3 – конденсаторы керамические типа КТК

VT1 – транзистор кремниевый типа КТ3109А

Исходные данные для расчета выбираются следующие:

l0 – максимальная.

К1 – коэффициент, зависящий от группы условий эксплуатации, равен 8.

К2 – коэффициент, зависящий от механической нагрузки, равен 1.

1. По сводным таблицам статистической интенсивности отказов выбираем l0 для каждого элемента.

В графе «резисторы металлооплеточные» находим для резисторов R1,R2,R3

l0 = 0,4х10-6 (I/час)

Для транзистора Т1 из графы «Транзисторы германиевые» определяем

l0 = 1,44х10-6 (I/час)

Для конденсаторов С1,С3 в графе конденсатор керамический находим

l0 = 1,64х10- 6(I/час)

2. Рассчитываем коэффициенты нагрузок для элементов схемы R1; Падение напряжения на резисторе R1, определяется разностью (Ек-Uб), которые указаны на схеме. Следовательно,

UR 1 =12-0=12(В)

Мощность, рассеиваемая на резисторе R1, определяется по формуле:

РРАБ. R 1 =UR 1 2 /R1=122 /390=0,36х10-3 (Вт)

Для определения коэффициента нагрузки резистора воспользуемся формулой:

КН R 1РАБДОП =0,00036/0,125=0,003

Аналогично находим коэффициенты нагрузки КН резисторов R2,R3,R4.

R 2 ; UR 2 =Uб =10,2(В)

РРАБ. R 2 =UR 2 2 /R2=Uб 2 /R2=0,047×10-3 (Вт)

КН R 2РАБДОП =0,047×10-3 /0,125=0,00003

R 3 ; UR 3 =Ек-Uб=12-11,3=0,7(В)

РРАБ. R 3 =UR 3 2 /R3=0,72 /150=3х10-3 (Вт)

КН R 3 = РРАБДОП =0,003/0,125=0,024

R 4 ; UR 4 =Uк=2,8(В)

РРАБ. R 4 =UR 4 2 /R4=2,82 /390=0,02х10-3 (Вт)

КН R 3 = РРАБДОП =0,00002/0,125=0,00016

Для определения нагрузки конденсатора воспользуемся формулой

КНС1 =Uраб/Uдоп

Uраб.С1 =Eк=0,04

Таким образом:

КНС1 =0,04/100=0,0004

Так же и для С2

Uраб.С2 =11,3

КНС2 =11,3/100=0,113

Для определения коэффициента нагрузки транзистора воспользуемся формулой

КНТКК.ДОП

По выходным характеристикам транзистора, зная напряжение между базой и эмиттером:

БЭ =UБ -UЭ =1,1(В)

определяем ток базы I¢ББ =25мкА

Зная напряжение между коллектором и эмиттером:

КЭ =UК -UЭ =8,5(В)

и базовый ток, найдем ток коллектора I¢K , по выходным характеристикам транзистора I¢K = 1,5мА

Определим мощность рассеяния транзистора по формуле:

РК = I¢K × U¢КЭ ; РК =8,5×1,5×10-3 =0,01275мВт

По формуле рассчитаем КНТ ; КНТ =0,01275/170=0,000075

3. По графикам К3 =¦(КН .t0 ) определим эксплуатационные коэффициенты интенсивности отказов при t=350 C

Для резисторов R1,R2,R3,R4 К3 =0,4

Для конденсаторов С1,С3 К3 =0,03

Для транзистора VT1 К3 =0,3

4. По формуле рассчитаем lП для каждого элемента.

Для резисторов R1,R2,R3,R4 lП R1 × l0 =1× 0,4 × 10-6 =0,4 × 10-6

Для конденсаторов С1,С3 lПС1 × l0 =1× 1,64 × 10-6 =1,64 × 10-6

Для транзистора VT1 lП VT1 × l0 =1 × 1,44 × 10-6 =1,44 × 10-6

5. Полученные данные сведем в таблицу:

Наименование и тип элемента

Режим работы

Коэффициент нагрузки

Окруж.

темпер.

l-характерист.

× 10-6 I/час

При-меча-ние

факт

допуст.

R1 Резистор ОМЛТ-0,125

R2 Резистор ОМЛТ-0,125

R3 Резистор ОМЛТ-0,125

R4 Резистор ОМЛТ-0,125

С1 Конденсатор КТК

С2 Конденсатор КТК

VT1 Транзистор типа КТ3109А

5мВт

6мВт

6мВт

7мВт

0,013мВт

0,125Вт

0,125Вт

0,125Вт

0,125Вт

170мВт

0,04

0,048

0,048

0,056

0,000075

35

35

35

35

35

35

35

0,1

0,1

0,1

0,1

0,1

0,013

0,013

0,013

0,013

0,123

6. По формуле рассчитываем l для всей схемы

l = lП R × 4 + lПС + lПТ = ((0,4×4)+(1,64×2)+1,44) × 10-6 =6,32×10-6

7. По формуле определим среднюю наработку на отказ

ТСР = 1/l = 1/6,32×10-6 = 0,158×10-6 [час]

8. По формуле определим вероятность безотказной работы для следующих значений времени: t=100.000 час

Значение е- l ti ,берем из таблицы е

е- l t 100.000 = 0,1212

4 Экономическая часть

Рассчитаем себестоимость ремонта и регулировки по наладке СМРК-2

Воспользуемся для этого следующей формулой:

С=ЗОСН + ЗДОП + ОСС + РЕМ + АМ + ЭЛ

где ЗОСН – основная заработная плата

ЗДОП – дополнительная заработная плата

ОСС – отчисления на социальное страхование

РЕМ – отчисления на ремонт контрольно-измерительной аппаратуры

АМ – амортизационные отчисления

ЭЛ – затраты на электроэнергию

Основная заработная плата рассчитывается по формуле

ЗОСН = tф × t

где tф – тарифная ставка

t – время, затраченное на ремонт и регулировку одного изделия

Для ремонта (регулировки) СМРК – 2 требуется время равное 2 часа. Тарифная ставка 4-5разряда составляет 5руб. Следовательно величина основной заработной платы за оказанную услугу равна 10руб. Дополнительная заработная плата составляет 7-12%. Возьмем ее среднее значение, т.е. 10%, что в дневном отношении составит 1р. Далее рассчитываем амортизационные отчисления и отчисления на социальное страхование. Отчисления на соц. страхование определяется как 7% от основной заработной платы, т.е. 70 копеек. Затраты на эл.энергию рассчитываются в соответствии с мощностями используемых приборов. В среднем величина затрат на эл.энергию составляет 18,40руб. Отчисления на ремонт КИП определяются на целый год как 5% от стоимости КИП. Для ремонта нам необходимы приборы общей стоимостью 8000руб. Следовательно для расчета нам необходимо найти величину отчислений на 1месяц. Эта величина составит 55,55руб. Разделим ее на количество рабочих часов в месяц и получим

После вычислений всех составляющих себестоимости оказанной услуги определяем сумму себестоимости:

Сум.=10+1+0,7+0,47+18,4+0,34=30,91руб.