| Скачать .zip |
Реферат: Расчетные работы по электротехнике
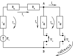
ТипОвая расчетная работа №1.
Дано:

Е1=110 В
R1=0,2 Ом
R8=R9=0,4 Ом
R5=R6=1 Ом
U5=60 В
U6=50 В
Найти: токи в ветвях тремя методами.
Решение:
Метод законов Кирхгофа.
Запишем I закон Кирхгофа для узла А:
(1);
Запишем I закон
Кирхгофа для
узла В:
(2);
Запишем II закон Кирхгофа для трех контуров:
для контура
I -
:
(3);
для контура
II -
:
(4);
для контура
III -
:
(5).
Решим систему уравнений (1), (3), (4):
-
I1
-I2
-I3
0 (R1+R8+R9)∙I1
R5∙I2
0 E1+U5
0 -R5∙I2
R6∙I3
-U5-U6
Выпишем коэффициенты при неизвестных:
| 1 | -1 | -1 | 0 |
|
(R1+R8+R9) |
R5 |
0 |
E1+U5 |
| 0 |
-R5 |
R6 |
-U5-U6 |
Подставим численные значения из исходных данных:
-
1 -1 -1 0 (0,2+0,4+0,4) 1 0 110+60 0 -1 1 -60-50
Определим Δ, ΔI1, ΔI2, ΔI3 по формулам:


По формулам Крамера определим:
- токи в трех
ветвях.
Проверка: по I закону Кирхгофа для узла А:
;
76,(6)-93,(3)+16,(6)=0
Метод контурных токов.
Пусть в каждом контуре протекает только один контурный ток. В первом ток I11, во втором ток I22.
Запишем II закон Кирхгофа для первого контура:
![]()
Запишем II закон Кирхгофа для второго контура:
![]()
Решим систему этих уравнений и определим контурные токи:

Токи во внешних ветвях равны контурным токам, значит:
I1=I11=76,7 A – ток в первой ветви.
I3=I22=-16,6 - ток в третей ветви.
В смежной ветви ток равен разности контурных токов:
I2=I22-I22=76,7+16,6=93,3 A – ток во второй ветви.
Метод узловых напряжений.
К узлам А и В подводится напряжение UAB – узловое, направление которого выбирается произвольно.

I закон Кирхгофа для узла А:
(1);II закон Кирхгофа для контура I -
:

(2);
II закон Кирхгофа
для контура
II -
:
![]()
(3);
II закон Кирхгофа
для контура
III -
:
![]()
(4);
Для определения напряжения между узлами UAB уравнения (2), (3), (4) необходимо подставить в уравнение (1):

- напряжение
между узлами
А и В.
Токи в ветвях определим по уравнениям (2), (3), (4):
- токи в трех
ветвях.
-
ТипОвая расчетная работа №2.

Дано:
![]()
Найти:
![]()
Решение:
- действующее
значение напряжения.
- действительная
часть
- мнимая часть
![]()
- действующее
значение тока.
- действительная
часть
- мнимая часть
Определить R (активное сопротивление) по закону Ома.
![]()
- полное сопротивление.
R=9 Ом
- активная
мощность.
- реактивное
сопротивление.
- полная мощность.
- показательная
форма записи.
Ψ=0°
![]()
![]()
![]()
- показательная
форма записи.
Ψi=53° - начальная фаза тока.

-
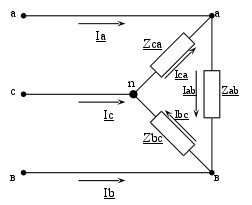
ТипОвая расчетная работа №4.
Дано:
Za=Zb=Zc=1,5+j2
Uп=220 В
Определить:
Iл – линейный ток
Iф – фазный ток
Р – активная мощность
Q – реактивная мощность
S – полная мощность
Построить:
Векторную диаграмму токов и напряжения.
Решение:
На схеме UA, UB, UC – фазные напряжения;
UAB, UBC, UCA – линейные напряжения;
ZA, ZB, ZC –фазные сопротивления нагрузок;
Определение фазного сопротивления нагрузок:

Схема будет симметричной если UA=UB=UC=UФ=127 В
Определение комплексов напряжений в фазах А, В, С:


Определение фазных токов:

Действующие значения фазных токов:

При соединении фаз источника энергии и приемника звездой линейные токи равны соответственно фазным токам.
В случае симметричного приемника действующие значения всех линейных и фазных токов одинаковы, т.е. Iп= Iф
IА= IВ= IС= IП=50,8 А
Определение мощности в фазах:
![]()
где
- комплексно-сопряженное
число.
Тогда
полная мощность
всей цепи
определяется:
![]()
Действующее
значение полной
мощности
![]()
Т.к. S=P+Qj, то
активная
мощность.
реактивная
мощность.
Д
иаграмма:
-
Типавая расчетная работа №5.
Дано:
Z
a=Zb=Zc=1,5+j2
Uл=220 В
Определить:
Iл – линейный ток
Iф – фазный ток
Р – активная мощность
Q – реактивная мощность
S – полная мощность
Построить:
Векторную диаграмму токов и напряжения.
Решение:
Uл=Uф=220 В
UAB=UBC=UCA=220 В
Записать комплексы фазных напряжений

Определение комплексов токов в фазах:


Действующие значения фазных токов:

При соединении "треугольник" в трехфазной симметричной системе справедливы соотношения:

Определение мощности в фазах:
![]()
где
- комплексно-сопряженное
число.

Тогда полная мощность всей цепи определяется:
![]()
Действующее
значение полной
мощности
![]()
Т.к. S=P+Qj, то
активная
мощность.
реактивная
мощность.
Д
иаграмма:
-