| Скачать .docx |
Реферат: Расчет элементов высокочастотной коррекции усилительных каскадов на биполярных транзисторах
Министерство образования Российской Федерации
ТОМСКИЙ ГОСУДАРСТВЕННЫЙ УНИВЕРСИТЕТ СИСТЕМ УПРАВЛЕНИЯ И РАДИОЭЛЕКТРОНИКИ (ТУСУР)
Кафедра радиоэлектроники и защиты информации (РЗИ)
УТВЕРЖДАЮ
Заведующий кафедрой РЗИ
доктор технических наук, профессор
________________В.Н. Ильюшенко
____ _____________________2002 г.
РАСЧЕТ ЭЛЕМЕНТОВ ВЫСОКОЧАСТОТНОЙ КОРРЕКЦИИ УСИЛИТЕЛЬНЫХ КАСКАДОВ НА БИПОЛЯРНЫХ ТРАНЗИСТОРАХ
Учебно-методическое пособие по курсовому проектированию
для студентов радиотехнических специальностей
Разработчик:
доцент кафедры РЗИ
кандидат технических наук
_______________А.А. Титов;
Томск – 2002
УДК 621.396
Рецензент: А.С. Красько, старший преподаватель кафедры Радиоэлектроники и защиты информации Томского государственного университета систем управления и радиоэлектроники.
Титов А.А.
Расчет элементов высокочастотной коррекции усилительных каскадов на биполярных транзисторах: Учебно-методическое пособие по курсовому проектированию для студентов радиотехнических специальностей. – Томск: Томск. гос. ун-т систем управления и радиоэлектроники, 2002. – 47 с.
Пособие содержит описание одиннадцати различных схемных решений построения усилительных каскадов с коррекцией амплитудно-частотной характеристики, формулы для расчета значений элементов высокочастотной коррекции, расчета коэффициента усиления и полосы пропускания рассматриваемых каскадов.
© Томский гос. ун-т систем
управления и радиоэлектроники, 2002
©Титов А.А., 2002
Содержание
Введение…………………………………………………………………..…….…4
1. Исходные данные для расчетов……………………………………………...5
2. Расчет некорректированного каскада с общим эмиттером…………….….7
2.1. Оконечный каскад…………………………………………...…..7
2.2. Промежуточный каскад………………………………...……….9
3. Расчет каскада с высокочастотной индуктивной коррекцией…………....10
3.1. Оконечный каскад…………………………………………..….10
3.2. Промежуточный каскад………………………………………..11
4. Расчет каскада с эмиттерной коррекцией……………………...………..…13
4.1. Оконечный каскад…………………………………………..….13
4.2. Промежуточный каскад………………………………………..15
5. Коррекция искажений вносимых входной цепью………………………....17
5.1. Расчет искажений вносимых входной цепью……………..….17
5.2. Расчет входной корректирующей цепи…………………….....18
5.3. Расчет каскада с параллельной ООС…...……………………..20
6. Согласованные каскады с обратными связями……………………………23
6.1. Расчет каскада с комбинированной ООС……………..……...23
6.2. Расчет каскадов с перекрестными ООС………………………25
6.3. Расчет каскада со сложением напряжений……………………27
7. Расчет каскадов с четырехполюсными корректирующими цепями...…....29
7.1. Расчет выходной корректирующей цепи ……………..……...30
7.2. Расчет каскада с реактивной межкаскадной
корректирующей цепью третьего порядка……………………32
7.3. Расчет каскада с заданным наклоном АЧХ…………………...35
8. Расчет усилителей с частотным разделением каналов……………………41
9. Список использованных источников………………………………………43
ВВЕДЕНИЕ
Расчет элементов высокочастотной коррекции является неотъемлемой частью процесса проектирования усилительных устройств, как одного из классов аналоговых электронных устройств. В известной учебной и научной литературе материал, посвященный этой проблеме, не всегда представлен в удобном для проектирования виде. К тому же в теории усилителей нет достаточно обоснованных доказательств преимущества использования того либо иного схемного решения при разработке конкретного усилительного устройства. В этой связи проектирование широкополосных усилителей во многом основано на интуиции и опыте разработчика. При этом, разные разработчики, чаще всего, по-разному решают поставленные перед ними задачи, достигая требуемых результатов. В этой связи в данном пособии собраны наиболее известные и эффективные схемные решения построения широкополосных усилительных устройств на биполярных транзисторах, а соотношения для расчета коэффициента усиления, полосы пропускания и значений элементов высокочастотной коррекции даны без выводов. Ссылки на литературу позволяют найти, при необходимости, доказательства справедливости приведенных соотношений. Поскольку, как правило, широкополосные усилители работают в стандартном 50 либо 75-омном тракте, соотношения для расчета даны исходя из условий, что оконечные каскады усилителей работают на чисто резистивную нагрузку, а входные каскады усилителей работают от чисто резистивного сопротивления генератора.
1. ИСХОДНЫЕ ДАННЫЕ ДЛЯ РАСЧЕТА
В соответствии с [1, 2, 3], приведенные ниже соотношения для расчета усилительных каскадов основаны на использовании эквивалентной схемы замещения транзистора, приведенной на рис. 1.1, либо на использовании его однонаправленной модели, приведенной на рис. 1.2.

Рис. 1.1. Эквивалентная схема Джиаколетто

Рис. 1.2. Однонаправленная модель
Значения элементов схемы Джиаколетто могут быть рассчитаны по паспортным данным транзистора по следующим формулам [1]:
;
;
;
;
;
;
,
где
- емкость коллекторного перехода;
- постоянная времени цепи обратной связи;
- статический коэффициент передачи тока в схеме с общим эмиттером;
- граничная частота коэффициента передачи тока в схеме с общим эмиттером;
- ток эмиттера в рабочей точке в миллиамперах;
=3 - для планарных кремниевых транзисторов;
=4 - для остальных транзисторов.
В справочной литературе значения
и
часто приводятся измеренными при различных значениях напряжения коллектор-эмиттер
. Поэтому при расчетах
значение
следует пересчитать по формуле [1]
,
где
- напряжение
, при котором производилось измерение
;
- напряжение
, при котором производилось измерение
.
Поскольку
и
оказываются много меньше проводимости нагрузки усилительных каскадов, в расчетах они обычно не учитываются.
Значения элементов схемы замещения, приведенной на рис. 1.2, могут быть рассчитаны по следующим формулам [3, 4]:
;
;
;
,
где
,
- индуктивности выводов базы и эмиттера;
- максимально допустимое постоянное напряжение коллектор-эмиттер;
- максимально допустимый постоянный ток коллектора.
При расчетах по эквивалентной схеме приведенной на рис. 1.2, вместо
используют параметр
- коэффициент усиления транзистора по мощности в режиме двухстороннего согласования [2], равный:
, (1.1)
где
=
- круговая частота, на которой коэффициент усиления транзистора по мощности в режиме двухстороннего согласования равен единице;
- текущая круговая частота.
Формула (1.1) и однонаправленная модель (рис. 1.2) справедливы для области рабочих частот выше
[5].
2. РАСЧЕТ НЕКОРРЕКТИРОВАННОГО КАСКАДА С ОБЩИМ ЭМИТТЕРОМ
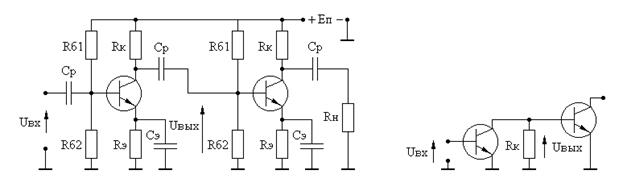
2.1. ОКОНЕЧНЫЙ КАСКАД
Принципиальная схема оконечного некорректированного усилительного каскада приведена на рис. 2.1,а, эквивалентная схема по переменному току - на рис. 2.1,б, где
- разделительный конденсатор,
- резисторы базового делителя,
- резистор термостабилизации,
- блокировочный конденсатор,
- сопротивление в цепи коллектора,
- сопротивление нагрузки.
При отсутствии реактивности нагрузки, полоса пропускания каскада определяется параметрами транзистора. В соответствии с [1] коэффициент усиления каскада в области верхних частот можно описать выражением:
,
где
;
- текущая круговая частота;
; (2.1)
; (2.2)
; (2.3)
; (2.4)
.

а) б)
Рис. 2.1
При заданном уровне частотных искажений
, верхняя граничная частота
полосы пропускания каскада равна:
=
. (2.5)
Входное сопротивление каскада может быть аппроксимировано параллельной RC цепью [1]:
; (2.6)
. (2.7)
Пример 2.1.
Рассчитать
,
,
,
каскада, приведенного на рис. 2.1, при использовании транзистора КТ610А [6](
= 5 Ом,
= 1 Ом,
= 0,0083 Сим,
= 4 пФ,
=160 пФ,
= 1 ГГц,
=120,
=0,95 А/В,
= 0,99,
= 55 мА), и условий:
= 50 Ом;
= 0,9;
= 10.
Решение.
При известных
и
, в соответствии с (2.1), имеем:
= 10,5 Ом. Зная
, находим:
= 13,3 Ом. По формуле (2.2) определим:
= 1,03×10-9
с. Подставляя известные
и
в соотношение (2.5) получим:
= 74,9 МГц. По формулам (2.6) и (2.7) определим
= 196 пФ,
= 126 Ом.
2.2. ПРОМЕЖУТОЧНЫЙ КАСКАД
Принципиальная схема каскада приведена на рис. 2.2,а, эквивалентная схема по переменному току - на рис. 2.2,б.

а) б)
Рис. 2.2
В соответствии с [1] коэффициент усиления каскада в области верхних частот описывается выражением:
,
где
; (2.8)
; (2.9)
; (2.10)
– входное сопротивление и входная емкость нагружающего каскада.
Значения
, входное сопротивление и входная емкость каскада рассчитываются по формулам (2.5), (2.6), (2.7).
Пример 2.2.
Рассчитать
,
,
,
каскада, приведенного на рис. 2.2, при использовании транзистора КТ610А (данные транзистора приведены в примере 2.1) и условий:
= 0,9;
= 10;
,
нагружающего каскада - из примера 2.1.
Решение.
По известным
и
из (2.8) получим:
= 10.5 Ом. Зная
из (2.10) найдем:
= 11,5 Ом. По формуле (2.9) определим:
= 3×10-9
с. Подставляя известные
,
в соотношение (2.5) получим
= 25,5 МГц. По формулам (2.6) и (2.7) определим
= 126 Ом,
= 196 пФ.
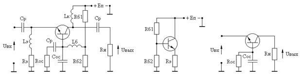
3. РАСЧЕТ КАСКАДА С ВЫСОКОЧАСТОТНОЙ ИНДУКТИВНОЙ КОРРЕКЦИЕЙ
3.1. ОКОНЕЧНЫЙ КАСКАД
Принципиальная схема каскада с высокочастотной индуктивной коррекцией приведена на рис. 3.1,а, эквивалентная схема по переменному току - на рис. 3.1,б.

а) б)
Рис. 3.1
При отсутствии реактивности нагрузки высокочастотная индуктивная коррекция вводится для коррекции искажений АЧХ вносимых транзистором. Корректирующий эффект в схеме достигается за счет возрастания сопротивления коллекторной цепи с ростом частоты усиливаемого сигнала и компенсации, благодаря этому, шунтирующего действия выходной емкости транзистора.
В соответствии с [1] коэффициент усиления каскада в области верхних частот, при оптимальном значении
равном:
, (3.1)
описывается выражением:
,
где
; (3.2)
; (3.3)
; (3.4)
; (3.5)
и
рассчитываются по (2.3) и (2.4).
При заданном значении
,
каскада равна:
=
. (3.6)
Значения
,
каскада рассчитываются по формулам (2.6), (2.7).
Пример 3.1.
Рассчитать
,
,
,
,
каскада с ВЧ индуктивной коррекцией, схема которого приведена на рисунке 3.1, при использовании транзистора КТ610А (данные транзистора приведены в примере 2.1) и условий
= 50 Ом;
= 0,9;
= 10.
Решение.
По известным
и
из (3.2) получим
= 10,5 Ом. Зная
из (3.3) найдем
= 13,3 Ом. Рассчитывая
по (3.5) и подставляя в (3.1) получим
= 13,7×10-9
Гн. Определяя tк
по (3.4) и подставляя в (3.6) определим
= 350 МГц. По формулам (2.6), (2.7) найдем
= 196 пФ,
= 126 Ом.
3.2. ПРОМЕЖУТОЧНЫЙ КАСКАД
Принципиальная схема промежуточного каскада с высокочастотной индуктивной коррекцией приведена на рис. 3.2,а, эквивалентная схема по переменному току - на рис. 3.2,б.

а) б)
Рис. 3.2
В соответствии с [1] коэффициент усиления каскада в области верхних частот, при оптимальном значении
равном:
, (3.7)
определяется выражением:
,
где
; (3.8)
; (3.9)
; (3.10)
; (3.11)
– входное сопротивление и емкость нагружающего каскада;
и
рассчитываются по (2.3) и (2.4).
Значения
,
,
каскада рассчитываются по формулам (3.6), (2.6), (2.7).
Пример 3.2.
Рассчитать
,
,
,
,
каскада с ВЧ индуктивной коррекцией, схема которого приведена на рис. 3.2, при использовании транзистора КТ610А (данные транзистора приведены в примере 2.1) и условий:
= 0,9;
= 10;
,
нагружающего каскада - из примера 2.1.
Решение.
По известным
и
из (3.8) получим
= 10,5 Ом. Зная
из (3.9) найдем
= 11,5 Ом. Рассчитывая
по (3.11) и подставляя в (3.7) получим
= 34,7×10-9
Гн. Определяя
по (3.10) и подставляя в (3.6) определим
= 308 МГц. По формулам (2.6), (2.7) найдем
= 196 пФ,
= 126 Ом.
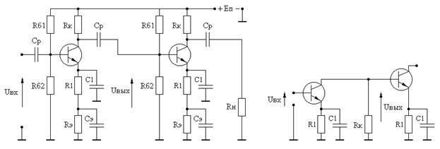
4. РАСЧЕТ КАСКАДА С ЭМИТТЕРНОЙ КОРРЕКЦИЕЙ
4.1. ОКОНЕЧНЫЙ КАСКАД
Принципиальная схема каскада с эмиттерной коррекцией приведена на рис. 4.1,а, эквивалентная схема по переменному току - на рисунке 4.1,б, где
- элементы коррекции. При отсутствии реактивности нагрузки эмиттерная коррекция вводится для коррекции искажений АЧХ вносимых транзистором, увеличивая амплитуду сигнала на переходе база-эмиттер с ростом частоты усиливаемого сигнала.

а) б)
Рис. 4.1
В соответствии с [1], коэффициент передачи каскада в области верхних частот, при выборе элементов коррекции
и
соответствующими оптимальной по Брауде форме АЧХ, описывается выражением:
, (4.1)
где
;
- нормированная частота;
;
;
; (4.2)
; (4.3)
- глубина ООС; (4.4)
; (4.5)
; (4.6)
. (4.7)
При заданном значении
, значение
определяется выражением:
. (4.8)
Подставляя известные
и
в (4.1) найдем:
, (4.9)
где
.
Входное сопротивление каскада с эмиттерной коррекцией может быть аппроксимировано параллельной RC-цепью [1]:
; (4.10)
. (4.11)
Пример 4.1.
Рассчитать
,
,
,
,
каскада с эмиттерной коррекцией, схема которого приведена на рисунке 4.1, при использовании транзистора КТ610А (данные транзистора приведены в примере 2.1) и условий:
= 0,9;
= 10;
= 100 Ом.
Решение.
По известным
,
,
и
из (4.2), (4.3) получим:
= 4,75. Подставляя
в (4.4) и (4.8) найдем
= 4 Ом;
= 1,03. Рассчитывая
по (4.7) и подставляя в (4.5), (4.6) получим:
= 50,5 пФ. По известным
,
,
,
и
из (4.9) определим:
= 407 МГц. По формулам (4.10), (4.11) найдем
= 71 пФ,
= 600 Ом.
4.2. ПРОМЕЖУТОЧНЫЙ КАСКАД
Принципиальная схема промежуточного каскада с эмиттерной коррекцией приведена на рис. 4.2,а, эквивалентная схема по переменному току - на рис. 4.2,б.

а) б)
Рис. 4.2
В соответствии с [1], коэффициент передачи каскада в области верхних частот, при выборе элементов коррекции
и
соответствующими оптимальной по Брауде форме АЧХ, описывается выражением:
, (4.12)
где
;
- нормированная частота;
;
;
; (4.13)
; (4.14)
- глубина ООС; (4.15)
; (4.16)
; (4.17)
; (4.18)
; (4.19)
– входное сопротивление и емкость нагружающего каскада;
и
рассчитываются по (2.3) и (2.4).
При заданном значении
, значение
определяется выражением:
, (4.20)
Подставляя известные
и
в (4.12) найдем:
, (4.21)
где
.
Входное сопротивление и входная емкость каскада рассчитываются по соотношениям (4.10) и (4.11).
Пример 4.2.
Рассчитать
,
,
,
,
промежуточного каскада с эмиттерной коррекцией, схема которого приведена на рис. 4.2, при использовании транзистора КТ610А (данные транзистора приведены в примере 2.1) и условий:
= 0,9;
=10;
,
нагружающего каскада - из примера 4.1;
.
Решение.
По известным
,
и
из (4.13) получим:
= 28,5. Подставляя
в (4.15) найдем:
= 29 Ом. Рассчитывая по формуле (4.19) значение n и подставляя его в (4.20) определим:
= 0,76. Зная
, по (4.16) и (4.17) рассчитаем:
= 201 пФ. По известным
,
,
,
и
из (4.21) найдем:
= 284 МГц. По формулам (4.10), (4.11) определим:
= 44 пФ;
=3590 Ом.
5. КОРРЕКЦИЯ ИСКАЖЕНИЙ ВНОСИМЫХ ВХОДНОЙ ЦЕПЬЮ
5.1. РАСЧЕТ ИСКАЖЕНИЙ ВНОСИМЫХ ВХОДНОЙ ЦЕПЬЮ
Принципиальная схема входной цепи каскада приведена на рис. 5.1,а, эквивалентная схема по переменному току - на рис. 5.1,б.

а) б)
Рис. 5.1
При условии аппроксимации входного сопротивления каскада параллельной RC-цепью, коэффициент передачи входной цепи в области верхних частот описывается выражением [1]:
,
где
; (5.1)
; (5.2)
;
–
входное сопротивление и входная емкость каскада.
Значение
входной цепи рассчитывается по формуле (2.5), где вместо
подставляется величина
.
Пример 5.1.
Рассчитать
и
входной цепи, схема которой приведена на рис. 5.1, при использовании транзистора КТ610А (данные транзистора приведены в примере 2.1) и условий:
= 50 Ом и
= 0,9.
Решение.
Из примера 2.1 имеем:
= 126 Ом,
= 196 пФ. Зная
и
из (5.1) получим:
= 0,716. По (5.2) найдем:
= 7×10-9
с. Подставляя известные
и
в (2.5) определим:
= 11 МГц.
5.2. РАСЧЕТ ВХОДНОЙ КОРРЕКТИРУЮЩЕЙ ЦЕПИ
Из приведенных выше примеров расчета видно, что наибольшие искажения АЧХ обусловлены входной цепью. Для расширения полосы пропускания входных цепей в [7] предложено использовать схему, приведенную на рис. 5.2.

а) б)
Рис. 5.2
Работа схемы основана на увеличении сопротивления цепи
с ростом частоты усиливаемого сигнала и компенсации, благодаря этому, шунтирующего действия входной емкости каскада. Коэффициент передачи входной цепи в области верхних частот можно описать выражением [1]:
,
где
; (5.3)
;
;
;
(5.4)
–
входное сопротивление и входная емкость каскада.
Значение
, соответствующее оптимальной по Брауде АЧХ, рассчитывается по формуле:
. (5.5)
При заданном значении
и расчете
по (5.5) верхняя частота полосы пропускания входной цепи равна:
, (5.6)
где
.
Пример 5.2.
Рассчитать
,
,
входной цепи, приведенной на рис. 5.2, при использовании транзистора КТ610А (данные транзистора приведены в примере 2.1) и условий:
= 50 Ом,
= 0,9, допустимое уменьшение
за счет введения корректирующей цепи – 5 раз.
Решение.
Из примера 5.1 имеем:
= 126 Ом,
= 196 пФ,
= 0,716. Используя соотношение (5.3) и условия задачи получим:
= 10 Ом. Подставляя
в (5.5) найдем:
= 7,54 нГн. Подставляя результаты расчетов в (5.6), получим:
= 108 МГц. Используя соотношения (5.4), (2.5) определим, что при простом шунтировании каскада резистором
= 10 Ом
каскада оказывается равной 50 МГц.
5.3. РАСЧЕТ КАСКАДА С ПАРАЛЛЕЛЬНОЙ ОТРИЦАТЕЛЬНОЙ ОБРАТНОЙ СВЯЗЬЮ
Для исключения потерь в усилении, обусловленных использованием входной корректирующей цепи (см. раздел 5.2), в качестве входного каскада может быть использован каскад с параллельной ООС. Принципиальная схема каскада приведена на рис. 5.3,а, эквивалентная схема по переменному току - на рис. 5.3,б.

а) б)
Рис. 5.3
Особенностью схемы является то, что при большом значении входной емкости нагружающего каскада и глубокой ООС (
мало) в схеме, даже при условии
= 0, появляется выброс на АЧХ в области верхних частот. Поэтому расчет каскада следует начинать при условии:
= 0. В этом случае коэффициент передачи каскада в области верхних частот описывается выражением:
, (5.7)
где
; (5.8)

;
;
;
–
входное сопротивление и емкость нагружающего каскада.
При заданном значении
,
каскада равна:
, (5.9)
где
.
Формулой (5.9) можно пользоваться в случае, если
. В случае
схема имеет выброс на АЧХ и следует увеличить
. Если окажется, что при
меньше требуемого значения, следует ввести
. В этом случае коэффициент усиления каскада в области верхних частот описывается выражением:
, (5.10)
где
; (5.11)
;

;
;
.
Оптимальная по Брауде АЧХ достигается при условии:
. (5.12)
При заданном значении
,
каскада может быть найдена после нахождения действительного корня
уравнения:
, (5.13)
где
.
При известном значении
,
каскада определяется из условия:
. (5.14)
Пример 5.3.
Рассчитать
,
,
каскада с параллельной ООС, схема которого приведена на рис. 5.3, при использовании транзистора КТ610А (данные транзистора приведены в примере 2.1) и условий:
= 50 Ом,
= 0,9,
= 1,5,
нагружающего каскада – из примера 4.2 (
= 44 пФ,
= 3590 Ом).
Решение.
По известным
и
из (5.11) определим
=75 Ом. Рассчитывая
и
формулы (5.7) найдем, что
. Поэтому следует увеличить значение
. Выберем
= 6. В этом случае из (5.11) определим:
= 150 Ом. Для данного значения
. По формуле (5.9) получим:
= 76 МГц. Для расширения полосы пропускания рассчитаем
по (5.12):
=57 нГн. Теперь найдем действительный корень уравнения (5.13):
, и по (5.14) определим:
= 122 МГц.
6. СОГЛАСОВАННЫЕ КАСКАДЫ С ОБРАТНЫМИ СВЯЗЯМИ
6.1. РАСЧЕТ КАСКАДА С КОМБИНИРОВАННОЙ ООС
Принципиальная схема каскада с комбинированной ООС приведена на рис. 6.1,а, эквивалентная схема по переменному току - на рис. 6.1,б.

а) б)
Рис.6.1
Совместное использование параллельной ООС по напряжению и последовательной ООС по току позволяет стабилизировать коэффициент усиления каскада, его входное и выходное сопротивления. При условии
>>
и выполнении равенств:
(6.1)
схема оказывается согласованной по входу и выходу с КСВН не более 1,3 в диапазоне частот, где выполняется условие
³ 0,7. Поэтому взаимное влияние каскадов друг на друга при их каскадировании отсутствует [8].
При выполнении условий (6.1), коэффициент передачи каскада от генератора в нагрузку в области верхних частот описывается выражением:
, (6.2)
где
; (6.3)
;
;
;
.
Задаваясь значением
, из (6.1) и (6.3) получим:
. (6.4)
При заданном значении
,
каскада равна:
, (6.5)
где
.
В [9] показано, что при выполнении условий (6.1) ощущаемое сопротивление нагрузки транзистора каскада с комбинированной ООС равно
, а максимальная амплитуда сигнала, отдаваемого каскадом в нагрузку, составляет величину:
, (6.6)
где
- максимальное значение выходного напряжения отдаваемого транзистором.
Пример 6.1.
Рассчитать
,
,
каскада приведенного на рис. 6.1, при использовании транзистора КТ610А (данные транзистора приведены в примере 2.1) и условий:
= 50 Ом;
=0,9;
=3.
Решение.
По известным
и
из (6.4) получим:
=200 Ом. Подставляя
в (6.1) найдем:
=12,5 Ом. Рассчитывая коэффициенты
,
формулы (6.2) и подставляя в (6.5) определим:
=95 МГц. Теперь по (6.6) можно найти величину потерь выходного сигнала, обусловленных использованием ООС:
.
6.2. РАСЧЕТ КАСКАДОВ С ПЕРЕКРЕСТНЫМИ ООС
Принципиальная схема каскадов с перекрестными ООС приведена на рис. 6.2,а, эквивалентная схема по переменному току - на рис. 6.2,б.

а) б)
Рис. 6.2
По идеологии построения рассматриваемая схема похожа на усилитель, в котором использованы каскады с комбинированной ООС. Однако при заданном коэффициенте усиления схема обладает большей полосой пропускания, которая практически не сокращается при увеличении числа каскадов, что объясняется комплексным характером обратной связи на высоких частотах.
Усилитель с перекрестными ООС, также как и каскад с комбинированной ООС, при выполнении равенств (6.1) оказывается согласованной по входу и выходу с КСВН не более 1,3 [8, 9]. Коэффициент передачи двухтранзисторного варианта усилителя, изображенного на рис. 6.2, выполненного на однотипных транзисторах и при пренебрежении величинами второго порядка малости, описывается выражением:
, (6.7)
где
; (6.8)
= 2;
;
;
При заданном значении
,
каскада равна:
, (6.9)
где
.
Величина потерь выходного сигнала, обусловленных использованием ООС, определяется соотношением (6.6).
При увеличении числа каскадов, верхняя граничная частота всего усилителя
практически не меняется и может быть рассчитана по эмпирической зависимости:
,
где
- общее число каскадов;
- верхняя частота полосы пропускания двухтранзисторного варианта усилителя, рассчитываемая по формуле (6.9).
Коэффициент усиления n-каскадного усилителя рассчитывается по формуле (6.8).
Пример 6.2.
Рассчитать
,
,
двухтранзисторного варианта усилителя приведенного на рис. 6.2, при использовании транзистора КТ610А (данные транзистора приведены в примере 2.1) и условий:
=50 Ом;
=0,81;
=10.
Решение.
Подставляя в (6.8) заданные значения
и
найдем:
= 160 Ом. Подставляя
в (6.1) получим:
=15,5 Ом. Теперь по (6.9) определим:
=101 МГц.
6.3. РАСЧЕТ КАСКАДА СО СЛОЖЕНИЕМ НАПРЯЖЕНИЙ
Принципиальная схема каскада со сложением напряжений [10] приведена на рис. 6.3,а, эквивалентная схема по постоянному току – на рис. 6.3,б, по переменному току – на рис. 6.3,в.

а) б) в)
Рис. 6.3
При выполнении условия:
, (6.10)
напряжение, отдаваемое транзистором каскада, равно амплитуде входного воздействия. Коэффициент усиления по току транзистора включенного по схеме с общей базой равен единице. В этом случае ток, отдаваемый предыдущим каскадом, практически равен току нагрузки. Поэтому ощущаемое сопротивление нагрузки каскада равно половине сопротивления
, его входное сопротивление также равно половине сопротивления
, вплоть до частот соответствующих
= 0,7. Это следует учитывать при расчете рабочих точек рассматриваемого и предоконечного каскадов.
Коэффициент усиления каскада в области верхних частот, с учетом выполнения равенства (6.10), описывается выражением:
,
где ![]()
;
;
;
;
.
Оптимальная по Брауде АЧХ каскада реализуется при расчете
и
по формулам [10]:
; (6.11)
, (6.12)
а значение
определяется из соотношения:
. (6.13)
Пример 6.3.
Рассчитать
,
,
каскада со сложением напряжений приведенного на рис. 6.3, при использовании транзистора КТ610А (данные транзистора приведены в примере 2.1) и условий:
= 50 Ом;
= 0,9.
Решение.
По формулам (6.11), (6.12) получим
= 3 кОм;
= 10,4 пФ. Теперь по (6.13) найдем:
=478 МГц.
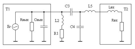
7. РАСЧЕТ КАСКАДОВ С ЧЕТЫРЕХПОЛЮСНЫМИ КОРРЕКТИРУЮЩИМИ ЦЕПЯМИ
В рассматриваемых выше усилительных каскадах расширение полосы пропускания было связано с потерей части выходной мощности в резисторах корректирующих цепей, либо цепей ООС. Этого недостатка лишены усилители, построенные по принципу последовательного соединения корректирующих цепей (КЦ) и усилительных элементов [2]. В этом случае расчеты входных, выходных и межкаскадных КЦ ведутся с использованием эквивалентной схемы замещения транзистора приведенной на рис. 1.2, а в цепи коллектора вместо резистора
устанавливается дроссель
, исключающий потери мощности в коллекторной цепи.
Пример построения схемы усилителя с КЦ приведен на рис. 7.1, где ВхКЦ – входная КЦ, МКЦ – межкаскадная КЦ, ВыхКЦ – выходная КЦ.

Рис. 7.1
7.1. РАСЧЕТ ВЫХОДНОЙ КОРРЕКТИРУЮЩЕЙ ЦЕПИ
Из теории усилителей известно [3], что для получения максимальной выходной мощности в заданной полосе частот необходимо реализовать ощущаемое сопротивление нагрузки, для внутреннего генератора транзистора, равное постоянной величине во всем рабочем диапазоне частот. Это достигается включением выходной емкости транзистора (см. рис. 1.2) в фильтр нижних частот, используемый в качестве выходной КЦ. Схема включения выходной КЦ приведена на рис. 7.2.

Рис. 7.2
При работе усилителя без выходной КЦ, модуль коэффициента отражения |
| ощущаемого сопротивления нагрузки внутреннего генератора транзистора равен [3]:
|
| =
, (6.14)
где
- текущая круговая частота.
В этом случае уменьшение выходной мощности относительно максимального значения, обусловленное наличием
, составляет величину:
, (6.15)
где
- максимальное значение выходной мощности на частоте
при условии равенства нулю
;
- максимальное значение выходной мощности на частоте
при наличии
.
Описанная в [3] методика Фано позволяет при заданных
и
рассчитать такие значения элементов выходной КЦ
и
, которые обеспечивают минимально возможную величину максимального значения модуля коэффициента отражения
в полосе частот от нуля до
. В таблице 7.1 приведены нормированные значения элементов
,
,
, рассчитанные по методике Фано, а также коэффициент
, определяющий величину ощущаемого сопротивления нагрузки
относительно которого вычисляется
.
Истинные значения элементов рассчитываются по формулам:
(6.16)
где
- верхняя круговая частота полосы пропускания усилителя.
Таблица 7.1 - Нормированные значения элементов выходной КЦ
|
|
|
|
|
|
| 0,1 0,2 0,3 0,4 0,5 |
0,180 0,382 0,547 0,682 0,788 |
0,099 0,195 0,285 0,367 0,443 |
0,000 0,002 0,006 0,013 0,024 |
1,000 1,001 1,002 1,010 1,020 |
| 0,6 0,7 0,8 0,9 1,0 |
0,865 0,917 0,949 0,963 0,966 |
0,513 0,579 0,642 0,704 0,753 |
0,037 0,053 0,071 0,091 0,111 |
1,036 1,059 1,086 1,117 1,153 |
| 1,1 1,2 1,3 1,4 1,5 |
0,958 0,944 0.927 0,904 0,882 |
0,823 0,881 0,940 0,998 1,056 |
0,131 0,153 0,174 0,195 0,215 |
1,193 1,238 1,284 1,332 1,383 |
| 1,6 1,7 1,8 1,9 |
0,858 0,833 0,808 0,783 |
1,115 1,173 1,233 1,292 |
0,235 0,255 0,273 0,292 |
1,437 1,490 1,548 1,605 |
Пример 7.1.
Рассчитать выходную КЦ для усилительного каскада на транзисторе КТ610А (
=4 пФ), при
= 50 Ом,
=600 МГц. Определить
и уменьшение выходной мощности на частоте
при использовании КЦ и без нее.
Решение.
Найдем нормированное значение
:
=
=
= 0,7536. В таблице 7.1 ближайшее значение
равно 0,753. Этому значению
соответствуют:
= 1,0;
= 0,966;
=0,111;
=1,153. После денормирования по формулам (6.16) получим:
= 12,8 нГн;
= 5,3 пФ;
= 43,4 Ом. Используя соотношения (6.14), (6.15) найдем, что при отсутствии выходной КЦ уменьшение выходной мощности на частоте
, обусловленное наличием
, составляет 1,57 раза, а при ее использовании - 1,025 раза.
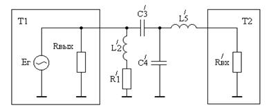
7.2. РАСЧЕТ КАСКАДА С РЕАКТИВНОЙ МЕЖКАСКАДНОЙ КОРРЕКТИРУЮЩЕЙ ЦЕПЬЮ ТРЕТЬЕГО ПОРЯДКА
Принципиальная схема усилителя с реактивной межкаскадной КЦ третьего порядка приведена на рис. 7.3,а, эквивалентная схема по переменному току – на рис. 7.3,б [11, 12].

а) б)
Рис. 7.3
Используя однонаправленную эквивалентную схему замещения транзистора, схему (рис. 7.3) можно представить в виде, приведенном на рис. 7.4.

Рис. 7.4
Согласно [2, 11], коэффициент прямой передачи последовательного соединения межкаскадной КЦ и транзистора
, при условии использования выходной КЦ, равен:
, (6.17)
где
;
- нормированная частота;
- текущая круговая частота;
- верхняя круговая частота полосы пропускания разрабатываемого усилителя;
; (6.18)
;
,
=
- нормированные относительно
и
значения элементов
и
.
При заданных значениях
,
,
, соответствующих требуемой форме АЧХ каскада, нормированные значения
,
,
рассчитываются по формулам [12]:
(6.19)
где
;
;
;
;
;
;
;
,
,
=
.
В теории фильтров известны табулированные значения коэффициентов
,
,
, соответствующие заданной неравномерности АЧХ цепи описываемой функцией вида (6.17) [13], которые приведены в таблице 7.2.
Таблица 7.2 – Коэффициенты передаточной функции фильтра Чебышева
Неравномерность АЧХ, дБ |
|
|
|
| 0,1 |
1,605 |
1,184 |
0,611 |
| 0,2 |
1,805 |
1,415 |
0,868 |
| 0,3 |
1,940 |
1,56 |
1,069 |
| 0,4 |
2,05 |
1,67 |
1,24 |
| 0,5 |
2,14 |
1,75 |
1,40 |
| 0,6 |
2,23 |
1,82 |
1,54 |
| 0,7 |
2,31 |
1,88 |
1,67 |
| 0,8 |
2,38 |
1,93 |
1,80 |
| 0,9 |
2,45 |
1,97 |
1,92 |
| 1,0 |
2,52 |
2,012 |
2,035 |
| 1,2 |
2,65 |
2,08 |
2,26 |
| 1,4 |
2,77 |
2,13 |
2,46 |
| 1,6 |
2,89 |
2,18 |
2,67 |
| 1,8 |
3,01 |
2,22 |
2,87 |
| 2,0 |
3,13 |
2,26 |
3,06 |
Для выравнивания АЧХ в области частот ниже
используется резистор
, рассчитываемый по формуле [11]:
. (6.20)
При работе каскада в качестве входного, в формуле (6.19) значение
принимается равным нулю.
После расчета
,
,
, истинные значения элементов находятся из соотношений:
(6.21)
Пример 7.2.
Рассчитать
каскада и значения элементов
,
,
,
межкаскадной КЦ (рис. 7.3), при использовании транзисторов КТ610А (
= 3 нГн,
= 5 Ом,
= 4 пФ,
= 86 Ом,
= 1 ГГц) и условий
= 50 Ом,
= 0,9,
= 260 МГц.
Решение.
По таблице 7.2 для
= 0,9, что соответствует неравномерности АЧХ 1 дБ, определим:
= 2,52;
= 2,012;
= 2,035. Находя нормированные значения
= 0,56,
= 0,055,
= 0,058 и подставляя в (6.19), получим:
= 1,8;
= 0,757;
= 0,676. Рассчитывая
и подставляя в (6.18) найдем:
= 3,2, а из (6.20) определим:
= 3,75 кОм. После денормирования элементов по (6.21) получим:
= 12,8 пФ;
= 5,4 пФ;
= 35,6 нГн.
7.3. РАСЧЕТ КАСКАДА С ЗАДАННЫМ НАКЛОНОМ АЧХ
Проблема разработки широкополосных усилительных каскадов с заданным наклоном АЧХ связана с необходимостью компенсации наклона АЧХ источников усиливаемых сигналов; устранения частотно-зависимых потерь в кабельных системах связи; выравнивания АЧХ малошумящих усилителей, входные каскады которых реализуются без применения цепей высокочастотной коррекции. На рис. 7.5,а приведена принципиальная схема усилителя с реактивной межкаскадной КЦ четвертого порядка, позволяющей реализовать заданный наклон АЧХ усилительного каскада, эквивалентная схема по переменному току приведена на рис. 7.5,б [14].
а) б)
Рис. 7.5
Используя однонаправленную эквивалентную схему замещения транзистора, схему (рис. 7.5) можно представить в виде, приведенном на рис. 7.6.

Рис. 7.6
Вводя идеальный трансформатор после конденсатора
, с последующим применением преобразования Нортона [3], перейдем к схеме представленной на рис. 7.7.

Рис. 7.7
В соответствии с [2, 11], коэффициент передачи последовательного соединения межкаскадной КЦ и транзистора
, при условии использования выходной КЦ, равен:
(7.9)
где
;
- нормированная частота
; (7.10)
;
;
![]()
;
;
;
- нормированные относительно
и
значения элементов
.
Таблица 7.3 - Нормированные значения элементов КЦ для
=0,25 дБ
Наклон |
|
|
|
|
|
|
| +4 дБ
|
0.027 0.0267 0.0257 0.024 0.02 0.013 0.008 0,0 |
1.058 1.09 1.135 1.178 1.246 1.33 1.379 1.448 |
2.117 2.179 2.269 2.356 2.491 2.66 2.758 2.895 |
3.525 3.485 3.435 3.395 3.347 3.306 3.29 3.277 |
6.836 6.283 5.597 5.069 4.419 3.814 3.533 3.205 |
0.144 0.156 0.174 0.191 0.217 0.248 0.264 0.287 |
| +2 дБ
|
0.0361 0.0357 0.0345 0.0325 0.029 0.024 0.015 0.0 |
1.59 1.638 1.696 1.753 1.824 1.902 2.014 2.166 |
3.18 3.276 3.391 3.506 3.648 3.804 4.029 4.332 |
3.301 3.278 3.254 3.237 3.222 3.213 3.212 3.227 |
5.598 5.107 4.607 4.204 3.797 3.437 3.031 2.622 |
0.172 0.187 0.207 0.225 0.247 0.269 0.3 0.337 |
| +0 дБ
|
0.0493 0.049 0.047 0.045 0.04 0.03 0.017 0.0 |
2.425 2.482 2.595 2.661 2.781 2.958 3.141 3.346 |
4.851 4.964 5.19 5.322 5.563 5.916 6.282 6.692 |
3.137 3.13 3.122 3.121 3.125 3.143 3.175 3.221 |
4.597 4.287 3.753 3.504 3.134 2.726 2.412 2.144 |
0.205 0.219 0.247 0.263 0.29 0.327 0.36 0.393 |
| -3 дБ
|
0.0777 0.077 0.075 0.07 0.06 0.043 0.02 0.0 |
4.668 4.816 4.976 5.208 5.526 5.937 6.402 6.769 |
9.336 9.633 9.951 10.417 11.052 11.874 12.804 13.538 |
3.062 3.068 3.079 3.102 3.143 3.21 3.299 3.377 |
3.581 3.276 2.998 2.68 2.355 2.051 1.803 1.653 |
0.263 0.285 0.309 0.34 0.379 0.421 0.462 0.488 |
| -6 дБ
|
0.132 0.131 0.127 0.12 0.1 0.08 0.04 0.0 |
16.479 17.123 17.887 18.704 20.334 21.642 23.943 26.093 |
32.959 34.247 35.774 37.408 40.668 43.284 47.885 52.187 |
2.832 2.857 2.896 2.944 3.049 3.143 3.321 3.499 |
2.771 2.541 2.294 2.088 1.789 1.617 1.398 1.253 |
0.357 0.385 0.42 0.453 0.508 0.544 0.592 0.625 |
Таблица 7.4 - Нормированные значения элементов КЦ для
=0,5 дБ
Наклон |
|
|
|
|
|
|
| +6 дБ
|
0.012 0.0119 0.0115 0.011 0.0095 0.0077 0.005 0.0 |
0.42 0.436 0.461 0.48 0.516 0.546 0.581 0.632 |
0.839 0.871 0.923 0.959 1.031 1.092 1.163 1.265 |
6.449 6.278 6.033 5.879 5.618 5.432 5.249 5.033 |
12.509 11.607 10.365 9.624 8.422 7.602 6.814 5.911 |
0.09 0.097 0.109 0.117 0.134 0.147 0.164 0.187 |
| +3 дБ
|
0.0192 0.019 0.0185 0.017 0.015 0.012 0.007 0.0 |
0.701 0.729 0.759 0.807 0.849 0.896 0.959 1.029 |
1.403 1.458 1.518 1.613 1.697 1.793 1.917 2.058 |
5.576 5.455 5.336 5.173 5.052 4.937 4.816 4.711 |
8.98 8.25 7.551 6.652 6.021 5.433 4.817 4.268 |
0.123 0.134 0.146 0.165 0.182 0.2 0.224 0.249 |
| 0 дБ
|
0.0291 0.0288 0.028 0.0265 0.024 0.019 0.01 0.0 |
1.012 1.053 1.096 1.145 1.203 1.288 1.404 1.509 |
2.024 2.106 2.192 2.29 2.406 2.576 2.808 3.018 |
5.405 5.306 5.217 5.129 5.042 4.94 4.843 4.787 |
6.881 6.296 5.79 5.303 4.828 4.271 3.697 3.301 |
0.16 0.175 0.19 0.207 0.226 0.253 0.287 0.316 |
| -3 дБ
|
0.0433 0.043 0.0415 0.039 0.035 0.027 0.015 0.0 |
1.266 1.318 1.4 1.477 1.565 1.698 1.854 2.019 |
2.532 2.636 2.799 2.953 3.13 3.395 3.708 4.038 |
5.618 5.531 5.417 5.331 5.253 5.172 5.117 5.095 |
5.662 5.234 4.681 4.263 3.874 3.414 3.003 2.673 |
0.201 0.217 0.241 0.263 0.287 0.321 0.357 0.391 |
| -6 дБ
|
0.0603 0.06 0.058 0.054 0.048 0.04 0.02 0.0 |
1.285 1.342 1.449 1.564 1.686 1.814 2.068 2.283 |
2.569 2.684 2.899 3.129 3.371 3.627 4.136 4.567 |
6.291 6.188 6.031 5.906 5.812 5.744 5.683 5.686 |
5.036 4.701 4.188 3.759 3.399 3.093 2.634 2.35 |
0.247 0.264 0.295 0.325 0.355 0.385 0.436 0.474 |
В таблицах 7.3 и 7.4 приведены значения элементов
, вычисленные для случая реализации усилительного каскада с различным наклоном АЧХ, лежащим в пределах +
6 дБ, при допустимом уклонении АЧХ от требуемой формы
равном 0,25 дБ и 0,5 дБ, и для различных значений
.
Таблицы получены с помощью методики проектирования согласующе-выравнивающих цепей транзисторных усилителей, предполагающей составление и решение систем компонентных уравнений [5], и методики синтеза прототипа передаточной характеристики, обеспечивающего максимальный коэффициент усиления каскада при заданной допустимой неравномерности АЧХ в заданной полосе частот [13].
Для перехода от схемы на рис. 7.7 к схеме на рис. 7.6 следует воспользоваться формулами пересчета:
(7.11)
где
;
,
- нормированные относительно
и
значения элементов
и
.
Табличные значения элементов
, в этом случае, выбираются для значения
равного:
(7.12)
где
- коэффициент, значение которого приведено в таблицах.
Пример 7.3.
Рассчитать
каскада и значения элементов
,
,
,
,
межкаскадной КЦ (рис. 7.5), если в качестве
и
используются транзисторы КТ610А (
= 3 нГн,
= 5 Ом,
= 4 пФ,
= 86 Ом,
= 1 ГГц), требуемый подъем АЧХ каскада на транзисторе
равен 3 дБ,
= 50 Ом,
= 0,9,
= 260 МГц.
Решение.
Нормированные значения элементов
,
и
равны:
= ![]()
![]()
= 0,56;
=
/
= 0,058;
= ![]()
/
= 0,057. Значение
= 0,9 соответствует неравномерности АЧХ 1 дБ. По таблице 7.4 найдем, что для подъема АЧХ равного 3 дБ коэффициент
= 4,9. По (7.12) определим:
= 0,05. Ближайшее табличное значение
равно 0,07. Для этого значения
из таблицы имеем:
= 0,959;
= 1,917;
= 4,816;
= 4,817;
= 0,224. Теперь по (7.11) и (7.10) получим:
= 1,13;
= 0,959;
= 1,917;
= 4,256;
= 3,282;
= 0,229;
= 4,05. После денормирования элементов найдем:
= ![]()
= 82,5 Ом;
= ![]()
/
= 100 нГн;
=
/![]()
= 30,3 пФ;
= 23,4 пФ;
= 12 нГн.
8. РАСЧЕТ УСИЛИТЕЛей С ЧАСТОТНЫМ РАЗДЕЛЕНИЕМ КАНАЛОВ
При разработке усилителей с рабочими частотами от нуля либо единиц герц до единиц гигагерц возникает проблема совмещения схемных решений построения низкочастотных и сверхвысокочастотных усилителей. Например, использование больших значений разделительных конденсаторов и дросселей питания для уменьшения нижней граничной частоты, связано с появлением некорректируемых паразитных резонансов в области сверхвысоких частот. Этого недостатка можно избежать, используя частотно-разделительные цепи (ЧРЦ). Наибольший интерес представляет схема усилителя с ЧРЦ, предназначенного для усиления как периодических, так и импульсных сигналов [15,16,17]. Схема усилителя с ЧРЦ приведена на рис. 8.1, где УВЧ – усилитель верхних частот, УНЧ – усилитель нижних частот.

Рис. 8.1
Принцип работы схемы заключается в следующем. Усилитель с ЧРЦ состоит из двух канальных усилителей. Первый канальный усилитель УВЧ является высокочастотным и строится с использованием схемных решений построения усилителей сверхвысоких частот. Второй канальный усилитель УНЧ является низкочастотным и строится с использованием достоинств схемных решений построения усилителей постоянного тока либо усилителей низкой частоты. При условии согласованных входов и выходов канальных усилителей, выборе значения резистора
равным
, а
много больше значения
, усилитель с ЧРЦ оказывается согласованным по входу и выходу. Каждый из канальных усилителей усиливает соответствующую часть спектра входного сигнала. Выходная ЧРЦ осуществляет суммирование усиленных спектров в нагрузке.
Если обозначить нижнюю и верхнюю граничные частоты УВЧ как
и
, а нижнюю и верхнюю граничные частоты УНЧ как
и
, то дополнительным необходимым условием построения усилителя с ЧРЦ является требование:
³10
. (8.1)
В этом случае полоса пропускания разрабатываемого усилителя с ЧРЦ будет охватывать область частот от
до
.
С учетом вышесказанного расчет значений элементов ЧРЦ усилителя сводится к следующему.
Значения резисторов
и
выбираются из условий:
(8.2)
По заданному коэффициенту усиления УВЧ
определяется необходимый коэффициент усиления УНЧ
из соотношения:
, (8.3)
где
- входное сопротивление УНЧ.
Значения элементов ЧРЦ рассчитываются по формулам [15]:
(8.4)
Пример 8.1.
Рассчитать значения элементов
,
,
,
,
,
, коэффициент усиления УНЧ и его
для усилителя с ЧРЦ, схема которого приведена на рис. 8.1, при условиях:
= 10;
= 1 МГц;
=
;
=
= 50 Ом.
Решение.
В соответствии с формулами (8.1) и (8.2) выбираем:
= 10 МГц,
=50 Ом,
=500 Ом. Теперь по (8.3) найдем:
=110, а по (8.4) определим:
= 3,2 нФ;
= 8 мкГн;
= 320 пФ;
=800 нГн.
Список использованных источников
1. Мамонкин И.Г. Усилительные устройства. Учебное пособие для вузов. - М.: Связь. 1977.
2. Шварц Н.З. Линейные транзисторные усилители СВЧ. - М.: Сов. радио, 1980.
3. Широкополосные радиопередающие устройства / Алексеев О.В., Головков А.А., Полевой В.В., Соловьев А.А.; Под ред. О.В. Алексеева. - М.: Связь, 1978.
4. Титов А.А., Бабак Л.И., Черкашин М.В. Расчет межкаскадной согласующей цепи транзисторного полосового усилителя мощности // Электронная техника. Сер. СВЧ-техника. – 2000. - Вып. 1.
5. Бабак Л.И., Шевцов А.Н., Юсупов Р.Р. Пакет программ автоматизированного расчета транзисторных широкополосных и импульсных УВЧ - и СВЧ усилителей // Электронная техника. Сер. СВЧ – техника. – 1993. – Вып. 3.
6. Петухов В.М. Полевые и высокочастотные биполярные транзисторы средней и большой мощности и их зарубежные аналоги: Справочник. В 4 томах. – М.: КУбК-а, 1997.
7. Никифоров В.В., Терентьев С.Ю. Синтез цепей коррекции широкополосных усилителей мощности с применением методов нелинейного программирования // Сб. «Полупроводниковая электроника в технике связи». /Под ред. И.Ф. Николаевского. - М.: Радио и связь, 1986. – Вып. 26.
8. Титов А.А. Упрощенный расчет широкополосного усилителя. // Радиотехника. - 1979. - № 6.
9. Мелихов С.В., Колесов И.А. Влияние нагружающих обратных связей на уровень выходного сигнала усилительных каскадов // Сб. «Широкополосные усилители». - Томск: Изд-во Том. ун-та, 1975. – Вып. 4.
10. Бабак Л.И. Анализ широкополосного усилителя по схеме со сложением напряжений // Сб. «Наносекундные и субнаносекундные усилители» / Под ред. И.А. Суслова. - Томск: Изд-во Том. ун-та, 1976.
11. Бабак Л.И., Дергунов С.А. Расчет цепей коррекции сверхширокополосных транзисторных усилителей мощности СВЧ // Сб. «Радиотехнические методы и средства измерений» - Томск: Изд-во Том. ун-та, 1985.
12. Титов А.А. Расчет межкаскадной корректирующей цепи многооктавного транзисторного усилителя мощности. // Радиотехника. – 1987. - №1.
13. Титов А.А. Расчет диссипативной межкаскадной корректирующей цепи широкополосного усилителя мощности // Радиотехника. - 1989. - №2.
14. Альбац М.Е. Справочник по расчету фильтров и линий задержки. – М.: Госэнергоиздат, 1963.
15. Ильюшенко В.Н., Титов А.А. Многоканальные импульсные устройства с частотным разделением каналов. // Радиотехника. - 1991. - № 1.
16. Пикосекундная импульсная техника. /В.Н. Ильюшенко, Б.И. Авдоченко, В.Ю. Баранов и др. / Под ред. В.Н. Ильюшенко.- М.: Энергоатомиздат, 1993.
17. Авторское свидетельство № 1653128 СССР, МКИ НОЗF 1/42. Широкополосный усилитель / В.Н. Ильюшенко, А.А. Титов // Открытия, Изобретения. – 1991 - №20.