| Скачать .docx |
Реферат: Расчет силового трансформатора
МИНИСТЕРСТВО ОБЩЕГО И
ПРОФЕЕССИОНАЛЬНОГО ОБРАЗОВАНИЯ
РОССИЙСКОЙ ФЕДЕРАЦИИ
МОСКОВСКИЙ ГОСУДАРСТВЕННЫЙ ИНСТИТУТ
РАДИОТЕХНИКИ ЭЛЕКТРОНИКИ И АВТОМАТИКИ
(ТЕХНИЧЕСКИЙ УНИВЕРСИТЕТ)
Курсовой проект
по предмету:
“Электротехника”.
Тема:
“Расчет силового трансформатора ”
Студент: Чубаков А.С.
Группа: ВАИ-6-00
Преподаватель: Плотников С.Б.
МОСКВА 2002
ВВЕДЕНИЕ.
Трансформатор – устройство, предназначенное для изменения величины переменного напряжения, - является практически обязательным структурным элементом источника вторичного электропитания. При наличии первичного источника, вырабатывающего переменное напряжение, трансформатор достаточно часто включается в источник вторичного электропитания в качестве входного элемента. В этом случае трансформатор называется силовым, и его функциональное назначение заключается в преобразовании входной системы переменного напряжения (однофазной или трехфазной) в одну или несколько других систем переменных напряжений, используемых для питания соответствующих потребителей постоянного и переменного тока. В системах питания электронной аппаратуры применяют силовые трансформаторы малой мощности ( не более 4 кВ-А для однофазных и 5 кВ-А для трехфазных систем переменного тока). Они в большинстве случаев работают при низких напряжениях на обмотках (до 1кВ), синусоидальной или близкой к синусоидальной форме преобразуемого напряжения и частоте, равной 50 Гц (частота промышленной сети).
Электронная аппаратура, как правило, требует наличия постоянного напряжения питания одного или нескольких уровней. Поэтому в источниках вторичного электропитания силовой трансформатор работает совместно с одним или несколькими выпрямителями – устройствами, преобразующими системы переменных напряжений в постоянные по полярности и пульсирующие по величине (выпрямленные) напряжения. Выпрямители могут быть регулируемыми и нерегулируемыми. Первые реализуются на базе управляемых полупроводниковых вентилей – тиристоров, вторые – на базе неуправляемых вентилей – диодов. Нерегулируемые выпрямители не обеспечивают стабилизацию выходных напряжений. При колебаниях напряжения источника электропитания, а также при изменении тока в любой из нагрузок, получающих питание от силового трансформатора, величина напряжения, снимаемого с нерегулируемого выпрямителя, изменяется.
Вместе с тем, нерегулируемы выпрямители широко применяются в системах питания электронной аппаратуры в случаях, когда отсутствуют жесткие требования со стороны соответствующих потребителей постоянного тока, или, если такие требования есть, когда предусмотрено включение стабилизаторов постоянного напряжения в цепи питания потребителей.
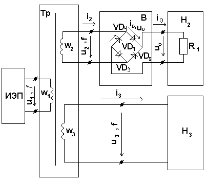
В данной курсовой работе представлен расчет однофазного низковольтного силового трансформатора малой мощности как структурного элемента источника вторичного электропитания, работающего в длительном режиме. Трансформатор имеет ряд обмоток. Первичная обмотка с числом витков w1 подключена к источнику электропитания, вырабатывающему переменное синусоидальное напряжение U1 и частотой 400 Гц. С двух групп вторичных обмоток с числами витков w2 и w3 снимаются переменные напряжения соответственно U2 и U3 той же частоты. Вторичная обмотка с числом витков w2 через соответствующий нерегулируемый выпрямитель В и выпрямленное напряжение U0 , снабжает электроэнергией нагрузку H3 , имеющую чисто активный характер, требующую питание постоянным током. Однофазная вторичная обмотка с числом витков w3 подключена непосредственно к нагрузке H3 , получающей питание переменным током, частота которого совпадает с частотой источника. На рис. схемы протекают следующие токи: i1 – переменный ток, потребляемый первичной обмоткой трансформатора; i2 - переменный ток в фазе вторичной обмотки с числом витков w2 ; i0 – постоянный по направлению и пульсирующий по величине (выпрямленный) ток, питающий нагрузку H3 ; i3 – переменный ток, протекающий во вторичной обмотке с числом витков w3 и нагрузке H3 .
Возможное наличие реактивных элементов в цепи нагрузки H3 учитывается коэффициентом мощности cosφ3 , равным отношению активной составляющей мощности к полной мощности, потребляемой нагрузкой.
Начальные данные:
| Напряжение источника электропитания |
U1 |
24 B |
| Частота напряжения источника электропитания |
ƒ |
400 Гц |
| Схема выпрямителя B в цепи питания |
Однофазная мостовая |
|
| Напряжение на нагрузке H2 |
U0 |
12 В |
| Ток в нагрузке H2 |
I0 |
4,16 A |
| Характер нагрузок H2 |
Активный |
|
| Напряжение на нагрузке H3 |
U3 |
36 В |
| Ток в нагрузке H3 |
I3 |
0,277 A |
| Коэффициент мощности нагрузки H3 |
cosφ3 |
0,35 |
| Температура окружающей среды |
t0 |
30 0 C |
| Макс. Температура нагрева трансформатора |
tTmax |
120 0 C |
| Режим работы |
длительный |
|

1. РАСЧЕТ ВЫПРЯМИТЕЛЕЙ И ЭЛЕКТРОМАГНИТНЫЙ РАСЧЕТ ТРАНСОРМАТОРА.
01. По соотношению величин напряжений и токов в трансформаторе и выпрямителе рассчитаем среднее значение прямого тока через диод IDn р, cp и наибольшее мгновенное значение обратного напряжения на диоде UDo бр, u , n :
IDn р ,cp =0,5I0 =2,08 A
UDo бр ,u,n =1,57U0 =18,84 U
02. Для выпрямителя B выбирается диод типа КД202А
(In р, cp max =3 A, Uo бр, u , n max =50 B)
Для выпрямителя определяем среднее значение прямого напряжения на диоде UDn р, cp = 0,9 B
03. Среднее значение прямых напряжений на выпрямителе B равно
UBcp =2* UDn р, cp ; UBcp ==2*0,9=1,8 B
04. Действующее значение номинального напряжения на фазе обмотки трансформатора, работающего на выпрямителе B:
U2 =1,11(U0 +UB ср ); U2 =1,11(12+1,8)=15,3 B
и номинальный ток в нем:
I2 =1,11I0 ; I2 =1,11*4,16=4,6 A
05. Коэффициент трансформации, характеризующий взаимно-индуктивную связь между первичной обмоткой и фазой вторичной обмотки, на выпрямителе B:
k1/2 =U1 / U2 ; k1/2 =24/15,3=1,57
06. Действующее значение номинального тока в первичной обмотке, обусловленное передачей мощности от источника электропитания в цепи нагрузки вторичной обмотки, на выпрямителе B:
I1/2 =1,11I0 /k1/2 ; I1/2 =1,11*4,16/1,57=2,94 A
07. Действующее значение номинального тока в первичной обмотке трансформатора:
I1 = I1/2 +( U3 * I3 )/ U1 ; I1 =2,94+(36*0,277)/24=3,35 A
08. Расчетная мощность трансформатора
ST =0,5(U1 I1 +m2 U2 I2 + U3 I3 );
ST =0,5(24*3,35 +15,3 *4,6 +36*0,277)=80,4 B*A
09. Выбирается броневой ленточный магнитопровод из стали марки 3422,
ΔC =0,1 mm
10. Выбираем ориентировочные величины электромагнитных нагрузок: амплитуды магнитной индукции в магнитопроводе трансформатора Bm =1,34 Тл и действующее значение плотности тока в обмотке j=4,4 A/mm2
11. Определяем значение коэффициента заполнения магнитопровода сталью kc =0,88
12. Выбирается ориентировочное значение коэффициента заполнения окна магнитопровода медью k0 =0,249
13. Конструктивный параметр, представляющий собой произведение площади поперечного сечения магнитопровода SC и площади окна под обмотки S0
SC S0 =( ST 100)/(2,22*ƒ*Bm *j*kc *k0 );
SC S0 =( 80,4 *100)/(2,22*400*1,36 *4,6*0,88*0,249)= 6,6 см4
14. Выбираем типоразмер магнитопровода – ШЛ12х16 (SC S0 =6,9см4 ); a=12 mm; b=16 mm; c=12 mm; h=30 mm; SC =1,92 см2 ; S0 =3,6см2 ; lM =10,4 см; mc =135 г;
15. Выбираем ориентировочные значения падения напряжения на первичной обмотке, выраженного в процентах от номинального значения U1 , Δ U1% =3,5% и падений напряжения во вторичных обмотках, в % от соответствующих номинальных значении U2 и U3 равные друг другу Δ U2,3% =4,4%
16. Число витков
;
=
57
17. Число витков на выпрямителе B:
;
=
36
Число витков на вторичной обмотке подключенной непосредственно к нагрузке H3 :
;
=
85
18. Площади поперечных сечений обмоточных проводов без изоляции для всех обмоток трансформатора рассчитываются по формулам:
q1пр = I1 /j; q1пр =3,35/4,6=0,7283 мм2
q2пр = I2 /j; q2пр =4,6 /4,6= 1 мм2
q3 пр = I3 /j; q3 пр =0,277/4,6=0,0602 мм2
19. Выбирается марка обмоточных проводов ПЭВТЛ-1 (tTmax до 1200 )
20. Габариты провода:
d 1пр =0,96 мм; q1пр =0,7238 мм2 ;d1из = 1,02 мм;
d 2пр =1,16 мм; q2пр =1,057 мм2 ;d2из = 1,24 мм;
d 3пр =0,27 мм; q3пр =0,05726 мм2 ;d3из = 0,31 мм;
21. Действующие значения плотности тока во всех обмотках трансформатора:
j1 =I1 / q1 пр ; j1 =3,35/0,7238=4,63 A/мм2 ;
j2 =I2 / q1 пр ; j1 =4,6 /1,057 =4,35 A/мм2 ;
j3 =I3 / q1пр ; j1 =0,277/0,05726 =4,84 A/мм2 ;
22. Удельные потери мощности в магнитопроводе трансформатора
PСуд = PСуд H (Bm /ВmH )2 ; PСуд =15,4 Вт/кг
23. Pc =PСуд *mc *10-3 ; Pc =15,4*135*10-3 =2,08 Вт
24. Потери мощности в обмотках
PM
=ρ(0,9* j1
2
*
* q1
пр
+1,1(j2
2
*m2
*
*q2
пр
+ j3
2
*
*q3
пр
))* lM
(1+α(tTmax
-20))*10-2
;
PM =0,0175(0,9* 4,63 2 *57* 0,7238+1,1(4,35 2 *0,135*36*1,057+ 4,84 2 * 85*0,0602))* 10,4 (1+0,00411(120-20))*10-2 =2,66 Вт
25. Суммарные потери мощности в трансформаторе
PT =PC +PM ; PT =2,08+2,66=4,74 Вт
26. КПД трансформатора
;
=92,8%
27.
=81,4%
2. ТЕПЛОВОЙ РАСЧЕТ ТРАНСФОРМАТОРА.
01. Превышение температуры трансформатора над темпер. окружающей среды:
∆tT =PT RT , где RT тепловое сопротивление трансформатора.
∆tT =4,74*9,40=44,56 град/Вт
02. Установившаяся температура нагрева трансформатора:
tT =t0 +∆tT ; tT =30+44,56=74,56 0 C
Установившаяся температура нагрева трансформатора не превышает максимально допустимого значения tTmax =1200 C
3. КОНСТРУКТИВНЫЙ РАСЧЕТ ТРАНСФОРМАТОРА.
01. Выбирается бескаркасная намотка обмоток трансформатора (на гильзу.)

02. Ширина внутреннего прямоугольного отверстия изолирующей гильзы:
αr =α+2δp , где δp величина радиального зазора между гильзой и несущим катушку стержнем магнитопровода.
αr =12+2*1=14 мм
03. Толщина гильзы в радиальном направлении выбирается ∆r =1 мм
05. Габаритная высота гильзы Hr =h-2δ0 , где δ0 =0,5 мм величина осевого зазора между щечкой каркаса или торцевой поверхностью гильзы и ярмом магнитопровода.
Hr =30-1=29 мм
06. Составляется план размещения обмоток в окне магнитопровода.

07. В качестве электроизоляционного материала применяем пропиточную бумагу ИЭП-63Б, βмо =0,11 мм
08. Чисто слоев изоляционного материала:
nK вн = U1 /(mk *175), для броневого трансформатора число стержней магнитопровода mk =1
nK вн = 24/(1*175)=1
09. Толщина внутренней изоляции катушки
∆K вн = nK вн *βmo ;
∆K вн = 1*0,11=0,11 мм
10. Высота слоя первичной обмотки
h1 =Hr -2∆h1 , где ∆h1 =1,5 – толщина концевой изоляции первичной обмотки.
h1 =29-2*1,5=26 мм
11. Число витков в одном слое первичной обмотки
w1сл =ky *h1 /d1из , где ky =0,9 – усредненное значение коэффициента укладки
w1сл =0,9*26/1,02=22
12. Число слоев первичной обмотки в катушке
n1сл = w1 /(mk *w1сл );
n1сл =57/(1*22)=3
13. Определяем максимальное действующие значение между соседними слоями первичной обмоткой:
U1mc =2*U1 *w1 сл /w1 ;
U1 mc =2*24*22/57=18,5 B
14. В качестве материала для выполнения межслоевой изоляции в первичной обмотке выбирается кабельная бумага марки К-120; β1мс =0,12 мм;
U1мс max =71 B
15. Число слоев межслоевой изоляции между соседними слоями первичной обмотки:
n1мс =U1мс / U1мс max ;
n1мс =18,5 / 71=1
16. Толщина межслоевой изоляции между соседними слоями первичной обмотки:
∆1мс = n1мс *β1мс ;
∆1мс =1*0,12 =0,12 мм
17. Толщина первичной обмотки в катушке с учетом межслоевой изоляции:
a1 =kp [n1сл * d1из +( n1сл -1) ∆1мс ], где kp =1,15 – усредненное значение разбухания;
a1 =1,15 [3* 1,02+( 3-1) *0,12]= 3,79 мм
18. Напряжение, определяющее толщину межобмоточной изоляции между данной обмоткой и предыдущей:
U2мо =max(U1 /mk ;m21 *U21 /mk )=24 В;
19. Число слоев межобмоточной изоляции, поверх которой наматывается данная обмотка:
n2мо =2, т.е. межобмоточная изоляция выполняется в два слоя
20. Толщина межобмоточной изоляции, поверх которой наматывается данная обмотка:
∆2 мо =n2 мо *β мо ;
∆2 мо =2*0,11=0,22 мм
21. Высота слоя обмотки, работающей на выпрямителе B:
h2 =h1 -2∆h2,3 , где ∆h2,3 =0,25 мм - приращение толщины концевой изоляции каждой из вторичной обмоток по отношению к концевой изоляции предыдущей обмотки:
h2 =26-2*0,25=25,5 мм
22. Для вторичной обмотки, работающей на выпрямитель, число витков одом слое обмотки:
w2сл =ky *h2 /d2из ;
w2сл =0,9*25,5/1,24=18
23. Число слоев вторичных обмоток, работающих на выпрямитель, в катушке:
n2сл =m2 *w2 /(mk *w2сл );
n2сл =1*36/(1*18)=2
24. Максимальное действующее напряжение между соседними слоями:
U2 мс =m2 *U2 /mk ;
U2 мс =1*15,3/1=15,3 В
25. Для вторичной обмотки, работающей на выпрямитель, выбираем электроизоляционный материал: кабельная бумага марки К-120;
β2мс =0,12 мм; U2мс max =71B
26. Для вторичной обмотки, работающей на выпрямитель, число слоев межслоевой изоляции между соседними слоями обмотки:
n2мс =U2м /U2мс max ;
n2мс =15,3/71=1
27. Для вторичной обмотки, работающей на выпрямитель, толщина межслоевой изоляции соседними слоями обмотки:
∆2 мс =n2 мс *β2 мс ;
∆2 мс =1*0,12=0,12 мм
28. Толщина каждой из вторичной обмотки, работающей на выпрямитель, в катушке с учетом межслоевой изоляции:
a2 =kp (n2 сл *d2 из +( n2 сл -1) ∆2 мс )
a2 =1,15(2*1,24 +(2-1) 0,12)= 2,99 мм
29. Для вторичной обмотки, подключенной непосредственно к нагрузке H3 , находится напряжение, определяющее толщину межобмоточной изоляции между данной обмоткой и предыдущей:
U3 мо 1 =max(m2z *U2z /mk ;U3 /mk );
U3мо1 =36 В
30. Для вторичной обмотки, работающей непосредственно на нагрузку, определяем число слоев межобмоточной изоляции, поверх которой наматывается данная обмотка:
n3мо =2
31. Для вторичной обмотки, работающей на нагрузку, толщина межобмоточной изоляции, поверх которой наматывается данная обмотка:
∆3мо =n3мол *βмо ;
∆3мо =2*0,11=0,22 мм
32. Для каждой вторичной обмотки, работающей на нагрузку, определяется высота слоя обмотки:
h3 =h1 -2(Z+ξ)∆h2,3
h3 =26-2(1+1)0,25=25 мм
33. Для каждой вторичной обмотки, работающей на нагрузку, число витков в одном слое обмотки:
w3 сл =ky *h3 /d3 из ;
w3сл =0,9*25/0,31=72
34. Число слоев вторичной, работающей на нагрузку, в катушке
n3сл = w3 /(mk *w3сл );
n3сл = 85/(1*72)=2
35. Для каждой из вторичной обмотки, работающей на нагрузку, определяется максимальное действующее напряжение между соседними слоями:
U3мс =U3 /mk ;
U3мс= 36/1=36 В
36. Для вторичной обмотки, работающей на нагрузку, выбираем электроизоляционный материал: телефонная бумага КТ-50, его толщина
β3мс =0,05 мм; U3мс max =57 B
37. Для вторичной обмотки, работающей на выпрямитель, число слоев межслоевой изоляции между соседними слоями обмотки:
n3мс =U3мс /U3мс max ;
n3мс =36/57=1
38. Для вторичной обмотки, работающей на нагрузку, толщина межобмоточной изоляции, поверх которой наматывается данная обмотка:
∆3мс =n3мс *β3мс ;
∆3мс =1*0,05=0,05 мм
39. Толщина каждой из вторичной обмотки, работающей на выпрямитель, в катушке с учетом межслоевой изоляции:
a3 =kp (n3сл *d3из +( n3сл -1) ∆3мс )
a3 =1,15(2*0,31+(2-1) 0,05)= 0,77 мм
40. Число слоев изоляционного материала наружной изоляции катушки:
nK нар =2
41. Толщина наружной изоляции катушки:
∆K ар = nK нар *βмо ;
∆K ар = 2*0,11=0,22 мм
42. Толщина катушки в радиальном направлении с учетом изоляции на гильзе, межобмоточной изоляций и наружной изоляции катушки:
ak =∆K вн +a1 +∆2 мо +a2 +∆3 мо +a3 +∆K нар ak= 0,11+3,79+0,22+2,99+0,22+0,77+0,22=8,32 мм
43. Ширина свободного промежутка в окне магнитопровода: зазор между наружной боковой поверхностью катушки и боковым стержнем магнитопровода:
δ=c-( δp +∆r +ak );
δ=12-(1+1+8,32)= 1,68 мм
Вывод: обмотка трансформатора нормально укладываются в окне магнитопровода, следовательно расчет трансформатора можно считать завершенным.
5. ЛИТЕРАТУРА :
1. Курс лекций по электротехники Плотникова С.Б.
2. Петропольская Н.В., Ковалев С.Н., Цыпкин В.Н., Однофазные силовые трансформаторы в системах электропитания электронной аппаратуры.
МИРЭА, Москва 1996 г.
3. Бессонов Л.А. Теоретические основы электротехники. М., Высшая школа, 1978 г.