| Скачать .docx |
Реферат: Расчет корректирующих цепей широкополосных усилительных каскадов на полевых транзисторах
Цель работы – получение законченных аналитических выражений для расчета коэффициента усиления, полосы пропускания и значений элементов корректирующих цепей наиболее известных и эффективных схемных решений построения усилительных каскадов на полевых транзисторах (ПТ). Основные результаты работы – вывод и представление в удобном для проектирования виде расчетных соотношений для усилительных каскадов с простой индуктивной и истоковой коррекциями, с четырехполюсными диссипативными межкаскадными корректирующими цепями второго и четвертого порядков, для входной и выходной корректирующих цепей. Для усилительного каскада с межкаскадной корректирующей цепью четвертого порядка приведена методика расчета, позволяющая реализовать заданный наклон его амплитудно-частотной характеристики с заданной точностью. Для всех схемных решений построения усилительных каскадов на ПТ приведены примеры расчета.
1 ВВЕДЕНИЕ
Расчет элементов высокочастотной коррекции является неотъемлемой частью процесса проектирования усилительных устройств. В известной литературе материал, посвященный этой проблеме, не всегда представлен в удобном для проектирования виде. В этой связи в статье собраны наиболее известные и эффективные схемные решения построения широкополосных усилительных устройств на ПТ, а соотношения для расчета коэффициента усиления, полосы пропускания и значений элементов корректирующих цепей даны без выводов. Ссылки на литературу позволяют найти, при необходимости, доказательства справедливости приведенных соотношений.
Особо следует отметить, что в справочной литературе по отечественным ПТ [1, 2] не приводятся значения элементов эквивалентной схемы замещения ПТ. Поэтому при расчетах следует пользоваться параметрами зарубежных аналогов [2, 3] либо осуществлять проектирование на зарубежной элементной базе [3].
2 ИСХОДНЫЕ ДАННЫЕ ДЛЯ РАСЧЕТОВ
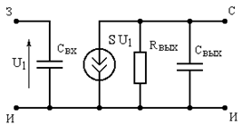
В соответствии с [4, 5, 6], предлагаемые ниже соотношения для расчета усилительных каскадов на ПТ основаны на использовании эквивалентной схемы замещения транзистора, приведенной на рисунке 2.1,а, и полученной на её основе однонаправленной модели, приведенной на рисунке 2.1,б.
|
|
|
| а) |
б) |
Рисунок 2.1
Здесь СЗИ – емкость затвор-исход, СЗС – емкость затвор-сток, ССИ – емкость сток-исток, RВЫХ – сопротивление сток-исток, S – крутизна ПТ, СВХ =.CЗИ +СЗС (1+SRЭ ), RЭ =RВЫХ RН /(RВЫХ +RН ), RН – сопротивление нагрузки каскада на ПТ, CВЫХ =ССИ +СЗС .
3 РАСЧЕТ НЕКОРРЕКТИРОВАННОГО КАСКАДА С ОБЩИМ ИСТОКОМ
3.1 ОКОНЕЧНЫЙ КАСКАД
Принципиальная схема некорректированного усилительного каскада приведена на рисунке 3.1,а, эквивалентная схема по переменному току - на рисунке 3.1,б.
|
|
|
| а) |
б) |
Рисунок 3.1
В соответствии с [6], коэффициент усиления каскада в области верхних частот можно описать выражением:
, (3.1)
где ; (3.2)
; (3.3)
; (3.4)
; (3.5)
; - текущая круговая частота.
При заданном уровне частотных искажений
(3.6)
верхняя частота fВ полосы пропускания каскада равна:
, (3.7)
где
.
Входное сопротивление каскада на ПТ, без учета цепей смещения, определяется входной емкостью:
. (3.8)
Пример 3.1. Рассчитать fB , RC , CВХ каскада, приведенного на рисунке 3.1, при использовании транзистора КП907Б (СЗИ =20 пФ; СЗС =5 пФ; ССИ =12 пФ; RВЫХ =150 Ом; S=200 мА/В [7]) и условий: RН =50 Ом; YB =0,9; K0 =4.
Решение.
По известным K0
и S из (3.2) найдем: RЭ
=20 Ом. Зная RВЫХ
, RН
и RЭ
, из (3.3) определим: RС
= 43 Ом. По (3.4) и (3.5) рассчитаем: С0
=17 пФ; =
. Подставляя известные и YВ
в (3.7), получим: fB
=227 МГц. По формуле (3.8) найдем: СВХ
=45 пФ.
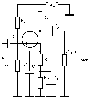
3.2 ПРОМЕЖУТОЧНЫЙ КАСКАД
Принципиальная схема каскада приведена на рисунке 3.2,а, эквивалентная схема по переменному току - на рисунке 3.2,б.
|
|
|
| а) |
б) |
Рисунок 3.2
Коэффициент усиления каскада в области верхних частот описывается выражением (3.1), в котором значения RЭ и С0 рассчитываются по формулам:
; (3.9)
, (3.10)
где СВХ – входная емкость нагружающего каскада.
Значения fB и СВХ каскада рассчитываются по соотношениям (3.7) и (3.8).
Пример 3.2. Рассчитать fB , RC , CВХ каскада, приведенного на рисунке 3.2, при использовании транзистора КП907Б (данные транзистора в примере 3.1) и условий: YB =0.9; K0 =4; входная емкость нагружающего каскада - из примера 3.1.
Решение.
По известным K0
и S из (3.2) найдем: RЭ
=20 Ом. Зная RЭ
и RВЫХ
, из (3.9) определим: RC
=23 Ом. По (3.10) и (3.4) рассчитаем С0
=62 пФ; =
. Подставляя известные и YB
в (3.7), получим: fB
=62 МГц. По формуле (3.8) найдем: СВХ
=45 пФ.
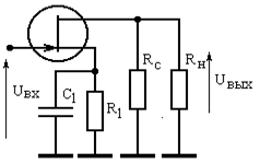
3.3 РАСЧЕТ ИСКАЖЕНИЙ, ВНОСИМЫХ ВХОДНОЙ ЦЕПЬЮ
Принципиальная схема входной цепи каскада приведена на рисунке 3.3,а, эквивалентная схема по переменному току - на рисунке 3.3,б.
|
|
|
| а) |
б) |
Рисунок 3.3
Коэффициент передачи входной цепи в области верхних частот описывается выражением [6]:
,
где ; (3.11)
; (3.12)
;
СВХ – входная емкость каскада на ПТ.
Значение fB входной цепи рассчитывается по формуле (3.7).
Пример 3.3. Рассчитать K0 и fB входной цепи, приведенной на рисунке 3.3, при условиях : RГ =50 Ом; RЗ =1 МОм; YB =0,9; CВХ – из примера 3.1.
Решение.
По (3.11) найдем: K0
=1, по (3.12) определим: =
. Подставляя и YB
в (3.7), получим: fB
=34,3 МГц.
4 РАСЧЕТ КАСКАДА С ВЫСОКОЧАСТОТНОЙ ИНДУКТИВНОЙ КОРРЕКЦИЕЙ
Принципиальная схема каскада с высокочастотной индуктивной коррекцией приведена на рисунке 4.1,а, эквивалентная схема по переменному току - на рисунке 4.1,б.
|
|
|
| а) |
б) |
Рисунок 4.1
Коэффициент усиления каскада в области верхних частот можно описать выражением [6]:
,
где K0 =SRЭ ; (4.1)
;
;
;
;
;
.
Значение , соответствующее оптимальной по Брауде амплитудно-частотной характеристике (АЧХ) [6], рассчитывается по формуле:
. (4.2)
При заданном значении YB верхняя частота полосы пропускания каскада равна:
. (4.3)
Входная емкость каскада определяется соотношением (3.8).
При работе каскада в качестве предоконечного все перечисленные выше соотношения справедливы. Однако RЭ , R0 и С0 принимаются равными:
, (4.4)
где СВХ – входная емкость оконечного каскада.
Пример 4.1. Рассчитать fB , LC , RC , CВХ каскада, приведенного на рисунке 4.1, при использовании транзистора КП907Б (данные транзистора - в примере 3.1) и условий: YB =0,9; K0 =4; каскад работает в качестве предоконечного; входная емкость нагружающего каскада - из примера 3.1.
Решение.
По известным K0
и S из (4.1) найдем: RЭ
=20 Ом. Далее по (4.4) получим: RC
=23 Ом; R0
= 150 Ом; C0
=62 пФ; =
. Подставляя C0
, RC
, R0
в (4.2), определим: LC
опт
=16,3 нГн. Теперь по формуле (4.3) рассчитаем: fB
=126 МГц. Из (3.8) найдем: CВХ
=45 пФ.
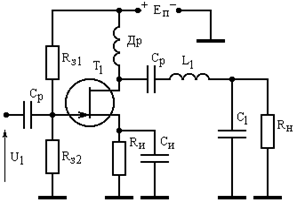
5 РАСЧЕТ КАСКАДА С ИСТОКОВОЙ КОРРЕКЦИЕЙ
Принципиальная схема каскада с истоковой коррекцией приведена на рисунке 5.1,а, эквивалентная схема по переменному току - на рисунке 5.1,б.
|
|
|
| а) |
б) |
Рисунок 5.1
Коэффициент усиления каскада в области верхних частот можно описать выражением [6]:
,
где K0 =SRЭ /F; (5.1)
; (5.2)
;
;
;
.
Значение С1опт , соответствующее оптимальной по Брауде АЧХ, рассчитывается по формуле:
. (5.3)
При заданном значении YB верхняя частота полосы пропускания каскада равна:
. (5.4)
Входная емкость каскада определяется соотношением:
. (5.5)
При работе каскада в качестве предоконечного все перечисленные выше соотношения справедливы. Однако RЭ и С0 принимаются равными:
, (5.6)
где СВХ – входная емкость оконечного каскада.
Пример 5.1. Рассчитать fB , R1 , С1 , СВХ каскада, приведенного на рисунке 5.1, при использовании транзистора КП907Б (данные транзистора - в примере 3.1) и условий: YB =0,9; K0 =4; каскад работает в качестве предоконечного; входная емкость нагрузочного каскада - из примера 3.1.
Решение
. По известным K0
, S, RЭ
из (5.1), (5.2) найдем: F=7,5 ; R1
=32,5 Ом. Далее получим: С0
=62 пФ; =
. Из (5.3) определим С1опт
=288 пФ. Теперь по формуле (5.4) рассчитаем: fB
=64,3 МГц. Из (5.5) найдем: СВХ
=23,3 пФ.
6 РАСЧЕТ ВХОДНОЙ КОРРЕКТИРУЮЩЕЙ ЦЕПИ
Из приведенных выше примеров расчета видно, что наибольшие искажения АЧХ обусловлены входной цепью. Для расширения полосы пропускания входных цепей усилителей на ПТ в [8] предложено использовать схему, приведенную на рисунке 6.1.
|
|
|
| а) |
б) |
Рисунок 6.1
Коэффициент передачи входной цепи в области верхних частот можно описать выражением:
,
где ; (6.1)
;
;
;
;
СВХ – входная емкость каскада на ПТ.
Значение L3опт , соответствующее оптимальной по Брауде АЧХ, рассчитывается по формуле:
. (6.2)
При заданном значении YB и расчете LЗопт по (6.2) верхняя частота полосы пропускания входной цепи равна:
. (6.3)
Пример 6.1. Рассчитать fB , RЗ , LЗ входной цепи, приведенной на рисунке 6.1, при условиях: YB =0,9; RГ =50 Ом; СВХ – из примера 3.1; допустимое уменьшение К0 за счет введения корректирующей цепи – 2 раза.
Решение
. Из условия допустимого уменьшения К0
и соотношения (6.1) найдем: RЗ
=50 Ом. Подставляя известные СВХ
, RГ
и RЗ
в (6.2), получим: LЗопт
=37,5 нГн. Далее определим: =
; =
. Подставляя найденные величины в (6.3), рассчитаем: fB
=130 МГц.
7 РАСЧЕТ ВЫХОДНОЙ КОРРЕКТИРУЮЩЕЙ ЦЕПИ
В рассматриваемых выше усилительных каскадах расширение полосы пропускания связано с потерей части выходной мощности в резисторах корректирующих цепей (КЦ) либо цепей обратной связи. От выходных каскадов усилителей требуется, как правило, получение максимально возможной выходной мощности в заданной полосе частот. Из теории усилителей известно [9], что для выполнения указанного требования необходимо реализовать ощущаемое сопротивление нагрузки для внутреннего генератора транзистора равным постоянной величине во всем рабочем диапазоне частот. Этого можно достигнуть, включив выходную емкость транзистора в фильтр нижних частот, используемый в качестве выходной КЦ. Схема включения выходной КЦ приведена на рисунке 7.1.
|
|
|
| а) |
б) |
Рисунок 7.1
При работе выходного каскада без выходной КЦ модуль коэффициента отражения ощущаемого сопротивления нагрузки внутреннего генератора транзистора равен [9]:
. (7.1)
Уменьшение выходной мощности относительно максимального значения, обусловленное наличием CВЫХ , составляет величину:
, (7.2)
где – максимальное значение выходной мощности на частоте при условии равенства нулю СВЫХ ; – максимальное значение выходной мощности на частоте при наличии СВЫХ .
Использование фильтра нижних частот в качестве выходной КЦ при одновременном расчете элементов L1 , C1 по методике Фано [9] позволяет обеспечить минимально возможное, соответствующее заданным CВЫХ и fB , значение максимальной величины модуля коэффициента отражения в полосе частот от нуля до fB .
В таблице 7.1 приведены нормированные значения элементов L1 , C1 , CВЫХ , рассчитанные по методике Фано, а также коэффициент , определяющий величину ощущаемого сопротивления нагрузки RОЩ , относительно которого вычисляется [9].
Таблица 7.1
|
|
|
|
||
| 0,1 |
0,18 |
0,099 |
0,000 |
1,000 |
| 0,2 |
0,382 |
0,195 |
0,002 |
1,001 |
| 0,3 |
0,547 |
0,285 |
0,006 |
1,002 |
| 0,4 |
0,682 |
0,367 |
0,013 |
1,010 |
| 0,5 |
0,788 |
0,443 |
0,024 |
1,020 |
| 0,6 |
0,865 |
0,513 |
0,037 |
1,036 |
| 0,7 |
0,917 |
0,579 |
0,053 |
1,059 |
| 0,8 |
0,949 |
0,642 |
0,071 |
1,086 |
| 0,9 |
0,963 |
0,704 |
0,091 |
1,117 |
| 1,0 |
0,966 |
0,753 |
0,111 |
1,153 |
| 1,1 |
0,958 |
0,823 |
0,131 |
1,193 |
| 1,2 |
0,944 |
0,881 |
0,153 |
1,238 |
| 1,3 |
0,927 |
0,940 |
0,174 |
1,284 |
| 1,4 |
0,904 |
0,998 |
0,195 |
1,332 |
| 1,5 |
0,882 |
1,056 |
0,215 |
1,383 |
| 1,6 |
0,858 |
1,115 |
0,235 |
1,437 |
| 1,7 |
0,833 |
1,173 |
0,255 |
1,490 |
| 1,8 |
0,808 |
1,233 |
0,273 |
1,548 |
| 1,9 |
0,783 |
1,292 |
0,292 |
1,605 |
| 2,0 |
0,760 |
1,352 |
0,309 |
1,664 |
Истинные значения элементов рассчитываются по формулам:
(7.3)
Расчет частотных искажений, вносимых выходной цепью оконечного каскада, приведен в разделе 3.1. При использовании выходной КЦ частотные искажения, вносимые выходной цепью, определяются соотношением:
. (7.4)
Коэффициент усиления каскада с выходной КЦ определяется выражением (3.2).
Пример 7.1. Рассчитать выходную КЦ для усилительного каскада на транзисторе КП907Б (данные транзистора - в примере 3.1) при RН =50 Ом, fB =200 МГц. Определить RОЩ , уменьшение выходной мощности на частоте fB и уровень частотных искажений, вносимых выходной цепью при использовании КЦ и без нее.
Решение.
Найдем нормированное значение СВЫХ
: = == 1,07. Ближайшее значение коэффициента
в таблице 7.1 равно 1,056. Этому значению
соответствуют:
=1,5;
=0,882; =0,215; =1,382. После денормирования по формулам (7.3) имеем: =35,1 нГн; =24 пФ; RОЩ
=36,2 Ом. Используя соотношения (7.1), (7.2), найдем, что при отсутствии выходной КЦ уменьшение выходной мощности на частоте fB
, обусловленное наличием СВЫХ
, составляет 2,14 раза, а при ее использовании - 1,097 раза. При отсутствии выходной КЦ уровень частотных искажений, вносимых выходной цепью, определяется соотношением (3.7). Для условий примера 7.1 =
. Подставляя в (3.7) известные и fB
, получим: YB
==0,795. При наличии выходной КЦ из (7.4) найдем: YB
= 0,977.
8 РАСЧЕТ ДИССИПАТИВНОЙ МЕЖКАСКАДНОЙ КОРРЕКТИРУЮЩЕЙ ЦЕПИ ВТОРОГО ПОРЯДКА
Принципиальная схема усилителя с межкаскадной КЦ второго порядка приведена на рисунке 8.1,а, эквивалентная схема по переменному току - на рисунке 8.1,б. [10].
|
|
| а) |
|
|
| б) |
Рисунок 8.1
Коэффициент усиления каскада на транзисторе T1 в области верхних частот можно описать выражением [11, 12]:
, (8.1)
где K0 =SRЭ ; (8.2)
;
;
;
;
– сопротивление сток-исток транзистора T1
; ; ; ; ; – нормированные относительно и значения элементов , , , , ; =;
;
– нормированная частота; – текущая круговая частота; – высшая круговая частота полосы пропускания разрабатываемого усилителя; – входная емкость транзистора Т2
; – выходная емкость транзистора T1
.
В таблице 8.1 приведены нормированные значения элементов
, , , вычисленные для ряда нормированных значений , при двух значениях допустимой неравномерности АЧХ .
Таблица 8.1 получена с помощью методики проектирования согласующе-выравнивающих цепей транзисторных усилителей, предполагающей составление и решение системы компонентных уравнений [13], и методики синтеза прототипа передаточной характеристики, обеспечивающего максимальный коэффициент усиления каскада при заданной допустимой неравномерности АЧХ в заданной полосе частот [14].
Таблица 8.1
|
|
|
|||||
|
|
|
|||||
| 0,01 |
1,597 |
88,206 |
160,3 |
2,02 |
101 |
202,3 |
| 0,05 |
1,597 |
18,08 |
32,061 |
2,02 |
20,64 |
40,47 |
| 0,1 |
1,597 |
9,315 |
16,03 |
2,02 |
10,57 |
20,23 |
| 0,15 |
1,597 |
6,393 |
10,69 |
2,02 |
7,21 |
13,5 |
| 0,2 |
1,596 |
4,932 |
8,019 |
2,02 |
5,5 |
10,1 |
| 0,3 |
1,596 |
3,471 |
5,347 |
2,02 |
3,856 |
6,746 |
| 0,4 |
1,595 |
2,741 |
4,012 |
2,02 |
3,017 |
5,06 |
| 0,6 |
1,594 |
2,011 |
2,677 |
2,02 |
2,177 |
3,373 |
| 0,8 |
1,521 |
1,647 |
2,011 |
2,02 |
1,758 |
2,53 |
| 1 |
1,588 |
1,429 |
1,613 |
2,02 |
1,506 |
2,025 |
| 1,2 |
1,58 |
1,285 |
1,351 |
2,02 |
1,338 |
1,688 |
| 1,5 |
1,467 |
1,178 |
1,173 |
2,02 |
1,17 |
1,352 |
| 1,7 |
1,738 |
1,017 |
0,871 |
2,015 |
1,092 |
1,194 |
| 2 |
1,627 |
0,977 |
0,787 |
2,00 |
1,007 |
1,023 |
| 2,5 |
1,613 |
0,894 |
0,635 |
2,03 |
0,899 |
0,807 |
| 3 |
1,61 |
0,837 |
0,53 |
2,026 |
0,833 |
0,673 |
| 3,5 |
1,608 |
0,796 |
0,455 |
2,025 |
0,785 |
0,577 |
| 4,5 |
1,606 |
0,741 |
0,354 |
2,025 |
0,721 |
0,449 |
| 6 |
1,605 |
0,692 |
0,266 |
2,024 |
0,666 |
0,337 |
| 8 |
1,604 |
0,656 |
0,199 |
2,024 |
0,624 |
0,253 |
| 10 |
1,604 |
0,634 |
0,160 |
2,024 |
0,598 |
0,202 |
При известных значениях , , , , расчет межкаскадной КЦ состоит из следующих этапов. Вычисление . Нормирование значения по формуле: . Нахождение по таблице 8.1 ближайшего к вычисленному табличного значения . Определение по таблице 8.1 соответствующих значений
, , и их денормирование по формулам:
; ; . Вычисление значения :
.
При использовании рассматриваемой КЦ в качестве входной принимается равной нулю, принимается равным , а коэффициент передачи входной цепи на средних частотах рассчитывается по формуле (3.11).
В случае необходимости построения нормированной частотной характеристики проектируемого усилительного каскада значения , , ,
следует подставить в (8.1) и найти модуль . Реальная частотная характеристика может быть найдена после денормирования коэффициентов , , по формулам: ; ; .
Пример 8.1.
Рассчитать межкаскадную КЦ усилительного каскада, приведенного на рисунке 8.1, его и при использовании транзисторов КП907Б (данные транзистора - в примере 3.1) и условий: fB
=100 МГц; входная емкость нагружающего каскада - из примера 3.1; допустимая неравномерность АЧХ -
дБ, =1 кОм.
Решение.
По известным , и найдем: = =
=3,67. Из таблицы 8.1 для неравномерности АЧХ
дБ и для ближайшего табличного значения нормированной величины , равного 3,5, имеем:
=2,025, =0,785, =0,577. Денормируя
, и , получим:
=24,8 пФ; L2
=162 нГн; R3
=75 Ом. Теперь по (8.2) рассчитаем: K0
=9,5. Вычитая из
величину , определим: С1
= =7,8 пФ. Из (3.8) найдем: СВХ
=72,5 пФ.
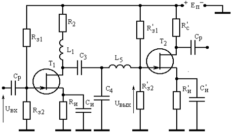
10 РАСЧЕТ ДИССИПАТИВНОЙ МЕЖКАСКАДНОЙ КОРРЕКТИРУЮЩЕЙ ЦЕПИ ЧЕТВЕРТОГО ПОРЯДКА
Принципиальная схема усилителя с межкаскадной корректирующей цепью четвертого порядка [15] приведена на рисунке 9.1,а, эквивалентная схема по переменному току - на рисунке 9.1,б.
|
|
| а) |
|
|
| б) |
Рисунок 9.1
Несмотря на то, что КЦ содержит пять корректирующих элементов, конструктивно ее выполнение может оказаться проще выполнения КЦ второго порядка.
Коэффициент усиления каскада на транзисторе T1 в области верхних частот можно описать выражением [14]:
, (9.1)
где ; (9.2)
;
;
;
;
;
;
RВЫХ1 – сопротивление сток-исток транзистора T1 ; СВХ2 – входная емкость транзистора T2 ; , , , , – нормированные относительно и значения элементов L1 , R2 , C3 , C4 , L5 , соответствующие преобразованной схеме КЦ, в которой значение CВЫХ1 равно нулю, а значение СВХ2 равно бесконечности; СВЫХ1 – выходная емкость транзистора T1 ; ; – нормированная частота; – текущая круговая частота; – высшая круговая частота полосы пропускания разрабатываемого усилителя.
В таблице 9.1 приведены нормированные значения элементов L1
, R2
, C3
, C4
, L5
, вычисленные для случая реализации усилительного каскада с различным наклоном АЧХ, лежащим в пределах
дБ, при допустимом значении
равном
дБ и
дБ, и при условии равенства нулю значения СВЫХ1
и бесконечности - значения СВХ2
.
Таблица 9.1 получена с помощью методики проектирования согласующе-выравнивающих цепей транзисторных усилителей, предполагающей составление и решение систем компонентных уравнений [13], и методики синтеза прототипа передаточной характеристики, обеспечивающего максимальный коэффициент усиления каскада при заданной допустимой неравномерности АЧХ в заданной полосе частот [14].
Таблица 9.1
| Наклон АЧХ, дБ |
= |
= |
||||||||
| -6 |
2,40 |
1,58 |
5,85 |
2,34 |
0,451 |
2,43 |
1,21 |
6,75 |
2,81 |
0,427 |
| -5 |
2,47 |
1,63 |
5,53 |
2,39 |
0,426 |
2,43 |
1,22 |
6,49 |
2,90 |
0,401 |
| -4 |
2,49 |
1,65 |
5,23 |
2,48 |
0,399 |
2,41 |
1,20 |
6,24 |
3,03 |
0,374 |
| -3 |
2,48 |
1,64 |
4,97 |
2,60 |
0,374 |
2,36 |
1,18 |
6,02 |
3,20 |
0,348 |
| -2 |
2,42 |
1,59 |
4,75 |
2,74 |
0,351 |
2,32 |
1,16 |
5,77 |
3,36 |
0,327 |
| -1 |
2,29 |
1,51 |
4,59 |
2,93 |
0,327 |
2,30 |
1,15 |
5,47 |
3,50 |
0,309 |
| 0 |
2,09 |
1,38 |
4,49 |
3,18 |
0,303 |
2,22 |
1,11 |
5,23 |
3,69 |
0,291 |
| +1 |
1,84 |
1,21 |
4,49 |
3,52 |
0,277 |
2,08 |
1,04 |
5,08 |
3,93 |
0,273 |
| +2 |
1,60 |
1,05 |
4,52 |
3,91 |
0,252 |
1,88 |
0,94 |
5,02 |
4,26 |
0,253 |
| +3 |
1,33 |
0,876 |
4,69 |
4,47 |
0,225 |
1,68 |
0,842 |
4,99 |
4,62 |
0,234 |
| +4 |
2,69 |
1,35 |
3,34 |
3,29 |
0,281 |
1,51 |
0,757 |
4,97 |
5,02 |
0,217 |
| +5 |
2,23 |
1,11 |
3,43 |
3,67 |
0,257 |
1,32 |
0,662 |
5,05 |
5,54 |
0,198 |
| +6 |
1,76 |
0,879 |
3,65 |
4,27 |
0,228 |
1,10 |
0,552 |
5,29 |
6,31 |
0,176 |
Для расчета нормированных значений элементов L1 , R2 , C3 , C4 , L5 , обеспечивающих заданную форму АЧХ с учетом реальных нормированных значений СВЫХ1 и СВХ2 , следует воспользоваться формулами пересчета [14]:
(9.3)
где СВЫХ1Н
, СВХ2Н
– нормированные относительно RВЫХ1
и
значния СВЫХ1
и СВХ2
.
При известных значениях
, RВЫХ1
, СВЫХ1
, СВХ2
, расчет межкаскадной КЦ состоит из следующих этапов. Вычисление нормированных значений СВЫХ1
и СВХ2
по формуле: СН
=. Определение табличных значений элементов , , , , по заданному наклону и требуемой неравномерности АЧХ. Расчет L1
, R2
, C3
, C4
, L5
по формулам пересчета (9.3) и их денормирование.
При использовании рассматриваемой КЦ в качестве входной СВЫХ1 принимается равной нулю, RВЫХ1 принимается равным RГ , а коэффициент передачи входной цепи на средних частотах рассчитывается по формуле:
. (9.4)
В случае необходимости построения нормированной частотной характеристики проектируемого усилительного каскада значения
,
, , , следует подставить в (9.1) и найти модуль KU
. Реальная частотная характеристика может быть рассчитана после денормирования коэффициентов , , , , по формулам: ; ; ; ; .
Пример 9.1.
Рассчитать межкаскадную КЦ усилителя, приведенного на рисунке 9.1, его K0
и СВХ
при использовании транзистора КП907Б (данные транзистора - в примере 3.1) и условий: fB
=100 МГц; входная емкость нагружающего каскада - из примера 3.1; допустимая неравномерность АЧХ -
дБ; наклон АЧХ - 0 дБ.
Решение
. Из таблицы 9.1 для неравномерности АЧХ +
0,5 дБ и наклона АЧХ, равного 0 дБ, имеем:
=2,22;
=1,11; =5,23; =3,69; =0,291. Нормированные значения СВЫХ1
и СВХ2
равны: СВЫХ1Н
= ==1,6; СВХ2Н
==4,24. Подставляя найденные величины в (9.3), получим: L1
H
=2,22; R2Н
=1,11; С3Н
=14,6; С4Н
=0,587; L5Н
=0,786. Денормируя полученные значения, определим: L1
==530 нГн; R2
==167 Ом; С3
==154 пФ; С4
=6,2 пФ; L5
=187 нГн. Теперь по (9.2) рассчитаем: K0
=11,86. Из (3.8) найдем: СВХ
=84,3 пФ.
ЛИТЕРАТУРА
1. Перельман Б.Л. Новые транзисторы: Справочник. – М.: Солон, 1996.
2. Петухов В.М. Полевые и высокочастотные биполярные транзисторы средней и большой мощности и их зарубежные аналоги: Справочник. – М.: КУБК-а, 1997.
3. Полевые транзисторы: Справочник. – Faber. STM. Publications, 1997.
4. Шварц Н.З. Усилители СВЧ на полевых транзисторах. – М.: Радио и связь, 1987.
5. Никифоров В.В., Кулиш Т.Т., Шевнин И.В. К проектированию широкополосных усилителей мощности КВ- УКВ- диапазона на мощных МДП-транзисторах // В сб.: Полупроводниковые приборы в технике связи / Под ред. И.Ф. Николаевского. – М.: Радио и связь. -1993.- Вып. 23.
6. Мамонкин И.Г. Усилительные устройства: Учебное пособие для вузов. – М.: Связь, 1977.
7. Никифоров В.В., Максимчук А.А. Определение элементов эквивалентной схемы мощных МДП-транзисторов // В сб.: Полупроводниковая электроника в технике связи / Под ред. И.Ф. Николаевского. – М.: Радио и связь.- 1985.- Вып. 25.
8. Никифоров В.В., Терентьев С.Ю. Синтез цепей коррекции широкополосных усилителей мощности с применением методов нелинейного программирования // В сб.: Полупроводниковая электроника в технике связи / Под ред. И.Ф. Николаевского. – М.: Радио и связь. - 1986. - Вып. 26.
9. Широкополосные радиопередающие устройства / Алексеев О.В., Головков А.А., Полевой В.В., Соловьев А.А. / Под ред. О.В. Алексеева. – М.: Связь, 1978.
10. Титов А.А., Ильюшенко В.Н., Авдоченко Б.И., Обихвостов В.Д. Широкополосный усилитель мощности для работы на несогласованную нагрузку // ПТЭ. - 1996. - №2. - С.68-69.
11. Шварц Н.З. Линейные транзисторные усилители СВЧ. – М.: Сов. радио, 1980.
12. Бабак Л.И., Дьячко А.Н., Дергунов С.А. Расчет цепей коррекции мощных сверхширокополосных транзисторных СВЧ-усилителей // Полупроводниковая электроника в технике связи /Под ред. И.Ф. Николаевского. – М.: Радио и связь. - 1988. - Вып. 27.
13. Бабак Л.И., Шевцов А.Н., Юсупов Р.Р. Пакет программ автоматизированного расчета транзисторных широкополосных и импульсных УВЧ- и СВЧ-усилителей // Электронная техника. Сер. СВЧ-техника. - 1993. - №3. - С.60-63.
14. Титов А.А. Расчет диссипативной межкаскадной корректирующей цепи широкополосного усилителя мощности // Радиотехника. - 1989. - №2. - С.88-90.
15. Жаворонков В.И., Изгагин Л.Н., Шварц Н.З. Транзисторный усилитель СВЧ с полосой пропускания МГц // Приборы и техника эксперимента. – 1972. - №3. - С.134-135.



















