| Скачать .zip |
Реферат: Разработка одноплатного микроконтроллера
Министерство образования Российской Федерации
Северокавказский Государственный Технический Университет
Кафедра электроники и микроэлектроники
Курсовая работа
По дисциплине :
Выполнил: студент курса
группы УПЭ-991
Козидубов Е. Н.
Принял: Якушев В.М.
Ставрополь 2001
ТЕХНИЧЕСКОЕ ЗАДАНИЕ
На выполнение курсовой работы по тему "Разработка одноплатного микроконтроллера"
Микропроцессор …………………………………………… к 1810 вм 88
Заданный объем РПЗУ (кбайт) ……………………………………….. 64
Заданный объем ОЗУ (кбайт) ……………………………………….. 8
Паралельный порт ввода\вывода …………………………………… ВВ55
Включение порта ввода\вывода как ………………. внешнее устройство
Режим работы максимальный
Содержание
Введение ____________________________________________________
1. Разработка структурной схемы микроконтроллера _______________
Краткое описание микропроцессорной системы _________________
Описание структурной схемы микроконтроллера _________________
Предварительный выбор элементной базы _______________________
2. Разработка принципиальной схемы микроконтроллера ___________
2.1 Разработка процессорного модуля _____________________________
2.2 Организация памяти микроконтроллера ________________________
2.3 Организация параллельного порта ввода/вывода _________________
2.4 Разработка схемы дешифратора адреса памяти __________________
Заключение____________________________________________________
Список литературы _____________________________________________
вВЕДЕНИЕ
В данной работе будет рассмотрен один из вариантов построения микроконтроллера на основе микропроцессора 8088. С целью закркпления знаний пиобретенных на лекциях и приобретения навыков разработки микропроцессорных систем
Разрабатываемое устройство является контроллером(блок местного управления) он необходим для управления устройствами ввода вывода информации, для первичной обработки информации.
Может применятся для запуска электрических двигателей, управления выпрямительными вентелями и их группами, электромеханическими переключателями, принимать и осушествлять первичную обработку данных от информационных датчиков.
В обшем такой контроллер может найти применение в различных областях науки и техники и даже в сфере развлечения, при совместном его использовании с персональными ЭВМ и без нее тоже.
1.Разработка структурной схемы микроконтроллера
1.1Краткое описание микропроцессорной системы
На
рисунке 1. Приведина
структурная
схема полной
микропроцессорной
системы (микроконтроллер),
содержащей
сам микропроцессор,
устроуства
хранения информации
блоки памяти
и устройство
связи системы
с внешними
участниками
(УВВ-устройство
ввода\вывода).
Внешнее управление
микро-ЭВМ становится
возможным и
при помоши
системного
разъема (СР) но
по другим правилам
в отличие от
порта ввода\вывода,
что расширяет
возможности
контроллера,
с его помощью
может осуществлятся
связь с шинами
базовой ЭВМ(например
шины ISA,PCI,
широко
распространенных
в настоящее
время персональных
компьютеров
типа
IBM).Также
этот разъем
может быть
использован
при отладке
работы микропроцессорной
системы в целом.
В системе присутствуют три шины (управления, адреса, данных), они представляют из себя проводные линии(проводники) соединяющие между собой составные части всей системы. Шины имеют разрядность (4,8-разрядная,16,32) т.е соответственно (4,8-проводников в линии,16,32 и.т.д).Разрядность шины может зависеть от производительности системы. Большое количество информации большая шина.
Шина данных – служет для передачи данных идуших из памяти или УВВ к процессору или из процессора в память т.е она двунаправленная.(8,16-разрядов)
Шина адреса - используется для указания адреса ячеек памяти или портов ввода\вывода, ее разрядность зависит в основном от необходимого размера памяти (8-разрядов 256 байт, 16-раз. 64кбайт, 20-разрядов 1мбайт, и т.д )
Шина управления – передает информацию УВВ или памяти о готовности микропроцессора выполнить пересылку данных. По управляющей шине передаются и сигналы которые позволяют УВВ или памяти обращатся к процессору с запросами. Разрядность этой шины зависит в основном от типа используемого процессора и количества его управляющих (используемых) сигналов.(не менее 5 - разрядов )
Из схемы видно что инициатором действий выполняемых системой является микропроцессор который вырабатывает сигналы управления и выдает их на шину управления. По ней они подаются на устройства памяти и УВВ, также процессором задается адрес выбранной ячейки памяти он подается на шину адреса и на адресные входы микросхем памяти, по шене данных информация идет в процессор или из него.
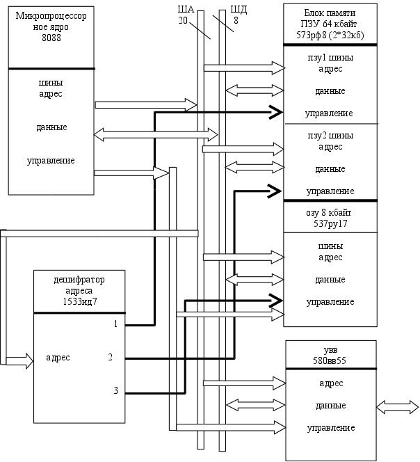
Описание структурной схемы микроконтроллера
Рассмотрим работу микроконтроллера на основе схемы электрической структурной, показанной на рисунке 2.
Микроконтроллер состоит из следующих узлов:
микропроцессорное ядро на основе 8088-го микропроцессора, схемы формирования сигналов управления(контроллер системной шины в максимальном режиме работы), внешнего тактового генератора,регистры шины адреса и буфера шины данных;
памяти программ ПЗУ, объемом 64 Кбайта;
ОЗУ, объемом 8 Кбайт ;
дешифратор адреса;
устройства ввода\вывода (параллельный интерфейс) ;
Схема формирования сигналов управления формирует 4 инвертированных сигнала IOWR ( внешнее устройство запись), IORD(внешнее устройство чтение),MEMR (память чтение), MEMW (память ..).В максимальном режиме (МР) работа процессора возможна только с системным контроллероим К1810ВГ88 (i8288) который формирует необходимые сигналы управления. Тактовый генератор вырабатывает синхронизирующие импульсы тактовой частоты, которые позволяют синхронизировать работу ЭВМ и остальных узлов микроконтроллера, например системный контроллер при работе процессора в МР или других микропроцессоров если система много-процессорная . Регистры адреса предназначены для фиксации старшей и младшей части адреса. Буфер шины данных выполняет усиление сигнала данных в двух правлениях
ОЗУ для временного хранения данных, основной программы расположенной в ПЗУ.
Порт ввода/вывода представляет собой двунаправленный буфер с тремя состояниями и предназначен для побайтного ввода, вывода или ввода/вывода информации.
Рисунок 2. Структурная схема микроконтроллера

Рисунок 2. Структурная схема.
Предварительный выбор элементной базы
Для создания схемы электрической принципиальной микроконтроллера в курсовом проекте используются интегральные микросхемы серий К1810, К1533, КР573, К537, КР580. Серия К1810 представлена микросхемой 1810ВМ88(I8088). Она представляет собой 16-битный процессор с 8-битовой шиной данных. Микропроцессоры 8088 и 8086 имеют одинаковую архитектуру различия состоят в изменении разрядности шины данных. Условно графическое обозначение (УГО) приведено на рисунке 3. Процесс выполнения любой команды в МП состоит из следующих этапов:
1
.Извлечение
кода команды
и операндов
(если это требуется)
из памяти.
2.Выполнение команды.
3.Запись результата (если это требует команда).
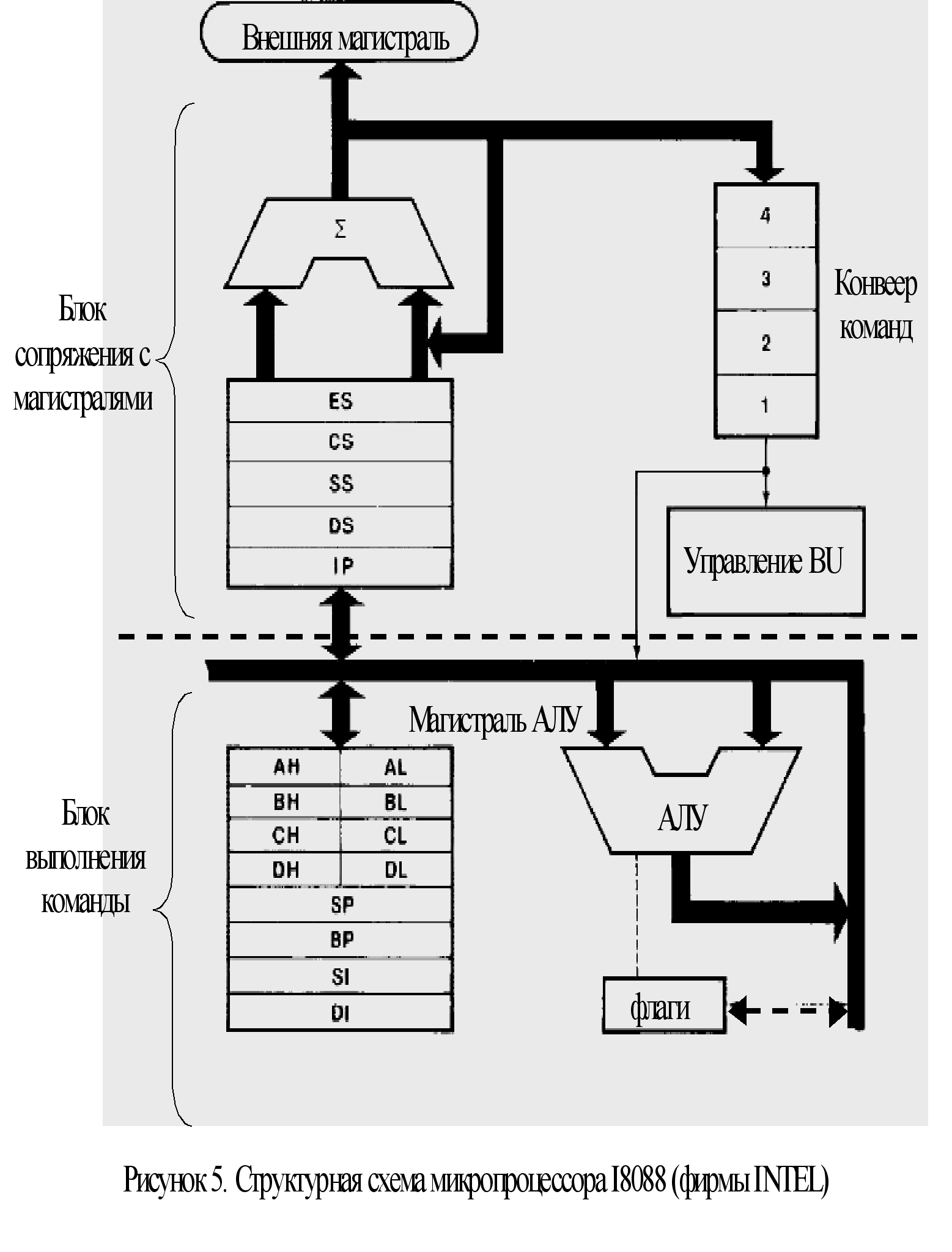
Как правило, эти этапы выполняются последовательно, что приводит к временной недогрузки магистралей микро ЭВМ. В МП процес выполнения, состоящий из техже этапов, выполняется в двух раздельных процессорных блоках EU и BUI и может идти паралельно. В функции блока BUI входит извлечение из памяти кода команды и их операндов, а в функции блока EU непосредственное выполнение команд. За счет паралельной работы блоков возрастает быстродействие МП БИС и магистрали микро ЭВМ используются более эффективно.
Структурная схема приведина на рисунке 4. Блок выполнения команд имеет 16-разрядный АЛУ с регистром состояний и флагом управления, а также регистры общего назначения. Все регистры и внутренние магистрали блока 16-разрядные. Блок не имеет связи с внешними магистралями. На АЛУ поступают коды команд из конвейера команд расположенного в BIU. Если в результате дешифрации кода команды в АЛУ необходимо получение одного или нескольких операндов по внешним магистралям МП БИС , то EU запрашивает BIU на получение и размещение необходимых данных в BIU. Несмотря на то что все адреса с которыми оперирует EU, 16-разрядные, BIU преобразует их так, чтобы иметь возможность адресоваться ко всему возможному адресному пространству (1 Мбайт) микропроцессорной ссистемы.
Б
лок
сопряжения
с магистралями
BIU производит
все пересылки
данных и кодов
для EU. Пересылка
между МП БИС
и памятью или
внешними устройствами
осуществляется
по требованию
EU. В то время
как EU занят
выполнением
команд, блок
BIU получает
последующие
в программе
коды команд
из памяти и
сохраняет их
в конвеере
команд. Конвеер
может содержать
до шести (8086) и до
четырех (8088) кодов
команд и выдовать
их в EU по
мере необходимости
без загрузки
внешних магистралей.
Коды команд
подаются в EU
последовательно,
так как они
записаны в
программе. Если
EU выполняет
команду передачи
управления,
в другое место
программы, то
BIU очишает конвейер
команд, получает
код команды
из нового адреса,
передает его
в BIU и начинает
заполнять
конвейер заново
Если EU требует
обрашения к
памяти или
внешнему устройству,
то BIU приостанавливает
процесс получения
команд в конвейер
и организует
необходимый
цикл обмена
данными.
Назначение выводов в максимальном режиме работы 1810ВМ88:
Таблица 1.
| Об означение | Вывод№ | Направление |
Назначение |
| AD0-AD7 | 9-16 | I\O | Шина адрес\данные двунаправленная |
| A15-A8 | 2-8. 39 | O | Шана адреса 8-15 разряды |
| A19-A16 | 35-38 | O | Адрес 16-19 разряды |
| RD | 32 | O | Строб чтения данных из памяти или ВУ |
| READY | 22 | I |
Сигнал готовности ВУ или памяти к обмену данными. Если ВУ или память выдает БИС READY=0, то микропроцессор переходит в режим ожидания который будет длится до прихода READY=1 |
| INTR | 18 | I | Вход маскируемого прерывания |
| TEST | 29 | I |
Вход програмной проверки готовности устройства в системе. Используется совместно с командой ожидания WAIT. Выполняя эту команду БИС проверяет уровень сигнала на входе «тест». Если TEST=0, то МП БИС переходит к выполнению следующей по порядку команды. Если TEST=1 то БИС вводит холостые такты Т1 и периодически с интервалом 5Т проверяет значение сигнала TEST. |
| NMI | 17 | I | Вход не маскируемого прерывания |
| RESET | 21 | I | Сигнал начальной установки |
| CLK | 19 | I |
Вход синхронизации от внешнего генератора. Периуд синхронизации 200-500 нс (те f= 2-5 Мгц) |
| Vcc | 40 | Питающее напряжение +5в | |
| GND | Земля | ||
| MN\MX | Режим работы минимальный(1)\ максимальный(0) | ||
| LOCK | 29 | O | Блокировка шины. Сигнал на данном выходе информирует устройства системы о том что они не должны пытатся запрашивать шину |
| QS1 | 24 | O | Сигнал идентефицирующий состояние внутренней четырех байтовой очереди команд микропроцессора |
| QS0 | 25 | O | Сигнал идентефицирующий состояние внутренней четырех байтовой очереди команд микропроцессора |
| S1 | 27 | O | Сигнал состояния микропроцессора |
| S0 | 26 | O | Сигнал состояния микропроцессора |
| S2 | 28 | O | Сигнал состояния микропроцессора |
|
RQ/GT0 RQ/GT1 |
30 31 |
O O |
Две одинаковые линии для передачи импульсных сигналов запроса \ подтверждения доступа к локальной шине(каналу) . |
| HIGH | 34 | - | Всегда «1» в максимальном режиме |
Микропроцессор выпускается в 40-выводном корпусе
Сигналы микропроцессора S1 S2 S3 выдают информацию о типе цикла шины микропроцессора . сигналы состояния подаются на контролер шины, который дешифрирует их и формирует расширенный набор управляющих сигналов. (см.таблицу)
-
S1 S2 S3 Тип цикла шины
0 0 0 Подтверждение прерывания 0 0 1 Чтение ВУ 0 1 0 Запись ВУ 0 1 1 Останов 1 0 0 Выборка команды 1 0 1 Чтение ЗУ 1 1 0 Запись ЗУ 1 1 1 Цикла шины нет
QS0 QS1 Сигнал идентефицирующий состояние внутренней четырех байтовой очереди команд микропроцессора , действует в течении такта синхронизации после выполнения операции над очередью.
-
QS0 QS1 Операции над очередью 0 0 Операции нет, в последнем такте небыло выборки из очереди 0 1 Из очереди выбран первый байт команды 1 0 Очередь пуста в результате выполнения команды передачи управления 1 1 Из очереди выбран следующий байт команды
Работа
микропроцессора
8088 в максимальном
режиме во многом
аналогична
работе в минимальном
однако изменяется
значение 8
управляющих
сигналов также
работа процессора
невозможна
без контроллера
системной шины
i8288
(К1810ВГ88).
Условно графическое
обозначение
приведено на
рисунке. Структурная
схема приведена
на рисунке
Назначение выводов контроллера дано в таблице

| Обозначение | Вывод | назначение |
| S0-S3 | 20,19,18 | Входы сигналов состояния МП |
| CLK | 2 | Вход сигналов генератора тактовых импульсов |
| AEN | 6 | Сигнал управляющий выдачей командных сигналов контроллера которая осуществляется через 115 нс после поступления сигнала AEN |
| CEN | 15 |
Сигнал управления выдачей командных сигналов управления DEN и PDEN. Действует как определитель возможности использования командных сигналов , формируемых контроллером системной шины при 1 контроллер функционирует нормально, а при 0 все командные сигналы удерживаются в неактивном состоянии. Это используется для для разделения адресного пространства и устранения конфликтов между внешними устройствами подключенными к системной шине. |
| IOB | 1 | Сигнал управления режимом работы контроллера при 1 задается режим режим работы с шиной ввода вывода, а при 0 с системной шиной |
| MRDC | 7 | Сигнал чтения из памяти |
| MWTC | 9 | Запись в память |
| AMWC | 8 | Опережающий сигнал записи в память |
| IORC | 13 | Ввод информации из ВУ |
| IOWC | 11 | Вывод информации в ВУ |
| AIOWC | 12 | Опережающий сигнал вывода информации в ВУ |
| DT/R | 4 | Направление передачи шинных формирователей |
| DEN | 16 | Включение шинных формирователей |
| ALE | 5 | Фиксация адресного регистра |
| MGE/PDEN | 17 |
(При IOB=1) PDEN сигнал включения шинных формирователей (При IOB=0) MGE он управляет считыванием номера ведомого кантроллера прерываний, подлежащего обслуживанию |
Тактирование работы МП БИС (к1810ВМ88) осушествляет генератор тактовых импульсов к1810ГФ84 (i8284) генератор включает схемы формирования тактовых импульсов (OSK,CLK,PCLK), сигнала сброса (RESET) , и сигнала готовности (READY). Условно графическое обозначение показано на рисунке 6.
В описываемом контроллере также применяются микросхемы серии К1533, это ригистры шины адреса ИР22, буфер 1533АП6

у
силивает
сигналы шину
данных, логические
простые 1533ЛЛ1
и ЛЕ1 а также
дешифратор
адреса выполненый
на 1533ИД7.
Ригистры шины адреса 1533ИР22 предназначены для хранения адреса установленного микропроцессором, по управляющему сигналу ALE он появляется каждый машинный цикл. Условнографическое обозначение приведено на рисунке 7.
М
икросхема
1533АП6 восьмиканальный
двунаправленный
шинный формирователь
предназначен
для усиления
по мощности
сигналов шины
данных при
чтении и записи,
показан на
рисунке 8.
Микросхема
555ЛЛ1 - 4 логических
элемента 2ИЛИ
предназначена
для формирования
сигналов шины
управления
показана на
рисунке 9.
М
икросхема
1533ЛЕ1 - 4 логических
элемента 2ИЛИ-НЕ
предназначена
для формирования
сигналов шины
управления
и дешифратора
адреса показана
на рисунке 10.
Микросхема 1533ИД7- двоичный дешифратор на восем направлений использован для дешифрации адреса и выбора соответствующей микрасхемы памяти. На рисунке 11 токазано условно графеческое обознечение

Адаптер параллельного интерфейса построен на ИМС КР580ВВ55А, который обеспечивает стробированный и нестробированный ввод/вывод информации по параллельным каналам связи, сбор данных с внешних измерительных устройств и (или) управление исполнительными устройствами.
М
икросхема
КР580ВВ55А — программируемое
устройство
ввода/вывода
параллельной
информации,
применяется
в качестве
элемента
ввода/вывода
общего назначения,
сопрягающего
различные типы
периферийных
устройств
с магистралью
данных систем
обработки
информации.
Условное графическое
обозначение
микросхемы
приведено на
рис. 12. Назначение
выводов приведено
в таблице 2.
О
Характеристики ИМС:
Рпотр= 680 мВт:
tвыбор= 110 нс.
бмен информацией между магистралью данных систем и микросхемой КР560ВВ55А осуществляется через 8-разрядный двунаправленный трехстабильный канал данных (D). Для связи с периферийными устройствами используются 24 линии вводам/вывода, сгруппированные в три 8-разрядых канала ВА, ВВ, ВС, направление передачи информации, и режимы работы которых определяются программным способом.

Память программ хранится в постоянном запоминающем устройстве ПЗУ выполненом на ИМС К573РФ8 представляет собой многократное программируемое ПЗУ, выполненное по ЛИЗМОП технологии. Стирание записанной информации производится с помощью ультрафиолетового облучения. Емкость ИМС 573РФ8 составляет 32К*8 бит. Условное графическое обозначение микросхемы приведено на рис. 13.
Промежуточные
значения вычислений
хранятся в
оперативном
запоминающем
устройстве
(ОЗУ) построенном
на микросхеме
К537РУ17 8К*8 бит.
Обозначение
микросхемы
приведено на
рис. 14.
Микросхемы
этой серии
представляют
из себя ОЗУ
статического
типа т.е. каждый
элемент памяти
выполнен на
тригерах. Микросхема
выполнена на
МОП транзисторах.
В устройствах памяти на этих микросхемах для снижения потребляемой мощьности следует предусматреть возможнось автоматического переключения на источник с меньшим напряжением для хранения информации достаточно 2,2 вольта. Также может быть предусмотрен дополнительный источник питания для обеспечения автономной работы блока памяти при случайном отключении питания.
2.Разработка принципиальной схемы микроконтроллера
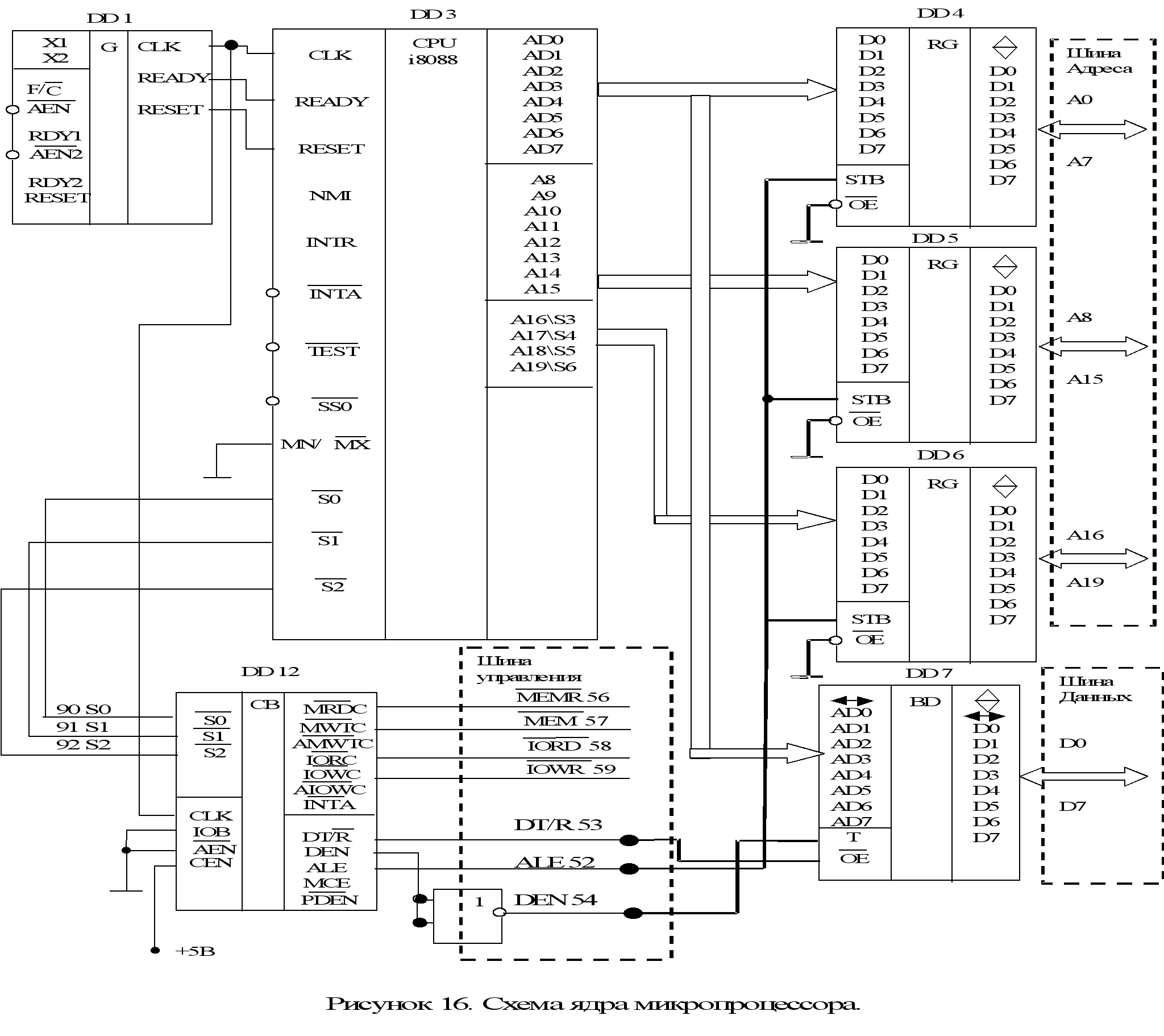
2.1 Разработка процессорного модуля
Микропроцессорное ядро (процессорный модуль, ПМ) самая важная часть микроконтроллера. Для построения процессорного ядра прежде всего решают задачу тактирования МП в 8088 это делают с помощью тактового генератора к1810ГФ4. Кроме этого необходимо произвести демультиплексирование магистрали адрес-данные и формирование шины управления в максимальном режиме с помощью контроллера системной шины.
На рисунке 15
показана схема
синхронизации
работы процессора
и сброса. Сигналы
синхронизации
формируются
из колебаний
оснавной частоты
кварцевого
резонатора
ZQ1, подключенного
ко входам Х1,Х2,
микросхемы,
через конденсатор
C1 емкостью
3…10 пф. Частота
работы процессора
5мгц

частота кварцевого резонатора = 3F*fраб МП (при использовании к1810ГФ4). Сигнал готовности формируется при наличии на входе хотябы одного из REY1 или 2. Ко входу RES подключена время задающая RC цепочка которая формирует длительность сигнала сброса R=510 кОм,C=1 мКф (минимальная продолжительность сигнала сброс 50мкс).
Максимальный режим работы предназначен для работы ЦП с несколькими МП или сопроцессором для этого на вход микропроцессора MN\MX подается значение логической (1). Организация буферизации шины показана на рисунке 16. Регистры DD 4, DD 5, DD 6, запоминают адрес установленный микропроцессором по приходу сигнала ALE (строб адреса), на вход «строб(STB)» каждого из регистров смотри рисунок 17 “Временные диаграммы работы процессора”. Адрес устанавливается в первом цикле Т1 (выделено см. рис) и сохраняется до канца цикла.

.
Буферный усилитель DD7 усиливает сигналы шины данных в двух направлениях это нужно для обеспечения нормальной работы процессора (из за нагрузочной способности входов МП). Буферный усилитель управляется стробом данных (DEN) МП (контроллер системной шины DD12 в максимальном режиме работы МП), который подается на вход OE микросхемы DD7 в каждом машинном цикле см.(рис 18) и сигналом определяющим направление передачи данных (DT\R) он подается на вход T.
Шина управления формируется с помощью микросхемы DD12. Блок управления работает по таблице истиности (минимальный режим таблица 3). И по таблице в максимальном с помошью контроллера системной шины
Таблица 3. Алгоритм работа схемы управления
| RD | WR | M\IO | MEMR | MEMWR | IO\R | IO\WR |
| 1 | 1 | 1 | 1 | 1 | 1 | 1 |
| 0 | 1 | 1 | 0 | 1 | 1 | 1 |
| 1 | 0 | 1 | 1 | 0 | 1 | 1 |
| 0 | 1 | 0 | 1 | 1 | 0 | 1 |
| 1 | 0 | 0 | 1 | 1 | 1 | 0 |
Таблица декодирования сигналов управления системного контроллера.
-
S1 S2 S3 Сигнал управления
Тип цикла шины
0 0 0 INTA Подтверждение прерывания 0 0 1 IORC Чтение ВУ 0 1 0 IOWC,AIOWC Запись ВУ 0 1 1 ------- Останов 1 0 0 MRDC Выборка команды 1 0 1 MRDC Чтение ЗУ 1 1 0 MWTC,AMWC Запись ЗУ 1 1 1 ------- Цикла шины нет
![]()
CLK
t
t
ALE
t
A15-A8
t
T1 T2 T3 T4
![]()
![]()
QS0,QS1
ST0-ST1
t
![]()
![]()
A16-A19
A16-A19
D0-D7
![]()
![]()

AD0-AD7
t
ST3-ST7
A0-A7
t
RD
DT\R
t
t
![]()
DEN
MRDC IORC
t
t
A16-A19
![]()
A16-A19
ST3-ST7
AD0-AD7
A0-A7
D0-D7
t
DEN
t
t
AMWC
AIOWC
MWTC
IOWTC
t
t
Рисунок 18. Диаграммы работы микропроцессора в циклах чтения и записи данных из памяти.
2.2 Организация памяти микроконтроллера
Память микрокантроллера организована в соответствии с техническим заданием. ПЗУ-64 кбайт ОЗУ-8 кбайт. На рисунке 19 приведена карта памяти микрокантроллера. Схема блока памяти приведена на рисунке 20.
ПЗУ1(32кб)
DD8
ПЗУ2(32кб)
DD9
ОЗУ (8К)
DD9
Не используется
0000h
7FFFh
FFFFh
12000h
FFFFFh
![]()
![]()
В блоке на микросхемах DD8 DD9 построено постоянное запоминающее устройство а на DD10 построено ОЗУ статического типа каждая микрохема подключена к дешифратору адреса на ПЗУ приходят сигналы чтения с шины управления. ОЗУ управляется с помощью 3 сигналов; дешифратор адреса ,чтение и запись шины управления.

2.3 Организация параллельного порта ввода/вывода

На рисунке 21 приведена схема паралельного порта ввода\вывода на микросхеме DD11. Сигналы чтения и записи подключаются к шине управления к выходам чтение из ВУ и запись в ВУ соответственно, сигнал сброса подключается к линии RESET формируемой микросхемой DD1, адресные входы подключаются соответственно к шине адреса А0,А1.
Разработка схемы дешифратора адреса памяти
Дешифратор адреса выполняет функции включателя и выключателя соответствующих данному адресу микросхем памяти блока памяти схема приведена на на рисунке 22. Дешифратор формирует 3 сигнала CS1,2,3 соответственно (ПЗУ ПЗУ ОЗУ) См.также карту памяти и таблицу двоичные и десятичные числам таблица 4.
Таблица 4
| HEX | BIN | |||||||||||||||||||
| 19 | 18 | 17 | 16 | 15 | 14 | 13 | 12 | 11 | 10 | 9 | 8 | 7 | 6 | 5 | 4 | 3 | 2 | 1 | 0 | |
| 7FFFh | 0 | 0 | 0 | 0 | 0 | 1 | 1 | 1 | 1 | 1 | 1 | 1 | 1 | 1 | 1 | 1 | 1 | 1 | 1 | 1 |
| FFFFh | 0 | 0 | 0 | 0 | 1 | 1 | 1 | 1 | 1 | 1 | 1 | 1 | 1 | 1 | 1 | 1 | 1 | 1 | 1 | 1 |
| 11FFFh | 0 | 0 | 0 | 1 | 0 | 0 | 0 | 1 | 1 | 1 | 1 | 1 | 1 | 1 | 1 | 1 | 1 | 1 | 1 | 1 |

Данные на буфере DD7
A15-A8
t
A16-A19
t
AD0-AD7
t
A16-A19
ST3-ST7
A0-A7
D0-D7
RD
t
t
t
t
Направление из шины данных в процессор
Рисунок 23. Диаграммы работы буферного усилителя DD7.
AD0-AD7
t
t
t
A16-A19
ST3-ST7
A0-A7
D0-D7
A16-A19
WR
t
t
t
Направление из процессора в шину данных
DT\R- (T DD7)
DEN-(OE DD7)
Данные на буфере DD7
DEN-(OE DD7)
RD ,DT\R- (T DD7)

Заключение
По полученному заданию было разработано устроуство закреплены знания работы с микропроцессорами и получен полезный опыт разработки подобных устройств.
Список литературы
1. Хвощ С.Т. и др. Микропроцессоры и микроЭВМ в системах автоматического управления: Справочник. - Л.: Машиностроение, 1987. - 640 с.
2. Щелкунов Н.Н. Микропроцессорные средства и системы - М.: Радио и связь. 1989 г.
3. Микропроцессорный комплект К1810: Структура, программирование, Применение. /Ю М. Казаринов и др. - М.: Высшая школа, 1990.
6. Петровский И.И. и др. Логические ИС К 1533, К 1554: Справочник / В двух частях. - М.: ТОО "БИНОМ", 1993.
7. Лебедев О.Н. Микросхемы памяти и их применение. - М.: Радио и связь, 1990. -303 с.

1
