| Скачать .docx |
Реферат: ЗНО физика 2008 2 сессия с ответами
ТЕСТ ІЗ ФІЗИКИ ЗОВНІШНЬОГО НЕЗАЛЕЖНОГО ОЦІНЮВАННЯ 2008 РОКУ
| № п/п |
Зміст завдання |
Правильна відповідь |
Посилання на підручники |
| 1. |
Установіть, який із графіків залежності прискорення тіла від часу, що рухається прямолінійно, відповідає рівноприскореному руху. |
|
Фізика, 9 кл.: Підручник для загальноосвіт. навч. закл. / Є.В.Коршак, О.І.Ляшенко, В.Ф.Савченко. – К.; Ірпінь: ВТФ «Перун», 2004. – С. 29-43. |
| 2. |
Під час ремонту будинку шматки штукатурки падають з третього поверху. Визначте, з якого поверху шматки штукатурки падають удвічі довше. Висота, з якої падають шматки, визначається кількістю нижніх поверхів, під тим, з якого вони впали. Опором повітря знехтуйте. |
З дев’ятого |
Фізика, 9 кл.: Підручник для загальноосвіт. навч. закл. / Є.В.Коршак, О.І.Ляшенко, В.Ф.Савченко. – К.; Ірпінь: ВТФ «Перун», 2004. – С. 43-48. |
| 3. |
Визначте масу бруска, що висить на нитці. Вважайте, що g =10 м/с2 .
|
90 г |
Фізика, 7 кл.: Підручник для серед. загальноосвіт. шк. / Є.В.Коршак, О.І.Ляшенко, В.Ф.Савченко. – Київ; Ірпінь: ВТФ «Перун», 2000. – С. 8688. |
| 4. |
Визначте, як зміниться гравітаційна сила взаємодії двох тіл однакової маси, якщо половину маси першого тіла перенести на друге. |
Зменшиться на 25% |
Фізика, 9 кл.: Підручник для загальноосвіт. навч. закл. / Є.В.Коршак, О.І.Ляшенко, В.Ф.Савченко. – К.; Ірпінь: ВТФ «Перун», 2004. – С. 79-82. |
| 5. |
На коротке плече важеля довжиною 16 см діє сила 100 Н. Щоб підняти вантаж, до довгого плеча довжиною 80 см було прикладено силу 25 Н. Визначте ККД важеля. |
80 % |
Фізика, 7 кл.: Підручник для серед. загальноосвіт. шк. / Є.В.Коршак, О.І.Ляшенко, В.Ф.Савченко. – Київ; Ірпінь: ВТФ «Перун», 2000. – С. 142-145. |
| 6. |
Тепловою рівновагою називають такий стан системи, при якому: |
усі параметри системи за відсутності зовнішніх впливів залишаються незмінними |
Фізика, 10 кл.: Підручник для загальноосвіт. навч. закл. / Є.В.Коршак, О.І.Ляшенко, В.Ф.Савченко. – К.; Ірпінь: ВТФ «Перун», 2002. – С. 12-14. |
| 7. |
На рисунку в системі координат V, T зображено замкнутий цикл 1231 , здійснений газом сталої маси. Визначте, який вигляд має графік цього циклу в системі координат р , V . |
|
Фізика, 10 кл.: Підручник для загальноосвіт. навч. закл. / Є.В.Коршак, О.І.Ляшенко, В.Ф.Савченко. – К.; Ірпінь: ВТФ «Перун», 2002. – С. 15-20, 27-28. |
| 8. |
Визначте, яку швидкість повинна мати свинцева куля, щоб унаслідок удару в сталеву плиту куля нагрілась до температури плавлення. Температура кулі до удару дорівнює 127 ºС, температура плавлення свинцю дорівнює 327 ºС. Питома теплоємність свинцю дорівнює 121 Дж/(кг·К). Вважайте, що вся кінетична енергія витрачається на нагрівання кулі. |
220 м/с |
Фізика, 8 кл.: Підручник для загальноосвіт. навч. закл. / Є.В.Коршак, О.І.Ляшенко, В.Ф.Савченко. – 2-ге вид., перероб. Та доп. – К.; Ірпінь: ВТФ «Перун», 2005. – С. 23-28. |
| 9. |
На рисунку зображено робочий цикл теплового двигуна. Визначте корисну роботу, яку здійснює двигун за один цикл.
|
20 Дж |
Фізика, 10 кл.: Підручник для загальноосвіт. навч. закл. / Є.В.Коршак, О.І.Ляшенко, В.Ф.Савченко. – К.; Ірпінь: ВТФ «Перун», 2002. – С. 45-47. |
| 10. |
У електронагрівачі, через який тече постійний струм, за певний час виділяється кількість теплоти, що дорівнює Q . Визначте кількість теплоти, що виділиться за вдвічі більший час у електронагрівачі з удвічі більшим опором за умови, що величина струму залишається тією самою, що і в першому випадку. |
4Q |
Фізика, 8 кл.: Підручник для загальноосвіт. навч. закл. / Є.В.Коршак, О.І.Ляшенко, В.Ф.Савченко. – 2-ге вид., перероб. Та доп. – К.; Ірпінь: ВТФ «Перун», 2005. – С. 125-126. |
| 11. |
При електролізі ZnSO4 виділилося 68 г цинку. Визначте затрачену при цьому енергію, якщо напруга на затискачах електролітичної ванни становить 10 В. Електрохімічний еквівалент цинку дорівнює 34·10– 8 кг/Кл. |
2 МДж |
Фізика, 10 кл.: Підручник для загальноосвіт. навч. закл. / Є.В.Коршак, О.І.Ляшенко, В.Ф.Савченко. – К.; Ірпінь: ВТФ «Перун», 2002. – С. 253-258. |
| 12. |
Магнітний потік усередині контуру з площею поперечного перерізу 10 см2 становить 0,2 мВб. Визначте перпендикулярну складову індукції магнітного поля всередині контуру. Поле вважайте однорідним. |
0,2 Тл |
Фізика, 11 кл.: Підручник для загальноосвіт. навч. закл. / Є.В.Коршак, О.І.Ляшенко, В.Ф.Савченко. – К.; Ірпінь: ВТФ «Перун», 2004. – С. 15-18. |
| 13. |
У магнітне поле зі сталою магнітною індукцією влітає електрон. Визначте, яка сила діє на електрон. |
Сила Лоренца |
Фізика, 10 кл.: Підручник для загальноосвіт. навч. закл. / Є.В.Коршак, О.І.Ляшенко, В.Ф.Савченко. – К.; Ірпінь: ВТФ «Перун», 2002. – С. 224-228. |
| 14. |
Установіть, взаємодію чого спостерігав Ерстед у своєму фундаментальному досліді. |
Взаємодію магнітної стрілки з магнітним полем провідника, по якому тече струм. |
Фізика, 10 кл.: Підручник для загальноосвіт. навч. закл. / Є.В.Коршак, О.І.Ляшенко, В.Ф.Савченко. – К.; Ірпінь: ВТФ «Перун», 2002. – С. 207209. |
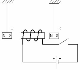
| 15. |
Поряд з котушкою, намотаною алюмінієвим дротом на немагнітному каркасі, підвішені на нитках два магніти (1 і 2). Визначте, що відбуватиметься з магнітами після замикання вимикача в електричному колі.
|
Обидва магніти притягнуться до котушки. |
Фізика, 8 кл.: Підручник для загальноосвіт. навч. закл. / Є.В.Коршак, О.І.Ляшенко, В.Ф.Савченко. – 2-ге вид., перероб. Та доп. – К.; Ірпінь: ВТФ «Перун», 2005. – С. 136-139. |
| 16. |
Провідник, кожен метр якого має масу 10 г, завис в однорідному магнітному полі перпендикулярно до його силових ліній. Визначте індукцію магнітного поля, коли сила струму в провіднику дорівнює 10 А. Вважайте, що g =10 м/с2 . |
0,01 Тл |
Фізика, 10 кл.: Підручник для загальноосвіт. навч. закл. / Є.В.Коршак, О.І.Ляшенко, В.Ф.Савченко. – К.; Ірпінь: ВТФ «Перун», 2002. – С. 219-222. |
| 17. |
Плавучий буй за 45 с піднявся на гребенях хвиль 15 разів. Визначте швидкість хвиль, якщо відстань між їхніми гребенями дорівнює 3 м. |
1 м/с |
Фізика, 9 кл.: Підручник для загальноосвіт. навч. закл. / Є.В.Коршак, О.І.Ляшенко, В.Ф.Савченко. – К.; Ірпінь: ВТФ «Перун», 2004. – С. 210-213. |
| 18. |
Частота вільних електромагнітних коливань у контурі дорівнює 20 кГц. Визначте частоту, якщо конденсатор ємністю 0,2 мкФ замінити конденсатором ємністю 5 мкФ. |
4 кГц |
Фізика, 11 кл.: Підручник для загальноосвіт. навч. закл. / Є.В.Коршак, О.І.Ляшенко, В.Ф.Савченко. – К.; Ірпінь: ВТФ «Перун», 2004. – С. 81-89. |
| 19. |
Електромагнітна хвиля поширюється у просторі. Виберіть правильне твердження. |
Електромагнітна хвиля є поперечною хвилею. |
Фізика, 11 кл.: Підручник для загальноосвіт. навч. закл. / Є.В.Коршак, О.І.Ляшенко, В.Ф.Савченко. – К.; Ірпінь: ВТФ «Перун», 2004. – С. 121124. |
| 20. |
Відомо, що трансформатор під навантаженням гуде. Причиною виникнення звуку є: |
коливання пластинок осердя при перемагнічуванні |
Фізика, 11 кл.: Підручник для загальноосвіт. навч. закл. / Є.В.Коршак, О.І.Ляшенко, В.Ф.Савченко. – К.; Ірпінь: ВТФ «Перун», 2004. – С. 110-112. |
| 21. |
Взаємне посилення чи послаблення двох когерентних світлових хвиль називається: |
інтерференцією світла |
Фізика, 11 кл.: Підручник для загальноосвіт. навч. закл. / Є.В.Коршак, О.І.Ляшенко, В.Ф.Савченко. – К.; Ірпінь: ВТФ «Перун», 2004. – С. 164-167. |
| 22. |
Максимальна відстань виявлення об’єкта локатором становить 150 км. Визначте частоту випромінювання високочастотних імпульсів цим радіолокатором. Максимальна відстань виявлення не залежить від потужності радіолокатора. Швидкість світла дорівнює 3·108 м/с. |
1000 імпульсів за секунду |
Фізика, 11 кл.: Підручник для загальноосвіт. навч. закл. / Є.В.Коршак, О.І.Ляшенко, В.Ф.Савченко. – К.; Ірпінь: ВТФ «Перун», 2004. – С. 143-146. |
| 23. |
Світловий промінь переходить із середовища 1 в середовище 2 (див. рисунок). Виберіть правильне твердження. |
Швидкість світла в середовищі 1 менша, ніж у середовищі 2. |
Фізика, 8 кл.: Підручник для загальноосвіт. навч. закл. / Є.В.Коршак, О.І.Ляшенко, В.Ф.Савченко. – 2-ге вид., перероб. Та доп. – К.; Ірпінь: ВТФ «Перун», 2005. – С.162-165. Фізика, 11 кл.: Підручник для загальноосвіт. навч. закл. / Є.В.Коршак, О.І.Ляшенко, В.Ф.Савченко. – К.; Ірпінь: ВТФ «Перун», 2004. – С. 147-154. |
| 24. |
Ядро 59 26 Fe випроменило нейтрон. Укажіть число нуклонів у новому ядрі. |
58 |
Фізика, 11 кл.: Підручник для загальноосвіт. навч. закл. / Є.В.Коршак, О.І.Ляшенко, В.Ф.Савченко. – К.; Ірпінь: ВТФ «Перун», 2004. – С. 254-257. |
| 25. |
Ізотоп якого елемента утворюється при електронному β -розпаді 239 Np. 93 |
239 Pu 94 |
Фізика, 11 кл.: Підручник для загальноосвіт. навч. закл. / Є.В.Коршак, О.І.Ляшенко, В.Ф.Савченко. – К.; Ірпінь: ВТФ «Перун», 2004. – С. 260-263. |
| 26. |
Установіть відповідність між фізичним законом та формулою, що його описує: |
Закон збереження імпульсу ρ ρ ρ ρ m 1 1υ+m 2 2υ =mu mu 1 1 + 2 2 ; другий закон динаміки ρ ρ F Ньютона a
= m третій закон динаміки ρ ρ Ньютона F 12 =−F 21 ; закон всесвітнього тяжіння m m 1 2 F
= G
r |
Фізика, 9 кл.: Підручник для загальноосвіт. навч. закл. / Є.В.Коршак, О.І.Ляшенко, В.Ф.Савченко. – К.; Ірпінь: ВТФ «Перун», 2004. – С. 74-82, 141-144. |
| 27. |
Установіть відповідність між назвами приладів для реєстрації радіоактивного випромінювання та фізичними процесами, на яких ґрунтується робота цих приладів: |
Лічильник Гейгера-Мюллера - газовий розряд, що виник унаслідок іонізації молекул газу; бульбашкова камера - іонізація молекул рідини; камера Вільсона - утворення центрів конденсації пари за рахунок іонізації молекул газу; фотоемульсійний лічильник - іонізація молекул фотоемульсії. |
Фізика, 11 кл.: Підручник для загальноосвіт. навч. закл. / Є.В.Коршак, О.І.Ляшенко, В.Ф.Савченко. – К.; Ірпінь: ВТФ «Перун», 2004. – С.264-268. Гончаренко С.У. Фізика: Підручник для 11 кл. серед. загальноосвіт. шк – К.: Освіта, 2002. – С. 227-229. |
| 28. |
Установіть відповідність між назвами одиниць фізичних величин і фізичними величинами, для вимірювання яких вони використовуються: |
Електроємність – фарад; магнітна індукція – тесла; електричний заряд - кулон; сила струму – ампер. |
Фізика, 8 кл.: Підручник для загальноосвіт. навч. закл. / Є.В.Коршак, О.І.Ляшенко, В.Ф.Савченко. – 2-ге вид., перероб. Та доп. – К.; Ірпінь: ВТФ «Перун», 2005. – С. 94-98. Фізика, 10 кл.: Підручник для загальноосвіт. навч. закл. / Є.В.Коршак, О.І.Ляшенко, В.Ф.Савченко. – К.; Ірпінь: ВТФ «Перун», 2002. – С. 148-151, 209216. |
| 29. |
Рух тіла описується рівнянням x = – 5 + 2t + 9t 2 , де всі величини виражені в одиницях СІ. Визначте (у м/с2 ) прискорення, з яким рухається тіло. |
18 м/с2 |
Фізика, 9 кл.: Підручник для загальноосвіт. навч. закл. / Є.В.Коршак, О.І.Ляшенко, В.Ф.Савченко. – К.; Ірпінь: ВТФ «Перун», 2004. – С. 29-32. |
| 30. |
Два хлопці розтягують гумовий джгут у протилежні боки, прикріпивши до його кінців динамометри. Визначте (у ньютонах) силу пружності, що виникає в джгуті, коли обидва динамометри показують 10 Н. |
10 Н |
Фізика, 9 кл.: Підручник для загальноосвіт. навч. закл. / Є.В.Коршак, О.І.Ляшенко, В.Ф.Савченко. – К.; Ірпінь: ВТФ «Перун», 2004. – С. 83-86. |
| 31. |
Температура в нагрівачі теплового двигуна дорівнює 227 °С, температура холодильника дорівнює 27 °С. Визначте (у відсотках) максимально можливе значення ККД теплового двигуна. |
40 % |
Фізика, 10 кл.: Підручник для загальноосвіт. навч. закл. / Є.В.Коршак, О.І.Ляшенко, В.Ф.Савченко. – К.; Ірпінь: ВТФ «Перун», 2002. – С. 54-58. |
| 32. |
У капілярі, зануреному одним кінцем у воду, вода піднімається на висоту 10 мм. Визначте (в міліметрах), якої максимальної довжини (висоти) стовпчик води може втримати вертикальний капіляр з двома відкритими в повітрі кінцями. |
20 мм |
Фізика, 10 кл.: Підручник для загальноосвіт. навч. закл. / Є.В.Коршак, О.І.Ляшенко, В.Ф.Савченко. – К.; Ірпінь: ВТФ «Перун», 2002. – С. 72-75. |
| 33. |
Два конденсатори з’єднані послідовно. На одному з них написано “1 мкФ, 6 В”, на другому написано “2 мкФ, 6 В”. Визначте (у вольтах), яку максимально допустиму напругу можна прикласти до цієї ділянки кола. |
9 В |
Фізика, 10 кл.: Підручник для загальноосвіт. навч. закл. / Є.В.Коршак, О.І.Ляшенко, В.Ф.Савченко. – К.; Ірпінь: ВТФ «Перун», 2002. – С. 159-162. |
| 34. |
Період вертикальних коливань тягаря на пружині дорівнює 3,6 с. Визначте (у секундах), яким буде період коливань, якщо масу тягаря збільшити у 8 разів, а жорсткість пружини збільшити в 2 рази. |
7,2 с |
Фізика, 11 кл.: Підручник для загальноосвіт. навч. закл. / Є.В.Коршак, О.І.Ляшенко, В.Ф.Савченко. – К.; Ірпінь: ВТФ «Перун», 2004. – С. 53-55. |
| 35. |
Укажіть період піврозпаду радіоактивного елементу (у добах), якщо кількість його атомів зменшилась у 8 разів за 15 діб. |
5 діб |
Фізика, 11 кл.: Підручник для загальноосвіт. навч. закл. / Є.В.Коршак, О.І.Ляшенко, В.Ф.Савченко. – К.; Ірпінь: ВТФ «Перун», 2004. – С. 260-263. |

0 Т


