| Скачать .docx |
Курсовая работа: Высокопроизводительная, экономичная и безопасная работа технологических агрегатов металлургической промышленности
Министерство общего и профессионального образования Российской Федерации
Новокузнецкий филиал – Институт Кемеровского Государственного Университета
Кафедра технической кибернетики
Факультет информационных технологий
Курсовая работа
По курсу "Метрология и измерения"
Выполнил:
студент III курса ФИТ
группы ИАС 98-1
Батенев А. А.
|
Оглавление
Введение 3
Понятие о температуре и о температурных шкалах 4
Устройства для измерения температур 5
1. Методы и технические средства измерения температуры 7
1.1 Термометры расширения и термометры манометрические 7
Жидкостные стеклянные термометры 7
Манометрические термометры 9
1.2. Термоэлектрические термометры 11
Устройство термоэлектрических термометров 12
Стандартные и нестандартные термоэлектрические термометры 13
Поверка технических ТТ 14
1.3. Электрические термометры сопротивления 15
Типы и конструкции ТС 16
Мостовые схемы измерения сопротивления термометров 17
Уравновешенный мост 17
Неуравновешенный мост 18
Автоматические уравновешенные мосты 18
1.4. Измерение термо-ЭДС компенсационным путем 20
1.5. Автоматические потенциометры 20
1.6. Бесконтактное измерение температуры 22
Основные понятия и законы излучения 22
Пирометры частичного излучения 23
Оптические пирометры 23
Фотоэлектрические пирометры 24
Пирометры спектрального отношения 26
Пирометры суммарного излучения 27
2. Расчетное задание 31
2.1. Расчет измерительной схемы автоматического уравновешенного моста 31
2.2. Расчет сопротивлений измерительной схемы автоматического потенциометра 32
Вывод 35
Список литературы 36
Введение
Высокопроизводительная, экономичная и безопасная работа технологических агрегатов металлургической промышленности требует применения современных методов и средств измерения величин, характеризующих ход производственного процесса и состояние оборудования. Автоматический контроль является логически первой ступенью автоматизации, без успешного функционирования которых невозможно создание эффективных АСУ ТП.
В истории развития мировой техники можно выделить три основных направления: создание машин-двигателей (водяных, ветряных, паровых, внутреннего сгорания, электрических), которые освободили человека от тяжелого физического труда; создание машин-орудий, т.е. станков и технологического оборудования различного назначения; создание устройств для контроля и управления машинами-двигателями, машинами-орудиями и технологическими процессами.
В современной техники для решения задач автоматического контроля все шире применяют полупроводники, лазеры, радиоактивные материалы, ЭВМ. Металлургическая промышленность является одной из основных отраслей народного хозяйства, в ней занято большое количество трудящихся, обслуживающих мощные и сложные агрегаты. При высоких производительностях даже самые небольшие ошибки управления агрегатом приводят к большим абсолютным потерям металла, топлива, электроэнергии. По этому возрастает роль автоматического контроля и управления производственными процессами. Все основные металлургические агрегаты (доменные и мартеновские печи, прокатные станы) оснащены различными системами автоматического контроля и управления и в значительной степени механизированы.
Основными параметрами (величинами), которые необходимо контролировать при работе металлургических агрегатов, является температура различных сред; расход, давление, состав газов и жидкостей; состав металлов; геометрические размеры проката. Автоматическими приборами измеряется температура: в рабочих пространствах металлургических печей, выплавляемого и нагреваемого металла, элементов огнеупорной кладки, конструкции регенераторов и рекуператоров, а так же продуктов сгорания топлива.
Понятие о температуре и о температурных шкалах
Температурой называют величину, характеризующую тепловое состояние тела. Согласно кинетической теории температуру определяют как меру кинетической энергии поступательного движения молекул. Отсюда температурой называют условную статистическую величину, прямо пропорциональную средней кинетической энергии молекул тела.
Все предлагаемы температурные шкалы строились (за редким исключением) одинаковым путем: двум (по меньшей мере) постоянным точкам присваивались определенные числовые значения и предполагалось, что видимое термометрическое свойство используемого в термометре вещества линейно связанно с температурой t:
,
где k – коэффициент пропорциональности; E – термометрическое свойство; D – постоянная.
Принимая для двух постоянных точек определенные значения температур, можно вычислить постоянные k, D и на этой основе построить температурную шкалу. При изменении температуры коэффициент k меняется, при чем различно для разных термометрических веществ. Поэтому термометры, построенные на базе различных термометрических веществ с равномерной градусной шкалой, давали при температурах, отличающихся от температур постоянных точек, различные показания. Последние становились особенно заметными при высоких (много больших температуры кипения воды) и очень низких температурах.
Термодинамическая шкала тождественна шкале идеального газа, построенной на зависимости давления идеального газа от температуры. Законы изменения давления от температуры для реальных газов отклоняются от идеальных, но поправки на отклонения реальных газов невелики и могут быть установлены с высокой степенью точности. Поэтому, наблюдая за расширением реальных газов и вводя поправки, можно оценить температуру по термодинамической шкале.
В начале XX века широко применялись шкалы Цельсия и Реомюра, а в научных работах – также шкалы Кельвина и водородная. Пересчеты с одной шкалы на другую создавали большие трудности и приводили к ряду недоразумений. Поэтому в 1933 году было принято решение о введении Международной температурной шкалы (МТШ).
Опыт применения МТШ показал необходимость внесения в нее ряда уточнений и дополнений, чтобы по возможности максимально приблизить ее к термодинамической шкале. Поэтому МТШ была пересмотрена и приведена в соответствие с состоянием знаний того времени. В 1960 году было утверждено новое "Положение о международной практической температурной шкале 1948 года. Редакция 1960 г.".
Устройства для измерения температур
Температуру измеряют с помощью устройств, использующих различные термометрические свойства жидкостей, газов и твердых тел. Существуют десятки различных устройств применяемых в промышленности, при научных исследованиях, для специальных целей.
В таблице 1 приведены наиболее распространенные устройства для измерения температуры и практические пределы их применения.
Таблица 1
| Термометрическое свойство | Наименование устройства | Пределы длительного применения, 0 С | |
| Нижний | Верхний | ||
| Тепловое расширение | Жидкостные стеклянные термометры | -190 | 600 |
| Изменение давления | Манометрические термометры | -160 | 60 |
| Изменение электрического сопротивления | Электрические термометры сопротивления. | -200 | 500 |
| Полупроводниковые термометры сопротивления | -90 | 180 | |
| Термоэлектрические эффекты | Термоэлектрические термометры (термопары) стандартизованные. | -50 | 1600 |
| Термоэлектрические термометры (термопары) специальные | 1300 | 2500 | |
| Тепловое излучение | Оптические пирометры. | 700 | 6000 |
| Радиационные пирометры. | 20 | 3000 | |
| Фотоэлектрические пирометры. | 600 | 4000 | |
| Цветовые пирометры | 1400 | 2800 | |
1. Методы и технические средства
измерения температуры
1.1 Термометры расширения и термометры манометрические
Жидкостные стеклянные термометры
Самые старые устройства для измерения температуры – жидкостные стеклянные термометры – используют термометрическое свойство теплового расширения тел. Действие термометров основано на различии коэффициентов теплового расширения термометрического вещества и оболочки, в которой она находится (термометрического стекла или реже кварца).
Жидкостный термометр состоит из стеклянных баллона 1, капиллярной трубки 3 и запасного резервуара 4 (рис. 1).Термометрическое вещество 2 заполняет баллон и частично капиллярную трубку. Свободное пространство в капиллярной трубке и в запасном резервуаре заполняется инертным газом или может находиться под вакуумом. Запасной резервуар или выступающая за верхним делением шкалы часть капиллярной трубки служит для предохранения термометра о порчи при чрезмерном перегреве.
В качестве термометрического вещества чаще всего применяют химически чистую ртуть. Она не смачивает стекла и остается жидкой в широком интервале температур. Кроме ртути в качестве термометрического вещества в стеклянных термометрах применяются и другие жидкости, преимущественно органического происхождения. Например: метиловый и этиловый спирт, керосин, пентан, толуол, галлий, амальгама таллия.
Основные достоинства стеклянных жидкостных термометров – простота употребления и достаточно высокая точность измерения даже для термометров серийного изготовления. К недостаткам стеклянных термометров можно отнести: плохую видимость шкалы (если не применять специальной увеличительной оптики) и невозможность автоматической записи показаний, передачи показаний на расстояние и ремонта.
Стеклянные жидкостные термометры имеют весьма широкое применение и выпускаются следующих основных разновидностей:
технические ртутные, с вложенной шкалой, с погружаемой в измеряемую среду нижней частью, прямые и угловые;
лабораторные ртутные, палочные или с вложенной шкалой, погружаемые в измеряемую среду до отсчитываемой температурной отметки, прямые, небольшого наружного диаметра;
жидкостные термометры (не ртутные);
повышенной точности и образцовые ртутные термометры;
электроконтактные ртутные термометры с вложенной шкалой, с впаянными в капиллярную трубку контактами для разрывания (или замыкания) столбиком ртути электрической цепи;
специальные термометры, в том числе максимальные (медицинские и другие), минимальные, метеорологические и другого назначения.
У лабораторных и других термометров, градуируемых и предназначенных для измерения при погружении в измеряемую среду до отсчитываемого деления, могут возникать систематические погрешности за счет выступающего столбика термометра. Если капиллярная трубка будет погружена в измеряемую среду не полностью, то температура выступающей части капиллярной трубки будет отличаться от температуры измеряемой среды, в результате возникнет погрешность измерения. Поправку в градусах на выступающий столбик в показания термометра можно внести по уравнению:
(1)
где
- коэффициент видимого объемного теплового расширения термометрической жидкости в стекле
, t – действительная температура измеряемой среды 0
C, tв.с.
– температура выступающего столбика, измеренная с помощью вспомогательного термометра 0
С, n – число градусов в выступающем столбике.
У термометров, предназначенных для работы с неполным погружением, может возникнуть аналогичная систематическая погрешность, если температура окружающей среды, а следовательно, и выступающего столбика будут отличаться от его температуры при градуировке. Поправка
, в этом случае
(2)
где
- температура выступающего столбика при градуировке 0
C (в первом приближении допустимо считать
),
- средняя температура выступающего столбика 0
С.
Поправки по (1) и (2) могут иметь большие значения у термометров с органическими термометрическими жидкостями, для которых коэффициент
примерно на порядок выше, чем у ртутных термометров.
Действие манометрических термометров основано на использовании зависимости давления вещества при постоянном объеме от температуры. Замкнутая измерительная система манометрического термометра состоит из (рис. 2)из чувствительного элемента, воспринимающего температуру измеряемой среды, - металлического термобаллона 1, рабочего элемента манометра 2, измеряющего давление в системе, длинного соединительного металлического капилляра 3. При изменении температуры измеряемой среды давление в системе изменяется, в результате чего чувствительный элемент перемещает стрелку или перо по шкале манометра, отградуированного в градусах температуры. Манометрические термометры часто используют в системах автоматического регулирования температуры, как бесшкальные устройства информации (датчики).
Манометрические термометры подразделяют на три основных разновидности:
жидкостные, в которых вся измерительная система (термобаллон, манометр и соединительный капилляр) заполнены жидкостью;
конденсационные, в которых термобаллон заполнен частично жидкостью с низкой температурой кипения и частично – ее насыщенными парами, а соединительный капилляр и манометр – насыщенными парами жидкости или, чаще, специальной передаточной жидкостью;
газовые, в которых вся измерительная система заполнена инертным газом.
Достоинствами манометрических термометров являются сравнительная простота конструкции и применения, возможность дистанционного измерения температуры и возможность автоматической записи показаний. К недостаткам манометрических термометров относятся: относительно невысокая точность измерения (класс точности 1.6; 2.5; 4.0 и реже 1.0); небольшое расстояние дистанционной передачи показаний (не более 60 метров) и трудность ремонта при разгерметизации измерительной системы.
Манометрические термометры не имеют большого применения на тепловых электрических станциях. В промышленной теплоэнергетике они встречаются чаще, особенно в случаях, когда по условиям взрыво – или пожаробезопасности нельзя использовать электрические методы дистанционного измерения температуры.
Поверка показаний манометрических термометров производится теми же методами и средствами, что и стеклянных жидкостных.
1.2. Термоэлектрические термометры
Для измерения температуры в металлургии наиболее широкое распространение получили термоэлектрические термометры, работающие в интервале температур от -200 до +2500 0 C и выше. Данный тип устройств характеризует высокая точность и надежность, возможность использования в системах автоматического контроля и регулирования параметра, в значительной мере определяющего ход технологического процесса в металлургических агрегатах.
Сущность термоэлектрического метода заключается в возникновении ЭДС в проводнике, концы которого имеют различную температуру. Для того, чтобы измерить возникшую ЭДС, ее сравнивают с ЭДС другого проводника, образующего с первым термоэлектрическую пару AB (рис. 3), в цепи которой потечет ток.
Результирующая термо-ЭДС цепи, состоящей из двух разных проводников A и B (однородных по длине), равна
![]()
или
(1)
где
и
- разности потенциалов проводников A и B соответственно при температурах t2
и t1
, мВ.
Термо-ЭДС данной пары зависит только от температуры t1 и t2 и не зависит от размеров термоэлектродов (длины, диаметра), величин теплопроводности и удельного электросопротивления.
Для увеличения чувствительности термоэлектрического метода измерения температуры в ряде случаев применяют термобатарею: несколько последовательно включенных термопар, рабочие концы которых находятся при температуре t2 , свободные при известной и постоянной температуре t1 .
Устройство термоэлектрических термометров
Термоэлектрический термометр (ТТ) – это измерительный преобразователь, чувствительный элемент которого (термопара) расположен в специальной защитной арматуре, обеспечивающий защиту термоэлектродов от механических повреждений и воздействия измеряемой среды. На (рис. 4)показана конструкция технического ТТ. Арматура включает защитный чехол 1, гладкий или с неподвижным штуцером 2, и головку 3, внутри которой расположено контактное устройство 4 с зажимами для соединения термоэлектродов 5 с проводами, идущими от измерительного прибора к термометру. Термоэлектроды по всей длине изолированы друг от друга и от защитной арматуры керамическими трубками (бусами) 6.
Защитные чехлы выполняются из газонепроницаемых материалов, выдерживающих высокие температуры и агрессивное воздействие среды. При температурах до 10000 С применяют металлические чехлы из углеродистой или нержавеющей стали, при более высоких температурах – керамические: фарфоровые, карбофраксовые, алундовые, из диборида циркония и т. п.
В качестве термоэлектродов используется проволока диаметром 0.5 мм (благородные металлы) и до 3 мм (неблагородные металлы). Спай на рабочем конце 7 термопары образуется сваркой, пайкой или скручиванием. Последний способ используется для вольфрам-рениевых и вольфрам-молибденовых термопар.
Термоэлектрические термометры выпускаются двух типов: погружаемые, поверхностные. Промышленность изготавливает устройства различных модификаций, отличающихся по назначению и условиям эксплуатации, по материалу защитного чехла, по способу установки термометра в точке измерения, по герметичности и защищенности от действия измеряемой среды, по устойчивости к механическим воздействиям, по степени тепловой инерционности и т. п.
Стандартные и нестандартные термоэлектрические термометры
Для измерения в металлургии наиболее широко применяются ТТ со стандартной градуировкой: платинородий-платиновые (ТПП), платинородий-платинородиевые (ТПР), хромель-алюмелевые (ТХА), хромель-капелевые (ТХК), вольфрамрений-вольфрамрениевые (ТВР). В ряде случаев используют также ТТ с нестандартной градуировкой: медь-константановые, вольфрам-молибденовые (ТВР) и др. На (рис. 5) приведены градуировочные кривые ряда термопар.
В условиях длительной эксплуатации при высоких температурах и агрессивном воздействии сред появляется нестабильность градуировочной характеристики, которая является следствием ряда причин: загрязнения материалов термоэлектродов примесями из защитных чехлов, керамических изоляторов и атмосферы печи; испарения одного из компонентов сплава; взаимной диффузии через спай. Величина отклонения может быть значительной и резко увеличивается с ростом температуры и длительностью эксплуатации. Указанные обстоятельства необходимо учитывать при оценке точности измерения температуры в производственных условиях.
Поверка ТТ сводится к определению температурной зависимости термо-ЭДС и сравнению полученной градуировки со стандартными значениями.
Градуировка производится двумя методами: по постоянным точкам или сличениям.
Градуировка по постоянным (реперным) точкам является наиболее точной и применяется для образцовых термопар. Поверяемую термопару помещают в тигель с металлом высокой чистоты, установленной в печи, и регистрируют площадку на кривой изменения термо-ЭДС по мере повышения или понижения температуры металла. Данная площадка соответствует температуре плавления или кристаллизации металла, причем более предпочтительно вести градуировку по точке кристаллизации. В качестве реперных металлов используют золото, палладий, платину и др.

Методом сличения проводится градуировка образцовых термопар второго разряда и технических ТТ. Он заключается в непосредственном измерении термо-ЭДС градуируемой термопары при постоянной температуре свободных концов t0
=0 0
C и различных температурах t2
рабочего спая, причем последняя определяется с помощью образцового термометра (термопары, пирометра излучения). На (рис. 6)приведена схема установки для градуировки ТТ методом сличения с образцовой термопарой. Металлический блок служит для обеспечения равенства температур рабочих спаев образцовой и поверяемой термопар. Измерения термо-ЭДС производят с помощью переносного потенциометра с точностью измерения (отсчета) не хуже 0.1 мВ. Отсчет проводится после 10 минут выдержки при данной температуре.
1.3. Электрические термометры сопротивления
В металлургической практике для измерения температур до 6500 С применяются термометры сопротивления (ТС), принцип действия которых основан на использовании зависимости электрического сопротивления вещества от температуры. Зная данную зависимость, по изменению величины сопротивления термометра судят о температуре среды, в которую он погружен. Выходным параметром устройства является электрическая величина, которая может быть измерена с весьма высокой точностью (до 0.020 С), передана на большие расстояния и непосредственно использована в системах автоматического контроля и регулирования.
В качестве материалов для изготовления чувствительных элементов ТС используются чистые металлы: платина, медь, никель, железо и полупроводники.
Изменение электросопротивления данного материала при изменении температуры характеризуется температурным коэффициентом сопротивления
, который вычисляется по формуле
, (1)
где t – температура материала, 0 С;
R0 и Rt – электросопротивление соответственно при 0 0 С и температуре t, Ом.
Сопротивление полупроводников с увеличением температуры резко уменьшается, т. е. они имеют отрицательный температурный коэффициент сопротивления практически на порядок больше, чем у металлов. Полупроводниковые термометры сопротивления (ТСПП) в основном применяются для измерения низких температур (1.5 ¸ 400 К).
Достоинствами ТСПП являются небольшие габариты, малая инерционность, высокий коэффициент
. Однако они имеют и существенные недостатки:
нелинейный характер зависимости сопротивления от температуры;
отсутствие воспроизводимости состава и градуировочной характеристики, что исключает взаимозаменяемость отдельных ТС данного типа. Это приводит к выпуску ТСПП с индивидуальной градуировкой.
Для решения различных задач ТС делятся на эталонные, образцовые и рабочие, которые в свою очередь подразделяются на лабораторные и технические.
Эталонные ТС предназначены для воспроизведения и передачи шкалы МПТШ в интервале 13.81 ¸ 903.89 К.
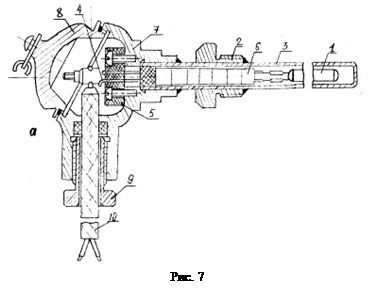
Технические ТС в зависимости от назначения и конструкции делятся на: погружаемые, поверхностные и комнатные; защищенные и не защищенные от действия агрессивной среды; стационарные и переносные; термометры 1-го, 2-го и 3-го классов точности и т. д. На (рис. 7) представлены конструкции промышленных ТС с неподвижным (а) и подвижным (б) штуцерами. Термометр состоит из чувствительного элемента 1, расположенного в защитном стальном чехле 3, на котором приварен штуцер 2 с резьбой М27х2. Провода 4, армированные фарфоровыми бусами 6, соединяют выводы чувствительного элемента с клеммной колодкой 5, находящейся в корпусе головки 7. Сверху головка закрыта крышкой 8, снизу имеется сальниковый ввод 9, через который осуществляется подвод монтажного кабеля 10. При измерении температуры сред с высоким давлением на чехол ТС устанавливается специальная защитная (монтажная) гильза 12.
Чувствительный элемент ТС выполнен из металлической тонкой проволоки с безындукционной каркасной или бескаркасной намоткой.
Значительно реже в металлургической практике встречаются полупроводниковые термометры сопротивления (ТСПП) для измерения температуры (-90)¸(+180) 0 С. Их применяют в термореле, низкотемпературных регуляторах, обеспечивающих высокоточную стабилизацию чувствительных элементов газоанализаторов, хроматографов, корпусов пирометров, электродов термоэлектрических установок для экспресс-анализа состава металла и т. п.
Мостовые схемы измерения сопротивления термометров
Для измерения сопротивления используют четырехплечие уравновешенные (ручные или автоматические) и неуравновешенные мосты.
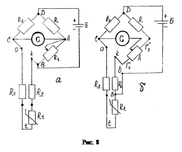
Уравновешенный мост, принципиальная схема которого приведена на (рис. 8а),используется для определения величины сопротивления при градуировке ТС и при измерениях температуры в лабораторных условиях.
Нулевой метод измерения характеризуется высокой точностью, так как исключается влияние окружающей температуры, магнитных полей и изменения напряжения батареи питания Б. Однако значительная погрешность может возникать при изменении сопротивления соединительных проводов Rл , что вызывается значительными сезонными и суточными колебаниями температуры в местах прохождения кабеля, соединяющего ТС и измерительный мост.
На (рис. 8б)представлена трехпроводная схема включения ТС, в которой одна вершина диагонали питания (В) перенесена непосредственно к термометру. Для равновесия можно записать
,
откуда
(2)
Сопротивление проводов Rл оказываются включенными в различные плечи моста, поэтому изменение их величины DRл практически взаимно компенсируются.
Неуравновешенный мост исключает необходимость выполнения ручных операций по изменению величины R3 . В нем вместо нуль-прибора G в диагональ моста AC устанавливается миллиамперметр. При постоянном напряжении питания и постоянных сопротивлениях R1 , R2 , R3 через этот прибор протекает ток, величина которого зависит (нелинейно) от изменения RТ . Использование данных мостов для измерения температуры ограниченно. В основном они применяются для преобразования сопротивления термометра в напряжение.
Автоматические уравновешенные мосты
Автоматические уравновешенные мосты широко используются для измерения и регистрации температуры в комплекте с ТС. Их характеризует высокая точность и возможность использования в системах автоматического регулирования. Они выпускаются различных модификаций: одно- и многоточечные, с дисковой или ленточной диаграммой, с сигнальными устройствами и др.
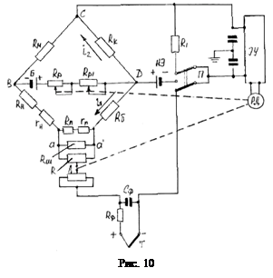
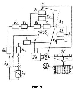
На (рис. 9)приведена принципиальная схема автоматического уравновешенного моста, который, так же как ручной равновесный мост, реализует нулевой метод измерения сопротивления.
Термометр сопротивления Rt подключен к прибору по трехпроводной схеме. В измерительную схему моста входят уравновешивающий реохорд Rр с шунтирующим его резистором Rш (ограничивает ток, текущий по реохорду); резисторы Rн и Rк , определяющие начало и конец шкалы; спирали rн и rк , обеспечивающие точную подгонку диапазона шкалы и являющиеся частью резисторов Rн и Rк ; резисторы R1 , R2 и R3 , образующие постоянные плечи моста; TC Rt , являющийся переменным плечом; балластный резистор Rб , который ограничивает ток в мостовой схеме и обеспечивает минимальный нагрев ТС; подгоночный резисторы Rп1 и Rп2 , обеспечивающие сопротивление подводящей линии Rл =5 Ом (каждый из двух соединительных проводов имеет сопротивление 2.5 Ом).
Электронный усилитель переменного тока ЭУ включен в диагональ ab и обеспечивает усиление разбаланса, возникающего в измерительной схеме при изменении сопротивления ТС Rt . Усиленный сигнал поступает на вход реверсивного двигателя РД, который вращением вала заставляет перемещаться подвижную каретку регистрирующего устройства е и движок реохорда Rр . Вращение вала происходит до тех пор, пока не наступит новое равновесие схемы; напряжение разбаланса станет равным 0, сигнал на входе РД также исчезнет и двигатель остановится.
Питание измерительной схемы моста производится через диагональ d с помощью силового трансформатора ЭУ переменным током напряжением 6.3 В и частотой 50 Гц. Синхронный двигатель СД перемещает диаграммную бумагу относительно пера или печатающего устройства с постоянной скоростью.
1.4. Измерение термо-ЭДС компенсационным путем
Измерение термо-ЭДС термопары прямым путем, по силе тока в цепи постоянного сопротивления, с помощью милливольтметра, можно осуществить сравнительно просто. Однако этот метод обладает рядом недостатков, создающих дополнительные погрешности, что в большинстве случаев не позволяет получить высокой точности измерения.
В измерительной технике кроме прямых методов измерения известны компенсационные метода или методы противопоставления (сравнения) неизвестной величины величине известной. Компенсационные методы позволяют провести измерения более точно, хотя и не всегда так просто, как прямое измерение.
Основное преимущество компенсационного измерения термо-ЭДС, по сравнению с прямым, с помощью милливольтметра, состоит в том, что в момент измерения ток в цепи термопары равен 0. Это означает, что величина сопротивления внешней цепи не имеет значения: никакой подгонки сопротивления внешней цепи делать не надо и беспокоиться о влиянии температуры окружающей среды на внешнюю цепь нет необходимости.
1.5. Автоматические потенциометры
Автоматические потенциометры служат для компенсационных измерений термо-ЭДС без ручных манипуляций, свойственных неавтоматическим потенциометрам. У последних ручные манипуляции после стандартизации тока сводятся к следующей необходимости перемещать движок реохорда до тех пор, пока стрелка гальванометра не встанет на ноль. При этом перемещение движка производится во вполне определенном направлении.
Измерительная схема автоматического потенциометра в принципе не отличается от схемы не автоматического потенциометра (рис. 10).
Схема имеет три источника напряжения (батарея Б, нормальный элемент НЭ и термопару Т) и три цепи. Цепь батареи выполнена в виде моста: в диагональ BD включается питание, а в диагональ CA - цепь термопары. Цепь нормального элемента подключается к плечу CD компенсационной цепи. С помощью переключателя П в цепь термопары или в цепь нормального элемента включается электронный усилитель ЭУ (в том числе и вибрационный преобразователь). При включении цепи нормального элемента вводится шунтирующее сопротивление R1 , параллельное электронному усилителю, так как в этом случае величина напряжения небаланса бывает много больше, чем при включении цепи термопары.
Электронные автоматические потенциометры называют иногда приборами с непрерывной балансировкой, так как измерение небаланса производится здесь с частотой переменного тока 50 Гц.
Широкое применение имеют многоточечные автоматические потенциометры с самопишущим устройством, предназначенным для записи показаний нескольких термопар. Такие потенциометры имеют автоматически действующие переключатели для поочередного включения в измерительную цепь цепей отдельных термопар. Запись производится либо различным цветом, либо определенными знаками для каждой термопары.
Поверка потенциометров производится путем сравнения их показаний с показаниями образцовых потенциометров более высокого класса точности. Погрешность образцового потенциометра не должна превышать 1/3 К, где К – численное выражение класса точности поверяемого прибора.
1.6. Бесконтактное измерение температуры
Основные понятия и законы излучения
О температуре нагретого тела можно судить на основании измерения параметров его теплового излучения, представляющего собой электромагнитные волны различной длины. Чем выше температура тела, тем больше энергии оно излучает.
Термометры, действие которых основано на измерении теплового излучения, называют пирометрами. Они позволяют контролировать температуру от 100 до 6000 0 С и выше. Одним из главных достоинств данных устройств является отсутствие влияния измерителя на температурное поле нагретого тела, так как в процессе измерения они не вступают в непосредственный контакт друг с другом. Поэтому данные методы получили название бесконтактных.
На основании законов излучения разработаны пирометры следующих типов:
пирометр суммарного излучения (ПСИ) – измеряется полная энергия излучения;
пирометр частичного излучения (ПЧИ) – измеряется энергия в ограниченном фильтром (или приемником) участки спектра;
пирометры спектрального отношения (ПСО) – измеряется отношение энергии фиксированных участков спектра.
В зависимости от типа пирометра различаются радиационная, яркостная, цветовая температуры.
Радиационной температурой реального тела Тр называют температуру, при которой полная мощность АЧТ равна полной энергии излучения данного тела при действительной температуре Тд .
Яркостной температурой реального тела Тя называют температуру, при которой плотность потока спектрального излучения АЧТ равна плотности потока спектрального излучения реального тела для той же длины волны (или узкого интервала спектра) при действительной температуре Тд .
Цветовой температурой реального тела Тц
называют температуру, при которой отношения плотностей потоков излучения АЧТ для двух длин волн
и
равно отношению плотностей потоков излучений реального тела для тех же длин волн при действительной температуре Тд
.
Пирометры частичного излучения
К данному типу пирометров, измеряющих яркостную температуру объекта, относятся монохроматические оптические пирометры и фотоэлектрические пирометры, измеряющие энергию потока в узком диапазоне длин волн.
Принцип действия оптических пирометров основан на использовании зависимости плотности потока монохроматического излучения от температуры. На (рис. 11)представлена схема оптического пирометра с "исчезающей" нитью, принцип действия которого основан на сравнении яркости объекта измерения и градуированного источника излучения в определенной длине волны.
Изображения излучателя 1 линзой 2 и диафрагмой 4 объектива пирометра фокусируется в плоскости нити накаливания лампы 5. Оператор через диафрагму 6 линзу 8 окуляра и красный светофильтр 7 на фоне раскаленного тела видит нить лампы. Перемещая движок реостата 11, оператор изменяет силу тока, проходящего через лампу, и добивается уравнивания яркости нити и яркости излучателя. Если яркость нити меньше яркости тела, то она на его фоне выглядит черной полоской, при большей температуре нити она будет выглядеть, как светлая дуга на более темном фоне. При равенстве яркости излучателя и нити последняя "исчезает" из поя зрения оператора. Этот момент свидетельствует о равенстве яркостных температур объекта измерения и нити лампы. Питание лампы осуществляется с помощью батареи 10. Прибор 9, фиксирующий силу тока, протекающего в измерительной цепи, заранее проградуирован в значениях зависимости между силой тока и яркостной температурой АЧТ, что позволяет производить считывание результата в 0 С.
Данный тип пирометров позволяет измерять температуру от 700 до
8000 0
С. Для оптических пирометров промышленного применения в интервале температур 1200¸2000 0
С основная допустимая погрешность измерения составляет ±20 0
С. На точность измерения влияют неопределенность и изменяемость спектральной степени черноты, возможное изменение интенсивности излучения за счет ослабления в промежуточной среде, а так же за счет отражения посторонних лучей.
Фотоэлектрические пирометры частичного излучение обеспечивают непрерывное автоматическое измерения и регистрацию температуры. Их принцип действия основан на использовании зависимости интенсивности излучения от температуры в узком интервале длин волн спектра. В качестве приемников в данных устройствах используются фотодиоды, фотосопротивления, фотоэлементы и фотоумножители.
Фотоэлектрические пирометры частичного излучения делятся на две группы:
пирометры, в которых мерой температуры объекта является непосредственно величина фототока приемника излучения;
пирометры, которые содержат стабильный источник излучения, при чем фотоприемник служит лишь индикатором равенства яркостей данного источника и объекта.
На (рис. 12)приведена схема фотоэлектрического пирометра, относящегося ко второй группе пирометров. В нем в качестве приемника излучения применяется фотоэлемент. Поток от излучателя 1 линзой 2 и диафрагмой 3 объектива фокусируется на отверстии 7 в держателе светофильтра 5 таким образом, чтобы изображение визируемого участка поверхности излучателя перекрывало данное отверстие. В этом случае величина светового потока, падающего на катод фотоэлемента 6, расположенного за светофильтром, определяется яркостью излучателя, т. е. его температурой. В держателе светофильтра расположено еще одно отверстие 8, через которое на фотоэлемент попадает поток от лампы обратной связи 17. Световые потоки от излучателя 1 и лампы 17 подаются на катод попеременно с частотой 50 Гц, что обеспечивается с помощью вибрирующей заслонки 9. Возвратно-поступательное движение заслонки обеспечивается с помощью катушки возбуждения 10 и постоянного магнита 12. В вибраторе происходит перемагничивание стального якоря 11, который с частотой 50 Гц поочередно притягивается полюсами магнита 12 и перемещает заслонку 9.
При различии световых потоков излучателя 1 и лампы 17 в токе фотоэлемента появится переменная составляющая, имеющая частоту 50 Гц и амплитуду, пропорциональную разности данных потоков. Усилитель 13 обеспечивает усиление переменной составляющей, а фазовый детектор 14 последующее ее выпрямление. Полученный выходной сигнал подается на лампу, что вызывает изменение силы тока накаливания. Это будет происходить до тех пор, пока на катоде фотоэлемента световые потоки от двух источников не уравняются. Следовательно, ток лампы обратной связи однозначно связан с яркостной температурой объекта измерения.
В цепь лампы 17 включено калиброванное сопротивление 16, падение напряжения на котором пропорционально силе тока и измеряется быстродействующим потенциометром 15, снабженным температурной шкалой. Окуляр 4 обеспечивает наводку устройства на объект измерения.
В фотоэлектрических пирометрах с пределами измерения от 500 до
1100 0
С применяют кислородно-цезиевый фотоэлемент, а в приборах со шкалой 800¸4000 0
С вакуумный сурьмяно-цезиевый. Сочетание последнего с красным светофильтром обеспечивает получение эффективной длины волны пирометра 0.65±0.01 мкм, что приводит к совпадению показаний фотоэлектрического пирометра с показаниями визуального оптического пирометра.
Пирометры спектрального отношения
Пирометры данного типа измеряют цветовую температуру объекта по отношению интенсивностей излучения в двух определенных участках спектра, каждая из которых характеризуется эффективной длиной волны
,
.
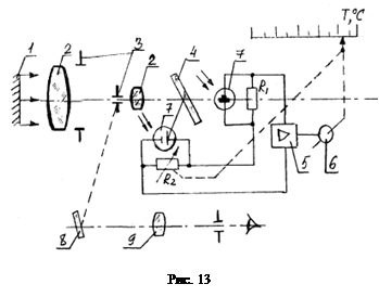
На (рис. 13)приведена схема двухканального пирометра спектрального отношения (ПСО), в котором преобразование энергии получения в электрические сигналы производится с помощью двух кремниевых фотодиодов. Поток излучения от объекта измерения 1 с помощью оптической системы, состоящей из линз 2, апертурной и полевой диафрагмы 3, передается на интерференционный светофильтр 4. Последний обеспечивает выделение двух потоков, каждый из которых характеризуется собственным спектром. Данные потоки попадают на кремниевые фотодиоды 7, которые преобразуют излучение в фототок, протекающий через сопротивление R1
и R2
, включенные в измерительную схему вторичного регистрирующего прибора – логометра. Разность падений напряжений на сопротивлениях подается на вход усилителя 5, выходной сигнал которого поступает на реверсивный двигатель 6, перемещающий движок реохорда R2
и стрелку относительно шкалы наступления баланса, соответствующего измеряемой температуре.
Интерференционный фильтр 4 является полупрозрачным зеркалом, имеющем высокий коэффициент пропускания в одной и высокий коэффициент отражения в другой области спектра. Зеркало 8 и окуляр 9 обеспечивают визуальную наводку объектива пирометра на объект измерения. Для уменьшения погрешности от влияния окружающей температуры фильтр 4 и приемники излучения 7 помещены в термостат.
ПСО используются для измерения температур твердого и расплавленного металла в широком интервале температур от 300 до 2200 0 С и имеют класс точности 1 и 1.5 (в зависимости от предела измерения). Данные пирометры имеют в 3-5 раз меньшую методическую погрешность, связанную с изменением степени черноты излучателя. На их показания значительно меньше влияют поглощения промежуточной среды. Однако в тех случаях, когда объект характеризуется селективным излучением (степень черноты при одной и той же температуре резко изменяется с длиной волны), погрешность ПСО может быть выше погрешности пирометров излучения других типов. ПСО более сложны и менее надежны, чем другие приборы.
Пирометры суммарного излучения
Пирометры суммарного излучения измеряют радиационную температуру тела, поэтому их часто называют радиационными.Принцип действия данных измерителей температуры основан на использовании закона
Стефана-Больцмана. Однако в случае применения оптических систем в ПСИ определение температуры ведется по плотности интегрального излучения не во всем интервале длин волн, а значительно меньшем: для стекла рабочий спектральный диапазон составляет 0.4¸2.5, а для плавленого кварца 0.4¸4 мкм.
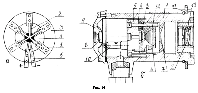
Датчик пирометра выполняется в виде телескопа, линза объектива которого фокусируется на термочувствительном приемнике излучения нагретого тела. В качестве термочувствительного элемента используются термопары, термобатареи, болометры (металлические и полупроводниковые), биметаллические спирали и т. п. Наиболее широко применяются термобатареи (рис. 14 а), в которых используется 6-10 миниатюрных термопар (например, хромель-копелевые), соединенных последовательно. Поток излучения попадает на расклепанные в виде тонких зачерненных лепестков рабочие концы 4 термопар 2. Свободные концы термопар привариваются к тонким пластинкам 1, закрепленным на слюдяном кольце 3. Металлические выводы 5 служат для присоединения к измерительному прибору, в качестве которого обычно используются потенциометры или милливольтметры.
Рабочие концы термопар поглощают падающую энергию и нагреваются. Свободные концы находятся вне зоны потока излучения и имеют температуру корпуса телескопа. В результате возникновения перепада температур термобатарея развивает термо-ЭДС, пропорциональную температуре рабочих спаев, а следовательно, и температуре объекта измерения. Градуировка пирометров производится при температуре корпуса 20±2 0 С, поэтому повышение данной температуры приводит к уменьшению перепада температур в термопарах приемника излучения и к появлению значительных дополнительных погрешностей. Так, при температуре корпуса 40 0 С дополнительная погрешность (при прочих равных условиях) составит ±4 0 С. Для снижения этой погрешности пирометры снабжаются компенсирующими устройствами: электрическим шунтом или биметаллической пружиной.
На (рис. 14б) показано устройство телескопа ПСИ. Он включает: корпус 1 с диафрагмой 7; объектив, имеющий стеклянную или кварцевую линзу 2, устанавливаемую во втулке 13, ввинчиваемой в корпус; блок термобатареи, состоящей из самой термобатареи 3, корпуса 5, отростка, на который навинчивается подвижная диафрагма 6, и контактных винтов 10; компенсационное медное сопротивление 4, шунтирующее термобатарею и обеспечивающее уменьшение влияния измерений температуры телескопа на показания пирометра; окуляр, включающий линзу 8 и защитное стекло 9. Фланец 11 служит для крепления корпуса к защитной арматуре, обеспечивающей работу пирометра в тяжелых условиях металлургического производства.
Получение стандартной градуировки обеспечивается перемещением диафрагмы 6, зубчатый венец которой сочленен с зубьями трубки 12.
Диафрагма, устанавливаемая в телескопе, ограничивает телесный угол визирования, что исключает влияние на показания размеров излучателя и его расстояния от пирометра. При этом на термобатарею попадает излучение только с определенного небольшого участка объекта измерения. Размеры этого участка определяются по показателю визирования, который является отношением наименьшего диаметра излучателя к расстоянию от объекта измерения до объектива телескопа. При этом изображение круга, вписанного в излучатель, полностью перекрывает отверстие диафрагмы 6, находящейся перед термобатареей. Телескопы с показателем визирования более 1/16 являются широкоугольными, а с показателем, равным или меньшим 1/16, - узкоугольными.
При измерении температуры в схему пирометра между телескопом и вторичным прибором (милливольтметром или потенциометром) включается панель уравнительных и эквивалентных сопротивлений – панель взаимозаменяемости телескопов типа ПУЭС. Она обеспечивает постоянную нагрузку телескопа при работе с одним или двумя вторичными приборами, а также замену телескопа одной градуировки на телескоп другой градуировки. Защита пирометра от пыли, высокой температуры, механических воздействий обеспечивается с помощью специальной защитной арматуры.
Сопротивление соединительной линии между ПСИ и потенциометром не должно превышать 200 Ом, а при работе с милливольтметром оно равно 5 Ом.
ПСИ имеют меньшую точность по сравнению с другими пирометрами. Методические погрешности измерения температуры при использовании ПСИ возникают вследствие значительной ошибки определения интегральной степени черноты
, из-за неправильной наводки телескопа на излучатель, из-за влияния излучения кладки (измерение температуры металла в печах) и из-за поглощения энергии водяными парам и углекислым газом, содержащихся в слое воздуха, находящегося между излучателем и пирометром. Вследствие последней причины оптимальным считается расстояние 0.8-1.3 м.
Вид материала линзы определяет интервал измеряемых температур и градуировочную характеристику. Стекло из флюорита обеспечивает возможность измерения низких температур начиная с 100 0 С, кварцевое стекло используется для температуры 400¸1500 0 С, а оптическое стекло для температур 950 0 С и выше.
ПСИ измеряют температуру от 100 до 3500 0
С. Основная допустимая погрешность технических промышленных пирометров возрастает с увеличением верхнего предела измерения и для температур 1000, 2000 и
3000 0
С составляет соответственно ±12; ±20 и ±35 0
С.
2.1. Расчет измерительной схемы автоматического уравновешенного моста
Заданы:
градуировка термометра сопротивления 23;
значения начальной
и конечной
показаний температур прибора;
;
;
;
;
Наибольшую чувствительность обеспечивает попарно равноплечий мост у которого R2 =R3 и R1 »Rт , причем сопротивления R2 и R3 задаются в пределах 100-400 Ом. Наиболее часто принимают значение 300 Ом.
;
Эквивалентное сопротивление Rэ реохорда с шунтирующим сопротивлением Rш принимают равным 90 Ом. Сопротивление резистора Rн принимают обычно равным 4.5 Ом.
;
;
;
Сопротивление плеча моста R1 определяют по формуле:
;
где
;
Из условия равновесия измерительной схемы моста соответственно для левого и правого крайних положений движка:
;
;
Решая данную систему относительно Rп получим:
;
Величину сопротивления резистора Rк , определяющего верхний предел измерений, определяют по формуле:
;
Максимальное значение тока Imax , протекающего через ТС, принимается равным 0.007 А. Величину балластного сопротивления рассчитывают по формуле:
;
где U – напряжение питания измерительной схемы моста, равное 6.3 В.
2.2. Расчет сопротивлений измерительной схемы автоматического потенциометра
Заданы:
шкала прибора 0¸1300 0 С;
градуировка термоэлектрического термометра ТПП;
расчетная температура свободных концов термометра
;
возможная температура свободных концов термометра
;
начальное значение шкалы
;
конечное значение шкалы
;
диапазон измерений
;
нормированное номинальное сопротивление реохорда
;
нерабочие участки реохорда ![]()
;
нормированное номинальное падение напряжения на резисторе Rк
;
выходное напряжение ИПС
;
номинальная сила тока в цепи ИПС
;
сопротивление нагрузки ИПС
;
номинальная сила тока в верхней ветви измерительной схемы прибора
;
номинальная сила тока в нижней ветви измерительной схемы прибора
;
температурный коэффициент электрического сопротивления меди
;
Определяем
по формуле:
;
Определяем приведенное сопротивление реохорда:
;
проверяем правильность определения Rпр :
;
Определяем величину резистора Rк и величину балластного сопротивления Rб :
;
;
Определяем значение сопротивления медного резистора Rм :
;
;
;
;
;
;
Изменение показаний потенциометра для конечного значения шкалы при изменении температуры свободных концов термоэлектрического термометра от
до
составит:
.
Вывод
Практический опыт построения систем регулирования промышленных объектов показывает, что главное значение здесь приобретает не задача выбора алгоритмов функционирования регуляторов, а задачи построения оптимальной схемы получения регулятором текущей информации о состоянии объекта регулирования, которое отражает характер взаимодействий между двумя функциональными основными элементами системы регулирования - объектом и регулятором. Высокопроизводительная, экономичная и безопасная работа технологических агрегатов металлургической промышленности требует применения современных методов и средств измерения величин, характеризующих ход производственного процесса и состояние оборудования. Температура является одним из основных параметров, подлежащих контролю со стороны систем автоматического управления металлургическими процессами. В условиях агрессивных сред и высоких температур, наиболее подходящими для использования являются фотоэлектрические пирометры. Они позволяют контролировать температуру от 100 до 6000 0 С и выше. Одним из главных достоинств данных устройств является отсутствие влияния температурного поля нагретого тела на измеритель, так как в процессе измерения они не вступают в непосредственный контакт друг с другом. Так же фотоэлектрические пирометры обеспечивают непрерывное автоматическое измерение и регистрацию температуры, что позволяет использовать их в системах автоматического управления процессами без дополнительных затрат на приобретение и обслуживание устройств сопряжения.
Список литературы
Преображенский В. П. Теплотехнические измерения и приборы. М.: Энергия, 1978, - 704 с.
Чистяков С. Ф., Радун Д. В. Теплотехнические измерения и приборы. М.: Высшая школа, 1972, - 392 с.