| Скачать .docx |
Курсовая работа: Металлические конструкции мостового крана общего назначения
КУРСОВОЙ ПРОЕКТ
по дисциплине «Строительная механика»
Тема: Металлические конструкции мостового крана общего назначения
Введение
Мостовые краны являются основным грузоподъемным оборудованием производственных цехов, закрытых и открытых складов. Краны, предназначенные для обслуживания металлургических цехов, представляют группу металлургических кранов.
Работоспособность надёжность и безопасность эксплуатации кранов во многом зависит от качества исполнения их металлических конструкций. В связи с этим по крановым металлоконструкциям предъявляются определённые требования: прочность, общая устойчивость конструкции и местная устойчивость отдельных её элементов; статическая и динамическая жёсткость; выносливость и, вместе с тем, минимально возможная масса, высокая технологичность изготовления и монтажа, иногда ограниченные габариты. Большинство этих требований должны обеспечиваться на стадии предварительного (проектного) расчёта и компонования.
1. Обоснование типа металлоконструкции, её описание и
конструктивные особенности
При необходимых прочностных характеристиках металлоконструкции должны быть технологичными, иметь малую стоимость, удовлетворять эстетическим требованиям, а внешние поверхности конструкций должны быть гладкими для снижения возможности образования коррозии и удешевления окраски. На основании этого проектируем мостовой кран, состоящий из двух пространственно-жёстких балок, соединенных по концам пролёта с концевыми балками, в которых установлены ходовые колёса. Крановая тележка перемещается по рельсам, уложенным по верхним поясам коробчатых балок, выполненных из листового проката. Принятая схема металлоконструкции моста приведена на рис. 1.1.

2. Предварительный расчёт основных несущих элементов
2.1 Обоснование принятого материала конструкции,
характеристики материала
Наиболее употребительными для расчётных (несущих) элементов металлоконструкции является углеродистая сталь Ст3сп5 по ГОСТ 380-94.
Материал выбран в соответствии с табл. 6.1. [1, с. 109] и из-за более низкой стоимости по сравнению с низкоуглеродистыми.
Расчётные сопротивления основного материала в соответствии с табл. 6.7. [1, с. 113] равны:
При растяжении-сжатии, изгибе: ![]()
При срезе: ![]()
При смятии торцевой поверхности:
.
Расчётные сопротивления сварных соединений принимаем в соответствии с табл. 6.8. [1, с. 113]:
Для заводских стыковых швов при работе на:
растяжение-сжатие:
;
срез:
;
Для угловых швов при работе на срез
.
2.2 Расчётные комбинации нагрузок
Расчётные комбинации нагрузок для металлоконструкций мостовых кранов приведены в табл. 6.13. [1, с. 116].
Определяем расчётные нагрузки комбинации.
I.1.A.
где I - прочность;
- тележка в середине пролёта моста;
- подъём груза.
2.3 Обоснование принятого веса пролётной части моста
Для заданных параметров крана при выбранной схеме его исполнения и принятом материале по графикам рис. 6.1. [1, с. 117] находим в качестве первого приближения
;
Интенсивность нормативной распределённой нагрузки на каждую балку моста:
, (2.1)
где
- нормативный вес пролётной части моста (пролётные балки с площадками обслуживания ),
;
- пролёт крана,
;
- коэффициент перегрузки (для металлоконструкции
[1, с. 117]
.
2.4 Определение расчётных величин нагрузок для принятых их
комбинаций
2.4.1 Распределенной от собственного веса моста
, (согласно формуле 2.1)
2.4.2 Сосредоточённых неподвижных от веса механизмов
передвижения крана и кабины управления
Вес привода механизма в связи отсутствия данных принимаем по усреднённым данным:
, (2.3)
где
- коэффициент перегрузки;
[1, с.117]
- вес привода,
;
[1, с.117].
Вес кабины принимаю с учётом её конструкции (закрытая с электрооборудованием)
, (2.4)
где
- коэффициент перегрузки;
- вес кабины,
;
.
;
.
2.4.3 Сосредоточенных подвижных от веса тележки и груза с
учётом динамических нагрузок при работе механизма подъёма
Расчётный вес груза:
, (2.5)
где
- коэффициент динамичности,
- коэффициент перегрузки для крюковых кранов,
- номинальный вес груза.
в соответствии с рисунком [4, с.68]
принимаю по таблице 6.15 [1, с.118]
![]()
где
- ускорение свободного падения.
.
Расчётный вес тележки:
, (2.6)
где
- коэффициент перегрузки веса тележки;
- номинальный вес тележки,
.
[1, с.117];
по табл. 6.14 [1].
.
2.5 Составление расчётной схемы приложения нагрузок и
определение расчётной величины изгибающего момента в
наиболее нагруженном сечении пролётной балки

- расчётная нагрузка от собственного веса пролётной части моста,
;
- вес приводов механизма движения крана,
;
- вес кабины управления,
;
- давление колёс тележки на балку,
;
- равнодействующая давления колёс тележки.
Расчётное давление колёс тележки
равно:
, (2.7)
где
- давление от расчётного веса тележки,
;
- давление от расчётного веса груза,
.
;
.
;
.
Распишем все имеющиеся расстояния:
;
[1, с.37];
;
.
У четырёхколёсной тележки наибольший изгибающий момент от подвижной нагрузки действует в сечении под колесом с давлением.
Для этого сечения суммарный изгибающий момент равен:
(2.8)
.
Коэффициент неполноты расчёта определяем по формуле:
, (2.9)
где
- коэффициент, учитывающий ответственность расчитыве6мого элемента;
- коэффициент, учитывающий отклонения в геометрических размерах конструкции, влияние коррозии и т.п.
- коэффициент, учитывающий несовершенство расчёта, связанных с неточностями расчётных схем.
Рекомендуемые ВНИИПТМАШем коэффициенты:
;
;
;
.
Момент сопротивления сечения пролётной балки, необходимый по условию прочности, определяем по формуле:
, (2.10)
где
- расчётный изгибающий момент,
;
- коэффициент неполноты расчётов;
- расчётное сопротивление материала при работе на изгиб,
;
.
Момент инерции сечения по условиям минимальной статической жёсткости:
, (2.11)
где
- коэффициент жёсткости,
;
- модуль упругости материала,
;
- пролёт моста,
;
- база тележки,
;
, (2.12)
где
- предельный относительный прогиб моста при действии номинальной подвижной нагрузки;
(табл. 6.16. [1, с.119]);
;
.
2.6 Определение относительной по минимуму веса высоты пролёта
балки
Определяем высоту стенки пролётной балки, удовлетворяющую условию минимума веса при соблюдении требований или прочности, или жёсткости в зависимости от толщины стенки.
Высота стенки при обеспечении заданной прочности:
, (2.13);
где
- толщина стенки,
.
Высота стенки при обеспечении заданной жёсткости:
, (2.14)
Гибкость стенки:
, (2.15).
Результаты расчётов сведём в таблицу 2.1. и представим в виде кривых на рис. 2.2
Таблица 2.1.
| 4 | 6 | 8 | 10 | |
| 1,023 | 0,835 | 0,724 | 0,647 | |
| 0,912 | 0,796 | 0,723 | 0,672 | |
| 255,8 | 139,2 | 90,5 | 64,7 |

Определяющей является прочность, т.к.
.
Принимаем для дальнейших расчётов толщину стенки
, тогда оптимальная высота балки будет равна
при гибкости
. (По рекомендации ВНИИПТМАШа жёсткость стенок целесообразно назначать в пределах
).
Округляем
до
, т.е.
.
Остальные размеры определяем из следующих соотношений.
;
;
;
;
; [1, с.123].
Для балки, по условию минимума веса и на основании графиком с размерами:
;
;
;
;
.
Площадь поперечного сечения:
, (2.16).
Таким образом, сечение балки примет вид как на рис.2.3.

2.7 Расчёт основных геометрических характеристик сечения
Моменты инерции в двух плоскостях.
, (2.17);
;
, (2.18);
.
Моменты сопротивления
, (2.19);
;
, (2.20);
.
2.8 Компоновка и расчёт опорной части пролётной балки
Примем поперечное сечение пролётной балки, показанное на рис. 2.4.
Сечение главной балки на опоре.

Момент инерции сечения относительно оси
по формуле (2.17).

.
Статический момент полусечения относительно оси ![]()
![]()
.
Площадь поперечного сечения по формуле (2.16).
.
2.9 Компоновка концевой балки в зависимости от конструкции
механизма движения крана
Выбираем диаметр ходового колеса по таблице 7.1 (3, с.161)
, на основании конструкции угловых букс колёс выбираем расстояние между стенками торцевой балки
.

Геометрические характеристики по формулам (2.17, 2.18, 2.19, 2.20).
Момент инерции сечения:

.

.
Момент сопротивления сечения:
;
.
2.10 Компоновка узла сопряжения пролётных и концевых балок и
механизма движения крана
Перед тем как начать компоновку узла сопряжения балок, необходимо выбрать двигатель и редуктор механизма передвижения крана по таблице 7.1 [3, с.161].
Окончательно выбираем двигатель типа МТВ-112-6,
редуктор типа Ц2-300,
тормоз типа ТТ-160.
(Основные размеры и параметры выбранных механизмов берём из приложений [1, с.290]).
Компоновка узла сопряжения балок показана на рис. 2.6.

3. Проверочный расчёт и уточнённая конструктивная проработка
Проверочный расчёт выполняем одновременно с конструктивной проработкой балки моста.
3.1 Назначение расчётных комбинаций нагрузок для проверки
прочности металлоконструкции
Прочность балки при её общем изгибе в двух плоскостях проверяем на действие нагрузок комбинации I.1.Б. [1, с.116].
3.1.1 Определение величины вертикальных нагрузок
Для определения расчётных вертикальных нагрузок необходимо найти коэффициент толчков. Для этого находим.
Вес пролётной части моста:
, (3.1)
где
- распределённая нагрузка,
;
- пролёт моста,
,
.
Приведённая масса моста и тележки:
, (3.2)
где
- вес тележки;
- ускорение свободного падения,
.
Фактический коэффициент жёсткости моста:
, (3.3)
.
Парциальная частота собственных поперечных колебаний моста
, (3.4).
.
Определяем коэффициент толчков по выражению:
, (3.5.)
где
- высота ступеньки стыка рельсов;
- коэффициент, зависимости от скорости движения крана и параллельной частоты
колебаний;
- коэффициент, зависящий от схемы крана и вида нагрузки.
по графику рис.6.3. [1, с.118],
, для путей в эксплуатации [1, с.118],
, (3.6)
где
- база крана;
- колея тележки,
.
.
Коэффициент толчков для веса тележки;
.
Коэффициент толчков для веса груза;
.
Тогда вертикальные нагрузки будут равны;
Весовая постоянная распределённая нагрузка:
, (3.7).
Сосредоточенные нагрузки:
, (3.8).
Сосредоточенные нагрузки:
, (3.9).
Определим расчётное давление колеса тележки:
, (3.10),
.
Находим равнодействующую воздействия тележки на мост:
.
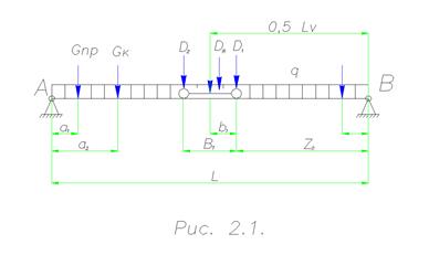
Определим расстояние, показанное на рис.2.1.
![]()
.
Определим суммарный изгибающий момент по формуле 2.8, соответствуя компоновке рис.2.6.
![]()
![]()
3.1.2 Определение величины горизонтальных нагрузок
При
, т.е. при
горизонтальные инерционные нагрузки равны:
;
;
.
Горизонтальная нагрузка на одно колесо:
, (3.10),
.
Равнодействующая воздействия тележки на мост:
.
Суммарный горизонтальный изгибающий момент:
, (3.11).
Момент в узле соединения пролётной и концевой балок со стороны колеса:
, (3.12)
где
, (3.13);
;
;
![]()
.
3.1.3 Проверка прочности балки
Коэффициент неполноты расчёта принимаем по формуле (2.9)
.
Расчётная зависимость:
, (3.14)
где
- изгибающий момент в вертикальной и горизонтальной плоскостях;
- момент сопротивления балки при изгибе в вертикальной и горизонтальной плоскостях;
- расчётное сопротивление материала.
.
;
.
Таким образом, прочность средней части балки при общем изгибе в двух плоскостях обеспечена.
3.2 Расчёт шага диафрагм из условия прочности рельса
3.2.1 Ребра жёсткости
Фактическая гибкость стенки пролётной балки в её средней части:
.
При
для малоуглеродистых сталей достаточно устанавливать только основные поперечные рёбра жёсткости [1, с.126].
Диафрагмы будем выполнять из листового проката.
Ширину выступающей части ребра определим по условию [1, с.128]:
, (3.15).
.
Толщина ребра из условия обеспечения его устойчивости [1, с.128].
, (3.16).
.
(принимаем
).
Момент инерции ребра относительно плоскости стенки в соответствии с формулой [1, с.128].
, (3.17)
.
Окончательно принимаем:
;
.
Тогда момент инерции относительно плоскости стенки:
, (3.18).
.
Проверку прочности поперечного ребра по условиям работы его верхней кромки на сжатие по формулам [1, с.129].
, (3.129)
где
- давление колеса тележки;
- длина линии контакта рельса и пояса под ребром;
- расчётное сопротивление материала при работе на сжатие;
- расчётная зона распределения давления колеса по ребру для сварки балок [1, с.129].
, (3.20)
где
- момент инерции пояса и рельса относительно собственных нейтральных осей;
;
(принимаем для кранового рельса КР80 по табл. [1, с.310].
.
Для кранового рельса:
, (3.21)
где
- ширина подошвы рельса;
[1, с.310].
.
;
при
;
;
;
,
следовательно прочность верхней кромки диафрагмы обеспечена.
3.2.2 Шаг рёбер
Шаг основных поперечных рёбер жёсткости, являющихся опорами для рельса, определяют из условия прочности последнего.
, (3.22)
где
- наименьший момент сопротивления рельса;
, (3.23)
где
- предел текучести материала,
;
- напряжения в рельсе от действия продольных сил, при отсутствии гарантийного прижатия рельса к поясу
пренебрегаем.
[5, с.326].
.
, [5, с326].
.
Учитывая, что пояс балки достаточно тонкий для обеспечения его прочности при действии местных напряжений от давления колёс тележки, принимаем конструктивно шаг диафрагм
.
Для отсеков примыкающих к опорам, шаг основных поперечных рёбер
, в последующих отсеках их шаг может увеличиться до
, т.е.
.
3.2.3 Прочность верхнего пояса
При контакте подошвы рельса с поясом балки пояс находится в плоском напряжённом состоянии и его прочность нужно проверять по условию [1, с.129].
, (3.24)
где
,
- напряжение в балке от её общего изгиба в продольном направлении.
- местные, нормальные напряжения в поясе, соответственно вдоль и поперёк продольной оси балки.
, (3.25);
, (3.26)
где
- сила, передающаяся на поясной лист через рельс от давления ходового колеса;
- толщина пояса.
При
,
, (3.27)
где
- расстояние между стенками балки в свету;
- расстояние между диафрагмами;
- момент инерции рельса в вертикальной плоскости;
- коэффициенты, принимаемые по таблице. 6.17…6.19 [1, с.129].
При ![]()
![]()
![]()
![]()
![]()
![]()
;
;
;
;
;
.
При
;
.
Þ прочность верхнего пояса обеспечена.
3.2.4 Размещения продольных рёбер жёсткости не требуется
3.3 Проверка местной устойчивости стенок
При подкреплении стенок только поперечными основными рёбрами жёсткости местную устойчивость стенок проверяют по выражению:
;
,
где
- коэффициент, принимаемый по табл. 6.21. [1] в зависимости от значения
.

по таблице
;
.
Местную устойчивость стенки проверяем в средней части балки
.
;
.
Местная устойчивость в средней части балки обеспечена.
3.4 Проверка прочности пролётной балки в опорном сечении
Прочность опорного сечения пролётной балки проверим для случаев действий нагрузок 1.2.А и 1.2.Б.
Определим более опасное с точки зрения максимальной поперечной силы в опорном сечении положение тележек на мосту.
При положении тележки с грузом у опоры А (см. рис.2.1).
;
.
;
.
При положении тележки у опоры В: по тем же формулам:
;
;
;
.
Более опасным будет случай нахождения тележки у опоры В.
Силу перекоса моста определим по формуле:
, (3.39)
где
- коэффициент сцепления приводных колёс с рельсом;
- суммарные давления на приводные колёса менее нагруженной концевой балки.
при работе помещении;
.
.
Наибольший изгибающий момент (вертикальный) в точке
.
.
Горизонтальный изгибающий момент в узлах сопряжения балок определяем по формулам;
, (3.40);
, (3.41)
где
, (3.42)
, (3.43)
, (3.44)
, (3.45)
;
;
;
.
;
.
3.5 Проверка прочности сварных швов
3.5.1 Сварной шов, соединяющий пояс и стенку балки
Прочность сварного шва, соединяющего пояс со стенкой, проверяем по формуле [1, с.134].
, (3.46)
где
- наибольшая поперечная сила в рассматриваемом сечении;
- статический момент брутто пояса балки относительно её общей нейтральной оси;
- толщина углового шва;
- коэффициент, зависящий от вида сварки;
- расчётное сопротивление для углового шва;
- коэффициент неполноты расчёта;
- момент инерции брутто сечения балки.
Принимаем
.
,
где
- площадь поперечного сечения пояса,
- расстояние до нейтральной оси.
.
Принимаем
для РДС.
;
Þ
;
.
![]()
Þ прочность шва обеспечена.
3.5.2 Монтажный сварной шов узла соединения балок
Прочность вертикального шва соединения определяем по формуле [1, с.135].
, (3.47)
где
- расчётная длина;
.
.
Прочность шва обеспечена.
3.6 Проверка прочности концевой балки
Проверку прочности балки в опасном сечении - в узле сопряжения с пролётной, приводной балкой - производим для случая действия нагрузок комбинации 1.2.Б. [1, с.116].
Максимальный изгибающий момент в вертикальной плоскости равен:
, (3.48)
где
- база торцевой балки;
.
.
- максимальный горизонтальный момент.
Нормальное напряжение от изгиба в двух плоскостях:
.
Принимаем
, т.е.
;
.
Таким образом, прочность торцевой балки обеспечена.
3.7 Строительный подъём пролётной балки
Необходимую амплитуду строительного подъёма пролётной балки получим по формуле [1, с.141]:
, (3.50)
где
- прогиб пролётной балки от действия постоянных нагрузок,
;
- прогиб пролётной балки от действия подвижных нагрузок,
;
- пролёт крана,
.
, (3.51)
.
, (3.52)
где
;
;
;
.
Принимаем
.
;
.
Скосы находим по формуле:
;
;
.
3.8 Проверка динамической жёсткости моста
Проверку динамической жёсткости моста проводим по времени затухания колебаний при их периоде, ровном:
, (3.54);
.
.
Предельное время затухания не должно превышать
,
.
Динамическая жесткость моста удовлетворена.
4. Сопряжение балок
Конструкция соединения балок показана на рис.3.3. Такое соединение применяется для четырехколесных кранов. Накладки 1,2,3 являются компенсаторами нормальных допусков изготовления пролетных балок, кроме того накладки 2,3 обеспечивают жесткость стыка в горизонтальной плоскости.

Катет углового шва не должен превышать наименьшей из толщин соединяемых стенок. При необходимости можно применить местное утолщение стенок.
Библиографический список
1. Курсовое проектирование грузоподъемных машин: Учебное пособие для студентов машиностроительных специальностей вузов/ С.А. Казак, В.Е. Дусье, Е.С. Кузнецов и др.; Под ред. С.А. Казака.- М.: Высш. шк., 1989.- 319 с.
2. Справочник по кранам/ Под ред. М.М. Гохберга. Л. Т. 1,2, 1988.
3. Мостовые краны общего назначения.- 5-е изд., перераб. и доп./ Шабашов А.П., Лысяков А.Г.- М.: Машиностроение, 1980.- 304 с.