| Скачать .docx |
Реферат: Инвертор. Принцип работы, разновидность, область применения
Инвертор. Принцип работы, разновидность, область применения
Последовательный инвертор
Электрическая схема, рабочие фазы и формы выходных сигналов последовательного инвертора изображены на рис. 1. Такая схема называется последовательным инвертором, поскольку в ней нагрузочное сопротивление включено последовательно с емкостью. R - нагрузочное сопротивление, L и С - коммутационные элементы. Такой тип инвертора содержит два тиристора. Рассмотрим подробнее фазы работы такой схемы.
Фаза I . Тиристор Т1 включается в момент времени to . Начинается заряд конденсатора от источника питания. Последовательная цепь R , L и С формирует синусоидальный ток через нагрузочное сопротивление и выполняет функцию демпфирующей цепи. Когда ток в цепи уменьшается до нуля, тиристор Т1 запирается. Напряжение на нагрузочном сопротивлении находится в фазе с током тиристора. Формы напряжений VL и Vc можно получить с помощью теоремы Кирхгофа: ( VL + Vc = E ), величины VL и Vc должны удовлетворять условиям этого уравнения.
Фаза II . Тиристор Т2 не должен включаться сразу после того, как ток через тиристор Г, уменьшится до нуля. Для лучшего запирания тиристора Т1 , к нему необходимо приложить небольшое обратное напряжение. Если тиристор Т2 включается без запаздывания, или мертвая зона отсутствует, напряжение источника питания замыкается через открытые тиристоры Т1 и Тг .. Если оба тиристора находятся в закрытом состоянии, то V R = 0, VL = 0, следовательно, L di / dt = 0 и конденсатор С остается незаряженным.
Фаза III . В момент времени t 2 тиристор Т2 включается и инициирует отрицательный полупериод. Конденсатор разряжается через L , R иТ2 . Следует заметить, что электрический ток через нагрузочное сопротивление R протекает в противоположном направлении. В момент времени, когда этот ток уменьшается до нуля, тиристор Т2 выключается. Формы напряжений VL и Vc можно получить с помощью теоремы Кирхгофа: (VL + Vc = 0), величины VL и Vc должны удовлетворять условиям этого уравнения.
![]() |
Рис.1 - Последовательный инвертор:
а)Электрическая схема;
б)Фазы работы схемы;
в)Формы напряжений и токов в цепях последовательного
инвертора
Если тиристор Т1 запустить с задержкой на величину мертвого времени, вышеупомянутые процессы повторятся.
Преимущества:
1. Простая конструкция.
2. Выходное напряжение близко к синусоидальному.
Недостатки:
1. Индуктивность L и конденсатор С имеют большие габариты.
2. Источник питания используется только в течение положительного полупериода.
3. В выходном напряжении имеются высшие гармоники из-за наличия мертвой зоны.
Последовательный инвертор лучше всего подходит для высокочастотных устройств, так как для требуемых значений 1 и С уменьшаются их габариты. Время периода для одного цикла составляет:
T 0 = T + 2 td . где Г = l / ft и t 6 - мертвое время.
Выходная частота последовательного инвертора всегда меньше резонансной частоты вследствие наличия мертвой зоны. Значение выходной частоты может варьироваться путем изменения мертвого времени.
![]() |
Рис.1г. -Форма выходного напряжения последователного инвертора
Параллельный инвертор
Базовая схема параллельного инвертора изображена на рис.2а. Когда ключ 1 замкнут, помеченные точкой выводы обмоток A, D и С имеют положительный потенциал. Выходное напряжение - положительное. Во второй половине периода ключ 1 размыкается и замыкается ключ 2. Помеченные точкой выводы обмоток A, D и С имеют отрицательный потенциал и выходное напряжение - отрицательное.
Электрическая схема, рабочие фазы и формы выходных сигналов параллельного инвертора изображены на рис.2. Параллельные инверторы применяются в низкочастотных устройствах. В них используются трансформатор с отводом из центра первичной обмотки, два тиристора и коммутирующий конденсатор. Источник питания включается между центральным выводом и общей точкой катодов тиристоров. Эквивалентное нагрузочное сопротивление, пересчитанное в цепь первичной обмотки, подключено параллельно коммутационному конденсатору. Следовательно, инвертор такого типа является параллельным.
В момент времени t = tx тиристор Т1 включается. Напряжение источника питания Е приложено к обмотке трансформатора А. Согласно закону самоиндукции такое же напряжение Е индуцируется на обмотке трансформатора В, но противоположной полярности. Поскольку обмотки А и В соединены последовательно, на них будет суммарное напряжение 2Е. Этим напряжением конденсатор предварительно заряжается до напряжения +2Е.
В момент времени t = t 2 тиристор Т2 включается. Полярность напряжений на обмотках А и В меняется на обратную, к конденсатору, и тем самым к тиристору Т1 , прикладывается обратное напряжение, за счет чего тиристор Т1 выключается. Полярность напряжения на конденсаторе меняется, и он перезаряжается до напряжения - 2Е. Также меняет на обратное направление ток во вторичной обмотке, то есть через нагрузочное сопротивление протекает переменный ток прямоугольной формы. Форма выходного напряжения аналогична форме напряжения на конденсаторе.
![]() |
Рис.2 - а) Базовая схема параллельного инвертора;
б)Фазы работы схемы;
в)Формы напряжений и токов в цепях параллельного инвертора
Недостатки
1.Номинальное напряжение конденсатора должно быть 2Е.
2. Ток источника питания не является чистым постоянным током.
3.Колебания тока источника питания, являются причиной дополнительного выделения тепла в первичной цепи параллельного инвертора.
Мостовые инверторы. Однофазный полумостовой инвертор
Однофазный полумостовой инвертор состоит из двух источников питания и двух коммутаторов. Нагрузка подключена между общим выводом источников питания и общей точкой коммутаторов.
Полумостовой инвертор с RLC – нагрузкой
![]() |
Рис.5 - а) Схема полумостового инвертора с RLC-нагрузкой, б) Форма напряжения и тока полумостового инвертора
Электрическая схема и форма выходного сигнала однофазного полумостового инвертора с RLС-нагрузкой изображены на рис.5. Если инвертор питает RLС-нагрузку, отдельная цепь коммутирования не требуется. Это можно объяснить с помощью символического изображения на рис.5б. Рабочая частота инвертора должна быть выбрана такой, чтобы Хс > XL . При этих условиях в этой схеме ток опережает по фазе напряжение. Ток в нагрузке изменяется синусоидально. В промежутке времени от t 0 до tl тиристор Т1 находится в проводящем состоянии. В момент времени t 1 = t 2 тиристор Т1 , выключается, так как ток в цепи уменьшается до нуля. В промежутке времени от t 1 до t 2 диод D 1 находится в проводящем состоянии и мощность передается от нагрузки к источнику питания. Диод D 1 находится в проводящем состоянии до тех пор, пока на конденсаторе присутствует напряжение. Когда диод D 1 находится в состоянии проводимости, тиристор Т1 смещен в обратном направлении. Таким образом, специальная цепь принудительной коммутации в этом случае не требуется. В этой схеме RLC-нагрузка обеспечивает коммутацию тиристоров. В течение отрицательного полупериода тиристор Т2 находится в проводящем состоянии, через некоторое время диод D 2 начинает проводить, вследствие этого тиристор Т2 смещается в обратном направлении и запирается.
Инвертор Мак-Мюррея (инвертирующий преобразователь)
Принцип работы инвертора Мак-Мюррея основан на коммутировании тока. Полумостовой инвертор работает на индуктивную нагрузку, как изображено на рис.6. Тиристоры ТА1 и ТА2 в этой схеме являются вспомогательными. Они используются для коммутации основных тиристоров Т1 и Т2 . Индуктивность L и емкость С являются коммутирующими элементами. Конденсатор предварительно заряжен слева отрицательно, а справа -положительно. Рабочие фазы этой схемы устройства следующие.
Фаза I . Тиристор Т1 запускается, тем самым инициируется положительный полупериод преобразования. Постоянный ток нагрузки протекает через тиристор Т1 .
Фаза I I . В момент времени t 1 запускается вспомогательный тиристор ТА1 . По замкнутой цепи L , С, Т{ и ТА1 начинает протекать ток, при этом ток через конденсатор синусоидально нарастает, как показано на рис.6в. В промежутке времени от t 1 до t 2 значение ic <I0 . В момент времени t= t 2 ; tc = I 0 . Ток, текущий через тиристор Т1 , становится равным нулю, и тиристор выключается. Следует заметить, что в этой фазе ток через тиристор Т1 , уменьшается до нуля.
Фаза III . После выключения тиристора Т1 ток продолжает протекать через D1 . Диод находится в состоянии проводимости до момента времени t 3 до тех пор пока ic - I0 положительны. В момент времени t = t 3 диод D1 , перестает проводить, так как ток через него уменьшается до нуля.
Фаза IV . После того как диод D1 запирается, постоянный ток нагрузки протекает через конденсатор и дозаряжает его слева отрицательно, а справа положительно. Напряжение на конденсаторе изменяется линейно, так как через конденсатор протекает постоянный ток.
Фаза V . Ток через диод увеличивается, в то время как ток через конденсатор уменьшается. Когда ток через тиристор Ta уменьшается до нуля, тиристор выключается.
Фаза VI . На индуктивной нагрузке изменяется полярность напряжения, и диод D1 смещается в прямом направлении. Начинается процесс рециркуляции. Энергия, запасенная в нагрузке, передается обратно в источник питания Vr После запирания диода D1 запускается тиристор Т2 . Чтобы выключить тиристор Т2 необходимо включить тиристор Т A 2 . Далее подобные процессы повторяются аналогично вышеизложенным.
Инвертор Мак-Мюррея – Бедфорда
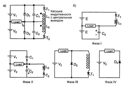
Инвертор Мак-Мюррея содержит два вспомогательных тиристора. Инвертор Мак-Мюррея-Бедфорда не требует никаких вспомогательных тиристоров. Один основной тиристор в этой схеме коммутирует другой основной тиристор. Электрическая схема, рабочие фазы и форма выходного сигнала инвертора Мак-Мюррея - Бедфорда изображены на рис.7. Рабочие фазы этой схемы устройства следующие.
Фаза I . Тиристор Т1 запущен. Постоянный ток протекает через тиристор Т1 , и индуктивность L 1 . Напряжение на индуктивности L 1 равно нулю, так как через нее протекает постоянный ток. Конденсатор С, замкнут через Т1 и L 1 . Конденсатор С2 заряжен до напряжения V 1 + V 2 : верхняя обкладка заряжена положительно, а нижняя - отрицательно.
![]() |
Рис.7 - а) Схема инвертора Мак-Мюррея; б) Фазы работы схемы
Фаза II . После включения тиристора Т2 напряжение с конденсатора С2 подается на индуктивность L 2 . Это напряжение равно удвоенному напряжению питания. За счет взаимной индукции на индуктивности L 1 появляется напряжение, равное напряжению на индуктивности L 2 . Напряжение на катоде тиристора Т1 равно учетверенному напряжению питания, а на аноде удвоенному напряжению питания. Таким образом, после включения тиристора Т2 тиристор Т1 выключается. Быстрое выключение тиристора L 1 возможно благодаря тому, что энергия, запасенная в индуктивности L 1 передается на индуктивность L 2 поскольку общий магнитный поток должен оставаться постоянным. Из рис.7в видно, что ток в схеме перераспределяется от тиристора Т1 на тиристор Т2 в начале фазы II. По цепи L 2 и С2 начинает протекать ток. Диод D 2 смещается в обратном направлении напряжением на конденсаторе С2 .
Фаза III . Как только полярность напряжения на конденсаторе изменяется на обратную, диод D 2 переходит в проводящее состояние и тем самым шунтирует конденсатор С2 . Энергия, запасенная на индуктивности L 2 поддерживает неизменное направление тока через тиристор Т2 идиод D 2 . Постепенно запасенная в индуктивности L 2 энергия рассеивается на активном сопротивлении нагрузки, и тиристор Т2 выключается.
Фаза IV . Диод D 2 по-прежнему смещен в прямом направлении за счет тока, протекающего через индуктивность нагрузки. Здесь имеет место процесс рециркуляции энергии, запасенной на индуктивности нагрузки. Диод D 2 находится в проводящем состоянии до тех пор, пока запасенная энергия передается источнику питания V 2 .
Тиристор Т2 снова включается, тем самым инициируя аналогичный отрицательный полупериод инвертора. В конце отрицательного полупериода тиристор Т1 остается в проводящем состоянии и процесс, описанный выше, повторяется.




