| Скачать .docx |
Курсовая работа: Система теплоснабжения от котельной
Оглавление
Введение
1. Выбор вида теплоносителей и их параметров
1.1 Выбор вида теплоносителей
1.2 Выбор параметров теплоносителей
2. Выбор и обоснование системы теплоснабжения и ее состав
3. Построение графиков изменения подачи теплоты. Годовой запас условного топлива.
4. Выбор метода регулирования. Расчет температурного графика
4.1 Выбор метода регулирования отпуска теплоты
4.2 Расчет температур воды в отопительных системах с зависимым присоединением
4.2.1 Температура воды в подающей линии тепловой сети, о С
4.2.2 Температура воды на выходе из отопительной системы
4.2.3 Температура воды после смесительного устройства (элеватора)
4.3 Подрегулирование системы горячего водоснабжения
4.4 Расчет расхода воды из тепловой сети на вентиляцию и температуры воды после систем вентиляции
4.5 Определение расходов сетевой воды в подающем и обратном трубопроводах водяной тепловой сети
4.5.1 Расход воды в системе отопления
4.5.2 Расход воды в системе вентиляции
4.5.3 Расход воды в системе ГВС.
4.5.4 Средневзвешенная температура в обратной линии тепловой сети.
5. Построение графиков расходов сетевой воды по объектам и в сумме
6. Выбор видва и способа прокладки тепловой сети
7. Гидравлический расчёт тепловой сети. Построение пьезометрического графика
7.1.Гидравлический расчет водяной тепловой сети
7.2 Гидравлический расчет разветвленных тепловых сетей
7.2.1 Расчет участка главной магистрали И – ТК
7.2.2 Расчет ответвления ТК – Ж1.
7.2.3 Расчет дроссельных шайб на ответвлениях тепловой сети
7.3 Построение пьезометрического графика
7.4 Выбор насосов
7.4.1 Выбор сетевого насоса
7.4.2 Выбор подпиточного насоса
8. Тепловой расчет тепловых сетей. Расчет толщины изоляционного слоя
8.1 Основные параметры сети
8.2 Расчёт толщины изоляционного слоя
8.3 Расчёт тепловых потерь
9. Тепловой и гидравлический расчёты паропровода
9.1 Гидравлический расчет паропровода
9.2 Расчёт толщины изоляционного слоя паропровода
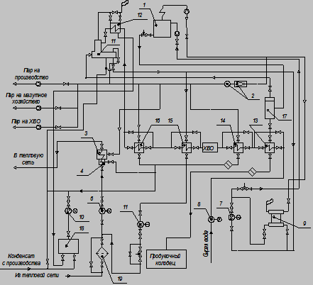
10. Расчёт тепловой схемы источника теплоснабжения. Выбор основного и вспомогательного оборудования.
10.1 Таблица исходных данных
11. Выбор основного оборудования
11.1 Выбор паровых котлов
11.2 Выбор деаэраторов
11.3 Выбор питательных насосов
12. Тепловой расчёт подогревателей сетевой воды
12.1 Пароводяной подогреватель
12.2 Расчёт охладителя конденсата
13. Технико-экономические показатели системы теплоснабжения
Заключение
Список литературы
введение
Промышленные предприятия и жилищно-коммунальный сектор потребляют огромное количество теплоты на технологические нужды, вентиляцию, отопление и горячее водоснабжение. Тепловая энергия в виде пара и горячей воды вырабатывается теплоэлектроцентралями, производственными и районными отопительными котельными.
Перевод предприятий на полный хозяйственный расчет и самофинансирование, намечаемое повышение цен на топливо и переход многих предприятий на двух- и трехсменную работу требуют серьезной перестройки в проектировании и эксплуатации производственных и отопительных котельных.
Производственные и отопительные котельные должны обеспечить бесперебойное и качественное теплоснабжение предприятий и потребителей жилищно-коммунального сектора. Повышение надежности и экономичности теплоснабжения в значительной мере зависит от качества работы котлоагрегатов и рационально. спроектированной тепловой схемы котельной. Ведущими проектными институтами разработаны и совершенствуются рациональные тепловые схемы и типовые проекты производственных и отопительных котельных.
Целью данного курсового проекта является получение навыков и ознакомление с методиками расчёта теплоснабжения потребителей, в частном случае - расчёта теплоснабжения двух жилых районов и промышленного предприятия от источника теплоснабжения. Также поставлена цель – ознакомиться с существующими государственными стандартами, и строительными нормами и правилами, касающимися теплоснабжения, ознакомление с типовым оборудованием тепловых сетей и котельных.
В данном курсовом проекте будут построены графики изменения подачи теплоты каждому объекту, определён годовой запас условного топлива для теплоснабжения. Будет произведён расчёт и построены температурные графики, а также графики расходов сетевой воды по объектам и в сумме. Произведён гидравлический расчёт тепловых сетей, построен пьезометрический график, выбраны насосы, сделан тепловой расчёт тепловых сетей, рассчитана толщина изоляционного покрытия. Определён расход, давление и температура пара, вырабатываемого на источнике теплоснабжения. Выбрано основное оборудование, рассчитан подогреватель сетевой воды.
Проект носит учебный характер поэтому предусматривает расчёт тепловой схемы котельной только в максимально зимнем режиме. Остальные режимы тоже будут затронуты, но косвенно.
1. Выбор вида теплоносителей и их параметров
1.1 Выбор вида теплоносителей
Выбор теплоносителя и системы теплоснабжения определяется техническими и экономическими соображениями и зависит главным образом от типа источника теплоты и вида тепловой нагрузки.
В нашем курсовом проекте три объекта теплоснабжения: промышленное предприятие и 2 жилых района.
Пользуясь рекомендациями [1], для отопления, вентиляции и горячего водоснабжения жилых и общественных зданий, систему теплоснабжения принимаем водяную. Это объясняется тем, что вода имеет ряд преимуществ по сравнению с паром, а именно:
а) более высокий КПД системы теплоснабжения вследствие отсутствия в абонентских установках потерь конденсата и пара, имеющих место в паровых системах;
б) повышенная аккумулирующая способность водяной системы.
Для промышленного предприятия в качестве единого теплоносителя для технологических процессов, отопления, вентиляции и горячего водоснабжения применяем пар.
1.2 Выбор параметров теплоносителей
Параметры технологического пара определяются по требованиям потребителей и с учётом потерь давления и теплоты в тепловых сетях.
В связи с тем, что данных о гидравлических и тепловых потерях в сетях не имеется, исходя из опыта эксплуатации и проектирования, принимаем удельные потери давления и снижение температуры теплоносителя вследствие тепловых потерь в паропроводе соответственно
и
. Для обеспечения заданных параметров пара у потребителя и исключения конденсации пара в паропроводе на основании принятых потерь, определяются параметры пара на источнике. Кроме того для работы теплообменного оборудования потребителя необходимо создать температурный напор
.
С учетом выше изложенного температура пара на входе потребителя составляет, 0 С:
![]()
где
=10-15 0
С
![]()
Согласно [2] давление насыщения пара при полученной температуре пара у потребителя
составляет
.
Давление пара на выходе источника с учетом принятых гидравлических потерь составит, МПа:
, (1.1)
где
- длина сети от источника до промпредприятия, м.
МПа
Температура насыщения пара при давлении
МПа составляет 147,5 0
С [2]. Температура пара необходимая для компенсации принятых тепловых потерь составит, 0
С:
, (1.2)
где
- температура перегрева пара (разность температур между перегретым паром и сухим насыщенным); принимается
0
С.
0
С
Итак, окончательно принимаются
0
С,
МПа.
В системе теплоснабжения для удовлетворения нагрузок отопления, вентиляции и горячего водоснабжения в качестве теплоносителя принята вода. Выбор обусловлен тем, что в жилых и общественных зданиях в системах централизованного теплоснабжения с целью соблюдения санитарных норм необходимо принимать в качестве теплоносителя воду. Применение для предприятий в качестве теплоносителя пара для технологических процессов, отопления, вентиляции и горячего водоснабжения допускается при технико-экономическом обосновании. В виду отсутствия данных для проведения технико-экономического анализа, и отсутствия необходимости в этом (не предусмотрено заданием) окончательно теплоносителем для отопления, вентиляции и горячего водоснабжения жилых районов и промышленного предприятия принимается горячая вода.
Согласно [1] минимальная температура теплоносителя в обратном трубопроводе при закрытой системе горячего водоснабжения составляет 70 0
С. Так как увеличение разности температур в подающей и обратной линии приводит к сокращению требуемого расхода теплоносителя, а верхний предел обусловлен надежностью эксплуатации отопительных приборов, а также условиями не вскипания воды в них, то принимаем наибольшую возможную температуру в подающем трубопроводе 150 0
С. В итоге для системы теплоснабжения принят график
.
Место и способ регулирования теплоносителя:
- вода – центральное качественное регулирование;
- пар – местное регулирование.
Серьезное значение имеет правильный выбор параметров теплоносителя. Повышение параметров теплоносителя приводит к уменьшению диаметров тепловой сети и снижению расходов по перекачке.
.
2. ВЫБОР И ОБОСНОВАНИЕ СИСТЕМЫ ТЕПЛОСНАБЖЕНИЯ
И ЕЁ СОСТАВ
Основное значение любой системы теплоснабжения состоит в обеспечении потребителей необходимым количеством теплоты требуемого качества.
При выборе системы теплоснабжения учитываются технические и экономические показатели по всем элементам: источнику теплоты, сети, абонентским установкам.
В данном курсовом проекте необходимо выбрать систему теплоснабжения для промышленного предприятия и 2-х жилых районов. Наиболее рациональным является выбор централизованной системы теплоснабжения, т.к. с уменьшением числа источников теплоснабжения, повышается экономичность выработки теплоты и снижаются начальные затраты и расходы по эксплуатации источников теплоснабжения.
В зависимости от числа трубопроводов, используемых для теплоснабжения данной группы потребителей, водяные системы делятся на одно-, двух-, трех- и многотрубные. В данном курсовом проекте выбираем двухтрубную водяную систему, в которой тепловая сеть состоит из двух трубопроводов: подающего и обратного. По подающему трубопроводу горячая вода подводится от станции к абонентам, по обратному трубопроводу охлажденная вода возвращается к котельной. Эти системы по сравнению с многотрубными требуют меньших начальных вложений и дешевле в эксплуатации.
Водяные системы теплоснабжения применяются: закрытые и открытые. Выбираем закрытую систему теплоснабжения, в ней сетевая вода используется только в качестве теплоносителя, но из сети не отбирается. Преимущество закрытой системы – гидравлическая изолированность водопроводной воды, поступающей в установки горячего водоснабжения, от воды, циркулирующей в тепловой сети. Обеспечивается стабильное качество горячей воды, поступающей в установки горячего водоснабжения, такое же, как качество водопроводной воды.
В зависимости от характера тепловых нагрузок абонента и режима тепловой сети выбираются схемы присоединения абонентских установок к тепловой сети. Присоединение нагрузки ГВС – независимое. Для отопления принимаем зависимую схему присоединения отопительных установок с элеваторным смешением. Основными преимуществами элеватора как смесительного устройства являются простота и надежность работы. В условиях эксплуатации элеватор не требует постоянного обслуживания. Достоинство закрытой схемы – это простота и дешевизна, и при этом может быть получен несколько больший перепад температур сетевой воды в абонентской установке. Увеличение перепада температур воды уменьшает расход теплоносителя в сети, что может привести к снижению диаметров сети и экономии на начальной стоимости тепловой сети и на эксплуатационных расходах.
Для теплоснабжения промышленного предприятия применяем паровую централизованную систему, она должна включать в себя системы сбора и возврата конденсата.
Паровую систему предусматриваем двухтрубную с возвратом конденсата. Пар по паровой сети транспортируется к тепловым потребителям. Конденсат возвращается от потребителя в котельную по конденсатопроводу. На случай аварийной ситуации предусматриваем резервную подачу пара в сеть через редукционно-охладительную установку. Сбор конденсата от теплоприемников и возврат его к источнику теплоты имеют важное значение для надежности работы котельной установки и для экономии теплоты и общей экономичности системы теплоснабжения вцелом. Систему сбора и возврата конденсата принимаем закрытую.
Температуру возвращаемого конденсата принимаем 800 С, а коэффициент возврата конденсата принимается равным 0,8.
Технологические потребители к паровым системам теплоснабжения присоединяются непосредственно; системы горячего водоснабжения и отопления присоединяются либо через пароводяной подогреватель, либо через струйный подогреватель.
Котельная по назначению - отопительно-производственная - для обеспечения теплом систем отопления, вентиляции, горячего водоснабжения и для технологического теплоснабжении.
Согласно
пролкладка тепловых сетей в жилых районах предусматривается подземная – канальная. Это связано с соблюдением архитектурных и планировочных требований. Для паропроводов предусмотрена воздушная прокладка.
Все три вида нагрузки присоединяем к тепловой сети параллельно. То есть расход теплоносителя будет складываться из суммы его расходов на отдельные виды нагрузки.
3. Построение графиков изменения подачи
теплоты. Годовой запас условного топлива
Первым этапом проектирования системы теплоснабжения является определение расходов и необходимых параметров теплоты для всех присоединенных к этой системе потребителей.
Годовое потребление состоит из расходов на отопление, вентиляцию, горячее водоснабжение (ГВС) и технологию. Они, в свою очередь, складываются из теплопотреблений отдельных объектов теплоснабжения и по характеру протекания во времени подразделяются на сезонные и круглогодичные. Сезонные нагрузки очень зависят от климатических условий (в нашем случае основным условием будет являться температура наружного воздуха). К сезонным относятся нагрузки отопления и вентиляции. Круглогодичные – фактически не зависят от климатических условий, таковыми являются нагрузки ГВС и технологические.
В нашем проекте три объекта теплоснабжения: промышленное предприятие и 2 жилых района. Расходы теплоты промышленным предприятием нам заданы, необходимо определить величину теплопотребления в жилых районах.
Согласно исходным данным город-местоположение котельной – Иваново. Климатологические параметры расчетного города для холодного периода года принимаем по [3] и заносим их в Таблицу 3.1.
Таблица 3.1 Климатологические параметры расчётного города
| Наименование |
Обозначение |
Размерность |
Величина |
| Расчетная температура воздуха |
tнр |
ºС |
- 30 |
| Продолжительность отопительного периода |
nо |
сутки |
236 |
| Средняя температура воздуха в отопительный период |
tср |
ºС |
- 4,4 |
Согласно [1] при разработке схем теплоснабжения расчетные тепловые нагрузки определяются:
а) для намечаемых к строительству промышленных предприятий — по укрупненным нормам развития основного (профильного) производства или проектам аналогичных производств;
б) для намечаемых к застройке жилых районов — по укрупненным показателям плотности размещения тепловых нагрузок или по удельным тепловым характеристикам зданий и сооружений согласно генеральным планам застройки районов населенного пункта.
Расчётную нагрузку на отопление жилых и общественных зданий определяем по следующему выражению, Вт
Qo ¢ = qo × F(1+k1 ), (3.1)
где qo – укрупненный показатель максимального теплового потока на отопление жилых зданий на 1 м2 общей площади, принимаемый по [1], Вт/м2 .
F – площадь жилых зданий, м2
k1 – коэффициент, учитывающий тепловой поток на отопление общественных зданий, согласно рекомендациям [1] принимаем k1 = 0,25;
Расчет ведем для двух жилых районов:
Для 1-го жилого района:
Высота зданий – 30 м, высота потолков ≈ 3 м, следовательно этажность принимаем
30/3 = 10 этажей. Здания возведены после 1985 года.
Для 2-го жилого района:
Высота зданий – 30 м, высота потолков ≈ 3м, этажность – 10 этажей. Здания возведены после 1985 года.
Получаем qо = 83 Вт/м2 для обоих жилых районов.
Площадь жилых зданий:
Для 1-го жилого района : F1 = 270000 м2 ;
Для 2-го жилого района : F2 = 162000 м2 ;
Определяем расчётную нагрузку на отопление по районам по формуле (3.1)
Для 1-го жилого района:
= qo
·F1
·(1 + k1
) = 83·270000·(1 + 0,25) = 28012500 Вт = 28,0125 МВт;
Для 2-го жилого района:
= qo
·F2
·(1 + k1
) = 83·162000·(1 + 0,25) = 16807500 Вт = 16,807 МВт;
Расчётную тепловую нагрузку на вентиляцию общественных зданий определяем по выражению, Вт
= k1
·k2
·qo
·F, (3.2)
где k2 – коэффициент, учитывающий тепловой поток на вентиляцию общественных зданий, для зданий, построенных после 1985 года k2 = 0,6;
Определяем расчётную тепловую нагрузку на вентиляцию по районам.
Для 1-го жилого района:
= k1
·k2
·qo
·F = 0,25·0,6·83·270000= 3361500 Вт = 3,3615 МВт;
Для 2-го жилого района:
= k1
·k2
·qo
·F = 0,25·0,6·83·162000= 2016900 Вт = 2,0169 МВт.
Для общественных зданий, расположенных в жилом районе, а также если для них неизвестны расходы воды, рекомендуется по [1] расчет расхода теплоты определять в целом по жилому району:
=
, Вт (3.3)
где Nж – число жителей:
Коэффициент 1,2 учитывает выстываение горячей воды в абонентских системах горячего водоснабжения [3].
а – средненедельная норма расхода воды на горячее водоснабжение при температуре 55ºС на одного человека в сутки, проживающего в здании с горячим водоснабжением. Принимаем как для жилых домов квартирного типа с централизованным горячим водоснабжением, оборудованных душами и ваннами длиной от 1,5 до 1,7 м, в соответствии с [3], а = 120 л/(сут·чел);
b – норма расхода воды на горячее водоснабжение, потребляемой в общественных зданиях, при температуре 55ºС, т.к. мы не располагаем более точными данными, по [3] рекомендуется принять b = 25 л/(сут·чел);
tз – температура холодной (водопроводной) воды. Т.к. отсутствуют данные о температуре холодной водопроводной воды, ее принимаем в отопительный период tз = 5ºC [1];
сср – средняя теплоёмкость воды в рассматриваемом интервале температур, сср = = 4 190 кДж/(кг·К) [4];
Число жителей:
Для 1-го жилого района: Nж 1 = 15000 чел.
Для 2-го жилого района: Nж 2 = 9000 чел.
Тогда тепловые нагрузки на ГВС:
Для 1-го жилого района:
=
= 6,328МВт;
Для 2-го жилого района:
=
= 3,797 МВт;
При расчете суммарной круглогодичной нагрузки системы централизованного теплоснабжения необходимо иметь величины средних нагрузок для сезонных потребителей теплоты. Такие нагрузки определяются по формулам в зависимости от средней температуры наружного воздуха за отопительный период tср.о н
Для отопления
(3.4)
Для вентиляции
(3.5)
Для горячего водоснабжения
=
(3.6)
Для технологии
Qт = Qт ¢ (3.7)
где Qо
¢, Qв
¢,
,
Qт
¢ - расчётные нагрузки на отопление, вентиляцию, горячее водоснабжение и технологию, МВт;
tвр - температура воздуха внутри помещения, о С;
tнр , - расчётная температура наружного воздуха, о С;
tн ср.о – текущая температура наружного воздуха, о С.
Для жилых зданий tвр =20 о С.
Для г.Иваново tнр = -30 о С по [4];.
Зависимость тепловых нагрузок отопления, вентиляции, горячего водоснабжения и технологии от температуры наружного воздуха в соответствии с уравнениями (3.4) и (3.5) имеют прямые линии, поэтому для определения и построения графиков для систем вентиляции и отопления объектов достаточно двух значений, а для систем горячего водоснабжения и технологии всего одного.
В соответствии с формулами (3.4) и (3.5) получаем:
Для 1-го жилого района:
МВт;
МВт;
=
= 6,328 МВт.
Для 2-го жилого района:
МВт;
МВт;
=
= 3,797 МВт.
Средний тепловой поток, на горячее водоснабжение жилых районов населенных пунктов в неотапливаемый период определяем по следующему выражению
(3.8)
- температуры холодной водопроводной воды летом и зимой, при отсутствии данных можно принять
[1];
- коэффициент, учитывающий изменение среднего расхода воды на горячее водоснабжение в неотопительный период по отношению к отопительному периоду, принимаем при отсутствии данных для жилищно-коммунального сектора равным 0,8, для предприятий – 1 в соответствии с рекомендациями
;
Для 1-го жилого района:
4,05 МВт.
Для 2-го жилого района:
2,43 МВт.
Суммарные тепловые нагрузки по районам при расчётной температуре:
Отопление:
МВт;
Вентиляция:
МВт;
ГВС зимнее:
МВт;
ГВС летнее:
МВт;
На основании выполненных расчётов строим графики изменения подачи теплоты объектам.
Для первого и второго жилых районов суммарный график показан на рисунке 3.1.

Рисунок 3.1 – Графики изменения подачи теплоты в зависимости от температуры наружного воздуха в первом и втором жилых районах.
Нагрузка (Q) на: 1 – отопление первого и второго жилых районов; 2 – вентиляцию первого и второго жилых районов; 3– ГВС первого и второго жилых районов (зимняя); 4– ГВС первого и второго жилых районов (летняя); 5 – суммарный график по районам.
Выполним расчёт для построения графика изменения подачи теплоты для промышленного предприятия. По [1] для промышленного предприятия температура внутреннего воздуха tв = 16 о С.
Из исходных данных нам известно:
расчётная нагрузка на отопление Qo = 4,6 МВт;
расчётная нагрузка на вентиляцию Qв = 2,1 МВт;
расчётная нагрузка на горячее водоснабжение Qгв = 2,0 МВт;
расчётная нагрузка на технологию Qт = 26 МВт.
В соответствии с формулами (3.4) и (3.5) получаем:
, МВт;
, МВт;
Qгв = Qгв(ПП) ¢ = 2 МВт;
Qт = Qт(ПП) ¢ = 26 МВт.
Значение летней нагрузки на горячее водоснабжение найдём по формуле (3.8):
1,6 МВт.
На основании выполненных расчётов строим график тепловых нагрузок потребителей промышленного предприятия, рисунок 3.2.
Рисунок 3.2 – Графики изменения подачи теплоты в зависимости от температуры наружного воздуха в ПП.
Нагрузка (Q) на: 1 – отопление; 2 – вентиляцию; 3 – ГВС (зимняя); 4 – ГВС (летняя); 5 – технологию.
Для построения графика суммарного теплопотребления и графика годового теплопотребления необходимо знать число часов за отопительный период со среднесуточной температурой наружного воздуха. Такие сведения предоставит [3].
Таблица 3.2 – Число часов за отопительный период со среднесуточной температурой наружного воздуха, ч
| 8 |
0 |
-5 |
-10 |
-15 |
-20 |
-25 |
-30 |
-35 |
|
| n, час |
5210 |
3800 |
2070 |
1300 |
635 |
275 |
102 |
42 |
5 |
Годовой расход топлива:
, (3.9)
где Qгод – суммарное годовое потребление теплоты, МДж/год;
Qнр – низшая теплота сгорания условного топлива, МДж/кг; Qнр = 29,3 МДж/кг;
h- КПД источника теплоснабжения; h= 0,9.
Годовой расход теплоты определяется по следующей формуле
Qгод = Qогод + Qвгод + Qгвсгод + Qтгод , (3.10)
где Qогод , Qвгод , Qгвсгод , Qтгод – годовые потребления теплоты на цели отопления, вентиляции, горячего водоснабжения и технологии, ГДж/год.
Годовой расход теплоты на отопление для жилых и общественных зданий, ГДж/год:
Qо.жгод = nот × Qоср × 3,6 × 24, (3.11)
где nот – продолжительность отопительного периода, nот = 236суток;
Qоср - суммарное среднее потребление теплоты на отопление, МВт. Qоср определяется по выражению
Qоср = Qо(1)ср + Qо(2)ср , (3.12)
где Qо(1)ср , Qо(2)ср - суммарное среднее потребление теплоты на отопление первого жилого района и второго жилого района, МВт, которое определяется соотношением
, МВт (3.13)
МВт;
МВт;
Тогда по формуле (3.12) определяем суммарное среднее потребление теплоты на отопление для жилых и обжественных зданий
Qоср = 13,67 + 8,2 = 21,87 МВт.
Определяется годовая нагрузка на отопление жилых и общественных зданий по формуле (3.11):
Qо.жгод = 236 × 21,87 × 86,4 = 445938,05 ГДж/год.
Годовой расход теплоты на отопление на промышленном предприятии, ГДж/год:
, (3.14)
где zп.п
– число часов работы промышленного предприятия в сутки, примем zп.п
=24 ч/сут по
; Дежурного отопления на предприятии нет.
Определяем годовой расход теплоты на отопление по (3.14)
,
Суммарный годовой расход теплоты на отопление жилых районов и промышленного предприятия:
![]()
Определяется годовая нагрузка на вентиляцию в жилых и общественных зданиях:
Qв.жгод = Qвср nв×z×3600×10-3 , (3.15)
где z – усредненное за отопительный период число часов работы системы вентиляции общественных зданий в течение суток (при отсутствии данных принимается равным 16 ч) [1];
Qвср - суммарное среднее потребление теплоты на вентиляцию, МВт.
Qвср = Qв(1)ср + Qв(2)ср , (3.16)
где Qв(1)ср , Qв(2)ср - суммарное среднее потребление теплоты на вентиляцию первого жилого района и второго жилого района, МВт, которое определяется по формуле
, МВт (3.17)
МВт
МВт
Суммарное среднее потребление теплоты на вентиляцию по формуле (3.17)
Qв.жср = 1,64 + 0,984 = 2,624 МВт
Тогда по формуле (3.16)
Qвгод = 2,624 × 236 × 16 × 3,6 = 35669,61 ГДж/год.
Годовой расход теплоты на вентиляцию на промышленном предприятии, ГДж/год:
(3.18)
![]()
Тогда суммарный годовой расход теплоты на вентиляцию:
![]()
Годовая нагрузка на горячее водоснабжение:
Qгв год = Qгв ж год + Qгв ппгод ,
где Qгв ж год - годовой расход теплоты на ГВС в жилых микрорайонах,
Qгв ппгод – годовой расход теплоты на ГВС промпредприятия.
Годовой расход теплоты на горячее водоснабжение жилых районов:
(3.19),
где nу – расчетное число суток в году работы системы горячего водоснабжения. При отсутствии данных следует принимать 350 суток [2].
ГДж/год.
Годовой расход теплоты на горячее водоснабжение промпредприятия:
,
так как вода подается только на душевой разбор, который работает только в течении двух часов в смену, то Т=9часа.
ГДж/год.
Qгв год = 270278,21 + 21202,56 = 291480,77 ГДж/год.
Годовой расход теплоты на технологию:
, (3.20)
где nгод – годовое число часов использования максимума технологической тепловой нагрузки, ч/год, принятое значение соответствует 3х -сменному режиму работы:
nгод = 8760 ч/год;
ГДж/год.
Суммарное годовое потребление теплоты:
Qгод = 458172,29 + 41254,54 + 291480,77 + 737942,4 = 1528850 ГДж/год
Годовой расход топлива:
т/год у.т.
Полученные результаты будут использованы при выборе и расчете источника теплоснабжения.

Рисунок 3.3 – График годового расхода теплоты (График Россандера).
4. Выбор метода регулирования. Расчет
температурного графика
Данный раздел необходим для определения графика изменения температур в подающем и обратном трубопроводе в зависимости от температуры наружного воздуха.
Исходные данные для расчета:
1.
температура теплоносителя в подающем трубопроводе, ![]()
Принято ![]()
;
2.
температура теплоносителя в обратном трубопроводе, ![]()
Принято ![]()
;
3.
температура после абонентского ввода [1], ![]()
Для зависимых систем ![]()
;
4.1 Выбор метода регулирования отпуска теплоты
Надежная и экономичная работа систем централизованного теплоснабжения возможна лишь при автоматизации режима их работы. Это достигается путем регулирования системы. В крупных системах достичь качества и эффективности снабжения возможно, лишь применяя комбинированное рациональное регулирование, производимое как минимум на трёх ступенях (центральное, групповое или местное и индивидуальное).
Для данного курсового проекта принимаем центральный качественный метод регулирования по отопительной нагрузке. При разнородной тепловой нагрузке наряду с центральным регулированием невозможно одновременно сочетать требования всех абонентов, снабжаемых теплотой от единой сети. Поэтому наряду с центральным качественным регулированием должно проводиться местное количественное подрегулирование групп однотипных систем и потребителей теплоты в узлах присоединения.
В паровых системах теплоснабжения регулирование отпуска теплоты местное, непосредственно у потребителей. Регулирование заключается в изменении температуры конденсации посредством дросселирования или изменением времени работы отопительных приборов (пропусками).
Центральный качественный метод представляет собой регулирование отпуска теплоты за счёт изменения температуры теплоносителя на входе в систему (при неизменном расходе теплоносителя) и может обеспечить более стабильный тепловой режим, нежели количественный метод.
Качественное регулирование возможно не на всём промежутке температур отопительного периода, что связано с условиями горячего водоснабжения. По [1] для закрытой системы теплоснабжения температура в воды в подающем трубопроводе должна быть не менее 70ºС, при температуре воды в местах водоразбора не менее 60ºС (резерв в 10ºС учитывает падение температуры воды в местных коммуникациях и в теплообменнике ГВС).
4.2 Расчет температур воды в отопительных системах с зависимым
присоединением
В основу расчета закладывается закон изменения отопительной нагрузки от температуры наружного воздуха [3].
Для построения графика регулирования отпуска теплоты воспользуемся уравнением для качественного регулирования для зависимой системы присоединения.
4.2.1 Температура воды в подающей линии тепловой сети, о С
; (4.1)
где
– относительная отопительная нагрузка при любой температуре наружного воздуха tн, о
С
– расчетная разность температур в отопительных приборах, о
С
– расчетный перепад температур в тепловой сети, о
С
– расчетный перепад температур теплоносителя в отопительных приборах, о
С
Относительная отопительная нагрузка при любой температуре наружного воздуха
,
где
- текущая температура наружного воздуха.
Принимается равной
= -30; -25; -20; -15; -10; -5; 0; 5; 8 °C.
Тепловая нагрузка при каждой из перечисленных температур:
![]()
![]()
Аналогично производится расчёт при других температурах. Полученные значения относительной тепловой нагрузки сведены в Таблицу 4.1.
Расчетная разность температур в отопительных приборах
о
С
Расчетный перепад температур в тепловой сети
о
С
Расчетный перепад температур теплоносителя в отопительных приборах
о
С
Тогда по формуле (4.1) получаем
![]()
°C;
Аналогично производится расчёт для температуры сетевой воды перед отопительной системой при остальных текущих температурах наружного воздуха. Полученные значения сведены в Таблицу 4.1.
4.2.2 Температура воды на выходе из отопительной системы
; (4.2)
![]()
°C;
Аналогично производится расчёт температуры воды на выходе из отопительной системы при остальных текущих температурах наружного воздуха. Полученные значения сведены в Таблицу 4.1.
4.2.3 Температура воды после смесительного устройства (элеватора)
, (4.3)
![]()
°C;
Аналогично производится расчёт температуры воды после смесительного устройства при остальных текущих температурах наружного воздуха. Полученные значения сведены в Таблицу 4.1, а температурные графики на рис.4.1.
При
>
регулирование отопительной нагрузки не осуществляется.
Таблица 4.1 – Результаты расчета регулирования отпуска теплоты
| Расчетные параметры |
Температуры наружного воздуха, |
|||||||
| 10 |
0 |
-5 |
-10 |
-15 |
-20 |
-25 |
-30 |
|
|
|
0,2 |
0,4 |
0,5 |
0,6 |
0,7 |
0,8 |
0,9 |
1,0000 |
|
|
49,3 |
75,99 |
88,8 |
101,36 |
113,74 |
125,96 |
138,04 |
150,00 |
|
|
33,3 |
43,99 |
48,8 |
53,36 |
57,74 |
61,96 |
66,04 |
70,00 |
|
|
38,3 |
53,99 |
61,8 |
68,36 |
75,24 |
81,96 |
88,54 |
95,00 |

Рисунок 4.1.
– Температурные графики качественного регулирования отопительной нагрузки от температур наружного воздуха:
- температура теплоносителя в подающей линии тепловой сети;
- температура теплоносителя после отопительной установки;
- температура воды после смесительного устройства.
4.3 Подрегулирование системы горячего водоснабжения
Для того чтобы выполнить подрегулирование системы горячего водоснабжения необходимо определить следующие параметры (методика расчета взята в соответствии с [5] ).
Расчет водяного эквивалента воды на горячее водоснабжение
, кВт/К
, (4.4)
где:
средняя нагрузка на горячее водоснабжение ,
;
температура воды в подающем трубопроводе в точке излома,
.
![]()
температура воды в обратном трубопроводе в точке излома,
.
По графику рис 4.1. определили
![]()
кВт/К
Расчет водяного эквивалента водопроводной воды
в кВт/К
, (4.5)
где:
средняя нагрузка на горячее водоснабжение ,
;
температура горячей воды ,
;
температура холодной воды ,
.
![]()
Расчетный средний температурный напор для подогревателя системы горячего водоснабжения:
. (4.6)
![]()
![]()
Параметр секционного водо-водяного подогревателя:
, (4.7)
![]()
Задаемся произвольным значением температуры греющей воды на выходе из подогревателя системы горячего водоснабжения ![]()
.
Значение водяного эквивалента сетевой воды для полученных температур
, ![]()
, (4.8)
Расчет
при ![]()
кВт/К
Из совокупности водяных эквивалентов выбираем меньший и больший водяные эквиваленты. Сравниваем
и ![]()
Если
>
, тогда
, а ![]()
Если
<
, тогда
, а ![]()
Следовательно,
=242,5, а
=105,43
Безразмерная удельная тепловая нагрузка секционного подогревателя:
, (4.9)
Расчет
при ![]()

Фактическая тепловая нагрузка горячего водоснабжения, кВт.
(4.10)
Расчет
при ![]()
кВт
Фактическая температура сетевой воды на выходе из подогревателя горячего водоснабжения, ![]()
, (4.11)
Расчет
при ![]()
![]()
Расчет при других температурах наружного воздуха ведется аналогично. Результаты сводятся в таблицу 4.2.
Таблица 4.2 – Результаты определения фактической температуры горячей воды
| Расчетные параметры |
Температуры наружного воздуха, |
||||||||
| 8 |
5 |
0 |
-5 |
-10 |
-15 |
-20 |
-25 |
-30 |
|
|
|
319,08 |
319,08 |
269,44 |
193,55 |
157,4 |
132,9 |
115,17 |
101,72 |
91,17 |
|
|
319,08 |
319,08 |
269,44 |
242,5 |
242,5 |
242,5 |
242,5 |
242,5 |
242,5 |
|
|
242,5 |
242,5 |
242,5 |
193,55 |
157,4 |
132,9 |
115,17 |
101,72 |
91,17 |
|
|
0,67 |
0,67 |
0,628 |
0,657 |
0,709 |
0,751 |
0,786 |
0,816 |
0,842 |
|
|
10561 |
10561 |
10965 |
10764 |
10829 |
10903 |
10979 |
11056 |
11131 |
|
|
36,9 |
36,9 |
36,3 |
34 |
33,2 |
32,2 |
31 |
29,5 |
27,9 |
4.4 Расчет расхода воды из тепловой сети на вентиляцию и
температуры воды после систем вентиляции
Расчет ведем согласно указаниям, представленным в [5]
Расчет водяного эквивалента воздуха на вентиляцию
, ![]()
, (4.12)
где:
нагрузка на вентиляцию ,
;
расчетная температура воздуха в помещении ![]()
;
расчетная температура наружного воздуха в целях вентиляции, ![]()
.
![]()
![]()
Расчет водяного эквивалента воды
, ![]()
, (4.13)
![]()
![]()
Выбираем из полученных значений
,
з меньшее
=
=42,02![]()
Средний температурный напор
в ![]()
, (4.14)
![]()
Основной режимный коэффициент калорифера
.
, (4.15)
![]()
Безразмерный коэффициент ![]()
, (4.16)
Расчет коэффициента
при![]()
![]()
Коэффициент калорифера ![]()
, (4.17)

Определение ![]()
(4.18)
Для того, чтобы определить отношение
и затем рассчитать
, необходимо решить уравнение (4.21).Решение данного уравнения производим методом последовательных приближений.
При
уравнение будет иметь вид:

Решая данное уравнение методом последовательных приближений, находим, что отношение
=0,62. Исходя из этого, зная, что
=67,23кДж/с
, находим
.
=0,687
=0,62
67,23=42,02 кДж/с![]()
Тепловая нагрузка на вентиляцию
, ![]()
, (4.19)
Расчет коэффициента
при ![]()
![]()
![]()
Фактическая температура воды после калорифера
, ![]()
, (4.20)
Расчет температуры воды
при ![]()
![]()
Расчет при других температурах наружного воздуха ведется аналогично.
Результаты расчетов сведены в таблицу 4.3
Таблица 4.3 – Результаты определения фактической температуры воды
| Расчетные параметры |
Температуры наружного воздуха, |
||||||||
| 8 |
5 |
0 |
-5 |
-10 |
-15 |
-20 |
-25 |
-30 |
|
|
|
4,667 |
3,833 |
3,118 |
3,058 |
3,010 |
2,978 |
2,951 |
2,927 |
2,886 |
|
|
0,199 |
0,224 |
0,318 |
0,355 |
0,396 |
0,432 |
0,472 |
0,514 |
0,612 |
|
|
33,52 |
37,73 |
53,56 |
59,79 |
66,70 |
72,76 |
79,50 |
86,58 |
103,08 |
|
|
2021 |
2527 |
3369 |
4211 |
5053 |
5727 |
6401 |
7074 |
8422 |
|
|
9,70 |
3,04 |
9,48 |
13,52 |
19,55 |
25,56 |
32,62 |
40,21 |
57,58 |
4.5 Определение расходов сетевой воды в подающем и обратном
трубопроводах водяной тепловой сети
4.5.1 Расход воды в системе отопления
, (4.21)
где
- расчётный расход воды на отопление для всех потребителей. Посчитан ранее и составляет:
= 49,4195 МВт.
кг/с.
4.5.2 Расход воды в системе вентиляции
Gв =Wп /св (4.22)
Расчет Gв при ![]()
Gв =42,02/4,19=10,03кг/с.
4.5.3 Расход воды в системе ГВС
(4.23)
Расчет Gгвс при ![]()
кг/с.
4.5.4 Средневзвешенная температура в обратной линии тепловой сети.
(4.24)
Результаты расчётов сводим в таблицу 4.4.
Таблица 4.4.
| Расчетные параметры |
Температуры наружного воздуха, |
||||||||
| 8 |
5 |
0 |
-5 |
-10 |
-15 |
-20 |
-25 |
-30 |
|
|
|
42,50 |
42,50 |
43,28 |
47,58 |
51,67 |
54,81 |
57,86 |
60,83 |
70 |
|
|
7,76 |
7,70 |
9,48 |
13,52 |
19,55 |
25,56 |
32,62 |
40,21 |
70 |
|
|
35,84 |
35,84 |
35,69 |
34,97 |
35,00 |
34,80 |
34,44 |
33,93 |
32,55 |
|
|
110,20 |
137,75 |
147,43 |
147,43 |
147,43 |
147,43 |
147,43 |
147,43 |
147,43 |
|
|
8,00 |
9,00 |
12,78 |
14,27 |
15,92 |
17,37 |
18,97 |
20,66 |
10,03 |
|
|
58,20 |
58,20 |
54,94 |
43,15 |
35,65 |
31,35 |
28,00 |
25,33 |
25,16 |
|
|
38,73 |
39,08 |
39,76 |
43,12 |
46,76 |
49,70 |
52,72 |
55,78 |
62,24 |

Рисунок 4.2 – Температурный график регулирования тепловой сети.
1 – температура воды в подающей линии; 2 – температура воды в обратной линии; 3 – температура воды на выходе из системы вентиляции; 4 – температура воды на выходе из подогревателя ГВС; 5 – средневзвешенная температура.
5. ПОСТРОЕНИЕ ГРАФИКОВ РАСХОДОВ СЕТЕВОЙ ВОДЫ ПО
ОБЪЕКТАМ И В СУММЕ
Для построения графиков расходов сетевой воды в сетях по объектам находим численные значения расходов сетевой воды, идущей в систему отопления, вентиляции и ГВС для каждого объекта. Определение этих расходов будем осуществлять по известной тепловой нагрузке и температурам сетевой воды
Определяем расходы сетевой воды для первого жилого района.
Расход сетевой воды, поступающей в систему отопления
; (5.1)
Расчет ведем при tн = -300 С
![]()
Расход сетевой воды, поступающей в систему вентиляции
(5.2)
Расход сетевой воды, поступающей в систему ГВС
(5.3)
Аналогично расчет ведется при других температурах
Для второго жилого района и промышленного предприятия расчет ведется аналогично. Результаты расчета для всех районов сведены в таблицу 5.1.
По результатам расчета строим графики расхода сетевой воды по объектам и в сумме, представленные на рис.5.1 – 5.4.
Таблица 5.1 - 5.4.
| Расчетные параметры |
|
|||||||||||
| 8 |
5 |
1,05 |
0 |
-5 |
-10 |
-14 |
-18 |
-22 |
-26 |
-30 |
-35 |
|
| первый жилой район |
||||||||||||
| QO1, МВт |
4,830 |
7,245 |
9,659 |
12,074 |
14,489 |
16,904 |
19,319 |
21,734 |
24,149 |
4,830 |
7,245 |
9,659 |
| GО1, кг/с |
46,192 |
69,288 |
92,385 |
72,094 |
72,094 |
72,094 |
72,094 |
72,094 |
72,094 |
46,192 |
69,288 |
92,385 |
| QВ1, МВт |
0,580 |
0,869 |
1,159 |
1,449 |
1,739 |
2,028 |
2,318 |
2,608 |
2,898 |
0,580 |
0,869 |
1,159 |
| GВ1, кг/с |
3,643 |
5,464 |
7,285 |
6,766 |
7,205 |
7,519 |
7,757 |
7,915 |
8,651 |
3,643 |
5,464 |
7,285 |
| QГ1, МВт |
6,328 |
6,328 |
6,328 |
6,328 |
6,328 |
6,328 |
6,328 |
6,328 |
6,328 |
6,328 |
6,328 |
6,328 |
| GГ1, кг/с |
45,660 |
45,660 |
44,847 |
27,160 |
21,956 |
18,423 |
15,862 |
13,904 |
12,378 |
45,660 |
45,660 |
44,847 |
| второй жилой район |
||||||||||||
| QO2, МВт |
2,898 |
4,347 |
5,796 |
7,244 |
8,693 |
10,142 |
11,591 |
13,040 |
14,489 |
2,898 |
4,347 |
5,796 |
| GО2, кг/с |
27,715 |
41,572 |
55,429 |
43,255 |
43,255 |
43,255 |
43,255 |
43,255 |
43,255 |
27,715 |
41,572 |
55,429 |
| QВ2, МВт |
0,348 |
0,522 |
0,695 |
0,869 |
1,043 |
1,217 |
1,391 |
1,565 |
1,739 |
0,348 |
0,522 |
0,695 |
| GВ2, кг/с |
2,186 |
3,278 |
4,371 |
4,060 |
4,323 |
4,511 |
4,654 |
4,749 |
5,191 |
2,186 |
3,278 |
4,371 |
| QГ2, МВт |
3,797 |
3,797 |
3,797 |
3,797 |
3,797 |
3,797 |
3,797 |
3,797 |
3,797 |
3,797 |
3,797 |
3,797 |
| GГ2, кг/с |
27,397 |
27,397 |
26,910 |
16,297 |
13,175 |
11,054 |
9,518 |
8,343 |
7,427 |
27,397 |
27,397 |
26,910 |
| промышленное предприятие |
||||||||||||
| QOп, МВт |
0,511 |
0,937 |
1,363 |
1,789 |
2,215 |
2,641 |
3,067 |
3,493 |
3,919 |
0,511 |
0,937 |
1,363 |
| GОп, кг/с |
4,888 |
8,962 |
14,393 |
14,393 |
14,393 |
14,393 |
14,393 |
14,393 |
14,393 |
4,888 |
8,962 |
14,393 |
| QВп, МВт |
0,233 |
0,428 |
0,622 |
0,817 |
1,011 |
1,206 |
1,400 |
1,594 |
1,789 |
0,233 |
0,428 |
0,622 |
| GВп, кг/с |
1,467 |
2,689 |
3,911 |
3,813 |
4,190 |
4,469 |
4,684 |
4,839 |
5,341 |
1,467 |
2,689 |
3,911 |
| QГп, МВт |
2,000 |
2,000 |
2,000 |
2,000 |
2,000 |
2,000 |
2,000 |
2,000 |
2,000 |
2,000 |
2,000 |
2,000 |
| GГп, кг/с |
14,431 |
14,431 |
14,174 |
8,584 |
6,939 |
5,823 |
5,013 |
4,394 |
3,912 |
14,431 |
14,431 |
14,174 |
| суммарные расходы |
||||||||||||
| G О , кг/с |
78,80 |
119,82 |
162,21 |
129,74 |
129,74 |
129,74 |
129,74 |
129,74 |
129,74 |
78,80 |
119,82 |
162,21 |
| G В , кг/с |
6,062 |
9,170 |
12,279 |
11,642 |
12,539 |
13,236 |
13,811 |
14,258 |
15,631 |
6,062 |
9,170 |
12,279 |
| G Г , кг/с |
87,488 |
87,488 |
85,931 |
52,040 |
42,070 |
35,300 |
30,393 |
26,641 |
23,717 |
87,488 |
87,488 |
85,931 |
| G, кг/с |
172,35 |
216,48 |
260,42 |
193,42 |
184,35 |
178,28 |
173,95 |
170,64 |
169,09 |
172,35 |
216,48 |
260,42 |

Рисунок 5.1 . – График зависимости сетевой воды для жилого района 1.
1 – расход сетевой воды, поступающий в систему отопления, Gо; 2 – расход сетевой воды, поступившей в систему вентиляции, Gв; 3 – расход сетевой воды, поступившей в систему ГВС, GГВС.

Рисунок 5.2. – График зависимости сетевой воды для жилого района 2.
1– расход сетевой воды, поступающий в систему отопления, Gо; 2 – расход сетевой воды, поступившей в систему вентиляции, Gв; 3 – расход сетевой воды, поступившей в систему ГВС, GГВС.

Рисунок 5.3. – График зависимости сетевой воды для промышленного предприятия.
1– расход сетевой воды, поступающий в систему отопления, Gо ; 2 – расход сетевой воды, поступившей в систему вентиляции, Gв ; 3 – расход сетевой воды, поступившей в систему ГВС, GГВС .

Рисунок 5.4. – График зависимости суммарного расхода сетевой воды, поступающей на теплоснабжение.
1– суммарный расход сетевой воды, поступающий в систему отопления, Gо ; 2 – суммарный расход сетевой воды, поступившей в систему вентиляции, Gв ; 3 – суммарный расход сетевой воды, поступившей в систему ГВС, GГВС ; 4 – общий расход сетевой воды.
6. ВЫБОР ВИДА И СПОСОБА ПРОКЛАДКИ ТЕПЛОВОЙ СЕТИ
Для проведения гидравлического расчета тепловой сети необходимо выбрать схему теплоснабжения потребителей.
Как было принято ранее, тепловая сеть для теплоснабжения жилых районов закрытая водяная двухтрубная, для теплоснабжения промышленного предприятия тепловая сеть двухтрубная с системой возврата конденсата открытого типа.
Так как надземные теплопроводы долговечнее и более ремонтопригодны по сравнению с подземными [6], то для теплоснабжения промышленного предприятия применяется надземный способ прокладки тепловой сети. Для теплоснабжения жилых районов из архитектурных соображений применяется подземная прокладка тепловой сети в непроходных каналах.
Для снабжения потребителей теплотой применяется радиальная схема тепловой сети, а для жилых районов радиальная разветвленная Преимущество схемы в том, что такая сеть наиболее дешевая по начальным затратам, требует наименьшего расхода металла на сооружение и проста в эксплуатации.
На основе принятых видов и способов прокладки тепловой сети производится ее гидравлический расчет.
7. Гидравлический расчёт тепловой сети.
построение Пьезометрического графика
Задачей данного раздела является:
а) определение диаметров трубопроводов;
б) определение падения давления (напоров);
в) определение давлений (напоров) в различных точках сети;
г) увязки всех точек системы при статическом и динамическом режимах в целях обеспечения допустимых давлений и требуемых напоров в сети и абонентских системах.
7.1.Гидравлический расчет водяной тепловой сети
Расчетный расход сетевой воды в водяных тепловых сетях при качественном регулировании отпуска теплоты следует определить отдельно по каждому потребителю теплоты с последующим суммированием этих расходов [1]:
а) на отопление, кг/с,
; (7.1)
б) на вентиляцию, кг/с,
; (7.2)
г) на горячее водоснабжение в закрытых системах теплоснабжения, кг/с:
; (7.3)
Суммарные расчетные расходы сетевой воды в двухтрубных тепловых сетях при качественном регулировании отпуска теплоты следует определять по формуле [1]
, (7.4)
где к3 – коэффициент запаса учитывает долю среднего расхода воды на горячее водоснабжение при регулировании по нагрузке отопления, принимаем по [1]
k = 1,2.
Таким образом согласно формулам (6.1)-(6.4) определяем расход воды у потребителей
Расчётный расход воды на 1-й жилой район
(7.5)
кг/с
Расчётный расход воды на 2-й жилой район
(7.6)
кг/с
Расчётный расход воды на промышленное предприятие
(7.7)
кг/с
Суммарный расчётный расход теплосети
G = G1 + G2 + G3 = 139 + 83,4 + 34,332 = 256,732 кг/с
7.2 Гидравлический расчет разветвленных тепловых сетей
Исходными данными для расчета являются: схема тепловой сети, параметры теплоносителя на источнике и у абонентов, расчетные расходы воды по отдельным участкам, длины участков тепловой сети.
Расстояние от источника теплоснабжения до жилого района 1 согласно заданию составляет
м, а до жилого района 2 составляет
м. Предварительно выбираем главную магистраль как наиболее удаленную. В нашем случае это будет направление до наиболее удаленного потребителя, т.е. источник-ТК-жилой район №2.
7.2.1 Расчет участка главной магистрали И – ТК
а) Задаемся величиной удельных потерь давления Rl =80 Па/м [1].
б) Определяем ориентировочный внутренний диаметр трубопровода, м:
, (7.8)
где G – расход воды на участке, кг/с;
А – коэффициент равный 0,117 [1];
м
в) По ГОСТ 10704-63* определяем стандартный ближайший диаметр для стальных электросварных труб:
- внутренний диаметр:
0,359 м;
- наружный диаметр:
0,377 м;
- толщина стенки:
мм.
г) Рассчитываем среднюю скорость движение воды на участке, м/с:
(7.9)
м/с
д) Определяем критерий Рейнольдса и сравниваем его с предельным значением
:
, (7.10)
где
- кинематическая вязкость воды, Составляет
= 0,296 ∙ 10-6
м2
/с

Значение приведённого коэффициента Рейнольдса:
![]()
![]()
Т.к. значение Re > Reпр, то при определении коэффициента гидравлического трения величиной
пренебрегаем.
е) Рассчитываем коэффициент гидравлического трения λ. Для водяных сетей
= 0,0005 м по
.
(7.11)
![]()

ж) Уточняем величину линейной потери давления, Па/м:
, (7.12)
Па/м
з) Определяем эквивалентную длину участка трубопровода, м:
По
находим
в зависимости от диаметра участка
- для задвижки (установленной вначале и в конце участка):
;
- для сальникового компенсатора (установленного через каждые 100м):
10.
= ![]()
е) Определяем потери давления на участке, Па:
(7.13)
Па
Расчет участка ТК-Ж2 производим аналогично, результат расчета сведем в таблицу 7.1.
7.2.2 Расчет ответвления ТК – Ж1
а) Определяем для ответвления величину удельного линейного падения давления
, (7.14)
где
– коэффициент линейных потерь напора в ответвлениях.
Средний коэффициент местных потерь для сети может быть определен по выражению
(7.15)
;
![]()
б) Определяем ориентировочный внутренний диаметр трубопровода, м:
, (7.8)
м
в) По ГОСТ 10704-63* определяем стандартный ближайший диаметр:
- внутренний диаметр:
0,408 м;
- наружный диаметр:
= 0,426 м;
- толщина стенки:
мм.
г) Рассчитываем среднюю скорость движение воды на участке, м/с:
(7.9)
м/с
д) Определяем критерий Рейнольдса и сравниваем его с предельным значением
:
, (7.10)

Значение приведённого коэффициента Рейнольдса:
![]()
![]()
Т.к. значение Re > Reпр, то при определении коэффициента гидравлического трения величиной
пренебрегаем.
е) Рассчитываем коэффициент гидравлического трения λ
(7.11)
![]()
![]()
ж) Уточняем величину линейной потери давления, Па/м:
, (7.12)
Па/м
з) Определяем эквивалентную длину участка трубопровода, м:
По [8] находим l экв в зависимости от диаметра участка
- для задвижки (установленной вначале и в конце участка):
;
- для сальникового компенсатора (установленного через каждые 100м):
5.
- тройник при разделении потока : ![]()
=
м
е) Определяем потери давления на участке, Па:
(7.13)
Па
Расчет участка магистрали И-ПП производим аналогично, результат расчета сведем в таблицу 7.1.
Таблица 7.1 – Результаты гидравлического расчета водяной тепловой сети.
| Величины |
Единицы |
И-ТК |
ТК-Ж2 |
ТК-Ж1 |
И-ПП |
| G |
кг/с |
222,4 |
83,4 |
139 |
34,332 |
| ℓ |
м |
900 |
2000 |
1700 |
500 |
| dГОСТ |
мм |
0,359 |
0,309 |
0,408 |
0,207 |
|
|
м/с |
1,75 |
1,17 |
1,12 |
1,07 |
| λ |
- |
0,0212 |
0,0221 |
0,0206 |
0,0244 |
| Rл |
Па/м |
86,19 |
46,43 |
30,12 |
64,46 |
| а1 |
- |
0,9 |
0,8 |
0,22 |
0,11 |
| ℓэкв |
м |
810 |
1600 |
381 |
56 |
|
|
Па |
84 300,67 |
167 146,58 |
62 674,04 |
35 818,79 |
7.2.3 Расчет дроссельных шайб на ответвлениях тепловой сети
Ответвление ТК-Ж1.
В начале участка ТК-Ж1 устанавливаем диафрагму, которая понижает давление напор в сети
![]()
,
где
- небаланс перепада напора в ответвлении, м.вод.ст.
- плотность воды, кг/![]()
- ускорение свободного падения, ![]()
- давление гасимое дроссельной шайбой, Па.
![]()
Диаметр отверстия диафрагмы определяется по следующей формуле, мм:
,
где G – расход воды на участке,
/ч.
мм
Ответвление И-ПП.
В начале ответвления И-ПП устанавливаем дроссельную диафрагму, которая понижает напор в сети.
= ![]()
=147937,69-66475,51=81462,18 Па
![]()
м. вод. ст.
мм
По результатам гидравлического расчета строится пьезометрический график для водяной тепловой сети.
7.3 Построение пьезометрического графика
1. Построение пьезометрического графика начинаем с определения напора в коллекторе обратного трубопровода на источнике системы теплоснабжения. Эта точка определяется из условия обеспечения избыточного напора и минимального напора во всасывающем патрубке сетевого насоса. Величина напора находится в пределах 5…25 м.вод.ст. Принимаем:
= 25 м. вод. ст. [1].
2. Давление в точке ТК:
м. вод. ст.
3. Давление в обратном трубопроводе на абонентских вводах в жилые районы:
м. вод. ст.
4. Давление в прямом трубопроводе на абонентских вводах в жилые районы с учётом потерь давления в абонентской установке,
25 м. вод. ст.:
м. вод. ст.
5. В прямом трубопроводе в точке ТК:
м.вод.ст.
6. Коллектор прямого трубопровода в точке И:
м.вод.ст.
7. Нагнетательный патрубок сетевого насоса:
м.вод.ст. Здесь
- потери в сетевых подогревателях.
8. Прямой трубопровод на вводе в ПП:
м.вод.ст.
9. Обратного трубопровода на вводе в ПП:
м.вод.ст.
График изображен на рисунке7.1.
Рисунок 7.1 – Пьезометрический график.
7.4 Выбор насосов
Для выбора насосов необходимо знать напор Нн, который должен создавать насос, и его подачу Vн при данном напоре.
Выбранная нами схема подключения абонентов и подогрева воды предусматривает выбор насосов следующего назначения:
1. Сетевые – обеспечивают движение воды в сетевых трубопроводах. Источник [1] требует наличия не менее двух сетевых насосов, один из которых является резервным;
2. Подпиточные – компенсируют утечки воды в сети. Для закрытой сети их число также должно быть не менее двух, при одном резервном;
3. Циркуляционные – создают циркуляцию воды в локальных водяных системах. Требования к их количеству аналогичны предыдущим.
7.4.1 Выбор сетевого насоса
Напор сетевых насосов следует принимать равным разности напоров на нагнетательном и всасывающем патрубках сетевого насоса при суммарных расчетных расходах воды. По пьезометрическому графику напор сетевого насоса будет равен:
, (7.16)
где DHтпу – потери напора в теплоприготовительной установке, м;
Н
= 6 м.вод.ст.
DHпод – потери напора в подающем трубопроводе, м;
ΔНПОД = ΔНИ-ТК + ΔНТК-Ж2 = 9,036 + 6,821 =15,857 м. вод. ст.;
DHобр – потери напора в обратном трубопроводе, м;
ΔНОБР = ΔНПОД=15,857 м. вод. ст.;
DHаб – потери напора у определяющего абонента, м.
Тогда по формуле (7.18):
м.вод.ст.
Подача сетевого насоса равна расчётному расходу сетевой воды
G = GИ-ТК + GИ-ПП
G= 222,93 + 34,332 = 256,713 кг/с = 971,856м3 /ч.
Согласно [1] количество сетевых насосов должно быть не менее двух, один из которых резервный. По [9] выбираем три насоса типа СЭ-500-70-11 включенных параллельно, (один резервный, два рабочих). В летний период будет работать только один насос СЭ-500-70-11(т.к. нагрузка идет только на горячее водоснабжение), который будет покрывать эту подачу.
Характеристики насоса приведены в таблице 7.2
Таблица 7.2 – Основные технические характеристики сетевого насоса СЭ-500-70-11
| Тип насоса |
V, м3 /ч |
H, м вод. ст. |
Кавитационный запас, м вод. ст. |
Частот вращения, 1/мин |
м вод. ст. |
|
| СЭ |
500 |
70 |
10 |
3000 |
92,6 |
103 |
Строим характеристику сети:
, (7.17)
где S – сопротивление сети,
;
![]()
![]()
Задаваясь различными величинами подачи V , строим характеристику сети, значения заносим в таблицу 7.3.
Таблица 7.3 – Построение характеристики сети
| V, т/ч |
0 |
100 |
200 |
300 |
400 |
500 |
600 |
700 |
800 |
900 |
1000 |
1100 |
1200 |
1300 |
| DH, м.в.ст. |
0 |
0,66 |
2,66 |
5,98 |
10,62 |
16,6 |
23,9 |
32,54 |
42,5 |
53,78 |
66,4 |
80,34 |
95,61 |
112,21 |
Строим характеристику насоса, значения заносим в таблицу 7.3:
(7.18)
где n - число параллельно работающих насосов.
![]()
Таблица 7.4 – Построение характеристики насоса
| V, т/ч |
0 |
100 |
200 |
300 |
400 |
500 |
600 |
700 |
800 |
900 |
1000 |
1100 |
1200 |
| DH, м.в.ст. |
70 |
69,92 |
69,68 |
69,28 |
68,73 |
68,01 |
67,14 |
66,10 |
64,91 |
63,56 |
62,05 |
60,38 |
58,55 |
Строим характеристику трех параллельно работающих насосов, значения заносим в таблицу 7.4.
При параллельной работе
, изменяется только V.
Таблица 7.5 – Построение характеристики для трех параллельно работающих насосов
| V, т/ч |
0 |
300 |
600 |
900 |
1200 |
1500 |
1800 |
| DH, м.в.ст. |
92,6 |
91,8 |
89,4 |
85,4 |
79,8 |
72,6 |
63,8 |
Построенные характеристики приведены на рисунке 7.2.

Рисунок 7.2 – Совмещенная характеристика сети и насоса.
1 – характеристика сети; 2 – характеристика одного насоса. 3 – характеристика трех параллельно работающих насосов
Параметры точки пересечения:
Vд=1071 м3 /ч, Hд=80 м.вод.ст.. Исходя из этих параметров и параметров рабочей точки:
Vд> Vр=G=971,856 м3 /ч, Hд> Hр=62,714 м.вод.ст.
Регулирование характеристики насосов осуществляется направляющим аппаратом, установленным перед рабочим колесом. Данный метод регулирования является наиболее экономичным и целесообразным.
7.4.2 Выбор подпиточного насоса
Напор подпиточных насосов должен определяться из условий поддержания в водяных тепловых сетях статического давления, т.е. быть равен полному статистическому напору сети:
ΔНП = PS = 47 м. вод. ст.
Подача подпиточного насоса должна обеспечивать восполнение потерь в тепловой сети. Согласно [1] расчетный расход воды для подпитки закрытых систем теплоснабжения следует принимать равным 0,75% фактического объема воды в трубопроводах тепловых сетей и присоединенных к ним системах отопления и вентиляции зданий. Кроме того должна предусматриваться дополнительная аварийная подпитка химически необработанной недеаэрированной водой, расход которой принимается равным 2% от объема воды в трубопроводах тепловых сетей и присоединенных к ним системах отопления и вентиляции зданий.
Подачу подпиточных насосов V3 под, м3 /ч, определяем по формуле
(7.19)
(7.20)
где Q – мощность системы теплоснабжения, Q = 95,02 МВт из п.3.2;
65 м
– объем сети, отнесенной к одному МВт нагрузки;
Тогда по формуле (7.19-7.20):
м3
/ч.
м3
/ч.
Выбираем 3 насоса КМ 90/55, один из которых является резервным. Характеристики выбранных насосов:
Таблица 7.6 – Основные технические характеристики подпиточного насоса К 90/55
| Насос |
Подача, м3 /ч |
Напор, м. вод. ст. |
Кавитационный запас, м. вод. ст. |
КПД не менее, % |
Частота, |
| КМ 90/55 |
90 |
55 |
5,5 |
73 |
2900 |
Строим характеристику сети, пользуясь формулой (7.17):

![]()
Задаваясь различными величинами подачи V , строим характеристику сети, значения заносим в таблицу 7.7.
Таблица 7.7 – Построение характеристики сети
| V, т/ч |
0 |
10 |
20 |
30 |
40 |
50 |
60 |
70 |
80 |
90 |
100 |
110 |
120 |
| DH, м.в.ст. |
0 |
0,31 |
1,23 |
2,77 |
4,93 |
7,7 |
11,09 |
15,09 |
19,71 |
24,95 |
30,8 |
37,27 |
44,35 |
Характеристика насосов подчиняется уравнению:
![]()
где n - число параллельно работающих насосов.
![]()
Таблица 7.8 – Построение характеристики насоса
| V, т/ч |
0 |
10 |
20 |
30 |
40 |
50 |
60 |
70 |
80 |
90 |
100 |
110 |
120 |
| DH, м.в.ст. |
65 |
63,79 |
62,58 |
61,37 |
60,16 |
58,95 |
57,74 |
56,53 |
55,32 |
54,11 |
53,00 |
51,69 |
50,48 |
Построенные характеристики приведены на рисунке 7.3.

Рисунок 7.3 – Совмещенная характеристика сети и насоса.
1 – характеристика сети; 2 – характеристика насоса.
Точка пересечения: VД = 62 м3 /ч, НД = 59 м. вод. ст.
Выбранный насос нам подходит, поскольку VД > VР = G = 123,526м3 /ч,
НД > НР = 47 м. вод. ст.
8. ТЕПЛОВОЙ РАСЧЕТ ТЕПЛОВЫХ СЕТЕЙ. РАСЧЕТ
ТОЛЩИНЫ ИЗОЛЯЦИОННОГО СЛОЯ
В задачу теплового расчета входит определение изменений температур теплоносителя в тепловых сетях в результате тепловых потерь, проверка температуры наружной поверхности тепловой изоляции( при прокладке в помещениях по нормам
не должна превышать
) и определение количества конденсата, образующегося в паропроводах в результате потерь теплоты в окружающую среду.
8.1 Основные параметры сети
Прокладку теплопровода принимаем надземную на тех участках сети, где застройка с высокой вероятностью неплотная, то есть на участках И - ПП. В этом случае трубопроводы расположены на железобетонных опорах. На участках И–ТК, ТК–Ж1 и ТК–Ж2 принимаем подземную канальную прокладку теплопроводов в монолитной оболочке из вспененного полиуретана, который является теплогидроизолятором.
При прокладке в воздухе согласно рекомендациям [5] за расчётную примем среднюю за отопительный период температуру tОСВ = tср = – 4,4ºС.
При прокладке под землёй по [5], расчётной должна стать средняя за год температура грунта, но таких сведений нам взять неоткуда, поэтому принимаем tОСЗ = 5ºС.
Расчётную температуру теплоносителя при среднегодовой температуре наружного воздуха определяем по графикам рис 4.1. Подающий трубопровод –
=85; Обратный трубопровод –
=62,5ºС.
Нормативные потери с погонного метра определяем по [5]:
Таблица 8.1 Нормативные теплопотери
| Участок |
Тип прокладки |
Условный проход, мм |
Направление |
qН , Вт/м |
| И - ПП |
подземный |
200 |
прямой |
52,4 |
| обратный |
52,4 |
|||
| И - ТК |
подземный |
350 |
прямой |
99 |
| обратный |
99 |
|||
| ТК - Ж1 |
подземный |
400 |
прямой |
108 |
| обратный |
108 |
|||
| ТК - Ж2 |
подземный |
300 |
прямой |
69,2 |
| обратный |
69,2 |
Средняя скорость ветра за отопительный период – ω = 3,5 м/с;
Тип грунта – примем влажный;
Выбираем изоляционный материал:
Вспененный пенополиуретан, покрытый снаружи фольгой;
Коэффициент теплопроводности –
= 0,03 Вт/(м·ºС);
Водопоглощение – не более 200 см3 /м3 ;
Плотность (сухая) – 50 кг/м3 ; Прочность на сжатие – 4 кг/см3 = 0,4 МПа; pH > 8,5.
8.2 Расчёт толщины изоляционного слоя
Проводим расчёт участка И-ТК
Задаемся предварительной толщиной изоляционного слоя:
50 мм.
Расчет толщины теплоизоляционного слоя производится по нормированной удельной плотности теплового потока через изолированную поверхность. Определяем суммарное термическое сопротивление теплопередаче теплоизоляционной конструкции:
(8.1)
где
– температура теплоносителя, ºС;
R – линейное термическое сопротивление теплопередаче, (м·ºС)/Вт;
tОС – температура окружающей среды, ºС;
qН – нормативные линейные потери, Вт/м;
k – коэффициент, учитывающий изменение стоимости теплоты и теплоизоляционной конструкции в зависимости от района строительства и способа прокладки трубопровода. Для подземной канальной k = 0,95;
(м·К)/Вт
Полное термическое сопротивление изоляционной конструкции теплопередаче зависит от способа прокладки и в общем случае состоит из следующих величин, (м·К)/Вт:
, (8.2)
Здесь Rв – сопротивление теплопередаче от теплоносителя к стенке трубы. При расчётах им пренебрегают ввиду относительной малости;
Rтр – сопротивление стенки трубы;
Rг.и – сопротивление слоя гидроизоляции. Отсутствует в нашем случае, поскольку выбранный материал и является гидроизолятором;
Rиз – сопротивление изоляционного слоя;
Rп.с – сопротивление покровного слоя. Этот слой также интегрирован в изолирующий;
Rн – сопротивление теплопередаче к окружающей среде;
Rс.к – сопротивление теплопередаче от воздуха в канале к стенке канала. Отсутствует – у нас бесканальная прокладка;
Rк – сопротивление стенки канала;
Rгр – сопротивление грунта.
Таким образом получаем следующее уравнения для подземной прокладки:
R = Rтр + Rиз + Rгр + Rн (8.3)
Расчётные уравнения для термических сопротивлений на погонный метр:
Термическое сопротивлении теплоотдаче в окружающую среду
,
, определяется по формуле
, (8.4)
где
– наружный диаметр заизолированного теплопровода, м
– теплоотдача наружной стенки теплопровода воздуху, Вт/(м2
·0
С). Принимается по [11] таблица 8.3. Принимаем для подземной канальной прокладки при горизонтальном расположении трубопроводов
=10 Вт/(м2
·0
С).
![]()
Термическое сопротивлении грунта при прокладке в непроходных каналах
,
, определяется по формуле
(8.5)
где Н – глубина заложения теплопровода, принимаем Н = 1,5 м;
– теплопроводность грунта, для влажного, глинистого грунта расчётный коэффициент теплопроводности
= 2 ккал/(м·ч·ºС) = 2,326 Вт/(м·ºС);
hк , bк – соответственно высота и ширина непроходного канала, м. Принимается по диаметру теплопровода [7].
Для участка И-ТК hк =0,905 м, bк =1,92 для прямого и обратного трубопровода

Термическое сопротивлении теплопередаче от воздуха в канале к стенке канала
,
, определяется по формуле
(8.6)
где
– эквивалентный диаметр канала, м;
– теплоотдача от воздуха в канале к стенке канала, Вт/(м2
·0
С).
Принимается от 5 до 10 Вт/(м2
·0
С). Принимаем
=10 Вт/(м2
·0
С)
Эквивалентный диаметр канала
, м, определяется по формуле
, (8.7)
![]()
![]()
Из уравнения (8.3) находим термическое сопротивление изоляции
Rиз = R- (Rтр + Rгр + Rн ) (8.8)
Rиз = 0,851 – (0,075+0,106+0,026) = 0,644 (м·С)/Вт
Толщина изоляции
, м, определяется по формуле
(8.9)
![]()
Расчетную толщину для жестких, ячеистых материалов из неуплотняющихся материалов и пенопластов следует принимать ближайшую по соответствующим государственным стандартам и техническим условиям.
Для изолируемых трубопроводов с положительными температурами рабочих сред толщина теплоизоляционного слоя должна быть проверена по допустимой температуре на поверхности изоляции [6]. Температура на поверхности тепловой изоляции трубопроводов, расположенных за пределами рабочей или обслуживаемой зоны, не должна превышать температурных пределов применения материалов покровного слоя, но не выше tн п= 75 °С [5].
Определение действительной температуры на наружной поверхности изоляции осуществляется на основании решения уравнения плотности тепловых потоков: теплопроводности, проходящего через слой изоляции трубопровода за счет разности температур (τср-tп) и конвективного, уходящего с наружной поверхности трубопровода – (tп – tо):
, (8.10)
Отсюда
, (8.11)
При подземной прокладке вместо Rн необходимо подставлять Rгр.
![]()
Результаты расчётов сведём в таблицу. Единица измерения термического сопротивления в таблице принята (м·ºС)/Вт, коэффициента теплоотдачи – Вт/(м2 ·ºС), теплопотерь – Вт/м, температуры – ºС.
Аналогично рассчитываем толщину изоляцию для всех участков. Результаты расчетов сводим в таблицу 8.2.
Таблица 8.2 – Результаты расчета тепловой изоляции
| Участок |
напр |
dвн |
dнар |
Rск |
αнар |
Rгр |
qн |
тау |
k |
R |
Rиз |
δизол |
tпов |
| И-ПП |
прямой |
0,207 |
0,219 |
- |
20 |
- |
52,4 |
85 |
0,98 |
1,741 |
1,691 |
0,082 |
-1,8 |
| обратн |
0,207 |
0,219 |
- |
20 |
- |
52,4 |
62,5 |
0,98 |
1,303 |
1,253 |
0,058 |
-1,8 |
|
| И-ТК |
прямой |
0,359 |
0,377 |
0,026 |
10 |
0,106 |
99 |
85 |
0,95 |
0,851 |
0,644 |
0,035 |
16,3 |
| обратн |
0,359 |
0,377 |
0,026 |
10 |
0,106 |
99 |
62,5 |
0,95 |
0,611 |
0,412 |
0,03 |
18,1 |
|
| ТК-Ж1 |
прямой |
0,408 |
0,426 |
0,026 |
10 |
0,106 |
108 |
85 |
0,95 |
0,78 |
0,587 |
0,05 |
18,4 |
| обратн |
0,408 |
0,426 |
0,026 |
10 |
0,106 |
108 |
62,5 |
0,95 |
0,56 |
0,367 |
0,031 |
19,8 |
|
| ТК-Ж2 |
прямой |
0,309 |
0,325 |
0,026 |
10 |
0,106 |
69,2 |
85 |
0,95 |
1,217 |
1,01 |
0,068 |
13 |
| обратн |
0,309 |
0,325 |
0,026 |
10 |
0,106 |
69,2 |
62,5 |
0,95 |
0,875 |
0,668 |
0,044 |
13,4 |
Из конструктивных соображений принимаем толщину изоляции на обратном трубопроводе равной толщине изоляции на прямом.
8.3 Расчёт тепловых потерь
Значения тепловых потерь тепловыми сетями через теплоизоляционные конструкции в общем виде зависят:
- от вида теплоизоляционной конструкции и примененных теплоизоляционных материалов;
- температурного режима;
- параметров окружающей среды;
- материальной характеристики тепловой сети.
Проведем расчет участка И-ТК
Учет местных тепловых потерь в соответствии с [6] может быть выражен через ксум, величина которого зависит от вида прокладки:
. (8.12)
где kсум – коэффициент, учитывает потери теплоты через арматуру, фланцы и опоры. Для подземной бесканальной прокладки kм = 1,15;
ℓ – длина участка.
Расчет действительной удельной линейной потери для действительных условий определяется следующим образом:
а) для воздушной прокладки
(8.13)
б) для подземной канальной прокладки определяется следующим образом
, (8.14)
где
– температура воздуха в канале,
.
Температура воздуха в канале многотрубного теплопровода tк о, 0 С, определяется по формуле
(8.15)
где Rк-о = Rск+ Rгр, – суммарное термическое сопротивление внутренней поверхности стенок канала и грунта, (м·С)/Вт
Rпод=Rиз под+Rн – термическое сопротивление подающего трубопровода, (м·С)/Вт
Rобр=Rиз обр+Rн – термическое сопротивление обратного трубопровода, (м·С)/Вт
Rпод = 0,644+0,075=0,719 (м·С)/Вт,
Rобр=0,377+0,075=0,452 (м·С)/Вт,
Rк-о=0,026+0,106=0,132 (м·С)/Вт.
Вычисляем tк о по формуле (8.15)
25,40
С
Вычисляем удельную линейную потерю по формуле (8.14)
157,699 Вт/м
Вычисляем местные тепловые потери по формуле (8.13)
163218,9 Вт
Расчеты участков ТК-Ж1 и ТК-Ж2 аналогичны. При расчете участка И-ПП, который имеет надземную прокладку, линейные потери
следует считать по формуле (8.13) для прямого и обратного направлений.
Результаты расчетов всех участков сводим в таблицу 8.3.
Таблица 8.3 Результаты расчёта тепловых потерь
| Участок |
ℓ, м |
Направление |
R, (м·ºС)/Вт |
Rпод, (м·ºС)/Вт |
Rобр, (м·ºС)/Вт |
Rк.о., (м·ºС)/Вт |
tо к, 0 С |
qI, Вт/м |
Qтп, Вт |
| И-ПП |
500 |
прямой |
1,741 |
- |
- |
- |
- |
52,398 |
60253,7 |
| обратный |
1,303 |
- |
- |
- |
- |
52,391 |
|||
| И-ТК |
900 |
прямой |
- |
0,719 |
- |
0,132 |
25,4 |
157,699 |
163219 |
| обратный |
- |
- |
0,452 |
||||||
| ТК-Ж1 |
1700 |
прямой |
- |
0,648 |
- |
0,132 |
10,4 |
40,9091 |
79977,3 |
| обратный |
- |
- |
0,428 |
||||||
| ТК-Ж2 |
2000 |
прямой |
- |
1,085 |
- |
0,132 |
17,9 |
97,7273 |
224773 |
| обратный |
- |
- |
0,743 |
||||||
| Итого: |
528223 |
||||||||
9. Тепловой и гидравлический расчёты
паропровода
Задачей данного раздела является расчет паропровода. Как уже отмечалось, технологические тепловые нагрузки промышленного предприятия полностью покрываются паром. Гидравлический расчёт паропровода и его тепловой расчёт составляют единое целое.
Исходными данными при гидравлическом расчете паровых сетей являются параметры пара у потребителя и на источнике системы теплоснабжения .
Исходные данные:
– Тепловая нагрузка на технологию ![]()
– Коэффициент возврата конденсата кВК=0,8;
– Температура возвращаемого конденсата tВК=80°С;
– Давление и температура пара у потребителя, соответственно РП=0,415 МПа, tП=150°С.
– Давление пара на источнике РП=1,4 МПа.
Расход пара Dп, кг/с, находят по выражению
, (9.1)
где hг.п – энтальпия греющего пара, hг.п=2846,2 кДж/кг;
кв.к – коэффициент возврата конденсата, кв.к=0,8;
tк – температура возвращаемого конденсата;
tх.в – температура холодной воды, о С;
Qп.п – тепловая нагрузка по пару промышленного предприятия, Qп.п =26 МВт.
кг/с.
9.1 Гидравлический расчет паропровода
Перепад давления
DР=РИ-РП, (9.2)
DР =0,465-0,415=0,05 МПа.
Рассчитываем линейное падение давления на участке по формуле
, (9.3)
где l – длина участка, м;
α – коэффициент, учитывающий местные сопротивления
, (9.4)
.
Линейное падение давления найдем по формуле (9.3)
Па/м.
Определяем предварительно средние значения абсолютного давления и температуры
, (9.5)
, (9.6)
где
- падение температуры на участке, 0
С, принимается 20
С на 100 м длины паропровода.
МПа,
0
С.
По полученным
МПа и
0
С по [8]определяем
кг/м3
.
Определяем произведение
Па/м.
По расходу пара
кг/с и
Па/м по [3] находим стандартный диаметр dГ=0,5 м и уточняем
Па/м.
По полученному значению диаметра определяем эквивалентную длину местных сопротивлений по [8]
- для задвижки (установленной вначале и в конце участка):
;
- для сальникового компенсатора (установленного через каждые 100м):
10.
=
м
Рассчитываем приведенную длину участка
, (9.7)
м.
Уточняем падение давления и среднее давление паропровода
, (9.8)
МПа,
МПа,
МПа.
Рассчитываем потери теплоты на участке
, (9.9)
где q – удельная нормируемая потеря теплоты паропровода, Вт/м, по [7] q=101,2 Вт/м.
Вт.
Уточняем значения падения температуры и средней температуры по формулам
, (9.10)
где С – теплоемкость пара, кДж/кг·К.
0
С,
, (9.11)
0
С.
По
МПа и
0
С уточняем значение средней плотности пара
кг/м3
.
Рассчитываем действительное удельное падение давления
, (9.12)
МПа.
9.2 Расчёт толщины изоляционного слоя паропровода
Расчет ведем по методике, изложенной в пункте 8.2.
Задаемся предварительной толщиной изоляционного слоя:
30 мм.
Определяем суммарное термическое сопротивление теплопередаче теплоизоляционной конструкции:
(9.13)
(м·К)/Вт
Таким образом получаем следующее уравнения для подземной прокладки:
R = Rиз + Rн (9.14)
Расчётные уравнения для термических сопротивлений на погонный метр:
Сопротивление теплопередаче в окружающую среду
вычисляем по формуле
![]()
Вычисляем сопротивление изоляции из уравнения (9.14)
Rиз = R- Rн (9.15)
Rиз = 1,452 –0,0335= 1,4185 (м·К)/Вт
Определим толщину изоляции по формуле
(9.16)
![]()
Принимаем толщину изоляции 70 мм.
Действительный линейный удельный тепловой поток определяется по формуле, Вт/м:
, (9.17)
Вт/м
Суммарные тепловые потери на участке определяются по формуле (8.12):
Вт
10. Расчёт тепловой схемы источника
теплоснабжения. Выбор основного и
вспомогательного оборудования
Основной целью расчёта тепловой схемы источника теплоснабжения является выбор основного и вспомогательного оборудования. Принципиальная тепловая схема представлена на рисунке 10.1.
Расчет тепловой схемы котельной с паровыми котлами выполняется для трех режимов: максимально зимнего, наиболее холодного зимнего и летнего. В данной курсовой работе будет произведён расчёт для максимально-зимнего режима работы.

Рисунок 10.1 Принципиальная тепловая схема паровой производственно-отопительной котельной.
10.1 Таблица исходных данных
Таблица 10.1 Исходные данные для расчета тепловых схем котельной:
| Физическая величина |
Обозначение |
Значения величин при максимально-зимнем режиме |
| Расход пара на технологические нужды, т/ч
|
|
36,36 |
| Расход теплоты на нужды отопления, МВт |
|
49,4195 |
| Расход теплоты на вентиляцию, МВт |
|
7,478 |
| Расход теплоты на ГВС, МВт |
|
12,125 |
| Расчетная температура наружного воздуха, 0 С |
|
-30 |
| Возврат конденсата технологическими потребителями |
|
0,8 |
| Энтальпия пара с параметрами на выходе из котла, кДж/кг |
|
2928 |
| Энтальпия с параметрами после РОУ, кДж/кг |
|
2851,9 |
| Температура питательной воды, ° С |
|
104 |
| Энтальпия питательной воды, кДж/кг |
|
435,6 |
| Непрерывная продувка котлоагрегатов |
|
3 |
| Энтальпия котловой воды, кДж/кг |
|
830,13 |
| Степень сухости пара |
|
0,98 |
| Энтальпия пара на выходе из расширителя непрерывной продувки, кДж/кг |
|
2691 |
| Температура подпиточной воды, ° С |
|
70 |
| Энтальпия подпиточной воды, кДж/кг |
|
293,1 |
| Температура возвращаемого конденсата, ° С |
|
80 |
| Энтальпия возвращаемого конденсата, кДж/кг |
|
334,9 |
| Температура воды после охладителя непрерывной продувки, ° С |
|
50 |
| Температура сырой воды , ° С |
|
5 |
| Температура химически очищенной воды перед охладителем деаэрированной воды, ° С |
|
20 |
10.2 Расчёт принципиальной тепловой схемы источника
теплоснабжения
При расчете тепловой схемы в нижеуказанной последовательности определяются:
1. Коэффициент снижения расхода теплоты на отопление и вентиляцию для режима наиболее холодного месяца
![]()
2. Расход воды на подогреватели сетевой воды
![]()
3. Расход пара на подогреватели сетевой воды
![]()
4. Расход редуцированного пара внешними потребителями
![]()
5. Суммарный расход свежего пара внешними потребителями
![]()
где ![]()
6. Количество впрыскиваемой воды
![]()
7. Расход пара на собственные нужды котельной
![]()
8. Расход пара на покрытие потерь в котельной
= 0,01·3·(169,56 + 16,96) = 5,59 т/ч.
9. Суммарный расход пара на собственные нужды
= 169,56 + 5,59 = 22,55 т/ч.
10. Суммарная паропроизводительность котельной
![]()
11. Потери конденсата в оборудовании внешних потребителей и внутри котельной
![]()
12. Расход химически очищенной воды
![]()
13. Расход сырой воды
![]()
14. Количество воды, поступающей в расширитель с непрерывной продувкой
![]()
15. Количество пара, получаемого в расширителе непрерывной продувки,
![]()
16. Количество воды на выходе из расширителя непрерывной продувки
Gрасш= Gпр-Dрасш=9,61-1,71=7,9т/ч
17. Температура сырой воды после охладителя непрерывной продувки
![]()
18. Расход пара на подогреватель сырой воды
![]()
19. Температура химически очищенной воды после охладителя деаэрированной воды
![]()
20. Расход пара на подогрев химически очищенной воды в подогревателе перед деаэратором
![]()
21. Суммарное количество воды и пара, поступающее в деаэратор, за вычетом греющего пара деаэратора
![]()
22. Средняя температура воды в деаэраторе

23. Расход греющего пара на деаэратор

24. Расход редуцированного пара на собственные нужды котельной
![]()
25. Расход свежего пара на собственные нужды котельной

26. Действительная паропроизводительность котельной с учетом расхода на собственные нужды и потери пара в котельной
![]()
27. Невязка с предварительно принятой паропроизводительностью котельной
![]()
Невязка с предварительно принятой паропроизводительностью котельной меньше 3 %, поэтому расчет можем считать законченным.
Результаты расчета сводим в таблицу 10.2.
Таблица 10.2 – Результаты расчета принципиальной тепловой схемы котельной.
| Физическая величина |
Обозначение |
Значение величин при расчетном |
| максимально-зимнем режиме |
||
| Коэффициент снижения расхода теплоты на отопление и вентиляцию |
Kо.в |
1 |
| Расход воды на подогреватели сетевой воды, т/ч |
G |
741,99 |
| Расход пара на подогреватели сетевой воды, т/ч |
Dп.с.в |
101 |
| Расход редуцированного пара внешними потребителями, т/ч |
D”роу |
137,36 |
| Количество впрыскиваемой воды, т/ч |
Gроу |
4,19 |
| Расход пара на собственные нужды, т/ч |
D’с.н |
16,96 |
| Расход пара на покрытие потерь в котельной, т/ч |
Dп |
5,59 |
| Суммарный расход пара на собственные нужды, т/ч |
Dс.н |
22,55 |
| Суммарная паропроизводительность котельной, т/ч |
D |
192,11 |
| Потери конденсата у внешних потребителей и внутри котельной, т/ч |
Gкпот |
13,03 |
| Расход химически-очищенной воды, т/ч |
Gх.о.в |
27,87 |
| Расход сырой воды, т/ч |
Gс.в |
34,84 |
| Количество воды поступающей в расширитель с непрерывной продувкой, т/ч |
Gпр |
9,61 |
| Количество пара, получаемого в расширителе непрерывной продувки, т/ч |
Dрасш |
1,71 |
| Количество воды на выходе из расширителя непрерывной продувки, т/ч |
Gрасш |
7,9 |
| Температура сырой воды после охладителя непрерывной продувки, 0 С |
t’с.в |
16,71 |
| Расход пара на подогрев сырой воды, т/ч |
Dс.в |
0,202 |
| Температура химически очищенной воды после охладителя деаэрированной воды, 0 С |
t”х.о.в |
17,74 |
| Расход пара на подогрев химически очищенной воды в подогревателе перед деаэратором, т/ч |
Dх.о.в |
2,9 |
| Суммарное количество воды и пара поступающее в деаэратор, за вычетом греющего пара деаэратора, т/ч |
Gд |
162,77 |
| Средняя температура воды в деаэраторе, 0 С |
t’д |
80 |
| Расход греющего пара на деаэратор, т/ч |
Dд |
6,92 |
| Расход редуцированного пара на собственные нужды, т/ч |
|
10,022 |
| Расход свежего пара на собственные нужды, т/ч |
Dс.н |
9,72 |
| Действительная паропроизводительность котельной с учетом расхода на собственные нужды и потери тепла в котельной, т/ч |
Dк |
197,87 |
| Невязка с предварительно принятой паропроизводительностью, % |
ΔD |
2,91 |
11. ВЫБОР ОСНОВНОГО ОБОРУДОВАНИЯ
11.1 Выбор паровых котлов
Паровые котлы выбираются по рассчитанной ранее суммарной паропроизводительности котельной (таблица 10.2). Принимается пять паровых котла Е-50-14-225. Выбранные котлы покрывают расчетную тепловую нагрузку потребителей, в летний период в работе остается два котла. Характеристики котлов приведены в таблице 11.1.
Таблица 11.1 – Технические характеристики парового котла Е-75-14-225
| Абсолютное давление пара, МПа |
Температура пара, °С |
Энтальпия пара, кДж/кг |
Температура питательной воды, °С |
Номинальная паропроизводительность, т/ч (кг/с) |
| 1,4 |
225 |
2867,43 |
104 |
75 (20,8) |
11.2 Выбор деаэраторов
Выбор деаэраторов в схемах котельных производится по их производительности :
Gдеаэр=Gд+DД=162,77+6,92=169,69 т/ч
Принимается два деаэратора ДА-100/25. Технические характеристики деаэраторов приведены в таблице 11.2.
Таблица 11.2 – Технические характеристики деаэратора ДА-100/25
| Номинальная производительность, т/ч |
100 |
| Рабочее давление, МПа |
0,12 |
| Температура деаэрированной воды, °С |
104,25 |
| Средний нагрев воды в деаэраторе, °С |
10-50 |
| Пробное гидравлическое давление, МПа |
0,3 |
| Максимальное давление при работе предохранительного устройства, МПа |
0,17 |
| Площадь поверхности охладителя выпара, м2 |
8 |
11.3 Выбор питательных насосов
Производительность питательных насосов определяется суммарным расходом в деаэраторе составляющим:
![]()
Напор развиваемый питательными насосами определяется по формуле, м вод. ст.:
, (11.1)
где
- избыточное давление в барабане и в деаэраторе, м вод. ст.;
- суммарное сопротивление всасывающего и нагнетающего трактов питательного насоса, м вод. ст.;
- геодезическая разность уровней воды в барабане котла и деаэраторе, м; Принимается
м вод. ст. [8].
м вод. ст.
По полученным результатам выбирается два питательных насоса типа ПЭ-250-180, из которых один резервный.
12. Тепловой расчёт подогревателей сетевой воды
Целью данного расчета является определение площади поверхности нагрева и тепловой нагрузки аппарата при заданных конструктивных размерах.
Исходные данные для расчета:
- температура сетевой воды в подающем трубопроводе
;
- температура сетевой воды в обратном трубопроводе
;
- расход сетевой воды G=256,732 кг/с;
- температура возвращаемого конденсата tвк=80°С;
- теплоемкость воды с=4,187 кДж/кг·К;
- температура и давление греющего пара.
tг.п=τ01+Δtmin,
где Δtmin - минимальная разность температур принимается Δtmin=10 о С.
Тогда tг.п = 160 о С. По tг.п из термодинамических таблиц определяют давление пара Рп , подаваемого в подогреватель: Рп=0,617 МПа.
12.1 Пароводяной подогреватель
Выбираем пароводяной подогреватель горизонтальный типа ПП1.
Составляем систему уравнений для определения расхода греющего пара.
(12.1)
![]()
Определяется расход греющего пара
, (12.2)
.
Определяется температура конденсата на выходе из теплообменника
, (12.3)
.
Определяется тепловая нагрузка паро-водяного теплообменника
(12.4)
Температурный график представлен на рисунке 12.1:

Рассчитываем среднюю температурную разность по выражению
, (12.5)
где


Средняя температура воды
![]()
°C.
Задаемся скоростью воды в трубках в пределах υв=1-2,5 м/с [5] и определяем сечение трубного пространства.
Скорость движения воды: υв=2,5м/с
Площадь сечения для прохода воды
![]()
Согласно ГОСТ
0,0302 м2
[7].
Для покрытия нагрузки требуется установление четырех параллельно работающих подогревателей ПП1 – 108 – 7 - IV.
.
Характеристика выбранного подогревателя:
- сечение трубного пространства: 108 м2 ;
- диаметр корпуса: 820 мм.;
- длина трубок: 3000 мм.;
- число трубок в пучке: 792 шт.
Уточняем скорость в трубках
![]()
Рассчитываем коэффициент теплоотдачи в трубках
, (12.6)
Вт/м·о
С
Определяем число рядов труб
, (12.7)
где n тр – число трубок в пучке, n тр = 792
![]()
Эквивалентный диаметр для пара
dэкв = m·dн, (12.8)
где dн – наружный диаметр трубки
dэкв = 9·0,023 = 0,207 м
Коэффициент теплопередачи при конденсации пара
, (12.9)
где
- средняя температура стенки. Средняя температура стенки определяется по выражению
, (12.10)
о
С.
Вт/м2
·о
С
Уточняем среднюю температуру стенки:
(12.11)
![]()
![]()
Так как разница между ранее принятой температурой
и уточненной температурой
больше
, принимаем за
уточненную температуру
=137,7 0
С и рассчитываем новое значение
.
Вт/м2
·о
С
![]()
![]()
Определяем коэффициент теплопередачи подогревателя
, (12.12)
где R загр – коэффициент, учитывающий загрязнение, принимаем R загр = 0,00005
dст – толщина стенки трубы, dст = 0,001 м
lст – коэффициент теплопроводности материала стенки трубы, для стали
lст = 46,5 Вт/м2о С
dнак – толщина накипи,м. dнак = 0,0005 м
lст – коэффициент теплопроводности накипи, Вт/м2о С
lнак = 2,3 Вт/м2о С
Вт/м2
·о
С
Рассчитываем поверхность подогревателя
м2
Количество подогревателей
,
таким образом, принимаем 3 подогревателя ПП1 –108 – 7 – IV [7]
Таблица 12.1 – Технические характеристики пароводяного подогревателя ПП1-108-7-IV
| Теплопризводительность, кВт (Гкал/ч) |
15516 (13,3) |
| Давление греющего пара, МПа |
0,7 |
| Расход воды номинальный, кг/с (т/ч) |
52,2 (188) |
| Число ходов (по воде) |
4 |
| Площадь поверхности нагрева, м2 |
108 |
| Площадь сечения для прохода воды |
0,0302 |
| Диаметр корпуса, мм |
820 |
| Число трубок z |
792 |
| Длина трубок, мм |
3000 |
| Внутренний диаметр трубок |
14 |
| Наружный диаметр трубок, |
16 |
Потери напора в пароводяном подогревателе.
,
где
- число ходов воды. Составляет:
=4;
- скорость движения воды в камере. Составляет:
= 2,5 м/с;
- длина трубок. Составляет:
= 3 м.;
- коэффициент гидравлического трения.
Коэффициент гидравлического трения
, определяется по формуле
,
где
- коэффициент эквивалентной шероховатости. Составляет:
= 0,5 мм.;
- коэффициент кинематической вязкости. м2
/с Составляет
= 0,24 ∙ 10-6
м2
/с при средней температуре воды tв=126,64 0
С.
Определяем критерий Рейнольдса и сравниваем его с предельным значением
:
,

Значение приведённого коэффициента Рейнольдса:
![]()
![]()
Т.к. значение Re > Reпр, то при определении коэффициента гидравлического трения величиной
пренебрегаем.

Па.
12.2 Расчёт охладителя конденсата
Предварительно выбираем охладитель конденсата типа ПВ.
Тепловая нагрузка охладителя определяется по формуле
, (12.13)
![]()
Определяем средний температурный напор
, (12.14)
где
;
°C.
.
Температурный график:

Средняя температура конденсата
; (12.15)
°C.
Средняя температура воды в подогревателе
; (12.16)
°C.
Задаемся скоростью движения рабочих сред в трубном пространстве υ=1…2,5 м/с (чтобы было турбулентное движение) и определяем сечение fтр для прохода конденсата :
, (12.17)
где
- плотность конденсата в трубках в зависимости от температуры конденсата.
Составляет:
= 947,24 кг/м3
;
- скорость движения воды в трубках принимаем:
= 2,5 м/с.
м2
.
По данному fтр из [7] по ГОСТ 27590-88Е принимаем ближайшее fтр =0,0304 м2 [13]
Выбираем водо-водяной подогреватель типа ПВ – 325 x 4 – 1,0 – РГ – 5 – У3 [13]. Характеристика которого представлена в таблице 12.2.
Таблица 12.2 – Технические характеристики пароводяного подогревателя ПВ-325х4-1,0-РГ-5-У3
| Теплопризводительность, кВт |
1209 |
| Расход сетевой воды номинальный, кг/с (т/ч) |
218,8 |
| Площадь поверхности нагрева, м2 |
31,62 |
| Площадь сечения для прохода сетевой воды |
0,0304 |
| Площадь сечения межтрубного пространства |
0,348 |
| Наружный диаметр корпуса |
325 |
| Внутренний диаметр корпуса |
309 |
| Число трубок z |
134 |
| Длина трубок, мм |
4000 |
| Внутренний диаметр трубок |
17 |
| Наружный диаметр трубок, |
19 |
Уточняем скорость движения воды в трубном пространстве:
;
м/с.
Проверяем удовлетворение движения среды в трубках турбулентному течению
- коэффициент кинематической вязкости. м2
/с Составляет
= 0.3875 ∙ 10-6
м2
/с при средней температуре воды tв=75.5 0
С.
Рассчитываем коэффициент теплоотдачи от конденсата к трубкам

![]()
.
Рассчитываем эквивалентный диаметр для межтрубного пространства:

![]()
Определяем скорость среды в межтрубном пространстве:
, где
- площадь сечения межтрубного пространства. Составляет:
= 0,348 м2
;
- плотность сетевой воды. Составляет:
= 947,7 кг/м3
.
м/с.
Проверяем критерий Reмтр для межтрубного пространства

= 0,2743 ∙ 10-6
м2
/с при средней температуре конденсата tв=108.9 0
С.
Рассчитывают коэффициент теплоотдачи в межтрубном пространстве, Вт/(м2 К):

![]()
.
Определяем коэффициент теплопередачи, Вт/(м2 К):
,
где
- коэффициент, учитывающий загрязнение трубок, принимается равным,
= 0,8–0,95
Принимаем
= 0,9.
- коэффициент эффективности теплообмена: для гладко трубных водоподогревателей с опорами в виде полок ![]()

.
Рассчитываем необходимую поверхность нагрева водоподогревателя:
,
м2
.
Число секций NС, шт, определяется по формуле
,
где FС- площадь поверхности одной секции выбранного теплообменника, м2 . FС=31,62 м2
≈7 шт.
Действительная поверхность нагрева с учетом округления числа секций до целого числа FД, м2 , определяется по формуле
,
где
– округленное число секций до целого числа, шт.
=7 шт.
=221,34 м2
Потери давления для воды, проходящей в трубках ΔP, кПа, определяется по формуле
,
где
– коэффициент, учитывающий накипеобразование, принимается равным
=2–3.Принимаем
=3.
– коэффициент, учитывающий длину секции, для lС=4 м
=7,5
– уточненная скорость воды в трубках, м/с
1324,6 кПа
Потери давления для воды, проходящей в межтрубном пространстве ΔP, кПа, определяется по формуле
,
где В– коэффициент зависящий от размеров секции. Определяется по таблице 4.4 [12]. В=20
– скорость воды в межтрубном пространстве, м/с
1,633 кПа
13. ТЕХНИКО-ЭКОНОМИЧЕСКИЕ ПОКАЗАТЕЛИ СИСТЕМЫ
ТЕПЛОСНАБЖЕНИЯ
Количество выработанной тепловой энергии в год ∑Qвыр , ГДж/год, определяется по формуле
(13.1)
где
– расход теплоты на технологию, ГДж/год.
ГДж/год;
– расход теплоты на отопление, ГДж/год.
=458272,29 ГДж/год;
– расход теплоты на вентиляцию, ГДж/год.
= 41254,54 ГДж/год;
– расход теплоты на ГВС, ГДж/год.
= 291480,77 ГДж/год;
– количество утечек, ГДж/год.
–суммарные потери теплоты через изоляцию, ГДж/год.
=15921,5 ГДж/год.
– расход теплоты на нагрев сырой воды, ГДж/год.
– расход теплоты на подогрев химически очищенной воды в подогревателе перед деаэратором, ГДж/год.
Количество утечек
, ГДж/год, определяется по формуле
, (13.2)
где tср – средняя температура воды, 0 С, tср =110 0 С;
tсв – температура сырой воды, 0 С. t’св =5 0 С;
n – число дней работы котельной, сут., n=350 cут.
132679 ГДж/год.
Расход теплоты на нагрев сырой воды
, ГДж/год, определяется по формуле
, (13.3)
где
– годовой расход воды котельной, т/год.
ГДж/год.
Расход теплоты на подогрев химически очищенной воды в подогревателе перед деаэратором
, ГДж/год, определяется по формуле
, (13.4)
=61067,97 ГДж/год.
Рассчитываем количество отпущенной тепловой энергии в год по формуле ()
![]()
Количество отпущенной тепловой энергии в год ∑Qотп , ГДж/год, определяется по формуле
, (13.5)
ГДж/год
Годовой расход топлива B, тыс.м3 /год, определяется по формуле
– для выработанной тепловой энергии
, (13.6)
- низшая теплота сгорания топлива. Для мазута составляет:
= 0,0373 ГДж/м3
;
- КПД котельной. Составляет:
= 0,98.
– для отпущенной тепловой энергии
, (13.7)
50504,177 тыс.м3
/год,
48611,025 тыс.м3
/год.
Удельный расход топлива на единицу теплоты b, тыс.м3 /ГДж, определяется по формуле
– для выработанной тепловой энергии
(13.8)
– для отпущенной тепловой энергии
(13.9)
0,029 тыс.м3
/ГДж
0,029 тыс.м3
/ГДж
Число часов использования установленной мощности
, час/год, определяется по формуле
, (13.10)
где
– установленная мощность котельной, МВт.
Установленная мощность котельной
, МВт, определяется по формуле
, (13.11)
где nk – количество котлов, шт.
МВт
Вычисляем число часов использования установленной мощности по формуле (13.10)
669,4 час/год.
Удельный расход сырой воды
, кг/ГДж, определяется по формуле
– для выработанной тепловой энергии
, (13.12)
где
годовой расход воды котельной, т/год.
– для отпущенной тепловой энергии
, (13.13)
Годовой расход воды котельной
, т/год, определяется по формуле
, (13.14)
169592,64 т/год.
Вычисляем удельный расход сырой воды мощности по формуле (13.13) – (13.14)
0,09 т/ГДж,
0,1 т/ГДж,
Установленная мощность токоприемников Nуст , кВт, определяется по формуле
, (13.15)
где
- удельный установленный расход электроэнергии на собственные нужды, кВт/МВт.
= 18 кВт/МВт
13008,2 кВт.
Годовой расход электрической энергии Эс.н. , кВт·ч/год, определяется по формуле
, (13.16)
где
- коэффициент использования электрической мощности. Принимается
= 0,8.
– число часов работы котельной в год, ч.
=8400 ч.
87415,104·103
кВт·ч/год.
Удельный расход электрической энергии
, кВт·ч/ГДж, определяется по формуле
– для выработанной тепловой энергии
, (13.17)
– для отпущенной тепловой энергии
, (13.18)
50,19 кВт·ч/ГДж
52,15 кВт·ч/ГДж
заключение
Разработанный проект системы теплоснабжения промышленного района позволяет обеспечить потребителей теплотой в заданном количестве и с требуемыми параметрами.
В результате расчетов определены состав и тип основного и вспомогательного оборудования промышленно отопительной котельной, разработаны температурные графики регулирования тепловой нагрузки, выбран тип и способ прокладки тепловых сетей, произведен тепловой расчет тепловых сетей и выбрана тип и конструкция изоляции.
Для теплоснабжения промышленного района в котельной необходимо установить пять котлов типа Е-50-14-225, четыре сетевых подогревателя с водо-водяными подогревателями, выполняющими роль выносных охладителей конденсата типов ПП1-108-7-VI и ПВ-325х4-1,0-РГ-5-У3 соответственно.
Список литературы
1. СНиП 2.04.07. – 86*. Тепловые сети /Минстрой России.- М.: ГП ЦПП, 1994. – 48 с.
2. СНиП 2.01.01-82. Строительная климатология и геофизика/Минстрой России.- М.: ГП ЦПП, 2000. – 79 с.
3. Соколов Е.Я. Теплофикация и тепловые сети. – М.: Издательство МЭИ, 1999. – 472 с.
4. СниП 2.04.05-91**. Отопление вентиляция и кондиционирование воздуха /Минстрой России.- М.: ГП ЦПП, 2000. – 79 с.
5. Авдюнин Е.Г., Ершов Ю.Г., Шарафутдинова Н.К.: Учеб. пособие/ Иван.гос.энерг.ун-т. – Иваново, 2004. – 108 с.
6. СНиП 2.04.18 – 88*. Тепловая изоляция оборудования трубопроводов/ Госстрой СССР.- М., ЦИТП Госстрой СССР, 2000. – 28 с.
7. Новое теплообменное оборудование для промышленных энергоустановок и систем теплоснабжения / Отраслевой каталог - М.: ЦНИИТЭИТЯЖМАШ, 1998 г.
8. Таблицы водяного пара
9. СНиП 2.04.01-85* Внутренний водопровод и канализация зданий
10. ГОСТ 10706-76 Трубы стальные электросварные прямошовные. Технические требования.
11. СП 41-103-2000 Проектирование тепловой изоляции оборудования и трубопроводов.
12. Краснощеков Е.А., Сукомел А.С. Задачник по теплопередаче: Учеб. пособие для вузов. - 4-е изд., перераб. - М.: Энергия, 1980. - 288 с., ил.
