| Скачать .docx |
Реферат: Электропривод вентилятора главного проветривания
Министерство образования РФ
Пермский Государственный Технический Университет
кафедра Электрификации и Автоматизации Горных Предприятий
ПОЯСНИТЕЛЬНАЯ ЗАПИСКА
к курсовому проекту по автоматизированному электроприводу горных машин и механизмов по схеме АВК.
Выполнил: студент гр. ЭАПУ-07-2 Печенкин А. С.
Проверил: преподаватель Седунин А. М.
Пермь - 2011
Содержание.
Задание по курсовому проекту……………………………………………3
Введение…………………………………………………………………….4
Выбор вентилятора главного проветривания…………………………….5
Выбор двигателя для вентиляторной установки………………………...6
Расчет и выбор остального электрооборудования……………………….7
Разработка и построение математической модели электропривода…11
Моделирование системы АВК на ЭВМ………………………………..17
Заключение…………………………………………………………………18
Список литературы………………………………………………………..19
1. Задание по курсовому проекту
Разработать электропривод вентилятора главного проветривания шахты (схема АВК).
Режим работы – длительный;
Наименование объекта – вентилятор главного проветривания;
Условия:
- производительность 160 ¸ 200 м³/с;
- статическое давление 270 ¸ 400 кгс/м²;
- тип вентилятора – центробежный;
- Трот = 0,01 сек;
- Rрот = 0,008 Ом;
- САУ статическая с ошибкой
;
2. Введение.
Электропривод по схеме « Асинхронно-вентильного каскада » получил широкое распространение в промышленности. Электропривод применяется, в основном, тогда, когда скорость требуется регулировать в малом диапазоне (сверху) и когда не требуется высокая точность регулирования. Это обуславливает применение « Асинхронно-вентильного каскада » в электроприводах со спокойным графиком нагрузки, т. е. у которых момент на валу изменяется не очень сильно (вентиляторы, компрессоры, насосы).
АВК является наиболее экономичной системой регулируемого электропривода переменного тока, так как в ней преобразуется лишь часть энергии, потребляемой асинхронной машиной - энергия скольжения.
В ряде случаев установленная мощность преобразователя АВК пропорциональна глубине регулирования и составляет лишь часть мощности привода.
Однако АВК присущи ряд недостатков, основным из которых является низкий коэффициент мощности, при этом максимальное потребление реактивной мощности имеет место в верхнем диапазоне регулирования скорости, являющимся обычно весьма продолжительным.
Процесс регулирования скорости в каскадных схемах включения асинхронного двигателя осуществляется введением встречной добавочной ЭДС, которая изменяется путем уменьшения (увеличения) угла отпирания тиристоров инвертора, в его роторную цепь. Если добавочная Э.Д.С. в роторной цепи равна нулю, то ток ротора определяется только Э.Д.С. обмотки ротора и ее параметрами. При введении в цепь ротора добавочной Э.Д.С. часть энергии скольжения потребляется источником добавочной Э.Д.С., а количество энергии, выделяемой в обмотке ротора, уменьшается, что приводит к уменьшению тока ротора. Уменьшение тока ротора вызовет уменьшение момента, развиваемого двигателем, который становится меньше статического момента нагрузки (Мст), скорость двигателя начинает уменьшаться, а ее уменьшение приводит к увеличению скольжения, а значит и Э.Д.С. ротора. Увеличение Э.Д.С. ротора приводит к увеличению тока ротора и момента двигателя.
Когда момент, развиваемый двигателем, вновь станет равным статическому моменту, двигатель перестанет замедляться и вновь будет работать в установившемся режиме, но уже при более низкой, чем ранее, скорости. Из сказанного вытекает, что при увеличении добавочной Э.Д.С. в роторе угловая скорость двигателя уменьшается, а при уменьшении – увеличивается. При добавочной Э.Д.С. равной нулю двигатель работает на механической характеристике, близкой к естественной.
3. Выбор вентилятора главного проветривания.
По исходным данным Q и Р выбираем центробежный вентилятор ВЦД 31,5 дм.
Техническая характеристика вентиляторной установки:
- диаметр рабочего колеса, дм 3150
- частота вращения вала, об/мин 600
- статический КПД:
максимальный 0,84
средневзвешенный в нормальной области работы 0,74
- подача в рабочей зоне при статическом КПД более 0,6 м³/с 35¸305
- статическое давление в рабочей зоне при статическом КПД более 0,6кгс/м² 50¸510
- динамический момент инерции вращающихся частей, Н*м² 350000
4. Выбор двигателя для вентиляторной установки.
Рассчитываем мощность двигателя:
где Q = 200 м³/с – максимальная производительность; Р = 400 кгс/м² – статическое давление; Кз = 1,1 – коэффициент запаса; hв = 0,74 – КПД вентилятора; hпер = 1 – КПД передачи (без редуктора);
По расчетной мощности Рдврасч выбираем асинхронный двигатель с фазным ротором типа АКН2-18-53-16МУХЛ4.
Паспортные данные двигателя АКН2-18-53-16МУХЛ4:
- Мощность N, кВт 1250
- Напряжение статора U, В 6000
- Ток статора Iст, А 163
- Скорость вращения n, об/мин 580
- Напряжение ротора Uр, В 835
- Ток ротора Iр, А 650
- Скольжение S, % 1,15
- КПД (при нагрузке 1/1), % 94,7
- Соs j (при нагрузке 1/1) 0,78
- Ммах/Мном 2,4
- Вращающий момент, кН·м² 31,9
5. Расчет и выбор остального электрооборудования.
Выбор оборудования роторной цепи.
Выбор выпрямителя, инвертора и трансформатора инвертора по мощности напрямую зависит от требуемой глубины регулирования скорости вращения двигателя, т.е. от максимального скольжения.
S=1, т. к. пуск привода происходит в схеме каскада с регулированием до нуля.
Выбор трансформатора инвертора.
Трансформатор инвертора выбирается по току и напряжению вторичных обмоток.
Напряжение вторичной обмотки трансформатора инвертора:
где: К1 = 1,35 – коэффициент мостовой схемы Ларионова;
Uр = 835 - напряжение на роторе двигателя, В;
Sмах = 1 - максимальное скольжение;
К2 – коэффициент, зависящий от схемы соединения вентилей инвертора (для трехфазной мостовой схемы К2 = 2,34);
b - угол опережения открывания вентилей инвертора (угол управления);
Примечание: во избежание прорыва инвертора bmin принимают не менее 15°.
Выпрямленный ток ротора двигателя:
Ток вторичной обмотки трансформатора инвертора:
![]()
где К2и – коэффициент зависящий от схемы соединения вентилей (для трехфазной мостовой схемы К2i =0,815)
Мощность трансформатора насчитывается по формуле
![]()
Габаритная мощность трансформатора должна превышать мощность найденную по выше приведенным формулам, вследствие того, что необходимо компенсировать потоки вынужденного намагничивания сердечников трансформатора. Это превышение для трехфазной мостовой схемы составляет 4,5%
С учетом приведенного замечания получаем, что мощность трансформатора должна быть не менее 952 кВА.
Выбираем трансформатор типа ТМБ-1000/10-82У1
Паспортные данные:
| S, кВА |
U1 , кВ |
U2 , В |
| 1000 |
6 |
1575 |
Выбор тиритсторного преобразователя.
Выбор преобразователя осуществляется по выпрямленному току и максимальному напряжению ротора
Id=748 А,
![]()
Выбираем преобразователь КУ АВК из каталога 08,10,32,-94
Техническая характеристика:
Мощность, кВт 1000
Напряжение силового выпрямителя (от обмоток ротора), В 1130
Напряжение питания силового инвертора, В 1575
Максимальное рабочее выпрямленное напряжение:
Выпрямителя, В 1520
Инвертора, В 1520
Номинальный выпрямленный ток, А 750
Частоты, Гц 50
Выбор дросселя.
Ток через дроссель: Iдр =Id =748 А
Индуктивное сопротивление реактора ![]()
Индуктивность дросселя ![]()
Выбираем и дросселя СРОС3-800М УХЛ4, которые входят в комплект поставки КУ АВК 1000.
Выбор шунта.
Шунт выбираем из условия: Iш >Id
Выбираем шунт типа 75ШСМ-1000. Iшн =1000 А. Uшн =75 мВ. Rш =75*10-5 Ом
Выбор тахогенератора.
Тахогенератор выбирается из условия nтг >nдв Выбираем тахогенератор П.Ч 1 Uя =230 В. Uв =220/110 В. Iв =1 А. nтг =750 об/мин.
Выбор выключателя.
Выбираем выключатель типа ВАТ 42 – 2000/660-А-У4
Выбор высоковольтного оборудования.
Распределительные устройства выбираем по Uн.дв и Iн.дв. Выбираем комплектные распределительные устройства КРУ – 10 –20.
Технические данные:
Iн =630 А. Uн = 6-10 кВ.
Электро динамическая устойчивость – 52 кА
Термическая устойчивость –20 кА
Выключатель – ВМПЭ – 10; Iн =630 А. Iоткл =20 кА
время откл-0,07-0,095
время вкл АРВ-0,5с.
тип привода –ПЭВ-11А
Серия включает в себя следующие исполнения шкафов: ввода, отходящих линий, секционного выключателя, трансформатора напряжения и трансформатора собственных нужд.
6. Разработка и построение математической модели электропривода.
Систему управления эл.приводом строим по принципу подчиненного регулирования на элементах УБСР-АИ, система статическая, так как регулятор скорости пропорциональный, и такая система получается однократно-интегрирующей по управляющему воздействию, т.е. ошибка по скорости будет проявляться при наличии сигнала возмущения. САР привода по схеме вентильного каскада содержит два контура:
- контур выпрямленного тока ротора двигателя.
- контур скорости двигателя.
Наша задача – составить структурную схему электропривода и определить передаточные функции регуляторов.
Опишем объект регулирования:

Rэ =0,008 Ом – эквивалентное сопротивление цепи ротора;
Тэ = 0,01 сек – компенсируемая постоянная времени;
Км – коэффициент отношения момента двигателя к выпрямленному току

J – момент инерции приведенный
J= Jдв + Jвент =31,9+350 =381,9 кНм2
В роторную цепь включается инвертор.
![]()
где
=0,02 сек- не компенсируемая постоянная времени;
Ки – передаточный коэффициент инвертора.
Ки =Ер/10=1520/10=152
Здесь 10В – напряжение управления, подаваемое в СИФУ инвертора.
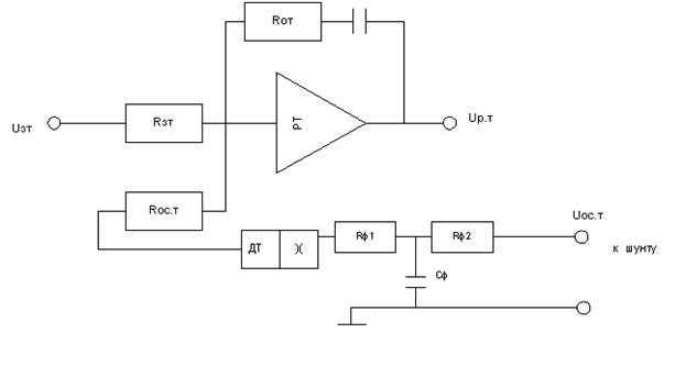
Опишем контур тока:

![]()
где ат - степень демпфирования по току;
t - сумма некомпенсированных малых постоянных времени.
![]()
Ко.т. – коэффициент обратной связи по току.
Ко.т.= 2/Id = 0,003
-ПИ регулятор
Тm = t =0,02
Опишем контур скорости. Передаточная функция регулятора скорости запишемся (П-регулятор):

передаточный коэффициент обратной связи по скорости.
ас – коэффициенты демпфирования контура скорости.
Конечная структурная схема электропривода по схеме АВК приведена в графической части.
Согласно структурной схемы:

![]()
![]()
![]()
Из передаточной функции разомкнутой системы по управляющему воздействию в соответствии со структурной схемой получим зависимость для расчета регулировочной характеристики привода в разомкнутой системе:
![]()
Из передаточной функции по возмущаемому воздействию определим механические характеристики привода в разомкнутой системе:
![]()
В замкнутой системе механические характеристики привода жесткие и не зависят от нагрузки. Регулировочная характеристика:
![]()
Для компенсации Едв в начальный момент пуска подается напряжение смещения Uсм:
Расчет элементов системы управления
Расчет параметров регуляторов тока:
Его передаточная функция имеет вид:

Пропорциональная часть: ![]()
Интегральная часть: ![]()
Rзт =Rос.т =15 кОм Отношение Rзт и Rос.т будет равно коэффициенту усиления пропорциональной части регулятора.

;
из условия технического оптимума.
![]()
Емкость конденсатора Сот определяется через постоянную времени ИЧ регулятора:
;
![]()
Для исключения влияния пульсирующего характера тока и напряжения снимаемых с шунта, на вход датчика тока нужно установить фильтр. Принимаем Rф =10 Ом; Тф =0,006 с. Сф =Тф /Rф =600 мкФ.
Расчет регулятора скорости.
Представим регулятор скорости в виде:

Передаточная функция регулятора скорости:
![]()
Где J- момент инерции приведенный: J =381,9 кНм2 ; кос = 0.017241; км =27.553 Нм/А; ат =2; ас - демпфирование по скорости ас = 4;
Принимаем Rзс =Rос.с =15 кОм. получим:

Так как коэффициент усиления датчика скорости =1, то обеспечить данный коэффициент обратной связи можно за счет делителя напряжения:
;
![]()

Т.к. тахогенератор прецензионный, обладающий малыми пульсациями напряжения, фильтр на входе датчика скорости не ставим.
Согласно структурной схемы можно записать уравнения, описывающие работу каждого звена:
1) ![]()
2) 
3) 
4) ![]()
5) ![]()
6) ![]()
7) ![]()
В целом описание всей системы управления примет следующий вид:

Приведем полученную систему к виду, требуемым для численного решения методом Рунге-Кутты на ЭВМ:

где:


7. Моделирование системы АВК на ЭВМ.
В курсовом проектировании построение было произведено путем моделирования системы АВК вентилятора главного проветривания на ЭВМ. Для отладки системы, работы системы управления электропривода были проведены следующие исследования:
1. Ступенчатое воздействие управляющего сигнала.
2. Возмущающие воздействие момента статического в номинальном режиме работы.
8. Заключение.
Нами была разработана система электропривода вентилятора главного проветривания шахты по схеме АВК. Был проведен выбор оборудования, смоделирована система управления электроприводом и рассчитаны на ЭВМ динамические процессы.
Проведенные исследования динамических процессов позволяют сказать, что разработанная система управления удовлетворяет требованиям, предъявляемым к ней. Ошибка по управляющему воздействию нулевая, ошибка по возмущающему воздействию 3%. Наиболее хорошие характеристики были получены при коэффициентах демпфирования
Зависимость Id =f(t) и n=f(t) построены в графической части, также приведены принципиальная и структурная схемы электропривода АВК.
9. Список литературы.
1. Вешеневский С.Н. Характеристики двигателей в электроприводе.- М.,"Энергия", 1977.-432 с., илл.
2. Комплектные тиристорные электроприводы: К63.Справочник/ И.Х. Евзеров, А.С. Горобец, Б.И. Мошкович и др.; Под ред.канд.техн.наук В.М. Перельмутера.-М., Энергоатомиздат, 1988.-319 с., илл.
3. Малиновский А.К. Автоматизированный электропривод машин и установок шахт и рудников. Москва “ Недра” 1987.-277с.
4. Онищенко Г.Б. Асинхронный вентельный каскад.- М., Энергия, 1967.-152 с., илл.
5. Чиликин М.Г.,Сандлер А.С. Общий курс электропривода.- М., Энергоиздат, 1981.-576 с., илл.
6. Хватов С.В., Титов В.Г. Проектирование и расчет асинхронного вентильного каскада.-Горький,1977.-91 с.