| Скачать .docx |
Реферат: Контрольная работа по Технологиям металлов и сварке
МИНИСТЕРСТВО ОБРАЗОВАНИЯ И НАУКИ
РЕСПУБЛИКИ КАЗАХСТАН
Рудненский индустриальный институт
Кафедра Менеджмента и Маркетинга
КОНТРОЛЬНАЯ РАБОТА
По дисциплине: «Технология металлов и сварка»
| Преподаватель: |
| Дергунова Е.В. . |
| (личная подпись И.О.Ф.) |
| «___» ___________ 2011г. |
| Студент: |
| Хрыльченко Э.М. . |
| (личная подпись И.О.Ф.) |
| Группа: ЗСт09-во . |
| Шифр: 090564 . |
| (№ зачетной книжки) |
| « » 2011г. |
Рудный
2011г.
Содержание
| 1. |
Контрольное задание № 1 |
3 |
| 1.1 |
Атомное строение металлов и сплавов |
3 |
| 1.2 |
Аллотропические превращения в металлах |
5 |
| 1.3 |
Понятие и теории дислокации |
7 |
| 2. |
Контрольное задание № 2 |
12 |
| 2.1 |
Задача №1 |
12 |
| 2.2 |
Задача №2 |
13 |
| 2.3 |
Задача №3 |
15 |
| 2.4 |
Задача №4 |
16 |
| 2.5 |
Задача №5 |
17 |
| 2.6 |
Задача №6 |
19 |
| 2.7 |
Задача №7 |
21 |
| Список литературы |
24 |
1. Контрольное задание №1
1.1 Атомное строение металлов и сплавов
Из 106 элементов периодической системы Д. И. Менделеева, известных в настоящее время, 80 составляют металлы.

Рисунок. 1.1. Пространственные кристаллические решетки и элементарная ячейка простей кубической решетки
В твердом состоянии все металлы и металлические сплавы обладают кристаллическим строением со строго определенным расположением атомов. Кристаллические тела состоят из множества мелких зерен (кристаллитов), внутри которых атомы расположены закономерно, образуя в пространстве правильную кристаллическую решетку. В идеальной кристаллической решетке атомы находятся на определенных расстояниях друг от друга и располагаются в определенных местах. Такое упорядоченное расположение атомов отличает кристаллическое тело от аморфного, в котором атомы расположены беспорядочно.
Пространственная кристаллическая решетка любого металла слагается из множества сопряженных друг с другом элементарных ячеек, внутри которых в известном порядке размещаются отдельные атомы. Существует несколько основных типов кристаллических решеток.
На рис. 1.1а представлены кубические решетки металлов.
Элементарная ячейка простой кубической решетки (рис. 1.1б ) состоит из восьми атомов, расположенных в вершинах куба. Расстояние а между центрами соседних атомов, расположенных в узлах ячейки, называют периодом решетки, и измеряют в ангстремах A (1А = 10–8 см) или килоиксах (1кх = 1,00202 -КН см).
Каждый атом в вершине куба принадлежит одновременно восьми ячейкам, т. е. на каждую ячейку в этой вершине приходится 1/8 атома. На всю ячейку в целом (8 вершин) приходится, таким образом, 1 атом. Кубическая кристаллическая решетка сокращенно обозначается индексом Кб.
В кубической объемно-центрированной решетке (рис. 1.1б и 1.2а ) кроме восьми атомов, находящихся в вершинах куба, имеется один атом внутри решетки, принадлежащий только одной элементарной ячейке. Таким образом, на каждую элементарную ячейку в этом случае приходится два атома. Эта решетка обозначается индексом К8. Базисом кристаллической решетки называют число атомов, приходящихся на одну элементарную ячейку. Базис характеризует плотность решетки, ибо в каждой решетке кроме объема, занимаемого атомами, остается еще свободное пространство.
Коэффициентом компактности называется отношение объема, занимаемого атомами, ко всему объему решетки. Чем больше коэффициент компактности, тем больше плотность элементарной ячейки. Решетку К8 имеют Feα , Сг, Tiβ , W, Mo и другие металлы.
В кубической гранецентрированной решетке К12 (рис. 1.1в и 1.2б ) число атомов равно четырем: 1/8·8 = 1 атом от числа атомов, расположенных в вершинах куба и плюс 1/2·6 =3 атома от числа атомов, расположенных в центре граней куба. Кубическую гранецентрированную решетку имеют Feγ , Ni, Al, Coβ и другие металлы.

Рисунок 1.2. Основные виды элементарных ячеек кристаллических решеток металлов: а – объемно-центрированная кубическая; б – гранецентрированная кубическая; в –гексагональная (координационные числа для них соответственно равны 2, 4 и 12)
Взаимную связь атомов друг с другом характеризует координационное число. Под координационным числом понимают число атомов-соседей, находящихся на равном и наиболее близком расстоянии от избранного атома. Так, в простой кубической решетке от атома А (рис. 1.1д ) на таких расстояниях находятся атомы 1, 2 и 3 данной ячейки, а также симметрично расположенные 4, 5 и 6 соседних элементарных ячеек.
Наименьшее расстояние d между атомами в кубической объемно-центрированной решетке определяется формулой d = (а √3)/2. В такой решетке коэффициент компактности равен 0,68, или 68%; коэффициент компактности для кубической гранецентрированной решетки 0,74, или 74%, т. е здесь атомы более плотно упакованы (см. рис. 1.2б ). Таким образом, чем больше координационное число, тем больше плотность упаковки атомов. Основные виды элементарных ячеек кристаллических решеток показаны на рис. 1.2.
Число атомов в различных сечениях пространственной кристаллической решетки неодинаково. Вследствие этого механические, электрические и другие свойства кристаллических тел в разных направлениях будут различными. Это явление называют анизотропией. Так, например, предел прочности монокристалла чистой меди в различных кристаллографических направлениях изменяется от 140 до 360 МН/ма A4—36 кгс/мма), а относительное удлинение от 10 до 50%.
Многие физические свойства металлов и сплавов, например высокая электропроводность и теплопроводность, определяются особенностью их внутриатомного строения. Известно, что атом любого элемента имеет положительно заряженное ядро и движущиеся вокруг него отрицательно заряженные электроны. Число электронов в нормальном атоме равно положительному заряду ядра и атом сам по себе электрически нейтрален.
Напомним, что порядковый номер элемента в периодической системе Менделеева равен числу положительных зарядов ядра (и числу электронов). Так, например, у алюминия (порядковый номер 13) числоположительных зарядов ядра и число электронов также равно 13. Принадлежащие атому электроны разделяются на валентные, движущиеся по внешним орбитам, и внутренние, находящиеся на более близких к ядру орбитах движения. Валентные электроны в атоме металлов слабо связаны с ядром и .могут подвергаться воздействию положительно заряженных ядер близлежащих атомов, поэтому их можно назвать свободными электронами.
1.2 Аллотропические превращения в металлах
Некоторые металлы (железо, олово, титан, цирконий, кобальт и др.) способны испытывать превращения в твердом состоянии при изменении температуры, т. е. подвергаться так называемой вторичной кристаллизации. Существование одного и того же металла в нескольких кристаллических формах с различным расположением атомов в элементарной ячейке решетки называется аллотропией, а процесс изменения кристаллической решетки — аллотропическим, или полиморфным превращением. Аллотропические формы металла называют модификациями и обозначают начальными буквами греческого алфавита. При вторичной кристаллизации происходит перестройка кристаллической решетки из кристаллов прежней формации и образование новых кристаллов.
Железо может существовать в различных модификациях. Аллотропические превращения железа можно проследить по кривым охлаждения и нагревания (рис. 1.3). На кривой охлаждения при температуре 1539° С появляется первая горизонтальная площадка (остановка), отмечающая переход железа из жидкого состояния (ж) в твердое Feδ с выделением значительного количества тепла. Образующиеся кристаллы Feδ имеют кубическую объемно-центрированную кристаллическую решетку со стороной а = 2,93 А.
Вторая остановка наблюдается при 1401° С (точка Ar4 ). При этом Feδ переходит в Feγ , с более плотной кубической гранецентрированной кристаллической решеткой. Третья остановка происходит при 898° С (точка Ar3 ), во время которой Feγ переходит в Feβ и имеет кубическую объемноцентрированную кристаллическую решетку.
Последняя остановка наблюдается при 768° С (точка Ar2 ), что соответствует переходу из состояния Feβ в Feα без изменения кристаллической решетки.

Рисунок 1.3. Кривые охлаждения и нагревания железа
Выделение тепла при переходе Feβ в Feα связано с внутриатомными изменениями, в результате которых у Feα появляются резко выраженные магнитные свойства. Таким образом, фактически имеются две модификации железа с разными кристаллическими решетками.
Превращения, происходящие при нагревании железа, сопровождаются поглощением тепла. Остановки чаще всего происходят при тех же или несколько более высоких температурах, чем при охлаждении. Критические температуры, при которых происходят аллотропические превращения железа, обозначаются А с соответствующими индексами (при нагревании применяют индекс с с цифрой, при охлаждении – r c цифрой).
Реальная кристаллическая решетка отличается от идеальной схемы, приведенной на рис. 1.3, наличием кристаллических несовершенств.
1.3 Понятие о теории дислокации
Все реальные кристаллические твердые тела (в частности, металлы) имеют большее или меньшее количество дефектов кристаллической структуры, оказывающих влияние, нередко решающее, на макроскопические свойства твердых тел. Такими дефектами являются:
· точечные дефекты – вакансии (узлы кристаллических решеток, незаполненные атомами), межузельные атомы и др.
· одномерные (линейные) дефекты – дислокации;
· двумерные (поверхностные) дефекты – границы зерен и двойников, дефекты упаковки и др.
Успехи учения о прочности и пластичности материалов связаны с развитием представлений о роли дефектов структуры при пластической деформации и разрушении кристаллических твердых тел.
Дислокациями называют линейные несовершенства или одномерные дефекты кристаллических решеток реальных металлов, представляющие собой особые нарушения кристаллического строения, связанные с отклонениями реальных кристаллов от идеального их строения.
Дислокации бывают краевые, винтовые и смешанные криволинейные. Возникают они в металлах в процессе кристаллизации, пластической деформации и по другим причинам, вызывающим создание полей напряжений в кристаллической решетке, приводящих к соответствующим локальным деформациям и смещениям.
Теория дислокаций позволила объяснить, почему реальная прочность металлов разительно отличается от теоретической прочности (подсчитанной с учетом сил межатомного взаимодействия).
Представим себе, что в кристаллической решетке по каким-либо причинам появилась лишняя полуплоскость атомов, так называемая экстраплоскость Q (рис. 1.4). Край 3–3' такой плоскости образует линейный дефект (несовершенство) решетки, который называют краевой дислокацией. Если такая дислокация находится вверху, то ее считают положительной и обозначают знаком ┬; краевую дислокацию, находящуюся внизу (отрицательную), обозначают знаком ┴.

Рисунок 1.4. Дислокация в кристаллической решетке.
Краевая дислокация может простираться в длину на многие тысячи периодов решетки, ее линия не может быть прямой и, обладая поверхностным натяжением, она стремится замкнуться в контур. Вокруг дислокации возникает зона упругого искажения решетки. Ширина дислокаций, т. е. расстояние от центра дефекта до места решетки без искажения, невелика и равна нескольким межатомным расстояниям.
Вследствие искажения решетки в районе дислокации последняя легко может смещаться вправо или влево от нейтрального положения и устанавливать связь краевых своих атомов 3 с атомами 1 (см. рис. 1.4), а соседняя справа (слева) полуплоскость будет при этом переходить в промежуточное положение, превращаясь тем самым в экстраплоскость и образуя дислокацию вдоль краевых атомов 2 и т. д. Таким образом, дислокация может перемещаться (вернее – передаваться как эстафета) вдоль некоторой плоскости скольжения, расположенной перпендикулярно к экстраплоскости Q.
Дислокации в металлах можно наблюдать с помощью электронного микроскопа.
Теоретически, при элементарном пластическом сдвиге (рис. 1.5), если учесть силы межатомного взаимодействия для каждой пары сопряженных атомов (относительно плоскости скольжения АА) 1–1', 2–2' и т. д. и учитывая, что в плоскости скольжения реального металлического кристалла имеется около 1014 атомов на каждый см2 сечения, требуется чрезвычайно большое усилие (для технического железа, как уже отмечалось, в десятки раз большее, чем это реально наблюдается).
Согласно дислокационной теории пластический сдвиг в металле следует рассматривать как процесс эстафетного перемещения дислокаций. Упрощенная схема этого процесса представлена на рис. 1.6.
В результате наличия дислокации (рис. 23а ) в кристалле по обе стороны скольжения АА возникает искаженное состояние кристаллической решетки с нарушением порядка идеальных связей между атомами. В этом случае достаточно будет приложить небольшое внешнее усилие Р (значительно меньше силы Р для идеальной решетки–рис. 1.6б ), чтобы вызвать распростране-

Рисунок 1.5. Пластический сдвиг в идеальной кристаллической решетке:

Рисунок 1.6. Дислокационная схема пластического сдвига.
ние волны последовательных частных смещений вертикальных рядов атомов над плоскостью скольжения АА, не превосходящих по величине одного межатомного расстояния. В результате прохождения этой волны дислокация, как своеобразная эстафета, будет последовательно передаваться рядам атомов 3, 4... и в некоторый момент займет положение, представленное на рис. 1.6в . В итоге же передачи движения от частного смещения ряда атомов 1 дислокация выйдет на поверхность и исчезнет, как это показано на рис. 1.6г . Итак, конечным результатом перемещения дислокации вдоль плоскости скольжения АА явился сдвиг на одно межатомное расстояние, причем для осуществления этого сдвига понадобилось значительно меньшее усилие, чем при отсутствии дислокации.
Отсюда можно сделать вывод, что процесс сдвига в кристалле происходит тем легче, чем больше дислокаций имеется в металле. Наоборот, чем меньше в металле таких дислокаций, тем меньше возможностей для сдвига и тем прочнее металл. В металле, в котором не образуются дислокации, сдвиг возможен только за счет одновременного смещения (как целого) одной части кристалла относительно другой.
В этом случае прочность бездислокационного металла должна быть равна теоретической (точка 1 на рис. 1.7). Прочность нитевидных металлических кристаллов – так называемых усов (точка 2 на рис. 1.7) – оказалась ближе к теоретической, что, согласно, предположениям, обусловлено весьма малым количеством дислокаций. Так, например, для нитевидных кристаллов железа предел прочности на разрыв составляет 140 МН/м2 (МПа).
Большое повышение прочности металла с увеличением совершенства его кристаллического строения (на примере нитевидных кристаллов) является убедительным подтверждением теории дислокации.
Кроме получения бездислокационных металлических кристаллов существует другой путь упрочнения металлов. Оказывается, что реальная прочность металлов падает с увеличением числа дислокаций только вначале. Достигнув минимального значения при некоторой критической плотности дислокаций (рис. 1.7),реальная прочность вновь начинает возрастать. Повышение реальной прочности с возрастанием плотности дислокаций объясняется тем, что при этом возникают не только параллельные друг другу дислокации, но и дислокации в разных плоскостях и направлениях. Такие дислокации будут мешать друг другу перемещаться, т. е. в элементарный акт пластической деформации будет вовлекаться одновременно все большее число атомов, и реальная прочность металла повысится.
Традиционными способами упрочнения металлов, ведущими к увеличению плотности дислокаций, являются механический наклеп, измельчение зерна и общее фрагментирование кристаллов в результате термообработки. Некоторые давно известные методы легирования (например, внесение в решетку основного металла чужеродных атомов), создающие всякого рода несовершенства и искажения кристаллической решетки, препятствуют свободному перемещению дислокаций или блокируют их. Сюда же относятся способы образования структур с так называемыми упрочняющими фазами (например, дисперсионное твердение).

Рисунок 1.7. Зависимость прочности от плотности дислокаций: I — теоретическая прочность; 2 — прочность монокристальных нитей («усов»); 3 — практическая прочность отожженного металла; с — закаленной стали: 6 — стали после термомеханической обработки; в — мартенситостареющие стали
Однако во всех этих случаях упрочнение далеко не достигает теоретического значения. Следовательно, в той или иной степени наличие дислокаций в реальном металлическом кристалле является причиной понижения его прочности за счет проявления способности пластически деформироваться при напряжениях, меньших теоретического уровня.
Следует отметить, что взаимодействия дислокаций друг с другом и с другими дефектами металла настолько сложны, что на основе простых дислокационных теорий нельзя предсказывать прочность твердых тел. Однако, теория дислокаций позволяет качественно характеризовать процессы деформации, разрушения и упрочнения твердых тел.
Теория дислокаций на сегодняшний день стала неотъемлемой частью физики твердого тела и физического металловедения. Все процессы, протекающие в металлах и сплавах, а также формирование их свойств неразрывно связаны с характером и плотностью дефектов кристаллического строения и, в первую очередь, дислокаций. Так, пластическая деформация, обычно представляющая собой внутризеренный сдвиг, осуществляется, как об этом было сказало выше, путем движения дислокаций.
Теория дислокаций объясняет зависимость между деформациями и напряжениями, вскрывает причины деформационного упрочнения (наклепа). Чем больше плотность дислокаций при равномерном их распределении, тем выше прочность металла.
Упрочнение твердых растворов нельзя объяснить без учета взаимодействия растворенных атомов с дефектами кристаллического строения и, в первую очередь, с дислокациями.
Вокруг дислокаций могут создаваться скопления чужеродных атомов, получивших название «атмосфер Котредла». Образование таких скоплений (особенно внедренными атомами) может в значительной степени затруднять движение дислокаций увеличивая тем самым сопротивление пластической деформации.
Процесс разрушения металлов невозможно объяснить, не основываясь на теории дислокаций, поскольку разрушение и пластическая деформация неразрывно связаны между собой. Предложены различные дислокационные модели образования зародышей трещин, возникающих благодаря скоплению дислокаций перед барьерами.
Не привлекая теорию дислокаций, нельзя объяснить ползучесть металлов, поскольку она определяется процессами скольжения и «переползания» дислокаций.
Дислокации оказывают существенное влияние на процесс диффузии. Так как дислокации могут быть источником вакансий (атомных дырок в кристаллической решетке), то они способствуют ускорению диффузионных процессов. Дислокации могут уменьшать работу образования зародышей новой фазы, являясь областями преимущественного ее выделения (например, при дисперсионном твердении).
Теория дислокаций описывает характер взаимодействия дислокации с дисперсными частицами других фаз и вскрывает причины упрочнения стареющих сплавов.
Итак, многие вопросы металловедения неразрывно связаны с теорией дислокаций. Теория дислокаций подсказала пути реализации скрытых резервов прочности металлов, заключающиеся в более полном использовании сил межатомных связей в кристаллической решетке. Это выразилось, в частности, в разработке принципиально новых, практически бездислокационных материалов — нитевидных кристаллов металлов и других кристаллических веществ (графита, окислов и др.), обладающих чрезвычайно высокой прочностью в повышении прочности ранее известных марок стали путем комбинированной термомеханической обработки (ТМО).
Дислокационная теория служит дальнейшему развитию металловедения и его практического приложения.
2. Контрольное задание №2
2.1 Задача №1.
Определить несущую способность N , кН, прямого растянутого стыкового шва двух листов сечением 500х25мм, из стали С275. Контроль качества шва – визуальный.
Рисунок 2.1
Решение. Определяем расчетное сопротивление стали и сварного соединения, используя данные таблицы 51, /3/. Для листовой стали С275 толщиной 25мм расчетное сопротивление по пределу текучести
Ry = 270 МПа (27 кН/см2 ); для сварного стыкового соединения, работающего на растяжение и при отсутствии физического контроля качества шва расчетное сопротивление по таблице 3, /3/, Rwy = 0,85 R y = 0,85∙270 =
= 229,5 МПа = 22,95 кН/см2 .
Расчетная длина сварного стыкового шва lw = b - 2 t , отсюда lw = 500 - 2∙25 = 450мм.
Несущую способность стыкового шва N , кН, определяем из условия обеспечения прочности сварных стыковых соединений, определяемых по формуле (146), /3/
![]()
, (1)
откуда
, (2)
где: t – толщина свариваемых листов, t = 25мм = 2,5см;
lw – расчетная длина сварного шва, lw = 450мм = 45см;
Rwy – расчетное сопротивление стыкового шва, Rwy = 22,95кН/см2 ;
- коэффициент условий работы, принимаемый по таблице 6,/3/
=0,95;
2,5 ∙ 45 ∙ 22,95 ∙ 0,95 = 2452,78 кН
Ответ.
Несущая способность стыкового шва
2452,78 кН.
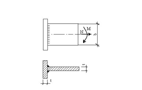
2.2 Задача №2
Определить какой расчетный изгибающий момент
,
, может выдержать сварной стыковой шов двух листов размерами 500х25 мм из стали С275. Сварка ручная с выводом концов шва за пределы стыка; контроль качества сварки – физический, рисунок 2.2.
Рисунок 2.2
Решение.
В том случае, когда на стыковое соединение действует изгибающий момент М
, напряжение в сварном шве
,
/
, определяют по формуле
, (3)
где
- момент сопротивления свариваемого сечения,
;
- коэффициент условий работы, принимаемый по таблице 6, /3/,
=1;
- расчетное сопротивление стыкового шва, при физическом контроле качества шва
=
.
Момент сопротивления свариваемого сечения Wω , см3 , определяют по формуле
, (4)
где t - толщина свариваемых листов, t = 25мм;
- расчетная длина стыкового шва, 500мм, так как сварка выполнена с выводом концов шва за пределы стыка;
.
Из формулы (3) определяем расчетный изгибающий момент М, кН∙м, по формуле
, (5)
.
Ответ. Расчетный изгибающий момент, который может выдержать стыковой шов М = 281,07 кН∙м.
2.3 Задача №3
На стыковое соединение листов сечением 500х25мм из стали С275 действуют момент М = 68кН∙м и поперечная сила Q = 1300 кН. Произвести поверочный расчет соединения. Контроль качества сварки - рентгеновский, рисунок 2.3.
Рисунок 2.3
Решение.
Для листовой стали С275, используя данные таблицы 51, /3/, принимаем расчетное сопротивление по пределу текучести
=270МПа; для сварного стыкового соединения, работающего на изгиб и при наличии физического контроля качества шва по таблице 3, /3/, расчетное сопротивление Rwy
= Ry
= 270 МПа (27 кН/см2
).
Коэффициент условий работы по таблице 6, /3/,
=0,95.
Расчетная длина сварного стыкового шва
= 500 - 2 ∙ 25 = 450мм.
Определяем момент сопротивления по формуле (4) и нормальные напряжения по формуле (3)
,![]()
![]()
.
Касательные напряжения вычисляют по формуле
, (6)
где Q - расчетная поперечная сила, кН;
Sω - статический момент половины площади сечения шва относительно нейтральной оси, см3 ;
Iω - момент инерции всего сечения шва относительно нейтральной оси, cм4 ;
tmin - наименьшая толщина стыкуемых элементов, tmin = t = 2,5см;
Rωs – расчетное сопротивление сдвигу, Rωs =0,58Rωy =0,58∙27= 15,7кН/см2 ;
, (7)
. (8)
Подставляя эти значения в формулу (6) получим
, (9)
таким образом
.
Приведенные напряжения рассчитываются по формуле
, (10)
где ![]()
- нормальные напряжения в шве от изгибающего момента,
= 17,8 кН/см2
;
- среднее значение касательных напряжений;
, (11)
,
Ответ. Поверочный расчет показал, что прочность сварного стыкового шва не обеспечена.
2.4 Задача №4
На стыковое соединение двух листов сечением 500х25 мм действует изгибающий момент М = 68 кН∙м и продольная сила N = 650 кН. Используя исходные данные предыдущей задачи произвести поверочный расчет соединения, рисунок 2.4.
Рисунок 4
Решение. При одновременном воздействии на стыковое соединение изгибающего момента М и продольной силы N прочность сварного стыкового шва проверяют по формуле
=
+
. (12)
По условиям предыдущей задачи
= 45см; Wω
= 675 см2
; Rωy
= 27 кН/см2
; γс
= 0,95.
Проверяем прочность стыкового шва по формуле (12)
=
< ![]()
Ответ. Поверочный расчет показал, что прочность сварного стыкового шва обеспечена.
2.5 Задача №5
Определить катет углового шва kf , см, нахлесточного соединения двух листов сечением 500х25 мм из стали С275 соединенных лобовыми швами, нагруженного продольным усилием N = 650 кН. Сварку производят электродами, коэффициенты условий работы шва (γωf , γωz ) и конструкции (γс ) принять равными 1, рисунок 2.5.
Рисунок 2.5
Решение. Сварные соединения с угловыми швами (угловые, нахлесточные, тавровые) при действии продольной и поперечной сил рассчитывают на срез (условный) по двум сечениям:
- по металлу шва

, (13)
- по металлу границы сплавления
≤
, (14)
где βf , βz – коэффициенты, принимаемые по таблице 35, /3/;
lω – расчетная длина шва, принимаемая меньше его полной длины на 10мм, lω = l – 10 мм;
Rωf – расчетное сопротивление угловых швов по металлу шва;
Rωz – расчетное сопротивление по металлу границы сплавления, по таблице 3, /3/, Rωz = 0,45 R un , где R un – нормативное временное сопротивление стали, принимаемое по таблице 51, /3/;
kf - катет углового шва;
γωf , γωz – коэффициенты условий работы шва, равные 1;
γс – коэффициент условий работы.
Определяем величину катетов лобовых швов kf см, из формул (13) и (14)
, (15)
, (16)
где n – число швов в соединении, в рассматриваемом примере их два, снизу и сверху, рисунок 5;
βf = 0,7; βz = 1 –по таблице 35, /3/, для ручной электродуговой сварки;
lω = l – 10мм = 500 – 10 = 490 мм = 49 см;
Rωf = 200 МПа = 20 кН/см2 , по таблице 56,/3/, принимая предварительно по таблице 55, /3/, электроды марки Э46;
Rωz = 0,45 R un = 0,45∙380 = 171 МПа = 17,1 кН/см2 ;
,
.
Учитывая требования п. 12.8, /3/, что катеты угловых швов следует принимать не менее указанных в таблице 39, /3/, принимаем kf = 8 мм.
Ответ. Катет угловых швов нахлесточного соединения с лобовыми швами принимаем kf = 8 мм.
2.6 Задача №6
Рассчитать нахлесточное соединение с фланговыми швами (определить длину накладки l
н
, см), на действие продольной силы N=650 кН. Сечение основных листов
мм из стали С275, сечение накладок
мм из той же стали, зазор между стыкуемыми листами а = 10 мм. Сварка ручная, электродуговая. Коэффициенты условий работы шва и конструкции
γωz
=
=1, рисунок 2.6.
Рисунок 2.6
Решение. Производим проверку прочности накладок по формуле
, (17)
где Ан - суммарная площадь поперечного сечения накладок;
=270 МПа, по таблице 51, /3/;
γс = 1, по таблице 6, /3/;
Ан = 2∙b н ∙t н = 2∙46∙1,2 = 110,4 см2 ,
<
.
Определяем длину флангового шва, учитывая, что с одной стороны соединения их четыре (два сверху и два снизу). Из формул (13) и (14) вычислим расчетную длину флангового шва lω , см
- по металлу шва
![]()
, (18)
- по металлу границы сплавления
, (19)
где
- по таблице 35, /3/, для ручной электродуговой сварки;
- катет углового шва, принимаемый по таблице 39, /3/,
=8 мм;
- расчетное сопротивление по металлу шва, по таблице 56, /3/, принимая предварительно по таблице 55, /3/ электроды марки Э42,
= 180 МПа = 18кН/см2
;
- расчетное сопротивление по металлу границы сплавления, согласно таблице 3,/3/,
=0,45
, где
-нормативное временное сопротивление стали С275, по таблице 51, /3/,
= 380 МПа, тогда
= 0,45∙380 = 171МПа = 17,1 кН/см2
;
- коэффициенты условий работы;
,
.
Принимаем
= 160мм.
По рисунку 6 длина накладки l н , мм, складывается из удвоенной длины сварного шва и зазора между соединяемыми листами а=10 мм. Кроме того, учитывая, что полная длина сварного шва больше его расчетной длины на 10мм, получим размер накладки
l н = 2 (l ω +10) + а , (20)
l н = 2 (160 + 10) + 10 = 350мм.
Ответ. Принимаем длину накладки l н =350мм.
2.7 Задача №7
На тавровое соединение двух листов сечением 500х25мм из стали С275 действуют изгибающий момент М
= 68 кН∙м и продольная сила N
= 650кН. Проверить прочность соединения. Сварка ручная, электродуговая, приварка листа производится двумя угловыми швами без подготовки кромок с остающимся непроваром. Коэффициенты
, рисунок 2.7.
Рисунок 2.7
Решение. Расчет угловых швов тавровых соединений производят в зависимости от характера провара привариваемого элемента, рисунок 2.8.
а) б) в ) г )

а - с разделкой кромок и неполным проваром;
б - то же, без разделки кромок;
в - с разделкой кромок и с полным проваром;
г - то же, с односторонним швом
Рисунок 2.8
В том случае, когда обеспечивается полный провар соединения (рисунок 2.8, в,г ), толщина швов равна толщине привариваемого элемента, поэтому расчет этих швов выполняется так, как стыковое, т.е. проверяют условия прочности по формулам (1), (3) или (12) в зависимости от вида напряженного состояния.
В том случае, когда имеет место неполный провар соединения (рисунок 2.8, а, б ), прочность соединения проверяют из условия наличия двух угловых швов и, что они работают на срез (условный)
- по металлу шва
, (21)
- по металлу границы сплавления
, (22)
где
- момент сопротивления расчетного сечения по металлу шва, см3
;
- то же, по металлу границы сплавления, см3
;
- расчетное сопротивление по металлу шва, принимаемое по таблице 56, /3/ в зависимости от марки электрода; принимая по таблице 56, /3/ электроды марки Э42, получим
= 180 МПа = 18 кН/см2
;
- расчетное сопротивление по металлу границы сплавления, согласно таблице 3, /3/,
= 0,45
, для стали С245
=380 МПа, тогда
= 0,45∙380 = 171МПа = = 17,1 кН/см2
;
- коэффициенты условий работы;
, (23)
, (24)
где n – число швов в соединении, n = 2;
- по таблице 35, /3/, для ручной сварки;
- катет углового шва, принимаемый по таблице 39, /3/,
= 8мм = 0,8см;
- расчетная длина шва,
= 500 – 10 = 490 мм = 49 см;
,
.
Проверяем прочность соединения по формулам (21) и (22)
>
.
Поскольку условие не выполняется, необходимо увеличить катет шва. Согласно п.12.8, /3/, катеты угловых швов должны быть не более
, где
- наименьшая толщина соединяемых элементов. Так как по условиям задачи толщина соединяемых листов
= 25мм, можно принять
= 14мм.
Вновь определим моменты сопротивления шва по формулам (23) и (24)
,
.
Проверяем прочность соединения по формулам (21) и (22)
<
,
<
.
Ответ.
Расчет показал, что прочность сварного таврового соединения при значении
= 14мм обеспечена.
Список литературы
1. Полухин П.И., Гринберг Б.Г., Жадан В.Т. и др. Технология металлов и сварка. Учебник для вузов, под ред. П.И. Полухина. – М.: ВШ, 1977.
2. Блинов А.Н., Лялин К.В. Сварные конструкции. Учебник для техникумов. – М.: Стройиздат, 1990.
3. СниП РК 5.04-23-2002 Стальные конструкции. Нормы проектирования. – Астана, 2003.
4. Доркин В.В., Добромыслов А.Н. Сборник задач по строительным конструкциям. Учебник для техникумов. – М.: Стройиздат, 1986.
5. Методические указания к лабораторным работам по дисциплине «Технология металлов и сварка». – Рудный: РИИ, 1998.
6. Николаев Г.А., Куркин С.А., Винокуров В.А. Сварные конструкции. Прочность сварных соединений и деформации конструкций. 1982.
7. Симоненков В.В. Сварочные работы при изготовлении строительных конструкций. – М.: Стройиздат, 1990.