| Скачать .docx |
Курсовая работа: Контроль за наведенным напряжением
РЕФЕРАТ
на тему:
«КОНТРОЛЬ ЗА НАВЕДЕННЫМ НАПРЯЖЕНИЕМ»
Содержание
1.ОБЕСПЕЧЕНИЕ ЭЛЕКТРОБЕЗОПАСНОСТИ В УСЛОВИЯХ НАЛИЧИЯ НАВЕДЕННОГО НАПРЯЖЕНИЯ ПРИБОРЫ, ИСПОЛЬЗУЕМЫЕ ДЛЯ ОСУЩЕСТВЛЕНИЯ КОНТРОЛЯ НАД НАПРЯЖЕНИЕМ
2. ПРИБОРЫ, ИСПОЛЬЗУЕМЫЕ ДЛЯ ОСУЩЕСТВЛЕНИЯ КОНТРОЛЯ НАД НАПРЯЖЕНИЕМ
2.1.УКАЗАТЕЛИ НАПРЯЖЕНИЯ ДО 1000 В
2.2.УКАЗАТЕЛИ НАПРЯЖЕНИЯ ДЛЯ ЭЛЕКТРОУСТАНОВОК НАПРЯЖЕНИЕМ ВЫШЕ 1000 В
2.3.БЕСКОНТАКТНЫЕ УКАЗАТЕЛИ НАПРЯЖЕНИЯ ВЫШЕ 1000 В
2.4.ОСОБЕННОСТИ ПРИМЕНЕНИЯ УСТРОЙСТВ ДЛЯ ПРОВЕРКИ УКАЗАТЕЛЕЙ НАПРЯЖЕНИЯ ВЫШЕ 1000 В В ПОЛЕВЫХ УСЛОВИЯХ
3.СИГНАЛИЗАТОРЫ НАПРЯЖЕНИЯ ДЛЯ ВОЗДУШНЫХ ЛЭП
3.1.СИСТЕМЫ СИГНАЛИЗАЦИИ ДЛЯ УСТРОЙСТВ КОНТРОЛЯ НАЛИЧИЯ НАПРЯЖЕНИЯ
3.2.СИГНАЛИЗАТОРЫ НАПРЯЖЕНИЯ КАСОЧНЫЕ (СНК)
3.3.СИГНАЛИЗАТОРЫ – УКАЗАТЕЛИ НАПРЯЖЕНИЯ БЕСКОНТАКТНЫЕ
СПИСОК ЛИТЕРАТУРЫ
ОБЕСПЕЧЕНИЕ ЭЛЕКТРОБЕЗОПАСНОСТИ В УСЛОВИЯХ НАЛИЧИЯ НАВЕДЕННОГО НАПРЯЖЕНИЯ
На проводах и тросах выведенной в ремонт воздушной линии электропередачи (ВЛ), находящейся в зоне влияния другой или других ВЛ высокого напряжения, наводится напряжение относительно земли. Это напряжение может представлять существенную опасность для ремонтного персонала.
В соответствии с Правилами техники безопасности при обслуживании электроустановок (ПТБ) перед началом работ на ВЛ, находящейся под наведенным напряжением, требуется путем соответствующих измерений произвести классификацию ВЛ по степени опасности наведенного напряжения. С этой целью на отключенной и заземленной с обоих концов ВЛ (в распределительных устройствах (РУ) подстанций и станций) выполняют измерения уровня наведенного напряжения с последующим пересчетом к режиму передачи по влияющим ВЛ наибольшей мощности.
Если наибольшая величина наведенного напряжения по всей длине ВЛ не превышает 42 B, то линия относится к категории безопасного действия наведенного напряжения, и работы на ней можно проводить с использованием обычных средств защиты.
Линии, на которых наибольший уровень наведенного напряжения превышает 42 В, относят к категории линий с сильным или опасным действием наведенного напряжения. В соответствии с ПТБ на таких линиях работы должны производиться с использованием специальных защитных технических мероприятий (размещение заземлений по линии, разземление концов линии, разрезание проводов линии и др.).
Разработка мероприятий по защите от наведенного напряжения должна основываться на оценке условий электробезопасности на ВЛ, находящейся под наведенным напряжением при определенной схеме заземления ВЛ, линейного оборудования, рабочих участков и рабочих мест.
Оценку условий электробезопасности при работах на ВЛ под наведенным напряжением выполняют на основании результатов расчета и измерений уровня наведенного напряжения при максимальной рабочей нагрузке влияющих ВЛ.
Выполнение требований ПТБ предполагает наличие методики, позволяющей на основании однозначно определяемых признаков сконцентрировать внимание персонала на наиболее неблагополучных в этом смысле ВЛ или их участках. В рекомендациях же ПТБ по замерам наведенных напряжений отсутствуют какие-либо ориентиры на выбор точек измерения и характер проводимых замеров. В то не время такие измерения весьма трудоемки, так как требуют проведения замеров с учетом изменяющихся режимов ВЛ и меняющихся в течение года погодных условий, рекомендаций по выбору характерных точек измерения, что в большинстве случаев вряд ли удается измерить максимально возможные значения наведенных напряжений.
Указанные трудности во многом могут быть преодолены при использовании предварительного расчетного анализа наведенных напряжений на отключенных ВЛ, которые в соответствии с рекомендациями ПТБ должны рассматриваться как потенциально опасные. В этом случае работы по проведению измерений могут быть значительно сокращены, так как из перечня всех потенциально опасных линий можно будет исключить те (как показано ниже - большинство), для которых граница 42 В, в принципе, не достижима. Измерения не могут проводиться как контрольные мероприятия только для тех линий, на которых все же возможно появление напряжений свыше 42 В.
Анализ закономерностей распределения наведенных напряжений на ВЛ, выведенной в ремонт и заземленной по концам, показывает, что причиной появления на ней наведенных напряжений, превышающих допустимые 42 В, может быть неоднородность (неравенство) удельных ЭДС. наводимых на разных ее участках взаимодействия с влияющими. Действительно, если удельные ЭДС однородны, то изменение напряжения по длине такой ВЛ имеет линейный характер:
| (1) |
![]()
где
и
- соответственно напряжения на заземлителях в начале и в конце ВЛ;
– ее длина.
Из (1) видно, что наибольшие наведенные напряжения на такой ВЛ возникают по ее концам. Однако, для существующих типов двухцепных опор ВЛ 35-220 кВ, для которых удельные наводимые ЭДС на фазах лежат в пределах от 0,033 до 0,062 В/(А·км), при существующих эксплуатационных длинах ВЛ и токах по влияющим ВЛ вплоть до технически возможных эти напряжения не могут превысить 42 В.
Для ВЛ, имеющих, например, два участка с различными по величине удельными наводимыми ЭДС Е 1 и Е 2 , закономерность изменения наведенного напряжения на границе изменения этих ЭДС имеет квадратичную зависимость:
| (2) |
![]()
Исследование (2) показывает, что максимальное значение
изменяется в этом случае по перевернутой параболе, ветви которой (при
) пересекаются с осью абсцисс в начале координат и в точке
. Из этого следует, что в этом случае наибольшее наведенное напряжение возникает в точке изменения удельных ЭДС, а максимального значения это напряжение может достигать в случае, если координата
совпадает с серединой ВЛ (
):
![]()
Так, например, если ВЛ 110 кВ на половине своей длины подвешена на одних опорах с влияющей, а затем их электромагнитное взаимодействие прекращается, то при наводящем токе в 100 А при E 1 = 0,062 В/ (А·км) и E 2 = 0 максимум наведенного напряжения превысит 42 В уже при длине выведенной в ремонт линии 28 км.
Анализ трасс электромагнитно взаимодействующих линий АО "Кировэнерго" показал, что причинами неоднородности наводимых ЭДС на разных участках выведенных в ремонт ВЛ могут быть: изменение числа наводящих источников вдоль их длины; переход ВЛ с одноцепных опор на двухцепные и наоборот; транспозиции проводов фаз как на отключенной, так и на соседних ВЛ; заходы как отключенной, так и наводящих ВЛ на подстанцию, при которых изменяется не только амплитуда наводящего тока, но и положение фаз на опорах по дальнейшему ходу следования ВЛ. Так, из двадцати исследованных ВЛ, на которых напряжение превышает 42 В. пять имели транспозицию фаз, в двух случаях изменялось положение фаз на наводящей линии, трассы восьми линий имели два характерных участка: на протяжении одного из них линия подвешена на одних опорах с находящейся в работе ВЛ, на другом - источник электромагнитного воздействия отсутствует. Наиболее опасные условия работы создаются на ВЛ, трассы которых проложены вблизи ВЛ-500 кВ "КАЭС-Вятка" и "Воткинская ГЭС-Вятка", так как по этим ВЛ возможны токи до 1100 А.
Выполненные расчеты электромагнитных наведенных напряжений на ВЛ АО "Кировэнерго", выведенных в ремонт и заземленных по концам, показали, что лишь для 16 % из них возможно превышение допустимых по ПТБ значений напряжения, в остальных случаях даже при максимальных нагрузках на соседних линиях U ma х оказываются меньше 42 В (таблица 1).
Таблица 1
| Номинальное напряжение ВЛ U ном , кВ | 220 | 110 | 35 |
| Количество исследованных линий | 15 | 91 | 21 |
| Число линий, на которых наведенные напряжения U мах могут быть больше на 42 В | 6 | 13 | 1 |
В таблице 2 приведены значения наведенных напряжений на подвергшихся анализу ВЛ в зависимости от их длин. Как видно из этой таблицы, для ВЛ длиной до 10 км превышение наведенных напряжений 42 В маловероятно. В то ж e время вероятность того, что на протяженных ВЛ возникнут напряжения более 42 В велика. Это связано с тем, что такие ВЛ, как правило, вдоль своей трассы имеют несколько наводящих источников (например, ВЛ 220 кВ "Вятка-Мураши"- 7 ВЛ), что вызывает значительную неоднородность действующих по длине таких ВЛ наведенных ЭДС.
Таблица 2
| Протяженность ЛЭП, км | < 10 | 10- 20 | 20-30 | 30-40 | 40-50 | 50-60 | 60- 70 |
70-80 | 80-90 | > 90 |
| Число исследованных ЛЭП, n | 25 | 18 | 22 | 6 | 5 | 3 | 2 | 6 | 2 | 2 |
Число ВЛ, для которых U n > 42 В, n 1 |
0 | 1 | 3 | 1 | 0 | 1 | 1 | 1 | 2 | |
| n 1 / n , % | 0 | 5,55 | 13,64 | 50 | 20 | 0 | 50 | 16,6 | 50 | 100 |
Следует также отметить, что расчетные кривые распределения наведенных напряжений по длине ВЛ, выведенных в ремонт и заземленных по концам, имеют ярко выраженный характер ломаной линии с изломами в точках изменения характера взаимодействия с влияющими.
Из таблиц 1 и 2 можно сделать следующие выводы:
1. Для составления картины возможных наведенных напряжений на
ВЛ целесообразно применять разработанные расчетные методики для их
определения. При этом может быть выделена небольшая часть ВЛ, наведенные напряжения на которых действительно достигают опасных величин.
2. Проведение измерений наведенных напряжений необходимо производить на границах разделов участков электромагнитного взаимодействия ВЛ, выведенных в ремонт и влияющих.
Также для того, чтобы определить расчет наведенных напряжений (НН) на выведенных в ремонт высоковольтных воздушных линиях (ВЛ) электропередачи можно произвести расчет электромагнитной составляющей (ЭМС) НН и сделать оценку зависимости уровня электромагнитной составляющей НН от несимметрии тока влияющей ВЛ электропередачи. В большинстве случаев расчет проводится, исходя из предположения, что во влияющей ВЛ протекает симметричный ток нагрузки, то есть учитывается только составляющая прямой последовательности тока.
Составляющие обратной и нулевой последовательности во влияющем токе считаются равными нулю. В реальной энергосистеме неизбежна несимметрия тока в линиях электропередачи, обусловленная как несимметричной нагрузкой, так и пофазным различием параметров самих ВЛ. Представляется целесообразным оценить влияние несимметрии влияющих токов на уровень ЭМС НН. Такая оценка была выполнена на простейшей расчетной модели выведенной в ремонт ВЛ 330 кВ. Исходные данные для расчета: отключенная ВЛ имеет общую протяженность 100 км; от головной подстанции до отметки 50 км она подвешена на двухцепных опорах П330-2 совместно с линией, находящейся под нагрузкой, далее линии расходятся и влияния между ними нет; каждая фаза линии выполнена двумя проводами АС 400/51; во влияющей линии протекает ток нагрузки, составляющая прямой последовательности которого равна 100А; отключенная ВЛ заземлена по концам на подстанциях тремя фазами через сопротивление 0,5 Ом; на отметке 50 км в месте расхождения линий накладывается переносное заземление (рассмотрены случаи однофазного и трехфазного переносного заземления); сопротивление переносного заземления принято 10 Ом.
Варьируя составляющие обратной и нулевой последовательности влияющего тока в пределах от 0 до 10% от тока прямой последовательности, были получены зависимости уровня ЭМС НН в месте наложения переносного заземления от несимметрии влияющего тока.
Для расчета НН можно составить три схемы замещения отключенной ВЛ; прямой, обратной и нулевой последовательностей. Однофазное или трехфазное заземление в середине линии – случай однофазного или трехфазного короткого замыкания через переходное сопротивление, равное сопротивлению переносного заземления. Отличие от расчета токов короткого замыкания состоит в наличии источников наведенных ЭДС не только в схеме прямой, но и в схемах обратной и нулевой последовательностей. Величина ЭДС источников рассчитывалась отдельно от составляющих различных последовательностей влияющего тока через взаимные сопротивления между схемами замещения отключенной и влияющей ВЛ по составляющим прямой, обратной и нулевой последовательностей.
По результатам расчетов ЭМС НН при различном содержании составляющих обратной и нулевой последовательностей во влияющем токе построены зависимости, приведенные на рисунке 1.


Рисунок 1. Зависимость ЭМС НН в месте выполнения работы от содержания составляющей нулевой последовательности во влияющем токе при различных фазовых сдвигах тока I 0 относительно тока I 1 .
Влияние от токов обратной I 2 и нулевой I 0 последовательности оценивалось независимо. Анализ показывает, что составляющая тока обратной последовательности не вызывает заметного изменения общего уровня ЭМС НН. Поэтому приведены зависимости только для составляющей тока нулевой последовательности. Кроме того, были рассмотрены режимы при различных фазовых сдвигах тока нулевой последовательности относительно тока прямой последовательности (рассмотрены случаи сдвига на 0°, 90°, 180°, 270°).
Можно отметить, что появление во влияющем токе составляющей нулевой последовательности оказывает значительное влияние на результаты расчета ЭМС НН на отключенной и заземленной ВЛ. Причем в зависимости от фазового сдвига и величины тока нулевой последовательности это влияние может привести как к уменьшению, так и к увеличению полученного расчетного значения ЭМС НН. Поэтому представляется целесообразным производить расчеты наведенных напряжений на выведенных в ремонт ВЛ только с учетом несимметрии влияющего тока, возникающей из-за несимметричной нагрузки и пофазного различия параметров ВЛ. Учет такого влияния возможен при использовании компьютерных программ, осуществляющих расчеты установившихся нагрузочных режимов по трехфазным моделям электроэнергетических систем с применением фазных координат.
Режим заземления ВЛ, при котором возможно производство работ под наведенным напряжением, определяется схемой заземления ВЛ.
Для обеспечения безопасности при проведении работ на ВЛ под наведенным напряжением применяются четыре схемы заземления ВЛ. Реализация этих схем на практике осуществляется с помощью подстанционного, базового и специального заземлений. Подстанционное заземление служит для заземления концов ВЛ и устанавливается присоединением фаз ВЛ к заземляющему устройству станции (подстанции) путем включения заземляющих ножей линейного разъединителя в сторону ВЛ.
Базовое заземление применяется при разземлении обоих концов ВЛ и устанавливается присоединением проводов всех фаз ВЛ к заземляющему устройству опоры с помощью двух параллельных переносных заземлений для каждой фазы.
Специальное заземление служит для снижения уровня наведенного напряжения на ВЛ или на ее отдельных участках до безопасной величины и устанавливается путем присоединения всех фаз ВЛ к специально устраиваемому заземлителю с помощью переносного заземления.
При работах на ВЛ под наведенным напряжением, кроме выбора режима заземления, необходимо соответствующим образом заземлять рабочие места и линейное оборудование на подстанциях или электрических станциях.
Заземление линейного оборудования осуществляется с помощью дополнительного заземления, которое служит добавочным защитным мероприятием при работах на линейном оборудовании станций (подстанций) и устанавливается присоединением проводов фаз в РУ к заземляющим проводникам или к заземленным металлическим элементам оборудования с помощью переносного заземления.
Заземление рабочего места осуществляется с помощью линейного заземления, которое устанавливается присоединением проводов фазы (фаз), троса, на которых производятся работы, к заземляющему устройству опоры с помощью переносного заземления.
Чтобы безопасно и эффективно осуществлять мероприятия по защите персонала оперативно-выездных бригад от наведенного напряжения, необходимы методы и технические средства, позволяющие отличать наведенное напряжение от рабочего.
При проведении работ на воздушных линиях электропередачи (ВЛ) наличие наведенного напряжения от соседних ВЛ и других электроустановок существенно затрудняет определение отсутствия рабочего напряжения и, тем самым, снижает безопасность подготовки рабочего места (установки переносного заземления).
В настоящее время в практическом применении работников энергосистем отсутствуют технологии, позволяющие различать наведенное и рабочее напряжения. Каждое предприятие электросетей расчетным способом определяет уровни возможного наведенного напряжения, его мощность и необходимые специальные меры для обеспечения безопасности. Однако в нормативных документах (Правилах, инструкциях и т. п.) отсутствуют указания, определяющие порядок действий оперативно-выездных бригад (ОВБ) по обеспечению безопасности с использованием обычных средств защиты и приспособлений в условиях наличия наведенного напряжения.
Общепринятый порядок действий для принятия решения о возможности безопасной установки переносного заземления при подготовке рабочего места на ВЛ основан на определении наличия/отсутствия напряжения на проводах линии с помощью однополюсного указателя высокого напряжения. При этом напряжение индикации указателя должно составлять не более 25% номинального напряжения электроустановки.
Обязательное выполнение этого алгоритма обеспечивает безопасность подготовки рабочего места за счет исключения возможности установки переносного заземления при наличии какого-либо напряжения. Однако в ряде случаев обнаруженное напряжение является наведенным от соседних ВЛ или других электроустановок и не представляет опасности при установке переносного заземления. В этих случаях прекращение работ на ВЛ из-за определения наличия напряжения не обосновано и экономически не выгодно.
Величина напряжения, наведенного на проводах отключенной линии электропередачи от близко расположенной линии более высокого напряжения, может достигать значений, превышающих напряжение срабатывания указателя напряжения и даже номинальное напряжение отключенной линии. Принципиальным отличием наведенного напряжения от рабочего является относительно низкая мощность источника, что позволяет путем установки переносного заземления обеспечить безопасность на рабочем месте электромонтеров.
Таким образом, при обнаружении наличия напряжения перед членами ОВБ постоянно встает вопрос: «Устанавливать защитное заземление, идя на определенный риск, или прекращать все дальнейшие операции по подготовке рабочего места?». Для исключения риска установки переносного заземления при наличии на проводах ВЛ рабочего напряжения необходимо ввести в алгоритм действий при подготовке рабочего места операцию классификации обнаруженного напряжения: рабочее или наведенное. Такой порядок работы обеспечивает безопасность персонала при высокой эффективности производственного процесса.
Поэтому, в случае обнаружения напряжения на проводах линии электропередачи, отключенной и подлежащей заземлению, необходимо определить наличие на них только наведенного напряжения, подтвердив тем самым отсутствие рабочего напряжения.
Решить задачу распознавания наведенного напряжения позволяет разработанный в ЗАО «Техношанс» способ определения наведенного напряжения.
Особую ценность этому способу придает то, что все действия по обнаружению наведенного напряжения могут быть выполнены с помощью серийно изготавливаемых указателей напряжения и электроизолирующих штанг с поверхности земли (без подъема на опоры линии электропередачи), что существенно повышает безопасность персонала. Физической основой предлагаемого способа является то, что расстояния между отключенной линией электропередачи и действующей линией более высокого напряжения во много раз превышают расстояния между фазными проводами отключенной линии. В этом случае переменные электрические потенциалы, наводимые на проводах отключенной линии, оказываются практически совпадающими по фазе и амплитуде.
Мгновенные значения разности потенциалов на проводах отключенной линии не могут достигнуть напряжения срабатывания двухполюсного указателя, рассчитанного на номинальное линейное напряжение этой линии. Отсутствие показаний двухполюсного указателя свидетельствует об отсутствии рабочего напряжения на проводах линии электропередачи. В этом случае при наличии какого-либо напряжения на проводах линии электропередачи есть основания классифицировать его как наведенное.
Способ определения наведенного напряжения содержит два этапа и осуществляется путем последовательного применения однополюсных и двухполюсных указателей напряжения.
На первом этапе обнаружения наведенного напряжения касаются рабочей частью однополюсного указателя поочередно каждого провода той цепи линии электропередачи, которая должна быть отключена. Если индикаторная часть однополюсного указателя напряжения не срабатывает, можно сделать заключение об отсутствии, как рабочего, так и наведенного напряжения. В этом случае можно приступать к установке переносного заземления и выполнять ремонтные работы на линии электропередачи.
Если по какой-либо причине линия осталась под рабочим напряжением, для нее справедливы векторная диаграмма напряжений, представленная на рисунке 2, и следующие соотношения:
![]() |
где Uл.раб. — действующее значение рабочего линейного напряжения, В;
Uном. — номинальное напряжение цепи линии электропередачи, В;
Uф.раб. — действующее значение рабочего фазного напряжения, В.
В этом случае блок индикации однополюсного указателя напряжения сигнализирует о наличии напряжения. Если цепь линии отключена, но на ее проводах присутствует наведенное напряжение, справедливы векторная диаграмма напряжений, представленная на рисунке 4, и следующие соотношения:
![]() |
где Uл.нав. — действующее значение наведенного линейного напряжения, В;
Uф.нав. — действующее значение наведенного фазного напряжения, В.
![]() |
| Рисунок 2. Векторная диаграмма трехфазной системы напряжений на проводах неотключенной линии электропередачи |
В этом случае индикаторная часть однополюсного указателя напряжения также сигнализирует о наличии напряжения.
Во всех случаях срабатывания однополюсного указателя напряжения можно сделать вывод о наличии либо рабочего, либо наведенного напряжения. Это означает, что перед установкой переносного заземления необходимо классифицировать напряжение на проводах линии электропередачи, что составляет содержание второго этапа обнаружения наведенного напряжения. На этом этапе электродами-наконечниками двухполюсного указателя касаются проводов линии электропередачи таким образом, чтобы обеспечить поочередное попарное сравнение электрических потенциалов фазных проводов, т. е. индикацию линейных напряжений. В соответствии с диаграммами на рисунках 4 и 5 блок индикации двухполюсного указателя покажет наличие только рабочего линейного напряжения Uл.раб., присутствующего на проводах неотключенной по какой-либо причине линии электропередачи. В этом случае нельзя устанавливать переносное заземление и проводить ремонтные работы до отключения линии.
При наличии только наведенного напряжения элемент индикации двухполюсного указателя не покажет наличие напряжения (вследствие незначительной величины Uл.нав.), что позволяет классифицировать напряжение на проводах как наведенное. В этом случае можно устанавливать переносное заземление и проводить ремонтные работы на отключенной цепи линии электропередачи, принимая соответствующие меры обеспечения безопасности.
В ЗАО «Техношанс» разработаны и изготавливаются электрозащитные средства, входящие в систему технических средств, позволяющих производить работы на ВЛ 6-10 кВ (в том числе и все операции по подготовке рабочего места) с поверхности земли без подъема на опоры линии электропередачи.
На основе этого комплекса электрозащитных средств разработана Инструкция по выполнению работ при проведении классификации напряжения (рабочее или наведенное) на линиях электропередачи, расположенных вблизи других действующих электроустановок, позволяющая реализовать предложенный выше способ.
Разработанный способ классификации напряжения успешно прошел испытания в ОАО «Мосэнерго» на отключенной ВЛ 10 кВ в «коридоре» из двух действующих ВЛ 220 кВ.
ПРИБОРЫ, ИСПОЛЬЗУЕМЫЕ ДЛЯ ОСУЩЕСТВЛЕНИЯ КОНТРОЛЯ НАД НАПРЯЖЕНИЕМ.
УКАЗАТЕЛИ НАПРЯЖЕНИЯ ДО 1000 В.
Перед выполнением работ на отключенных воздушных линиях электропередачи (ВЛЭП) необходимо проведение проверки отсутствия напряжения на токоведущих частях, которая осуществляется с помощью основного средства защиты – указателя напряжения (УН) контактного типа.
Указатели напряжения изготовляются двух типов: однополюсные, действующие при прохождении емкостного тока, и двухполюсные, действующие при прохождении активного тока.
Однополюсные УН до 1000 В применяются для определения фазного провода в электроустановках с глухозаземленной нейтралью. Они имеют однотипные конструкции, в которых контакты-наконечники выполняются в виде жала отвертки. Недостатком всех однополюсных указателей является чувствительность к наведенному напряжению вследствие емкостных и индуктивных связей (между жилами в кабеле, проводами в пучке и т.д.).
Двухполюсные указатели напряжения более универсальны и вследствие этого шире распространены. Они, как правило, работоспособны и в цепях постоянного тока.
В указателях низкого напряжения, выпускавшихся промышленно до 1990-1995 годов, источником сигнала о наличии напряжения является, как правило, только неоновая лампа, которая достаточно легко может быть повреждена механически. При использовании указателя в наружных установках и в солнечный день световой сигнал ее мало заметен.
В разработках последних лет в качестве устройства индикации все чаще используются светодиоды. Применение светодиодов значительно увеличивает яркость свечения и надежность работы прибора, а также позволяет уменьшить габаритные размеры указателя и его массу. К сожалению, при использовании указателя в солнечный день световая индикация напряженности прибора может оказаться малозаметной. Поэтому в данных условиях необходима комбинированная индикация, состоящая, например, из синхронной подачи световых и звуковых сигналов, что улучшает восприятие опасной ситуации.
Отечественной промышленностью также выпускаются указатели, позволяющие помимо вышеперечисленного, оценивать уровень напряжения. Это достигается благодаря использованию специальных газоразрядных индикаторов (например, ИН-9), которые способны менять длину светящегося столба вдоль стержневого катода пропорционально протекающему току, или за счет применения нескольких индикаторов, каждый из которых сигнализирует о достижении напряжением определенного значения (порога).
Среди двухполюсных указателей особое место занимают универсальные указатели напряжения. В некоторых из них, кроме вышеперечисленных функций (проверка наличия-отсутствия напряжения и оценка уровня проверяемого напряжения), присутствует и такая функция, как определение гальванической связи в цепи ("прозвонка" цепи). В универсальные УН для светозвуковой сигнализации и для проверки гальванической связи цепи устанавливаются источник питания.
Авторами собрана информация об основных типах УН, применяемых в электроэнергетике, и о новых разработках. Анализ полученных данных позволяет разделить двухполюсные указатели напряжения на узко специализированные (УН-1М («РЕТО», г. Москва), ПИН90М («Энергоприбор», г. Ереван) и т.д.) и универсальные («Контакт-55ЭМ», «Контакт-57Э» («Экипаж», г. Харьков), «Барс-020» («Барс», г. Новосибирск), «УНЗП 24-380В» («ЭНЕСКОМ», г. Минск) и т.д.).
Основным недостатком большинства универсальных УН является наличие переключателей режимов работы прибора, что приводило к травматизму персонала.
С учетом проведенных исследований сформулированы требования к универсальному УН:
· высокая надежность работы;
· наличие функций определения полярности и рода тока, а также определения фазного провода, проверки гальванической связи;
· наличие комбинированной индикации;
· отсутствие переключателей режимов работы;
· простота и удобство пользования.
В НПЦ «Электробезопасность» ВятГУ (г. Киров) разработан универсальный УН «Комби» (рисунок 6), удовлетворяющий этим требованиям. К основным достоинствам прибора относятся: хороший дизайн; отсутствие переключателей; сохранение, при отсутствии элемента питания, функция проверки наличия напряжения, определения рода тока, нахождения фазного провода; применение впервые в УН витого соединительного провода.
УКАЗАТЕЛИ НАПРЯЖЕНИЯ ДЛЯ ЭЛЕКТРОУСТАНОВОК НАПРЯЖЕНИЕМ ВЫШЕ 1000 В
Анализ травматизма по РАО "ЕЭС России" показывает, что большая часть несчастных случаев при работе на электроустановках обусловлена несоблюдением правил техники безопасности. Работа с УН свыше 1000 В, находящимися в эксплуатации, сопряжена с некоторыми трудностями, обусловленными большими габаритами и массой УН, низкой надежностью распознавания сигнала о наличии напряжения и т.д. Эти обстоятельства провоцируют осознанный отказ работников от проверок с помощью УН, и приводят, как следствие, к травмам.
Однако, за последние годы наблюдается повышение качества УН. Происходит это, в основном, вследствие применения современной элементной базы и более подробного рассмотрения принципов работы УН. Например, основной недостаток старейшего указателя типа УВН-80 - это низкая надежность распознавания сигнала о наличии напряжения (особенно в солнечную погоду) из-за использования для визуальной сигнализации неоновой лампы. Известно, что неоновые лампы подвержены эффекту старении (снижение прозрачности колбы, уменьшение свечения лампы, повышение напряжения возникновения разряда), что также снижает надежность работы УН в целом. Следует учитывать, что отсутствие светового сигнала вследствие порчи лампы может расцениваться как отсутствие напряжения на проверяемом объекте, хотя в действительности объект находится под напряжением.
Учитывая это, разработчики современных УН вынуждены были отказаться от использования неоновых ламп для визуальной сигнализации. Так, в УН стали применяться светодиоды, которые позволяют значительно увеличить яркость свечения по сравнению с неоновой лампой, а применение их совместно с фокусирующими линзами позволяет значительно увеличить расстояние распознаваемости тревожного сигнала. Для улучшения 1 восприятия визуальной информации в УН свыше 1000 В применяются : бленды, но применение подобных устройств значительно увеличивает га и массу рабочей части, что затрудняет попадание контактом- наконечником на провод воздушной линии электропередачи может стать причиной замыкания проводов. Помимо визуальной сигнализации, в современных УН нашла применение акустическая сигнализация. Основная особенность заключается в том, что с ее помощью оператор может получать информацию, даже если он занят выполнением других задач, не связанных с контролем напряжения. В старых УН (УВН-80) подобная сигнализация отсутствовала из больших габаритных размеров излучателей, а также большой потребляемой мощности, необходимой для обеспечения требуемого уровня звукового давления. В современных УН для акустической сигнализации наиболее целесообразно использовать миниатюрный электродинамический излучатель со встроенным генератором. Другими достоинствами современных УН являются: использование фокусирующей линзы и затенителя, тактильной сигнализации (УВНК-10) - разработчик "Техношанс" г. Минск), малые габариты и масса рабочей части (УВН(С) 6-10 кВ - разработчик «Электроприбор», г. Краснодар), отсутствие источника питания (УВНИ – 10СЗ – разработчик РЭТО, г. Москва).
К сожалению, современные УН также не лишены недостатков. Рабочие части некоторых типов УН имеют большие габаритные размеры (УВНК-6-З5кВ – разработчик «Электроком», г. Москва; УВН80-2М - разработчик ООО "Энергозащита", г. Ереван), оснащены встроенным источником питания (УВНК 6-35кВ, УВНИ-10СЗ-ИП - разработчик РЭТО г. Москва), обладают значительной массой (УВНИШ-10СЗИП – разработчик РЭТО, г. Москва, УВНК6-35кВ).
Но даже такой УН обладает некоторыми недостатками: большие габаритные размеры, высокая стоимость. В связи с этим очевидна задача разработки новых более удобных и надежных УН, удовлетворяющих следующим требованиям:
· минимальная масса и размеры рабочей части;
· яркость светового сигнала должна быть достаточной для уверенного распознавания при высоком уровне внешней засветки;
· уровень звукового давления должен быть достаточным для уверенного распознавания при высоком уровне внешних шумов;
· высокая надежность;
· малая стоимость.
БЕСКОНТАКТНЫЕ УКАЗАТЕЛИ НАПРЯЖЕНИЯ ВЫШЕ 1000 В.
Принцип действия бесконтактного указателя основан на электростатической индукции.
УНБ состоят из рабочей части, изолирующей части и рукоятки. Рабочая часть содержит источник питания, измеритель и индикатор напряжения В зависимости от уровня напряжения ВЛЭП расстояние срабатывания УНБ может составлять от нескольких сантиметров до метра. УНБ и изготавливаются в металлических или пластмассовых корпусах при этом оба варианта допускают непосредственный контакт с проводом ВЛЭП. УНБ в металлическом корпусе не обладают направленностью срабатывания, что позволяет произвольно располагать их относительно провода.
В отличие от УН, отсутствие необходимости непосредственного контакта с проводом упрощает позиционирование УНБ относительно провода, но при этом снижается достоверность тестирования на наличие напряжения. Отсутствие прямого контакта с проводом ВЛЭП не позволяет создать УНБ без источника питания в рабочей части, что усложняет и удорожает его конструкцию в целом. Наличие источника питания вынуждает устанавливать переключатель питания, снижающий надежность работы УНБ.
Эту проблему можно решить, например, с помощью устройства автоматического включения при установке рабочей части УНБ на штангу
Анализируя характеристики УНБ, находящихся в эксплуатации и новейших разработок (УВНБ - разработчик КБ "Луч", г. Ярославль; УН 6-10/Б01 и УВНК 6-35 - разработчик "Электроком", г. Москва), можно сделать вывод, что все они обладают примерно одинаковыми параметрами, за исключением типа источника питания и общей массы.
Специфика эксплуатации и проверки УНБ ставит под сомнение использование их как основного средства защиты, к каковым их относят некоторые производители. Встроенная проверка не может гарантировать достоверности работоспособности УНБ, а тестирование с помощью приборов для проверки контактных указателей напряжения в полевых условиях затруднено или невозможно.
Поэтому, при эксплуатации УНБ необходимо помнить, что они являются только дополнительным средством защиты и не могут быть единственным средством для проверки наличия напряжения.
ОСОБЕННОСТИ ПРИМЕНЕНИЯ УСТРОЙСТВ ДЛЯ ПРОВЕРКИ УКАЗАТЕЛЕЙ НАПРЯЖЕНИЯ ВЫШЕ 1000 В В ПОЛЕВЫХ УСЛОВИЯХ
Перед началом работы с указателем напряжения свыше 1000 В (УН) необходимо проверить его исправность путем прикосновения контактного электрода к токоведущим частям, заведомо находящимся под напряжением. На практике нередки случаи, когда поблизости от места, где должно быть проведено определение отсутствия напряжения, нет токоведущих частей, заведомо находящихся под напряжением (полевые условия). Поэтому, в таких случаях рекомендуется использовать для проверки специальные приборы, служащие носимыми источниками высокого напряжения (ППУ).
Ранее в качестве ППУ использовались мегомметры на 1000 В и 2500 В, при вращении рукоятки которых вырабатываемое ими напряжение подводилось к контактному электроду УН. Этот способ проверки исправности указателей имеет явный недостаток – требует наличия специального устройства, которое нередко тяжелее указателя и более громоздко. Еще один способ проверки УН, применяющийся за границей, заключается в том, что указатель, изолирующие трубки которого изготовлены из специального материала (например, пластического поливинилхлорида), натирается сухой тканью. В результате на нем возникает электростатический за ряд, который при касании контактом-наконечником указателя заземленного предмета стекает в землю, вызывая свечение лампочки. Достоинство этого способа является его простота, а недостатком - то, что он обеспечивает проверку главным образом лампы, а не указателя в целом.
Существует еще один способ, обладающий теми же достоинствами и недостатками, что и предыдущий. Он основан на использовании специальной неоновой лампы, внутри которой имеется маленькая капелька ртути. При легком покачивании лампы (т.е. указателя) капелька ртути генерирует электрический заряд, благодаря которому происходит ионизация инертного газа, заключенного в колбе лампы, и его свечение в виде неярких вспышек.
Данный способ применяется в указателях, изготовленных в Германии и США. Ранее на практике часто применялся способ проверки исправного УН путем приближения его щупа к свече зажигания работающего двигателя автомашины или мотоцикла. Однако, сейчас это строго запрещено правилами, Все вышеописанные способы проверки не являются эквивалентными по отношении к реальной воздушной линии (ВЛ), т.к. не обеспечиваю условии проверки, эквивалентных тем, в которых УН используется на практике, т.е. форма напряжения не является синусоидальной, а его значение не составляет 25% от физического напряжения ВЛ и частота не равна 50 Гц.
Анализируя устройства для проверки указателей напряжения свыше 1000 В, как находящиеся в эксплуатации, так и представленные на прошедших за последние годы выставках на ВВЦ (г. Москва), можно также сделать вывод о том, что далеко не все они соответствуют существующим требованиям.
Основным недостатком большинства устройств является отличная от 50 Гц частота испытательного напряжения (15 кГц – УПУН-1 и УПУН-2 – разработчик «Электроприбор», г. Краснодар). Повышение частоты испытательного напряжения влечет за собой снижение емкостного сопротивления указателя, что снижает напряжения зажигания. При этом неисправные указатели, имеющие высокие токи утечки (потребления), повышенное напряжение и т.п., уверенно срабатывают при проверке, но могут неправильно указать отсутствие напряжения на контролируемом с их помощью электрооборудовании в сетях с частотой 50 Гц.
Для подтверждения факта влияния частоты на параметры указателя были проведены испытания рабочей части УН типа "Оса" (разработчик НПЦ «Электробезопасность" ВятГУ, г. Киров). Для этого человек, держащий рабочую часть УН в руке, контактом-наконечником прикасался к электроду генератора синусоидального напряжения, корпус которого неизменном значении выходного напряжения, изменялась его частота с фиксацией интервала мигания индикаторного светодиода (рисунок 3). Во втором, при выбранной постоянной частоте мерцания, фиксировалось значение выходного напряжения в зависимости от его частоты (рисунок 9б).

Рисунок 3 . Графики зависимости:
а – интервала мерцания светодиода от частоты выходного напряжения;
б – выходного напряжения от его частоты.
Аналогичные зависимости были получены и для других типов УН. Результаты испытаний подтвердили то, что с ростом частоты выходного значения напряжения происходит снижение напряжения срабатывания УН, что обусловлено уменьшением его емкостного сопротивления.
В Южных электрических сетях Кировэнерго на макете реальной ВЛ проведены экспериментальные исследования по определению напряжения срабатывания различных УН. Результаты экспериментов показали, что значение напряжения срабатывания УН составляет порядка 1,5 кВ (25% от фазного напряжения), что соответствует требованиям.
Следует отметить, что широко используемое для проверки УН устройство "Кристалл", согласно паспортным характеристикам, обеспечивает выходное напряжение не ниже 6,5 кВ, что выше фазного напряжения сети 10 кВ и почти в 2 раза выше фазного напряжения сети 6 кВ, испытания должны проводиться напряжением, составляющим 25 % фазного). Выходное напряжение является несинусоидальным (близким к экспоненциальному), что тем более ставит под сомнение эквивалентность проверки указателей подобным устройством.
Так как рассмотренные указатели высокого напряжения имеют большие габаритные размеры и массу, начинают разрабатываться малогабаритные устройства для проверки высокого напряжения, которые находят применение в полевых условиях. По сравнению с УВН, использующие пьезоэлементы и высокочастотные преобразователи, которые формируют на выходе сигнал, значительно отличающийся от напряжения в линии электропередачи (обычно это серия коротких высоковольтных импульсов), что не позволяет в полной мере проверить исправность указателя напряжения, так как могут не отреагировать на напряжение промышленной частоты.
Разработанное устройство, в отличие от вышеупомянутых, формирует на контрольном выводе синусоидальное напряжение 1.5 кВ (действующее значение) частотой 50 Гц. Устройство оснащено световой и звуковой сигнализацией наличия испытательного напряжения 1,5 кВ, системой контроля состояния источника питания. Для проверки указателя высокого напряжения с помощью разработанного устройства достаточно прикоснуться щупом указателя к контрольному выводу включенного устройства. Исправный указатель должен показать наличие напряжения. Блок-схема устройства приведена на рисунке 4 .


Рисунок 4 . Блок-схема устройства.
1 - генератор синусоидального (опорного) напряжения;
2 - генератор высокочастотных импульсов;
3 - компаратор для сравнения выходного напряжения с опорным;
4 - выходной каскад;
5 - высоковольтный трансформатор;
6 - высоковольтный управляемый выпрямитель;
7 - фильтр.
Принцип действия прибора основан на получении высоковольтного высокочастотного амплитудно-модулированного напряжения U 5
(рисунок 5), которое затем выпрямляется управляемым выпрямителем (рисунок 5).

В ходе разработки устройства проведены исследования зависимости максимального выходного напряжения и потребляемого тока от частоты и скважности импульсов высокочастотного генератора (позиция 2 рисунка 10) при различных значениях напряжения питания. Эти исследования проводились с помощью упоминавшейся в предыдущих статьях установки для проведения исследований по применению ультразвука, которая являлась одновременно источником (ВЧ генератором) и измеряющим вольтметром.
Проведя исследование принципов работы ППУ других производителей (УПУН-1 и УПУВН-1), можно с уверенностью сказать, что они не обеспечивают эквивалентных испытаний УН по отношению к реальной ВЛ.
Таким образом, на практике следует ограничить применение ППУ, - которые не могут обеспечить условий проверки эквивалентных реальным, поскольку это может привести к трагическим последствиям в связи с ошибочной индикацией об отсутствии напряжения на ВЛ или других электроустановках.
СИГНАЛИЗАТОРЫ НАПРЯЖЕНИЯ ДЛЯ ВОЗДУШНЫХ ЛЭП.
СИСТЕМЫ СИГНАЛИЗАЦИИ ДЛЯ УСТРОЙСТВ КОНТРОЛЯ НАЛИЧИЯ НАПРЯЖЕНИЯ.
Для предварительного выявления отсутствия или наличия напряжения возможно применение УН бесконтактного типа, а также некоторых видов сигнализаторов напряжения (СН), достоинством которых является то, что они позволяют провести проверку без подъема на опору, с земли.
Получение информации о наличии напряжения на токоведущих частях электроустановок производится с помощью контактных указателей и бесконтактных сигнализаторов (индикаторов) напряжения. Информация о наличии и уровне напряжения обычно передается оператору с помощью световых и (или) звуковых сигналов опасности, которые обладают различной степенью быстроты и надежности восприятия. Постоянный рост требований надежности восприятия требует новых подходов к задаче выбора и размещения средств отображения информации (индикаторов).
Существуют стандарты, устанавливающие критерии по восприятию световых, звуковых и тактильных сигналов опасности для того, чтобы люди могли опознать эти сигналы и реагировать на них. При создании новых приборов необходимо обеспечить согласование их систем сигналов с существующими стандартами для того, чтобы избежать противоречий и возникновения риска неправильной интерпретации.
Сигналы опасности, вырабатываемые средствами измерения и сигнализации, должны быть эффективными при всех условиях их использования, включая условия возникновения помех процессу распознавания со стороны окружающей среды. В качестве помех можно рассматривать фоновые оптические и звуковые источники, препятствующие восприятию информационного сигнала. Степень влияния помех зависит от разных факторов, таких как расстояние от источника сигнала, направленность излучения, физических свойств среды и т.д.
В настоящее время в зависимости от требований, выдвигаемых к индикации, применяются оптические, акустические и тактильные индикаторы. В качестве основных видов индикации чаще всего используют первые два типа индикаторов, обладающих своими достоинствами.
Основная особенность акустических индикаторов заключается в том, что они позволяют получать информацию, в то время когда оператор занят выполнением других задач. Это повышает эффективность при необходимости двигаться и быстро реагировать на изменения измеряемой величины (например, превышение заданного порога). Учитывая особенности человеческого слуха предпочтительнее всего выбирать частоты в диапазоне от 500 до 3000Гц. В зависимости от степени опасности звуковые сигналы могут иметь разную временную и частотную модель, что позволяет четко разграничивать аварийный сигнал от предупреждающего сигнала. На практике рекомендуется использовать не более двух различных длин волн с соотношением не менее 1:3, а также периодически повторяющиеся группы импульсов с продолжительностью периода от 0,25 до 0,125 с.
При необходимости индицировать большое число состояний можно использовать акустические индикаторы с речевой информацией. Данный вариант более гибкий и легко интерпретируемый, но обладает меньшей помехоустойчивостью по сравнению с обычными звуковыми сигналами.
Оптические индикаторы по сравнению с акустическими индикаторами позволяют передавать большие объемы информации и меньше влиять на показания других приборов. Более высокие требования, предъявляемые к расположению оптических индикаторов относительно поля зрения оператора, снижают пространство приема сигнала и приводят к снижению оперативности реакции. На рисунке 6 приведены области пригодности сигнала относительно оси зрения 8 в случае нормального зрения оператора. Приведенные углы носят рекомендательный характер и могут манятся, например при восприятии красок они сужаются.
|

Рисунок 6 . Обнаружение сигнала в вертикальном поле зрения
Узнаваемость сигнала может дополнительно обеспечиваться комбинацией таких характеристик, как: яркость, цвет, пространственное расположение, эффект мигания.
Улучшение восприятия опасной ситуации и снижение остроты внимания оператора можно получить, применяя комбинированную индикацию. Например, синхронная подача звуковых и световых сигналов расширяет возможности использования приборов в различных условиях.
В случаях затруднения восприятия оптической и звуковой информации необходимо передавать или дублировать данные тактильным способом, например вибрацией, пропорциональной уровню измеряемой величины. Высокой чувствительностью к тактильным индикаторам обладают руки, но следует учитывать случаи, когда необходимо применять перчатки, заметно снижающие надежность восприятия тактильного сигнала.
С появлением индивидуальных сигнализаторов напряжения стало возможным контролировать уровень напряжения с земли, что позволило лишний раз не рисковать своей жизнью.
Перед ними не стоит задача определения с заданной точностью значения контролируемой величины. Это обстоятельство позволяет упростить их конструкцию, повысить удобство эксплуатации и надежность.
Необходимость применения при работе на электроустановках устройств контроля наличия напряжения подтверждается материалами расследований несчастных случаев, происшедших в электроэнергетике. Анализ материалов по электротравматизму показывает, что наибольшее число травм связано с тем, что не было проверено наличие напряжения. Распространенной причиной является также нарушение безопасного расстояния. Установлено, в частности, что в электрических сетях РАО "ЕЭС России" в девяти случаях в 2000 г. и в десяти - в 2001 г. можно было предотвратить смертельные электротравмы при наличии у пострадавшего сигнализаторов напряжения (для сравнения, общее количество смертельных электротравм в РАО в 2000 г. - 34, в 2001 - 28). Причинами, по которым не было проверено наличие напряжения, являются: отсутствие необходимых приборов, их неисправность или неприменение. Помимо низкой производственной дисциплины, осознанное неприменение электрозащитных средств объясняется тем, что имеющееся оборудование неудобно в эксплуатации, громоздко и морально устарело.
Многолетняя статистика производственного травматизма в электроэнергетике дает стабильное соотношение между числом смертельных травм и общим травматизмом. Так, в случаях механического травмирования человека летальным исходом заканчивается приблизительно один случай из тридцати. Но при попадании человека под напряжение смертью пострадавшего заканчивается каждый второй несчастный случай, что объясняется, помимо физиологической несовместимости электрического тока и биологических процессов в организме человека, отсутствием внешних признаков опасности оголенных токоведущих частей или металлических конструкций, случайно оказавшихся под напряжением (отсутствуют свечение, звук, дым и другие устрашающие признаки). Генерируемые СН тревожные сигналы предупреждают человека, "озвучивают" для него опасность, исходящую от находящегося под напряжением оборудования, что способствует повышению внимания, ведет к более взвешенным действиям.
Начавшееся в последние годы широкое применение на эксплуатирующих энергопредприятиях новых, более совершенных УН и СН способствовало в существенной степени снижению электротравматизма, в том числе и смертельного. Помимо высоких технических характеристик новые УН и СН должны быть надежны, просты и удобны в эксплуатации, иметь малую массу, привлекательный внешний вид. Для достижения этих целей необходимо использовать новую элементную базу, схемные решения, применять самые совершенные технологии изготовления.
Контроль отсутствия напряжения на проводах воздушных линиях электропередачи (ВЛЭП) можно осуществлять с помощью индивидуальных сигнализаторов напряжения (СН), располагаемых на спецодежде. Они подают сигнал в случае внезапного появления напряжения на отключенных участках ВЛЭП. Различные конструкции СН такого типа разработаны для крепления на каске, в нагрудном кармане, на запястье руки и т.д., они должны находиться во включенном состоянии все время работы. В зависимости от применения СН можно разделить на сигнализаторы напряжения ручные (СНР), предназначенные для определения наличия напряжения без подъема на опору, и на сигнализаторы напряжения касочные (СНК), предназначенные для сигнализации о приближении к источнику опасного напряжения (провод ВЛЭП) на расстояние менее допустимого.
Основное назначение СНР - кратковременное тестирование наличия напряжения непосредственно с земли. Высокая чувствительность, большие потребления не позволяют использовать СНР для постоянного контроля, поэтому для этих целей применяются СНК.
Анализ существующих конструкций выявил ряд недостатков, снижающих надежность срабатывания и удобство эксплуатации СН. Так, различные требования к емкости и габаритам источника питания (вызванные различием в условиях эксплуатации СН) приводят к использованию разных элементов. В СНК размеры источника питания играют существенную роль (обычно применяются миниатюрные дорогостоящие химические источники тока), в то время как в СНР нет подобных ограничений. Попытки использовать нехимические источники тока (тем самым продлить срок эксплуатации без обслуживания), такие как солнечная батарея и динамо-машина ("Пион-2001", рисунок 7) снижают удобство и надежность эксплуатации. Применение аккумуляторов и конденсаторов увеличивает риск использования прибора с разряженным источником питания.
![]() |
![]() |
Рисунок 7 .
а – применение СНИ для тестирования наличия напряжения в ВЛЭП;
б – СНИ «ИВА-Н» производства НПЦ «Электробезопасность»;
в – «ПИОН - 2001» производства ЗАО «Техношанс».
СНИ, предназначенные для использования в руке (рисунок 14а), обладают высокой чувствительностью и позволяют определять наличие напряжения на проводах ВЛЭП с земли без подъема на опору. В момент измерения СНИ должен находиться в руке выше головы. Одно из достоинств СНИ, по сравнению с СНК, заключается в том, что в них можно использовать более дешевые и доступные гальванические элементы питания ("ИВА-Н", рисунок 14б) или другие источники, например динамо-машину ("Пион-2001").
Прибор «ИВА-Н» предназначен для оценки напряженности электрического поля (ЭП) промышленной частоты и индикации допустимого времени пребывания в таком поле ремонтного и обслуживающего персонала, производящего работы в зоне сильных ЭП, а также для лиц инженерно-технического состава, осуществляющих регламентацию различных видов работ в зоне ЛЭП сверхвысокого напряжения.
Прибор "ИВА-Н" измеряет напряженность ЭП в диапазоне от 5 до 30 кВ/м, он имеет светодиодную линейку (11 сегментов), шкалу напряженности ЭП и шкалу допустимого времени пребывания персонала в ЭП. Прибор оснащен устройством звуковой сигнализации, срабатывающим при напряженности ЭП более 5 кВ/м.
Питание прибора - автономное, от элемента "Крона" или аккумулятора со встроенным выпрямителем для подзарядки от сети 220 В. Прибор имеет систему контроля работоспособности. Габаритные размеры прибора 195x52x22 мм. масса - 150 г. Прибор комплектуется измерительной штангой для обеспечения необходимого, при определении допустимого времени пребывания персонала в ЭП, расстояния между телом оператора и прибором. В корпусе прибора имеется гнездо для крепления измерительной штанги.
Работа прибора "ИВА-Н" основана на электростатической индукции заряда, пропорционального напряженности внешнего ЭП, в измерительном преобразователе емкостного типа, выполненном в виде металлической пластины, усилении и индикации измеренного значения с помощью светодиодной линейки.
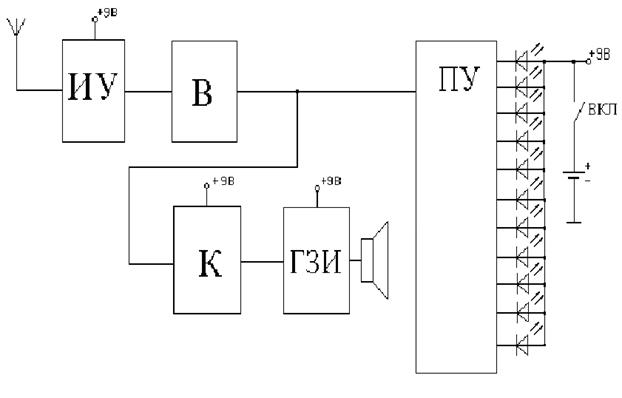
Прибор состоит из пяти основных блоков (рисунок 8): измерительного усилителя (ИУ), выпрямителя (В) амплитудного значения сигнала, преобразовательного устройства (ПУ), компаратора (К) и генератора звуковых импульсов (ГЗИ).

Рисунок 8 . Структурная схема прибора «ИВА-Н».
Индуцируемый заряд формируется при помощи преобразователя, выполненного в виде металлической пластины. Блок ИУ имеет переменный коэффициент усиления, регулируемый при настройке прибора. Усиленный сигнал подается на выпрямитель амплитудного значения. Преобразователь уровня (ПУ) зажигает один из 1 светодиодов при поступлении на его вход соответствующего постоянного напряжения с выпрямителя. Сигнал с выпрямителя подается также на компаратор (К), который при определенном уровне включает генератор звуковых импульсов. ГЗИ работает на пьезоизлучающую головку, генерируя прерывистый звуковой сигнал частотой 1 кГц.
Модификация прибора имеет два диапазона: помимо вышеописанного еще диапазон с высокой чувствительностью, измеряющий напряженность ЭП от 0,5 до 5 кВ/м. Переход в соответствующий измеряемому юлю режим осуществляется автоматически. На лицевой панели два круглых светодиода указывают, в каком диапазоне работает прибор.
Наличие второго диапазона позволяет использовать прибор для определения наличия напряжения на проводах, розетках, распределительных коробках, для поиска трассы скрытой проводки напряжением 127 В и выше в производственных и жилых помещениях, для проверки заземления работающего оборудования.
Бесконтактный сигнализатор напряжения «ИВА-Н» позволяет измерять напряженность ЗП от 0,5 кВ/м, можно использовать для контроля соблюдения предельно допустимых уровней ЭП промышленной частоты внутри жилых помещений и на территории зоны жилой застройки, установленных действующими санитарными нормами.
Сигнализатор также позволяет оперативно определить исправность защитного заземления электрооборудования. При приближении к незаземленному корпусу включенной установки, он срабатывает на расстоянии больше, чем при приближении к отдельному проводу. Если же заземление исправно, то сигнализатор на расстоянии 10-15 мм от корпуса будет оставаться в дежурном режиме.
Зависимость показаний сигнализатора от положения его по отношению к источнику электрического поля, позволяет по максимальному числу горящих светодиодов определять расположение находящегося под напряжением провода, в том числе и скрытой проводки 220 В.
СИГНАЛИЗАТОРЫ НАПРЯЖЕНИЯ КАСОЧНЫЕ (СНК).
При работе на ВЛЭП наиболее правильным является крепление СН на каске (рисунок 16), так как в большинстве вариантов расположения работающего электрическое поле имеет максимальную напряженность в зоне над головой человека.
Основной недостаток многих касочных сигнализаторов (СНК) заключается в их сравнительно больших габаритах и массе. Размещение такого прибора на каске работника создает значительные неудобства в работе и вызывает утомление шейного отдела позвоночника. Большая масса прибора обычно вызвана использованием элементов питания устаревших типов с малой энергоемкостью и конструкцией датчика электрического поля.
а - НИК 6-10 производства "РЭТО";
б - СНИ-3 производства КБ "Луч";
в - СНИ-5 производства Армавирского электротехнического завода.
Расположение СНК снаружи на каске опасно из-за возможности зацепов. При снижении размеров сигнализатора и при увеличении надежности крепления данный недостаток практически устраняется.
Другой, не менее важный, недостаток заключается в том, что расположение прибора на каске не обеспечивает защиту его от воздействия атмосферных оса солнечной радиации и пыли, что значительно еж надежность работы, особенно контактных элементов ввиду повышения вероятности их окисления. Проблема может быть частично решена созданием герметичных корпусов с повышенной влагозащитной, как это сделано с СНК "Кристалл" производства «ИНВАРЭЛТРАНС».
Сложность обеспечения бесконтактного автоматического включения прибора вынуждает практически всех разработчиков применять ненадежный механический переключатель. Использование герконов час решает проблему повышения надежности включения, но при этом появляются проблемы с размещением магнита. Применение бесконтактного переключателя позволяет повысить надежность включения прибора, хотя в этом случае имеют место дополнительные потери электроэнергии, вызванные падением напряжения на электронном ключе, что приводит к снижению ре работы источника питания.
Попытка создания сигнализаторов с расширенным диапазоном измерений ведет к необходимости использования дополнительных переключателей, что снижает надежность и увеличивает риск, связанный с неправильным выбором рабочего диапазона напряжений.
К недостаткам касочных сигнализаторов можно отнести и то, что звуковой сигнал направлен от оператора, что ухудшает его восприятие при сильном и при отсутствии предметов, от которых звук может хорошо отражаться. Этот факт следует учитывать при оценке действительной эффективности указываемых разработчиками уровней звукового давления излучаемой мощности сигналов опасности. Если также учесть, что чувствительность человеческого зависит от частоты сигнала, то сравнивать по уровню сигналы разной частоты и длительности (в случае прерывистого сигнала) некорректно.
Учитывая все описанные выше недостатки, сформулируем требования к СНК нового поколения:
• касочный СН не должен содержать выключателя питания, переключателя диапазонов, подверженных внешним воздействиям;
• минимально возможные масса и размеры инструкции; масса сигнализатора должна намного меньше массы каски;
• центр тяжести каски с сигнализатором не должен быть смещен в сторону;
• звуковая сигнализация должна иметь различимые интонации;
• уровень звукового давления должен быть достаточным для уверенного распознавания высоком уровне внешних шумов;
• наличие системы автоматической самодиагностики всей цепи без дополнительных органов управления;
• работоспособность (без замены источника питания) в течение всего срока службы каски.
Сочетать малую массу сигнализатора, длительную работу от одного комплекта батарей и большой уровень звукового сигнала крайне сложно. Как вариант решения этой проблемы может быть использовано разделение сигнализатора на два блока, один из которых, миниатюрный расположен внутри каски и осуществляет непосредственно контроль электрического поля, а второй блок индицирует превышение порогового уровня сигнала и управляет работой первого блока. Второй блок может находиться на спецодежде. Связь между блоками должна быть надежной и не создавать неудобств во время работы. Наиболее оптимальной с этой точки зрения является радиосвязь.
В результате проведенных исследований распределения электрического поля вблизи проводов ВЛЭП и анализа конструкций СНК с учетом сформированных требований разработан касочный сигнализатор "Радиус", состоящий из расположенного внутри каски заподлицо в ребре жесткости миниатюрного (массой 10 г) блока контроля электрического поля и блока сигнализации, располагаемого в руке или на спецодежде. Блоки связаны с помощью радио, причем блоков сигнализации может быть несколько, что позволяет один из них укрепить, например, в нагрудном кармане работающего человека в каске с блоком контроля, а другой будет находиться у напарника или у наблюдающего.
Помимо основной системы сигнализации о приближении на опасное расстояние к проводам ВЛЭП (прерывистые световые и звуковые сигналы) СНК "Радиус" имеет дополнительную систему сигнализации (непрерывный сигнал), включающуюся в случае нарушения радиосвязи блоков или иной неисправности.
СНК срабатывают при приближении к находящимся под напряжением токопроводам в тот момент, когда напряженность контролируемого ими электрического поля превышает установленное пороговое значение. В связи с этим для повышения надежности защиты человека необходимо знать уровень и особенности изменения напряженности электрического поля вблизи проводов ВЛЭП 6-35 кВ (в первую очередь непосредственно под ними), для этого был разработан расчёт напряжённости электрического поля, создаваемого ВЛ.
По выведенным на базе теории электромагнитного поля формулам проведены расчеты напряженности электрического поля возле проводов трехпроводных ВЛЭП.
Вычисления проводились в двух случаях: в первом случаи опора считалась деревянной, неискажающей картины поля, и вычисления проводились для трехпроводной линии; во втором случаи, для упрощенного учета влияния металлической или железобетонной опоры, вводилась дополнительная проводящая поверхность, перпендикулярная плоскости земли.
Расчеты проводились для трех распространенных вариантов крепления проводов ВЛЭП 10 кВ на опоре, а также для провода, расположенного вблизи проводящей поверхности. Проведен анализ изменения напряженности, ее вертикальной и горизонтальной проекций.
Учет влияния земли и дополнительной проводящей поверхности проводился с помощью метода зеркальных изображений. Заряды реальных и фиктивных проводов учитывались в комплексной форме. Результирующее значение Е определялось посредством разложения каждого вектора на вертикальную и горизонтальную проекции. Модуль вектора напряженности электрического поля в произвольной точке под трехфазной ВЛЭП:
![]()
На рисунке 9 представлены графики изменения напряженности электрического поля Е и её проекций Е х , Е у в зависимости от высоты h при боковом смещении от оси опоры х = 0,1 м под проводами ВЛЭП 10 кВ расположенными вертикально.
Рисунок 18.
а - схематичный вид опоры с вертикальным расположением проводов в один ярус;
б - зависимость действующих значений напряженности Е (В/м) электрического поля и её проекций от высоты h (м). Габариты линии (м): Н а = 10, Н в = 10,9, Н с = 11,8, d A = -0,5, d B = 0,5, d C = -0,5, радиус провода r = 0,006.
Анализ результатов расчетов позволяет сделать следующие выводы:
1. Изменение соотношения вертикальной проекции к модулю вектора напряженности Е у /Е объясняется тем, что вектор Е с ростом высоты h поворачивается в пространстве. На высоте 1,8 м (на этой высоте проверяют с помощью наличие напряжения на проводах ВЛЭП) от земли направление вектора Е близко к вертикальному. Выше 10 м (выбранное расстояние от земли до нижнего провода) проекция Е у меняет знак; по этой причине значение Е у для всех типов расположения проводов в зоне непосредственно под нижним проводом ниже максимума, который находится при меньшей высоте h .
2. Значение Е на высоте 1,8 м составляет 2-3 % о значения Е на высоте 9,4 м (предельно допустимая высота подъема человека при расстоянии до нижнего провода 10 м).
3. Значение Е зависят при постоянной высоте h от бокового смещения х. По мере приближения к проводам изменения Е и Е у от х все более существенны.
4. Для различных типов расположения проводов значение Е и Е у при одинаковых h и боковых смещениях различны.
5. Присутствие вблизи проводов заземленных проводящих предметов, вблизи земли при этом уменьшается.
Представленные данные и результаты их анализа следует учитывать при определении области применения СН, уровня чувствительности, разработке конструкции антенны и т.д. В частности, полученные результаты показывают, что антенны СН, предназначенных для определения напряженности с земли могут воспринимать одну вертикальную составляющую Е у в то время как антенны касочных СН обязаны измерять модуль вектора напряженности Е.
СНИ, предназначенные для крепления на одежде, менее чувствительны, чем ручные.
В данных сигнализаторах антенна электрического поля расположена параллельно телу человека.
Большинство современных СНИ имеют системы визуальной и акустической сигнализации, устройства контроля работоспособности.
Следует отметить, что сигнализаторы напряжения позволяют также проверять исправность защитного заземления у включенного электрооборудования, правильность установки выключателей освещения, определять расположение скрытой проводки, находящейся под напряжением 220 В.
Схожесть принципов действия СНР и СНК толкает разработчиков к созданию универсального прибора с возможностью крепления, как на каске, так и на спецодежде, позволяющего определять наличие напряжения на проводах ВЛЭП с различным рабочим напряжением. Возникающие трудности, связанные с необходимостью обеспечить различную чувствительность, решают с помощью механических переключателей диапазонов работы. Введение переключателя снижает надежность работы и увеличивает риск неправильного использования СН, вызванного ошибочным выбором рабочего диапазона
Проведенный анализ существующих конструкций СН позволил выявить недостатки и определить направления по разработке новых средств защиты, увеличивающих безопасность эксплуатации ВЛЭП.
СИГНАЛИЗАТОРЫ – УКАЗАТЕЛИ НАПРЯЖЕНИЯ БЕСКОНТАКТНЫЕ.
Указатели напряжения бесконтактные (УНБ) для ВЛЭП напряжением свыше 1000В по принципу действия похожи на СН, но отличаются меньшей чувствительностью.
Расстояние срабатывания УНБ составляет несколько сантиметров, поэтому для обеспечения возможности проверки наличия напряжения они крепятся на изоляционной штанге. Так как нет необходимости непосредственного контакта с проводом, то упрощается позиционирование УНБ, но снижается достоверность тестирования на наличие напряжения. Отсутствие непосредственного контакта не позволяет создать указатели источника питания в рабочей части, что усложняет и удорожает конструкцию. Наличие источника питания вынуждает устанавливать переключатель питания, снижающий надежность работы. Некоторые производители решают эту проблему автоматическим включением при установке рабочей части УВНБУ-6-220 кВ на штангу.
УНБ изготавливаются в металлическом или массовом корпусе. Оба варианта допускают непосредственный контакт с проводом. УНБ в металлическом корпусе не обладают направленностью срабатывания, что позволяет располагать их относительно провода произвольно. В то же время есть УНБ с ярко выраженной направленностью срабатывания.
Вследствие схожести принципа действия и предназначения УНБ можно классифицировать как особь сигнализаторов напряжения.
Список литературы
1. Васюра, Ю.Ф., Черепанова, Г.А., Палашева, С.Е. // Электротехника и энергетика: Сб. науч. тр. ВятГТУ (№ 2) / ВятГТУ. – Киров, 1997. – С.141-144.
2. Инструкция по применению и испытанию средств защиты, используемых в электроустановках. Министерство энергетики Российской Федерации. М.: Электроком, 2003.
3. Ким, К.К. Сигнализаторы напряжения для воздушных ЛЭП 6…35 кВ / Ким К.К., Красных А.А., Морозов А.С. // Безопасность жизнедеятельности.–2003.–№6.–С. 24-27.
4. Красных, А.А. Бесконтактные указатели напряжением свыше 1000 В / Красных, А.А., Хлебников, В.А , Морозов, А.С. // Наука – производство – технологии - экология: Всероссийская научно-техническая конференция: Сб. материалов в 5 т. – Киров, 2003. – Т. 4 (ЭТФ). – С. 22-23.
5. Красных, А.А., Литвинов, Д.Г., Машковцев, И.И. Прибор для измерения электрического поля и определения допустимого времени пребывания персонала в электрическом поле. // Электротехника и энергетика: Сб. науч. тр. ВятГТУ (№ 2) / ВятГТУ. – Киров, 1997. – С. 7-9.
6. Красных, А.А. Особенности применения устройств для проверки указателей напряжением выше 1000 В в полевых условиях / Красных, А.А., Хлебников, В.А // Наука – производство – технологии - экология: Всероссийская научно-техническая конференция: Сб. материалов в 5 т. – Киров, 2003. – Т. 4 (ЭТФ). – С. 19-22
7. Красных, А.А. Сигнализаторы напряжения индивидуальные / Красных, А.А., Морозов, А.С. // Наука – производство – технологии - экология: Всероссийская научно-техническая конференция: Сб. материалов в 5 т. – Киров, 2003. – Т. 4 (ЭТФ). – С. 27-28.
8. Красных, А.А. Указатели напряжения для электроустановок напряжения выше 1000 В / Красных, А.А., Хлебников, В.А // Наука – производство – технологии - экология: Всероссийская научно-техническая конференция: Сб. материалов в 5 т. – Киров, 2003. – Т. 4 (ЭТФ). – С. 17-19.
9. Красных, А.А. Указатели напряжения до 1000 В / Красных, А.А., Литвинов, Д.Г., Феофилактов, С.А. // Наука – производство – технологии - экология: Всероссийская научно-техническая конференция: Сб. материалов в 5 т. – Киров, 2003. – Т. 4 (ЭТФ). – С. 29-30.
10. Кривошеин, И.Л. Малогабаритное устройство для проверки указателей высокого напряжения в полевых условиях / Кривошеин, И.Л., Машковцев, И.И., Булатов, А.С. //Ежегодная региональная научно-техническая конференция ВятГТУ «Наука – производство – технологии - экология»: Сб. материалов /ВятГТУ. – Киров, 2000. – Т. 3. – С. 78-79.
11. Морозов, А.С. Системы сигнализации для устройств контроля наличия напряжения // Наука – производство – технологии - экология: Всероссийская научно-техническая конференция: Сб. материалов в 5 т. – Киров, 2002. – Т. 4 (ЭТФ). – С. 31-32.
12. Попов, В.А. Анализ факторов, влияющих на наведение напряжения при ремонте воздушных линий / Попов, В.А., Медов, Р.В., Бессоницын, А.В. // Наука – производство – технологии - экология: Всероссийская научно-техническая конференция: Сб. материалов в 5 т. – Киров, 2004. – Т. 4 (ЭТФ). – С. 209-210.
13. Попов, В.А. Оценка зависимости уровня электромагнитной составляющей наведенного напряжения от несимметрии тока влияющей воздушной линии электропередачи / Попов, В.А., Якимчук, Н.Н. // Наука – производство – технологии - экология: Всероссийская научно-техническая конференция: Сб. материалов в 5 т. – Киров, 2004. – Т. 4 (ЭТФ). – С. 139-140.
14. Правила применения и испытания средств защиты, используемых в электроустановках. ПО Союзтехэнерго / Минэнерго СССР.– 8-е изд. М.: Энергоатомиздат, 1987.
15. Шарандин А.А. Проблема определения наведенного напряжения на воздушных линиях электропередачи / Техника безопасности. – 2004, –№ 6. –С.12.





