| Скачать .docx | Скачать .pdf |
Книга: Конструювання і розрахунок сталевих зварних посудин та апаратів Фланцеві зєднання
МІНІСТЕРСТВО ОСВІТИ І НАУКИ УКРАЇНИ СХІДНОУКРАЇНСЬКИЙ НАЦІОНАЛЬНИЙ УНІВЕРСИТЕТ імені ВОЛОДИМИРА ДАЛЯ СЄВЄРОДОНЕЦЬКИЙ ТЕХНОЛОГІЧНИЙ ІНСТИТУТ
О.І. Барвін, І.М. Гєнкіна, В.В. Іванченко, Г.В. Тараненко, Ю.М. Штонда
КОНСТРУЮВАННЯ І РОЗРАХУНОК
СТАЛЕВИХ ЗВАРНИХ ПОСУДИН ТА АПАРАТІВ.
ФЛАНЦЕВІ З'ЄДНАННЯ
Луганськ 2007
УДК 66.023+66.025
БК 35.11
К65
Рекомендовано Міністерством освіти і науки України як навчальний посібник для студентів вищих навчальних закладів за спеціальністю “Обладнання хімічних виробництв та підприємств будівельних матеріалів”.
(лист № 1.4/18-Г-1141 від 16.07.07.) Рецензенти:
Панов Є.М., доктор технічних наук, проф. НТУУ ”КПІ“
Юшко В.Л., доктор технічних наук, проф. УДХТУ
Склабінський В.І., доктор технічних наук, проф. СумДУ
Борисенко В.А., кандидат технічних наук, НДІХІММАШ
Відповідальний редактор В.В. Іванченко
О.І. Барвін, І.М. Гєнкіна, В.В. Іванченко, Г.В. Тараненко, Ю.М. Штонда.
К65 Конструювання і розрахунок сталевих зварних посудин та апаратів. Фланцеві з'єднання. – Луганськ: Вид-во Східноукр. нац. ун-ту імені Володимира Даля, 2007. – 306 с., 108 іл., 117 табл., 48 бібліогр назв.
ISBN
У даному посібнику наведені описи стандартних конструкцій фланцевих з’єднань, які застосовуються у хімічному машинобудуванні, а також рекомендації щодо їх вибору та розрахунку на міцність, жорсткість і герметичність.
Розрахунки фланцевих з’єднань викладені на основі діючої у хімічному машинобудуванні нормативно-технічної документації.
Наведені приклади розрахунків фланцевих з’єднань.
Посібник призначено для використання в навчальному процесі при вивченні студентами дисциплін професійної та практичної підготовки, а також в курсовому та дипломному проектуванні.
Посібник може бути корисним інженерам-механікам, які займаються проектуванням, виготовленням і експлуатацією посудин та апаратів хімічних виробництв і підприємств будівельних матеріалів.
УДК 66.023+66.025
ББК 35.11
ISBN © О.І. Барвін, І.М. Гєнкіна, В.В. Іванченко,
Г.В. Тараненко, Ю.М Штонда
© Східноукраїнський національний уні-
верситет імені Володимира Даля, 2007
![]()
ЗМІСТ
1 ЗАГАЛЬНІ ВІДОМОСТІ . . . . . . . . . . . . . . . . . . . . . . . . . . . . . . . . . . . . . . . . . 4
1.1 Вимоги, що пред'являються до фланцевих з'єднань . . . . . . . . . . . . . . . . . 4
1.2 Класифікація фланців . . . . . . . . . . . . . . . . . . . . . . . . . . . . . . . . . . . . . . . . . 4
2 КОНСТРУКЦІЇ ФЛАНЦЕВИХ З'ЄДНАНЬ . . . . . . . . . . . . . . . . . . . . . . . . 5
2.1 Конструкції фланцевих з'єднань посудин та апаратів . . . . . . . . . . . . . . . 5
2.2 Конструкції з'єднань з перехідними фланцями . . . . . . . . . . . . . . . . . . . . 13
2.3 Конструкції з'єднань з арматурними фланцями . . . . . . . . . . . . . . . . . . . . 14
2.4 Конструкції заглушок . . . . . . . . . . . . . . . . . . . . . . . . . . . . . . . . . . . . . . . . 21
2.5 Приклади вибору фланцевих з'єднань . . . . . . . . . . . . . . . . . . . . . . . . . . . 22
3 КОНСТРУКЦІЇ ТА МАТЕРІАЛИ ПРОКЛАДОК ФЛАНЦЕВИХ
З'ЄДНАНЬ . . . . . . . . . . . . . . . . . . . . . . . . . . . . . . . . . . . . . . . . . . . . . . . . . . . . . 27
3.1 Загальні вимоги . . . . . . . . . . . . . . . . . . . . . . . . . . . . . . . . . . . . . . . . . . . . . . 27
3.2 Типи прокладок для фланцевих з’єднань . . . . . . . . . . . . . . . . . . . . . . . . . 27
3.3 Конструкції прокладок для фланцевих з’єднань посудин та апаратів . 30
3.4 Конструкції прокладок для арматурних фланцевих з’єднань . . . . . . . . 38
4 ВИБІР КРІПИЛЬНИХ ВИРОБІВ ДЛЯ ФЛАНЦЕВИХ З'ЄДНАНЬ . . . . . 44
5 РОЗРАХУНОК ФЛАНЦЕВИХ З'ЄДНАНЬ . . . . . . . . . . . . . . . . . . . . . . . . . 56
5.1 Напружений стан деталей фланцевого з’єднання . . . . . . . . . . . . . . . . . . 56
5.2 Розрахункові температури елементів фланцевого з’єднання . . . . . . . . . 59
5.3 Допустимі напружини . . . . . . . . . . . . . . . . . . . . . . . . . . . . . . . . . . . . . . . . 59
5.4 Розрахунок допоміжних величин . . . . . . . . . . . . . . . . . . . . . . . . . . . . . . . 63
5.5 Визначення коефіцієнта жорсткості фланцевого з’єднання . . . . . . . . . . 70
5.6 Розрахунок навантажень . . . . . . . . . . . . . . . . . . . . . . . . . . . . . . . . . . . . . . 71
5.7 Розрахунок болтів (шпильок) . . . . . . . . . . . . . . . . . . . . . . . . . . . . . . . . . . . 75
5.8 Розрахунок прокладок . . . . . . . . . . . . . . . . . . . . . . . . . . . . . . . . . . . . . . . . 76
5.9 Розрахунок фланців на міцність . . . . . . . . . . . . . . . . . . . . . . . . . . . . . . . . 76
5.10 Перевірка фланцевого з’єднання на жорсткість . . . . . . . . . . . . . . . . . . . . 84
5.11 Розрахунок фланців на малоциклову втомленість . . . . . . . . . . . . . . . . . . 85
5.12 Приклади розрахунку фланцевих з’єднань . . . . . . . . . . . . . . . . . . . . . . . . 88
ДОДАТОК А Межі застосування фланців посудин та апаратів . . . . . . 119
ДОДАТОК Б Конструкції і розміри фланців посудин та апаратів . . . . 124
ДОДАТОК В Конструкції та розміри сталевих фланців арматури,
з’єднувальних частин і трубопроводів . . . . . . . . . . . . . . . . 165 ДОДАТОК Г Заглушки фланцеві сталеві . . . . . . . . . . . . . . . . . . . . . . . . . 202
ДОДАТОК Д Матеріали прокладок фланцевих з’єднаннь . . . . . . . . . . 220
ДОДАТОК Е Прокладки фланцевих з'єднань посудин та апаратів . . . . 230
ДОДАТОК Ж Прокладки фланцевих з'єднань арматури, з’єднуваль-
них частин та трубопроводів . . . . . . . . . . . . . . . . . . . . . . . . . 239
ДОДАТОК И Кріпильні вироби для фланцевих з’єднань . . . . . . . . . . . 269
СПИСОК ЛІТЕРАТУРИ . . . . . . . . . . . . . . . . . . . . . . . . . . . . . . . . . . . . . . . . . 303
3
![]()
1 ЗАГАЛЬНІ ВІДОМОСТІ
Окремі частини апаратів (корпуси, кришки, царги, трубні пучки, розподільні камери та ін.) з'єднуються між собою, а також з арматурою та трубопроводами за допомогою роз'ємних з'єднань.
Найпоширенішим видом роз'ємних з'єднань, що застосовуються в хімічній та інших галузях промисловості, є фланцеві з'єднання, які відрізняються простотою конструкції, легкістю збирання та розбирання і забезпечують герметичність та міцність апаратів.
Для герметичного перекриття (відглушення) отворів штуцерів на апаратах, а також для відглушення трубопроводів при проведенні ремонтних робіт та гідравлічних або пневматичних випробувань застосовуються заглушки.
1.1 Вимоги, що пред'являються до фланцевих з'єднань
До фланцевих з'єднань пред'являють наступні вимоги:
– герметичність при заданих температурі та тиску;
– достатня міцність і жорсткість;
– допустимість багатократного збирання та розбирання; – технологічність виготовлення; – взаємозамінність.
1.2 Класифікація фланців
Фланці класифікуються наступним чином:
– за призначенням – фланці посудин та апаратів; фланці арматури, з’єднувальних частин і трубопроводів;
– за конструкцією – плоскі приварні, приварні встик, перехідні фланці;
– за типом ущільнювальних поверхонь – з гладкою поверхнею (зі з’єднувальним виступом), з ущільнювальними поверхнями типів “шиппаз”, “виступ-западина”, під металеві прокладки овального та восьмикутного перерізу, під лінзову прокладку.
4
![]()
2 КОНСТРУКЦІЇ ФЛАНЦЕВИХ З'ЄДНАНЬ
2.1 Конструкції фланцевих з'єднань посудин та апаратів
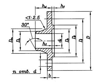
Фланці посудин та апаратів (далі апаратні фланці) застосовують для з’єднання окремих складових одиниць корпусів апаратів між собою, а також як фланці люків.
ланці і прокладки до них стандартизовані по внутрішньому діаме-
тру і умовному тиску.
Базовим розміром апаратних фланців є внутрішній діаметр. Стандартами [29-31] передбачені наступні внутрішні діаметри фланців: 400,
500, 600, 700, 800, 900, 1000, 1100, 1200, 1400, 1600, 1800, 2000, 2200,
2400, 2600, 2800, 3000, 3200, 3400, 3600, 3800 та 4000 мм.
Апаратні фланці виготовляються на наступні умовні тиски: 0,3; 0,6; 1,0; 1,6; 2,5; 4,0; 6,3; 8,0; 10 та 16 МПа.
Для створення необхідної герметичності фланцевого з'єднання ущільнювальним поверхням надають певну форму. Залежно від тиску і фізико-хімічних властивостей середовища передбачені наступні типи ущільнювальних поверхонь фланців:
– гладка;
– виступ; – западина;
– шип;
– паз; – під металеву прокладку восьмикутного перерізу.
Апаратні фланці виготовляють монометалевими, облицьованими листом або наплавленими корозійностійкою сталлю.
Плоскі приварні фланці посудин та апаратів за конструкцією підрозділяються на наступні виповнення (рисунки Б.1-Б.15 додатку Б):
– 1 (монометалеві з гладкою ущільнювальною поверхнею);
– 2 (монометалеві з пазом);
– 3 (монометалеві з шипом);
– 4 (монометалеві із западиною);
– 5 (монометалеві з виступом);
– 6 (монометалеві із гладкою ущільнювальною поверхнею, облицьовані листом з корозійностійкої сталі);
– 7 (з пазом, облицьовані листом із корозійностійкої сталі);
– 8 (з шипом, облицьовані листом із корозійностійкої сталі);
5
– 9 (із западиною, облицьовані листом із корозійностійкої сталі);
– 10 (з виступом, облицьовані листом із корозійностійкої сталі);
– 11 (з гладкою ущільнювальною поверхнею, наплавлені корозійностійкою сталлю);
– 12 (з пазом, наплавлені корозійностійкою сталлю);
– 13 (з шипом, наплавлені корозійностійкою сталлю);
– 14 (із западиною, наплавлені корозійностійкою сталлю); – 15 (з виступом, наплавлені корозійностійкою сталлю).
Приварні встик фланці посудин та апаратів за конструкцією підрозділяються на наступні виповнення (рисунки Б.16-Б.27 додатку Б):
– 1 (монометалеві із западиною);
– 2 (монометалеві з виступом);
– 3 (монометалеві з пазом);
– 4 (монометалеві з шипом);
– 5 (із западиною, облицьовані листом із корозійностійкої сталі); – 6 (з виступом, облицьовані листом із корозійностійкої сталі);
– 7 (з пазом, облицьовані листом із корозійностійкої сталі); – 8 (з шипом, облицьовані листом із корозійностійкої сталі);
– 9 (із западиною, наплавлені корозійностійкою сталлю);
– 10 (з виступом, наплавлені корозійностійкою сталлю); – 11 (з пазом, наплавлені корозійностійкою сталлю); – 12 (з шипом, наплавлені корозійностійкою сталлю).
Приварні встик фланці посудин та апаратів під прокладку восьмикутного перерізу за конструкцією підрозділяються на наступні виповнення (рисунки Б.28-Б.31 додатку Б):
– 1 (монометалеві під прокладку восьмикутного перерізу);
– 2 (під прокладку восьмикутного перерізу, наплавлені корозійностійкою сталлю).
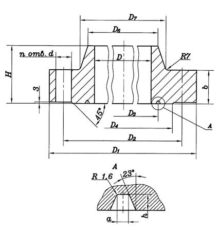
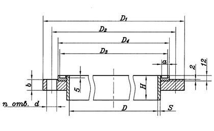
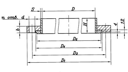
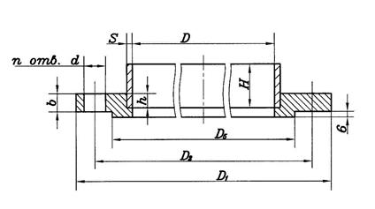
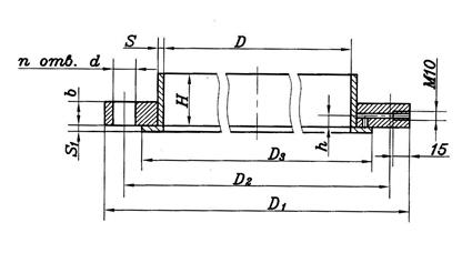
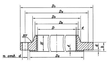
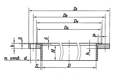
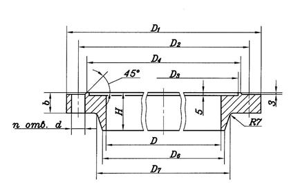
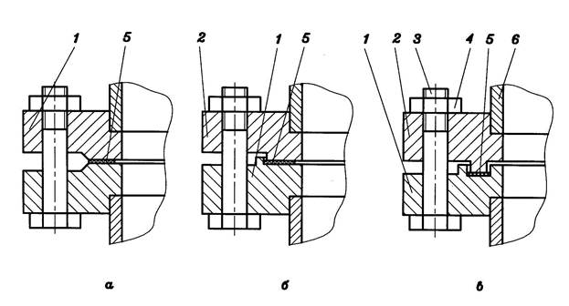
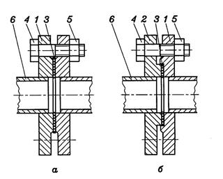
Фланцеве з'єднання (рисунки 2.1, 2.2) складається з фланців 1 , 2 , болтів (шпильок) 3 , гайок 4 та ущільнювального елементу (прокладки) 5 , який установлюється між ущільнювальними поверхнями фланців і забезпечує герметичність при затягуванні болтів або шпильок.
На рисунку 2.1 представлені апаратні фланцеві з'єднання з плоскими приварними фланцями з гладкою ущільнювальною поверхнею і ущільнювальними поверхнями типів “виступ-западина” та “шип-паз”.
Плоский приварний фланець є плоским кільцем, що приварюється до краю обичайки (втулки), завдяки чому фланець і обичайка працюють під навантаженням як єдине ціле.
6
а – з гладкою ущільнювальною поверхнею; б – типу „виступ-западина”; в – типу „шип-паз”
1, 2 – фланці; 3 – болт; 4 – гайка; 5 – прокладка; 6 – втулка (обичайка)
Рисунок 2.1 – Апаратні фланцеві з’єднання з плоскими приварними фланцями
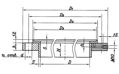
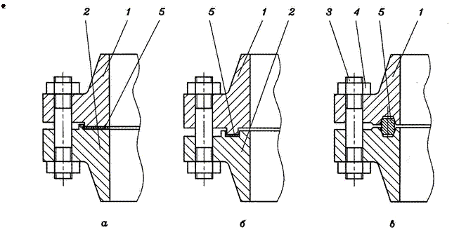
а – типу „виступ-западина”; б – типу „шип-паз”; в – з ущільнювальною поверхнею під прокладку восьмикутного
перерізу
1, 2 – фланці; 3 – шпилька; 4 – гайка; 5 – прокладка
Рисунок 2.2 – Апаратні фланцеві з’єднання з приварними встик фланцями
На рисунку 2.2 представлені апаратні фланцеві з'єднання з приварними встик фланцями із ущільнювальними поверхнями типів “виступзападина”, “шип-паз” та під прокладку восьмикутного перерізу.
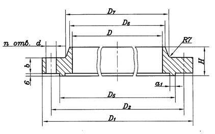
Приварний встик фланець має конічну втулку яка приварюється до обичайки стиковим швом. Ці фланці застосовуються при більш високих тисках і температурах та при більшій кількості циклів навантаження (понад 2000) ніж плоскі приварні.
Перевагою фланців з гладкою ущільнювальною поверхнею є простота конструкції (технологічність виготовлення).
Для забезпечення взаємозамінності фланців всіх типів їх приєднувальні розміри (зовнішній діаметр, діаметр болтової окружності, кількість і діаметр болтових отворів) і розміри ущільнювальних поверхонь стандартизовані [29-31] і прийняті однаковими при одному і тому ж умовному тиску і внутрішніх діаметрах незалежно від конструкції та матеріалу фланця.
Межі застосування апаратних фланців наведені в таблиці 2.1 [28].
Форма ущільнювальної поверхні вибирається залежно від конструкції фланця та групи апарата.
Плоскі приварні фланці з гладкою ущільнювальною поверхнею застосовуються на умовний тиск від 0,3 до 1,6 МПа для посудин 3, 4 і 5 груп.
Фланці з ущільнювальними поверхнями типу “шип-паз” рекомендуються для прокладок, які необхідно поміщати в замкнутий об'єм (наприклад, з фторопласту), для апаратів, які працюють під вакуумом (абсолютний тиск від 0,05 до 0,001 МПа), а також для герметизації середовищ з високою проникаючою здатністю (водень, гелій, високотемпературні органічні теплоносії).
Матеріали фланців слід приймати за таблицею А.1 додатку А залежно від матеріалу обичайки (з тієї ж марки сталі або близької за властивостями), розрахункового тиску та розрахункової температури [28].
Фланці з недорогих вуглецевих і низьколегованих марок сталей виготовляють монометалевими, а фланці з аустенітних корозійностійких сталей – монометалевими переважно при невеликих розмірах. Фланці відносно великих діаметрів виготовляють облицьованими або наплавленими, при цьому несуча частина фланця виконується з вуглецевих або низьколегованих сталей, а поверхні, які торкаються середовища, захищають корозійностійкими марками сталей.
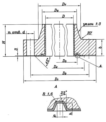
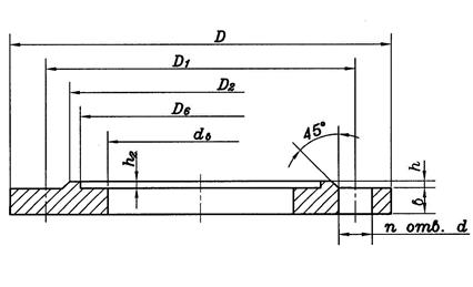
Конструкція плоского приварного фланця з гладкою ущільнювальною поверхнею, облицьованого листовою корозійностійкою сталлю, наведена на рисунку 2.3,а , а наплавленого корозійностійкою сталлю – на рисунку 2.3,б .
Таблиця 2.1 – Межі застосування апаратних фланців
| Тип фланця |
Внутрішній діаметр апарата D , мм |
Номінальний (умовний) тиск PN , МПа |
Робоча температура, °С |
| Фланці посудин та апаратів сталеві плоскі приварні за ГОСТ 28759.2-90 |
400-4000 400-3200 400-2400 |
0,3 0,6-1,0 1,6 |
від мінус 70 до плюс 300 |
| Фланці посудин та апаратів сталеві приварні встик за ГОСТ 28759.3-90 |
3400-4000 400-4000 400-3200 400-2000 400-1600 |
0,6 1,0 1,6 2,5 4,0-6,3 |
від мінус 70 до плюс 600 |
| Фланці посудин та апаратів сталеві приварні встик під прокладку восьмикутного перерізу за ГОСТ 28759.4-90 |
400-1600 400-1500 400-1200 |
6,3-8,0 10,0 16,0 |
|
| Примітки: 1 Фланці за ГОСТ 28759.2-90 не допускається застосовувати в посудинах та апаратах, що працюють в умовах циклічних навантажень з числом циклів понад 2·103 , а також в середовищах, що викликають корозійне розтріскування. 2 Фланці виповнень 6-10 за ГОСТ 28759.2-90 і виповнень 5-8 за ГОСТ 28759.3-90 слід застосовувати при робочій температурі не більше 100 °С. 3 Для посудин та апаратів, що працюють в умовах вакууму із залишковим тиском не нижче 665 Па (5 мм рт. ст.), допускається застосовувати фланці виповнень 1-5 за ГОСТ 28759.2-90 на PN номінальний (умовний) тиск 0,3 МПа, виповнень 1-4 за ГОСТ 28759.3-90 – на номінальний (умовний) тиск PN 1,0 МПа. 4 Межі застосування фланців виповнень 11-15 за ГОСТ 28759.2-90, виповнень 9-12 за ГОСТ 28759.3-90 і виповнень 2 за ГОСТ 28759.4-90 встановлюються за таблицею А.2 залежно від матеріалу основного шару. |
|||
Конструкція приварного встик фланця з виступом, облицьованого листовою корозійностійкою сталлю, наведена на рисунку 2.4,а , а наплавленого корозійностійкою сталлю – на рисунку 2.4,б .
Конструкції та розміри плоских приварних фланців, облицьованих і наплавлених корозійностійкою сталлю, наведені в додатку Б.
Конструкції та розміри приварних встик фланців, облицьованих і наплавлених корозійностійкою сталлю, наведені в додатку Б.
Конструкції та розміри приварних встик фланців під прокладку восьмикутного перерізу, облицьованих листом або наплавлених корозійностійкою сталлю, наведені в додатку Б.
а – облицьований листом із корозійностійкої сталі; б – наплавлений коро-
зійностійкою сталлю
Рисунок 2.3 – Конструкції плоских приварних фланців, облицьованих та наплавлених корозійностійкою сталлю
Фланці, облицьовані листом з корозійностійкої сталі, застосовують при робочій температурі не більше 100 °С.
Для контролю герметичності зварних з'єднань облицьованих фланців передбачають контрольні отвори під нарізь М10. Контроль щільності зварних з'єднань облицьованих фланців виконується пневматичним випробуванням під тиском 0,05 МПа. В робочих умовах ці отвори залишаються відкритими.
Фланці для посудин із двошарових сталей слід виготовляти зі сталі основного шару або зі сталі цього ж класу із захистом ущільнювальної та внутрішньої поверхні фланця від корозії облицюванням або наплавленням корозійностійкою сталлю.
Втулки плоских приварних фланців виконань 6-15 за стандартом [29], а також облицювання та наплавлення виготовляють зі сталей марок 08Х22Н6Т, 08Х18Н10Т, 08Х17Н15М3Т, 10Х17Н13М2Т, 12Х18Н10Т за ГОСТ 5632-72.
а – облицьований листом із корозійностійкої сталі; б – наплавлений коро-
зійностійкою сталлю
Рисунок 2.4 – Конструкції приварних встик фланців, облицьованих і наплавлених корозійностійкою сталлю
Для втулки, облицювання та наплавлення фланця застосовуються корозійностійкі сталі однієї марки.
Плоскі приварні фланці з вуглецевої сталі з втулкою зі сталі аустенітного класу можуть застосовуватися при температурі не більше 100 °С, а з втулкою з біметалу (з основним шаром з вуглецевої сталі) – до 300 °С. Їх допускається приварювати безпосередньо до обичайки (днища) з товщиною рівною або більшою ніж товщина втулки.
Радіальний зазор для плоских приварних фланців між зовнішньою поверхнею втулки (обичайки, днища) та внутрішньою поверхнею фланця не повинен перевищувати 2,5 мм.
Межі застосування апаратних фланців залежно від матеріального виповнення та розрахункової температури наведені в таблиці А.1 додатку А.
У фланцевих з’єднаннях з ущільнювальними поверхнями типів “виступ-западина” і “шип-паз”, які розташовані в горизонтальній площині, нижні фланці повинні бути, як правило, з ущільнювальними поверхнями типів „западина” або „паз”. У фланцевих з’єднаннях, які розташовані в вертикальній площині, фланці штуцерів повинні бути, як правило, з ущільнювальними поверхнями типів „западина” або „паз”.
2.2 Конструкція з’єднань з перехідними фланцями
Перехідні приварні встик фланці застосовуються переважно в кожухотрубчастих теплообмінних апаратах з плаваючою головкою. За їх допомогою кришка апарата приєднуються до кожуха.
Галузевим стандартом [36] передбачені наступні виповнення перехідних фланців під плоску прокладку:
– 1 (монометалевий з виступом);
– 2 (монометалевий з шипом);
– 3 (з виступом, наплавлений корозійностійкою сталлю); – 4 (з шипом, наплавлений корозійностійкою сталлю).
Галузевим стандартом [37] передбачені наступні виповнення перехідних фланців під металеву прокладку восьмикутного перерізу:
– 1 (монометалевий);
– 2 (наплавлений корозійностійкою сталлю).
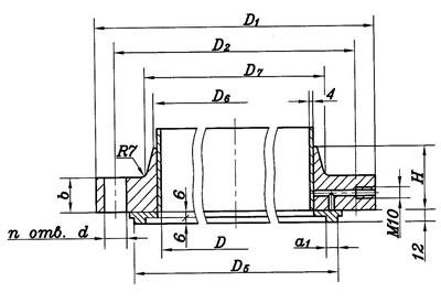
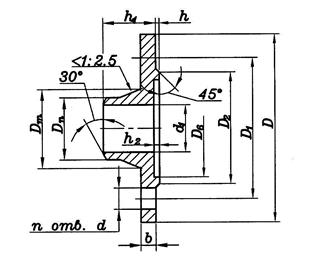
Конструкція з’єднання з перехідними фланцями з ущільнювальними поверхнями типу “виступ-западина” наведена на рисунку 2.5, а з’єднання з перехідними фланцями з ущільнювальною поверхнею під прокладку восьмикутного перерізу – на рисунку 2.6.
Конструкції та розміри перехідних фланців наведені в додатку Б.
1 – перехідний фланець; 2 – фланець; 3 – прокладка; 4 – болт; 5 – гайка
Рисунок 2.5 – Фланцеве з’єднання типу „виступ-западина” з перехідним фланцем
Відповідні фланці, що приварюються до кришки теплообмінного апарата з плаваючою головкою, залежно від розрахункового тиску та розрахункової температури кожуха можуть бути плоскими приварними або приварними встик, а залежно від корозійних властивостей середовища – монометалевими або наплавленими корозійностійкою сталлю.
1 – перехідний фланець; 2 – фланець; 3 – прокладка; 4 – шпилька; 5 – гайка Рисунок 2.6 – Фланцеве з’єднання з ущільнювальною поверхнею під прокладку восьмикутного перерізу з перехідним фланцем
2.3 Конструкції з'єднань з арматурними фланцями
Арматурні фланці застосовуються в апаратах для з’єднання між собою окремих складових одиниць, що виготовляються з труб діаметром до 1200 мм, а також як фланці штуцерів.
Приєднання трубної арматури до апарата, а також технологічних трубопроводів для підведення та відведення рідинних та газоподібних середовищ здійснюється за допомогою штуцерів або ввідних труб.
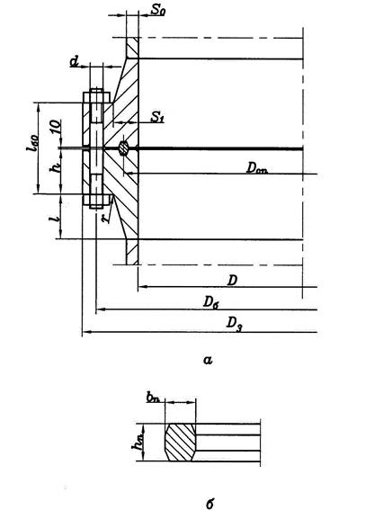
Фланцеві штуцери (рисунок 2.7) представляють собою патрубки з привареними до них фланцями.
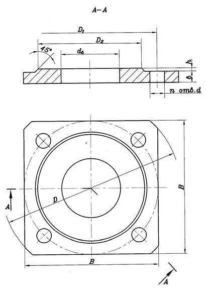
Арматурні фланці відрізняються за конструкцією і розмірами від фланців посудин та апаратів. Порівняно з апаратними фланцями арматурні фланці працюють в більш жорстких умовах. На ці фланці діють додаткові навантаження від ваги трубопроводів великої протяжності, від температурних коливань, вібраційні, ударні та інші.
Арматурні фланці виготовляють переважно круглої форми. Флан-
ці, що мають чотири отвори під болти (шпильки), на номінальний (умовний) тиск PN до 4,0 МПа виготовляють також квадратними.
а – штуцер з плоским приварним фланцем; б – штуцер з приварним встик
фланцем
1 – патрубок ; 2 – фланець
Рисунок 2.7 – Конструкція штуцерів посудин та аппаратів
Арматурні фланці виготовляють тільки монометалевими.
Фланці, заглушки і прокладки до них стандартизовані за номіна-
льним (умовним) тиском та умовним проходом (номінальним розміром). Умовний прохід визначає не тільки розміри труби, але і розміри приєднуваного до неї фланця. Величина умовного проходу визначається зовнішнім діаметром труби, тоді як її внутрішній діаметр залежить від товщини стінки. Так, для труб з номінальним розміром (умовним проходом) DN 50 мм зовнішній діаметр труби дорівнює 57 мм, а внутрішній діаметр змінюється залежно від товщини стінки труби.
Установлено наступний ряд номінальних розмірів (умовних проходів): 10, 15, 20, 25, 32, 40, 50, 65, 80, 100, 125; 150, 200, 250, 300, 350,
400, 500, 600, 800, 1000, 1200, 1400, 1600, 2000, 2400 та 3000 мм. Ряд номінальних (умовних) тисків для арматурних фланців: 0,1; 0,25; 0,6; 1,0; 1,6; 2,5; 4,0; 6,3; 8,0; 10; 16 та 20 МПа.
Введення понять номінального розміру (умовного проходу) та номінального (умовного) тиску дозволяє звести до мінімуму весь типорозмірний ряд арматурних фланців. Всі типи фланців з міркувань взаємозамінності на даний умовний прохід і умовний тиск мають однакові приєднувальні розміри.
Залежно від тиску і фізико-хімічних властивостей середовища передбачаються наступні виповнення ущільнювальних поверхонь фланців:
– 1 (з приєднувальним виступом);
– 2 (з виступом);
– 3 (із западиною);
– 4 (з шипом);
– 5 (з пазом);
– 6 (під лінзову прокладку);
– 7 (під прокладку овального перерізу); – 8 (з шипом під фторопластову прокладку); – 9 (з пазом під фторопластову прокладку).
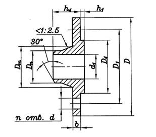
Плоский приварний фланець представляє собою плоске кільце, яке приварюється до краю труби. Завдяки цьому фланець і труба працюють під навантаженням як єдине ціле.
Плоскі приварні фланці рекомендується застосовувати при номінальному (умовному) тиску PN від 0,1 до 2,5 МПа і температурі від мінус 70 до плюс 300 ºС.
Плоскі арматурні фланці за конструкцією підрозділяються на наступні виповнення (рисунки В.1-В.3 додатку В):
– 1 (зі з’єднувальним виступом); – 2 (з виступом); – 3 (із западиною).
Допускається виготовлення плоских приварних фланців із ущільнювальними поверхнями виповнень 4, 5, 8 і 9 (рисунки В.4, В.5 додатку В). Розміри ущільнювальних поверхонь фланців виповнень 4, 5 наведені в таблиці В.1, а виповнень 8, 9 – в таблиці В.2 додатку В.
На рисунку 2.8 представлені фланцеві з’єднання з плоскими приварними фланцями з ущільнювальними поверхнями зі з’єднувальним виступом (з гладкою ущільнювальною поверхнею) і типу “виступзападина”.
а – зі з’єднувальним виступом (з гладкою ущільнювальною поверхнею);
б – типу “виступ-западина”
1 , 2 – фланці; 3 – прокладка; 4 – болт; 5 – гайка; 6 – патрубок
Рисунок 2.8 – Фланцеві з'єднання з плоскими приварними арматурними фланцями
На рисунку 2.9 представлені фланцеві з’єднання з приварними встик фланцями з ущільнювальними поверхнями зі з’єднувальним виступом, типів “виступ-западина”, “шип-паз” і під прокладку овального перерізу.
На рисунку 2.10 представлені фланцеві з’єднання з приварними встик фланцями з ущільнювальною поверхнею під лінзову прокладку.
Фланцеве з’єднання складається з фланців 1 і 2, ущільнювального елементу (прокладки) 3, який встановлюється між ущільнювальними поверхнями фланців і забезпечує його герметичність, болтів (шпильок) 4 та гайок 5.
а – зі з’єднувальним виступом; б – типу “виступ-западина”; в – типу “шип-паз”; г – з ущільнювальною поверхнею під прокладку овального перерізу 1, 2 – фланці; 3 – прокладка; 4 – болт (шпилька); 5 – гайка
Рисунок 2.9 – Фланцеве з'єднання з приварними встик фланцями
1, 2 – фланці; 3 – прокладка лінзова; 4 – шпилька; 5 – гайка
Рисунок 2.10 – Фланцеве з'єднання з приварними встик арматурними фланцями і ущільнювальною поверхнею під лінзову прокладку
Приварний встик фланець має конічну втулку і приварюється до труби стиковим швом. Ці фланці застосовуються при більш високих тисках та температурах і при більшій кількості циклів навантаження (понад 2000) ніж плоскі приварні.
Приварні встик арматурні фланці рекомендується застосовувати на номінальний (умовний) тиск PN від 0,1 до 20,0 МПа і при температурі від мінус 253 до плюс 600 ºС.
Приварні встик арматурні фланці за конструкцією підрозділяються на наступні виповнення (рисунки В.7-В.13 додатку В):
– 1 (зі з’єднувальним виступом);
– 2 (з виступом);
– 3 (із западиною);
– 4 (з шипом);
– 5 (з пазом);
– 6 (під лінзову прокладку);
– 7 (під прокладку овального перерізу); – 8 (з шипом під фторопластову прокладку); – 9 (з пазом під фторопластову прокладку).
Конструкцію фланців вибирають залежно від розрахункового тиску і розрахункової температури.
Типи і межі застосування арматурних фланців залежно від умовно-
го проходу, умовного тиску та температури наведені в таблиці 2.2 [20].
Таблиця 2.2 – Типи і межі застосування арматурних фланців
| Тип фланця |
Тиск номінальний (умовний) PN , МПа |
Прохід умовний (номінальний розмір) DN , мм |
Розрахункова температура, ºС |
| Фланці арматури, з’єднувальних частин і трубопроводів сталеві плоскі приварні |
0,25 |
10-2400 |
від мінус 70 до плюс 300 |
| 0,6 |
10-1600 |
||
| 1,0 |
10-1600 |
||
| 1,6 |
10-1200 |
||
| 2,5 |
10-800 |
||
| Фланці арматури, з’єднувальних частин і трубопроводів сталеві приварні встик |
0,25; 0,6 |
10-1600 |
від мінус 253 до плюс 600 |
| 1,0; 1,6; 2,5 |
10-1200 |
||
| 4,0; 6,3 |
10-1200 |
||
| 10,0 |
10-400 |
||
| 16,0 |
10-300 |
||
| 20,0 |
10-250 |
Форма ущільнювальної поверхні арматурних фланців вибирається залежно від конструкції фланця і групи трубопроводу.
Плоскі приварні фланці з гладкою ущільнювальною поверхнею застосовуються лише для посудин 3, 4 і 5 груп. Для посудин 1 і 2 груп необхідно застосовувати фланці з ущільнювальними поверхнями типів “виступ-западина” і “шип-паз”, причому перевагу слід віддавати першим.
Фланці з ущільнювальними поверхнями типу “шип-паз” рекомендуються для прокладок, які необхідно поміщати в замкнутий об’єм (наприклад, з фторопласту), для умов вакууму (абсолютний тиск від 0,05 до 0,001 МПа), а також для герметизації середовищ з високою проникаючою здатністю (водень, гелій, високотемпературні органічні теплоносії).
Трубопроводи залежно від фізико-хімічних властивостей речовин, що транспортуються, підрозділяються на групи, що наведені в таблиці 2.3 [7].
При виборі типу ущільнювальної поверхні фланців трубопроводів слід керуватися таблицею 2.4 [7].
Для трубопроводів груп А і Б технологічних об’єктів I категорії вибухонебезпеки не допускається застосування фланцевих з’єднань з гладкою ущільнювальною поверхнею за винятком застосування спірально-навитих прокладок.
У фланцевих з’єднаннях вертикальних штуцерів з ущільнювальними поверхнями типів “виступ-западина” і “шип-паз” нижні фланці, а також фланці на горизонтальних штуцерах повинні бути, як правило, з ущільнювальними поверхнями типів „западина” або „паз”.
Таблиця 2.3 – Групи технологічних трубопроводів
| Група трубопроводу |
Речовини, що транспортуються |
| А |
Шкідливі речовини: а) речовини 1, 2 класів небезпеки за ГОСТ 12.1.007-76; б) речовини 3 класу небезпеки за ГОСТ 12.1.007-76. |
| Б |
Вибухо- та пожежонебезпечні речовини: а) горючі гази, у тому числі зріджені вуглеводневі гази; б) легкозаймисті рідини; в) горючі рідини. |
| В |
Важкогорючі і негорючі. |
Таблиця 2.4 – Вибір типу ущільнювальної поверхні фланців
| Група трубопроводу |
Тиск номінальний (умовний) PN , МПа |
Рекомендований тип ущільнювальної поверхні фланців |
| Всі речовини груп А, Б, В крім А(а) і ВОТ (високотемпературний органічний теплоносій) |
|
зі з’єднувальним виступом |
| Всі групи речовин крім ВОТ |
> 2,5 |
“виступ-западина” |
| Речовини групи А(а) |
|
зі з’єднувальним виступом |
| > 0,25 |
“виступ-западина” |
|
| ВОТ |
незалежно |
“шип-паз” |
| Фреон, аміак |
незалежно |
“виступ-западина” |
| Всі групи речовин при вакуумі |
від 0,095 до 0,05 абс. |
зі з’єднувальним виступом |
| від 0,05 до 0,001 абс. |
“шип-паз” |
|
| Всі групи речовин |
|
під лінзову прокладку або прокладку овального перерізу |
2.4 Конструкції заглушок
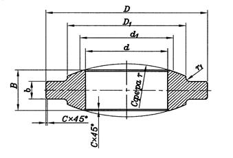
Для відглушення отворів штуцерів на апаратах, а також для відглушення трубопроводів при проведенні ремонтних робіт та гідравлічних або пневматичних випробувань застосовуються заглушки.
Сталеві фланцеві заглушки [42] призначені для герметичного закриття отворів штуцерів або бобишок посудин та апаратів на номінальний (умовний) тиск PN від 0,6 до 16 МПа і при температурі від мінус 70 до плюс 600 °С в хімічній, нафтохімічній, нафтопереробній та інших галузях промисловості.
Фланцеві заглушки виготовляють п'яти виповнень:
– виповнення 1 – заглушки зі з’єднувальним виступом на номінальний (умовний) тиск PN від 0,6 до 4,0 МПа;
– виповнення 2 – заглушки з виступом на номінальний (умовний) тиск PN від 1,0 до 6,3 МПа; – виповнення 3 – заглушки з шипом на номінальний (умовний) тиск PN від 0,6 до 6,3 МПа;
– виповнення 4 – заглушки під прокладку овального перерізу на номінальний (умовний) тиск PN від 6,3 до 16,0 МПа;
– виповнення 5 – заглушки із западиною на номінальний (умовний) тиск PN від 0,6 до 4,0 МПа.
Конструкції та розміри заглушок наведені в додатку Г.
2.5 Приклади вибору фланцевих з’єднань
Приклад 1
Підібрати фланцеве з'єднання для трубопроводу водяної пари зі сталі 20 з номінальним розміром (умовним проходом ) DN 150 мм, що працює під робочим тиском РN 3,5 МПа та температурі середовища плюс 240 °С.
За таблицею 2.2 для заданих номінального тиску та температури приймаємо фланці приварні встик. За таблицею 2.3 для технологічного трубопроводу, який транспортує негорючі речовини, приймаємо групу трубопроводу В. За таблицею 2.4 для трубопроводу групи В при номінальному (умовному ) тиску PN 3,5 МПа приймаємо фланці з ущільнювальними поверхнями типу „виступ-западина”.
Для трубопроводу зі сталі 20 приймаємо матеріал фланця сталь 20. За таблицею 4.2 для сталевих приварних встик фланців зі сталі 20 на умовний тиск від 0,1 до 20,0 МПа приймаємо матеріал болтів стальмарки 35Х і гайок сталь 35.
Конструкції фланців наведені на рисунках 2.11 і 2.12.
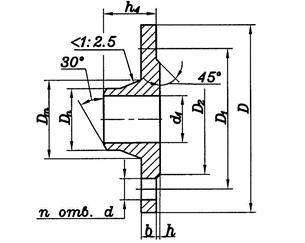
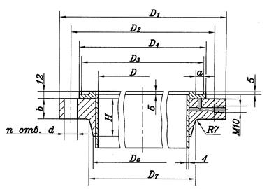
Розміри фланця з виступом (виповнення 2 ), зі сталі 20, з номінальним розміром (умовним проходом ) DN 150 мм, на номінальний (умовний ) тиск PN 4 МПа приймаємо за таблицею В.3 додатку В:
d1 = 145 мм; D=300 мм; D1 =250 мм; D2 =212 мм; D4 =203 мм; Dn =161 мм; Dm =186 мм; b=27 мм; h=3 мм; h2 =3 мм; h4 =68 мм; n=8 мм; d=26 мм; болти М24.
Умовне позначення фланця:
Фланец 2-150-40 ст. 20 ГОСТ 12821-80.
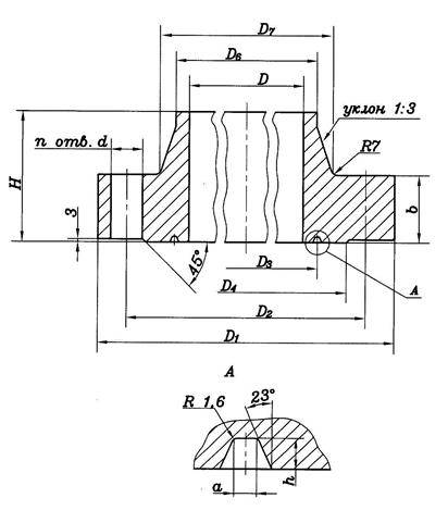
Розміри фланця з западиною (виповнення 3 ), зі сталі 20, з номінальним розміром (умовним проходом ) DN 150 мм, на номінальний (умовний ) тиск PN 4 МПа приймаємо за таблицею В.3 додатку В:
d1 =145 мм; D=300 мм; D1 =250 мм; D2 =212 мм; D6 =204 мм; Dn =161 мм; Dm =186 мм; b=27 мм; h=3 мм; h2 =3 мм; n=8 мм; h4 =68 мм; d=26 мм; болти та гайки М24.
Рисунок 2.11 – Фланець приварний встик з виступом (виповнення 2 ) Умовне позначення фланця:
Фланец 3-150-40 ст. 20 ГОСТ 12821-80.
За таблицею Д.1 додатку Д при робочих параметрах трубопроводу для насиченої пари приймаємо прокладку з парониту загального призначення (ПОН ).
За таблицею Ж.1 для ущільнювальної поверхні виповнення 1 (зі з’єднувальним виступом ) приймаємо плоску еластичну прокладку виповнення Б (рисунок 2.13 ).
Розміри плоскої еластичної прокладки для фланця з номінальним розміром (умовним проходом ) DN 150 мм на номінальний (умовний ) тиск PN 4,0 МПа приймаємо за таблицею Ж.4 додатку Ж: D=203 мм; d=161 мм.
Рисунок 2.12 – Фланець приварний встик із западиною (виповнення 3 )
Рисунок 2.13 – Еластична плоска прокладка виповнення Б Умовне позначення плоскої еластичної прокладки виповнення Б з номінальним розміром (умовним проходом ) DN 150, мм на номінальний (умовний ) тиск PN 4,0 МПа, з парониту загального призначення (ПОН ):
Прокладка Б-150-40-ПОН ГОСТ 15180-86.
Приклад 2
Для посудини 3 групи за ГСТУ 3-17-191-2000 підібрати фланцеве з'єднання штуцера апарата з номінальним розміром (умовним проходом ) DN 100 мм. Робочий тиск в апараті 0,7 МПа, робоча температура 285 °С. Матеріал корпуса апарата сталь марки 09Г2С. Середовище в апараті 3 класу небезпеки за ГОСТ 12.1.007-76.
Матеріал фланця приймаємо як матеріал штуцера – сталь марки 09Г2С.
За таблицею 2.2 для тиску 0,7 МПа при температурі 285 °С приймаємо плоскі приварні фланці на номінальний тиск PN 1,0 МПа.
За таблицею 4.2 для сталевих плоских приварних фланців зі сталі марки 09Г2С при заданих розрахункових тиску та температурі приймаємо матеріал болтів та гайок – сталь марки 14Х17Н2.
За таблицею 2.3 для речовин 3 класу небезпеки за ГОСТ 12.1.00776 приймаємо групу трубопроводу А (б ).
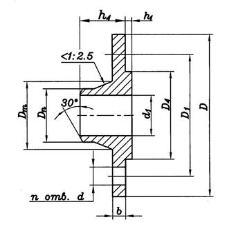
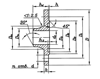
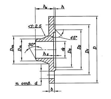
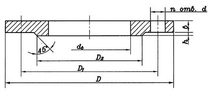
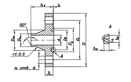
За таблицею 2.4 для речовин групи А (б ) при номінальному (умовному ) тиску PN до 2,5 МПа для штуцерів апарата приймаємо фланці зі з’єднувальним виступом (рисунок 2.14 ).
Розміри фланця зі з’єднувальним виступом (виповнення 1 ), зі сталі 09Г2С, з номінальним розміром (умовним проходом ) DN 100 мм, на номінальний тиск PN 1 МПа приймаємо за таблицею В.1:
dв =110 мм; D=215 мм; D1 =180 мм; D2 =158 мм; b=19 мм; h=3 мм;
n=4 мм; d=18 мм; болти М16.
Умовне позначення фланця штуцера:
Фланец 1-100-10 ст.09Г2С ГОСТ 12820-80.
За таблицею Д.1 додатку Д для сухих нейтральних газів при робочих параметрах для фланців штуцерів апарата приймаємо прокладки з парониту загального призначення ПОН за ГОСТ 481-80.
За таблицею Ж.1 додатку Ж для фланців з ущільнювальною поверхнею зі з’єднувальним виступом (виповнення 1 ) приймаємо прокладку виповнення А.
Розміри плоскої еластичної прокладки для фланця з номінальним розміром (умовним проходом ) DN 100 мм, на номінальний (умовний ) тиск PN 1,0 МПа приймаємо за таблицею Ж.3 додатку Ж:
D=161 мм; d=106 мм.
Умовне позначення прокладки з номінальним розміром (умовним проходом ) DN 100 мм, на номінальний (умовний ) тиск PN 1 МПа, з парониту загального призначення (ПОН ):
Прокладка А-100-10-ПОН ГОСТ 15180-86.
Рисунок 2.14 – Фланець штуцера апарата
Питання для самоперевірки
1 Вимоги, що пред’являються до фланцевих з’єднань.
2 Класифікації фланцевих з’єднань.
3 Конструкції фланцевих з’єднань посудин та апаратів.
4 Конструкції фланцевих з’єднань арматури, з’єднувальних частин і трубопроводів.
5 Межи застосування плоских приварних фланців.
6 Межи застосування приварних встик фланців.
7 Вибір ущільнювальних поверхонь.
8 Вибір крипільних виробів.
![]()
3 КОНСТРУКЦІЇ ТА МАТЕРІАЛИ ПРОКЛАДОК
ФЛАНЦЕВИХ З'ЄДНАНЬ
3.1 Загальні вимоги
Ущільнювальний елемент (прокладка), що виготовляється у вигляді кільця і встановлювається між фланцями, повинен відповідати наступним основним вимогам:
– бути достатньо пружним та міцним для сприймання внутрішнього тиску і температурних подовжень;
– бути хімічно стійким в агресивних середовищах;
– бути теплостійким;
– при стисненні заповнювати всі мікронерівності ущільнювальних поверхонь фланців;
– зберігати герметичність з'єднання при пружних деформаціях фланців та болтів (шпильок) від діючих навантажень (для цього матеріал ущільнювального елемента повинен мати пружні властивості);
– зберігати герметичність з'єднання при його тривалій експлуатації в умовах дії корозійних середовищ у всьому можливому діапазоні зміни температури;
– матеріал ущільнювального елементу не повинен бути дефіцитним.
Різні умови роботи прокладок обумовлюють і різноманіття застосованих матеріалів. Прокладки виготовляють:
– неметалевими (фторопласт, поліетилен, поліхлорвініловий пластикат, азбест, пароніт та гума);
– металевими (сталі марок 08, 08Х13, 08Х18Н10Т та ін.);
– комбінованими (азбест у металевому обкладанні з листового металу, полімери в поєднанні з металами).
Для того, щоб при обтисненні прокладка не зменшувала прохідний переріз фланцевого з'єднання, її внутрішній діаметр має бути на декілька міліметрів більше внутрішнього діаметра фланця.
Прокладки з неметалевих пластичних матеріалів, наприклад, з фторопласту, застосовують в з'єднаннях типу “шип-паз”.
3.2 Типи прокладок для фланцевих з'єднань
Залежно від призначення та конструкції фланців у фланцевих з'єднанях застосовуються наступні типи прокладок (рисунок 3.1):
– плоска;
– круглого перерізу; – азбометалева;
– спірально-навита;
– овального перерізу;
– восьмикутного перерізу;
– зубчаста; – лінзова.
а – плоска; б – круглого перерізу, в – азбометалева; г – спірально-навита; д –
овального перерізу; е – восьмикутного перерізу; ж – зубчаста; з – лінзова
Рисунок 3.1 – Типи прокладок
Як прокладки для апаратних фланців застосовуються наступні: плоскі, азбометалеві, спірально-навиті, восьмикутного перерізу тощо.
Як прокладки для арматурних фланців застосовуються наступні: плоскі, круглого перерізу, азбометалеві, спірально-навиті, овального та восьмикутного перерізу, лінзові.
Плоскі, азбометалеві та спірально-навиті прокладки застосовуються у фланцевих з'єднаннях з гладкою ущільнуванною поверхнєю, типів „виступ-западина” та „шип-паз”.
Прокладки круглого перерізу застосовуються для фланців з ущільнуванною поверхнєю типу „шип-паз”.
Металеві прокладки овального та восьмикутного перерізу та лінзові застосовуються для фланцевих з'єднань при номінальному (умовному) тиску більш 6,3 МПа. При цьому твердість за Бринелем матеріалу прокладки повинна бути принаймні на 20 одиниць нижче за твердість матеріалу фланців.
Матеріали прокладок рекомендується вибирати за таблицею Д.1 додатку Д залежно від агресивності робочого середовища, температури та тиску [44].
Плоскі прокладки виготовляють завтовшки 1-3 мм з пароніту, гуми, картону, фторопласту та терморозширеного графіту ГРАФЛЕКС.
Пароніт загального призначення марок ПОН і ПОН-1 застосовують при номінальному (умовному) тиску PN до 6,3 МПа і розрахунковій температурі від мінус 182 до плюс 450 °С, а маслобензостійкий марок ПМБ і ПМБ-1 – при PN до 10 МПа і розрахунковій температурі від мінус 182 до плюс 300 °С.
Листову гуму тепло-, морозо-, кислото- та лугостійку марки ТМКЩ застосовують при номінальному (умовному) тиску PN до 1 МПа і температурі від мінус 60 до плюс 80 °С, а атмосферомаслостійку марки АМС і маслобензостійку марки МБС – при розрахунковій температурі від мінус 40 до плюс 80 °С.
Листову гуму виготовляють двох класів:
– 1 – для прокладок на номінальний (умовний) тиск PN >0,1МПа;
– 2 – для прокладок на номінальний (умовний) тиск PN до 0,1 МПа.
За ступенем твердості листову гуму розділяють на:
– м'яку – М;
– середньої твердості – С; – підвищеної твердості – Т.
Прокладковий картон просочений марки А використовують при номінальному (умовному) тиску PN до 16 МПа і розрахунковій температурі від мінус 40 до плюс 120 °С.
Азбестовий картон марок КАП і КАОН-2 застосовують при номінальному (умовному) тиску PN до 6,3 МПа і розрахунковій температурі від мінус 15 до плюс 500 °С.
Фторопласт-4 застосовують при номінальному (умовному) тиску
PN до 2,5 МПа і розрахунковій температурі від мінус 269 до плюс 250 °С для фланцевих з’єднань типу “шип-паз” зі зменшеним зазором.
Ущільнювальні матеріали марок ФУМ-В, ФУМ-Ф та ФУМ-О на основі фторопласту використовують при номінальному (умовному) тиску PN до 6,3 МПа і розрахунковій температурі від мінус 60 до плюс 150 °С.
Матеріал з терморозширеного графіту ГРАФЛЕКС застосовують на номінальний (умовний) тиск PN до 100 МПа та розрахунковій температурі від мінус 200 до плюс 1000 °С для інертних середовищ або вакууму. Температура експлуатації для окислювальних середовищ визначається хімічною стійкістю сталевих частин прокладок.
3.3 Конструкції прокладок для фланцевих з’єднань посудин та апаратів
Конструкції та розміри плоских неметалевих прокладок для апаратних фланців наведені в додатку Е [33]. Стандарт [33] поширюється на прокладки з неметалевих матеріалів до фланців посудин та апаратів за ГОСТ 28759.2-90 і ГОСТ 28759.3-90.
Стандартом передбачаються конструкції прокладок двох виповнень:
– 1 (для фланців з ущільнювальними поверхнями типів “виступзападина” та “шип-паз” виповнень 2-5, 8-10, 12-15 за ГОСТ 28759.2-90 і виповнень 1-12 за ГОСТ 28759.3-90);
– 2 (для фланців з гладкою ущільнювальною поверхнею виповнень 1, 6, 11 за ГОСТ 28759.2-90).
Конструкції та розміри плоских неметалевих прокладок наведені на рисунку Е.1 і в таблиці Е.1 додатку Е.
Товщину прокладок S приймають рівною:
– з гуми – 3 мм;
– з пароніту та картону при внутрішньому діаметрі фланця
D
1400 мм – 2 мм, а при D
1400 мм – 3 мм;
– з фторопласту-4 і фторопластової стрічки – до 3 мм.
Прокладки з фторопласту-4 застосовують для фланців виповнень
2, 3, 7, 8, 12 та 13 за ГОСТ 28759.2-90 і виповнень 3, 4, 7, 8, 11, 12 за ГОСТ 28759.3-90.
Плоскі та гофровані комбіновані прокладки виготовляють завтовшки до 4,5 мм з оболонкою зі сталі, алюмінію або міді та азбестовим сердечником і застосовують при номінальному (умовному тиску PN до 6,3 МПа і температурі від мінус 70 до плюс 425° С.
Конструкція та розміри азбометалевих прокладок для апаратних фланців наведені на рисунку Е.2 і в таблиці Е.2 додатку Е [34]. Стандарт [34] поширюється на азбометалеві прокладки для фланців посудин та апаратів за ГОСТ 28759.3-90.
Матеріал наповнювача прокладок – картон азбестовий за ГОСТ 2850-80 або папір азбестовий за ГОСТ 23779-79.
Матеріал оболонок прокладок, який вибирається у кожному окремому випадку залежно від умов експлуатації, наведений в таблиці Е.3 додатку Е.
Прокладки зубчасті, які виготовляють з металу більш м'якого ніж метал фланців (свинець, алюміній, мідь, сталь тощо), розраховані на робочий тиск до 20 МПа. Робоча температура залежить від властивостей матеріалу прокладки.
Прокладки восьмикутного перерізу [35], що виготовляються зі сталей марок 08кп, 08Х18Н10 і 08Х18Н10Т, застосовують при умовному тиску PN 6,3-16 МПа та температурі від мінус 70 до плюс 540 °С.
Конструкція та розміри металевих прокладок восьмикутного перерізу для апаратних фланців наведені в додатку Е.
Для прокладок масою понад 20 кг на бічній зовнішній поверхні допускається передбачати сліпі отвори з наріззю М10 під рим-болти для полегшення монтажу.
У даний час в світовій практиці для виготовлення високонадійних фланцевих прокладок використовується ущільнювальний матеріал на основі терморозширеного графіту (ТРГ). Ущільнення з ТРГ мають ряд переваг порівняно з іншими видами прокладок.
Ущільнювальний матеріал нового покоління ГРАФЛЕКС на основі ТРГ має високу термо- та хімічну стійкість, високу стисливість і відновлюваність, є екологічно чистим, негорючим, мінімально газопроникним.
Прокладки з ТРГ ГРАФЛЕКС виготовляють наступних типів: – прокладки фланцеві неармовані ГРАФЛЕКС-ПГФ за ТУ 5728016-13267785-99; – прокладки фланцеві армовані ГРАФЛЕКС-ПАГФ за ТУ 5728011-13267785-99; – прокладки фланцеві облицьовані ГРАФЛЕКС-ПОГФ за ТУ 5728012-13267785-99.
Типи, конструкції та розміри прокладок визначаються з урахуванням наступних факторів:
– конструкції фланцевого з'єднання;
– параметрів робочого та навколишнього середовища; – деформації фланців при експлуатації.
Прокладки ГРАФЛЕКС-ПГФ призначаються для герметизації фланцевих з'єднань при температурі від мінус 196 до плюс 800 °С і тиску до 100 МПа.
Прокладки застосовують для пари, води, нафтопродуктів, розчинників, водних розчинів солей.
Прокладки діаметром до 4000 мм виготовляють із:
– графітної стрічки завтовшки 0,3-0,5 мм – витий ущільнювач; – графітового неармованого листа необхідної товщини та густини; – графітної фольги завтовшки 0,5-0,6 мм – шаровий ущільнювач.
Прокладки ГРАФЛЕКС-ПАГФ застосовують для ущільнення
фланцевих з'єднань в хімічній, нафтохімічній та інших галузях промисловості. Їх застосовують для пари, води, нафтопродуктів, розчинників, водних розчинів солей. Прокладки стійкі до хімічно агресивних середовищ.
Прокладки ГРАФЛЕКС-ПАГФ виготовляють з графітного армованого листа ГРАФЛЕКС. Армування виконується перфорованою фольгою із корозійностійких марок сталей товщиною 0,1 мм. Графітова фольга типу ГФ-Г застосовується в прокладках типу ГРАФЛЕКС-ПАГФ для устаткування загальнопромислового призначення. Товщина прокладок складає від 1 до 5 мм, зовнішній діаметр прокладок – до 1500 мм.
Конструкція прокладки ПАГФ представлена на рисунку 3.2.
З метою виключення контакту матеріалу прокладки з агресивним середовищем незалежно від її температури або з повітрям при температурі понад 400 °С прокладки оснащуються захисними кільцями (обтюраторами) (рисунки 3.2, 3.3). Обтюратори виготовляють зі сталевої корозійностійкої стрічки.
Рисунок 3.2 – Конструкція прокладки ГРАФЛЕКС-ПАГФ
Армовані графітні прокладки ГРАФЛЕКС-ПАГФ забезпечують надійну герметизацію середовищ у фланцевих з'єднаннях з ущільнювальними поверхнями наступних типів:
– гладкими;
– „виступ-западина”;
– „шип-паз”.
Межі застосування прокладок типу ГРАФЛЕКС-ПАГФ наведені в таблиці 3.1.
а – типу 00 (без обтюратора); б – типу 01 (із внутрішнім обтюратором); в – типу 02 (із зовнішнім обтюратором); г – типу 03 (із внутрішнім та зовнішнім обтюраторами)
Рисунок 3.3 – Типи прокладок ГРАФЛЕКС-ПАГФ
Таблиця 3.1 – Межі застосування прокладок типу ГРАФЛЕКС-ПАГФ
| Тип прокладки |
Розрахунковий тиск Р , МПа |
Розрахункова температура t , °С |
Тиск обтиснення, МПа |
| Армовані ГРАФЛЕКС-ПАГФ без захисних кілець |
до 20 |
від мінус 250 до плюс 450 |
від 5 до 50 |
| Армовані ГРАФЛЕКС-ПАГФ з кількома шарами армуючої фольги |
до 20 |
від мінус 250 до плюс 450 |
від 5 до 100 |
| Армовані ГРАФЛЕКС-ПАГФ із захисними кільцями |
не обмежується, визначається температурною стійкістю металу фланця і захисного кільця |
до 100 з обмежувачем стиснення |
Прокладки типу ГРАФЛЕКС-ПОГФ застосовують в хімічній, нафтохімічній та інших галузях промисловості для герметизації фланцевих з'єднань посудин і трубопроводів при температурі від мінус 190 до плюс 800 °С.
Прокладки типу ГРАФЛЕКС-ПОГФ збираються на сталевій основі з облицюванням гнучкою графітною фольгою. Гнучку графітну фольгу ГРАФЛЕКС типу ТГР-Г застосовують для підприємств загальнопромислового призначення, типу ТРГ-Д – для ядерної енергетики.
Основи прокладок виготовляють з вуглецевої (У) або корозійностійкої сталі (Н), зубчастими або гладкими. Сталева основа – багаторазового застосування. Прокладки виготовляють із зовнішнім діаметром до 2000 мм.
Конструкції сталевих основ прокладок ГРАФЛЕКС-ПОГФ наведені на рисунку 3.4.
а – зубчасте типу 3.1; б – зубчасте із зовнішнім обмежувальним кільцем типу 3.2; в – зубчасте з внутрішнім буртом обмежувача стиснення типу 3.3; г – зубчасте з внутрішнім буртом обмежувача стиснення та обмежувальним кільцем зовнішнім типу 3.4; д – гладке із зовнішнім та внутрішнім буртами обмежувача стиснення
Рисунок 3.4 – Конструкції сталевих основ прокладок ГРАФЛЕКСПОГФ
Прокладки ГРАФЛЕКС-ПОГФ на сталевій зубчастій основі герметизують фланцеве з'єднання за рахунок пружності плакуючих графітних шарів, які дозволяють сприймати задане навантаження за рахунок вибору необхідної густини графіту, при цьому забезпечується тільки легке торкання вершин зубців з металом без пошкодження поверхні фланця.
Прокладка ГРАФЛЕКС-ПОГФ на сталевій зубчастій основі використовується для герметизації фланцевих з'єднань з гладкою ущільнювальною поверхнею, а також з ущільнювальними поверхнями типів “шиппаз” і “виступ-западина”. Прокладка ГРАФЛЕКС-ПОГФ на сталевій основі з буртами використовується для герметизації фланцевих з'єднань з гладкою ущільнювальною поверхнею та типу “виступ-западина” (рисунок 3.5).
Межі застосування прокладок типу ГРАФЛЕКС-ПОГФ наведені в таблиці 3.2.
а – фланцеве з'єднання із зубчастою прокладкою та обмежувальним зовніш-
нім кільцем типу 3.2; б – фланцеве з'єднання із зубчастою прокладкою типу 3.1
Рисунок 3.5 – Застосування прокладок типу ГРАФЛЕКС-ПОГФ на сталевій основі
Таблиця 3.2 – Межі застосування прокладок типу ГРАФЛЕКС-ПОГФ
| Тип прокладки |
Розрахунковий тиск Р , МПа |
Розрахункова температура t , °С |
Робочі середовища |
| ГРАФЛЕКСПОГФ на сталевій зубчатій основі |
Не обмежується |
Для сталевої основи з корозійностійких марок сталей, склад робочих середовищ визначається межею за- |
|
| ГРАФЛЕКСПОГФ на сталевій гладкій основі |
1,0-2,5 |
Для гарячого повітря не більше плюс 400 °С, для решти середовищ визначається межею застосування матеріалу ГРАФЛЕКС |
стосування матеріалу ГРАФЛЕКС. Сталева основа з вуглецевої сталі допускається лише для нейтральних середовищ при температурі не більше плюс 300 °С |
Спірально-навиті прокладки (СНП) призначаються для ущільнення фланцевих з'єднань типів “виступ-западина” і “шип-паз” посудин та апаратів в хімічній, нафтопереробній та інших галузях промисловості.
Залежно від конструкції спірально-навиті прокладки підрозділя-
ються на типи, що наведені на рисунку 3.6.
СНП складається з двох спірально-навитих поперемінних стрічок:
з корозійностійкої сталі 1 та спеціального наповнювача 2 . При необхідності прокладки можуть мати обмежувальні кільця 3 і 4 .
Спірально-навиті прокладки типу А призначені для фланцевих з'єднань з ущільнювальною поверхнею типу “шип-паз”, прокладки типів Б і В – для фланцевих з'єднань з ущільнювальною поверхнею типу “виступ-западина”, прокладки типів Г і Д – для фланцевих з'єднань з гладкою ущільнювальною поверхнею.
Спірально-навиті прокладки виготовляють з каркасом зі сталевої стрічки марок 12Х18Н10Т або 10Х17Н13М2Т з наповнювачем з пароніту, фторопластової плівки або графітної фольги із зовнішнім діаметром до 1100 мм. Їх застосовують при номінальному (умовному) тиску PN до 10 МПа.
Переваги таких прокладок: можливість багатократного використання, здатність протистояти ударам, вібраціям, перепадам тиску та температури. За формою перерізу всі типи СНП виготовляються V-образного профілю.
Товщина прокладок типа СНП по металевому каркасу складає 3,2 і 4,5 мм. Як каркас застосовується сталева корозійностійка стрічка завтовшки 0,20 і 0,25 мм.
а – основних типів А і Б (без обмежувальних кілець); б – типу В (із зовнішнім обмежувальним кільцем); в – типу Г (з внутрішнім обмежувальним кільцем); г – типу Д (з внутрішнім та зовнішнім обмежувальними кільцями)
1 – стрічка металева; 2 – стрічка наповнювача; 3 – зовнішнє кільце; 4 – внутрішнє кільце
Рисунок 3.6 – Типи спірально-навитих прокладок
Вибір матеріалу наповнювача залежно від умов експлуатації необхідно проводити за таблицею 3.3.
Таблиця 3.3 – Межі застосування спірально-навитих прокладок
| Наповнювач |
Умови експлуатації |
|||
| Матеріал |
Тип |
Робоче середовище |
Температура, °С |
Тиск, МПа |
| Пароніт температуростійкий марок: ТП-1 за ТУ 38.114202-81; ТП-1р за ТУ 38 114285-83 |
1 |
Неагресивні середовища: пара, вода, сухі гази, важкі нафтопродукти та ін. |
до плюс 450 |
до 25,0 |
| Пароніт кислотостійкий марки ПК за ГОСТ 481-80 |
2 |
Агресивні середовища: кислоти, луги, окислювачі, продукти нафтопереробки, нітрозні та інші агресивні гази |
до плюс 250 |
до 1,6 |
| Графітна фольга типу “Графлекс” за ТУ 57-1-1326778-92 |
3 |
Агресивні середовища: кислоти, луги, розчинники, продукти нафтогазопереробки |
від мінус 200 до плюс 500 |
до 25,0 |
| Хромова кислота масовою концентрацією до 100 г/дм3 |
до плюс 250 |
|||
| Азотна кислота масовою концентрацією 100 г/дм3 |
до плюс 85 |
|||
| 4 |
Неагресивні середовища: пара, сухі гази, важкі нафтопродукти |
до плюс 600 |
||
| Плівка фторопластова захисна марки Ф-4МБ-В ТУ 6-05-05-248-84 |
5 |
Агресивні середовища: кислоти та луги будь-якої концентрації, розчинники |
від мінус 196 до плюс 200 |
до 25,0 |
| Примітка – Графітна фольга “Графлекс” нестійка до концентрованої азотної кислоти, висококонцентрованої сірчаної кислоти, хрому (VI), розчинам перманганатів, розплавам лужних і лужноземельних металів. |
||||
Товщина внутрішніх та зовнішніх обмежувальних кілець дорівнює
2,4 і 3,0 мм.
Товщина наповнювача складає:
– з пароніту марки ТП за ТУ 38.114202-81 – 0,6 мм;
– з пароніту марки ТП за ТУ 38.114285-83 – 0,6 мм;
– з пароніту марки ПК за ГОСТ 481-80– 0,6 мм;
– з плівки фторопластової захисної марки Ф-4МБ – за ТУ 6-0505-242-84В – 0,4 мм;
– графітної фольги типу “Графлекс” за ТУ 57-1-1326778-92 – 0,6 мм. Внутрішні обмежувальні кільця виготовляють зі сталей марок не схильних до міжкристалічної корозії: 12Х18Н10Т, 12Х18Н9, 08Х18Н10Т, 10XI7HI3M2T, 10Х17Н13МЗТ та ін.
Зовнішні обмежувальні кільця виготовляють з вуглецевої сталі марок 20, 35, 40 при температурі робочого середовища до плюс 300 °С або з корозійностійких сталей при температурі робочого середовища понад плюс 300 °С.
Конструкція та розміри прокладок для фланців посудин та апаратів з ущільнювальними поверхнями типу „шип-паз” наведені на рисунку Е.4 і в таблиці Е.6 (додаток Е).
Конструкція та розміри прокладок для фланців посудин та апаратів з ущільнювальними поверхнями типу „виступ-западина” наведені на рисунку Е.5 і в таблиці Е.7 (додаток Е).
3.4 Конструкції прокладок для арматурних фланцевих з’єднань
Плоскі еластичні прокладки для арматурних фланців за ГОСТ 12820-80 - ГОСТ 12822-80 виготовляються за стандартом [25].
Стандартом передбачені конструкції прокладок наступних виповнень (таблиця Ж.1 додатку Ж):
– А (для фланців зі з’єднувальним виступом виповнення 1 за
ГОСТ 12820-80 - ГОСТ 12822-80);
– Б (для фланцевих з’єднань із ущільнювальними поверхнями типу “виступ-западина” виповнень 2, 3 за ГОСТ 12820-80 - ГОСТ 12822-80);
– В (для фланцевих з’єднань із ущільнювальними поверхнями типу “шип-паз” виповнень 4, 5 за ГОСТ 12820-80 - ГОСТ 12822-80);
– Г (для фланцевих з’єднань із ущільнювальними поверхнями типу “шип-паз” виповнень 8, 9 за ГОСТ 12820-80 - ГОСТ 12822-80 під прокладки з фторопласту-4 і ущільнювального матеріалу на основі фторопласту);
– Д (для фланців виповнень 1, 5 за ГОСТ 12820-80 - ГОСТ 1282280 для прокладок з пластини гумової листової).
Виповнення прокладок та межі їх застосування залежно від умовного проходу та умовного тиску наведені в таблицах Ж.1-Ж.2 додатку Ж.
Конструкція та розміри прокладок наведені на рисунках Ж.1-Ж.3 і в таблицях Ж.3-Ж.8 додатку Ж.
Прокладки круглого перерізу виготовляють переважно з гуми, а також із ущільнювального матеріалу на основі фторопласту марок ФУМ-В, ФУМ-Ф і ФУМ-О (рисунок Ж.3, таблиця Ж.7 додатку Ж). Гумові прокладки застосовують в апаратах, що працюють під вакуумом та розрахунковій температурі до плюс 80 °С. Прокладки з фторопластового ущільнювального матеріалу використовують при номінальному (умовному) тиску PN до 6,3 МПа та розрахунковій температурі від мінус 60 до плюс 150 °С.
Плоскі (тип 1 ) і гофровані (тип 2 ) комбіновані прокладки виготовляють завтовшки до 2,4 мм в оболонці зі сталі, алюмінію або міді та азбестовим сердечником і застосовують при номінальному (умовному) тиску PN 1,0-6,3 МПа та розрахунковій температурі від мінус 70 до плюс 475 °С [39].
Стандарт [39] розповсюджується на плоскі азбометалеві прокладки типу 1 для фланців на умовний прохід (номінальний розмір) DN 10-600 мм і гофровані типу 2 – на умовний прохід (номінальний розмір) DN 10-300 мм.
Конструкція та розміри прокладок наведені на рисунках Ж.4, Ж.5 і в таблицях Ж.9, Ж.10 додатку Ж.
Матеріал наповнювача прокладок – картон азбестовий за ГОСТ 2850-80 або папір азбестовий за ГОСТ 23779-79.
Матеріал оболонок прокладок вибирається у кожному окремому випадку залежно від умов експлуатації і наводиться в таблиці Ж.11 додатку Ж.
Спірально-навиті прокладки (СНП) [38] призначені для ущільнення фланцевих з’єднань з гладкою ущільнювальною поверхнею типів “виступ-западина” і “шип-паз”.
Спірально-навиті прокладки типу А призначені для фланцевих з’єднань типу “шип-паз”, прокладки типів Б і В – для фланцевих з’єднань типу “виступ-западина”, прокладки типів Г і Д – для фланцевих з'єднань із з’єднувальним виступом (з гладкою ущільнювальною поверхнею).
Вибір матеріалу наповнювача залежно від умов експлуатації необхідно проводити за таблицею 3.3.
Основні розміри прокладок типу СНП наведені в додатку Ж.
Конструкція та розміри прокладок для ущільнювальних поверхонь типу “шип-паз” (типу А) наведені на рисунку Ж.6 і в таблиці Ж.12 додатку Ж.
Конструкція та розміри прокладок для ущільнювальних поверхонь типу “виступ-западина” (типу Б) наведені на рисунку Ж.6 і в таблиці Ж.13 додатку Ж.
Конструкція та розміри прокладок для ущільнювальних поверхонь типу “виступ-западина” (типу В) наведені на рисунку Ж.7 і в таблиці Ж.14 додатку Ж.
Конструкція та розміри прокладок для гладких ущільнювальних поверхонь (типу Г) наведені на рисунку Ж.8 і в таблиці Ж.15 додатку Ж.
Конструкція та розміри прокладок для гладких ущільнювальних поверхонь (типу Д) наведені на рисунку Ж.9 і в таблиці Ж.16 додатку Ж.
Прокладки зубчасті виготовляють з металу більш м’якого ніж метал фланців (свинець, алюміній, мідь, сталь) і розраховані на робочий тиск до 20 МПа. Допустима температура застосування прокладок залежить від властивостей матеріалів, з якіх вони виготовляються.
Прокладки овального перерізу [43], які виготовляють зі сталей марок 08кп, 08Х13, 08Х18Н10 і 08Х18Н10Т, застосовують при номінальному (умовному) тиску PN понад 6,3 МПа і розрахунковій температурі від мінус 70 до плюс 540 °С.
Конструкція та розміри металевих прокладок овального та восьмикутного перерізу для арматурних фланців наведені в додатку Ж.
Лінзові прокладки [17] застосовують у фланцевих з’єднаннях з приварними встик фланцями при номінальному (умовному) тиску PN понад 6,3 МПа.
Типи та виповнення лінз наведені в таблиці 3.4.
Таблиця 3.4 – Типи і виповнення лінз
| Тип |
Виповнення |
Конструкція |
| Ж |
1 |
Лінза жорстка без бурта |
| 2 |
Лінза жорстка з буртом |
|
| К |
1 |
Лінза компенсувальна на номінальний (умовний) тиск PN до 5,0 МПа |
| 2 |
Лінза компенсувальна на номінальний (умовний) тиск PN до 100 МПа |
Лінзи типу Ж застосовують при температурі до плюс 400 °С, лінзи типу К – при температурі понад 400 °С.
Жорстка лінза без бурта (рисунок 3.7) представляє собою металеве кільце з двома торцевими шаровими поверхнями, які торкаються конічних поверхонь на торцях ущільнюваних труб (рисунок 2.10).
Рисунок 3.7 – Жорстка лінза без бурта (тип Ж, виповнення 1)
Лінзи з буртом (тип Ж, виповнення 2) виготовляють зі сталей підвищеної міцності і застосовують при номінальному (умовному) тиску від 40 до 63 МПа. Конструкція жорсткої лінзи з буртом наведена на рисунку 3.8.
Рисунок 3.8 – Жорстка лінза з буртом (тип Ж, виповнення 2)
Конструкція компенсувальної лінзи наведена на рисунку 3.9.
1 – лінза; 2 – вставне кільце
Рисунок 3.9 – Компенсувальна лінза (типу К)
Компенсувальна лінза складається безпосередньо з лінзи 1 з проточкою усередині, у якій розміщується розріне вставне кільце 2 . Проточка сприяє збільшенню гнучкості лінзи та її здатності до самоущільнювання. Компенсувальні лінзи та вставні кільця виготовляють зі сталей однакових марок. Твердість вставних кілець має відповідати твердості сталі у відпаленому стані.
Застосування лінзових прокладок залежно від розрахунковій температури, номінального (умовного) тиску і марок сталей труб та деталей трубопроводів наведено в таблиці 3.5.
Таблиця 3.5 – Характеристики лінзових прокладок
| Тип і виповнення лінзи для номінальних розмірів (умовних проходів) DN , мм |
Марка сталі лінзи |
Граничні параметри застосування |
Марка сталі труб і деталей трубопроводів |
||
| 6-32 |
40-200 |
Розрахункова температура, ºС |
Номінальний (умовний) тиск PN , МПа |
||
| Ж1 |
Ж1 |
Сталь 20 ГОСТ 1050-88 |
від мінус 40 до плюс 200 |
20-32 |
Сталь 20 |
| 40-63 |
15ГС, 14ХГС |
||||
| Ж2 |
14ХГС ГОСТ 19281-89 |
від мінус 50 до плюс 200 |
|||
| Ж1 |
12Х18Н10Т, 10Х17Н13М2Т, 08Х18Н15М3Т ГОСТ 5632-72 |
20-32 |
12Х18Н10Т, 10Х17Н13М2Т, 10Х17Н13М3Т, 08Х17Н15М3Т |
||
| Ж2 |
40 |
||||
| К1 |
від мінус 50 до плюс 400 |
20-40 |
|||
| Ж1 |
15ХМ ГОСТ 4543-71 |
18Х3МВ, 20Х2М, 30ХМА, 22Х3М |
|||
| Ж2 |
30ХМА ГОСТ 4543-71 |
50-80 |
|||
| 18Х3МВ, 20Х3МВФ ГОСТ 20072-74 |
20-50 |
20Х3МВФ |
|||
| Ж1 при Т≤400 ºС К2 при Т>400 ºС |
від мінус 50 до плюс 510 |
||||
| Ж2 при Т≤400 ºС К2 при Т>400 ºС |
63-100 |
||||
Конструкції та розміри лінз наведені на рисунках Ж.12-Ж.15 і в таблицях Ж.19-Ж.22 додатку Ж.
Питання для самоперевірки
1 Вимоги, що пред’являються до ущільнювальних елементів.
2 Типи прокладок фланцевих з’єднань.
3 Матеріали прокладок фланцевих з’єднань.
4 Конструкції спірально-навитих прокладок.
5 Конструкції металевих прокладок.
43
![]()
4 ВИБІР КРІПИЛЬНИХ ВИРОБІВ ДЛЯ ФЛАНЦЕВИХ З'ЄДНАНЬ
Матеріал кріпильних виробів для апаратних фланців вибирають залежно від матеріалу фланців, розрахункової температури, умовного тиску та внутрішнього діаметра фланця за таблицею 4.1 [32].
Матеріал кріпильних виробів для фланців штуцерів слід вибирати залежно від типу і матеріалу фланців, розрахункової температури та умовного (номінального) тиску за таблицею 4.2 [21].
Для фланців на умовний тиск PN до 1,6 МПа і при температурі до 300 °С застосовують болти з шестигранною голівкою за ГОСТ 7798-70 [12] або шпильки за ГОСТ 22042-76 [27] і шестигранні гайки за ГОСТ 5915-70 [11], а на умовний тиск PN 2,5 МПа та більше і при температурі понад 300 °С і нижче мінус 40 °С – шпильки за ГОСТ 9066-75 [15] і ГОСТ 22042-76, гайки за ГОСТ 9064-75 [13] і ГОСТ 5915-70.
Позначення класів міцності болтів і шпильок залежно від матеріалу наведено в таблиці 4.3.
Позначення класу міцності болтів і шпильок складається з двох цифр:
– перша відповідає 1/100 номінального значення тимчасового опору розриву в Н/мм2 ;
– друга відповідає 1/10 відношення номінального значення межи текучості до тимчасового опору в процентах.
Добуток з двох цифр відповідає 1/10 номінального значення межи текучості в Н/мм2 .
Клас міцності гайок позначається цифрою, яка показує найбільший клас міцності болтів або шпильок, з якими вони можуть сполучатися у з’єднанні. Позначення класів міцності гайок наведено в таблиці 4.4.
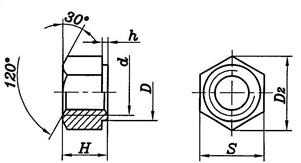
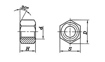
Конструкція та розміри болтів з шестигранною голівкою наведені на рисунку И.1 і в таблицях И.1, И.2 додатку И. Маса болтів наведена в таблиці И.3. Конструкція і розміри гайок наведені на рисунку И.2 і в таблиці И.4. Маса гайок наведена в таблиці И.5. Конструкція і розміри шпильок з двома однаковими по довжині нарізними кінцями для деталей з гладкими отворами наведені на рисунку И.3 і в таблицях И.6, И.7. Маса шпильок наведена в таблицях И.8, И.9.
44
Таблиця 4.1 – Вибір матеріалів кріпільних виробів для фланцевих з'єднань посудин та апаратів
| Тип |
Марки сталі кріплення |
Максимальні параметри |
||||
| фланця |
кріпильної деталі |
для фланців з вуглецевих і легованих* марок сталей |
для фланців з аустенітних сталей |
температура, °С |
умовний тиск РN , МПа |
внутрішній діаметр фланця D , мм |
| ГОСТ 28759.2 -90 ГОСТ 28759.3-90 |
Болти ГОСТ 7798- 70 Шпильки ГОСТ 22032-76 |
35, 40, 45 |
12Х18Н10Т, 10Х17Н13М2Т, 45Х14Н14В2М, 31Х19Н9МВБТ |
від мінус 40 до плюс 300 |
0,3 |
до 3600 |
| 0,6 |
до 1500 |
|||||
| 1,0 1,6 |
до 800 |
|||||
| 35Х, 38ХА, 40Х, 30ХМА |
37Х12Н8Г8МБФ |
0,3 |
від 3800 до 4000 |
|||
| 0,6 |
від 1600 до 3200 |
|||||
| 1,0 1,6 |
від 900 до 3200 |
|||||
| Гайки ГОСТ 5915- 70 |
25, 30, 35, 40 |
12Х18Н10Т, 10Х17Н13М2Т |
0,3-1,6 |
у межах ГОСТ 28759.290 |
||
| ГОСТ 28759.390** ГОСТ 28759.4-90 |
Шпильки*** ГОСТ 9066- 75 або ГОСТ 22042-76 |
35Х, 38ХА, 40Х, 30ХМА |
- |
від мінус 40 до плюс 400* |
0,6-16 |
у межах ГОСТ 28759.3- 90 і ГОСТ 28759.4-90 |
| - |
37Х12Н8Г8МБФ |
від мінус 40 до плюс 450 |
||||
| 25Х1М1Ф 25Х2М1Ф 20Х1М1Ф1БР |
- |
від мінус 40 до плюс 540 |
||||
| - |
08Х14Н20В2ТР 08Х15Н24В4ТР |
від мінус 70 до плюс 540 |
||||
| 20ХН3А |
- |
від мінус 70 до плюс 425 |
||||
Закінчення таблиці 4.1
| Тип |
Марки сталі кріплення |
Максимальні параметри |
||||
| фланця |
кріплення |
для фланців з вуглецевих і легованих* сталей |
для фланців з аустенітних сталей |
температура °С |
умовний тиск PN , МПа |
внутрішній діаметр фланця D , мм |
| ГОСТ 28759.390 ГОСТ 28759.490 |
Гайки ГОСТ 9064- 75 ГОСТ 5915- 70 Шайбы*4 ГОСТ 9065- 75 |
35, 40 |
- |
від мінус 40 до плюс 400 |
1,0-16 |
у межах ГОСТ 28759.3- 90 і ГОСТ 28759.4-90 |
| - |
37Х12Н8Г8МБФ |
від мінус 40 до плюс 450 |
||||
| 40Х, 30ХМА 25Х1МФ |
- |
від мінус 40 до плюс 510 |
||||
| - |
45Х14Н14В2М 12Х18Н10Т |
від мінус 70 до плюс 540 |
||||
| 20ХН3А, 10Г2 |
- |
від мінус 40 до мінус 70 |
||||
| *Для фланців зі сталей марок 15ХМ і 15Х5М до плюс 300 °С.
***При температурі понад 300 °С застосовувати шпильки з проточкою або повністю нарізні. *4 Для фланців на PN > 6,3 МПа. |
||||||
Таблиця 4.2 – Вибір матеріалів крипільних виробів для арматурних фланців
| Тип фланця |
Параметри середовища |
Марка сталі |
|||
| тиск номінальний (умовний) PN , МПа |
розрахункова температура, °С |
фланця |
болта (шпильки) |
гайки |
|
| Сталевий плоский приварний за ГОСТ 12820-80 |
від 0,1 до 2,5 |
від мінус 30 до плюс 300 |
Ст3сп не нижче 2-й категорії за ГОСТ 380-88 |
Сталі 20, 25, 35 за ГОСТ 1050-88 |
Сталі 10, 20, 25 за ГОСТ 1050-88 |
| 20Х13 за ГОСТ 5632-72 |
|||||
| від мінус 70 до плюс 300 |
09Г2С за ГОСТ 19282-89 10Г2 за ГОСТ 4543-71 |
14Х17Н2 за ГОСТ 5632-72 |
|||
| від мінус 30 до плюс 300 |
Стали 20, 25 за ГОСТ 1050-88 |
Сталі 20, 25, 35 за ГОСТ 1050-88 |
Сталі 10, 20, 25 за ГОСТ 1050-88 |
||
| 20Х13 за ГОСТ 5632-72 |
|||||
| від мінус 40 до плюс 300 |
15ХМ за ГОСТ 4543-71 |
30ХМА за ГОСТ 4543-71 |
35Х за ГОСТ 4543-71 |
||
| 12Х18Н9Т за ГОСТ 5632-72 |
20Х13 за ГОСТ 5632-72 |
||||
| Сталевий приварний встик за ГОСТ 12821-80 |
від мінус30 до плюс 300 |
Ст3сп не нижче 2-й категорії за ГОСТ 380-88 |
Сталі 20, 25, 35 за ГОСТ 1050-88 |
Сталі 10, 20, 25 за ГОСТ 1050-88 |
|
| від 0,1 до 10,0 |
від мінус 40 до плюс 425 |
Сталі 20, 25 за ГОСТ 1050-88 |
Сталь 35 за ГОСТ 1050-88 |
Сталі 20, 25 за ГОСТ 1050-88 |
|
| від 0,1 до 20,0 |
20Х13 за ГОСТ 5632-72 |
||||
| 35Х за ГОСТ 4543- 71 |
Сталь 35 за ГОСТ 1050-88 |
||||
| від мінус 30 до 450 |
30ХМА за ГОСТ 4543-71 |
35Х за ГОСТ 4543-71 |
|||
Продовження таблиці 4.2
| Тип фланця |
Параметри середовища |
Марка матеріалу |
|||
| тиск номінальний (умовний) PN , МПа |
розрахункова температура, °С |
фланця |
болта (шпильки) |
гайки |
|
| Сталевий при- варний встик за ГОСТ 12821-80 |
від 0,1 до 20,0 |
від мінус 40 до плюс 450 |
15ХМ за ГОСТ 4543-71 |
20Х13 за ГОСТ 5632-72 |
|
| 30ХМА за ГОСТ 4543-71 |
Сталь 35 за ГОСТ 1050-88 |
||||
| від мінус 40 до плюс 300 |
15Х18Н12С4ТЮ за ГОСТ 5632-72 |
20Х13 за ГОСТ 5632-72 |
|||
| від мінус 70 до плюс 300 |
45Х14Н14В2М за ГОСТ 5632-72 |
12Х18Н9Т за ГОСТ 5632-72 |
|||
| від мінус 70 до плюс 350 |
09Г2С за ГОСТ 19282-89 10Г2 за ГОСТ 4543-71 |
14Х17Н2 за ГОСТ 5632-72 |
|||
| від мінус 40 до плюс 400 |
06ХР28МДТ за ГОСТ 5632-72 |
20Х13 за ГОСТ 5632-72 |
|||
| від мінус 70 до плюс 400 |
45Х14Н14В2М за ГОСТ 5632-72 |
12Х18Н9Т за ГОСТ 5632-72 |
|||
| від мінус 40 до плюс 450 |
12Х18Н9Т 10Х17Н13М3Т за ГОСТ 5632-72 |
20Х13 за ГОСТ 5632-72 |
|||
| від мінус 40 до плюс 510 |
15Х5М за ГОСТ 5632-72 |
25Х1МФ за ГОСТ 20072-74 |
30ХМА за ГОСТ 4543-71 |
||
| від мінус 80 до плюс 600 |
12Х18Н9Т за ГОСТ 5632-72 |
45Х14Н14В2М за ГОСТ 5632-72 |
12Х18Н9Т за ГОСТ 5632-72 |
||
| від мінус 253 до плюс 600 |
10Х17Н13М3Т) за ГОСТ 5632-72 |
10Х17Н13М3Т за ГОСТ 5632-72 |
10Х17Н13М3Т за ГОСТ 5632-72 |
||
Закінчення таблиці 4.2
| Тип фланця |
Параметри середовища |
Марка матеріалу |
|||
| тиск номінальний (умовний) PN , МПа |
розрахункова температура, °С |
фланця |
болта (шпильки) |
гайки |
|
| Сталевий вільний на привар- ному кільці за ГОСТ 12822-80 |
від 0,1 до 2,5 |
від мінус 30 до плюс 300 |
Ст3сп не нижче 2-й категорії за ДСТУ 2651-94 |
Стали 20, 25, 35 за ГОСТ 1050-88 |
Стали 10, 20, 25 за ГОСТ 1050-88 |
| 20Х13 за ГОСТ 5632-72 |
|||||
Таблиця 4.3 – Класи міцності болтів (шпильок)
| Клас міцності, група |
Матеріал і обробка |
Марки сталей |
| 3.6 |
Вуглецеві сталі |
10, 10кп ГОСТ 10702-78 |
| 4.6 |
20 ГОСТ 1050-88 |
|
| 4.8 |
10, 10кп ГОСТ 10702-78 |
|
| 5.6 |
30,35 ГОСТ 1050-88 |
|
| 5.8 |
10, 10кп, 20, 20кп ГОСТ 10702-78 |
|
| 6.6 |
35, 45, 40Г ГОСТ 1050-88 |
|
| 6.8 |
20, 20кп ГОСТ 1050-88 |
|
| 8.8 |
Вуглецеві сталі без добавок і з добавками хрому, марганцю, загартовані та відпущені |
35, 45Г ГОСТ 1050-88, 35Х, 38ХА ГОСТ 4543-71 |
| 9.8 |
||
| 10.9 |
Вуглецеві сталі без добавок і з добавками хрому, марганцю, леговані, загартовані та відпущені |
40Г2, 40Х, 30ХГСА, 16ХСН ГОСТ 4543-71 |
| 12.9 |
Легована сталь, загартована та відпущена |
35ХГСА ГОСТ 4543-71 |
| 21 |
Корозійностійкі, жароміцні, жаростійкі та теплостійкі сталі |
12Х18Н10Т, 12Х18Н9Т, 10Х17Н13М2Т, 10Х17Н13М3Т, 06ХН28МДТ ГОСТ 5632-72 |
| 22 |
12Х13, 08Х21Н6М2Т ГОСТ 5632-72 |
|
| 23 |
20Х13, 14Х17Н2 ГОСТ 5632-72 |
|
| 24 |
10Х11Н23Т3МР ГОСТ 5632-72 |
|
| 25 |
13Х11Н2В2МФ ГОСТ 5632-72, 25Х1МФ, 25Х2МФ, 20Х1М1Ф1ТР ГОСТ 20072-74 |
|
| 26 |
07Х16Н6 ГОСТ 5632-72 |
Таблиця 4.4 – Класи міцності гайок
| Клас міцності гайки |
З’єднанні болти або шпильки |
Марки сталей гайок |
|
| Клас міцності |
Діаметр нарізі d |
||
| 4 |
3.6; 4.6; 4.8 |
понад М16 |
Ст3кп3, Ст3сп3 ДСТУ 20 ГОСТ 1054-88 |
Продовження таблиці 4.4
| Клас міцності гайки |
З’єднанні болти або шпильки |
Марки сталей гайок |
|
| Клас міцності |
Діаметр нарізі d |
||
| 5 |
3.6; 4.6; 4.8 |
до М16 |
10, 10кп ГОСТ 10702-78 |
| 5.6; 5.8 |
до М48 |
20 ГОСТ 1050-88 |
|
| 6 |
6.8 |
10, 10кп, 15, 15кп ГОСТ 10702-78 |
|
| 8 |
8.8 |
20, 20кп ГОСТ 1050-88 |
|
| 9 |
8.8 |
понад М16 до М48 |
|
| 9.8 |
до М16 |
35 ГОСТ 1050-88 |
|
| 10 |
10.9 |
до М48 |
35Х, 38ХА, 16ХСН ГОСТ 4543-71 |
| 12 |
12.9 |
||
| 21 |
21 |
12Х18Н10Т, 12Х18Н9Т, 10Х17Н13М2Т, 10Х17Н13М3Т, 06ХН28МДТ ГОСТ 5632-72 |
|
| 22 |
22 |
12Х13, 08Х21Н6М2Т ГОСТ 5632-72 |
|
| 23 |
23 |
20Х13, 14Х17Н2 ГОСТ 5632-72 |
|
| 24 |
24 |
10Х11Н23Т3МР ГОСТ 5632-72 |
|
| 25 |
25 |
13Х11Н2В2МФ ГОСТ 5632-72, 25Х1МФ, 25Х2МФ, 20Х1М1Ф1ТР ГОСТ 20072-74 |
|
| 26 |
26 |
07Х16Н6 ГОСТ 5632-72 |
|
Шпильки двосторонні за ГОСТ 9066-75 для фланцевих з’єднань арматури, з’єднувальних частин і трубопроводів, приладів, посудин та апаратів з температурою середовища від 0 до 650 °С і номінальним (умовним) тиском PN не менше 4 МПа застосовують двох типів:
– А (шпилька суцільна із однаковими номінальними діаметрами нарізі та гладкої частини, з температурою, яка менше або дорівнює 300 °С);
– Б (шпилька суцільна з номінальними діаметрами нарізі більше номінального діаметра гладкої частини, з температурою понад 300 °С).
Конструкція та розміри шпильок за ГОСТ 9066-75 наведені на рисунку И.4 і в таблицях И.10, И.11 додатку И, маса шпильок наведена в таблицях И.12, И.13. Конструкція і розміри гайок за ГОСТ 9064-75 наведені на рисунку И.5 і таблиці И.14.
Маса гайок наведена в таблиці И.15.
Конструкція та розміри шайб за ГОСТ 9065-75 [14] наведені на рисунку И.6 і таблиці И.16. Маса шайб наведена в таблиці И.17.
Вибір матеріалів кріпильних деталей для фланцевих з’єднань з температурою середовища від 0 до 650 °С і умовним тиском PN не менше 4 МПа наведений в таблиці 4.5
Таблиця 4.5 – Матеріали для кріпильних деталей [26]
| Марка сталі |
Шпильки |
Гайки |
Шайби |
|||
| Температура середовища, °С |
Тиск умовний PN , МПа |
Температура середовища, °С |
Тиск умовний PN , МПа |
Температура середовища, °С |
Тиск умовний PN , МПа |
|
| Ст3сп3 |
- |
- |
- |
- |
до 350 |
4-10 |
| 10 |
до 450 |
|||||
| 20 |
до 400 |
4-10 |
||||
| 25 |
- |
- |
||||
| 30, 35, 40 |
до 425 |
4-10 |
до 425 |
4-20 |
||
| 45 |
до 450 |
не обмежений |
||||
| 35Х, 40Х |
4-20 |
до 450 |
- |
- |
||
| 30ХМА, 35ХМ |
до 450 |
не обмежений |
до 510 |
не обмежений |
||
| 20Х13 |
до 450 |
не обмежений |
||||
| 15ХМ |
- |
- |
- |
- |
до 540 |
|
| 25Х1МФ |
до 510 |
не обмежений |
до 540 |
не обмежений |
- |
- |
| 1Х12Н2ВМФ |
||||||
| 25Х2М1Ф |
до 535 |
до 565 |
||||
| 15Х11МФ |
до 560 |
до 560 |
до 580 |
не обмежений |
||
| 20Х12ВНМФ |
||||||
| 18Х11МНФБ |
||||||
| 18Х12ВМБФР |
||||||
| 12Х1МФ |
- |
- |
- |
- |
до 570 |
|
| 20Х1М1Ф1ТР |
до 580 |
не обмежений |
до 580 |
не обмежений |
- |
- |
| 20Х1М1Ф1БР |
||||||
| 08Х16Н13М2Б |
до 625 |
до 625 |
до 650 |
не обмежений |
||
| 31Х19Н9МВБТ |
- |
- |
||||
| ХН35ВТ |
до 650 |
до 650 |
||||
| 10Х11Н22Т3МР |
||||||
| 12Х18Н10Т, 08Х18Н10Т |
- |
- |
- |
- |
до 650 |
не обмежений |
Сталі для виготовлення шпильок, гайок та шайб розподіляються по якості на чотирі категорії:
– категорія І – сталі звичайної якості, які застосовуються для виготовлення кріпильних виробів на номінальний (умовний) тиск РN менше
1,6 МПа і температуру менше 200 °С;
– категорія ІІ – якісні вуглецеві сталі, які застосовуються для виготовлення шпильок і гайок з номінальним діаметром нарізі до 48 мм при робочий температурі до 300 °С та шайб всіх розмірів;
– категор виготовлення ія ІІІ – якісні вуглецеві сталі у поліпшеному стані для виготовлення шпильок і гайок усіх розмірів при робочий температурі до 425 °С у випадках, якщо температура відпуску вище ціеї температури не менш ніж на 100 °С;
– категорія ІV – теплостійкі, жароміцні леговані сталі у термічно обробленому стані, що застосовуються для виготовлення шпильок, гайок та шайб всіх розмірів при робочий температурі, яка не перевищує температуру середовища у випадках, якщо температура відпуску вище ціеї температури не менш ніж на 100 °С.
Розподіл сталей для кріпильних деталей за якістю на категорії наведений в таблиці 4.6.
Таблиця 4.6 – Розподіл сталей для кріпильних деталей за якістю на категорії
| Категорія |
Призначення |
Марки сталей |
| І |
Сталь звичайної якості для кріпільних виробів |
Ст3 |
| ІІ |
Якісна вуглецева сталь для шпильок і гайок з діаметром нарізі до 48 мм |
20, 25, 30, 35, 40, 45 |
| ІІІ |
Якісна вуглецева сталь у поліпшеному стані для шпильок і гайок усіх розмірів |
20, 25, 30, 35, 40, 45 |
| ІV |
Теплостійка, жаростійка легована сталь в термічно обробленому стані для шпильок, гайок та шайб усіх розмірів |
35Х, 40Х, 30ХМА, 35ХМ, 25Х1МФ, 25Х2М1Ф, 20Х1М1Ф1ТР, 20Х1М1Ф1БР, 20Х13, 15Х11МФ, 1Х12Н2ВМФ, 20Х12ВНМФ, 18Х12ВМБФР, 18Х11МНФБ, 08Х16Н13М2Б, 10Х11Н22Т3МР, 31Х19Н9МВБТ, ХН35ВТ |
Для фланцевих з’єднань з лінзовими ущільненнями застосовують шпильки за ГОСТ 10494-80 [18]. В таблиці 4.7 наведені граничні параметри застосування шпильок залежно від матеріалу. Граничні параметри застосування гайок залежно від матеріалу наведені в таблиці 4.8.
Таблиця 4.7 – Граничні параметри застосування шпильок залежно від матеріалу
| Марка сталі |
Позначення стандарту |
Граничні параметри застосування |
|
| Температура розрахункова, ºС |
Тиск номінальний (умовний) PN , МПа |
||
| 35Х, 38Х, 40Х |
ГОСТ 4543-71 |
від мінус 50 до плюс 200 |
63 |
| 35ХМ, 30ХМА, 40ХФА |
від мінус 50 до плюс 400 |
80 |
|
| 25Х1МФ, 25Х2М1Ф |
ГОСТ 20072-74 |
від мінус 50 до плюс 510 |
100 |
Таблиця 4.8 – Граничні параметри застосування гайок залежно від матеріалу
| Марка сталі |
Позначення стандарту |
Граничні параметри застосування |
|
| Температура розрахункова, С |
Тиск номінальний (умовний) PN , МПа |
||
| 30Х |
ГОСТ 4543-71 |
от мінус 50 до плюс 200 |
63 |
| 35Х, 38ХА, 40Х |
от мінус 50 до плюс 400 |
80 |
|
| 30ХМА, 35ХМ |
от мінус 50 до плюс 510 |
100 |
|
| 25Х1МФ |
ГОСТ 20072-74 |
||
Конструкція та розміри шпильок для фланцевих з’єднань з лінзовими ущільненнями наведені на рисунку И.7 і в таблиці И.18 додатку И. Маса шпильок наведена в таблицях И.19 і И.20. Конструкція, розміри та маса гайок для фланцевих з’єднань з лінзовими ущільненнями наведені на рисунку И.8 і в таблиці И.21.
Порівняно з болтами шпильки забезпечують більш рівномірний розподіл напружин. Крім того, шпильки можна встановлювати у важкодоступних місцях. При розрахунковій температурі понад 300 °С слід застосовувати шпильки з проточкою або повністю нарізні.
Шайби у фланцевих з’єднаннях застосовують при умовному (номінальному) тиску PN 4 МПа і більше. Їх підкладають під голівки гайок для більш рівномірного розподілення тиску та запобігання поверхонь фланців від зминання.
Коефіцієнт лінійного розширення матеріалу болтів (шпильок) не повинен відрізнятися від коефіцієнта лінійного розширення матеріалів фланців більш ніж на 10 %.
Допускається застосовувати матеріали болтів (шпильок) з коефіцієнтами лінійного розширення відмінними від коефіцієнтів лінійного розширення матеріалів фланців більш ніж на 10 % в наступних випадках:
– у разі обґрунтовування розрахунком на міцність;
– при розрахунковій температурі фланця не більше 100 °С.
Гайки та болти (шпильки) повинні виготовлятися зі сталей різних марок, а при виготовленні їх зі сталі однієї марки – з різною твердістю. При цьому твердість гайки повинна бути нижче за твердість болта (шпильки) не менше ніж на 15 НВ.
Допускається застосовувати гайок зі сталей перлітового класу на болтах (шпильках), які виготовляються із аустенітних сталей.
У разі виготовлення кріпильних деталей холодною деформацією вони повинні піддаватися термічній обробці – відпуску.
Види покриття болтів, шпильок, гайок та шайб наведені в таблиці 4.9.
Таблиця 4.9 – Види покриття
| Вид покриття |
Позначення покриття |
|
| за ГОСТ 9.306-85 |
цифрове |
|
| Цинкове, хромоване |
Ц. хр |
01 |
| Кадмієве, хромоване |
КД. хр |
02 |
| Багатошарове: мідь-нікель |
М.Н. |
03 |
| Багатошарове: мідь-нікель-хром |
М.Н.Х.б |
04 |
| Окисне, просочене маслом |
Хим. Окс. прм |
05 |
| Фосфатне, просочене маслом |
Хим. Фос. прм |
06 |
| Олов’яне |
О |
07 |
| Мідне |
М |
08 |
| Цинкове |
Ц |
09 |
| Окисне, наповнене хроматами |
Ан. Окс. нхр |
10 |
| Окисне із кислих розчинів |
Хим. Пас |
11 |
| Срібне |
Ср |
12 |
| Нікелеве |
Н |
13 |
5 РОЗРАХУНОК ФЛАНЦЕВИХ З’ЄДНАНЬ
У даному розділі наводяться рекомендації щодо вибору типів і розрахунку на міцність, жорсткість, герметичність та малоциклову утомленість фланцевих з'єднань сталевих зварних посудин та апаратів, які працюють у хімічній і суміжних з нею галузях промисловості.
Розрахункові схеми фланцевих з’єднань наведені на рисунках 5.1 і
5.2.
Розрахункові формули застосовні при виконані наступних умов
D
з
D 2
і 2h Dз
D 0,25,
де D з – зовнішній діаметр фланця мм; D – внутрішній діаметр фланця, мм; h – товщина фланця, мм.
При роботі апарата в умовах декількох розрахункових режимів по температурі та тиску розрахунок необхідно проводити за умов, що забезпечують міцність, жорсткість, герметичність та малоциклову утомленість фланцевого з'єднання у всіх режимах.
5.1 Напружений стан деталей фланцевого з'єднання
Фланцеві з'єднання звичайно навантажені внутрішнім надлишковим або зовнішнім тиском, а також у ряді випадків зовнішніми осьовими силами і згинальними моментами. Значні навантаження на фланці створюються болтами в умовах затягування з'єднання. При підвищеній температурі середовища в апараті елементи фланцевого з'єднання нагріваються неоднаково, при цьому температура болтів установлюється звичайно нижче температури фланців. Унаслідок теплового розширення деталей фланцевого з'єднання в болтах (шпильках) можуть виникати значні температурні зусилля.
В результаті впливу зовнішніх навантажень у діаметральних перерізах фланця виникають згинальні моменти, під дією яких втулка (обичайка) знаходиться в напруженому стані. Якщо втулка циліндрична, або зовсім відсутня (плоский фланець приварений безпосередньо до обичайки), небезпечним перерізом є переріз у місці приварки фланця до обичайки.
56
а – з гладкою ущільнювальною поверхнею; б – з ущільнювальною поверхнею типу „виступ-западина”; в – з ущіль-
нювальною поверхнею типу „шип-паз”
Рисунок 5.1 – Фланцеві з’єднання з плоскими приварними фланцями
а – з ущільнювальною поверхнею типу „виступ-западина”; б – з ущільнювальною поверхнею типу „шип-паз”; в – з
ущільнювальною поверхнею під прокладку восьмикутного перерізу
Рисунок 5.2 – Фланцеві з’єднання з приварними встик фланцями
Якщо втулка фланця конічна (фланець приварений встик), небезпечними є перерізи в місці з’єднання площини фланця з втулкою і втулки з обичайкою. У зазначених перерізах напружини виникають в осьовому і тангенціальному напрямках. Визначаючи еквівалентні напружини та порівнюючи величину останніх із допустимими значеннями, можна зробити оцінку виконання умов міцності фланця у розглянутих перерізах.
5.2 Розрахункові температури елементів фланцевого з'єднання
Розрахункові температури елементів фланцевого з'єднання визначаються за таблицею 5.1 залежно від розрахункової температури апарата та наявності теплоізоляції.
Таблиця 5.1 – Розрахункові температури елементів фланцевого з'єднання
| Фланці ізольовані |
Фланці неізольовані |
||
| tф |
tб |
tф |
tб |
| t |
0,97 t |
0,96 t |
0,85 t |
Позначення в таблиці 5.1:
t – розрахункова температура стінки апарата, °С; tф – розрахункова температура фланця, °С; tб – розрахункова температура болтів (шпильок), °С.
5.3 Допустимі напружини
Допустимі напружини для матеріалів болтів (шпильок), що застосовуються у фланцевих з'єднаннях апаратів при різних температурах, наведені в таблиці 5.2.
Допустимі напружини для матеріалів болтів (шпильок)
б
, МПа, не зазначених у таблиці 5.2, визначають за формулами:
– якщо розрахункова температура болтів (шпильок), які виготовляються з вуглецевих сталей, не перевищує 380, °С, низьколегованих – 420, °С, аустенітних – 525 °С
R
e
; (5.1) n
т
– якщо розрахункова температура болтів (шпильок) перевищує зазначену вище
![]()
R
5
e ; m / 10 ;, (5.2)
т n д
де R e – мінімальне значення границі текучості матеріалу болтів (шпильок) при розрахунковій температурі, МПа;
R m/105 – середнє значення границі тривалої міцності за 105 г при розрахунковій температурі, МПа;
R p1,0 / 105 – середня 1%-на границя повзучості за 105 г при розрахун-
ковій температурі, МПа; n т – коефіцієнт запасу міцності по границі текучості; n д – коефіцієнт запасу міцності по границі тривалої міцності; n п – коефіцієнт запасу міцності по границі повзучості.
Таблиця 5.2 – Допустимі напружини матеріалу болтів (шпильок)
|
|
Допустима напружина |
||||||||
|
|
|
|
|
|
|
|
|
|
|
| 20 |
130 |
110 |
160 |
230 |
230 |
238 |
238 |
208 |
231 |
| 100 |
126 |
105 |
150 |
230 |
230 |
227 |
232 |
196 |
226 |
| 200 |
120 |
98 |
150 |
225 |
200 |
217 |
231 |
186 |
221 |
| 250 |
107 |
95 |
144 |
222 |
182 |
210 |
224 |
186 |
219 |
| 300 |
97 |
90 |
139 |
222 |
174 |
199 |
220 |
186 |
217 |
| 350 |
86 |
86 |
128 |
185 |
166 |
185 |
213 |
186 |
215 |
| 375 |
80 |
85 |
128 |
175 |
166 |
180 |
209 |
186 |
214 |
| 400 |
75 |
83 |
128 |
160 |
166 |
175 |
206 |
186 |
213 |
| 425 |
68 |
82 |
125 |
156 |
161 |
168 |
202 |
186 |
213 |
| 450 |
- |
80 |
123 |
- |
156 |
161 |
199 |
186 |
213 |
| 475 |
- |
79 |
120 |
- |
- |
152 |
195 |
186 |
213 |
| 500 |
- |
78 |
118 |
- |
- |
143 |
192 |
186 |
208 |
| 510 |
- |
- |
117 |
- |
- |
- |
- |
185 |
205 |
| 520 |
- |
- |
116 |
- |
- |
- |
- |
184 |
202 |
| 530 |
- |
- |
115 |
- |
- |
- |
- |
183 |
199 |
| 540 |
- |
- |
114 |
- |
- |
- |
- |
181 |
196 |
| 550 |
- |
- |
113 |
- |
- |
- |
- |
180 |
195 |
| 560 |
- |
- |
- |
- |
- |
- |
- |
165 |
183 |
Закінчення таблиця 5.2
|
|
Допустима напружина |
||||||||
|
|
|
|
|
|
|
|
|
|
|
| 570 |
- |
- |
- |
- |
- |
- |
- |
150 |
171 |
| 580 |
- |
- |
- |
- |
- |
- |
- |
135 |
169 |
| 590 |
- |
- |
- |
- |
- |
- |
- |
125 |
157 |
| 600 |
- |
- |
- |
- |
- |
- |
- |
115 |
147 |
| 610 |
- |
- |
- |
- |
- |
- |
- |
110 |
- |
| 620 |
- |
- |
- |
- |
- |
- |
- |
105 |
- |
| 630 |
- |
- |
- |
- |
- |
- |
- |
100 |
- |
| 640 |
- |
- |
- |
- |
- |
- |
- |
94 |
- |
| 650 |
- |
- |
- |
- |
- |
- |
- |
88 |
- |
| Примітка – Проміжні значення допустимих напружин визначаються методом лінійної інтерполяції. |
|||||||||
Коефіцієнти запасу міцності по границі текучості наведені в таблиці 5.3.
Коефіцієнт запасу міцності по границі тривалої міцності слід приймати рівним n
д
1,8.
Коефіцієнт запасу міцності по границі повзучості слід приймати рівним n
п
1,1.
Допустимі напружини для матеріалу приварних встик фланців
S1
, МПа, в перерізі товщиною S
1
(рисунок 5.2) при ро-
зрахунку на статичну міцність визначають за формулами:
– у робочих умовах
; (5.3)
– в умовах затягнення фланцевого з'єднання
20
S1 1,5
20
; (5.4)
– в умовах випробувань
20
, (5.5)
20
– допустима напружина для матеріалу фланців відповідно де при розрахунковій температурі і температурі 20 °С, МПа.
Таблиця 5.3 – Значення коефіцієнта запасу міцності по границі текучості
| Матеріал болтів (шпильок) |
Коефіцієнт запасу міцності по границі текучості n т |
|||
| робочі умови |
умови випробувань |
|||
| затягнення не контролюється |
затягнення контролю- ється |
затягнення не контролюється |
затягнення контролю- ється |
|
| Вуглецеві сталі при: |
||||
|
|
2,6-2,8 |
2,4 |
2,1 |
1,8 |
|
|
2,3 |
2,1 |
1,7 |
1,6 |
| Аустенітні сталі |
1,9 |
1,8 |
1,4 |
1,3 |
Позначення в таблиці:
R е – мінімальне значення границі текучості матеріалу болтів
(шпильок) при розрахунковій температурі, МПа;
R т – мінімальне значення тимчасового опору (границі міцності) матеріалу болтів (шпильок) при розрахунковій температурі, МПа.
Допустимі напружини у перерізі S 1 в робочих умовах і умовах затягнення фланцевого з'єднання при розрахунку з урахуванням навантаження від температурних деформацій Q t можуть бути збільшені на величину до 30 %.
Допустимі напружини
20
приймаються за посібником [2].
Допустимі напружини для матеріалу приварних встик і плоских приварних фланців
S
0
, МПа, у перерізі товщиною S
0
(рисунки 5.1 і 5.2) при розрахунку на статичну міцність слід визначати за формулами:
– в робочих умовах
; (5.6)
– в умовах затягнення фланцевого з'єднання

лу фланця (напружина, при якій залишкове подовження складає 0,2 %) відповідно при розрахунковій температурі і температурі 20 °С, МПа;
R
m
,
R
m
20
мінімальне значення тимчасового опору (границі міцності) матеріалу фланця відповідно при розрахунковій температурі і температурі 20 °С, МПа.
Для вуглецевих і низьколегованих сталей у формулах (5.6)-(5.8) замість мінімальних значень умовних границь текучості R p0,2 і R 20 p0,2 слід підставляти мінімальні значення границь текучості при розрахунковій температурі – R e і температурі 20 °С – R e 20 відповідно.
Значення величин R p 0,2, R20 p 0,2 , R m , R m 20 приймаються за посібником [2].
Розрахунок фланцевого з'єднання для умов випробувань проводити не потрібно, якщо розрахунковий тиск в умовах випробувань менше розрахункового тиску в робочих умовах, помноженого на 1,35
.
5.4 Розрахунок допоміжних величин
Ефективну ширину плоскої прокладки b 0 , мм, визначають за формулами:
![]()
![]()
b0
bn
при b
n
15
мм;
(5.9) b0
3,8 bn
при b
n
15
мм,
(5.10)
де b n – виконавча ширина прокладки, мм (визначається за таблицею Е.1 додатку Е).
Для металевих прокладок восьмикутного перерізу
b
0
0,25b
n
.
(5.11)
Лінійну податливість плоских металевих і азбометалевих прокладок приймають рівною у
n0
.
Лінійну податливість плоскої неметалевої прокладки у
n
, мм/Н, визначають за формулою у
n
,
(5.12)
де h n – товщина прокладки, мм; K – коефіцієнт обтиснення прокладки;
E n – модуль пружності прокладки, МПа; D cn – середній діаметр прокладки, мм.
Основні характеристики прокладок для фланцевих з’єднань апаратів наведені в таблиці 5.4.
Для прокладок ТРГ „Графлекс” умовний модуль стиснення E n ,
МПа, розраховують за формулою
E
п
11,1 q ,
(5.13)
де q – питомий тиск на прокладку при затягненні фланцевого з’єднання, МПа.
У зв’язку з тим, що модуль пружності прокладки залежить від питомого тиску на прокладку q , при визначенні коефіцієнта жорсткості фланцевого з’єднання J податливість прокладки визначають методом послідовних наближень.
Попередньо визначають питомий тиск на прокладку при затягненні q , МПа, за формулою
q
,
(5.14)
де P б – болтове зусилля для умов монтажу, яке визначається за формулою (5.52), Н.
При визначенні зусилля P
б
коефіцієнт жорсткості фланцевого з’єднання у першому наближенні приймають рівним J1
.
Потім за формулою (5.13) визначають модуль пружності і за формулою (5.12) податливість прокладки. Якщо коефіцієнт жорсткості фланцевого з’єднання J буде більше одиниці, необхідно визначити болтове зусилля P б 1 за формулою (5.53) з отриманим коефіцієнтом J і повторити визначення питомого тиску q та умовного модуля стиснення E n . Після цього необхідно визначити нове значення коефіцієнта J . Таблиця 5.4 – Характеристики прокладок
| Тип і матеріал прокладки |
Коефіцієнт питомого тиску на прокладку т |
Питомий тиск обтиснення прокладки q обт , МПа |
Допустимий питомий тиск [q ], МПа |
Коефіцієнт обстиснення прокладки K |
Модуль сти нення прокладки
МПа |
| Плоска з гуми з твердістю по Шору А до 65 одиниць |
0,50 |
2 |
18 |
0,04 |
|
| Плоска з гуми з твердістю по Шору А більше 65 одиниць |
1,00 |
4 |
20 |
0,90 |
|
| Плоска з паро- ніту при товщині не більш 2 мм |
2,50 |
20* |
130 |
0,02 |
|
| Плоска з картону азбестового при товщині 1-3 мм |
20 |
||||
| Плоска з фторопласту-4 при товщині до 3 мм |
10 |
40 |
1,00 |
||
| Азбометалева в оболонці з алюмінію, міді або латуні, сталей марок: 05КП, 12Х18Н10Т |
3,25 3,50 3,75 3,75 |
38 46 53 63 |
- - - - |
- - - - |
0,04 0,04 0,05 0,05 |
| Прокладка восьмикутного перерізу зі сталей марок: 08Х13, 08Х18Н10Т |
5,50 6,50 |
125 180 |
- - |
- - |
- - |
с-
Закінчення таблиці 5.4
| Тип і матеріал прокладки |
Коефіцієнт питомого тиску на прокладку т |
Питомий тиск обтиснення прокладки q обт , МПа |
Допустимий питомий тиск [q ], МПа |
Коефіцієнт обстиснення прокладки K |
Модуль стиснення прокладки
МПа |
| Прокладка спиральнонавита |
1,50 |
27 |
- |
- |
- |
| Прокладка ТРГ неармована з обтюратором |
2,0 |
4,0 |
200 |
11, 1 q *** |
|
| Прокладка ТРГ армована без обтюратора |
2,5 |
120 при t =2 мм** 100 при t =3 мм** |
11, 1 q *** |
||
| Прокладка ТРГ армована з обтюратором |
2,0 |
200 |
11, 1 q *** |
||
|
**Товщина прокладки у вільному стані. *** q – питомий тиск на прокладку при затягненні, МПа. |
|||||
Якщо при першому наближенні коефіцієнт жорсткості фланцевого з’єднання J буде менше одиниці, при розрахунку фланцевого з’єднання його значення приймають рівним одиниці.
Податливість болтів (шпильок) y б , мм/Н, визначають за формулою
yб
,
(5.15)
де l б – розрахункова довжина болта (шпильки),мм;
f б – площа поперечного перерізу болта (шпильки) по внутрішньому діаметру нарізі, мм (приймається за таблицею 5.5);
Е б 20 – модуль подовжньої пружності матеріалу болта (шпильки) при температурі 20 °С; n – кількість болтів (шпильок).
Таблиця 5.5 – Площа поперечного перерізу болта (шпильки)
| Діаметр болта (шпильки) d, мм |
20 |
24 |
27 |
30 |
36 |
42 |
48 |
52 |
56 |
| Площа поперечного перерізу болта по внутрішньому діаметру нарізі f б , мм2 |
225 |
324 |
430 |
520 |
760 |
1045 |
1380 |
1657 |
1911 |
| Примітка – У випадку застосування шпильок із проточкою значення площі поперечного перерізу шпильки визначається за діаметром проточки. |
|||||||||
Розрахункову довжину болта (шпильки) визначають за формулою
![]()
l
б l
б0 0,28d для болта,
(5.16) l
б
0 0,56 d для шпильки
де l б 0 – відстань між опорними поверхнями гайки і голівки болта (для шпильок – між опорними поверхнями гайок), мм;
d – зовнішній діаметр болта (шпильки), мм.
Якщо між фланцями затиснута трубна решітка або інша деталь, при визначенні розрахункової довжини болта (шпильки) слід враховувати їхні товщини.
При розрахункових тисках Р2,5
МПа слід застосовувати шпильки.
Еквівалентну товщину втулки приварного встик фланця S е , мм, визначають за формулою
S
е
K
1
S
0
,
(5.17)
де S 0 – товщина конічної втулки в місці з’єднання з обичайкою (рисунок 5.2), мм;
K 1 – безрозмірний коефіцієнт.
| X |
|
|
|
1
|
K
1
.
(5.18)
Коефіцієнт
розраховують за формулою
S0
,
(5.19)
де S 1 – товщина конічної втулки в місці з’єднання з фланцем, мм.
Коефіцієнт X визначають за формулою
X l D S
0
,
(5.20)
де l – довжина конічної втулки (рисунок 5.2), мм.
Еквівалентну товщину плоского приварного фланця приймають рівною S
е
S
0
.
Кутову податливість фланця y ф , 1/Н·мм, визначають за формулою
y
ф
,
(5.21)
де
безрозмірні коефіцієнти;
Е 20 – модуль подовжньої пружності матеріалу фланця при температурі 20 ºС; h – товщина фланця (рисунки 5.1, 5.2), мм.
Для фланців із ущільнювальною поверхнею типу „виступ” або „шип” товщину фланця приймають рівною h h
(рисунки 5.1, 5.2).
Для фланців із ущільнювальною поверхнею типу „западина” або „паз” товщину фланця приймають рівною h h
(рисунки 5.1, 5.2).
Якщо фланці виконуються зі сталей різних марок або мають різне конструктивне виповнення, розраховувати на міцність необхідно обидва фланці.
,
(5.22)
де
, j
– безрозмірні коефіцієнти.
Коефіцієнт розраховують за формулою
h D S0 . (5.23)
Коефіцієнт 1
розраховують за формулою
1 1,28 lg Dз D , (5.24)
де D з – зовнішній діаметр фланця, мм.
Коефіцієнт 2 розраховують за формулою
.
(5.25)
Коефіцієнт j розраховують за формулою
j h S
0
.
(5.26)
Кутову податливість фланця зі сферичною невідбортованою кришкою y кр с , 1/Н·мм, розраховують за формулою
y
кр с
,
(5.27)
де
– безрозмірні коефіцієнти.
Для сферичних невідбортованих кришок коефіцієнт
розраховують за формулою
,
(5.28)
де R c – внутрішній радіус сфери сферичного невідбортованого днища, мм.
Коефіцієнт
. (5.29)
Кутову податливість плоскої кришки y кр , 1/Н·мм визначають за формулою
X кр
y
кр
Е
кр
20
h
кр3
,
(5.30)
де X кр – безрозмірний коефіцієнт; h кр – товщина плоскої кришки в зоні ущільнення, мм.
Xкр
,
(5.31)
де
кр
– товщина плоскої кришки на зовнішньому діаметрі, мм; К
кр
– безрозмірний коефіцієнт.
Kкр
Dз
Dсп
,
(5.32)
де D сп – середній діаметр прокладки, мм.
Кутову податливість фланця, навантаженого зовнішнім згинальним моментом, y фм , 1/Н мм, визначають за формулою 3
| б |
||
| E 20 |
D |
h 3 |
D
y фм . (5.33)
4 н
Плечі моментів сил b
і e
, мм, визначають за формулами: b 0,5 Dб
Dсп
;
(5.34) e 0,5 D
сп
D S
е
,
(5.35)
де D б – діаметр болтової окружності, мм;
S е – еквівалентна товщина втулки фланця, мм.
5.5 Визначення коефіцієнта жорсткості фланцевого з'єднання
Коефіцієнт жорсткості фланцевого з’єднання J , навантаженого внутрішнім надлишковим або зовнішнім тиском і зовнішньою осьовою силою, визначають за формулою
J
,
(5.36)
де
– коефіцієнт, мм/Н.
Коефіцієнт
b2 . (5.37)
При стисненні однакових за розмірами фланців із гладкою ущільнювальною поверхнею: коефіцієнт жорсткості фланцевого з’єднання визначають за формулою
, (5.38)
де b2 . (5.39)
Для з’єднання фланця з плоскою кришкою коефіцієнт жорсткості
J визначають за формулою
J, (5.40)
де
b .
(5.41)
При дії на фланцеве з’єднання зовнішнього згинального моменту коефіцієнт жорсткості визначають за формулою
![]()
5.6 Розрахунок навантажень
Рівнодіючу внутрішнього надлишкового або зовнішнього тиску Q д , Н, розраховують за формулою
Q
д
0,785D
сп
2
Р ,
(5.44)
де Р – розрахунковий внутрішній надлишковий або зовнішній тиск (для вакууму або зовнішнього тиску P < 0), МПа. Реакція прокладки в робочих умовах R n , Н
Rn
Dсп
bo
m P ,
(5.45)
де m – коефіцієнт питомого тиску на прокладку, що визначається за таблицею 5.4.
При визначенні навантажень від температурних деформацій розрахункові температури фланців, кришки, болтів (шпильок), трубної решітки необхідно зменшити на температуру, при якій відбувається збирання фланцевого з’єднання (20 °С).
Навантаження, що виникає від температурних деформацій фланцевого з’єднання Q t , Н, розраховують за формулою
Q
t
20
, (5.46)
де 1
– коефіцієнт, мм/Н;
ф 1 , ф 2 , б коефіцієнти лінійного розширення матеріалів відповідно фланців і болтів (шпильок), 1/ °С;
t ф, t б – розрахункові температури відповідно фланців і болтів
(шпильок),°С.
Коефіцієнт
визначають за формулою
b
2
.
(5.47)
Коефіцієнти лінійного розширення сталей, які отримали найбільше поширення для виготовлення фланців і болтів (шпильок), наведені в таблиці 5.6.
Навантаження, що виникає від температурних деформацій при стисненні однакових за конструкцією фланців (із гладкою ущільнювальною поверхнею і під прокладку восьмикутного перерізу) Q t , Н, визначають за формулою
E
б
E
Навантаження, яке виникає від температурних деформацій у з’єднанні фланця з плоскою кришкою Q t , Н, визначають за формулою

Таблиця 5.6 – Розрахункове значення коефіцієнта лінійного розширення сталей
| Марка сталі |
Розрахункове значення коефіцієнта лінійного розширення |
||||
| 100 |
200 |
300 |
400 |
500 |
|
| Ст3, 20, 20К |
11,6 |
12,6 |
13,1 |
13,6 |
14,1 |
| 35 |
11,1 |
11,9 |
13,2 |
13,4 |
13,9 |
| 40 |
11,3 |
12,0 |
13,3 |
13,3 |
13,3 |
| 09Г2С, 16ГС, 17ГС, 17Г1С, 10Г2С1, 10Г2 |
13,0 |
14,0 |
15,3 |
16,1 |
16,2 |
| 12ХМ, 12МХ, 15ХМ, 15Х5М, 15Х5М-У |
11,9 |
12,6 |
13,2 |
13,7 |
14,0 |
| 35Х, 40Х, 38ХА |
13,4 |
13,3 |
14,0 |
14,8 |
14,8 |
| 20ХН3А |
11,0 |
12,0 |
13,0 |
13,5 |
14,0 |
| 30ХМА |
12,3 |
12,6 |
12,9 |
13,9 |
14,2 |
| 25Х1М1Ф |
11,3 |
12,7 |
12,9 |
13,9 |
14,2 |
| 03Х18Н11, 08Х17Н12М2Т, 08Х17Н15М3Т |
16,6 |
17,0 |
18,0 |
18,0 |
18,0 |
| 45Х14Н14В2М |
16,6 |
17,0 |
18,0 |
18,0 |
18,0 |
| 25Х2М1Ф |
12,5 |
12,9 |
13,3 |
13,7 |
14,0 |
| 37Х12Н8Г8МФБ |
15,9 |
18,0 |
19,2 |
21,5 |
22,4 |
| 08Х22Н6Т, 08Х21Н6М2Т |
9,6 |
13,8 |
16,0 |
16,0 |
16,5 |
| 12Х18Н10Т, 12Х18Н12Т, 03Х17Н14М3, 10Х17Н13М2Т, 10Х17Н13М3Т, 08Х18Н10Т, 08Х18Н12Т |
16,6 |
17,0 |
18,0 |
18,0 |
18,0 |
| 03Х21Н21М4ГБ |
14,9 |
15,7 |
16,6 |
17,3 |
17,5 |
| 06ХН28МДТ, 03ХН28МДТ |
15,3 |
15,9 |
16,5 |
16,9 |
17,3 |
| 08Х18Г8Н2Т |
12,3 |
13,1 |
14,4 |
14,4 |
15,3 |
| ХН35ВТ |
14,8 |
15,1 |
15,5 |
15,9 |
16,1 |
| 08Х15Н24В4 |
14,5 |
15,5 |
16,3 |
16,8 |
17,2 |
| Примітка – Проміжні значення коефіцієнта |
|||||
Болтове навантаження в умовах монтажу P б , Н, визначають за формулою
Pб
max Pб
1; Рб
2; Рб
3
,
(5.52)
де Р б 1 – болтове навантаження від спільної дії внутрішнього надлишко-
вого або зовнішнього тиску середовища, осьової сили і згинального моменту, Н;
Р б 2 – болтове навантаження, необхідне для початкового зминання прокладки, Н;
Р б 3 – болтове навантаження за умови забезпечення міцності болтів (шпильок), Н.
Болтове навантаження P б 1 визначають за формулою
Р
б
1
,
(5.53)
де F
– зовнішнє осьове зусилля, що діє на фланцеве з’єднання ( F
0, якщо зусилля стискальне), H;
М – зовнішній згинальний момент, що діє на фланцеве з’єднання, H·мм.
При відсутності зовнішнього осьового зусилля F і зовнішнього згинального моменту М болтове навантаження визначають за формулою
Рб
1 J Qд
R
n
Q
t
.
(5.54)
Навантаження від температурних деформацій Q
t
враховують лише при Q
t
0.
![]()
Якщо коефіцієнт жорсткості фланцевого з’єднання J1
, в розрахунках слід приймати J1
.
Болтове навантаження, яке необхідне для початкового зминання прокладки, визначають за формулою
Pб
2 0,5 Dcn
b0
qобт
.
(5.55)
Болтове навантаження за умови забезпечення міцності болтів (шпильок) визначають за формулою
P
б
3 0,4
б
20
n f
б
,
(5.56)
де
б
20
– допустима напружина для матеріалу болтів (шпильок) при
температурі 20 ºС;
п – кількість болтів (шпильок).
Для умов вакууму або зовнішнього тиску
Pб
max Pб
2; Pб
3
.
(5.57)
5.7 Розрахунок болтів (шпильок)
Умови міцності болтів (шпильок):
– в умовах монтажу
;
(5.58)
– в робочих умовах
, (5.59)
де
б
1
– напружина в болтах (шпильках) в умовах монтажу (при температурі 20 °С), МПа;
б
2
– напружина в болтах (шпильках) при розрахунковій температурі в робочих умовах, МПа;
P
б
– прирощення навантаження на болти (шпильки) в робочих умовах, Н.
. (5.60)
D
При відсутності зовнішнього осьового зусилля F
і зовнішнього згинального моменту М
прирощення болтового навантаження P
б
визначають за формулою
Pб
1 J Qд
Qt
.
(5.61)
Для умов вакууму або зовнішнього тиску
б .
(5.62)
При перевірці міцності болтів в робочих умовах з урахуванням навантаження на болти від стиснення температурних деформацій допустиму напружину можна збільшити на 30 %.
5.8 Розрахунок прокладок
Умова міцності м’яких прокладок має вигляд
q
q
, (5.63)
де q
– допустимий питомий тиск на прокладку, МПа.
5.9 Розрахунок фланців на міцність
Кут повороту фланця при затягненні з’єднання
, рад, визначають за формулою
| 1
|
|
|
|
| E 20 |
h 3 |
||
M
01
,
(5.64)
де M 01 – згинальний момент від болтового навантаження, Н·мм.
Згинальний момент від болтового навантаження визначають за формулою
M
01
P
б
b.
(5.65)
Прирощення кута повороту фланця в робочих умовах
, рад, розраховують за формулою
| 1
|
|
|
|
| E |
h 3 |
||
01
,
(5.66)
де M
01
прирощення згинального моменту від болтового навантаження, Н·мм.
Прирощення згинального моменту від болтового навантаження визначають за формулою
e .
(5.67)
При відсутності зовнішнього осьового зусилля F
і зовнішнього згинального моменту М
прирощення згинального моменту від болтового навантаження M
01
, Н·мм, визначають за формулою
M01
Pб
b Qд
e.
(5.68)
![]()
Меридіональні напружини в перерізі товщиною S
1
конічної втулки приварного встик фланця при затягненні фланцевого з’єднання 11
і 12
, МПа, визначають за формулами:
– на зовнішній поверхні втулки
–
на внутрішній поверхні втулки , де
– максимальна згинальна напружина в перерізі товщиною S
1
приварного встик фланця, МПа.
Максимальну згинальну напружину в перерізі товщиною S 1 конічної втулки приварного встик фланця визначають за формулою
,
(5.69)
де T – безрозмірний коефіцієнт; D* – розрахунковий діаметр, мм;
С 1 – добавка для компенсації корозії та ерозії, мм. Коефіцієнт Т визначається за формулою
D
з
D 2
1 8,55lg D
з
D 1
. (5.70)
T
1,05 1,945 D з D 2 D з D 1
Розрахунковий діаметр D* визначають за формулою
D при D 20 S1
D* D S0 при D 20 S1 и f 1 , (5.71)
D S1 при D 20 S1 и f 1
де f – коефіцієнт, що визначається за графіком, який наведений на рисунку 5.3.
![]()
Меридіональні напружини в перерізі товщиною S
0
конічної втулки приварного встик фланця при затягненні фланцевого з’єднання 21
і 22
, МПа, визначають за формулами: – на зовнішній поверхні втулки
–
на внутрішній поверхні втулки .
Меридіональні напружини в перерізі товщиною S
0
циліндричної втулки (обичайки) плоского приварного фланця при затягненні фланцевого з’єднання 21
і 22
, МПа, визначають за формулами:
– на зовнішній поверхні втулки
–
на внутрішній поверхні втулки , де
– максимальна згинальна напружина в перерізі S
0
циліндричної втулки, МПа.
Максимальну згинальну напружину в перерізі S
0
циліндричної втулки плоского приварного фланця , МПа, визначають за формулою
, (5.72)
де T
– безрозмірний коефіцієнт, що визначається за формулою (5.70); С
сума добавок до розрахункової товщини втулки фланця, мм.
Рисунок 5.3 – Графік для визначення коефіцієнта f
Якщо фланець приварюється безпосередньо до обичайки, замість товщини циліндричної втулки S 0 в формулу (5.72) необхідно підставляти товщину стінки обичайки S .
Прирощення меридіональних напружин в перерізі товщиною S
1
конічної втулки приварного встик фланця в робочих умовах
11
і
12
, МПа, визначають за формулами:
– на зовнішній поверхні втулки
;
(5.73)
– на внутрішній поверхні втулки
,
(5.74)
де
– прирощення напружини, яка виникає в меридіональному на прямку в перерізі товщиною S
1
конічної втулки від дії зовнішніх навантажень в робочих умовах, МПа;
в
– прирощення напружини, яка виникає в меридіональному на-
прямку в перерізі товщиною S 1 конічної втулки від зміни згинального моменту в робочих умовах, МПа.
;
(5.75) .
(5.76)
Прирощення меридіональних напружин у перерізі товщиною S
0
конічної втулки приварного встик фланця в робочих умовах
21
і
22
, МПа, визначають за формулами:
– на зовнішній поверхні втулки
; (5.77)
– на внутрішній поверхні втулки
, (5.78)
де
– прирощення напружини, що виникає в меридіональному
напрямку в перерізі товщиною S 0 конічної втулки від дії зовнішніх навантажень в робочих умовах, МПа.
.
(5.79)
Прирощення меридіональних напружин у перерізі товщиною S
0
циліндричної втулки (обичайки) плоского приварного фланця в робочих умовах
22
, МПа, визначають за формулами:
– на зовнішній поверхні втулки
;
(5.80)
– на внутрішній поверхні втулки
,
(5.81)
де
м
– прирощення напружини, що виникає в меридіональному на-
прямку циліндричної втулки (обичайки) в робочих умовах від дії зовнішніх навантажень, МПа;
– прирощення напружини, що виникає в меридіональному на-
прямку від зміни згинального моменту в робочих умовах, МПа.
; (5.82)
.
(5.83)
Окружні напружини в перерізі товщиною S
1
конічної втулки приварного встик фланця при затягненні фланцевого з’єднання 13
і 14
, МПа, визначають за формулами:
– на зовнішній поверхні втулки
;
(5.84)
– на внутрішній поверхні втулки
. (5.85)
Окружні напружини в перерізі товщиною S
0
конічної втулки приварного встик фланця при затягненні фланцевого з’єднання 23
і 24
,
МПа, визначають за формулами:
– на зовнішній поверхні втулки
23
0,3 f
в
;
(5.86)
– на внутрішній поверхні втулки
.
(5.87)
Окружні напружини в перерізі товщиною S 0 циліндричної втулки
(обичайки) плоского приварного фланця при затягненні фланцевого з’єднання 23
і 24
, МПа, визначають за формулами:
– на зовнішній поверхні втулки
23
0,3
в
;
(5.88)
– на внутрішній поверхні втулки
.
(5.89)
Прирощення окружних напружин в перерізі товщиною S
1
конічної втулки приварного встик фланця в робочих умовах
14
, МПа, визначають за формулами:

Прирощення окружних напружин в перерізі товщиною S
0
конічної втулки приварного встик фланця в робочих умовах
24
,
МПа, визначають за формулами:
– на зовнішній поверхні втулки
| P |
D |
|
| 2 |
|
|
;
(5.92)
– на внутрішній поверхні втулки
| P |
D |
|
| 2 |
|
|
.
(5.93)
Прирощення окружних напружин в перерізі товщиною S
0
циліндричної втулки (обичайки) плоского приварного фланця в робочих умовах
24
, МПа, визначають за формулами:
– на зовнішній поверхні втулки (обичайки)
| P |
D |
|
| 2 |
|
|
0,3
в
;
(5.94)
– на внутрішній поверхні втулки (обичайки)
| P |
D |
|
| 2 |
|
|
0,3
в
,
(5.95)
де S
0
– товщина циліндричної втулки (якщо фланець приварюється безпосередньо до обичайки, S
0
S
), мм.
Умова статичної міцності приварних встик фланців у перерізі товщиною S 1 :

де 11
р
– меридіональна напружина в перерізі товщиною S
1
на зовні-
шній поверхні конічної втулки приварного встик фланця в робочих умовах, МПа;
12
р
– меридіональна напружина в перерізі товщиною S
1
на внут-
рішній поверхні конічної втулки приварного встик фланця в робочих умовах, МПа;
13
р
– окружна напружина в перерізі товщиною S
1
на зовнішній по-
верхні конічної втулки приварного встик фланця в робочих умовах, МПа;
14
р
– окружна напружина в перерізі товщиною S
1
на внутрішній
поверхні конічної втулки приварного встик фланця в робочих умовах, МПа;
S1
– допустима напружина для матеріала приварного встик фла-
нця в перерізі товщиною S 1 в робочих умовах (при розрахунковій температурі), МПа.
Меридіональні і окружні напружини в перерізі товщиною S
1
конічної втулки приварного встик фланця в робочих умовах 11
р
,
12
р
,
13
р
,
14
р
, МПа, визначають за формулами:
11
;
(5.98)
12
;
(5.99)
13
;
(5.100)
14
.
(5.101)
Умови статичної міцності приварних встик і плоских приварних фланців у перерізі товщиною S 0 визначають за формулами:
– при затягненні з’єднання

де 21
р
– меридіональна напружина в перерізі товщиною S
0
на зовнішній
поверхні конічної втулки приварного встик і циліндричної втулки плоского приварного фланця в робочих умовах, МПа;
22
р
– меридіональна напружина в перерізі товщиною S
0
на внутріш-
ній поверхні конічної втулки приварного встик і циліндричної втулки плоского приварного фланця в робочих умовах, МПа;
23
р
– окружна напружина в перерізі товщиною S
0
на зовнішній по-
верхні конічної втулки приварного встик і циліндричної втулки плоского приварного фланця в робочих умовах, МПа;
24
р
– окружна напружина в перерізі товщиною S
0
на внутрішній по-
верхні конічної втулки приварного встик і циліндричної втулки плоского приварного фланця в робочих умовах, МПа;
S0
– допустима напружина для матеріалу приварного встик фла-
нця в перерізі товщиною S 0 конічної втулки і циліндричної втулки плоского приварного фланця в робочих умовах (при розрахунковій температурі), МПа.
Меридіональні і окружні напружини в перерізі товщиною S
0
конічної втулки приварного встик і циліндричної втулки плоского приварного фланця в робочих умовах 21
р
,
22
р
,
23
р
,
24
р
, МПа, визначають за формулами
21
; (5.104)
22
; (5.105)
23
; (5.106)
24
. (5.107)
5.10 Перевірка фланцевого з'єднання на жорсткість
Умова жорсткості фланцевого з’єднання має вигляд
,
(5.108)
де
– допустимий кут повороту фланця, рад.
Для плоских приварних фланців:
– в робочих умовах
0,013
;
– в умовах випробувань
0,017
.
Для фланців приварних встик: – в робочих умовах:
![]()
0,009
при D2000
мм;
0,013
при D2000
мм; – в умовах випробувань:
![]()
0,011
при D2000
мм;
0,015
при D2000
мм.
5.11 Розрахунок фланців на малоциклову втомленість
Розрахункову амплітуду зведених умовних пружних напружин
, МПа, при затягненні фланцевого з’єднання визначають за формулою
а
0,5max
1; 2
; 3
,
(5.109)
де
– головні нормальні напружини, МПа.
Головні нормальні напружини для приварних встик фланців визначають за формулами:
;
(5.110)
; (5.111) , (5.112)
де
– коефіцієнт, який визначається за графіком, який наведений на рисунку 5.4, залежно від відношення радіуса тороїдального переходу між конічною втулкою і тарілкою фланця r
до товщини втулки фланця S
1
.
Головні нормальні напружини для плоских приварних фланців визначають за формулами:
1 0 ; (5.113)
2
1,5 max 21
; 23
; 21
23 ;
(5.114) 3 1,5max 22
; 24
; 22
24 .
(5.115)
Розрахункову амплітуду зведених умовних пружних напружин в робочих умовах а р , МПа, визначають за формулою
.
(5.116)
Рисунок 5.4 – Графік для визначення коефіцієнта
Прирощення головних нормальних напружин приварних встик фланців визначають за формулами:
;
(5.117)
; (5.118) . (5.119)
Прирощення головних нормальних напружин плоских приварних фланців визначають за формулами:

Кількість допустимих збирань фланцевого з’єднання визначають за формулою
, (5.123)
де t
– температура збирання апарата, °С; А, В
– характеристики матеріалу, МПа; n
N
– коефіцієнт запасу міцності по числу циклів, n
N
= 10; n
– коефіцієнт запасу міцності по напружинам, n
= 2;
– умовна амплітуда напружин при затягненні фланцевого з’єднання, МПа.
Умовну амплітуду напружин при затягненні фланцевого з’єднання визначають за формулою
.
(5.124)
Характеристики матеріалу A і B визначають за таблицею 5.7. Таблиця 5.7 – Характеристики матеріалу A і B
| Сталі |
A , МПа |
B , МПа |
| Вуглецеві |
|
|
| Низьколеговані |
|
|
| Аустенітні корозійностійкі |
|
270 |
Позначення в таблиці 5.7:
R m 20 – мінімальне значення тимчасового опору (границі міцності) при температурі 20 °С, МПа;
R e 20 – мінімальне значення границі текучості при температурі 20 °С, МПа.
Число допустимих циклів зміни режиму експлуатації визначають за формулою
,
(5.125)
p
де a
– умовна амплітуда напружин для робочих умов, МПа;
t – розрахункова температура стінки апарата, °С.
Умовну амплітуду напружин для робочих умов визначають за формулою
.
(5.126)
Умова міцності для заданої кількості циклів навантажень має вигляд
1 , (5.127)
де N з – кількість збирань фланцевого з’єднання за весь строк служби;
N p – кількість циклів зміни режимів експлуатації за весь строк служби.
5.12 Приклади розрахунку фланцевих з'єднань
Приклад 1
Розрахунок на міцність, жорсткість та герметичність фланцевого з'єднання люка апарата, що працює під внутрішнім надлишковим тиском
1 Вихідні дані
![]()
![]()
![]()
![]()
![]()
![]()
![]()
Розрахунковий тиск в апараті
Р1,0 МПа, розрахункова температура стінки t 165 С, внутрішній діаметр обичайки люка D400мм, матеріал фланця і кришки люка – сталь 20, матеріал обичайки люка – сталь Ст3сп5. Група апарата – 4. Додаток до розрахункової товщини обичайки люка для компенсації корозії та ерозії прийняти рівним С
12 мм. Розрахунковий тиск в умовах випробувань Р
в
1,33МПа. Загальна кількість циклів навантаження за весь строк служби апарата N 2 103
. Зовнішнє осьове зусилля, що діє на фланцеве з'єднання, прийняти рівним F0 , зовнішній згинальний момент – M0 .
![]()
![]()
За розрахунковим тиском Р1МПа і розрахунковою температурою t165°С для апарата 4 групи приймаємо люк виповнення 2 з плоским приварним фланцем зі сталі 20 з гладкою ущільнювальною поверхнею. Відповідно до таблиці А.1 додатку А для плоских приварних фланців на умовний тиск PN 1 МПа, які виготовляються зі сталі 20, при розрахунковій температурі t 165 C допустимий розрахунковий тиск визначаємо методом лінійної інтерполяції, P 0,967 МПа, що менше розрахункового. Приймаємо фланці на номінальний
(умовний
) тиск PN 1,6 МПа, допустимий розрахунковий тиск для яких при розрахунковій температурі складає P
1,548 МПа, що більше розрахункового. Умовне позначення люка:
Люк 2-400-1,6-1 ОСТ 26-2002-83.
Конструкція та розміри люка і його елементів відповідно до стандартів
29
, 33
, 40
, 41
наведені на рисунку 5.5. У фланцевому з'єднанні з гладкою ущільнювальною поверхнею застосовуємо паронітову прокладку виповнення 2 за таблицею Е.1 додатку Е. Конструкція та розміри прокладки наведені на рисунку 5.5,г.
![]()
Розрахункова температура стінки апарата складає t165 C , тому апарат і фланцеве з'єднання повинні бути теплоізольовані.
Розміри елементів фланцевого з'єднання, мм:
| Внутрішній діаметр обичайки люка D . . . . . . . . . . . . . . . . . . . . . . . |
400 |
| Діаметр болтової окружності D б . . . . . . . . . . . . . . . . . . . . . . . . . . . |
495 |
| Зовнішній діаметр фланця D з . . . . . . . . . . . . . . . . . . . . . . . . . . . . . |
535 |
| Товщина обичайки люка S о . . . . . . . . . . . . . . . . . . . . . . . . . . . . . . . . . . |
8 |
| Товщина фланця люка в місці ущільнення h . . . . . . . . . . . . . . . . . . . |
35 |
| Товщина кришки люка S кр . . . . . . . . . . . . . . . . . . . . . . . . . . . . . . . . . . |
26 |
| Товщина кришки люка в місці ущільнення h кр . . . . . . . . . . . . . . . . . . |
23 |
Товщина кришки люка на зовнішньому діаметрі
кр
. . . . . . . . . . . . 23
| Зовнішній діаметр прокладки D 1 . . . . . . . . . . . . . . . . . . . . . . . . . . . . |
457 |
| Внутрішній діаметр прокладки D 2 . . . . . . . . . . . . . . . . . . . . . . . . . . |
427 |
| Товщина прокладки h n . . . . . . . . . . . . . . . . . . . . . . . . . . . . . . . . . . . . . |
2 |
Діаметр болтів d . . . . . . . . . . . . . . . . . . . . . . . . . . . . . . . . . . . . . . . . . М20
Кількість болтів n . . . . . . . . . . . . . . . . . . . . . . . . . . . . . . . . . . . . . . . . 20
а – люк; б – кришка люка; в – фланець; г – прокладка
Рисунок 5.5 – Люк апарата
За таблицею 5.1 визначаємо розрахункові температури фланця і болтів:
tф t 165 С;
tб
0,97t 0,97 165 160 С.
За таблицею 4.1 при заданих розрахункових параметрах для фланців з вуглецевої сталі для виготовлення болтів приймаємо сталь марки 40.
Допустиму напружину матеріалу болтів
б
, МПа, при розрахунковій температурі
t
б
160 С визначаємо за таблицею 5.2 методом лінійної інтерполяції
б
122МПа.
![]()
![]()
Допустимі напружини для матеріалу обичайки визначаємо за посібником 2
. При розрахунковій температурі
t 165 C допустиму напружину приймаємо рівною
144МПа, при температурі
t 20 C –
154МПа
.
![]()
Мінімальне значення границі текучості для сталі Ст3сп5 при розрахунковій температурі
t 165 C приймаємо рівним
R
e
223,5 МПа; при температурі
t 20 C –
R
e
20
250МПа. Мінімальне значення тимчасового опору при розрахунковій температурі
t 165 C приймаємо рівним
R
m
473,5 МПа, при температурі
t 20 C –
R
m
20
460МПа.
Визначаємо допустимі напружини для матеріалу фланця в перерізі S 0 за формулами:

Розрахунковий тиск Р в робочих умовах, помножений на величину
1,35
154
|
|
20 |
|
|
![]()
1,35P1,35 1,0 1,44МПа
144
більше розрахункового тиску Р в в умовах випробувань, тому розрахунок фланцевого з'єднання для умов випробувань не проводимо [2 ].
Відповідно до рисунка 5.5,г визначаємо виконавчу ширину прокладки
b
n D
1
D
2
457 427 15мм
2 2
і середній діаметр прокладки
D cn D 1 D 2 457 427 442мм.
2 2
Ефективну ширину прокладки визначаємо за формулою (5 .9 )
b0 b n 15 мм.
![]()
За таблицею 5.4 для прокладки з пароніту товщиною 2 мм визначаємо коефіцієнт обтиснення
К 0,9 і умовний модуль стиснення Е
п
0,02 10
5
МПа.
Лінійну податливість неметалевої прокладки визначаємо за формулою (5.12 )
y
n Eh
n
n DK
cn
b
n
3,14 0,022 100,9
5 442 15 4,321 10
8 мм/Н.
Відстань між опорними поверхнями гайки і голівки болта l б 0 визначаємо відповідно до рисунка 5.5,а
lб
0 h
h
кр
h
n
35 23 2 60 мм.
Розрахункову довжину болта визначаємо за формулою
(5
.16
) lб
lб
0 0,28d 60 0,28 20 65,6 мм.
![]()
Площу поперечного перерізу болта М20 по внутрішньому діаметру нарізі визначаємо за таблицею 5.5,
f
б
225мм2
. Модуль подовжньої пружності матеріалу болта
(сталь марки 40
) Е
б
20
при температурі
t 20 C визначаємо за посібником 2
, E
б
20
1,99
10
5
МПа. Податливість болтів визначаємо за формулою
(5
.15
)
l
б 65,6 7,326 10
8 1/Н мм. y
б 20 f
б n 1,99 10
5 225 20
E б
Еквівалентну товщину плоского приварного фланця приймаємо рівною товщині обичайки в перерізі S 0
0,305.
Товщина плоскої кришки в зоні ущільнення
h
кр
і на зовнішньому діаметрі
кр
відповідно до рисунка 5.5,а складає
hкр
23 мм.
Значення коефіцієнтів К кр і Х кр обчислюємо за формулами (5 .32 )
і (5 .31 )
| 0,67 |
1,21 2 |
|
|
||
|
|
1,21
2
|
|
|
||
Кутову податливість плоскої кришки визначаємо за формулою
(5 .30 )

Коефіцієнт жорсткості фланцевого з'єднання з плоскою кришкою визначаємо за формулою (5 .40 )
J
|
|
|
26,5 |
||
| 7,478 |
10 |
7 |
||
1,643.
Розрахунок навантажень, що діють у фланцевому з'єднанні Рівнодіючу внутрішнього надлишкового тиску визначаємо за формулою (5 .44 )
![]()
Q
д
0,785D
сп
2
Р 0,785 442
2
1,0 153400Н.
Реакцію прокладки в робочих умовах обчислюємо за формулою (5 .45 ), визначивши за таблицею 5.4 коефіцієнт питомого тиску на прокладку m
52070 Н.
Коефіцієнти лінійного розширення матеріалів фланця, кришки і болтів визначаємо методом лінійної інтерполяції за таблицею 5.6: 12,39 10 6
1/
ф кр °С;
11,72 10
6
1/
б
°С.
Модулі подовжньої пружності матеріалів фланця, кришки і болтів при розрахунковій температурі визначаємо методом лінійної інтерполяції за посібником 2
:
![]()
![]()
![]()
Е Екр
1,845 105
МПа;
Навантаження Q t , що виникає від температурних деформацій фланцевого з'єднання, визначаємо за формулою (5 .50 )

тому при визначенні болтового навантаження воно не враховується. Болтове навантаження Рб 1 визначаємо за формулою (5 .54 )
![]()
Рб
1 J Qд
Rп
1,643 153400 52070 304100Н.
Болтове навантаження Р
б
2 , необхідне для початкового зминання прокладки, визначаємо за формулою
(5
.55
). Питомий тиск обтиснення прокладки з пароніту визначаємо за таблицею 5.4,
q
обт
20 МПа .
Рб
2 0,5 Dcn
b0
qобт
0,5 3,14 442 15 20 208300Н.
Болтове навантаження Р б 3 за умови забезпечення міцності болтів визначаємо за формулою (5 .56 )
Р
б
3 0,4
б
20
n f
б
0,4 130 20 225 234000Н.
Болтове навантаження в умовах монтажу Р б визначаємо за формулою (5 .52 )
![]()
![]()
Рб
max Pб
1;Рб
2;Рб
3 max 304100;208300;234000304100Н.
Розрахунок болтів
Умова міцності болтів в умовах монтажу (5.58 )
б1 P
б 304100 67,6
20б 130МПа n f
б
20 225
виконується.
Прирощення навантаження на болти в робочих умовах визначаємо за формулою (5 .61 )
Рб 1 J Qд Qt 1 1,643 153400 7120 91520Н.
Умова міцності болтів в робочих умовах (5 .59 )
б2 P
б
1
f
бP
б
304100 91520 47,
2
б
122МПа п
20 225
виконується.
Розрахунок прокладки
Допустимий питомий тиск на прокладку визначаємо за таблицею 5.4, q 130МПа.
Умова міцності м'якої прокладки (5 .63 )
P
б
304100 14,6 q 130МПа
q
D cn b n 3,14 442 15
виконується.
Розрахунок фланця на міцність
Згинальний момент від болтового навантаження обчислюємо за формулою (5.65 )
M
01
P
б
b 304100 26,5 8,059 10
6
Н мм.
Кут повороту фланця при затягненні з'єднання обчислюємо за формулою (5 .64 )
| 1
|
|
|
|
| E 20 |
h 3 |
||
M
01
![]()
8,059 10
6
3,44 10
3
рад.
Прирощення згинального моменту від болтового навантаження
M
01
визначаємо за формулою
(5
.68
)
M01
Pб
b Qд
e 91520 26,5 153400 17 182520Н
мм.
Прирощення кута повороту фланця в робочих умовах обчислюємо за формулою (5 .66 )
| 1
|
|
|
|
| E |
h 3 |
||
01
![]()
| 1
|
|
|
|
|
||
![]()
![]()
182520 8,4 10
5
рад.
01
![]()
182520рад.
Коефіцієнт Т обчислюємо за формулою (5 .70 )
T
![]()
| Dз
|
|
D
з
|
|
|
|
|
Dз
|
D
з
|
|
|
1
|
|
|
lg |
|
|
||
| 1 |
,05
|
2 |
|
|||
2
1,78.
Максимальну напружину вигину у втулці
в перерізі
S
0
обчислюємо за формулою
(5
.72
)
| 1,78 |
0,305 |
8,059 |
106 |
|
| 400 |
|
|||
404,5 МПа.
Меридіональні напружини в циліндричній обичайці при затягненні фланцевого з'єднання для плоских приварних фланців складають:
– на зовнішній поверхні втулки
404,5МПа;
– на внутрішній поверхні втулки
404,5 МПа.
Прирощення напружини, що виникає в меридіональному напрямку в циліндричній втулці в робочих умовах від дії зовнішніх навантажень
м
, визначаємо за формулою
(5.82
) м Q
д
4M D
cn
F 153400 4 0 / 442 0 23,5
МПа.
D S
0
C 3,14 400 8 2,8
Прирощення напружини
, що виникає в меридіональному напрямку в циліндричній втулці в робочих умовах від зміни згинального моменту, визначаємо за формулою
(5
.83
)
в DT S MC
012 1,784000,3058 2182520,8
2 9,2
МПа.
0
Прирощення меридіональних напружин у циліндричній обичайці в робочих умовах для плоских приварних фланців визначаємо за формулами:
– на зовнішній поверхні обичайки (5.80 )
32,7 МПа;
– на внутрішній поверхні обичайки (5 .81 )
14,3 МПа.
Окружні напружини в циліндричній обичайці при затягненні з'єднання для плоских приварних фланців визначаємо за формулами:
– на зовнішній поверхні обичайки (5 .88 )
23
0,3 в
0,3 404,5 121,4МПа;
– на внутрішній поверхні обичайки (5 .89 )
24
0,3 в
0,3 404,5 121,4 МПа.
Прирощення окружних напружин в циліндричній обичайці в робочих умовах для плоских приварних фланців обчислюємо за формулами:
– на зовнішній поверхні обичайки (5.94 )
|
|
||||||||||
0,3 9,2 41,2МПа;
– на внутрішній поверхні обичайки (5 .95 )
|
|
||||||||||
0,3 9,2 35,7 МПа.
Меридіональну напружину в перерізі S 0 на зовнішній поверхні втулки плоского приварного фланця в робочих умовах визначаємо за формулою (5 .104 )
21
р
21 21 404,5 32,7 437,2 МПа.
Меридіональну напружину в перерізі S 0 на внутрішній поверхні втулки плоского приварного фланця в робочих умовах визначаємо за формулою (5.105 )
22
р
22 22 404,5 14,3 390,2 МПа.
Окружну напружину в перерізі S 0 на зовнішній поверхні втулки плоского приварного фланця в робочих умовах визначаємо за формулою
(5.106 )
23
р
23 23 121,4 41,2 162,6 МПа.
Окружну напружину в перерізі S 0 плоского приварного фланця на внутрішній поверхні втулки в робочих умовах визначаємо за формулою
(5.107 )
24
р
24 24 121,4 35,7 85,7 МПа.
Умови статичної міцності фланця в перерізі S 0 , що визначаютьсяза формулами:

![]()
виконуються.
Допустимий кут повороту для плоских приварних фланців в робочих умовах складає
= 0,013 рад.
Умова жорсткості фланцевого з'єднання (5.108 )
3,44 10
3
8,4 10
5
0,0035 0,013 рад
виконується.
Розрахунок фланцевого з'єднання на малоциклову втомленість Головні напружини для плоских приварних фланців визначаємо за формулами (5 .113 )- (5 .115 ):

Розрахункову амплітуду зведених умовних пружних напружин, що виникають у фланці при затягненн з'єднання, визначаємо за формулою
(5.109 )
а
0,5max
1; 2
; 3
0,5max 0; 606,8; 606,8303,4 МПа.
Прирощення напружин для плоских приварних фланців визначаємо за формулами
(5.120
)-
(5
.122
):
1 0 ;
2 1,5 max 21 ; 23 ; 21 23
1,5 max 32,7 ; 41,2; 32,7 41,2 61,8 МПа;
3 1,5 max 22 ; 24 ; 22 24
1,5 max 14,3; 35,7 ; 14,3 35,7 53,6 МПа.
![]()
Розрахункову амплітуду зведених умовних пружних напружин в робочих умовах визначаємо за формулою
(5.116
) р 0,5 max
1
;
2
;
3
0,5 max 0; 61,8; 53,630,9 МПа.
a
Характеристику матеріалу
(вуглецевої сталі
) визначаємо за таблицею 5.7, А 0,6
105
МПа. Характеристику В визначаємо за формулою, що наведена в таблиці 5.7
![]()
В 0,66 R
m
20
0,43 R
e
20
0,66 460 0,43 250 196 МПа.
Коефіцієнт запасу міцності по числу циклів навантаження складає
n
N
=10; коефіцієнт запасу міцності по напружинам – n
= 2.
Умовну амплітуду напружин при затягненні фланцевого з'єднання визначаємо за формулою (5.124 )
303,4 МПа.
Виходячи із загальної кількості циклів навантаження за весь термін служби апарата, кількість збирань фланцевого з'єднання приймаємо рівною
N
з
1000, кількість циклів зміни режимів експлуатації – N p
1000 .
Кількість допустимих збирань фланцевого з'єднання визначаємо

Умовну амплітуду напружин для робочих умов визначаємо за формулою (5.126 )
98 МПа. Допустиме число циклів зміни режиму експлуатації визначаємо при розрахунковій температурі за формулою
(5.125
)

Умова малоциклової міцності для заданої кількості циклів навантажень (5.127 )
N
з N
p 1000 1000 0,12 1
N з N p 8,38 10 3
виконується.
Приклад 2
Розрахунок на міцність, жорсткість і герметичність фланцевого з'єднання апарата, що працює під внутрішнім надлишковим тиском
Вихідні дані
![]()
![]()
![]()
Розрахунковий тиск в апараті складає
Р7,0 МПа, розрахункова температура стінки апарата t 250 С, внутрішній діаметр апарата D1000мм, матеріал фланців і обичайки – сталь марки 16ГС. Група апарата – 1. Добавку для компенсації корозії та ерозії прийняти рівною С
1
2 мм. Розрахунковий тиск в умовах випробувань Р
в
11,04 МПа .
![]()
![]()
Загальна кількість циклів навантаження за весь строк служби апарата N 3,5
103
. Зовнішнє осьове зусилля, що діє на фланцеве з'єднання, прийняти рівним F0 , зовнішній згинальний момент – M0 .
![]()
За таблицею 2.1 для заданих розрахункових параметрів приймаємо фланці приварні встик з металевою прокладкою восьмикутного перерізу
(рисунок Б.28
). Для фланців на умовний тиск PN 8,0 МПа, зі сталі марки 16ГС, при розрахунковій температурі
t 250 C допустимий розрахунковий тиск складає P 7,25МПа 28
, що більше розрахункового.
Конструкція та розміри фланців відповідно до таблиці Б.6 наведені на рисунку 5.6,а, конструкція та розміри прокладки відповідно до таблиці Е.4 додатку Е – на рисунку 5.6,б.
а – фланцеве з'єднання; б – прокладка восьмикутного перерізу Рисунок 5.6 – Фланцеве з'єднання з металевою прокладкою
Розміри елементів фланцевого з'єднання, мм:
Внутрішній діаметр фланця D . . . . . . . . . . . . . . . . . . . . . . . . . . . . . 1000 Діаметр болтової окружності D б . . . . . . . . . . . . . . . . . . . . . . . . . . . 1255
Зовнішній діаметр фланця D з . . . . . . . . . . . . . . . . . . . . . . . . . . . . . . 1340
Товщина втулки в місці з'єднання з обичайко S 0 . . . . . . . . . . . . . . . 37
Товщина втулки в місці з'єднання з фланцем S 1 . . . . . . . . . . . . . . . . 76
Довжина конічної втулки l . . . . . . . . . . . . . . . . . . . . . . . . . . . . . . . . . 140
Товщина фланця h . . . . . . . . . . . . . . . . . . . . . . . . . . . . . . . . . . . . . . . . 130
Середній діаметр прокладки D сп . . . . . . . . . . . . . . . . . . . . . . . . . . . . 1090
Ширина прокладки b n . . . . . . . . . . . . . . . . . . . . . . . . . . . . . . . . . . . . . . 28
Діаметр болтів d . . . . . . . . . . . . . . . . . . . . . . . . . . . . . . . . . . . . . . . . . М42
Кількість болтів n . . . . . . . . . . . . . . . . . . . . . . . . . . . . . . . . . . . . . . . . 40
Розрахункова температура апарата складає
t 250 C, тому апарат і фланцеве з'єднання повинні бути теплоізольовані.
За таблицею 5.1 визначаємо розрахункові температури фланця і шпильок:
tф
t 250 С;
tб
0,97t 0,97 250 242,5 С.
За таблицею 4.1 при заданих розрахункових параметрах для фланців зі сталі марки 16ГС як матеріал шпильок приймаємо сталь марки 40Х.
Допустиму напружину матеріалу шпильок
, МПа, при розрахунковій температурі
t
б
242,5 С визначаємо за таблицею 5.2 методом лінійної інтерполяції
,
б
222МПа.
![]()
Допустиму напружину для сталі марки 16ГС при розрахунковій температурі
t 250 C за посібником 2
приймаємо рівною
145МПа, при температурі
t 20 C –
20
183МПа. Мінімальне значення границі текучості для сталі марки 16ГС при розрахунковій темпе-
![]()
![]()
![]()
ратурі
t 250 C приймаємо рівним
R
e
218МПа ; при температурі
t 20 C –
R
e
20
280МПа . Мінімальне значення тимчасового опору при розрахунковій температурі
t 250 C приймаємо рівним
R
m
444МПа, при температурі
t 20 C –
R
m
20
440 МПа.
Визначаємо допустимі напружини для матеріалу приварних встик фланців у перерізі S 1 за формулами:
– в робочих умовах (5 .3 )
S
1 1,5 1,5 145 217,5МПа;
– в умовах затягнення фланцевого з'єднання (5 .4 )
20
S1 1,5
20
1,5 183 274,5 МПа;
– в умовах випробувань (5 .5 )
в
2,0
20
2,0 183 366МПа.
S 1
Визначаємо допустимі напружини для матеріалу приварних встик фланців у перерізі S 0 за формулами:
510МПа;
590,5МПа; 783,5 МПа.
більше розрахункового Р в в умовах випробувань [2 ], тому розрахунок фланцевого з'єднання для умов випробувань не проводимо.
Ефективну ширину прокладки визначаємо за формулою
(5
.11
) b0
0,25bn
0,25 28 7 мм.
Лінійна податливість металевої прокладки
y
n
0.
Відстань між фланцями
визначаємо відповідно до рисунку 5.6 і розмірів фланця за таблицею
Б.6 додатку Б і прокладки за таблицей
Е.4
додатку Е,
10 мм.
Відстань між опорними поверхнями гайок l б 0 визначаємо за формулою
lб 0 2 h 2 130 10 270мм.
Розрахункову довжину шпильки визначаємо за формулою (5 .16 ) lб lб 0 0,56 d 270 0,56 42 293,52 мм.
Площу поперечного перерізу шпильки по внутрішньому діаметру нарізі визначаємо за таблицею 5
.5,
f
б
1045мм2
. Модуль подовжньої пружності матеріалу шпильок
(сталь марки 40Х
) при температурі
t 20 C визначаємо за посібником
[2
], Е
б
20
1,99
10
5
МПа.
Податливість шпильок визначаємо за формулою (5 .15 )
l б 293,52 3,529 10 8 1/Н мм.
y б 20 f б n 1,99 10 5 1045 40
E б
Коефіцієнти , X, K 1 обчислюємо за формулами (5.18 )- (5 .20 ):
S 1 76 2,054;
S 0 37
l 140
X 0,728; D S 0 1000 37
| X |
|
|
|
1
|
K 1 1 1
1 2,054 1
1,514.
Еквівалентну товщину втулки приварного встик фланця визначаємо за формулою (5 .17 )
Sе
K1
S0
1,514 37 56,03мм.
Значення коефіцієнтів j,
обчислюємо за формулами
(5 .22 )- (5 .26 ):
0,353.
Кутову податливість фланця визначаємо за формулою
(5.21
) y
ф 1 E1
20
0,h9
3
2
1 0,3531,991 100,9
5
0130,676
3
6,882
6,796 10 12 1/ Н мм.
Плечі моментів сил визначаємо за формулами (5 .34 ) і (5 .35 ): b 0,5 Dб Dсп 0,5 1255 1090 82,5мм;
e 0,5 Dсп D Sе 0,5 1090 1000 56,03 16,98 мм.
Коефіцієнт жорсткості фланцевого з'єднання з металевою прокладкою складає J 1.
Розрахунок навантажень, що діють у фланцевому з'єднанні Рівнодіючу внутрішнього надлишкового тиску визначаємо за формулою (5 .44 )
![]()
Q
д
0,785D
сп
2
Р 0,785 1090
2
7,0 6,53 10
6
Н.
Реакцію прокладки в робочих умовах обчислюємо за формулою
(5
.45
), визначивши за таблицею 5.4 коефіцієнт питомого тиску на прокладку,
m5,5
R
n
D
сп
b
0
m P 3,14 1090 7 5,5 7,0 9,23 10
6
H.
Коефіцієнти лінійного розширення матеріалу фланців і шпильок визначаємо за таблицею 5
.6: 14,65 10 6
1/
ф
°С;
б
13,60 10
6
1/ °С.
Модулі подовжньої пружності матеріалів фланця і болта при розрахунковій температурі визначаємо за посібником [2 ]:
![]()
![]()
![]()
Е 1,76 105
МПа;
Навантаження Q t від температурних деформацій фланцевого з'єднання, визначаємо за формулою (5 .48 )

Болтове навантаження
P
б
1 визначаємо за формулою
(5
.54
), при цьому температурне навантаження не враховуємо, тому що
Q
t
0
Рб
1 J Qд
Rn Qt 1 6,53 106
9,23 105
0 7,453 106
Н.
Болтове навантаження Р
б
2 , необхідне для початкового зминання прокладки, визначаємо за формулою
(5
.55
), прийнявши питомий тиск обтиснення прокладки за таблицею 5
.4,
q
обт
125МПа.
Р
б
2 0,5 D
cn
b
0
q
обт
0,5 3,14 1090 7 125 1,5 10
6
Н.
Болтове навантаження Р б3 за умови забезпечення міцності шпильок визначаємо за формулою (5 .56 )
Р
б
3 0,4
б
20
n f
б
0,4 230 40 1045 3,85 10
6
Н.
Болтове навантаження в умовах монтажу Р б визначаємо за формулою (5 .52 )
![]()
![]()
![]()
![]()
Р
б
max P
б
1;Р
б
2;Р
б
3 7,453 10
6
; 1,510
6
; 3,85 10
7,453 10
6
Н.
Розрахунок шпильок
Умова міцності шпильок в умовах монтажу (5 .58 )
5 Н.
230МПа
Розрахунок фланця на міцність
Згинальний момент від болтового навантаження обчислюємо за формулою (5 .65 )
M
01
P
б
b 7,453 10
6
82,5 6,15 10
8
Н мм.
Кут повороту фланця при затягненні з'єднання обчислюємо за формулою (5 .64 )
| 1
|
|
|
|
| E 20 |
h 3 |
||
M
01
![]()
615 10
8
4,178 10
3
рад.
Прирощення згинального моменту від болтового навантаження
M
01
визначаємо за формулою
(5
.68
)
M
01
P
б
b Q
д
e
5
82,5 6,53 10
6
16,98 1,45 10
8
Н мм.
4,09 10
| 1
|
|
|
|
| 8 |
|
||
Прирощення кута повороту фланця в робочих умовах обчислюємо за формулою
(5
.66
)
01
![]()
1,45 10рад.
![]()
Коефіцієнт f визначаємо за графіком, наведеним на рисунку 5.3 при 2,054 і l D S
0
140 1000 37 0,728, f
Розрахунковий діаметр D * визначаємо за формулою (5 .71 ) при діа-
f 1
T
Максимальну напружину вигину
у перерізі товщиною
S
1
визначаємо за формулою
(5
.69
)
| 1,78 |
0,353 |
6,15 |
108 |
| 1076 |
|
2 |
|
65,6 МПа.
Меридіональні напружини в перерізі S 1 конічної втулки фланця при затягненні фланцевого з'єднання складають:
– на зовнішній поверхні втулки
65,6 МПа;
– на внутрішній поверхні втулки
65,6 МПа.
Меридіональні напружини в перерізі S 0 конічної втулки фланця при затягненні фланцевого з'єднання складають:
– на зовнішній поверхні втулки
21
f
в
1 65,6 65,6 МПа;
– на внутрішній поверхні втулки
22
f
в
1 65,6 65,6 МПа.
Прирощення напружини, що виникає в меридіональному напрямку в перерізі S 1 конічної втулки фланця від дії зовнішніх навантажень в робочих умовах, визначаємо за формулою (5 .75 )
м Q
д
4 M D
cn
F 6,53 10
6
4 0 1090 0 28,08
МПа.
D S
1
C 3,14 1000 76 2
Прирощення напружини, що виникає в меридіональному напрямку у перерізі конічної втулки товщиною S 1 від зміни згинального моменту в робочих умовах, визначаємо за формулою (5 .76 )
| 1,78 |
0,353 |
1,45 |
108 |
| 1076 |
|
2 |
|
15,43 МПа.
Прирощення меридіональних напружин в робочих умовах у перерізі S 1 конічної втулки фланця складають:
– на зовнішній поверхні втулки за формулою (5 .73 )
11 м в
28,08 15,43 43,51 МПа;
– на внутрішній поверхні втулки за формулою (5.74 )
12 м в
28,08 15,43 12,65 МПа.
Прирощення напружини, що виникає в меридіональному напрямку в перерізі
S
0
конічної втулки фланця від дії зовнішніх навантажень в робочих умовах, визначаємо за формулою
(5
.79
) м Q
d
4M D
cn
F 6,53 10
6
4 0 1090 0 59,37
МПа.
D S
0
C 3,14 1000 37 2
Прирощення меридіональних напружин в робочих умовах у перерізі S 0 конічної втулки фланця визначаємо за формулами:
– на зовнішній поверхні втулки (5 .77 )
21
м
f в
59,38 1 15,43 74,81МПа;
– на внутрішній поверхні втулки (5 .78 )
22
м
f в
59,38 1 15,43 43,95МПа.
Окружні напружини у перерізі S 1 конічної втулки фланця при затягненні з'єднання визначаємо за формулами:
– на зовнішній поверхні втулки (5 .84 )

Окружні напружини у перерізі S 0 конічної втулки фланця при затягненні з'єднання визначаємо за формулами:
– на зовнішній поверхні втулки (5 .86 )
23
0,3 f в
0,3 1 65,6 19,67МПа;
– на внутрішній поверхні втулки (5 .87 )
24
0,3 f в
0,3 1 65,6 19,67МПа.
Прирощення окружних напружин у перерізі S 1 конічної втулки фланця в робочих умовах визначаємо за формулами:
– на зовнішній поверхні втулки (5 .90 )

– на внутрішній поверхні втулки (5 .91 )
![]()
Прирощення окружних напружин у перерізі S 0 конічної втулки фланця в робочих умовах обчислюємо за формулами:
– ![]()
![]()
на зовнішній поверхні втулки
(5
.92
)
Меридіональні та окружні напружини у перерізі S 1 конічної втулки фланця в робочих умовах за формулами (5 .98 )- (5 .101 ) складають:
109,11МПа;
52,95 МПа; 181,72МПа; 133,11МПа.
Умови статичної міцності фланця в перерізі S 1 ,які визначаються за формулами:

виконуються.
Меридіональні та окружні напружини в перерізі товщиною S 0 конічної втулки фланця в робочих умовах визначаємо за формулами
(5 .104 )- (5 .107 ):
21
р
21 21 65,6 74,81 140,41МПа;
21,56МПа;
124,30 МПа;
75,70МПа.
Умови статичної міцності приварних встик фланців у перерізі S 0 :
– при затягненні з'єднання (5 .102 )
виконується.
Розрахунок фланцевого з'єднання на малоциклову утомленість
За графіком, наведеним на рисунку 5
.4, при відношенні r
S
1
7 76 0,092, визначаємо коефіцієнт a 3,25.
Головні напружини для приварних встик фланців визначаємо за формулами
(5
.110
)-
(5
.112
):
1 11 3,25 65,6 213,1МПа;
2 max 21 ; 23 ; 21 23 max 65,6 ; 19,67; 45,93
65,6 МПа;
![]()
![]()
65,6 МПа. Розрахункову амплітуду зведених умовних пружних напружин при затягненні фланцевого з'єднання визначаємо за формулою
(5
.109
) a 0,5 max
1
;
2
;
3
0,5 max 213,1; 65,6; 65,6106,55 МПа.
Прирощення напружин для приварних встик фланців визначаємо за формулами (5 .117 )-(5 .119 ):

Розрахункову амплітуду зведених умовних пружних напружин в робочих умовах визначаємо за формулою (5 .116 )
р 0,5 max
1;
2;
3
a
0,5 max 141,5; 104,63; 95,37 70,75 МПа.
Характеристики матеріалу A і Б (низьколегованої сталі марки 16ГС ) визначаємо за таблицею 5 .7:
А 0,45 105
МПа;
![]()
В0,66R
m
20
0,43R
e
20
0,66 440 0,43 280 170МПа.
Коефіцієнт запасу міцності по числу циклів навантаження складає
n
N
=10; коефіцієнт запасу міцності по напружинах – n
=2.
Умовну амплітуду напружин при затягненні фланцевого з'єднання визначаємо за формулою (5 .124 )
max 106,55;
106,55 МПа.
Кількість збирань фланцевого з'єднання за весь термін служби
7
85 МПа.
Допустиме число циклів змінення режимів експлуатації при розрахунковій температурі визначаємо за формулою (5 .125 )

ДОДАТОК А
Межі застосування фланців посудин і апаратів
Таблиця А.1
| Тиск номінальний PN , МПа |
Марка сталі фланця |
Розрахунковий тиск Р , МПа, при температурі t , °С |
|||||||||||
| до 100 |
200 |
250 |
300 |
350 |
400 |
425 |
450 |
475 |
500 |
520 |
540 |
||
| 0,3 |
20, 20К |
0,3 |
0,29 |
0,25 |
0,23 |
- |
- |
- |
- |
- |
- |
- |
- |
| 09Г2С, 16ГС, 17ГС, 17Г1С, 10Г2С1, 10Г2, 09Г2 |
0,28 |
0,27 |
0,25 |
- |
- |
- |
- |
- |
- |
- |
- |
||
| 12Х18Н10Т, |
|||||||||||||
| 10Х17Н13М2Т, 10Х17Н13М3Т |
0,26 |
- |
- |
- |
- |
- |
- |
- |
- |
||||
| 08Х22Н6Т, |
0,25 |
0,23 |
- |
- |
- |
- |
- |
- |
- |
- |
|||
| 06ХН28МДТ, |
0,27 |
0,24 |
- |
- |
- |
- |
- |
- |
- |
- |
|||
| 0,6 |
20, 20К |
0,6 |
0,57 |
0,51 |
0,46 |
0,45 |
0,38 |
0,35 |
0,26 |
0,20 |
- |
- |
- |
| 09Г2С, 16ГС, 17ГС, 17Г1С, 10Г2С1 |
0,55 |
0,54 |
0,50 |
0,46 |
0,39 |
0,33 |
|||||||
| 10Г2, 09Г2 |
0,34 |
||||||||||||
| 12Х18Н10Т, 10Х17Н13М2Т, 10Х17Н13М3Т |
0,53 |
0,52 |
0,50 |
0,49 |
0,45 |
0,43 |
0,41 |
0,37 |
0,34 |
0,30 |
|||
Продовження таблиці А.1
| Тиск номінальний PN , МПа |
Марка сталі фланця |
Розрахунковий тиск Р , МПа, при температурі t , °С |
|||||||||||
| до 100 |
200 |
250 |
300 |
350 |
400 |
425 |
450 |
475 |
500 |
520 |
540 |
||
| 0,6 |
08Х22Н6Т |
0,6 |
0,56 |
0,51 |
0,46 |
- |
- |
- |
- |
- |
- |
- |
- |
| 06ХН28МДТ |
0,54 |
0,48 |
0,47 |
0,45 |
|||||||||
| 15ХМ |
0,60 |
0,58 |
0,57 |
0,55 |
0,53 |
0,52 |
0,51 |
0,41 |
0,39 |
0,39 |
0,22 |
||
| 15Х5М |
0,57 |
0,54 |
0,51 |
0,48 |
0,45 |
0,43 |
0,40 |
0,37 |
0,34 |
0,28 |
0,23 |
||
| 1,0 |
20, 20К |
1,0 |
0,95 |
0,85 |
0,77 |
0,73 |
0,63 |
0,58 |
0,43 |
0,33 |
- |
- |
- |
| 09Г2С, 16ГС, 17ГС, 17Г1С, 10Г2С1 |
0,93 |
0,91 |
0,84 |
0,77 |
0,66 |
0,56 |
|||||||
| 10Г2, 09Г2 |
0,58 |
0,54 |
|||||||||||
| 12Х18Н10Т 08Х18Н10Т, 10Х17Н13М2Т, 10Х17Н13М3Т |
0,92 |
0,88 |
0,86 |
0,84 |
0,82 |
0,76 |
0,72 |
0,69 |
0,62 |
0,56 |
0,50 |
||
| 08Х22Н6Т |
0,94 |
0,85 |
0,77 |
- |
- |
- |
- |
- |
- |
- |
- |
||
| 06ХН28МДТ |
0,90 |
0,80 |
0,78 |
0,75 |
- |
- |
- |
- |
- |
- |
|||
| 15ХМ |
0,99 |
0,96 |
0,95 |
0,92 |
0,89 |
0,86 |
0,85 |
0,75 |
0,65 |
0,64 |
0,37 |
||
| 15Х5М |
0,95 |
0,90 |
0,85 |
0,81 |
0,74 |
0,71 |
0,67 |
0,62 |
0,57 |
0,47 |
0,38 |
||
| 1,6 |
20, 20К |
1,6 |
1,52 |
1,40 |
1,33 |
1,17 |
1,01 |
0,94 |
0,69 |
0,53 |
- |
- |
- |
| 09Г2С, 16ГС, 17ГС, 17Г1С, 10Г2С1 |
1,48 |
1,45 |
1,34 |
1,23 |
1,05 |
0,89 |
- |
- |
- |
- |
- |
||
Продовження таблиці А.1
| Тиск номінальний PN , МПа |
Марка сталі фланця |
Розрахунковий тиск Р , МПа, при температурі t , °С |
|||||||||||
| до 100 |
200 |
250 |
300 |
350 |
400 |
425 |
450 |
475 |
500 |
520 |
540 |
||
| 1,6 |
10Г2, 09Г2 |
1,6 |
1,48 |
1,45 |
1,34 |
1,23 |
0,92 |
0,87 |
- |
- |
- |
- |
- |
| 12Х18Н10Т, 08Х18Н10Т, 10Х17Н13М2Т, 10Х17Н13М3Т |
1,47 |
1,44 |
1,36 |
1,32 |
1,29 |
1,20 |
1,15 |
1,10 |
0,99 |
0,90 |
0,80 |
||
| 08Х22Н6Т |
1,51 |
1,36 |
1,23 |
- |
- |
- |
- |
- |
- |
- |
- |
||
| 06ХН28МДТ |
1,44 |
1,36 |
1,28 |
1,24 |
1,19 |
- |
- |
- |
- |
- |
- |
||
| 15ХМ |
1,60 |
1,49 |
1,43 |
1,35 |
1,42 |
1,40 |
1,37 |
1,15 |
0,96 |
0,72 |
0,59 |
||
| 15Х5М |
1,52 |
1,44 |
1,36 |
1,29 |
1,19 |
1,15 |
1,07 |
1,01 |
0,91 |
0,78 |
0,53 |
||
| 2,5 |
20, 20К |
2,5 |
2,38 |
2,32 |
2,09 |
1,87 |
1,60 |
1,46 |
- |
- |
- |
- |
- |
| 09Г2С, 16ГС |
2,31 |
2,26 |
1,90 |
1,64 |
1,40 |
1,08 |
0,83 |
||||||
| 10Г2, 09Г2 |
1,44 |
1,36 |
|||||||||||
| 12Х18Н10Т, 08Х18Н10Т, 10Х17Н13М2Т, 10Х17Н13М3Т |
2,32 |
2,25 |
2,15 |
2,10 |
2,05 |
1,90 |
1,80 |
1,72 |
1,55 |
1,40 |
1,25 |
||
| 08Х22Н6Т |
2,36 |
2,12 |
1,92 |
- |
- |
- |
- |
- |
- |
- |
- |
||
| 06ХН28МДТ |
2,25 |
1,99 |
1,94 |
1,87 |
|||||||||
| 15ХМ |
2,50 |
2,49 |
2,40 |
2,32 |
2,25 |
2,12 |
1,95 |
1,80 |
1,50 |
1,12 |
0,83 |
||
| 15Х5М |
2,38 |
2,25 |
2,13 |
2,00 |
1,80 |
1,67 |
1,57 |
1,43 |
1,22 |
- |
- |
||
|
|
Продовження таблиці А.1 |
||||||||||||
| Тиск номінальний PN , МПа |
Марка сталі фланця |
Розрахунковий тиск Р , МПа, при температурі t , °С |
|||||||||||
| до 100 |
200 |
250 |
300 |
350 |
400 |
425 |
450 |
475 |
500 |
520 |
540 |
||
| 4,0 |
20, 20К |
4,0 |
3,83 |
3,72 |
3,35 |
2,99 |
2,59 |
2,34 |
1,73 |
1,33 |
- |
- |
- |
| 09Г2С, 16ГС |
3,70 |
3,60 |
3,07 |
2,62 |
2,25 |
||||||||
| 10Г2, 09Г2 |
2,30 |
2,17 |
|||||||||||
| 12Х18Н10Т, 08Х18Н10Т, 10Х17Н13М2Т, 10Х17Н13М3Т |
3,70 |
3,52 |
3,40 |
3,25 |
3,00 |
2,88 |
2,68 |
2,52 |
2,28 |
1,96 |
1,32 |
||
| 08Х22Н6Т |
3,77 |
- |
3,08 |
- |
- |
- |
- |
- |
- |
- |
- |
||
| 06ХН28МДТ |
3,59 |
3,20 |
3,10 |
2,98 |
|||||||||
| 15ХМ |
4,00 |
4,00 |
3,90 |
3,67 |
3,55 |
3,45 |
3,12 |
2,28 |
2,40 |
1,80 |
1,32 |
||
| 15Х5М |
3,80 |
3,60 |
3,40 |
3,20 |
3,00 |
2,88 |
2,68 |
2,52 |
2,28 |
1,96 |
|||
| 6,3 |
20, 20К |
6,0 |
6,00 |
5,76 |
5,38 |
4,69 |
4,06 |
3,75 |
2,78 |
2,13 |
- |
- |
- |
| 09Г2С, 16ГС |
5,83 |
5,80 |
5,33 |
4,13 |
3,50 |
||||||||
| 10Г2, 09Г2 |
- |
- |
|||||||||||
| 12Х18Н10Т, 08Х18Н10Т, 10Х17Н13М2Т, 10Х17Н13М3Т |
5,94 |
5,76 |
5,55 |
5,37 |
5,25 |
4,86 |
4,61 |
4,42 |
3,97 |
3,58 |
3,20 |
||
| 08Х22Н6Т |
5,35 |
4,85 |
- |
- |
- |
- |
- |
- |
- |
- |
|||
| 15ХМ |
6,26 |
6,26 |
6,23 |
5,95 |
5,76 |
5,44 |
5,00 |
4,60 |
3,84 |
2,88 |
2,10 |
||
| 15Х5М |
6,08 |
5,76 |
5,45 |
5,12 |
4,80 |
4,60 |
4,28 |
4,03 |
3,65 |
3,14 |
|||
Закінчення таблиці А.1
| Тиск номінальний PN , МПа |
Марка сталі фланця |
Розрахунковий тиск Р , МПа, при температурі t , °С |
|||||||||||
| До 100 |
200 |
250 |
300 |
350 |
400 |
425 |
450 |
475 |
500 |
520 |
540 |
||
| 8,0 |
20, 20К |
8,0 |
7,00 |
6,80 |
6,00 |
5,50 |
5,00 |
4,20 |
3,20 |
- |
- |
- |
- |
| 16ГС |
7,40 |
7,25 |
6,50 |
6,00 |
5,25 |
4,40 |
|||||||
| 10Г2 |
4,60 |
4,30 |
|||||||||||
| 15ХМ |
8,00 |
8,00 |
7,60 |
7,34 |
7,00 |
6,40 |
6,00 |
5,60 |
4,50 |
3,90 |
2,50 |
||
| 12Х18Н10Т, 08Х18Н10Т |
7,00 |
6,80 |
6,50 |
6,40 |
6,00 |
6,0 |
5,84 |
5,75 |
5,6 |
5,2 |
4,8 |
||
| 10,0 |
20, 20К |
10,0 |
9,0 |
8,6 |
7,7 |
7,0 |
6,3 |
5,2 |
4,1 |
- |
- |
- |
- |
| 16ГС |
|||||||||||||
| 10Г2 |
|||||||||||||
| 15ХМ |
10,0 |
10,0 |
9,5 |
8,8 |
8,5 |
8,0 |
7,5 |
7,0 |
6,0 |
4,5 |
3,2 |
||
| 12Х18Н10Т 08Х18Н10Т |
8,8 |
8,6 |
8,2 |
7,9 |
7,6 |
7,5 |
7,3 |
7,2 |
7,0 |
6,5 |
6,0 |
||
| 16,0 |
20, 20К |
16,0 |
15,3 |
14,9 |
13,4 |
12,0 |
10,9 |
6,2 |
8,6 |
- |
- |
- |
- |
| 16ГС |
14,8 |
14,5 |
- |
12,3 |
9,2 |
8,7 |
- |
- |
- |
- |
- |
||
| 10Г2 |
|||||||||||||
| 15ХМ |
16,0 |
16,0 |
15,9 |
14,0 |
13,6 |
12,5 |
12,0 |
11,2 |
9,1 |
7,8 |
5,1 |
||
| 12Х18Н10Т, 08Х18Н10Т |
14,0 |
13,7 |
13,1 |
12,7 |
12,1 |
12,0 |
11,7 |
11,5 |
11,2 |
10,4 |
9,6 |
||
ДОДАТОК Б Конструкція і розміри сталевих фланців посудин та апаратів Фланці плоскі приварні [29]
Конструкція та розміри фланців наведені на рисунках Б.1-Б.15 і в таблиці Б.1.
Позначення на рисунках Б.1-Б.15:
Н =
150 мм; hS
, але не менше 15 мм.
Для фланців з пазом (виповнення 2, 7, 12) при застосуванні прокладки з фторопласту-4 розмір D 3 дорівнює D 5 , а розмір а = а 1 +0,6 мм.
Маса фланців наведена в таблиці Б.2.
Приклад умовного позначення фланця виповнення 1 діаметром
D =1200 мм на умовний тиск PN 0,6 МПа при висоті втулки Н =150 мм зі сталі марки 20:
Фланец 1-1200-0,6-150 Ст 20 ГОСТ 28759.2-90.
Те ж, для фланця з прокладкою з фторопласту:
Фланец 1-1200-0,6-150 Ф Ст 20 ГОСТ 28759.2-90.
При замовленні фланця без втулки висота втулки в позначенні не указується.
Рисунок Б.1 – Фланець плоский приварний з гладкою ущільнювальною поверхнею (виповння 1)
Рисунок Б.2 – Фланець плоский приварний з шипом (виповнення 3)
Рисунок Б.3 – Фланець плоский приварний з пазом (виповнення 2)
Рисунок Б.4 – Фланець плоский приварний з виступом (виповнення 5)
Рисунок Б.5 – Фланець плоский приварний із западиною (виповнення 4)
Рисунок Б.6 – Фланець плоский приварний з гладкою ущільнювальною поверхнею, облицьований листом з корозійностійкої сталі (виповнення 6)
Рисунок Б.7 – Фланець плоский приварний із шипом, облицьований листом з корозійностійкої сталі (виповнення 8)
Рисунок Б.8 – Фланець плоский приварний з пазом, облицьований листом з корозійностійкої сталі (виповнення 7)
Рисунок Б.9 – Фланець плоский приварний з виступом, облицьований листом з корозійностійкої сталі (виповнення 10)
Рисунок Б.10 – Фланець плоский приварний із западиною, облицьований листом з корозійностійкої сталі (виповнення 9)
Рисунок Б.11 – Фланець плоский приварний з гладкою ущільнювальною поверхнею, наплавлений корозійностійкою сталлю (виповнення 11)
Рисунок Б.12 – Фланець плоский приварний з шипом, наплавлений корозійностійкою сталлю (виповнення 13)
Рисунок Б.13 – Фланець плоский приварний з пазом, наплавлений корозійностійкою сталлю (виповнення 12)
Рисунок Б.14 – Фланець плоский приварний з виступом, наплавлений корозійностійкою сталлю (виповнення 15)
Рисунок Б.15 – Фланець плоский приварний із западиною, наплавлений корозійностійкою сталлю (виповнення 14)
Таблиця Б.1 – Розміри сталевих плоских приварних фланців посудин та апаратів
Розміри в міліметрах
| Діаметр апарата D |
D 1 |
D 2 |
D 3 |
D 4 |
a |
D 5 |
a 1 |
b |
S |
d |
Болти (шпильки) |
Тиск номіналь- ний PN , МПа |
|
| діаметр |
кількість |
||||||||||||
| 400 |
520 |
480 |
444 |
452 |
13,5 |
443 |
12 |
25 |
6 |
23 |
М20 |
16 |
0,6 |
| 535 |
495 |
458 |
466 |
457 |
30 |
8 |
20 |
1,0 |
|||||
| 35 |
1,6 |
||||||||||||
| 500 |
620 |
580 |
544 |
552 |
543 |
25 |
20 |
0,6 |
|||||
| 640 |
600 |
564 |
572 |
663 |
35 |
24 |
1,0 |
||||||
| 40 |
10 |
1,6 |
|||||||||||
| 600 |
720 |
680 |
644 |
652 |
14 |
643 |
25 |
8 |
20 |
0,3 |
|||
| 30 |
24 |
0,6 |
|||||||||||
| 740 |
700 |
664 |
672 |
663 |
35 |
10 |
28 |
1,0 |
|||||
| 40 |
1,6 |
||||||||||||
| 50 |
12 |
||||||||||||
| 800 |
920 |
880 |
842 |
852 |
841 |
25 |
8 |
28 |
0,3 |
||||
| 35 |
32 |
0,6 |
|||||||||||
| 945 |
905 |
866 |
876 |
865 |
40 |
10 |
40 |
1,0 |
|||||
| 55 |
12 |
1,6 |
|||||||||||
| 1000 |
1130 |
1090 |
1052 |
1062 |
15,5 |
1050 |
13 |
30 |
8 |
23 |
М20 |
36 |
0,3 |
| 40 |
10 |
0,6 |
|||||||||||
| 1145 |
1105 |
1066 |
1076 |
1064 |
50 |
12 |
44 |
1,0 |
|||||
| 65 |
1,6 |
||||||||||||
| 1200 |
1330 |
1290 |
1248 |
1260 |
1246 |
35 |
8 |
0,3 |
|||||
| 45 |
10 |
0,6 |
|||||||||||
Продовження таблиці Б.1
Розміри в міліметрах
| Діаметр апарата D |
D 1 |
D 2 |
D 3 |
D 4 |
a |
D 5 |
a 1 |
b |
S |
d |
Болти (шпильки) |
Тиск номіналь- ний PN , МПа |
|
| діаметр |
кількість |
||||||||||||
| 1200 |
1350 |
1310 |
1268 |
1280 |
15,5 |
1266 |
13 |
60 |
12 |
23 |
М20 |
56 |
1,0 |
| 75 |
14 |
1,6 |
|||||||||||
| 1400 |
1530 |
1490 |
1448 |
1460 |
1446 |
35 |
8 |
48 |
0,3 |
||||
| 50 |
10 |
52 |
0,6 |
||||||||||
| 1550 |
1510 |
1470 |
1484 |
1468 |
60 |
14 |
68 |
1,0 |
|||||
| 80 |
1,6 |
||||||||||||
| 1600 |
1730 |
1690 |
1648 |
1660 |
17,5 |
1645 |
14 |
35 |
10 |
60 |
0,3 |
||
| 55 |
0,6 |
||||||||||||
| 1780 |
1730 |
1682 |
1696 |
1679 |
70 |
16 |
27 |
М24 |
68 |
1,0 |
|||
| 85 |
76 |
1,6 |
|||||||||||
| 1800 |
1930 |
1890 |
1848 |
1860 |
1845 |
40 |
10 |
23 |
М20 |
64 |
0,3 |
||
| 60 |
68 |
0,6 |
|||||||||||
| 1980 |
1930 |
1882 |
1896 |
1879 |
80 |
16 |
27 |
М24 |
84 |
1,0 |
|||
| 95 |
1,6 |
||||||||||||
| 2000 |
2130 |
2090 |
2046 |
2060 |
2043 |
50 |
10 |
23 |
М20 |
68 |
0,3 |
||
| 70 |
12 |
72 |
0,6 |
||||||||||
| 2185 |
2135 |
2086 |
2100 |
21,5 |
2083 |
18 |
85 |
16 |
27 |
М24 |
84 |
1,0 |
|
| 100 |
18 |
92 |
1,6 |
||||||||||
| 2200 |
2330 |
2290 |
2246 |
2260 |
17,5 |
2243 |
14 |
55 |
10 |
23 |
М20 |
72 |
0,3 |
| 70 |
12 |
80 |
0,6 |
||||||||||
Закінчення таблиці Б.1
Розміри в міліметрах
| Діаметр апарата D |
D 1 |
D 2 |
D 3 |
D 4 |
a |
D 5 |
a 1 |
b |
S |
d |
Болти (шпильки) |
Тиск номіналь- ний PN , МПа |
|
| діаметр |
кількість |
||||||||||||
| 2200 |
2385 |
2335 |
2286 |
2300 |
21,5 |
2283 |
18 |
90 |
18 |
27 |
М24 |
88 |
1,0 |
| 100 |
20 |
104 |
1,6 |
||||||||||
| 2400 |
2530 |
2490 |
2446 |
2460 |
17,5 |
2443 |
14 |
60 |
10 |
23 |
М20 |
80 |
0,3 |
| 80 |
12 |
88 |
0,6 |
||||||||||
| 2595 |
2540 |
2490 |
2505 |
21,5 |
2487 |
18 |
100 |
18 |
30 |
М27 |
92 |
1,0 |
|
| 2610 |
2550 |
2496 |
2510 |
2493 |
130 |
20 |
33 |
М30 |
88 |
1,6 |
|||
| 2600 |
2750 |
2705 |
2656 |
2670 |
22 |
2653 |
65 |
10 |
27 |
М24 |
84 |
0,3 |
|
| 95 |
12 |
88 |
0,6 |
||||||||||
| 2800 |
2745 |
2695 |
2710 |
2692 |
115 |
18 |
30 |
М27 |
96 |
1,0 |
|||
| 2800 |
2950 |
2905 |
2856 |
2870 |
2853 |
65 |
12 |
27 |
М24 |
88 |
0,3 |
||
| 105 |
92 |
0,6 |
|||||||||||
| 3000 |
2945 |
2895 |
2910 |
2852 |
120 |
20 |
30 |
М27 |
108 |
1,0 |
|||
| 3000 |
3150 |
3105 |
3066 |
3070 |
3053 |
70 |
12 |
27 |
М24 |
92 |
0,3 |
||
| 115 |
100 |
0,6 |
|||||||||||
| 3220 |
3160 |
3106 |
3120 |
3103 |
135 |
20 |
33 |
М30 |
96 |
1,0 |
|||
| 3200 |
3350 |
3305 |
3256 |
3270 |
3253 |
80 |
12 |
27 |
М24 |
100 |
0,3 |
||
| 130 |
108 |
0,6 |
|||||||||||
| 3420 |
3360 |
3306 |
3320 |
27 |
3303 |
23 |
145 |
20 |
33 |
М30 |
104 |
1,0 |
|
| 3400 |
3580 |
3580 |
3466 |
3480 |
22 |
3463 |
18 |
95 |
12 |
88 |
0,3 |
||
| 3600 |
3780 |
3780 |
3666 |
3680 |
3663 |
105 |
92 |
||||||
| 3800 |
3980 |
3980 |
3866 |
3880 |
3863 |
115 |
96 |
||||||
| 4000 |
4180 |
4180 |
4066 |
4080 |
23 |
4063 |
125 |
104 |
|||||
Таблица Б.2 – Маса сталевих плоских приварних фланцев и втулки посудин та апаратів
Розміри в міліметрах
| Діаметр апарата D |
Тиск номінальний PN , МПа |
Виповнення фланця |
Втулка |
||||||||||||||
| 1 |
2 |
3 |
4 |
5 |
6 |
7 |
8 |
9 |
10 |
11 |
12 |
13 |
14 |
15 |
|||
| Маса, кг |
|||||||||||||||||
| 400 |
0,6 |
13,4 |
12,9 |
15,6 |
14,9 |
12,1 |
15,6 |
16,8 |
16,6 |
16,3 |
17,2 |
12,4 |
15,6 |
15,4 |
15,5 |
15,5 |
9,0 |
| 1,0 |
18,7 |
18,1 |
20,9 |
20,3 |
17,3 |
21,4 |
22,5 |
21,9 |
21,7 |
22,9 |
17,1 |
20,9 |
20,3 |
20,5 |
20,7 |
12,0 |
|
| 1,6 |
22,3 |
21,7 |
24,5 |
23,9 |
20,9 |
24,6 |
25,6 |
25,0 |
24,8 |
26,0 |
20,2 |
24,1 |
23,4 |
23,7 |
23,9 |
||
| 500 |
0,6 |
15,9 |
15,2 |
18,5 |
17,7 |
14,3 |
18,8 |
19,7 |
19,5 |
19,2 |
20,3 |
14,4 |
18,1 |
18,0 |
18,0 |
18,0 |
15,0 |
| 1,0 |
28,5 |
27,7 |
31,2 |
30,3 |
26,7 |
31,5 |
33,0 |
32,0 |
31,8 |
33,5 |
25,9 |
31,0 |
29,9 |
30,3 |
30,7 |
||
| 1,6 |
32,6 |
31,9 |
35,3 |
34,5 |
30,9 |
35,4 |
36,0 |
35,0 |
34,8 |
36,5 |
28,9 |
33,8 |
32,8 |
33,2 |
33,5 |
18,8 |
|
| 600 |
0,3 |
19,0 |
18,2 |
22,1 |
21,2 |
17,1 |
22,5 |
23,5 |
23,3 |
22,9 |
24,2 |
17,2 |
21,5 |
21,4 |
21,5 |
21,4 |
17,9 |
| 0,6 |
23,2 |
22,3 |
26,3 |
25,3 |
21,3 |
26,0 |
27,1 |
26,9 |
26,5 |
27,7 |
20,8 |
25,1 |
25,0 |
25,1 |
25,0 |
||
| 1,0 |
33,0 |
32,1 |
36,2 |
35,2 |
31,0 |
37,0 |
37,6 |
36,5 |
36,3 |
38,3 |
29,4 |
35,0 |
34,0 |
34,4 |
34,7 |
22,5 |
|
| 1,6 |
38,3 |
37,4 |
41,5 |
40,5 |
36,3 |
41,5 |
42,2 |
41,1 |
40,8 |
42,9 |
33,9 |
39,6 |
38,6 |
39,0 |
39,3 |
||
| 800 |
0,3 |
24,6 |
23,5 |
28,6 |
27,4 |
22,0 |
28,9 |
30,4 |
30,2 |
29,8 |
31,2 |
22,1 |
27,8 |
27,7 |
27,9 |
27,6 |
23,8 |
| 0,6 |
35,9 |
34,8 |
39,9 |
38,8 |
33,3 |
38,7 |
40,2 |
39,9 |
39,5 |
40,9 |
31,9 |
37,6 |
37,5 |
37,7 |
37,3 |
||
| 1,0 |
51,5 |
50,4 |
55,7 |
54,5 |
48,8 |
55,9 |
57,1 |
55,4 |
55,2 |
57,9 |
45,6 |
53,5 |
51,8 |
52,6 |
52,9 |
29,9 |
|
| 1,6 |
72,3 |
71,2 |
76,5 |
75,3 |
69,6 |
73,5 |
73,3 |
71,6 |
71,4 |
74,1 |
61,8 |
69,3 |
68,0 |
68,6 |
68,8 |
36,0 |
|
| 1000 |
0,3 |
41,5 |
39,9 |
46,7 |
45,1 |
38,2 |
47,0 |
49,2 |
48,4 |
47,9 |
50,2 |
37,5 |
45,6 |
44,9 |
45,3 |
45,2 |
29,8 |
| 0,6 |
56,7 |
55,1 |
61,8 |
60,2 |
53,4 |
60,2 |
61,1 |
60,3 |
59,8 |
62,1 |
49,4 |
57,0 |
56,7 |
56,9 |
56,7 |
37,3 |
|
| 1,0 |
80,9 |
79,3 |
86,2 |
84,6 |
77,5 |
83,8 |
83,4 |
81,5 |
81,2 |
84,4 |
69,4 |
78,4 |
77,1 |
77,7 |
77,8 |
44,9 |
|
| 1,6 |
107,5 |
105,9 |
112,8 |
111,2 |
104,2 |
105,9 |
105,5 |
103,6 |
103,3 |
106,5 |
91,5 |
100,5 |
99,2 |
99,8 |
99,9 |
||
| 1200 |
0,3 |
58,4 |
56,6 |
64,7 |
62,9 |
54,3 |
63,4 |
66,1 |
65,4 |
64,9 |
67,2 |
52,4 |
61,9 |
61,3 |
61,8 |
61,2 |
35,7 |
| 0,6 |
76,4 |
74,6 |
82,6 |
80,8 |
72,3 |
78,6 |
79,9 |
79,1 |
78,6 |
80,9 |
66,1 |
75,1 |
74,9 |
75,3 |
74,2 |
44,7 |
|
| 1,0 |
121,1 |
119,3 |
127,5 |
125,6 |
117,0 |
121,4 |
121,2 |
118,7 |
118,5 |
122,3 |
103,7 |
115,2 |
113,1 |
114,2 |
114,1 |
53,8 |
|
| 1,6 |
152,8 |
151,0 |
159,2 |
157,4 |
148,7 |
146,1 |
143,9 |
141,4 |
141,2 |
145,0 |
126,4 |
137,3 |
135,7 |
136,6 |
136,3 |
62,8 |
|
Продовження таблиці Б.2
Розміри в міліметрах
| Діаметр апарата D |
Тиск номінальний PN , МПа |
Виповнення фланця |
Втулка |
||||||||||||||
| 1 |
2 |
3 |
4 |
5 |
6 |
7 |
8 |
9 |
10 |
11 |
12 |
13 |
14 |
15 |
|||
| Маса, кг |
|||||||||||||||||
| 1400 |
0,3 |
68,0 |
65,9 |
75,3 |
73,2 |
63,3 |
73,7 |
76,9 |
76,1 |
75,4 |
78,1 |
60,9 |
72,0 |
71,3 |
71,9 |
71,2 |
41,6 |
| 0,6 |
99,2 |
97,1 |
106,4 |
104,3 |
94,4 |
99,9 |
101,5 |
100,6 |
100,0 |
102,7 |
85,5 |
95,9 |
95,7 |
96,1 |
95,2 |
52,0 |
|
| 1,0 |
138,5 |
136,5 |
145,8 |
143,7 |
133,8 |
138,4 |
136,2 |
132,8 |
132,7 |
137,2 |
115,1 |
128,3 |
125,8 |
127,3 |
126,7 |
73,2 |
|
| 1,6 |
188,6 |
186,6 |
195,9 |
193,8 |
183,9 |
178,7 |
176,5 |
173,1 |
173,1 |
177,5 |
155,4 |
168,6 |
166,2 |
167,7 |
167,1 |
||
| 1600 |
0,3 |
75,4 |
72,7 |
83,9 |
81,3 |
70,0 |
82,2 |
83,6 |
83,2 |
82,3 |
85,3 |
65,8 |
77,2 |
77,6 |
77,9 |
76,6 |
59,5 |
| 0,6 |
124,9 |
122,1 |
133,4 |
130,7 |
119,4 |
123,7 |
125,1 |
124,7 |
123,8 |
126,8 |
107,3 |
118,7 |
119,1 |
119,4 |
118,2 |
||
| 1,0 |
225,2 |
225,5 |
234,9 |
232,4 |
218,6 |
223,0 |
216,2 |
211,6 |
211,5 |
217,7 |
188,1 |
206,0 |
202,5 |
204,5 |
204,1 |
95,6 |
|
| 1,6 |
273,8 |
271,1 |
283,5 |
281,0 |
267,2 |
262,0 |
255,3 |
250,6 |
250,6 |
256,7 |
227,1 |
245,0 |
241,5 |
243,5 |
243,1 |
||
| 1800 |
0,3 |
98,7 |
95,6 |
108,3 |
105,3 |
92,6 |
104,1 |
105,6 |
105,2 |
104,2 |
107,5 |
85,7 |
98,4 |
98,2 |
99,2 |
97,8 |
66,9 |
| 0,6 |
153,6 |
150,4 |
163,1 |
160,1 |
147,4 |
150,0 |
151,5 |
151,1 |
150,1 |
153,4 |
131,6 |
144,3 |
144,8 |
145,1 |
143,7 |
||
| 1,0 |
287,5 |
284,4 |
298,3 |
295,5 |
280,1 |
277,7 |
270,1 |
264,9 |
264,9 |
271,8 |
238,6 |
258,6 |
254,7 |
256,9 |
256,5 |
107,4 |
|
| 1,6 |
344,7 |
341,7 |
355,6 |
352,7 |
337,3 |
324,2 |
316,6 |
311,4 |
311,4 |
318,3 |
285,1 |
305,1 |
301,2 |
303,4 |
303,0 |
||
| 2000 |
0,3 |
140,4 |
137,1 |
151,1 |
148,0 |
133,5 |
141,0 |
143,2 |
142,8 |
141,8 |
145,0 |
120,9 |
135,2 |
135,8 |
136,4 |
134,2 |
74,3 |
| 0,6 |
199,7 |
196,4 |
210,4 |
207,3 |
192,8 |
187,3 |
187,1 |
186,7 |
185,8 |
188,9 |
164,9 |
178,2 |
179,5 |
179,8 |
177,3 |
89,2 |
|
| 1,0 |
353,7 |
349,4 |
367,0 |
362,6 |
345,4 |
340,5 |
330,8 |
326,5 |
325,4 |
333,6 |
295,4 |
317,7 |
314,8 |
316,3 |
316,2 |
119,3 |
|
| 1,6 |
414,5 |
410,1 |
427,8 |
423,4 |
406,2 |
385,2 |
371,1 |
366,9 |
165,7 |
373,9 |
335,8 |
357,1 |
355,0 |
356,2 |
355,8 |
134,3 |
|
| 2200 |
0,3 |
171,4 |
167,8 |
183,1 |
179,7 |
163,8 |
169,3 |
171,7 |
171,2 |
170,2 |
173,7 |
147,2 |
162,9 |
163,5 |
164,2 |
161,8 |
81,7 |
| 0,6 |
218,8 |
215,2 |
230,6 |
227,1 |
211,2 |
205,1 |
204,9 |
204,5 |
203,4 |
206,9 |
180,5 |
195,1 |
196,6 |
196,9 |
194,1 |
98,1 |
|
| 2200 |
1,0 |
411,5 |
406,7 |
426,1 |
421,3 |
402,5 |
389,1 |
373,5 |
368,9 |
367,7 |
376,7 |
334,9 |
358,2 |
355,9 |
357,2 |
356,7 |
147,6 |
| 1,6 |
451,0 |
446,2 |
465,6 |
460,7 |
441,9 |
414,1 |
393,8 |
389,2 |
387,9 |
396,9 |
355,1 |
377,3 |
375,9 |
376,9 |
376,1 |
164,0 |
|
Продовження таблиці Б.2
Розміри в міліметрах
| Діаметр апарата D |
Тиск номінальний PN , МПа |
Виповнення фланця |
Втулка |
||||||||||||||
| 1 |
2 |
3 |
4 |
5 |
6 |
7 |
8 |
9 |
10 |
11 |
12 |
13 |
14 |
15 |
|||
| Маса, кг |
|||||||||||||||||
| 2400 |
0,3 |
204,7 |
200,7 |
217,4 |
213,7 |
196,4 |
199,4 |
202,0 |
201,5 |
200,4 |
204,1 |
175,4 |
192,5 |
193,1 |
193,8 |
191,2 |
89,1 |
| 0,6 |
274,6 |
270,6 |
287,3 |
283,6 |
266,3 |
252,4 |
252,2 |
251,7 |
250,6 |
154,4 |
225,6 |
241,5 |
243,1 |
243,5 |
240,5 |
107,0 |
|
| 1,0 |
570,4 |
565,2 |
587,8 |
582,5 |
559,1 |
542,2 |
523,4 |
516,0 |
515,5 |
526,8 |
475,7 |
506,0 |
501,1 |
503,5 |
503,9 |
160,9 |
|
| 1,6 |
737,4 |
732,1 |
754,8 |
749,4 |
726,1 |
668,9 |
644,3 |
637,5 |
636,4 |
647,8 |
596,6 |
625,8 |
621,8 |
623,8 |
623,9 |
178,9 |
|
| 2600 |
0,3 |
277,9 |
272,1 |
294,3 |
288,6 |
267,9 |
273,2 |
275,3 |
275,7 |
273,3 |
279,0 |
242,6 |
264,2 |
265,4 |
265,5 |
263,7 |
96,5 |
| 0,6 |
411,2 |
405,5 |
427,7 |
422,0 |
401,3 |
380,6 |
378,0 |
379,5 |
377,0 |
382,8 |
346,3 |
366,7 |
368,8 |
368,6 |
366,4 |
115,8 |
|
| 1,0 |
676,0 |
670,3 |
693,8 |
688,2 |
664,8 |
626,3 |
606,5 |
599,3 |
598,2 |
610,1 |
556,3 |
587,7 |
582,5 |
585,2 |
582,3 |
174,2 |
|
| 2800 |
0,3 |
297,2 |
291,0 |
314,8 |
308,8 |
286,5 |
289,1 |
287,4 |
287,9 |
285,3 |
291,5 |
252,2 |
274,2 |
276,5 |
276,2 |
273,8 |
124,8 |
| 0,6 |
492,1 |
485,9 |
509,7 |
503,7 |
481,4 |
450,8 |
449,0 |
449,6 |
446,9 |
453,1 |
413,9 |
435,8 |
438,1 |
437,9 |
435,4 |
||
| 1,0 |
753,6 |
747,4 |
772,7 |
766,7 |
741,5 |
685,8 |
657,7 |
649,9 |
648,9 |
661,7 |
603,8 |
636,1 |
631,7 |
634,2 |
633,8 |
208,5 |
|
| 3000 |
0,3 |
344,8 |
338,2 |
363,7 |
357,2 |
333,4 |
331,7 |
329,8 |
330,4 |
327,6 |
334,2 |
292,2 |
315,7 |
318,2 |
317,9 |
315,3 |
133,6 |
| 0,6 |
577,9 |
571,3 |
596,8 |
590,3 |
566,5 |
254,7 |
522,8 |
523,4 |
520,6 |
527,2 |
485,2 |
508,7 |
511,1 |
510,9 |
508,3 |
||
| 1,0 |
1016 |
1009 |
1037 |
1031 |
1002 |
930,2 |
896,4 |
885,8 |
884,8 |
900,8 |
832,6 |
872,4 |
864,7 |
868,3 |
869,5 |
223,9 |
|
| 3200 |
0,3 |
442,7 |
415,6 |
442,8 |
435,8 |
410,5 |
399,1 |
397,1 |
397,8 |
394,8 |
401,8 |
357,1 |
382,0 |
384,7 |
384,4 |
381,7 |
142,5 |
| 0,6 |
698,3 |
691,2 |
718,4 |
711,4 |
686,1 |
627,2 |
625,2 |
625,8 |
622,8 |
629,9 |
585,2 |
610,1 |
612,8 |
612,5 |
609,7 |
||
| 1,0 |
1162 |
1153 |
1188 |
1178 |
1147 |
1055 |
1017 |
1010 |
1007 |
1024 |
951,1 |
991,4 |
987,6 |
989,0 |
990,3 |
238,0 |
|
| 3400 |
0,3 |
649,4 |
641,9 |
673,4 |
666,1 |
633,8 |
617,0 |
614,9 |
613,1 |
610,3 |
619,9 |
563,7 |
598,0 |
597,5 |
598,4 |
596,8 |
151,4 |
| 3600 |
0,3 |
763,0 |
755,0 |
788,4 |
780,6 |
746,5 |
718,0 |
715,7 |
713,7 |
710,8 |
721,0 |
661,6 |
697,8 |
697,3 |
698,3 |
696,5 |
160,3 |
| 3800 |
0,3 |
884,9 |
876,4 |
911,6 |
903,4 |
867,5 |
826,1 |
823,7 |
821,6 |
818,5 |
829,2 |
766,6 |
804,8 |
804,2 |
805,3 |
803,4 |
169,1 |
| 4000 |
0,3 |
1012 |
1003 |
1040 |
1031 |
993,5 |
937,9 |
935,4 |
933,2 |
930,0 |
941,3 |
875,4 |
915,6 |
914,9 |
916,1 |
914,1 |
178,0 |
Фланці приварні встик [30] Конструкція та розміри фланців наведені на рисунках Б.16-Б.27 і в таблицях Б.3-Б.4.
При застосування прокладки з фторопласту-4 (таблиця Б.3) розмір D 3 слід приймати рівним D 5 , а розмір a = a 1 +6 мм.
Приклад умовного позначення фланця виповнення 1, діаметром 1200 мм на номінальний (умовний) тиск PN 5 МПа зі сталі марки 12Х18Н10Т:
Фланец 1-1200-2,5-12Х18Н10Т ГОСТ 28759.3-90.
Те ж, для фланця з прокладкою з фторопласту:
Фланец 1-1200-2,5-Ф-12Х18Н10Т ГОСТ 28759.3-90.
Приклад умовного позначення фланця апарата із зовнішнім базовим діаметром 720 мм, виповнення 1 на номінальний (умовний) тиск 2,5 МПа зі сталі марки 12Х18Н10Т:
Фланец 1-720-2,5-12Х18Н10Т ГОСТ 28759.3-90.
Маса фланців наведена в таблиці Б.5.
Рисунок Б.16 – Фланець приварний встик з виступом (виповнення 2)
Рисунок Б.17 – Фланець приварний встик із западиною (виповнення 1)
Рисунок Б.18 – Фланець приварний встик з шипом (виповнення 4)
Рисунок Б.19 – Фланець приварний встик з пазом (виповнення 3)
Рисунок Б.20 – Фланець приварний встик з виступом, облицьований листом з корозійностійкої сталі (виповнення 6)
Рисунок Б.21 – Фланець приварний встик із западиною, облицьований листом з корозійностійкої сталі (виповнення 5)
Рисунок Б.22 – Фланець приварний встик з шипом, облицьований листом із корозійностійкої сталі (виповнення 8)
Рисунок Б.23 – Фланець приварний встик з пазом, облицьований листом із корозійностійкої сталі (виповнення 7)
Рисунок Б.24 – Фланець приварний встик з виступом, наплавлений корозійностійкою сталлю (виповнення 10)
Рисунок Б.25 – Фланець приварний встик із западиною, наплавлений корозійностійкої сталлю (виповнення 9)
Рисунок Б.26 – Фланець приварний встик з шипом, наплавлений корозійностійкою сталлю (виповнення 12)
Рисунок Б.27 – Фланець приварний встик з пазом, наплавлений корозійностійкою сталлю (виповнення 11)
Таблиця Б.3 – Розміри сталевих приварних встик фланців
Розміри в міліметрах
| Діаметр апарата D |
D 1 |
D 2 |
D 3 |
D 4 |
a |
D 5 |
a 1 |
D 6 |
D 7 |
b |
H |
d |
Болти (шпильки) |
Тиск номінальний PN , МПа |
|
| діаметр |
кількість |
||||||||||||||
| 400 |
535 |
495 |
458 |
466 |
13,5 |
457 |
12 |
412 |
432 |
35 |
65 |
23 |
М20 |
20 |
1,0 |
| 436 |
70 |
1,6 |
|||||||||||||
| 418 |
440 |
40 |
75 |
24 |
2,5 |
||||||||||
| 590 |
530 |
15,5 |
14 |
424 |
454 |
50 |
95 |
33 |
М30 |
20 |
4,0 |
||||
| 428 |
460 |
70 |
120 |
6,3 |
|||||||||||
| 500 |
640 |
600 |
564 |
572 |
13,5 |
563 |
12 |
514 |
532 |
35 |
65 |
23 |
М20 |
24 |
1,0 |
| 536 |
70 |
1,6 |
|||||||||||||
| 522 |
544 |
45 |
80 |
28 |
2,5 |
||||||||||
| 695 |
635 |
558 |
15,5 |
557 |
14 |
524 |
560 |
60 |
115 |
33 |
М30 |
20 |
4,0 |
||
| 532 |
568 |
75 |
130 |
6,3 |
|||||||||||
| 600 |
740 |
700 |
664 |
672 |
14 |
663 |
12 |
614 |
634 |
35 |
65 |
23 |
М20 |
28 |
1,0 |
| 616 |
640 |
70 |
1,6 |
||||||||||||
| 624 |
648 |
50 |
85 |
32 |
2,5 |
||||||||||
| 795 |
735 |
658 |
16 |
657 |
14 |
630 |
664 |
65 |
115 |
33 |
М30 |
28 |
4,0 |
||
| 820 |
750 |
670 |
685 |
669 |
640 |
680 |
85 |
145 |
6,3 |
||||||
| 800 |
945 |
905 |
866 |
876 |
14 |
865 |
12 |
818 |
838 |
40 |
70 |
23 |
М20 |
40 |
1,0 |
| 846 |
45 |
85 |
1,6 |
||||||||||||
| 955 |
915 |
876 |
886 |
875 |
830 |
860 |
55 |
100 |
48 |
2,5 |
|||||
| 1005 |
945 |
870 |
20,5 |
868 |
18 |
838 |
876 |
75 |
130 |
33 |
М30 |
36 |
4,0 |
||
| 1055 |
985 |
885 |
910 |
883 |
848 |
904 |
95 |
180 |
40 |
М36 |
6,3 |
||||
| 1000 |
1145 |
1105 |
1066 |
1076 |
15,5 |
1064 |
13 |
1020 |
1044 |
50 |
85 |
23 |
М20 |
44 |
1,0 |
Продовження таблиці Б.3
Розміри в міліметрах
| Діаметр апарата D |
D 1 |
D 2 |
D 3 |
D 4 |
a |
D 5 |
a 1 |
D 6 |
D 7 |
b |
H |
d |
Болти (шпильки) |
Тиск номіналь- ний PN , МПа |
|
| діаметр |
кіль- кість |
||||||||||||||
| 1000 |
1145 |
1105 |
1066 |
1076 |
15,5 |
1064 |
13 |
1024 |
1050 |
55 |
95 |
23 |
М20 |
44 |
1,6 |
| 1175 |
1125 |
1080 |
1092 |
1078 |
1036 |
1066 |
60 |
105 |
27 |
М24 |
52 |
2,5 |
|||
| 1240 |
1170 |
1075 |
20,5 |
1073 |
18 |
1042 |
1088 |
90 |
160 |
40 |
М36 |
40 |
4,0 |
||
| 1300 |
1220 |
1095 |
1110 |
1093 |
1056 |
1126 |
115 |
220 |
46 |
М42 |
6,3 |
||||
| 1200 |
1350 |
1310 |
1268 |
1280 |
15,5 |
1266 |
13 |
1220 |
1248 |
50 |
95 |
23 |
М20 |
56 |
1,0 |
| 1224 |
1256 |
60 |
110 |
1,6 |
|||||||||||
| 1400 |
1345 |
1296 |
1310 |
1294 |
25 |
1238 |
1276 |
70 |
130 |
30 |
М27 |
2,5 |
|||
| 1455 |
1385 |
1290 |
28 |
1287 |
1248 |
1302 |
105 |
185 |
40 |
М36 |
48 |
4,0 |
|||
| 1520 |
1440 |
1310 |
1326 |
1307 |
1268 |
1346 |
120 |
235 |
46 |
М42 |
6,3 |
||||
| 1400 |
1550 |
1510 |
1470 |
1484 |
15,5 |
1468 |
13 |
1420 |
1452 |
55 |
105 |
23 |
М20 |
68 |
1,0 |
| 1430 |
1460 |
65 |
110 |
1,6 |
|||||||||||
| 1610 |
1555 |
1506 |
1520 |
1504 |
25 |
1438 |
1484 |
75 |
145 |
30 |
М27 |
64 |
2,5 |
||
| 1670 |
1600 |
1495 |
28 |
1492 |
1454 |
1516 |
105 |
200 |
40 |
М36 |
56 |
4,0 |
|||
| 1770 |
1675 |
1522 |
1545 |
1519 |
1476 |
1562 |
145 |
275 |
58 |
М52 |
44 |
6,3 |
|||
| 1600 |
1780 |
1730 |
1682 |
1696 |
17,5 |
1679 |
14 |
1626 |
1660 |
55 |
105 |
27 |
М24 |
68 |
1,0 |
| 1634 |
1668 |
65 |
115 |
76 |
1,6 |
||||||||||
| 1820 |
1760 |
1708 |
1720 |
1705 |
1642 |
1690 |
80 |
155 |
33 |
М30 |
68 |
2,5 |
|||
| 1915 |
1830 |
28,5 |
25 |
1664 |
1732 |
125 |
225 |
46 |
М42 |
60 |
4,0 |
||||
| 1995 |
1900 |
1732 |
1750 |
1729 |
1686 |
1784 |
155 |
300 |
58 |
М52 |
56 |
6,3 |
|||
| 1800 |
1980 |
1930 |
1882 |
1896 |
17,5 |
1879 |
14 |
1828 |
1864 |
60 |
115 |
27 |
М24 |
84 |
1,0 |
| 1836 |
1872 |
70 |
125 |
1,6 |
|||||||||||
| 2025 |
1965 |
1910 |
1928 |
1907 |
1842 |
1896 |
90 |
170 |
33 |
М30 |
80 |
2,5 |
|||
Продовження таблиці Б.3
Розміри в міліметрах
| Діаметр апарата D |
D 1 |
D 2 |
D 3 |
D 4 |
a |
D 5 |
a 1 |
D 6 |
D 7 |
b |
H |
d |
Болти (шпильки) |
Тиск номінальний PN , МПа |
|
| діаметр |
кількість |
||||||||||||||
| 2000 |
2185 |
2135 |
2086 |
2100 |
21,5 |
2083 |
18 |
2028 |
2064 |
65 |
130 |
27 |
М24 |
84 |
1,0 |
| 2036 |
2074 |
80 |
140 |
92 |
1,6 |
||||||||||
| 2235 |
2175 |
2116 |
2130 |
2113 |
2044 |
2104 |
105 |
195 |
33 |
М30 |
80 |
2,5 |
|||
| 2200 |
2385 |
2335 |
2286 |
2300 |
21,5 |
2283 |
18 |
2228 |
2270 |
70 |
135 |
27 |
М24 |
88 |
1,0 |
| 2236 |
2278 |
85 |
150 |
104 |
1,6 |
||||||||||
| 2400 |
2595 |
2540 |
2490 |
2505 |
2487 |
2432 |
2470 |
80 |
135 |
30 |
М27 |
92 |
1,0 |
||
| 2610 |
2550 |
2496 |
2510 |
2493 |
2440 |
2480 |
110 |
170 |
33 |
М30 |
88 |
1,6 |
|||
| 2600 |
2800 |
2745 |
2695 |
2710 |
22 |
2692 |
2632 |
2676 |
85 |
150 |
30 |
М27 |
96 |
1,0 |
|
| 2815 |
2755 |
2700 |
2715 |
2697 |
2644 |
2684 |
115 |
175 |
33 |
М30 |
1,6 |
||||
| 2800 |
3000 |
2945 |
2895 |
2910 |
2892 |
2836 |
2876 |
90 |
150 |
30 |
М27 |
108 |
1,0 |
||
| 3020 |
2960 |
2906 |
2920 |
2903 |
2848 |
2884 |
125 |
180 |
33 |
М30 |
104 |
1,6 |
|||
| 3000 |
3220 |
3160 |
3106 |
3120 |
3103 |
3036 |
3080 |
100 |
160 |
96 |
1,0 |
||||
| 3048 |
30 90 |
135 |
200 |
116 |
1,6 |
||||||||||
| 3200 |
3420 |
3360 |
3306 |
3320 |
27 |
3303 |
23 |
3236 |
3284 |
105 |
175 |
104 |
1,0 |
||
| 3252 |
3292 |
145 |
205 |
124 |
1,6 |
||||||||||
| 3400 |
3600 |
3540 |
3486 |
3500 |
3483 |
3440 |
3466 |
75 |
115 |
100 |
0,6 |
||||
| 3620 |
3560 |
3506 |
3520 |
3503 |
3486 |
115 |
185 |
108 |
1,0 |
||||||
| 3600 |
3800 |
3740 |
3686 |
3700 |
3683 |
3640 |
3666 |
75 |
115 |
104 |
0,6 |
||||
| 3820 |
3760 |
3706 |
3720 |
3703 |
3644 |
3686 |
125 |
190 |
112 |
1,0 |
|||||
| 3800 |
4010 |
3950 |
3896 |
3910 |
3893 |
3840 |
3870 |
85 |
130 |
108 |
0,6 |
||||
| 4050 |
3980 |
3916 |
3930 |
3913 |
3548 |
3890 |
125 |
190 |
40 |
М36 |
100 |
1,0 |
|||
| 4000 |
4220 |
4160 |
4106 |
4120 |
27,5 |
4103 |
4040 |
4080 |
90 |
150 |
33 |
М30 |
112 |
0,6 |
|
| 4250 |
4180 |
4116 |
4130 |
28 |
4113 |
4050 |
4096 |
125 |
195 |
40 |
М36 |
108 |
1,0 |
||
Таблиця Б.4– Розміри сталевих приварних встик фланців для апаратів із зовнішнім базовим діаметром
Розміри в міліметрах
| Розміри труби d ×S |
D |
d 1 |
D 2 |
D 3 |
D 4 |
a |
D 5 |
a 1 |
D 6 |
D 7 |
b |
H |
d |
Болти (шпильки) |
Тиск номінальний PN , МПа |
|
| діаметр |
кількість |
|||||||||||||||
| 426×10 |
406 |
535 |
495 |
458 |
466 |
13,5 |
457 |
12 |
426 |
444 |
40 |
70 |
23 |
М20 |
24 |
2,5 |
| 590 |
530 |
15,5 |
14 |
432 |
460 |
50 |
90 |
33 |
М30 |
20 |
4,0 |
|||||
| 426×12 |
402 |
432 |
462 |
70 |
115 |
6,3 |
||||||||||
| 480×12 |
456 |
590 |
550 |
514 |
522 |
13,5 |
513 |
12 |
480 |
494 |
45 |
70 |
23 |
М20 |
24 |
2,5 |
| 640 |
580 |
508 |
516 |
15,5 |
507 |
14 |
482 |
510 |
55 |
100 |
33 |
М30 |
20 |
4,0 |
||
| 530×10 |
510 |
640 |
600 |
564 |
572 |
13,5 |
563 |
12 |
532 |
550 |
45 |
70 |
23 |
М20 |
28 |
2,5 |
| 530×12 |
506 |
695 |
635 |
558 |
15,5 |
557 |
14 |
535 |
566 |
60 |
105 |
33 |
М30 |
24 |
4,0 |
|
| 630×10 |
610 |
740 |
700 |
664 |
672 |
14 |
663 |
12 |
632 |
650 |
50 |
75 |
23 |
М20 |
32 |
2,5 |
| 630×14 |
602 |
795 |
735 |
658 |
16 |
657 |
14 |
635 |
662 |
70 |
115 |
33 |
М30 |
28 |
4,0 |
|
| 720×10 |
700 |
840 |
800 |
762 |
772 |
14 |
763 |
12 |
720 |
740 |
45 |
75 |
23 |
М20 |
32 |
1,6 |
| 720×14 |
696 |
850 |
810 |
774 |
782 |
773 |
724 |
750 |
50 |
95 |
23 |
М20 |
40 |
2,5 |
||
![]()
Таблиця Б.5 – Маса приварних встик фланців з внутрішнім базовим діаметром
| Діаметр апарата D , мм |
Тиск номінальний PN , МПа |
Виповнення фланця |
|||||||||||
| 1 |
2 |
3 |
4 |
5 |
6 |
7 |
8 |
9 |
10 |
11 |
12 |
||
| Маса, кг |
|||||||||||||
| 400 |
1,0 |
25,4 |
25,4 |
26,3 |
24,4 |
34,3 |
35,8 |
35,4 |
34,5 |
28,0 |
30,0 |
34,3 |
34,3 |
| 1,6 |
26,4 |
26,3 |
27,2 |
25,3 |
35,4 |
36,9 |
36,6 |
35,6 |
29,2 |
31,4 |
36,4 |
35,4 |
|
| 2,5 |
30,3 |
30,3 |
31,2 |
29,3 |
39,6 |
41,0 |
40,6 |
39,8 |
33,3 |
35,6 |
39,6 |
39,6 |
|
| 4,0 |
56,4 |
55,2 |
57,1 |
54,3 |
67,5 |
69,0 |
68,5 |
67,8 |
60,1 |
63,2 |
66,3 |
67,6 |
|
| 6,3 |
79,2 |
78,0 |
80,0 |
77,2 |
91,4 |
92,9 |
92,3 |
91,7 |
84,0 |
88,1 |
90,2 |
91,5 |
|
| 500 |
1,0 |
32,4 |
32,6 |
33,6 |
31,1 |
43,8 |
45,9 |
45,3 |
44,0 |
35,6 |
38,6 |
44,3 |
44,1 |
| 1,6 |
33,6 |
33,8 |
34,8 |
32,3 |
45,2 |
47,3 |
46,8 |
46,4 |
37,1 |
40,0 |
46,7 |
45,5 |
|
| 2,5 |
43,9 |
44,1 |
45,1 |
42,6 |
56,0 |
58,1 |
57,5 |
56,2 |
47,8 |
50,8 |
56,5 |
56,3 |
|
| 4,0 |
86,6 |
85,0 |
87,5 |
83,9 |
101,8 |
103,4 |
103,0 |
101,9 |
92,3 |
96,0 |
100,6 |
102,1 |
|
| 6,3 |
108,7 |
107,1 |
109,6 |
106,0 |
124,6 |
126,2 |
125,8 |
124,8 |
115,1 |
118,8 |
123,4 |
124,9 |
|
| 600 |
1,0 |
38,4 |
38,7 |
39,9 |
36,9 |
52,0 |
54,4 |
53,8 |
52,2 |
42,3 |
45,8 |
52,5 |
52,9 |
| 1,6 |
40,4 |
40,7 |
41,9 |
38,9 |
54,3 |
56,7 |
56,1 |
54,5 |
44,6 |
48,0 |
54,8 |
55,2 |
|
| 2,5 |
57,9 |
58,2 |
59,4 |
56,4 |
72,6 |
75,1 |
74,5 |
72,9 |
63,0 |
66,4 |
73,0 |
73,6 |
|
| 4,0 |
109,3 |
107,4 |
110,3 |
106,1 |
127,3 |
129,0 |
128,8 |
127,5 |
116,1 |
120,5 |
120,0 |
128,2 |
|
| 6,3 |
169,2 |
167,4 |
170,7 |
161,5 |
190,7 |
193,1 |
192,7 |
190,8 |
177,8 |
183,0 |
190,1 |
191,3 |
|
| 800 |
1,0 |
59,9 |
60,2 |
61,9 |
57,8 |
78,7 |
81,9 |
81,3 |
78,9 |
65,4 |
70,1 |
79,8 |
81,1 |
| 1,6 |
71,5 |
71,9 |
73,6 |
69,4 |
91,5 |
94,7 |
94,1 |
91,7 |
78,2 |
82,9 |
92,6 |
93,9 |
|
| 2,5 |
97,9 |
98,8 |
100,5 |
95,7 |
120,4 |
124,2 |
123,5 |
120,5 |
105,1 |
111,0 |
122,6 |
122,5 |
|
| 4,0 |
177,3 |
175,5 |
178,8 |
173,6 |
203,9 |
206,9 |
206,0 |
204,4 |
187,6 |
193,7 |
203,3 |
206,4 |
|
| 6,3 |
300,5 |
297,9 |
302,8 |
295,0 |
335,4 |
338,6 |
338,2 |
335,2 |
314,8 |
322,5 |
336,1 |
336,7 |
|
| 1000 |
1,0 |
95,7 |
96,1 |
98,0 |
93,3 |
120,5 |
124,5 |
123,5 |
120,9 |
104,1 |
109,8 |
101,6 |
121,6 |
| 1,6 |
109,2 |
109,6 |
111,4 |
106,7 |
135,0 |
138,9 |
137,9 |
135,8 |
118,6 |
124,3 |
136,1 |
139,9 |
|
| 2,5 |
147,2 |
147,8 |
150,4 |
143,8 |
177,2 |
181,9 |
181,1 |
177,3 |
157,6 |
164,7 |
179,9 |
181,4 |
|
Продовження таблиці Б.5
|
|
|
|||||||||||||||||||||||||||||||||||||||||||||||||||||||||||||||||||||||||||||||||||||||||||||||||||||||||||||||||||||||||||||||||||||||||||||||||||||||||||||||||||||||||||||||||||||||||||||||||||||||||||||||||||||||||||||||||||||||||||||||||||||||||||||||||||||||||||||||||||||||||||||||||||||||||||||||||||||||||||||||||||||||||||||||||||||||
Закінчення таблиці Б.5
| Діаметр апарата D , мм |
Тиск номінальний PN , МПа |
Виповнення фланця |
|||||||||||
| 1 |
2 |
3 |
4 |
5 |
6 |
7 |
8 |
9 |
10 |
11 |
12 |
||
| Маса, кг |
|||||||||||||
| 2200 |
1,0 |
407,3 |
409,0 |
413,4 |
401,2 |
481,5 |
492,0 |
489,1 |
432,8 |
436,7 |
452,6 |
487,6 |
514,9 |
| 1,6 |
488,1 |
489,1 |
494,2 |
482,1 |
565,6 |
576,1 |
573,1 |
566,9 |
520,7 |
536,7 |
571,7 |
599,0 |
|
| 2400 |
1,0 |
502,2 |
503,9 |
509,4 |
494,8 |
586,4 |
597,3 |
694,2 |
586,5 |
534,2 |
552,5 |
593,0 |
625,4 |
| 1,6 |
733,2 |
735,1 |
741,3 |
724,8 |
827,5 |
840,5 |
837,2 |
828,6 |
775,5 |
793,5 |
836,0 |
867,3 |
|
| 2600 |
1,0 |
610,9 |
613,6 |
619,4 |
602,7 |
706,7 |
720,4 |
717,1 |
707,8 |
649,2 |
670,0 |
716,8 |
754,3 |
| 1,6 |
850,3 |
852,8 |
859,7 |
840,9 |
995,6 |
970,2 |
966,8 |
956,5 |
895,2 |
917,4 |
966,5 |
1002,7 |
|
| 2800 |
1,0 |
681,6 |
684,5 |
690,8 |
672,8 |
784,7 |
799,5 |
795,9 |
785,8 |
723,0 |
745,2 |
795,6 |
840,9 |
| 1,6 |
997,9 |
1001,6 |
1008,7 |
987,5 |
1114,8 |
1131,3 |
1127,5 |
1115,0 |
1047,0 |
1077,2 |
1128,3 |
1169,7 |
|
| 3000 |
1,0 |
878,8 |
883,2 |
890,8 |
868,1 |
998,0 |
1016,1 |
1012,1 |
999,0 |
926,2 |
952,9 |
1012,8 |
1062,6 |
| 1,6 |
1170,5 |
1177,9 |
1184,4 |
1180,6 |
1305,0 |
1325,0 |
1320,9 |
1035,0 |
1229,0 |
1257,0 |
1325,2 |
1368,5 |
|
| 3200 |
1,0 |
1004,9 |
1009,5 |
1015,7 |
995,9 |
1136,7 |
1156,0 |
1149,6 |
1140,2 |
1060,2 |
1083,6 |
1150,5 |
1213,6 |
| 1,6 |
1360,8 |
1325,9 |
1332,7 |
1312,3 |
1502,0 |
1481,9 |
1476,1 |
1466,0 |
1425,5 |
1414,5 |
1476,9 |
1539,6 |
|
| 3400 |
0,6 |
656,3 |
657,1 |
663,5 |
647,7 |
765,7 |
781,9 |
773,2 |
770,2 |
694,9 |
720,7 |
770,9 |
856,0 |
| 1,0 |
1164,5 |
1169,5 |
1175,9 |
1155,0 |
1307,8 |
1328,2 |
1321,5 |
1311,5 |
1226,6 |
1256,8 |
1322,4 |
1359,6 |
|
| 3600 |
0,6 |
694,9 |
695,7 |
702,5 |
685,8 |
810,6 |
827,7 |
820,7 |
815,4 |
735,8 |
763,0 |
816,1 |
912,6 |
| 1,0 |
1317,6 |
1322,8 |
1329,6 |
1307,5 |
1470,9 |
1492,6 |
1485,5 |
1474,8 |
1385,1 |
1418,9 |
1486,4 |
1770,3 |
|
| 3800 |
0,6 |
878,9 |
882,1 |
889,9 |
868,8 |
1012,4 |
1032,5 |
1023,4 |
1016,9 |
927,6 |
958,8 |
1023,4 |
1125,4 |
| 1,0 |
1442,7 |
1450,7 |
1457,8 |
1431,7 |
1608,5 |
1633,7 |
1626,2 |
1612,1 |
1512,4 |
1548,1 |
1630,1 |
1718,7 |
|
| 4000 |
0,6 |
937,1 |
943,0 |
950,5 |
926,0 |
1076,6 |
1100,7 |
1092,8 |
1080,9 |
981,3 |
1016,7 |
1093,7 |
1201,1 |
| 1,0 |
1523,3 |
1535,6 |
1543,2 |
1515,7 |
1701,6 |
1728,2 |
1720,3 |
1705,5 |
1600,3 |
1638,2 |
1724,4 |
1824,7 |
|
Фланці під прокладку восьмикутного перерізу [31]
Конструкція і розміри фланців на номінальний (умовний) тиск PN 6,3 МПа наведені на рисунках Б.28-Б.29 і в таблиці Б.6.
Конструкція і розміри фланців на номінальний (умовний) тиск PN 8,0-16,0 МПа наведені на рисунках Б.30-Б.31 і в таблиці Б.6. Маса фланців наведена в таблиці Б.7.
Рисунок Б.28 – Монометалевий приварний встик фланець під прокладку восьмикутного перерізу на номінальний тиск PN 6,3 МПа
153
Рисунок Б.29 – Приварний встик фланець під прокладку восьмикутного перерізу, наплавлений корозійностійкою сталлю, на номінальний
(умовний) тиск PN 6,3 МПа
154
Рисунок Б.30 – Монометалевий приварний встик фланець під прокладку восьмикутного перерізу на номінальний (умовний) тиск PN
8,0-16,0 МПа
155
Рисунок Б.31 – Приварний встик фланець під прокладку восьмикутного перерізу, наплавлений корозійностійкою сталлю, на номінальний (умовний) тиск PN 8,0-16,0 МПа
Приклад умовного позначення приварного встик апаратного фланця з внутрішнім базовим діаметром 1200 мм, виповнення 1, на номінальний (умовний) тиск PN 6,3 МПа, зі сталі марки 12Х18Н10Т:
Фланец 1-1200-63-12Х18Н10Т ГОСТ 28759.4-90 .
156
Таблиця Б.6 – Розміри сталевих приварних встик фланців під прокладку восьмикутного перерізу
Розміри в міліметрах
| Діаметр апарата D |
D 1 |
D 2 |
D 3 |
D 4 |
D 6 |
D 7 |
b |
H |
h |
a |
R |
d |
Болти (шпильки) |
Тиск номінальний PN , МПа |
|
| діа- метр |
кіль- кість |
||||||||||||||
| 400 |
590 |
530 |
430 |
490 |
428 |
460 |
70 |
120 |
8 |
7 |
1,6 |
33 |
М30 |
20 |
6,3 |
| 620 |
555 |
475 |
516 |
436 |
472 |
135 |
24 |
8,0 |
|||||||
| 630 |
565 |
526 |
442 |
484 |
76 |
155 |
10,0 |
||||||||
| 715 |
630 |
578 |
462 |
526 |
104 |
220 |
12 |
10 |
46 |
М42 |
20 |
16,0 |
|||
| 500 |
895 |
635 |
560 |
590 |
532 |
568 |
75 |
130 |
8 |
7 |
33 |
М30 |
24 |
6,3 |
|
| 735 |
670 |
575 |
631 |
542 |
586 |
76 |
155 |
10 |
9 |
28 |
8,0 |
||||
| 750 |
685 |
646 |
550 |
602 |
88 |
185 |
10,0 |
||||||||
| 840 |
755 |
703 |
576 |
652 |
115 |
255 |
15 |
13 |
2,4 |
46 |
М42 |
24 |
16,0 |
||
| 600 |
820 |
750 |
685 |
710 |
640 |
680 |
85 |
145 |
8 |
9 |
1,6 |
33 |
М30 |
28 |
6,3 |
| 845 |
780 |
675 |
741 |
648 |
698 |
175 |
12 |
32 |
8,0 |
||||||
| 885 |
810 |
762 |
658 |
718 |
102 |
210 |
40 |
М36 |
28 |
10,0 |
|||||
| 985 |
890 |
832 |
688 |
776 |
130 |
290 |
15 |
15 |
2,4 |
52 |
М48 |
24 |
16,0 |
||
| 800 |
1055 |
985 |
890 |
935 |
848 |
904 |
95 |
180 |
12 |
9 |
1,6 |
40 |
М36 |
36 |
6,3 |
| 1095 |
1020 |
875 |
974 |
860 |
924 |
106 |
225 |
13 |
12 |
2,4 |
8,0 |
||||
| 1140 |
1055 |
1003 |
874 |
950 |
125 |
265 |
46 |
М42 |
32 |
10,0 |
|||||
| 1290 |
1170 |
910 |
1094 |
914 |
1030 |
175 |
390 |
19 |
23 |
70 |
М64 |
24 |
16,0 |
||
| 1000 |
1300 |
1220 |
1070 |
1163 |
1056 |
1126 |
115 |
220 |
13 |
12 |
46 |
М42 |
40 |
6,3 |
|
| 1340 |
1255 |
1090 |
1203 |
1074 |
1152 |
130 |
270 |
16 |
16 |
8,0 |
|||||
| 1390 |
1295 |
1237 |
1090 |
1180 |
156 |
325 |
52 |
М48 |
36 |
10,0 |
|||||
| 1550 |
1425 |
1120 |
1345 |
1140 |
1280 |
200 |
460 |
22 |
26 |
74 |
М68 |
32 |
16,0 |
||
Закінчення таблиці Б.6
Розміри в міліметрах
| Діаметр апарата D |
D 1 |
D 2 |
D 3 |
D 4 |
D 6 |
D 7 |
b |
H |
h |
a |
R |
d |
Болти (шпильки) |
Тиск номінальний PN , МПа |
|
| діаметр |
кількість |
||||||||||||||
| 1200 |
1520 |
1440 |
1280 |
1385 |
1268 |
1346 |
130 |
245 |
15 |
13 |
2,4 |
46 |
М42 |
48 |
6,3 |
| 1590 |
1495 |
1290 |
1437 |
1286 |
1376 |
148 |
310 |
17 |
20 |
52 |
М48 |
44 |
8,0 |
||
| 1645 |
1535 |
1469 |
1304 |
1408 |
180 |
370 |
60 |
М56 |
40 |
10,0 |
|||||
| 1840 |
1695 |
1350 |
1603 |
1366 |
1532 |
238 |
545 |
25 |
31 |
86 |
М80 |
32 |
16,0 |
||
| 1400 |
1770 |
1675 |
1460 |
1610 |
1476 |
1562 |
155 |
285 |
16 |
16 |
58 |
М52 |
44 |
6,3 |
|
| 1825 |
1720 |
1500 |
1658 |
1498 |
1598 |
172 |
355 |
20 |
24 |
48 |
8,0 |
||||
| 1890 |
1775 |
1703 |
1520 |
1640 |
205 |
425 |
66 |
М60 |
44 |
10,0 |
|||||
| 1600 |
1990 |
1900 |
1705 |
1835 |
1686 |
1784 |
160 |
305 |
16 |
19 |
58 |
М52 |
56 |
6,3 |
|
| 2060 |
1950 |
1710 |
1884 |
1710 |
1820 |
196 |
410 |
22 |
26 |
60 |
М56 |
52 |
8,0 |
||
Таблиця Б.7 – Маса приварних встик фланців під прокладку восьмикутного перерізу
|
|
Фланці перехідні
Конструкції та розміри перехідних фланців з ущільнювальною поверхнею типу “виступ” наведені на рисунку Б.32 і в таблиці Б.8, а фланців з ущільнювальною поверхнею під прокладку восьмикутного перерізу – на рисунку Б.33 і в таблиці Б.9.
Приклад умовного позначення перехідного фланця з виступом виповнення 1 з внутрішнім діаметром 1200 мм, на номінальний (умовний) тиск PN 2,5 МПа:
Фланец П-1-1200-25 ОСТ 26-02-1370-61 .
Приклад умовного позначення перехідного фланця під прокладку восьмикутного перерізу виповнення 1 з внутрішнім діаметром 1200 мм, на номінальний (умовний) тиск PN 6,4 МПа:
Фланец ПВ-1-1200-64 ОСТ 26-02-1371-61 .
159
а б
а – виповнення 1; б – виповнення 3
Рисунок Б.32 – Фланці перехідні з ущільнювальною поверхнею з виступом
160
а – виповнення 1; б – виповнення 2
Рисунок Б.33 – Фланці перехідні із ущільнювальною поверхнею під металеву прокладку восьмикутного перерізу
161
Таблиця Б.8 – Розміри та параметри перехідних фланців з виступом
Розміри в міліметрах
| D |
D в |
D 1 |
D 2 |
D 5 |
D 5 |
D 7 |
b |
H |
d |
Болти (шпильки) |
Тиск номинальний PN , МПа |
|
| діаметр |
число |
|||||||||||
| 400 |
500 |
640 |
600 |
563 |
412 |
444 |
30 |
75 |
23 |
М20 |
24 |
1,0 |
| 452 |
35 |
95 |
1,6 |
|||||||||
| 418 |
456 |
50 |
105 |
28 |
2,5 |
|||||||
| 695 |
635 |
557 |
424 |
480 |
55 |
140 |
33 |
М30 |
24 |
4,0 |
||
| 432 |
500 |
65 |
170 |
6,4 |
||||||||
| 500 |
600 |
740 |
700 |
663 |
514 |
544 |
35 |
80 |
23 |
М20 |
28 |
1,0 |
| 556 |
40 |
105 |
1,6 |
|||||||||
| 522 |
564 |
50 |
115 |
32 |
2,5 |
|||||||
| 795 |
735 |
657 |
528 |
584 |
65 |
150 |
33 |
М30 |
28 |
4,0 |
||
| 820 |
750 |
669 |
538 |
610 |
80 |
190 |
6,4 |
|||||
| 600 |
700 |
840 |
800 |
763 |
614 |
652 |
35 |
95 |
23 |
M20 |
32 |
1,0 |
| 616 |
656 |
50 |
110 |
1,6 |
||||||||
| 850 |
810 |
773 |
624 |
670 |
55 |
125 |
40 |
2,5 |
||||
| 895 |
835 |
757 |
630 |
688 |
70 |
155 |
33 |
M30 |
32 |
4,0 |
||
| 800 |
1055 |
985 |
883 |
644 |
750 |
115 |
275 |
40 |
M36 |
36 |
6,4 |
|
| 800 |
900 |
1045 |
1005 |
965 |
818 |
866 |
40 |
115 |
23 |
M20 |
40 |
1,0 |
| 820 |
868 |
55 |
130 |
1,6 |
||||||||
| 1070 |
1020 |
977 |
830 |
880 |
65 |
140 |
27 |
M24 |
48 |
2,5 |
||
| 1110 |
1050 |
968 |
838 |
902 |
85 |
180 |
33 |
M30 |
40 |
4,0 |
||
| 1000 |
1300 |
1220 |
1093 |
852 |
960 |
145 |
310 |
46 |
M42 |
6,4 |
||
Закінчення таблиці Б.8
Розміри в міліметрах
| D |
D в |
D 1 |
D 2 |
D 5 |
D 5 |
D 7 |
b |
H |
d |
Болти (шпильки) |
Тиск номінальний PN , МПа |
|
| діаметр |
число |
|||||||||||
| 1000 |
1100 |
1250 |
1210 |
1166 |
1020 |
1072 |
45 |
125 |
23 |
M20 |
52 |
1,0 |
| 1024 |
1080 |
60 |
145 |
1,6 |
||||||||
| 1285 |
1235 |
1188 |
1036 |
1100 |
65 |
160 |
27 |
M24 |
56 |
2,5 |
||
| 1345 |
1275 |
1185 |
1044 |
1120 |
95 |
210 |
40 |
M36 |
44 |
4,0 |
||
| 1200 |
1520 |
1440 |
1307 |
1060 |
1172 |
180 |
350 |
46 |
M42 |
48 |
6,4 |
|
| 1200 |
1400 |
1550 |
1510 |
1468 |
1220 |
1294 |
55 |
165 |
23 |
M20 |
68 |
1,0 |
| 1228 |
1312 |
85 |
210 |
1,6 |
||||||||
| 1610 |
1555 |
1504 |
1238 |
1332 |
100 |
240 |
30 |
M27 |
64 |
2,5 |
||
| 1670 |
1600 |
1492 |
1250 |
1352 |
145 |
300 |
40 |
M36 |
56 |
4,0 |
||
| 1770 |
1675 |
1519 |
1272 |
1410 |
185 |
390 |
58 |
M52 |
44 |
6,4 |
||
Таблиця Б.9 – Розміри та параметри перехідних фланців під металеву прокладку восьмикутного перерізу
Розміри в міліметрах
| D |
Dв |
D 1 |
D 2 |
D 3 |
D 4 |
D 6 |
D 7 |
b |
H |
h |
a |
R |
d |
Болти (шпильки) |
Тиск номінальний PN , МПа |
|
| діаметр |
число |
|||||||||||||||
| 400 |
500 |
695 |
635 |
560 |
590 |
432 |
500 |
60 |
170 |
8 |
6 |
1, |
33 |
М30 |
24 |
6,4 |
| 500 |
600 |
820 |
750 |
685 |
710 |
538 |
610 |
80 |
195 |
8 |
8 |
33 |
М30 |
28 |
6,4 |
|
| 700 |
980 |
905 |
775 |
859 |
542 |
650 |
130 |
300 |
12 |
10 |
40 |
М36 |
32 |
8,0 |
||
| 600 |
800 |
1055 |
985 |
890 |
935 |
644 |
750 |
120 |
280 |
12 |
9 |
2,4 |
40 |
М36 |
36 |
6,4 |
| 1095 |
1020 |
875 |
974 |
648 |
770 |
140 |
340 |
13 |
12 |
8,0 |
||||||
| 800 |
900 |
1180 |
1110 |
1025 |
1060 |
852 |
922 |
145 |
250 |
12 |
9 |
1,6 |
40 |
М36 |
40 |
6,4 |
| 1000 |
1300 |
1220 |
1070 |
1165 |
960 |
150 |
315 |
13 |
12 |
2,4 |
46 |
М42 |
||||
| 1348 |
1255 |
1090 |
1203 |
860 |
1000 |
155 |
385 |
16 |
16 |
8,0 |
||||||
| 1000 |
1200 |
1520 |
1440 |
1280 |
1385 |
1060 |
1170 |
185 |
325 |
15 |
13 |
48 |
6,4 |
|||
| 1200 |
1400 |
1770 |
1675 |
1460 |
1610 |
1272 |
1410 |
390 |
16 |
16 |
58 |
М52 |
44 |
6,4 |
||
ДОДАТОК В Конструкції та розміри фланців арматури, з’єднувальних частин і трубопроводів Фланці сталеві плоскі приварні [22]
Конструкція та розміри фланців наведені на рисунках В.1-В.3, В.6 і в таблиці В.1.
Допускається виготовлення фланців з ущільнювальними поверхнями виповнень 4, 5, 8 і 9 (рисунки В.4, В.5).
Розміри ущільнювальних поверхонь для фланців виповнень 8, 9 під фторопластові прокладки наведені в таблиці В.2.
Маса фланців наведена в таблиці В.8.
Приклад умовного позначення круглого сталевого плоского приварного фланця на номінальний розмір (умовний прохід) DN 50 мм і номінальний (умовний) тиск PN 1,0 МПа, зі сталі 25, виповнення 1 (зі з’єднувальним виступом):
Фланец 1-50-10 ст. 25 ГОСТ 12820-80.
Те ж, квадратного:
Фланец квадратный 1-50-10 ст. 25 ГОСТ 12820-80.
Для фланців типу „шип-паз” під фторопластові прокладки до умовного позначення слід додавати букву Ф після позначення умовного тиску.
Рисунок В.1 – Фланець сталевий арматури і трубопроводів плоский приварний зі з’єднувальним виступом (виповнення 1)
165
Рисунок В.2 – Фланець сталевий для арматури і трубопроводів плоский приварний з виступом (виповнення 2)
Рисунок В.3 – Фланець сталевий для арматури і трубопроводів плоский приварний із западиною (виповнення 3)
166
Рисунок В.4 – Фланець сталевий для арматури і трубопроводів плоский приварний з шипом (виповнення 4 і 8)
Рисунок В.5 – Фланець сталевий для арматури і трубопроводів плоский приварний з пазом (виповнення 5 і 9)
167
Рисунок В.6 – Фланець для арматури і трубопроводів квадратний
168
Таблиця В.1 – Фланці сталеві плоскі приварні для арматури і трубопроводів
Розміри в міліметрах
|
|
Зовніш- ній діаметр труби dн |
dв |
D |
D 1 |
D 2 |
D 4 |
D 4 |
D 5 |
D 6 |
b |
h |
h 1 |
h 2 |
B |
d |
Болти (шпильки) |
|
| діаметр |
кількість |
||||||||||||||||
| Тиск номінальній (умовний) PN 0,25 МПа |
|||||||||||||||||
| 10 |
14 |
15 |
75 |
50 |
35 |
19 |
29 |
18 |
30 |
8 |
2 |
4 |
3 |
60 |
11 |
М10 |
4 |
| 15 |
18 |
19 |
80 |
55 |
40 |
23 |
33 |
22 |
34 |
65 |
|||||||
| 20 |
25 |
26 |
90 |
65 |
50 |
33 |
43 |
32 |
44 |
10 |
70 |
||||||
| 25 |
32 |
33 |
100 |
75 |
60 |
41 |
51 |
40 |
52 |
75 |
|||||||
| 32 |
38 |
39 |
120 |
90 |
70 |
49 |
59 |
48 |
60 |
95 |
14 |
М12 |
|||||
| 40 |
45 |
46 |
130 |
100 |
80 |
55 |
69 |
54 |
70 |
3 |
100 |
||||||
| 50 |
57 |
59 |
140 |
110 |
90 |
66 |
80 |
65 |
81 |
110 |
|||||||
| 65 |
76 |
78 |
160 |
130 |
110 |
86 |
100 |
85 |
101 |
11 |
125 |
||||||
| 80 |
89 |
91 |
185 |
150 |
128 |
101 |
115 |
100 |
116 |
140 |
18 |
М16 |
|||||
| 100 |
108 |
110 |
205 |
170 |
148 |
117 |
137 |
116 |
138 |
155 |
|||||||
| 125 |
133 |
135 |
235 |
200 |
178 |
146 |
166 |
145 |
167 |
13 |
- |
8 |
|||||
| 150 |
159 |
161 |
260 |
225 |
202 |
171 |
191 |
170 |
192 |
||||||||
| 200 |
219 |
222 |
315 |
280 |
258 |
229 |
249 |
228 |
250 |
15 |
|||||||
| 250 |
273 |
273 |
370 |
335 |
312 |
283 |
303 |
282 |
304 |
18 |
12 |
||||||
| 300 |
325 |
325 |
435 |
395 |
365 |
336 |
356 |
335 |
357 |
4 |
5 |
4 |
22 |
М20 |
|||
| 350 |
377 |
377 |
485 |
445 |
415 |
386 |
406 |
385 |
407 |
18 |
|||||||
| 400 |
426 |
426 |
535 |
495 |
465 |
436 |
456 |
435 |
457 |
16 |
|||||||
| 500 |
530 |
530 |
640 |
600 |
570 |
541 |
561 |
540 |
562 |
20 |
|||||||
| 600 |
630 |
630 |
755 |
705 |
670 |
635 |
661 |
634 |
662 |
5 |
6 |
5 |
26 |
М24 |
20 |
||
Продовження таблиці В.1
Розміри в міліметрахр
|
|
Зовніш- ній діаметр труби dн |
d в |
D |
D 1 |
D 2 |
D 4 |
D 4 |
D 5 |
D 6 |
b |
h |
h 1 |
h 2 |
B |
d |
Болти (шпильки) |
|
| діаметр |
кількість |
||||||||||||||||
| Тиск номінальній (умовний) PN 0,25 МПа |
|||||||||||||||||
| 800 |
820 |
820 |
975 |
920 |
880 |
841 |
867 |
840 |
868 |
21 |
5 |
6 |
5 |
- |
30 |
М27 |
24 |
| 1000 |
1020 |
1020 |
1175 |
1120 |
1080 |
- |
- |
- |
- |
25 |
- |
- |
30 |
М27 |
28 |
||
| 1200 |
1220 |
1220 |
1375 |
1320 |
1280 |
32 |
|||||||||||
| Тиск номінальній (умовний) PN 0,6 МПа |
|||||||||||||||||
| 10 |
14 |
15 |
75 |
50 |
35 |
19 |
29 |
18 |
30 |
10 |
2 |
4 |
3 |
60 |
11 |
М10 |
4 |
| 15 |
18 |
19 |
80 |
55 |
40 |
23 |
33 |
22 |
34 |
65 |
|||||||
| 20 |
25 |
26 |
90 |
65 |
50 |
33 |
43 |
32 |
44 |
12 |
70 |
||||||
| 25 |
32 |
33 |
100 |
75 |
60 |
41 |
51 |
40 |
52 |
75 |
|||||||
| 32 |
38 |
39 |
120 |
90 |
70 |
49 |
59 |
48 |
60 |
13 |
95 |
14 |
М12 |
||||
| 40 |
45 |
46 |
130 |
100 |
80 |
55 |
69 |
54 |
70 |
3 |
100 |
||||||
| 50 |
57 |
59 |
140 |
110 |
90 |
66 |
80 |
65 |
81 |
110 |
|||||||
| 65 |
76 |
78 |
160 |
130 |
110 |
86 |
100 |
85 |
101 |
125 |
14 |
||||||
| 80 |
89 |
91 |
185 |
150 |
128 |
101 |
115 |
100 |
116 |
15 |
140 |
18 |
М16 |
||||
| 100 |
108 |
110 |
205 |
170 |
148 |
117 |
137 |
116 |
138 |
155 |
|||||||
| 125 |
133 |
135 |
235 |
200 |
178 |
146 |
166 |
145 |
167 |
17 |
- |
8 |
|||||
| 150 |
159 |
161 |
260 |
225 |
202 |
171 |
191 |
170 |
192 |
||||||||
| 200 |
219 |
222 |
315 |
280 |
258 |
229 |
249 |
228 |
250 |
19 |
|||||||
| 250 |
273 |
273 |
370 |
335 |
312 |
283 |
303 |
282 |
304 |
20 |
12 |
||||||
| 300 |
325 |
325 |
435 |
395 |
365 |
336 |
356 |
335 |
357 |
4 |
5 |
4 |
22 |
М20 |
|||
Продовження таблиці В.1
Розміри в міліметрах
|
|
Зовніш- ній діаметр труби dн |
dв |
D |
D 1 |
D 2 |
D 4 |
D 4 |
D 5 |
D 6 |
b |
h |
h 1 |
h 2 |
B |
d |
Болти (шпильки) |
|
| діа- метр |
кіль- кість |
||||||||||||||||
| Тиск номінальній (умовний) PN 0,6 МПа |
|||||||||||||||||
| 350 |
377 |
377 |
485 |
445 |
415 |
386 |
406 |
385 |
407 |
22 |
4 |
5 |
4 |
- |
22 |
М20 |
12 |
| 400 |
426 |
426 |
535 |
495 |
465 |
436 |
456 |
435 |
457 |
24 |
16 |
||||||
| 500 |
530 |
530 |
640 |
600 |
570 |
541 |
561 |
540 |
562 |
25 |
|||||||
| 600 |
630 |
630 |
755 |
705 |
670 |
635 |
661 |
634 |
662 |
5 |
6 |
5 |
26 |
М24 |
20 |
||
| 800 |
820 |
820 |
975 |
920 |
880 |
841 |
867 |
840 |
868 |
27 |
30 |
М27 |
24 |
||||
| 1000 |
1020 |
1020 |
1175 |
1120 |
1080 |
- |
- |
- |
- |
31 |
- |
- |
28 |
||||
| 1200 |
1220 |
1220 |
1400 |
1340 |
1295 |
34 |
33 |
М30 |
32 |
||||||||
| Тиск номінальній (умовний) PN 1,0 МПа |
|||||||||||||||||
| 10 |
14 |
15 |
90 |
60 |
42 |
24 |
34 |
23 |
35 |
10 |
2 |
4 |
3 |
70 |
14 |
М12 |
4 |
| 15 |
18 |
19 |
95 |
65 |
47 |
29 |
39 |
28 |
40 |
75 |
|||||||
| 20 |
25 |
26 |
105 |
75 |
58 |
36 |
50 |
35 |
51 |
12 |
80 |
||||||
| 25 |
32 |
33 |
115 |
85 |
68 |
43 |
57 |
42 |
58 |
90 |
|||||||
| 32 |
38 |
39 |
135 |
100 |
78 |
51 |
65 |
50 |
66 |
14 |
105 |
18 |
М16 |
||||
| 40 |
45 |
46 |
145 |
110 |
88 |
61 |
75 |
60 |
76 |
15 |
3 |
110 |
|||||
| 50 |
57 |
59 |
160 |
125 |
102 |
73 |
87 |
72 |
88 |
15 |
125 |
||||||
| 65 |
76 |
78 |
180 |
145 |
122 |
95 |
109 |
94 |
110 |
17 |
140 |
||||||
| 80 |
89 |
91 |
195 |
160 |
133 |
106 |
120 |
105 |
121 |
150 |
|||||||
| 100 |
108 |
110 |
215 |
180 |
158 |
129 |
149 |
128 |
150 |
19 |
- |
8 |
|||||
Продовження таблиці В.1
Розміри в міліметрах
|
|
Зовніш- ній діаметр труби dн |
dв |
D |
D 1 |
D 2 |
D 4 |
D 4 |
D 5 |
D 6 |
b |
h |
h 1 |
h 2 |
B |
d |
Болти (шпильки) |
|
| діа- метр |
кіль- кість |
||||||||||||||||
| Тиск номінальній (умовний) PN 1,0 МПа |
|||||||||||||||||
| 125 |
133 |
135 |
245 |
210 |
184 |
155 |
175 |
154 |
176 |
21 |
3 |
4 |
3 |
- |
18 |
М16 |
8 |
| 150 |
159 |
161 |
280 |
240 |
212 |
183 |
203 |
182 |
204 |
22 |
М20 |
||||||
| 200 |
219 |
222 |
335 |
295 |
268 |
239 |
259 |
238 |
260 |
21 |
|||||||
| 250 |
273 |
273 |
390 |
350 |
320 |
292 |
312 |
291 |
313 |
23 |
12 |
||||||
| 300 |
325 |
325 |
440 |
400 |
370 |
343 |
363 |
342 |
364 |
24 |
4 |
5 |
4 |
||||
| 350 |
377 |
377 |
500 |
460 |
430 |
395 |
421 |
394 |
422 |
24 |
16 |
||||||
| 400 |
426 |
426 |
565 |
515 |
482 |
447 |
473 |
446 |
474 |
26 |
26 |
М24 |
16 |
||||
| 500 |
530 |
530 |
670 |
620 |
585 |
549 |
575 |
548 |
576 |
28 |
20 |
||||||
| 600 |
630 |
630 |
780 |
725 |
685 |
651 |
677 |
650 |
678 |
31 |
5 |
6 |
5 |
30 |
М27 |
||
| 800 |
820 |
820 |
1010 |
950 |
905 |
851 |
877 |
850 |
878 |
37 |
33 |
М30 |
24 |
||||
| 1000 |
1020 |
1020 |
1220 |
1160 |
1110 |
- |
- |
- |
- |
43 |
- |
- |
28 |
||||
| 1200 |
1220 |
1220 |
1455 |
1380 |
1330 |
51 |
39 |
М36 |
32 |
||||||||
| Тиск номінальній (умовний) PN 1,6 МПа |
|||||||||||||||||
| 10 |
14 |
15 |
90 |
60 |
42 |
24 |
34 |
23 |
35 |
12 |
2 |
4 |
3 |
70 |
14 |
М12 |
4 |
| 15 |
18 |
19 |
95 |
65 |
47 |
29 |
39 |
28 |
40 |
75 |
|||||||
| 20 |
25 |
26 |
105 |
75 |
58 |
36 |
50 |
35 |
51 |
14 |
80 |
||||||
| 25 |
32 |
33 |
115 |
85 |
68 |
43 |
57 |
42 |
58 |
16 |
90 |
||||||
| 32 |
38 |
39 |
135 |
100 |
78 |
51 |
65 |
50 |
66 |
105 |
18 |
М16 |
|||||
| 40 |
45 |
46 |
145 |
110 |
88 |
61 |
75 |
60 |
76 |
17 |
3 |
110 |
|||||
Продовження таблиці В.1
Розміри в міліметрах
|
|
Зовніш- ній діаметр труби d н |
dв |
D |
D 1 |
D 2 |
D 4 |
D 4 |
D 5 |
D 6 |
b |
h |
h 1 |
h 2 |
B |
d |
Болти (шпильки) |
|
| діа- метр |
кіль- кість |
||||||||||||||||
| Тиск номінальній (умовний) PN 1,6 МПа |
|||||||||||||||||
| 50 |
57 |
59 |
160 |
125 |
102 |
73 |
87 |
72 |
88 |
19 |
4 |
3 |
125 |
4 |
|||
| 65 |
76 |
78 |
180 |
145 |
122 |
95 |
109 |
94 |
110 |
21 |
140 |
||||||
| 80 |
89 |
91 |
195 |
160 |
133 |
106 |
120 |
105 |
121 |
150 |
|||||||
| 100 |
108 |
110 |
215 |
180 |
158 |
129 |
149 |
128 |
150 |
23 |
- |
8 |
|||||
| 125 |
133 |
135 |
245 |
210 |
184 |
155 |
175 |
154 |
176 |
25 |
|||||||
| 150 |
159 |
161 |
280 |
240 |
212 |
183 |
203 |
182 |
204 |
25 |
22 |
М20 |
|||||
| 200 |
219 |
222 |
335 |
295 |
268 |
239 |
259 |
238 |
260 |
27 |
22 |
М20 |
12 |
||||
| 250 |
273 |
273 |
405 |
355 |
320 |
292 |
312 |
291 |
313 |
28 |
26 |
М24 |
|||||
| 300 |
325 |
325 |
460 |
410 |
370 |
343 |
363 |
342 |
364 |
4 |
5 |
4 |
|||||
| 350 |
377 |
377 |
520 |
470 |
430 |
395 |
421 |
394 |
422 |
30 |
16 |
||||||
| 400 |
426 |
426 |
580 |
525 |
482 |
447 |
473 |
446 |
474 |
34 |
30 |
М27 |
|||||
| 500 |
530 |
530 |
710 |
650 |
585 |
549 |
575 |
548 |
576 |
44 |
33 |
М30 |
20 |
||||
| 600 |
630 |
630 |
840 |
770 |
685 |
651 |
677 |
650 |
678 |
45 |
5 |
6 |
5 |
39 |
М36 |
||
| 800 |
820 |
820 |
1020 |
950 |
905 |
851 |
877 |
850 |
878 |
49 |
24 |
||||||
| 1000 |
1020 |
1020 |
1255 |
1170 |
1110 |
- |
- |
- |
- |
58 |
- |
- |
- |
45 |
М42 |
28 |
|
| 1200 |
1220 |
1220 |
1485 |
1390 |
1330 |
71 |
52 |
М48 |
32 |
||||||||
| Тиск номінальній (умовний) PN 2,5 МПа |
|||||||||||||||||
| 10 |
14 |
15 |
90 |
60 |
42 |
24 |
34 |
23 |
35 |
14 |
2 |
4 |
3 |
70 |
14 |
М12 |
4 |
| 15 |
18 |
19 |
95 |
65 |
47 |
29 |
39 |
28 |
40 |
75 |
|||||||
Закінчення таблиці В.1
Розміри в міліметрах
|
|
Зовніш- ній діаметр труби d н |
dв |
D |
D 1 |
D 2 |
D 4 |
D 4 |
D 5 |
D 6 |
b |
h |
h 1 |
h 2 |
B |
d |
Болти (шпильки) |
|
| діа- метр |
кіль- кість |
||||||||||||||||
| Тиск номінальній (умовний) PN 2,5 МПа |
|||||||||||||||||
| 20 |
25 |
26 |
105 |
75 |
58 |
36 |
50 |
35 |
51 |
14 |
2 |
4 |
3 |
80 |
14 |
М12 |
4 |
| 25 |
32 |
33 |
115 |
85 |
68 |
43 |
57 |
42 |
58 |
90 |
|||||||
| 32 |
38 |
39 |
135 |
100 |
78 |
51 |
65 |
50 |
66 |
18 |
105 |
18 |
М16 |
||||
| 40 |
45 |
46 |
145 |
110 |
88 |
61 |
75 |
60 |
76 |
19 |
3 |
110 |
|||||
| 50 |
57 |
59 |
160 |
125 |
102 |
73 |
87 |
72 |
88 |
21 |
115 |
||||||
| 65 |
76 |
78 |
180 |
145 |
122 |
95 |
109 |
94 |
110 |
- |
8 |
||||||
| 80 |
89 |
91 |
195 |
160 |
133 |
106 |
120 |
105 |
121 |
23 |
|||||||
| 100 |
108 |
110 |
230 |
190 |
158 |
129 |
149 |
128 |
150 |
25 |
22 |
М24 |
|||||
| 125 |
133 |
135 |
270 |
220 |
184 |
155 |
175 |
154 |
176 |
27 |
26 |
||||||
| 150 |
159 |
161 |
300 |
250 |
212 |
183 |
203 |
182 |
204 |
||||||||
| 200 |
219 |
222 |
360 |
310 |
278 |
239 |
259 |
238 |
260 |
29 |
12 |
||||||
| 250 |
273 |
273 |
425 |
370 |
335 |
292 |
312 |
291 |
313 |
31 |
30 |
М27 |
|||||
| 300 |
325 |
325 |
485 |
430 |
390 |
343 |
363 |
342 |
364 |
32 |
4 |
5 |
4 |
16 |
|||
| 350 |
377 |
377 |
550 |
490 |
450 |
395 |
421 |
394 |
422 |
38 |
33 |
М30 |
|||||
| 400 |
426 |
426 |
610 |
550 |
505 |
447 |
473 |
446 |
474 |
40 |
|||||||
| 500 |
530 |
530 |
730 |
660 |
615 |
549 |
575 |
548 |
576 |
48 |
39 |
М36 |
20 |
||||
| 600 |
630 |
630 |
840 |
770 |
720 |
651 |
677 |
650 |
678 |
49 |
5 |
6 |
5 |
||||
| 800 |
820 |
820 |
1075 |
990 |
930 |
851 |
877 |
850 |
878 |
63 |
45 |
М42 |
24 |
||||
Таблиця В.2 – Фланці сталеві для арматури і трубопроводів під фторопластові прокладки (виповнення 8 і 9)
Розміри в міліметрах
| Номінальний розмір DN |
Тиск номінальний (умовний) PN , МПа |
D 3 , D 5 |
D 4 , D 6 |
h 1 |
h 2 |
| 10 |
до 0,63 |
18 |
30 |
4 |
3 |
| понад 0,63 до 10 |
23 |
35 |
|||
| 15 |
до 0,63 |
22 |
34 |
||
| понад 0,63 до 20 |
28 |
40 |
|||
| 20 |
до 0,63 |
32 |
44 |
||
| понад 0,63 до 20 |
35 |
51 |
|||
| 25 |
до 0,63 |
40 |
52 |
||
| понад 0,63 до 20 |
42 |
58 |
|||
| 32 |
до 0,63 |
48 |
60 |
||
| понад 0,63 до 20 |
50 |
66 |
|||
| 40 |
до 0,63 |
54 |
70 |
||
| понад 0,63 до 20 |
60 |
76 |
|||
| 50 |
до 0,63 |
65 |
81 |
||
| понад 0,63 до 20 |
72 |
88 |
|||
| 65 |
до 0,63 |
85 |
101 |
||
| понад 0,63 до 20 |
94 |
110 |
|||
| 80 |
до 0,63 |
100 |
116 |
||
| понад 0,63 до 20 |
105 |
121 |
|||
| 100 |
до 0,63 |
116 |
138 |
6 |
5 |
| понад 0,63 до 20 |
150 |
150 |
|||
| 125 |
до 0,63 |
145 |
167 |
||
| понад 0,63 до 20 |
154 |
176 |
|||
| 150 |
до 0,63 |
170 |
192 |
||
| понад 0,63 до 20 |
182 |
204 |
175 Закінчення таблиці В.2
Розміри в міліметрах
| Номінальний розмір DN |
Тиск номінальний (умовний) PN , МПа |
D 3 , D 5 |
D 4 , D 6 |
h 1 |
h 2 |
| 200 |
до 0,63 |
228 |
250 |
6 |
5 |
| понад 0,63 до 20 |
238 |
260 |
|||
| 250 |
до 0,63 |
282 |
304 |
||
| понад 0,63 до 20 |
291 |
313 |
|||
| 300 |
до 0,63 |
335 |
357 |
||
| понад 0,63 до 16 |
342 |
364 |
|||
| 350 |
до 0,63 |
385 |
407 |
||
| понад 0,63 до 10 |
394 |
422 |
|||
| 400 |
до 0,63 |
435 |
457 |
||
| понад 0,63 до 10 |
446 |
474 |
|||
| 450 |
до 0,63 |
488 |
510 |
||
| понад 0,63 до 4,0 |
496 |
524 |
|||
| 500 |
до 0,63 |
540 |
562 |
||
| понад 0,63 до 6,3 |
548 |
576 |
|||
| 600 |
до 0,63 |
634 |
662 |
||
| понад 0,63 до 6,3 |
650 |
678 |
|||
| 800 |
до 0,63 |
840 |
868 |
||
| понад 0,63 до 4,0 |
850 |
878 |
|||
| Примітка – Решта розмірів фланців наведена в таблиці В.1. |
|||||
176
Фланці сталеві приварні в стик [23]
Конструкції та розміри фланців наведені на рисунках В.7-В.13 і в таблицях В.3-В.7.
Розміри ущільнювальних поверхонь для фланців виповнень 8, 9 під фторопластові прокладки наведені в таблиці В.2.
Приклад умовного позначення круглого сталевого приварного встик фланця на номінальний розмір (умовний прохід) DN 50 мм і номінальний (умовний) тиск PN 1,0 МПа, зі сталі 25, виповнення 1 (зі з’єднувальним виступом):
Фланец 1-50-10 Ст 25 ГОСТ 12821-80.
Те ж, квадратного:
Фланец квадратный 1-50-10 Ст 25 ГОСТ 12821-80.
Для фланців типу „шип-паз” під фторопластові прокладки до умовного позначення слід додавати букву Ф після позначення номінального (умовного) тиску.
Маса фланців наведена в таблицях В.8-В.11.
Рисунок В.7 – Фланець сталевий приварний встик зі з’єднувальним виступом (виповнення 1)
177
Рисунок В.8 – Фланець сталевий приварний встик з виступом (виповнення 2)
Рисунок В.9 – Фланець сталевий приварний встик із западиною (виповнення 3)
178
Рисунок В.10 – Фланець сталевий приварний встик з шипом (виповнення 4 і 8)
Рисунок В.11 – Фланець сталевий приварний встик з пазом (виповнення 5 і 9)
179
Рисунок В.12 – Фланець сталевий приварний встик під лінзову прокладку (виповнення 6)
Рисунок В.13 – Фланець сталевий приварний встик під прокладку овального перерізу (виповнення 7)
180
Таблиця В.3 – Фланці сталеві приварні встик для арматури і трубопроводів
|
|
d 1 |
D |
D 1 |
D 2 |
D 3 |
D 4 |
D 5 |
D 6 |
D m |
D n |
b |
h |
h 1 |
h 2 |
h 4 |
B |
d |
Болти (шпильки) |
|
| діа- метр |
кіль- кість |
||||||||||||||||||
| Тиск номінальній (умовний) PN 0,25 МПа |
|||||||||||||||||||
| 10 |
8 |
75 |
50 |
35 |
19 |
29 |
18 |
30 |
22 |
15 |
8 |
2 |
4 |
3 |
23 |
60 |
11 |
М10 |
4 |
| 15 |
12 |
80 |
55 |
40 |
23 |
33 |
22 |
34 |
28 |
19 |
26 |
65 |
|||||||
| 20 |
18 |
90 |
65 |
50 |
33 |
43 |
32 |
44 |
36 |
26 |
28 |
70 |
|||||||
| 25 |
25 |
100 |
75 |
60 |
41 |
51 |
40 |
52 |
42 |
33 |
75 |
||||||||
| 32 |
31 |
120 |
90 |
70 |
49 |
59 |
48 |
60 |
50 |
39 |
95 |
14 |
М12 |
||||||
| 40 |
38 |
130 |
100 |
80 |
55 |
69 |
54 |
70 |
60 |
46 |
9 |
3 |
33 |
100 |
|||||
| 50 |
49 |
140 |
110 |
90 |
66 |
80 |
65 |
81 |
70 |
58 |
110 |
||||||||
| 65 |
66 |
160 |
130 |
110 |
86 |
100 |
85 |
101 |
88 |
77 |
125 |
||||||||
| 80 |
78 |
185 |
150 |
128 |
101 |
115 |
100 |
116 |
102 |
90 |
11 |
35 |
140 |
18 |
М16 |
||||
| 100 |
96 |
205 |
170 |
148 |
117 |
137 |
116 |
138 |
122 |
110 |
37 |
155 |
|||||||
| 125 |
121 |
235 |
200 |
178 |
146 |
166 |
145 |
167 |
148 |
135 |
– |
8 |
|||||||
| 150 |
146 |
260 |
225 |
202 |
171 |
191 |
170 |
192 |
172 |
161 |
38 |
||||||||
| 200 |
202 |
315 |
280 |
258 |
229 |
249 |
228 |
250 |
235 |
222 |
13 |
45 |
|||||||
| 250 |
254 |
370 |
335 |
312 |
283 |
303 |
282 |
304 |
288 |
278 |
16 |
12 |
|||||||
| 300 |
303 |
435 |
395 |
365 |
336 |
356 |
335 |
357 |
340 |
330 |
4 |
5 |
4 |
22 |
М20 |
||||
| 350 |
351 |
485 |
445 |
415 |
386 |
406 |
385 |
407 |
390 |
382 |
|||||||||
| 400 |
398 |
535 |
495 |
465 |
436 |
456 |
435 |
457 |
440 |
432 |
16 |
||||||||
| 500 |
501 |
640 |
600 |
570 |
541 |
561 |
540 |
562 |
545 |
535 |
19 |
50 |
|||||||
| 600 |
602 |
755 |
705 |
670 |
635 |
661 |
634 |
662 |
650 |
636 |
5 |
6 |
5 |
55 |
26 |
М24 |
20 |
||
| 800 |
792 |
975 |
920 |
880 |
841 |
867 |
840 |
868 |
844 |
826 |
60 |
30 |
М27 |
24 |
|||||
|
|
Продовження таблиці В.3 |
Розміри в міліметрах |
|||||||||||||||||
|
|
d 1 |
D |
D 1 |
D 2 |
D 3 |
D 4 |
D 5 |
D 6 |
D m |
D n |
b |
h |
h 1 |
h 2 |
h 4 |
B |
d |
Болти (шпильки) |
|
| діаметр |
кількість |
||||||||||||||||||
| Тиск номінальній (умовний) PN 0,25 МПа |
|||||||||||||||||||
| 1000 |
992 |
1175 |
1120 |
1080 |
- |
- |
- |
- |
1044 |
1028 |
21 |
5 |
6 |
5 |
60 |
- |
30 |
М27 |
28 |
| 1200 |
1192 |
1375 |
1320 |
1280 |
1244 |
1228 |
23 |
65 |
32 |
||||||||||
| Тиск номінальній (умовний) PN 0,6 МПа |
|||||||||||||||||||
| 10 |
8 |
75 |
50 |
35 |
19 |
29 |
18 |
30 |
22 |
15 |
10 |
2 |
4 |
3 |
27 |
60 |
11 |
М10 |
4 |
| 15 |
12 |
80 |
55 |
40 |
23 |
33 |
22 |
34 |
28 |
19 |
28 |
65 |
|||||||
| 20 |
18 |
90 |
65 |
50 |
33 |
43 |
32 |
44 |
36 |
26 |
30 |
70 |
|||||||
| 25 |
25 |
100 |
75 |
60 |
41 |
51 |
40 |
52 |
42 |
33 |
12 |
75 |
|||||||
| 32 |
31 |
120 |
90 |
70 |
49 |
59 |
48 |
60 |
50 |
39 |
33 |
95 |
14 |
М12 |
|||||
| 40 |
38 |
130 |
100 |
80 |
55 |
69 |
54 |
70 |
60 |
46 |
3 |
35 |
100 |
||||||
| 50 |
49 |
140 |
110 |
90 |
66 |
80 |
65 |
81 |
70 |
58 |
110 |
||||||||
| 65 |
66 |
160 |
130 |
110 |
86 |
100 |
85 |
101 |
88 |
77 |
125 |
||||||||
| 80 |
78 |
185 |
150 |
128 |
101 |
115 |
100 |
116 |
102 |
90 |
13 |
37 |
140 |
18 |
М16 |
||||
| 100 |
96 |
205 |
170 |
148 |
117 |
137 |
116 |
138 |
122 |
110 |
38 |
155 |
|||||||
| 125 |
121 |
235 |
200 |
178 |
146 |
166 |
145 |
167 |
148 |
135 |
15 |
40 |
– |
8 |
|||||
| 150 |
146 |
260 |
225 |
202 |
171 |
191 |
170 |
192 |
172 |
161 |
43 |
||||||||
| 200 |
202 |
315 |
280 |
258 |
229 |
249 |
228 |
250 |
235 |
222 |
17 |
50 |
|||||||
| 250 |
254 |
370 |
335 |
312 |
283 |
303 |
282 |
304 |
288 |
278 |
18 |
12 |
|||||||
| 300 |
303 |
435 |
395 |
365 |
336 |
356 |
335 |
357 |
340 |
330 |
4 |
5 |
4 |
22 |
М20 |
||||
| 350 |
351 |
485 |
445 |
415 |
386 |
406 |
385 |
407 |
390 |
382 |
|||||||||
Продовження таблиці В.3
|
|
d 1 |
D |
D 1 |
D 2 |
D 3 |
D 4 |
D 5 |
D 6 |
D m |
D n |
b |
h |
h 1 |
h 2 |
h 4 |
B |
d |
Болти (шпильки) |
|
| діа- метр |
кіль- кість |
||||||||||||||||||
| Тиск номінальній (умовний) PN 0,6МПа |
|||||||||||||||||||
| 400 |
398 |
535 |
495 |
465 |
436 |
456 |
435 |
457 |
440 |
432 |
18 |
4 |
5 |
4 |
50 |
- |
22 |
М20 |
16 |
| 500 |
501 |
640 |
600 |
570 |
541 |
561 |
540 |
562 |
545 |
535 |
|||||||||
| 600 |
602 |
755 |
705 |
670 |
635 |
661 |
634 |
662 |
650 |
636 |
19 |
5 |
6 |
5 |
55 |
26 |
М24 |
20 |
|
| 800 |
792 |
975 |
920 |
880 |
841 |
867 |
840 |
868 |
844 |
826 |
60 |
30 |
М27 |
24 |
|||||
| 1000 |
992 |
1175 |
1120 |
1080 |
- |
- |
- |
- |
1044 |
1028 |
28 |
||||||||
| 1200 |
1192 |
1400 |
1340 |
1295 |
1248 |
1228 |
23 |
70 |
33 |
М30 |
32 |
||||||||
| Тиск номінальній (умовний) PN 1,0 МПа |
|||||||||||||||||||
| 10 |
8 |
90 |
60 |
42 |
24 |
34 |
23 |
35 |
25 |
15 |
10 |
2 |
4 |
3 |
33 |
70 |
14 |
М12 |
4 |
| 15 |
12 |
95 |
65 |
47 |
29 |
39 |
28 |
40 |
30 |
19 |
75 |
||||||||
| 20 |
18 |
105 |
75 |
58 |
36 |
50 |
35 |
51 |
38 |
26 |
12 |
36 |
80 |
||||||
| 25 |
25 |
115 |
85 |
68 |
43 |
57 |
42 |
58 |
45 |
33 |
38 |
90 |
|||||||
| 32 |
31 |
135 |
100 |
78 |
51 |
65 |
50 |
66 |
55 |
39 |
13 |
40 |
105 |
18 |
М16 |
||||
| 40 |
38 |
145 |
110 |
88 |
61 |
75 |
60 |
76 |
62 |
46 |
3 |
42 |
110 |
||||||
| 50 |
49 |
160 |
125 |
102 |
73 |
87 |
72 |
88 |
76 |
58 |
125 |
||||||||
| 65 |
66 |
180 |
145 |
122 |
95 |
109 |
94 |
110 |
94 |
77 |
15 |
45 |
140 |
||||||
| 80 |
78 |
195 |
160 |
133 |
106 |
120 |
105 |
121 |
105 |
90 |
15 |
47 |
150 |
||||||
| 100 |
96 |
215 |
180 |
158 |
129 |
149 |
128 |
150 |
128 |
110 |
17 |
48 |
- |
8 |
|||||
| 125 |
121 |
245 |
210 |
184 |
155 |
175 |
154 |
176 |
156 |
135 |
19 |
57 |
|||||||
| 150 |
146 |
280 |
240 |
212 |
183 |
203 |
182 |
204 |
180 |
161 |
22 |
М20 |
|||||||
| 200 |
202 |
335 |
295 |
268 |
239 |
259 |
238 |
260 |
240 |
222 |
58 |
||||||||
|
|
d 1 |
D |
D 1 |
D 2 |
D 3 |
D 4 |
D 5 |
D 6 |
D m |
D n |
b |
h |
h 1 |
h 2 |
h 4 |
B |
d |
Болти (шпильки) |
|
| діа- метр |
кіль- кість |
||||||||||||||||||
| Тиск номінальній (умовний) PN 1,0 МПа |
|||||||||||||||||||
| 250 |
254 |
390 |
350 |
320 |
292 |
312 |
291 |
313 |
290 |
278 |
21 |
3 |
4 |
3 |
60 |
- |
22 |
М20 |
12 |
| 300 |
303 |
440 |
400 |
370 |
343 |
363 |
342 |
364 |
345 |
330 |
22 |
4 |
5 |
4 |
|||||
| 350 |
351 |
500 |
460 |
430 |
395 |
421 |
394 |
422 |
400 |
382 |
16 |
||||||||
| 400 |
398 |
565 |
515 |
482 |
447 |
473 |
446 |
474 |
445 |
432 |
26 |
М24 |
|||||||
| 500 |
501 |
670 |
620 |
585 |
549 |
575 |
548 |
576 |
550 |
535 |
24 |
65 |
20 |
||||||
| 600 |
602 |
780 |
725 |
685 |
651 |
677 |
650 |
678 |
650 |
636 |
5 |
6 |
5 |
30 |
М27 |
||||
| 800 |
792 |
1010 |
950 |
905 |
851 |
877 |
850 |
878 |
850 |
826 |
27 |
75 |
33 |
М30 |
24 |
||||
| 1000 |
992 |
1220 |
1160 |
1110 |
- |
- |
- |
- |
1050 |
1028 |
29 |
80 |
28 |
||||||
| 1200 |
1192 |
1455 |
1380 |
1330 |
1256 |
1228 |
33 |
90 |
39 |
М36 |
32 |
||||||||
| Тиск номінальній (умовний) PN 1,6 МПа |
|||||||||||||||||||
| 10 |
8 |
90 |
60 |
42 |
24 |
34 |
23 |
35 |
26 |
15 |
12 |
2 |
4 |
3 |
33 |
70 |
14 |
М12 |
4 |
| 15 |
12 |
95 |
65 |
47 |
29 |
39 |
28 |
40 |
30 |
19 |
75 |
||||||||
| 20 |
18 |
105 |
75 |
58 |
36 |
50 |
35 |
51 |
38 |
26 |
36 |
80 |
|||||||
| 25 |
25 |
115 |
85 |
68 |
43 |
57 |
42 |
58 |
45 |
33 |
38 |
90 |
|||||||
| 32 |
31 |
135 |
100 |
78 |
51 |
65 |
50 |
66 |
55 |
39 |
13 |
40 |
105 |
18 |
М16 |
||||
| 40 |
38 |
145 |
110 |
88 |
61 |
75 |
60 |
76 |
64 |
46 |
3 |
42 |
110 |
||||||
| 50 |
49 |
160 |
125 |
102 |
73 |
87 |
72 |
88 |
76 |
58 |
45 |
125 |
|||||||
| 65 |
66 |
180 |
145 |
122 |
95 |
109 |
94 |
110 |
94 |
77 |
15 |
47 |
140 |
||||||
| 80 |
78 |
195 |
160 |
133 |
106 |
120 |
105 |
121 |
110 |
90 |
17 |
50 |
150 |
8 |
|||||
| 100 |
96 |
215 |
180 |
158 |
129 |
149 |
128 |
150 |
130 |
110 |
- |
||||||||
Продовження таблиці В.3
Розміри в міліметрах
Продовження таблиці В.3
|
|
d1 |
D |
D1 |
D2 |
D3 |
D4 |
D5 |
D6 |
Dm |
Dn |
b |
h |
h 1 |
h 2 |
h 4 |
B |
d |
Болти (шпильки) |
|
| діа- метр |
кіль- кість |
||||||||||||||||||
| Тиск номінальній (умовний) PN 1,6 МПа |
|||||||||||||||||||
| 125 |
121 |
245 |
210 |
184 |
155 |
175 |
154 |
176 |
156 |
135 |
19 |
3 |
4 |
3 |
57 |
- |
18 |
M16 |
8 |
| 150 |
146 |
280 |
240 |
212 |
183 |
203 |
182 |
204 |
180 |
161 |
22 |
М20 |
|||||||
| 200 |
202 |
335 |
295 |
268 |
239 |
259 |
238 |
260 |
240 |
222 |
21 |
58 |
12 |
||||||
| 250 |
254 |
405 |
355 |
320 |
292 |
312 |
291 |
313 |
292 |
278 |
23 |
65 |
26 |
М24 |
|||||
| 300 |
303 |
460 |
410 |
370 |
343 |
363 |
342 |
364 |
346 |
330 |
24 |
4 |
5 |
4 |
66 |
||||
| 350 |
351 |
520 |
470 |
430 |
395 |
421 |
394 |
422 |
400 |
382 |
28 |
70 |
16 |
||||||
| 400 |
398 |
580 |
525 |
482 |
447 |
473 |
446 |
474 |
450 |
432 |
32 |
75 |
30 |
М27 |
16 |
||||
| 500 |
501 |
710 |
650 |
585 |
549 |
575 |
548 |
576 |
559 |
535 |
38 |
90 |
33 |
М30 |
20 |
||||
| 600 |
602 |
840 |
770 |
685 |
651 |
677 |
650 |
678 |
660 |
636 |
41 |
5 |
6 |
5 |
39 |
М36 |
|||
| 800 |
792 |
1020 |
950 |
905 |
851 |
877 |
850 |
878 |
850 |
826 |
45 |
95 |
24 |
||||||
| 1000 |
992 |
1255 |
1170 |
1110 |
- |
- |
- |
- |
1060 |
1028 |
49 |
110 |
45 |
М42 |
28 |
||||
| 1200 |
1192 |
1485 |
1390 |
1330 |
1268 |
1228 |
51 |
5 |
6 |
5 |
125 |
52 |
М48 |
32 |
|||||
| Тиск номінальній (умовний) PN 2,5 МПа |
|||||||||||||||||||
| 10 |
8 |
90 |
60 |
42 |
24 |
34 |
23 |
35 |
26 |
15 |
14 |
2 |
4 |
3 |
33 |
70 |
14 |
М12 |
4 |
| 15 |
12 |
95 |
65 |
47 |
29 |
39 |
28 |
40 |
30 |
19 |
75 |
||||||||
| 20 |
18 |
105 |
75 |
58 |
36 |
50 |
35 |
51 |
38 |
26 |
34 |
80 |
|||||||
| 25 |
25 |
115 |
85 |
68 |
43 |
57 |
42 |
58 |
45 |
33 |
36 |
90 |
|||||||
| 32 |
31 |
135 |
100 |
78 |
51 |
65 |
50 |
66 |
56 |
39 |
16 |
43 |
105 |
18 |
М16 |
||||
| 40 |
38 |
145 |
110 |
88 |
61 |
75 |
60 |
76 |
64 |
46 |
3 |
45 |
110 |
||||||
| 50 |
49 |
160 |
125 |
102 |
73 |
87 |
72 |
88 |
76 |
58 |
17 |
125 |
|||||||
Продовження таблиці В.3
Розміри в міліметрах
|
|
d1 |
D |
D1 |
D2 |
D3 |
D4 |
D5 |
D6 |
Dm |
Dn |
b |
h |
h 1 |
h 2 |
h 4 |
B |
d |
Болти (шпильки) |
|
| діаметр |
кількість |
||||||||||||||||||
| Тиск номінальній (умовний) PN 2,5 МПа |
|||||||||||||||||||
| 65 |
66 |
180 |
145 |
122 |
95 |
109 |
94 |
110 |
96 |
77 |
19 |
3 |
4 |
3 |
50 |
- |
18 |
М16 |
8 |
| 80 |
78 |
195 |
160 |
133 |
106 |
120 |
105 |
121 |
110 |
90 |
19 |
52 |
|||||||
| 100 |
96 |
230 |
190 |
158 |
129 |
149 |
128 |
150 |
132 |
110 |
21 |
58 |
22 |
М20 |
|||||
| 125 |
121 |
270 |
220 |
184 |
155 |
175 |
154 |
176 |
160 |
135 |
23 |
65 |
26 |
М24 |
|||||
| 150 |
146 |
300 |
250 |
212 |
183 |
203 |
182 |
204 |
186 |
161 |
25 |
68 |
|||||||
| 200 |
202 |
360 |
310 |
278 |
239 |
259 |
238 |
260 |
245 |
222 |
27 |
75 |
12 |
||||||
| 250 |
254 |
425 |
370 |
335 |
292 |
312 |
291 |
313 |
300 |
278 |
29 |
30 |
М27 |
||||||
| 300 |
303 |
485 |
430 |
390 |
343 |
363 |
342 |
364 |
352 |
330 |
32 |
4 |
5 |
4 |
80 |
16 |
|||
| 350 |
351 |
550 |
490 |
450 |
395 |
421 |
394 |
422 |
406 |
382 |
36 |
85 |
33 |
М30 |
|||||
| 400 |
398 |
610 |
550 |
505 |
447 |
473 |
446 |
474 |
464 |
432 |
40 |
100 |
|||||||
| 500 |
501 |
730 |
660 |
615 |
549 |
575 |
548 |
576 |
570 |
535 |
44 |
39 |
М36 |
20 |
|||||
| 600 |
602 |
840 |
770 |
720 |
651 |
677 |
650 |
678 |
670 |
636 |
49 |
5 |
6 |
5 |
115 |
||||
| 800 |
792 |
1075 |
990 |
930 |
851 |
877 |
850 |
878 |
874 |
826 |
55 |
135 |
45 |
М42 |
24 |
||||
| 1000 |
992 |
1315 |
1210 |
1140 |
- |
- |
- |
- |
1084 |
1028 |
59 |
150 |
56 |
М52 |
28 |
||||
| 1200 |
1192 |
1525 |
1420 |
1350 |
1288 |
1228 |
62 |
160 |
32 |
||||||||||
| Тиск номінальній (умовний) PN 4,0 МПа |
|||||||||||||||||||
| 10 |
8 |
90 |
60 |
42 |
24 |
34 |
23 |
35 |
26 |
15 |
14 |
2 |
4 |
3 |
33 |
70 |
14 |
М12 |
4 |
| 15 |
12 |
95 |
65 |
47 |
29 |
39 |
28 |
40 |
30 |
19 |
75 |
||||||||
| 20 |
18 |
105 |
75 |
58 |
36 |
50 |
35 |
51 |
38 |
26 |
34 |
80 |
|||||||
Закінчення таблиці В.3
Розміри в міліметрах
|
|
d1 |
D |
D1 |
D2 |
D3 |
D4 |
D5 |
D6 |
Dm |
Dn |
b |
h |
h 1 |
h 2 |
h 4 |
B |
d |
Болти (шпильки) |
|
| діа- метр |
кіль- кість |
||||||||||||||||||
| Тиск номінальній (умовний) PN 4,0 МПа |
|||||||||||||||||||
| 25 |
25 |
115 |
85 |
68 |
43 |
57 |
42 |
58 |
45 |
33 |
14 |
2 |
4 |
3 |
36 |
90 |
14 |
М12 |
4 |
| 32 |
31 |
135 |
100 |
78 |
51 |
65 |
50 |
66 |
56 |
39 |
16 |
43 |
105 |
18 |
М16 |
||||
| 40 |
38 |
145 |
110 |
88 |
61 |
75 |
60 |
76 |
64 |
46 |
16 |
3 |
45 |
110 |
М16 |
||||
| 50 |
48 |
160 |
125 |
102 |
73 |
87 |
72 |
88 |
76 |
58 |
17 |
125 |
|||||||
| 65 |
66 |
180 |
145 |
122 |
95 |
109 |
94 |
110 |
96 |
77 |
19 |
50 |
- |
8 |
|||||
| 80 |
78 |
195 |
160 |
133 |
106 |
120 |
105 |
121 |
112 |
90 |
21 |
55 |
|||||||
| 100 |
96 |
230 |
190 |
158 |
129 |
149 |
128 |
150 |
138 |
110 |
23 |
65 |
22 |
М20 |
|||||
| 125 |
120 |
270 |
220 |
184 |
155 |
175 |
154 |
176 |
160 |
135 |
25 |
26 |
М24 |
||||||
| 150 |
145 |
300 |
250 |
212 |
183 |
203 |
182 |
204 |
186 |
161 |
27 |
68 |
|||||||
| 200 |
200 |
375 |
320 |
285 |
239 |
259 |
238 |
260 |
250 |
222 |
35 |
85 |
30 |
М27 |
12 |
||||
| 250 |
252 |
445 |
385 |
345 |
292 |
312 |
291 |
313 |
310 |
278 |
39 |
98 |
33 |
М30 |
|||||
| 300 |
301 |
510 |
450 |
410 |
343 |
363 |
342 |
364 |
368 |
330 |
42 |
4 |
5 |
4 |
112 |
16 |
|||
| 350 |
351 |
570 |
510 |
465 |
395 |
421 |
394 |
422 |
418 |
382 |
48 |
116 |
|||||||
| 400 |
398 |
655 |
585 |
535 |
447 |
473 |
446 |
474 |
480 |
432 |
54 |
135 |
39 |
М36 |
16 |
||||
| 500 |
495 |
755 |
670 |
615 |
549 |
575 |
548 |
576 |
580 |
535 |
58 |
140 |
45 |
М42 |
20 |
||||
| 600 |
595 |
890 |
795 |
735 |
651 |
677 |
650 |
678 |
686 |
636 |
5 |
6 |
5 |
52 |
М48 |
||||
| 800 |
795 |
1135 |
1030 |
960 |
851 |
877 |
850 |
878 |
908 |
826 |
71 |
190 |
56 |
М52 |
24 |
||||
| 1000 |
995 |
1360 |
1250 |
1180 |
- |
- |
- |
- |
1140 |
1028 |
77 |
235 |
28 |
||||||
| 1200 |
1195 |
1575 |
1460 |
1380 |
1350 |
1228 |
80 |
250 |
62 |
М56 |
32 |
||||||||
Таблиця В.4 – Фланці сталеві приварні встик для арматури і трубопроводів на номінальний (умовний) тиск PN 6,3 МПа
Розміри в міліметрах
|
|
d 1 |
D |
D 1 |
D 2 |
D 3 |
D 4 |
D 5 |
D 6 |
D 7 |
D 8 |
D 9 |
| 10 |
8 |
100 |
70 |
42 |
24 |
34 |
23 |
35 |
18 |
35 |
50 |
| 15 |
12 |
105 |
75 |
47 |
29 |
39 |
28 |
40 |
24 |
55 |
|
| 20 |
18 |
125 |
90 |
58 |
36 |
50 |
35 |
51 |
30 |
45 |
58 |
| 25 |
25 |
135 |
100 |
68 |
43 |
57 |
42 |
58 |
35 |
50 |
68 |
| 32 |
31 |
150 |
110 |
78 |
51 |
65 |
50 |
66 |
42 |
65 |
78 |
| 40 |
37 |
165 |
125 |
88 |
61 |
75 |
60 |
76 |
52 |
75 |
88 |
| 50 |
47 |
175 |
135 |
102 |
73 |
87 |
72 |
88 |
63 |
85 |
102 |
| 65 |
64 |
200 |
160 |
122 |
95 |
109 |
94 |
110 |
85 |
110 |
132 |
| 80 |
77 |
210 |
170 |
133 |
106 |
120 |
105 |
121 |
97 |
115 |
133 |
| 100 |
94 |
250 |
200 |
158 |
129 |
149 |
128 |
150 |
124 |
145 |
170 |
| 125 |
118 |
295 |
240 |
184 |
155 |
175 |
154 |
176 |
153 |
175 |
205 |
| 150 |
142 |
340 |
280 |
212 |
183 |
203 |
182 |
204 |
181 |
205 |
240 |
| 200 |
198 |
405 |
345 |
285 |
239 |
259 |
238 |
260 |
243 |
265 |
285 |
| 250 |
246 |
470 |
400 |
345 |
292 |
312 |
291 |
313 |
298 |
320 |
345 |
| 300 |
294 |
530 |
460 |
410 |
343 |
363 |
342 |
364 |
345 |
375 |
410 |
| 350 |
342 |
595 |
525 |
465 |
395 |
421 |
394 |
422 |
394 |
420 |
460 |
| 400 |
386 |
670 |
585 |
535 |
447 |
473 |
446 |
474 |
445 |
480 |
535 |
| 500 |
485 |
800 |
705 |
615 |
549 |
575 |
548 |
576 |
- |
- |
- |
| 600 |
585 |
925 |
820 |
735 |
651 |
677 |
650 |
678 |
|||
| 800 |
785 |
1165 |
1050 |
960 |
- |
- |
- |
- |
|||
| 1000 |
985 |
1415 |
1290 |
1180 |
|||||||
| 1200 |
1185 |
1665 |
1530 |
1380 |
Продовження таблиці В.4
Розміри в міліметрах
|
|
D m |
D n |
b |
b 2 |
h |
h 1 |
h 2 |
h 3 |
h 4 |
r |
d |
Шпильки |
|
| діа- метр |
кіль- кість |
||||||||||||
| 10 |
34 |
15 |
16 |
9 |
2 |
4 |
3 |
6,5 |
46 |
2,8 |
14 |
М12 |
4 |
| 15 |
38 |
19 |
|||||||||||
| 20 |
48 |
26 |
18 |
54 |
18 |
М16 |
|||||||
| 25 |
52 |
33 |
20 |
56 |
|||||||||
Закінчення таблиці В.4
|
|
D m |
D n |
b |
b 2 |
h |
h 1 |
h 2 |
h 3 |
h 4 |
r |
d |
Шпильки |
|
| діа- метр |
кіль- кість |
||||||||||||
| 32 |
64 |
39 |
21 |
9 |
2 |
4 |
3 |
6,5 |
65 |
2,8 |
22 |
М20 |
4 |
| 40 |
74 |
46 |
3 |
||||||||||
| 50 |
86 |
58 |
23 |
12 |
8 |
67 |
4 |
||||||
| 65 |
106 |
77 |
25 |
72 |
8 |
||||||||
| 80 |
120 |
90 |
27 |
||||||||||
| 100 |
140 |
110 |
29 |
77 |
26 |
М24 |
|||||||
| 125 |
172 |
135 |
33 |
95 |
30 |
М27 |
|||||||
| 150 |
206 |
161 |
35 |
105 |
33 |
М30 |
|||||||
| 200 |
264 |
222 |
41 |
110 |
12 |
||||||||
| 250 |
316 |
278 |
45 |
115 |
39 |
М36 |
|||||||
| 300 |
370 |
330 |
50 |
4 |
5 |
4 |
120 |
16 |
|||||
| 350 |
430 |
382 |
56 |
140 |
|||||||||
| 400 |
484 |
432 |
62 |
155 |
45 |
М42 |
|||||||
| 500 |
594 |
535 |
66 |
- |
- |
165 |
- |
52 |
М48 |
20 |
|||
| 600 |
704 |
636 |
71 |
- |
6 |
5 |
180 |
56 |
М52 |
||||
| 800 |
920 |
826 |
85 |
- |
- |
225 |
62 |
М56 |
24 |
||||
| 1000 |
1160 |
1028 |
92 |
280 |
70 |
М64 |
28 |
||||||
| 1200 |
1386 |
1228 |
95 |
315 |
78 |
М72 |
32 |
||||||
Розміри в міліметрах
Таблиця В.5 – Фланці сталеві приварні встик для арматури і трубопроводів на номінальний (умовний) тиск PN 10,0 МПа
Розміри в міліметрах
|
|
d 1 |
D |
D 1 |
D 2 |
D 3 |
D 4 |
D 5 |
D 6 |
D 7 |
D 8 |
D 9 |
| 10 |
8 |
100 |
70 |
42 |
24 |
34 |
23 |
35 |
18 |
35 |
50 |
| 15 |
12 |
105 |
75 |
47 |
29 |
39 |
28 |
40 |
24 |
55 |
|
| 20 |
18 |
125 |
90 |
58 |
36 |
50 |
35 |
51 |
30 |
45 |
58 |
| 25 |
25 |
135 |
100 |
68 |
43 |
57 |
42 |
58 |
35 |
50 |
68 |
| 32 |
31 |
150 |
110 |
78 |
51 |
65 |
50 |
66 |
42 |
65 |
78 |
| 40 |
37 |
165 |
125 |
88 |
61 |
75 |
60 |
76 |
52 |
75 |
88 |
| 50 |
45 |
195 |
145 |
102 |
73 |
87 |
72 |
88 |
63 |
85 |
102 |
| 65 |
62 |
220 |
170 |
122 |
95 |
109 |
94 |
110 |
85 |
110 |
140 |
Продовження таблиця В.5
Розміри в міліметрах
|
|
d 1 |
D |
D 1 |
D 2 |
D 3 |
D 4 |
D 5 |
D 6 |
D 7 |
D 8 |
D 9 |
| 80 |
75 |
230 |
180 |
133 |
106 |
120 |
105 |
121 |
97 |
115 |
150 |
| 100 |
92 |
265 |
210 |
158 |
129 |
149 |
128 |
150 |
124 |
145 |
175 |
| 125 |
112 |
310 |
250 |
184 |
155 |
175 |
154 |
176 |
153 |
175 |
210 |
| 150 |
136 |
350 |
290 |
212 |
183 |
203 |
182 |
204 |
181 |
205 |
250 |
| 200 |
190 |
430 |
360 |
285 |
239 |
259 |
238 |
260 |
243 |
265 |
285 |
| 250 |
236 |
500 |
430 |
345 |
292 |
312 |
291 |
313 |
298 |
320 |
345 |
| 300 |
284 |
585 |
500 |
410 |
343 |
363 |
342 |
364 |
345 |
375 |
410 |
| 350 |
332 |
655 |
560 |
465 |
395 |
421 |
394 |
422 |
394 |
420 |
465 |
| 400 |
376 |
715 |
620 |
535 |
447 |
473 |
446 |
474 |
445 |
480 |
535 |
Закінчення таблиці В.5
Розміри в міліметрах
|
|
D m |
D n |
b |
b 2 |
h |
h 1 |
h 2 |
h 3 |
h 4 |
r |
d |
Шпильки |
|
| діа- метр |
кіль- кість |
||||||||||||
| 10 |
34 |
15 |
16 |
9 |
2 |
4 |
3 |
6,5 |
43 |
2,8 |
14 |
М12 |
4 |
| 15 |
38 |
19 |
18 |
46 |
|||||||||
| 20 |
48 |
26 |
20 |
51 |
18 |
М16 |
|||||||
| 25 |
52 |
33 |
22 |
56 |
|||||||||
| 32 |
64 |
39 |
60 |
22 |
М20 |
||||||||
| 40 |
76 |
46 |
23 |
3 |
67 |
||||||||
| 50 |
86 |
58 |
25 |
12 |
8 |
68 |
4 |
26 |
М24 |
||||
| 65 |
110 |
77 |
29 |
80 |
8 |
||||||||
| 80 |
124 |
90 |
31 |
87 |
|||||||||
| 100 |
146 |
110 |
35 |
97 |
30 |
М27 |
|||||||
| 125 |
180 |
135 |
39 |
112 |
33 |
М30 |
|||||||
| 150 |
214 |
161 |
43 |
125 |
12 |
||||||||
| 200 |
276 |
222 |
51 |
140 |
39 |
М36 |
|||||||
| 250 |
340 |
278 |
57 |
160 |
|||||||||
| 300 |
400 |
330 |
66 |
4 |
5 |
4 |
180 |
45 |
М42 |
16 |
|||
| 350 |
460 |
382 |
72 |
17 |
11 |
195 |
5,8 |
52 |
М48 |
||||
| 400 |
510 |
432 |
76 |
200 |
|||||||||
Таблиця В.6 – Фланці сталеві приварні встик для арматури і трубопроводів на номінальний (умовний) тиск PN 16,0 МПа
Розміри в міліметрах
|
|
D |
D 1 |
D 2 |
D 3 |
D 4 |
D 5 |
D 6 |
D 7 |
D 8 |
D 9 |
| 15 |
105 |
75 |
47 |
29 |
39 |
28 |
40 |
24 |
35 |
55 |
| 20 |
125 |
90 |
58 |
36 |
50 |
35 |
51 |
30 |
45 |
58 |
| 25 |
135 |
100 |
68 |
43 |
57 |
42 |
58 |
35 |
50 |
68 |
| 32 |
150 |
110 |
78 |
51 |
65 |
50 |
66 |
42 |
65 |
78 |
| 40 |
165 |
125 |
88 |
61 |
75 |
60 |
76 |
52 |
75 |
88 |
| 50 |
195 |
145 |
102 |
73 |
87 |
72 |
88 |
63 |
95 |
115 |
| 65 |
220 |
170 |
122 |
95 |
109 |
94 |
110 |
85 |
110 |
140 |
| 80 |
230 |
180 |
133 |
106 |
120 |
105 |
121 |
97 |
130 |
150 |
| 100 |
265 |
210 |
158 |
129 |
149 |
128 |
150 |
124 |
145 |
175 |
| 125 |
310 |
250 |
184 |
155 |
175 |
154 |
176 |
153 |
190 |
210 |
| 150 |
350 |
290 |
212 |
183 |
203 |
182 |
204 |
181 |
205 |
250 |
| 200 |
430 |
360 |
285 |
239 |
259 |
238 |
260 |
243 |
275 |
315 |
| 250 |
500 |
430 |
345 |
292 |
312 |
291 |
313 |
298 |
330 |
380 |
| 300 |
585 |
500 |
410 |
343 |
363 |
342 |
364 |
345 |
380 |
410 |
Продовження таблиці В.6
Розміри в міліметрах
|
|
D m |
D n |
b |
b 2 |
h |
h 1 |
h 2 |
h 3 |
h 4 |
r |
d |
Шпильки |
|
| діа- метр |
кіль- кість |
||||||||||||
| 15 |
38 |
19 |
18 |
9 |
2 |
4 |
3 |
6,5 |
50 |
2,8 |
14 |
М12 |
4 |
| 20 |
48 |
26 |
20 |
56 |
18 |
М16 |
|||||||
| 25 |
52 |
33 |
22 |
||||||||||
| 32 |
64 |
39 |
65 |
22 |
М20 |
||||||||
| 40 |
76 |
46 |
25 |
3 |
72 |
||||||||
| 50 |
86 |
58 |
27 |
12 |
8 |
75 |
4 |
26 |
М24 |
||||
| 65 |
110 |
77 |
31 |
85 |
8 |
||||||||
| 80 |
124 |
90 |
33 |
90 |
|||||||||
| 100 |
146 |
110 |
37 |
100 |
30 |
М27 |
|||||||
| 125 |
180 |
135 |
41 |
115 |
33 |
М30 |
|||||||
| 150 |
214 |
161 |
47 |
14 |
10 |
130 |
4,2 |
12 |
|||||
| 200 |
276 |
222 |
57 |
17 |
11 |
145 |
5,8 |
39 |
М36 |
||||
Закінчення таблиці В.6
Розміри в міліметрах
|
|
D m |
D n |
b |
b 2 |
h |
h 1 |
h 2 |
h 3 |
h 4 |
r |
d |
Шпильки |
|
| діа- метр |
кіль- кість |
||||||||||||
| 250 |
340 |
278 |
65 |
17 |
3 |
4 |
3 |
11 |
165 |
5,8 |
39 |
М36 |
12 |
| 300 |
400 |
330 |
74 |
23 |
4 |
5 |
4 |
14 |
185 |
8,5 |
45 |
М42 |
16 |
Таблиця В.7 – Фланці сталеві приварні встик для арматури і трубопроводів на номінальний (умовний) тиск PN 20,0 МПа
|
|
D m |
D n |
b |
b 2 |
h |
h 1 |
h 2 |
h 3 |
h 4 |
r |
d |
Шпильки |
|
| діа- метр |
кіль- кість |
||||||||||||
| 15 |
40 |
23 |
24 |
9 |
2 |
4 |
3 |
6,5 |
52 |
2,8 |
22 |
М20 |
4 |
| 20 |
46 |
29 |
26 |
55 |
|||||||||
| 25 |
54 |
36 |
28 |
60 |
26 |
М24 |
|||||||
Розміри в міліметрах
|
|
D |
D 1 |
D 2 |
D 3 |
D 4 |
D 5 |
D 6 |
D 7 |
D 8 |
D 9 |
| 15 |
120 |
82 |
47 |
29 |
39 |
28 |
40 |
24 |
40 |
55 |
| 20 |
130 |
90 |
58 |
36 |
50 |
35 |
51 |
30 |
45 |
58 |
| 25 |
150 |
102 |
68 |
43 |
57 |
42 |
58 |
35 |
50 |
68 |
| 32 |
160 |
115 |
78 |
51 |
65 |
50 |
66 |
42 |
65 |
78 |
| 40 |
170 |
124 |
88 |
61 |
75 |
60 |
76 |
52 |
75 |
91 |
| 50 |
210 |
160 |
102 |
73 |
87 |
72 |
88 |
63 |
95 |
129 |
| 65 |
260 |
203 |
122 |
95 |
109 |
94 |
110 |
85 |
130 |
167 |
| 80 |
290 |
230 |
133 |
106 |
120 |
105 |
121 |
97 |
160 |
190 |
| 100 |
360 |
292 |
158 |
129 |
149 |
128 |
150 |
124 |
190 |
245 |
| 125 |
385 |
318 |
184 |
155 |
175 |
154 |
176 |
153 |
205 |
271 |
| 150 |
440 |
360 |
212 |
183 |
203 |
182 |
204 |
181 |
240 |
306 |
| 200 |
535 |
440 |
285 |
239 |
259 |
238 |
260 |
243 |
305 |
380 |
| 250 |
670 |
572 |
345 |
292 |
312 |
291 |
313 |
- |
- |
- |
Продовження таблиці В.7
Розміри в міліметрах
Закінчення таблиці В.7
|
|
D m |
D n |
b |
b 2 |
h |
h 1 |
h 2 |
h 3 |
h 4 |
r |
d |
Шпильки |
|
| діа- метр |
кіль- кість |
||||||||||||
| 32 |
64 |
43 |
30 |
9 |
2 |
4 |
3 |
6,5 |
65 |
2,8 |
26 |
М24 |
4 |
| 40 |
74 |
49 |
31 |
12 |
3 |
8 |
72 |
4 |
|||||
| 50 |
105 |
61 |
37 |
95 |
8 |
||||||||
| 65 |
138 |
90 |
45 |
118 |
30 |
М27 |
|||||||
| 80 |
162 |
110 |
51 |
132 |
33 |
М30 |
|||||||
| 100 |
208 |
135 |
63 |
4,5 |
3,5 |
175 |
39 |
М36 |
|||||
| 125 |
234 |
170 |
73 |
14 |
10 |
4,2 |
12 |
||||||
| 150 |
266 |
196 |
79 |
17 |
11 |
190 |
5,8 |
45 |
М42 |
||||
| 200 |
340 |
248 |
89 |
230 |
52 |
М48 |
|||||||
| 250 |
460 |
330 |
107 |
- |
- |
300 |
- |
56 |
М52 |
16 |
|||
Розміри в міліметрах
Маса сталевих плоских приварних і приварних встик фланців Таблиця В.8 – Маса сталевих плоских приварних і приварних встик фланців на номінальній (умовний) тиск від PN 0,25 до PN 2,5 МПа
Маса, кг
|
|
Плоскі приварні |
Приварні встик |
||||||
|
|
|
|||||||
| Тиск номінальній (умовний) PN 0,25 МПа |
||||||||
| 10 |
0,25 |
0,25 |
0,24 |
0,29 |
0,28 |
0,27 |
0,28 |
0,28 |
| 15 |
0,29 |
0,29 |
0,27 |
0,34 |
0,34 |
0,32 |
0,34 |
0,33 |
| 20 |
0,45 |
0,45 |
0,42 |
0,46 |
0,45 |
0,41 |
0,44 |
0,44 |
| 25 |
0,55 |
0,55 |
0,52 |
0,55 |
0,55 |
0,50 |
0,54 |
0,53 |
| 32 |
0,79 |
0,79 |
0,75 |
0,78 |
0,78 |
0,72 |
0,76 |
0,77 |
| 40 |
0,95 |
0,93 |
0,90 |
1,09 |
1,04 |
1,02 |
1,03 |
1,04 |
| 50 |
1,04 |
1,02 |
0,98 |
1,26 |
1,21 |
1,14 |
1,18 |
1,21 |
| 65 |
1,39 |
1,37 |
1,32 |
1,62 |
1,57 |
1,46 |
1,53 |
1,55 |
| 80 |
1,84 |
1,79 |
1,74 |
2,43 |
2,30 |
2,26 |
2,29 |
2,30 |
Продовження таблиці В.8
Маса, кг
|
|
Плоскі приварні |
Приварні встик |
||||||
|
|
|
|
|
|
|
|
|
|
| Тиск номінальній (умовний) PN 0,25 МПа |
||||||||
| 100 |
2,14 |
2,11 |
2,01 |
2,98 |
2,70 |
2,65 |
2,67 |
2,71 |
| 125 |
2,60 |
2,56 |
2,42 |
3,72 |
3,65 |
3,41 |
3,52 |
3,57 |
| 150 |
3,43 |
3,39 |
3,23 |
4,30 |
5,22 |
3,95 |
4,04 |
4,13 |
| 200 |
4,73 |
4,69 |
4,48 |
6,92 |
6,75 |
6,33 |
6,55 |
6,63 |
| 250 |
6,95 |
6,92 |
6,62 |
9,88 |
9,61 |
9,18 |
9,32 |
9,43 |
| 300 |
9,33 |
9,22 |
8,79 |
13,38 |
13,35 |
12,35 |
11,59 |
12,67 |
| 350 |
10,45 |
10,33 |
9,87 |
15,97 |
15,93 |
14,90 |
14,63 |
15,00 |
| 400 |
11,64 |
11,51 |
9,96 |
18,56 |
18,53 |
17,30 |
16,84 |
17,33 |
| 500 |
16,01 |
15,86 |
15,15 |
26,76 |
26,60 |
25,00 |
23,11 |
23,76 |
| 600 |
21,35 |
21,03 |
20,08 |
35,79 |
35,70 |
33,00 |
32,90 |
33,37 |
| 800 |
36,63 |
36,15 |
34,14 |
46,15 |
55,50 |
52,20 |
51,49 |
52,60 |
| 1000 |
52,58 |
- |
- |
73,44 |
- |
- |
- |
- |
| 1200 |
62,36 |
92,92 |
||||||
| Тиск номінальній (умовний) PN 0,6 МПа |
||||||||
| 10 |
0,31 |
0,31 |
0,30 |
0,34 |
0,34 |
0,32 |
0,34 |
0,33 |
| 15 |
0,33 |
0,33 |
0,32 |
0,40 |
0,40 |
0,38 |
0,40 |
0,40 |
| 20 |
0,53 |
0,53 |
0,51 |
0,53 |
0,53 |
0,50 |
0,53 |
0,52 |
| 25 |
0,64 |
0,64 |
0,62 |
0,76 |
0,77 |
0,72 |
0,75 |
0,75 |
| 32 |
1,01 |
1,02 |
0,98 |
1,10 |
1,08 |
1,04 |
1,08 |
1,08 |
| 40 |
1,21 |
1,19 |
1,16 |
1,36 |
1,37 |
1,28 |
1,30 |
1,34 |
| 50 |
1,33 |
1,30 |
1,27 |
1,53 |
1,51 |
1,44 |
1,46 |
1,47 |
| 65 |
1,63 |
1,60 |
1,55 |
1,97 |
2,06 |
1,83 |
1,72 |
1,75 |
| 80 |
2,44 |
2,40 |
2,35 |
2,76 |
2,76 |
2,80 |
2,65 |
2,72 |
| 100 |
2,85 |
2,81 |
2,72 |
3,35 |
3,04 |
3,03 |
3,03 |
3,04 |
| 125 |
3,88 |
3,84 |
3,70 |
4,66 |
4,24 |
3,66 |
4,50 |
4,55 |
| 150 |
4,39 |
4,36 |
4,19 |
5,37 |
5,85 |
4,93 |
5,29 |
5,35 |
| 200 |
5,89 |
5,86 |
5,65 |
8,37 |
9,35 |
7,75 |
7,98 |
8,05 |
| 250 |
7,67 |
7,64 |
7,34 |
10,99 |
10,69 |
10,14 |
12,20 |
12,30 |
| 300 |
10,28 |
10,18 |
9,74 |
14,82 |
14,28 |
14,10 |
13,81 |
14,11 |
| 350 |
12,58 |
12,45 |
12,00 |
17,69 |
18,65 |
17,64 |
16,35 |
16,72 |
Продовження таблиці В.8
|
|
Плоскі приварні |
Приварні встик |
||||||
|
|
|
|
|
|
|
|
|
|
| Тиск номінальній (умовний) PN 0,6 МПа |
||||||||
| 400 |
15,20 |
15,07 |
14,53 |
20,55 |
19,69 |
19,30 |
18,83 |
19,31 |
| 500 |
19,72 |
19,57 |
18,86 |
26,63 |
29,10 |
25,90 |
24,44 |
25,10 |
| 600 |
26,24 |
25,91 |
24,96 |
35,79 |
35,60 |
33,40 |
37,49 |
33,67 |
| 800 |
46,14 |
45,66 |
43,65 |
56,17 |
55,20 |
52,20 |
51,67 |
53,36 |
| 1000 |
64,36 |
- |
- |
73,51 |
- |
- |
- |
- |
| 1200 |
99,03 |
111,43 |
||||||
| Тиск номінальній (умовний) PN 1,0 МПа |
||||||||
| 10 |
0,46 |
0,46 |
0,44 |
0,50 |
0,50 |
0,48 |
0,50 |
0,49 |
| 15 |
0,51 |
0,51 |
0,49 |
0,58 |
0,58 |
0,54 |
0,57 |
0,56 |
| 20 |
0,74 |
0,75 |
0,71 |
0,87 |
0,87 |
0,81 |
0,87 |
0,83 |
| 25 |
0,89 |
0,89 |
0,84 |
1,05 |
1,05 |
0,98 |
1,03 |
1,02 |
| 32 |
1,40 |
1,39 |
1,34 |
1,54 |
1,53 |
1,45 |
1,50 |
1,49 |
| 40 |
1,71 |
1,72 |
1,67 |
1,83 |
1,78 |
1,71 |
1,74 |
1,78 |
| 50 |
2,06 |
2,03 |
1,99 |
2,26 |
2,23 |
2,15 |
2,15 |
2,21 |
| 65 |
2,80 |
2,77 |
2,69 |
3,17 |
3,11 |
2,92 |
3,06 |
3,14 |
| 80 |
3,19 |
3,13 |
3,08 |
3,67 |
3,60 |
3,46 |
3,54 |
3,65 |
| 100 |
3,96 |
3,94 |
3,76 |
4,70 |
4,70 |
4,49 |
4,50 |
4,54 |
| 125 |
5,40 |
5,38 |
5,18 |
6,71 |
6,58 |
6,27 |
6,12 |
6,23 |
| 150 |
6,62 |
6,62 |
6,33 |
8,17 |
8,20 |
7,77 |
8,80 |
8,90 |
| 200 |
8,05 |
8,04 |
7,71 |
11,35 |
11,00 |
10,47 |
10,28 |
10,32 |
| 250 |
10,65 |
10,66 |
10,22 |
14,64 |
14,39 |
13,86 |
13,64 |
13,83 |
| 300 |
12,90 |
12,89 |
12,21 |
18,66 |
19,30 |
17,70 |
18,52 |
18,90 |
| 350 |
15,85 |
15,79 |
14,96 |
24,00 |
24,70 |
22,56 |
22,70 |
23,00 |
| 400 |
21,56 |
21,51 |
20,49 |
30,00 |
30,35 |
27,65 |
28,00 |
28,50 |
| 500 |
22,70 |
28,02 |
26,86 |
39,20 |
40,00 |
37,00 |
36,91 |
37,60 |
| 600 |
39,40 |
39,26 |
37,48 |
48,80 |
50,00 |
46,60 |
45,52 |
48,70 |
| 800 |
79,16 |
77,89 |
76,08 |
87,24 |
86,10 |
80,40 |
81,25 |
84,28 |
| 1000 |
118,43 |
- |
- |
119,19 |
- |
- |
- |
- |
| 1200 |
197,44 |
179,91 |
||||||
Продовження таблиці В.8
|
|
Плоскі приварні |
Приварні встик |
||||||
|
|
|
|
|
|
|
|
|
|
| Тиск номінальній (умовний) PN 1,6 МПа |
||||||||
| 10 |
0,54 |
0,54 |
0,53 |
0,59 |
0,60 |
0,58 |
0,59 |
0,58 |
| 15 |
0,61 |
0,61 |
0,58 |
0,68 |
0,68 |
0,65 |
0,67 |
0,66 |
| 20 |
0,86 |
0,86 |
0,83 |
0,87 |
0,87 |
0,82 |
0,85 |
0,84 |
| 25 |
1,17 |
1,17 |
1,13 |
1,05 |
1,05 |
0,99 |
1,03 |
1,02 |
| 32 |
1,58 |
1,58 |
1,53 |
1,54 |
1,54 |
1,48 |
1,50 |
1,50 |
| 40 |
1,96 |
1,93 |
1,89 |
1,85 |
1,81 |
1,77 |
1,77 |
1,81 |
| 50 |
2,58 |
2,54 |
2,50 |
2,28 |
2,24 |
2,16 |
2,17 |
2,23 |
| 65 |
3,42 |
3,38 |
3,30 |
3,19 |
3,17 |
3,05 |
3,06 |
3,14 |
| 80 |
3,71 |
3,71 |
3,70 |
4,21 |
4,15 |
4,04 |
4,06 |
4,17 |
| 100 |
4,73 |
4,72 |
4,53 |
4,90 |
4,80 |
4,65 |
4,72 |
4,78 |
| 125 |
6,38 |
6,38 |
6,15 |
6,75 |
6,76 |
6,47 |
6,55 |
6,66 |
| 150 |
7,81 |
7,81 |
7,52 |
8,30 |
8,28 |
7,88 |
7,96 |
8,08 |
| 200 |
10,10 |
10,21 |
9,88 |
11,79 |
11,72 |
11,28 |
11,04 |
11,20 |
| 250 |
14,49 |
14,48 |
14,06 |
17,36 |
15,00 |
14,30 |
16,67 |
16,86 |
| 300 |
17,78 |
17,59 |
17,12 |
22,76 |
22,65 |
20,83 |
21,60 |
22,10 |
| 350 |
22,88 |
22,65 |
21,99 |
32,04 |
32,00 |
29,43 |
30,60 |
33,10 |
| 400 |
31,00 |
30,76 |
29,94 |
43,00 |
42,64 |
41,10 |
41,00 |
41,70 |
| 500 |
57,01 |
56,17 |
55,74 |
70,97 |
70,32 |
69,00 |
68,00 |
69,90 |
| 600 |
80,03 |
79,03 |
78,80 |
99,30 |
97,81 |
96,73 |
94,50 |
96,60 |
| 800 |
104,41 |
103,15 |
101,34 |
130,57 |
118,79 |
115,00 |
124,80 |
127,60 |
| 1000 |
179,37 |
- |
- |
203,39 |
- |
- |
- |
- |
| 1200 |
297,78 |
284,94 |
||||||
| Тиск номінальній (умовний) PN 2,5 МПа |
||||||||
| 10 |
0,63 |
0,64 |
0,61 |
0,68 |
0,69 |
0,66 |
0,68 |
0,67 |
| 15 |
0,70 |
0,71 |
0,68 |
0,79 |
0,78 |
0,75 |
0,80 |
0,78 |
| 20 |
0,98 |
0,97 |
0,94 |
0,97 |
0,99 |
0,93 |
0,97 |
0,95 |
| 25 |
1,17 |
1,17 |
1,13 |
1,18 |
1,19 |
1,13 |
1,16 |
1,15 |
| 32 |
1,77 |
1,76 |
1,72 |
1,83 |
1,85 |
1,78 |
1,81 |
1,80 |
| 40 |
2,18 |
2,15 |
2,11 |
2,19 |
2,16 |
2,10 |
2,11 |
2,15 |
| 50 |
2,71 |
2,80 |
2,76 |
2,78 |
2,76 |
2,47 |
2,69 |
2,75 |
Продовження таблиці В.8
|
|
Плоскі приварні |
Приварні встик |
||||||
|
|
|
|
|
|
|
|
|
|
| Тиск номінальній (умовний) PN 2,5 МПа |
||||||||
| 65 |
3,22 |
3,21 |
3,14 |
3,71 |
3,62 |
3,60 |
3,55 |
3,62 |
| 80 |
4,06 |
4,00 |
3,95 |
4,44 |
4,32 |
4,27 |
4,26 |
4,48 |
| 100 |
5,92 |
5,89 |
5,72 |
6,51 |
6,58 |
6,27 |
6,41 |
6,49 |
| 125 |
8,26 |
8,25 |
8,23 |
9,41 |
9,45 |
9,14 |
9,27 |
9,37 |
| 150 |
10,12 |
10,07 |
9,83 |
12,52 |
12,56 |
11,90 |
12,01 |
12,17 |
| 200 |
13,34 |
13,24 |
13,01 |
17,44 |
17,21 |
16,86 |
16,36 |
16,62 |
| 250 |
18,90 |
18,78 |
18,52 |
24,40 |
24,08 |
23,27 |
25,37 |
25,74 |
| 300 |
23,95 |
23,53 |
23,29 |
33,29 |
32,40 |
31,94 |
32,42 |
33,16 |
| 350 |
34,35 |
34,57 |
34,18 |
46,57 |
45,60 |
44,68 |
45,40 |
46,23 |
| 400 |
44,62 |
44,01 |
43,56 |
64,81 |
63,58 |
62,41 |
63,48 |
64,59 |
| 500 |
67,30 |
66,63 |
66,36 |
88,91 |
88,20 |
86,50 |
86,48 |
88,08 |
| 600 |
90,87 |
89,13 |
88,91 |
123,70 |
122,00 |
105,70 |
119,50 |
122,17 |
| 800 |
181,43 |
174,52 |
174,15 |
213,90 |
211,00 |
209,00 |
210,00 |
214,68 |
| 1000 |
- |
- |
- |
312,12 |
- |
- |
- |
- |
| 1200 |
387,50 |
|||||||
Таблиця В.9 – Маса приварних встик фланців на номінальний (умовний) тиск PN 4,0 МПа
Маса, кг
|
|
|
|
|
|
|
| 10 |
0,68 |
0,69 |
0,66 |
0,68 |
0,67 |
| 15 |
0,79 |
0,78 |
0,75 |
0,80 |
0,78 |
| 20 |
0,97 |
0,99 |
0,93 |
0,97 |
0,95 |
| 25 |
1,18 |
1,19 |
1,13 |
1,16 |
1,15 |
| 32 |
1,83 |
1,85 |
1,78 |
1,81 |
1,80 |
Закінчення таблиці В.9
|
|
|
|
|
|
|
| 40 |
2,19 |
2,16 |
2,10 |
2,11 |
2,15 |
| 50 |
2,81 |
2,79 |
2,68 |
2,72 |
2,78 |
| 65 |
3,71 |
3,72 |
3,59 |
3,60 |
3,68 |
| 80 |
4,80 |
4,81 |
4,60 |
4,69 |
4,80 |
| 100 |
7,40 |
7,06 |
6,82 |
7,20 |
7,28 |
| 125 |
10,00 |
10,17 |
9,48 |
9,97 |
10,08 |
| 150 |
13,03 |
13,20 |
12,60 |
12,86 |
13,03 |
| 200 |
24,44 |
24,00 |
23,57 |
24,20 |
24,00 |
| 250 |
37,59 |
37,30 |
36,50 |
36,90 |
37,40 |
| 300 |
57,10 |
50,60 |
50,30 |
51,10 |
52,20 |
| 350 |
70,34 |
69,60 |
68,00 |
68,10 |
68,80 |
| 400 |
106,76 |
105,50 |
105,00 |
103,80 |
106,00 |
| 500 |
132,33 |
128,00 |
126,00 |
128,00 |
130,00 |
| 600 |
180,95 |
195,08 |
165,78 |
182,02 |
179,81 |
| 800 |
343,69 |
367,40 |
319,93 |
345,08 |
342,20 |
| 1000 |
540,75 |
- |
- |
- |
- |
| 1200 |
690,59 |
Таблиця В.10 – Маса приварних встик фланців на номінальний (умовний) тиск PN 6.3 МПа
Маса, кг
|
|
|
|
|
|
|
|
|
| 10 |
1,03 |
1,02 |
0,98 |
0,99 |
0,99 |
0,99 |
1,03 |
| 15 |
1,15 |
1,14 |
1,11 |
1,12 |
1,13 |
1,11 |
1,15 |
| 20 |
1,80 |
1,81 |
1,76 |
1,78 |
1,80 |
1,75 |
1,80 |
| 25 |
2,30 |
2,28 |
2,22 |
2,26 |
2,27 |
2,25 |
2,30 |
| 32 |
2,94 |
2,94 |
2,88 |
2,91 |
2,92 |
2,87 |
2,94 |
| 40 |
3,75 |
3,71 |
3,67 |
3,67 |
3,74 |
3,67 |
3,75 |
Закінчення таблиці В.10
|
|
|
|
|
|
|
|
|
| 50 |
4,63 |
4,59 |
4,50 |
4,51 |
4,60 |
4,50 |
4,63 |
| 65 |
6,29 |
6,16 |
6,05 |
6,06 |
6,19 |
6,09 |
6,26 |
| 80 |
7,22 |
7,17 |
7,00 |
7,05 |
7,18 |
6,87 |
7,05 |
| 100 |
10,71 |
10,70 |
10,50 |
10,53 |
10,67 |
10,48 |
10,71 |
| 125 |
17,13 |
16,94 |
16,60 |
16,66 |
16,91 |
16,67 |
16,98 |
| 150 |
24,60 |
25,40 |
24,10 |
24,06 |
24,44 |
24,18 |
24,60 |
| 200 |
36,60 |
38,50 |
36,11 |
35,74 |
36,27 |
36,03 |
36,45 |
| 250 |
50,89 |
53,80 |
50,30 |
49,45 |
50,16 |
50,08 |
50,58 |
| 300 |
68,15 |
74,60 |
68,30 |
65,04 |
62,52 |
67,00 |
67,59 |
| 350 |
98,68 |
106,00 |
98,50 |
94,71 |
96,27 |
96,42 |
97,08 |
| 400 |
135,80 |
151,00 |
137,00 |
128,90 |
130,85 |
134,93 |
135,70 |
| 500 |
192,74 |
200,89 |
184,56 |
193,46 |
191,96 |
- |
- |
| 600 |
269,27 |
283,40 |
255,10 |
270,34 |
268,12 |
||
| 800 |
463,87 |
- |
- |
- |
- |
||
| 1000 |
980,60 |
||||||
| 1200 |
1263,72 |
Таблиця В.11 – Маса приварних встик фланців на номінальний (умовний) тиск PN від 10,0 до 20,0 МПа
Маса, кг
|
|
|
|
|
|
|
|
| Тиск номінальній (умовний) PN 10,0 МПа |
||||||
| 10 |
1,02 |
0,99 |
1,01 |
1,02 |
0,99 |
1,03 |
| 15 |
1,26 |
1,23 |
1,24 |
1,25 |
1,23 |
1,27 |
| 20 |
1,98 |
1,90 |
1,95 |
1,95 |
2,02 |
1,97 |
| 25 |
2,48 |
2,42 |
2,45 |
2,46 |
2,45 |
2,50 |
| 32 |
3,05 |
3,00 |
3,03 |
3,03 |
2,99 |
3,06 |
Продовження таблиці В.11
|
|
|
|
|
|
|
|
| Тиск номінальній (умовний) PN 10,0 МПа |
||||||
| 40 |
4,06 |
4,00 |
4,00 |
4,07 |
3,95 |
4,05 |
| 50 |
6,03 |
5,60 |
5,94 |
6,05 |
5,95 |
6,08 |
| 65 |
8,52 |
8,48 |
8,41 |
8,84 |
8,40 |
8,57 |
| 80 |
9,91 |
9,85 |
9,77 |
9,95 |
9,80 |
9,98 |
| 100 |
14,65 |
14,40 |
14,47 |
14,65 |
14,44 |
14,67 |
| 125 |
23,32 |
19,30 |
23,00 |
23,30 |
23,04 |
23,34 |
| 150 |
32,87 |
31,90 |
31,73 |
32,22 |
31,87 |
32,19 |
| 200 |
54,24 |
54,07 |
51,14 |
53,90 |
53,81 |
54,23 |
| 250 |
85,24 |
85,12 |
83,37 |
84,51 |
85,40 |
85,26 |
| 300 |
127,78 |
127,73 |
125,24 |
127,41 |
127,76 |
128,35 |
| 350 |
170,94 |
170,00 |
167,22 |
169,56 |
169,55 |
171,60 |
| 400 |
216,44 |
211,86 |
207,25 |
210,24 |
211,10 |
212,90 |
| Тиск номінальній (умовний) PN 16,0 МПа |
||||||
| 15 |
1,27 |
1,24 |
1,24 |
1,21 |
1,23 |
1,27 |
| 20 |
1,98 |
1,94 |
1,95 |
1,90 |
2,03 |
2,08 |
| 25 |
2,48 |
2,44 |
2,45 |
2,38 |
2,44 |
2,50 |
| 32 |
3,07 |
3,01 |
3,04 |
2,96 |
2,98 |
3,06 |
| 40 |
4,01 |
3,98 |
4,28 |
4,20 |
3,97 |
4,06 |
| 50 |
6,43 |
6,40 |
6,49 |
5,95 |
6,30 |
6,49 |
| 65 |
9,38 |
8,64 |
8,36 |
8,23 |
8,88 |
9,10 |
| 80 |
10,40 |
10,30 |
10,16 |
10,02 |
10,20 |
10,46 |
| 100 |
15,40 |
15,22 |
15,18 |
14,93 |
15,09 |
15,41 |
| 125 |
24,87 |
23,10 |
23,89 |
23,59 |
23,82 |
24,19 |
| 150 |
35,04 |
34,40 |
31,84 |
31,65 |
33,92 |
34,48 |
| 200 |
60,10 |
60,00 |
58,24 |
57,80 |
57,86 |
58,90 |
| 250 |
94,40 |
94,20 |
92,48 |
91,93 |
92,16 |
93,41 |
| 300 |
141,00 |
140,00 |
136,69 |
136,06 |
136,56 |
139,20 |
Закінчення таблиці В.11
|
|
|
|
|
|
|
|
| Тиск номінальній (умовний) PN 20,0 МПа |
||||||
| 15 |
1,92 |
1,92 |
2,11 |
2,08 |
1,88 |
1,93 |
| 20 |
2,54 |
2,53 |
2,49 |
2,44 |
2,46 |
2,50 |
| 25 |
3,53 |
3,33 |
3,54 |
3,50 |
3,50 |
3,59 |
| 32 |
4,42 |
4,42 |
4,42 |
4,34 |
4,35 |
4,43 |
| 40 |
5,32 |
5,36 |
5,31 |
5,22 |
5,27 |
5,46 |
| 50 |
11,11 |
11,25 |
9,95 |
9,85 |
9,86 |
10,05 |
| 65 |
19,01 |
19,20 |
18,61 |
18,48 |
18,97 |
19,23 |
| 80 |
27,30 |
27,50 |
27,28 |
27,03 |
27,23 |
27,55 |
| 100 |
53,22 |
53,60 |
53,14 |
52,89 |
53,26 |
53,64 |
| 125 |
73,15 |
65,20 |
64,05 |
63,75 |
65,37 |
64,74 |
| 150 |
90,19 |
90,60 |
90,11 |
89,76 |
90,02 |
90,92 |
| 200 |
158,60 |
159,00 |
158,27 |
157,83 |
158,53 |
159,69 |
| 250 |
314,50 |
315,70 |
318,03 |
317,49 |
- |
- |
ДОДАТОК Г
Заглушки фланцеві сталеві [42] Фланцеві заглушки [42] виготовляють п'яти виповнень:
– виповнення 1 – заглушки зі з’єднувальним виступом на номінальний (умовний) тиск PN від 0,6 до 4,0 МПа (рисунок Г.1, таблиці Г.1-
Г.5); – виповнення 2 – заглушки з виступом на номінальний (умовний) тиск PN від 1,0 до 6,3 МПа (рисунок Г.2, таблиці Г.6-Г.10);
– виповнення 3 – заглушки з шипом на номінальний (умовний) тиск PN від 0,6 до 6,3 МПа (рисунок Г.3, таблиці Г.11-Г.16), крім розмірів ущільнювальних поверхонь під фторопластові прокладки, які наведені в таблиці Г.17;
– виповнення 4 – заглушки під прокладку овального перерізу на номінальний (умовний) тиск PN від 6,3 до 16,0 МПа (рисунок Г.4, таблиці Г.18-Г.20);
– виповнення 5 – заглушки з западиною на номінальний (умовний) тиск PN від 0,6 до 4,0 МПа (рисунок Г.5, таблиця Г.21).
Рисунок Г.1 – Заглушка фланцева зі з’єднувальним виступом (виповнення 1)
1 Заглушки фланцеві сталеві зі з’єднувальним виступом на
номінальний (умовний) тиск PN 0,6 МПа (виповнення 1)
Розміри в міліметрах
| DN |
D |
D 1 |
D 2 |
b |
b 1 |
h |
d 2 |
d |
n |
Діаметр болтів (шпильок) |
Маса, кг |
| 10 |
75 |
50 |
35 |
12 |
10 |
2 |
6 |
11 |
4 |
М10 |
0,3 |
| 15 |
80 |
55 |
40 |
10 |
0,4 |
||||||
| 20 |
90 |
65 |
50 |
16 |
0,5 |
||||||
| 25 |
100 |
75 |
60 |
22 |
0,6 |
||||||
| 32 |
120 |
90 |
70 |
14 |
12 |
28 |
14 |
М12 |
1,0 |
||
| 40 |
130 |
100 |
80 |
3 |
36 |
1,1 |
|||||
| 50 |
140 |
110 |
90 |
46 |
1,3 |
||||||
| 65 |
160 |
130 |
110 |
60 |
1,7 |
||||||
| 80 |
185 |
150 |
128 |
76 |
18 |
М16 |
2,3 |
||||
| 100 |
205 |
170 |
148 |
94 |
2,8 |
||||||
| 125 |
235 |
200 |
178 |
16 |
14 |
118 |
8 |
4,4 |
|||
| 150 |
260 |
225 |
202 |
142 |
5,5 |
||||||
| 200 |
315 |
280 |
258 |
196 |
8,3 |
||||||
| 250 |
370 |
335 |
312 |
244 |
12 |
11,6 |
|||||
| 300 |
435 |
395 |
365 |
18 |
15 |
4 |
294 |
22 |
М20 |
17,4 |
|
| 350 |
485 |
445 |
415 |
344 |
22,1 |
||||||
| 400 |
535 |
495 |
465 |
20 |
17 |
390 |
16 |
М20 |
30,6 |
||
| 450 |
590 |
550 |
520 |
22 |
19 |
440 |
41,8 |
||||
| 500 |
640 |
600 |
570 |
490 |
49,7 |
||||||
| 600 |
755 |
705 |
670 |
24 |
20 |
5 |
590 |
26 |
20 |
М24 |
74,0 |
| 800 |
975 |
920 |
880 |
30 |
26 |
780 |
30 |
24 |
М27 |
159,3 |
|
| 1000 |
1175 |
1120 |
1080 |
36 |
32 |
980 |
28 |
285,5 |
|||
| 1200 |
1400 |
1340 |
1295 |
40 |
36 |
1180 |
33 |
32 |
М30 |
454,2 |
Таблиця Г.2 – Заглушки фланцеві сталеві зі з’єднувальним виступом на номінальний (умовний) тиск PN 1,0 МПа (виповнення 1)
Розміри в міліметрах
| DN |
D |
D 1 |
D 2 |
b |
b 1 |
h |
d 2 |
d |
n |
Діаметр болтів (шпильок) |
Маса, кг |
| 200 |
335 |
295 |
268 |
16 |
14 |
3 |
196 |
22 |
8 |
М20 |
9,2 |
| 250 |
390 |
350 |
320 |
18 |
16 |
244 |
12 |
14,4 |
|||
| 300 |
440 |
400 |
370 |
20 |
17 |
4 |
294 |
20,1 |
|||
| 350 |
500 |
460 |
430 |
22 |
19 |
344 |
16 |
29,3 |
|||
| 400 |
565 |
515 |
482 |
24 |
21 |
390 |
26 |
М24 |
41,0 |
Закінчення таблиці Г.2
Розміри в міліметрах
| DN |
D |
D 1 |
D 1 |
b |
b 1 |
h |
d 2 |
d |
n |
Діаметр болтів (шпильок) |
Маса, кг |
| 450 |
615 |
565 |
532 |
24 |
21 |
4 |
440 |
26 |
20 |
M24 |
48,9 |
| 500 |
670 |
620 |
585 |
26 |
23 |
490 |
64,0 |
||||
| 600 |
780 |
725 |
685 |
30 |
26 |
5 |
590 |
30 |
М27 |
99,6 |
|
| 800 |
1010 |
950 |
905 |
40 |
36 |
780 |
33 |
24 |
М30 |
230,4 |
|
| 1000 |
1220 |
1160 |
1110 |
45 |
41 |
980 |
28 |
385,5 |
|||
| 1200 |
1455 |
1380 |
1330 |
55 |
51 |
1180 |
39 |
32 |
М36 |
675,7 |
|
| Примітка – Заглушки з номінальним розміром (умовним проходом) DN 10-50 мм слід приймати на номінальний (умовний) тиск PN 4,0 МПа за таблицею Г.5, а на номінальний розмір DN 65-150 мм – за таблицею Г.3 на номінальний (умовний) тиск PN 1,6 МПа. |
|||||||||||
Таблиця Г.3 – Заглушки фланцеві сталеві зі з’єднувальним виступом на номінальний (умовний) тиск PN 1,6 МПа (виповнення 1)
Розміри в міліметрах
| DN |
D |
D 1 |
D 2 |
b |
b 1 |
h |
d 2 |
d |
n |
Діаметр болтів (шпильок) |
Маса, кг |
| 65 |
180 |
145 |
122 |
16 |
14 |
3 |
60 |
18 |
4 |
М16 |
2,5 |
| 80 |
195 |
1160 |
133 |
16 |
14 |
3 |
76 |
18 |
4 |
М16 |
3,0 |
| 100 |
215 |
180 |
158 |
94 |
8 |
3,6 |
|||||
| 125 |
245 |
210 |
184 |
118 |
4,8 |
||||||
| 150 |
280 |
240 |
212 |
18 |
16 |
3 |
142 |
22 |
8 |
М20 |
7,1 |
| 200 |
335 |
295 |
268 |
18 |
16 |
196 |
12 |
10,4 |
|||
| 250 |
405 |
355 |
320 |
22 |
20 |
244 |
26 |
М24 |
19,0 |
||
| 300 |
460 |
410 |
370 |
24 |
21 |
4 |
294 |
26,4 |
|||
| 350 |
520 |
470 |
430 |
26 |
23 |
344 |
16 |
37,3 |
|||
| 400 |
580 |
525 |
482 |
30 |
27 |
390 |
30 |
М27 |
54,3 |
||
| 450 |
640 |
585 |
532 |
440 |
20 |
66,2 |
|||||
| 500 |
710 |
650 |
585 |
36 |
33 |
490 |
33 |
М30 |
99,2 |
||
| 600 |
840 |
770 |
685 |
40 |
36 |
5 |
590 |
39 |
М36 |
152,2 |
|
| 800 |
1020 |
950 |
905 |
50 |
46 |
780 |
24 |
294,2 |
|||
| 1000 |
1255 |
1170 |
1110 |
60 |
56 |
980 |
45 |
28 |
М42 |
339,3 |
|
| 1200 |
1485 |
1390 |
1330 |
70 |
66 |
1180 |
52 |
32 |
М48 |
885,9 |
|
| Примітка – Заглушки з номінальним розміром DN 10-50 мм слід приймати на номінальний (умовний) тиск PN 4,0 МПа за таблицею Г.5. |
|||||||||||
4 Заглушки фланцеві сталеві зі з’єднувальним виступом на
номінальний (умовний тиск) PN 2,5 МПа (виповнення 1)
Розміри в міліметрах
| DN |
D |
D 1 |
D 2 |
b |
b 1 |
h |
d 2 |
d |
n |
Діаметр болтів (шпильок) |
Маса, кг |
| 200 |
360 |
310 |
278 |
24 |
22 |
3 |
196 |
26 |
12 |
М24 |
16,2 |
| 250 |
425 |
370 |
335 |
30 |
27 |
244 |
30 |
М27 |
29,1 |
||
| 300 |
485 |
430 |
390 |
4 |
294 |
16 |
36,8 |
||||
| 350 |
550 |
490 |
450 |
36 |
33 |
344 |
33 |
М30 |
58,3 |
||
| 400 |
610 |
550 |
505 |
40 |
37 |
390 |
81,4 |
||||
| 450 |
660 |
600 |
555 |
440 |
20 |
95,5 |
|||||
| 500 |
730 |
660 |
615 |
45 |
42 |
490 |
39 |
М36 |
131,6 |
||
| 600 |
840 |
770 |
750 |
50 |
46 |
5 |
590 |
195,4 |
|||
| 800 |
1075 |
990 |
930 |
60 |
56 |
780 |
45 |
24 |
М42 |
389,9 |
|
| Примітка – Заглушки з номінальним розміром DN 10-150 мм слід приймати за таблицею Г.5 на номінальний (умовний) тиск PN 4,0 МПа. |
|||||||||||
Таблиця Г.5 – Заглушки фланцеві сталеві зі з’єднувальним виступом на номінальний (умовний тиск) PN 4,0 МПа
Розміри в міліметрах
| DN |
D |
D 1 |
D 2 |
b |
b 1 |
h |
d 2 |
d |
n |
Діаметр болтів (шпильок) |
Маса, кг |
| 10 |
90 |
60 |
42 |
14 |
12 |
2 |
6 |
14 |
4 |
М12 |
0,5 |
| 15 |
95 |
65 |
47 |
10 |
0,6 |
||||||
| 20 |
105 |
75 |
58 |
16 |
14 |
16 |
0,8 |
||||
| 25 |
115 |
85 |
68 |
22 |
1,0 |
||||||
| 32 |
135 |
100 |
78 |
18 |
16 |
28 |
18 |
М16 |
1,6 |
||
| 40 |
145 |
110 |
88 |
3 |
36 |
1,8 |
|||||
| 50 |
160 |
125 |
102 |
46 |
2,2 |
||||||
| 65 |
180 |
145 |
122 |
20 |
18 |
60 |
8 |
3,1 |
|||
| 80 |
195 |
160 |
133 |
76 |
3,7 |
||||||
| 100 |
230 |
190 |
158 |
22 |
20 |
94 |
22 |
М20 |
5,8 |
||
| 125 |
270 |
220 |
184 |
24 |
22 |
118 |
26 |
М24 |
8,8 |
||
| 150 |
300 |
250 |
212 |
26 |
24 |
142 |
12,1 |
||||
| 200 |
375 |
320 |
285 |
28 |
28 |
196 |
30 |
12 |
М27 |
22,1 |
|
| 250 |
445 |
385 |
345 |
36 |
34 |
244 |
33 |
М30 |
38,4 |
||
| 300 |
510 |
450 |
410 |
40 |
37 |
4 |
294 |
16 |
55,2 |
||
| 350 |
510 |
570 |
465 |
45 |
42 |
344 |
79,7 |
||||
| 400 |
655 |
585 |
535 |
50 |
47 |
390 |
39 |
М36 |
117,3 |
Закінчення таблиці Г.5
Розміри в міліметрах
| DN |
D |
D 1 |
D 2 |
b |
b 1 |
h |
d 2 |
d |
n |
Діаметр болтів (шпильок) |
Маса, кг |
| 450 |
680 |
610 |
560 |
50 |
47 |
4 |
440 |
39 |
20 |
М36 |
125,9 |
| 500 |
755 |
670 |
615 |
55 |
52 |
490 |
45 |
М42 |
170,6 |
Приклад умовного позначення круглої заглушки виповнення 1 на номінальний розмір (умовний прохід) DN 100 мм і номінальний (умовний) тиск PN 0,6 МПа зі сталі марки 16ГС категорії 6:
Заглушка 1-100-0,6-16ГС-6 АТК 24.200.09-90.
Теж, квадратної:
Заглушка квадратная 1-100-0,6-16ГС-6 АТК 24.200.09-90.
Рисунок Г.2 – Заглушка фланцева з виступом (виповнення 2)
6 Заглушки фланцеві сталеві з виступом на номінальний (умовний) тиск PN 1,0 МПа (виповнення 2)
Розміри в міліметрах
| DN |
D |
D 1 |
D 2 |
b |
b 1 |
h |
d 2 |
d |
n |
Діаметр болтів (шпильок) |
Маса, кг |
| 200 |
335 |
295 |
259 |
16 |
14 |
4 |
196 |
22 |
8 |
М20 |
8,8 |
| 250 |
390 |
350 |
312 |
18 |
16 |
244 |
12 |
14,0 |
|||
| 300 |
440 |
400 |
363 |
20 |
17 |
5 |
294 |
19,4 |
|||
| 350 |
500 |
460 |
421 |
22 |
19 |
344 |
24 |
28,4 |
|||
| 400 |
565 |
515 |
473 |
24 |
21 |
390 |
26 |
М24 |
39,6 |
||
| 450 |
615 |
565 |
523 |
440 |
27 |
47,7 |
|||||
| 500 |
670 |
620 |
575 |
26 |
23 |
490 |
64,1 |
||||
| 600 |
780 |
725 |
677 |
30 |
25 |
6 |
590 |
30 |
М27 |
96,0 |
|
| 800 |
1010 |
950 |
877 |
40 |
35 |
780 |
33 |
30 |
М30 |
223,7 |
|
| Примітка – Заглушки на номінальний розмір DN 10-50 мм слід приймати на номінальний тиск PN 4,0 МПа за таблицею Г.9, а на номінальний розмір DN 65-150 мм – за таблицею Г.7 на номінальний (умовний) тиск PN 1,6 МПа. |
|||||||||||
Таблиця Г.7 – Заглушки фланцеві сталеві зі з’єднувальним виступом на номінальний (умовний) тиск PN 1,6 МПа (виповнення 2)
Розміри в міліметрах
| DN |
D |
D 1 |
D 2 |
b |
b 1 |
h |
d 2 |
d |
n |
Діаметр болтів (шпильок) |
Маса, кг |
| 65 |
180 |
145 |
109 |
16 |
14 |
4 |
60 |
18 |
4 |
М16 |
2,3 |
| 80 |
195 |
160 |
120 |
76 |
2,7 |
||||||
| 100 |
215 |
180 |
149 |
94 |
8 |
3,4 |
|||||
| 125 |
245 |
210 |
175 |
118 |
4,5 |
||||||
| 150 |
280 |
240 |
203 |
18 |
16 |
142 |
22 |
М20 |
6,8 |
||
| 200 |
335 |
295 |
259 |
196 |
12 |
10,0 |
|||||
| 250 |
405 |
355 |
312 |
22 |
20 |
244 |
26 |
М24 |
18,6 |
||
| 300 |
460 |
410 |
363 |
24 |
21 |
5 |
294 |
25,8 |
|||
| 350 |
520 |
470 |
421 |
26 |
23 |
344 |
16 |
36,5 |
|||
| 400 |
580 |
525 |
473 |
30 |
27 |
390 |
30 |
М27 |
53,4 |
||
| 450 |
640 |
585 |
523 |
440 |
20 |
65,1 |
|||||
| 500 |
710 |
650 |
575 |
36 |
33 |
490 |
33 |
М30 |
97,9 |
||
| 600 |
840 |
770 |
677 |
40 |
36 |
6 |
590 |
39 |
М36 |
148,3 |
|
| 800 |
1020 |
950 |
877 |
50 |
46 |
780 |
24 |
288,4 |
|||
| Примітка – Заглушки на номінальний розмір DN 10-50 мм слід приймати за таблицею Г.9 на номінальний (умовний) тиск PN 4,0 МПа. |
|||||||||||
Таблиця Г.8 – Заглушки фланцеві сталеві з виступом на номінальний (умовний) тиск PN 2,5 МПа (виповнення 2)
Розміри в міліметрах
| DN |
D |
D 1 |
D 2 |
b |
b 1 |
h |
d 2 |
d |
n |
Діаметр болтів (шпильок) |
Маса, кг |
| 200 |
360 |
310 |
259 |
24 |
22 |
4 |
196 |
26 |
12 |
М24 |
15,7 |
| 250 |
425 |
370 |
312 |
30 |
28 |
244 |
30 |
М27 |
28,3 |
||
| 300 |
485 |
430 |
363 |
27 |
5 |
294 |
16 |
35,6 |
|||
| 350 |
550 |
490 |
421 |
36 |
33 |
344 |
33 |
М30 |
56,9 |
||
| 400 |
610 |
550 |
473 |
40 |
37 |
390 |
79,7 |
||||
| 450 |
660 |
600 |
523 |
440 |
20 |
93,6 |
|||||
| 500 |
730 |
660 |
575 |
45 |
42 |
490 |
39 |
М36 |
129,3 |
||
| 600 |
840 |
770 |
677 |
50 |
45 |
6 |
590 |
189,9 |
|||
| 800 |
1075 |
990 |
877 |
60 |
55 |
780 |
45 |
24 |
М42 |
381,4 |
|
| Примітка – Заглушки на номінальний розмір DN 10-150 мм слід приймати на номінальний (умовний) тиск PN 4,0 МПа за таблицею Г.9. |
|||||||||||
Таблиця Г.9 – Заглушки фланцеві сталеві з виступом на номінальний (умовний) тиск PN 4,0 МПа (виповнення 2)
Розміри в міліметрах
| DN |
D |
D 1 |
D 2 |
b |
b 1 |
h |
d 2 |
d |
n |
Діаметр болтів (шпильок) |
Маса, кг |
| 10 |
90 |
60 |
34 |
14 |
12 |
4 |
6 |
14 |
4 |
М12 |
0,4 |
| 15 |
95 |
65 |
39 |
10 |
0,5 |
||||||
| 20 |
105 |
75 |
50 |
16 |
14 |
16 |
0,7 |
||||
| 25 |
115 |
85 |
57 |
22 |
0,8 |
||||||
| 32 |
135 |
100 |
65 |
18 |
16 |
28 |
18 |
М16 |
1,4 |
||
| 40 |
145 |
110 |
75 |
17 |
36 |
1,8 |
|||||
| 50 |
160 |
125 |
87 |
46 |
2,2 |
||||||
| 65 |
180 |
145 |
108 |
20 |
18 |
60 |
8 |
3,0 |
|||
| 80 |
195 |
160 |
120 |
76 |
3,5 |
||||||
| 100 |
230 |
190 |
149 |
22 |
20 |
94 |
22 |
М20 |
5,5 |
||
| 125 |
270 |
220 |
175 |
24 |
22 |
118 |
26 |
М24 |
8,5 |
||
| 150 |
300 |
250 |
203 |
26 |
24 |
142 |
11,7 |
||||
| 200 |
375 |
320 |
259 |
30 |
28 |
196 |
30 |
12 |
М27 |
21,4 |
|
| 250 |
445 |
385 |
312 |
36 |
34 |
244 |
33 |
М30 |
37,4 |
||
| 300 |
540 |
450 |
363 |
40 |
37 |
5 |
294 |
16 |
53,5 |
||
| 350 |
570 |
510 |
421 |
45 |
42 |
344 |
77,8 |
||||
| 400 |
655 |
585 |
473 |
50 |
47 |
390 |
39 |
М36 |
114,5 |
Закінчення таблиці Г.9
Розміри в міліметрах
| DN |
D |
D 1 |
D 2 |
b |
b 1 |
h |
d 2 |
d |
n |
Діаметр болтів (шпильок) |
Маса, кг |
| 450 |
680 |
610 |
523 |
50 |
47 |
5 |
440 |
39 |
16 |
М36 |
123,9 |
| 20 |
|||||||||||
| 500 |
755 |
670 |
575 |
55 |
50 |
490 |
45 |
М42 |
164,4 |
Таблиця Г.10 – Заглушки фланцеві сталеві з виступом на номінальний (умовний) тиск PN 6,3 МПа (виповнення 2)
Розміри в міліметрах
| DN |
D |
D 1 |
D 2 |
b |
b 1 |
h |
d 2 |
d |
n |
Діаметр болтів (шпильок) |
Маса, кг |
| 10 |
100 |
70 |
34 |
18 |
16 |
4 |
6 |
14 |
4 |
М12 |
0,7 |
| 15 |
105 |
75 |
39 |
10 |
0,8 |
||||||
| 20 |
125 |
90 |
50 |
20 |
18 |
16 |
18 |
М16 |
1,3 |
||
| 25 |
135 |
100 |
57 |
22 |
20 |
22 |
1,8 |
||||
| 32 |
150 |
110 |
65 |
28 |
22 |
М20 |
2,2 |
||||
| 40 |
165 |
125 |
75 |
24 |
22 |
36 |
3,0 |
||||
| 50 |
175 |
135 |
87 |
46 |
3,4 |
||||||
| 65 |
200 |
160 |
109 |
28 |
26 |
60 |
8 |
5,3 |
|||
| 80 |
210 |
170 |
120 |
76 |
5,9 |
||||||
| 100 |
250 |
200 |
149 |
4 |
94 |
26 |
М24 |
8,4 |
|||
| 125 |
295 |
240 |
175 |
32 |
30 |
118 |
30 |
М27 |
13,8 |
||
| 150 |
340 |
280 |
203 |
36 |
34 |
142 |
33 |
М30 |
21,1 |
||
| 200 |
405 |
345 |
259 |
40 |
38 |
196 |
12 |
33,8 |
|||
| 250 |
470 |
400 |
312 |
45 |
43 |
244 |
39 |
М36 |
51,9 |
||
| 300 |
530 |
460 |
363 |
50 |
47 |
5 |
294 |
16 |
72,1 |
||
| 350 |
595 |
525 |
421 |
55 |
52 |
344 |
103,2 |
||||
| 400 |
670 |
585 |
473 |
60 |
57 |
390 |
45 |
М42 |
143,2 |
||
| 500 |
800 |
705 |
575 |
70 |
65 |
490 |
52 |
20 |
М48 |
234,2 |
|
| 600 |
925 |
820 |
677 |
80 |
75 |
6 |
590 |
56 |
М52 |
364,9 |
Приклад умовного позначення круглої заглушки виповнення 2 на номінальний розмір (умовний прохід) DN 80 мм і номінальний (умовний) тиск PN 1,6 МПа зі сталі 16ГС категорії 6:
Заглушка 2-80-1,6-16ГС-6 АТК 24.200.02-90.
Те ж, квадратної:
Заглушка квадратная 2-80-1,6-16ГС-6 АТК 24.200.02-90.
Рисунок Г.3 – Заглушка фланцева з шипом виповнення 3
Таблиця Г.11 – Заглушки фланцеві сталеві з шипом на номінальний (умовний) тиск PN 0,6 МПа (виповнення 3)
Розміри в міліметрах
| DN |
D |
D 1 |
D 3 |
D 4 |
b |
b 1 |
h |
d 2 |
d |
n |
Діаметр болтів (шпильок) |
Маса, кг |
| 10 |
75 |
50 |
19 |
29 |
14 |
13 |
4 |
6 |
11 |
4 |
М10 |
0,3 |
| 15 |
80 |
55 |
23 |
33 |
10 |
0,4 |
||||||
| 20 |
90 |
65 |
33 |
43 |
12 |
16 |
||||||
| 25 |
100 |
75 |
41 |
51 |
22 |
0,5 |
||||||
| 32 |
120 |
90 |
49 |
59 |
28 |
14 |
М12 |
0,7 |
||||
| 40 |
130 |
100 |
55 |
69 |
36 |
0,9 |
||||||
| 50 |
140 |
110 |
66 |
80 |
46 |
1,1 |
||||||
| 65 |
160 |
130 |
86 |
100 |
60 |
1,4 |
||||||
| 80 |
185 |
150 |
101 |
115 |
76 |
18 |
М16 |
1,9 |
||||
| 100 |
205 |
170 |
117 |
137 |
16 |
14 |
94 |
2,9 |
||||
| 125 |
235 |
200 |
146 |
166 |
118 |
8 |
3,9 |
|||||
| 150 |
260 |
225 |
171 |
191 |
142 |
4,9 |
||||||
| 200 |
315 |
280 |
229 |
249 |
196 |
7,5 |
||||||
| 250 |
370 |
335 |
283 |
303 |
244 |
12 |
10,6 |
|||||
| 300 |
435 |
395 |
336 |
356 |
18 |
16 |
5 |
294 |
22 |
М20 |
16,4 |
|
| 350 |
485 |
445 |
386 |
406 |
344 |
20,9 |
Закінчення таблиці Г.11
Розміри в міліметрах
| DN |
D |
D 1 |
D 3 |
D 4 |
b |
b 1 |
h |
d 2 |
d |
n |
Діаметр болтів (шпильок) |
Маса, кг |
| 400 |
535 |
495 |
436 |
456 |
20 |
17 |
5 |
390 |
22 |
16 |
М20 |
28,4 |
| 450 |
590 |
550 |
489 |
509 |
22 |
19 |
440 |
39,2 |
||||
| 500 |
640 |
600 |
541 |
561 |
490 |
46,8 |
||||||
| 600 |
755 |
705 |
635 |
661 |
24 |
21 |
6 |
590 |
26 |
20 |
М24 |
71,5 |
| 800 |
975 |
920 |
841 |
867 |
30 |
27 |
780 |
30 |
24 |
М27 |
151,9 |
Таблиця Г.12 – Заглушки фланцеві сталеві з шипом на номінальний (умовний) тиск PN 1,0 МПа (виповнення 3)
Розміри в міліметрах
| DN |
D |
D 1 |
D 3 |
D 4 |
b |
b 1 |
h |
d 2 |
d |
n |
Діаметр болтів (шпильок) |
Маса, кг |
| 200 |
335 |
295 |
239 |
259 |
16 |
14 |
4 |
196 |
22 |
8 |
М20 |
8,3 |
| 250 |
390 |
350 |
292 |
312 |
18 |
16 |
244 |
12 |
13,3 |
|||
| 300 |
440 |
400 |
343 |
363 |
20 |
17 |
5 |
294 |
18,4 |
|||
| 350 |
500 |
460 |
395 |
421 |
22 |
19 |
344 |
16 |
27,2 |
|||
| 400 |
565 |
515 |
447 |
473 |
24 |
21 |
390 |
26 |
М24 |
38,1 |
||
| 450 |
615 |
565 |
497 |
523 |
440 |
20 |
46,0 |
|||||
| 500 |
670 |
620 |
549 |
575 |
26 |
23 |
490 |
60,2 |
||||
| 600 |
780 |
725 |
651 |
677 |
30 |
25 |
6 |
590 |
30 |
М27 |
93,2 |
|
| 800 |
1010 |
950 |
851 |
877 |
40 |
35 |
780 |
33 |
24 |
М30 |
219,4 |
|
| Примітка – Заглушки на номінальний розмір DN 10-50 мм слід приймати за таблицею Г.15 на номінальний (умовний) тиск PN 4,0 МПа, а на номінальний розмір DN 65-150 мм – за таблицею Г.13 на номінальний тиск PN 1,6 МПа. |
||||||||||||
Таблиця Г.13 – Заглушки фланцеві сталеві з шипом на номінальний (умовний) тиск PN 1,6 МПа (виповнення 3)
Розміри в міліметрах
| DN |
D |
D 1 |
D 3 |
D 4 |
b |
b 1 |
h |
d 2 |
d |
n |
Діаметр болтів (шпильок) |
Маса, кг |
| 65 |
180 |
145 |
95 |
109 |
16 |
14 |
4 |
60 |
18 |
4 |
М16 |
2,2 |
| 80 |
195 |
160 |
106 |
120 |
76 |
2,6 |
||||||
| 100 |
215 |
180 |
129 |
149 |
94 |
8 |
3,2 |
|||||
| 125 |
245 |
210 |
155 |
175 |
15 |
118 |
4,5 |
Закінчення таблиці Г.13
Розміри в міліметрах
| DN |
D |
D 1 |
D 3 |
D 4 |
b |
b 1 |
h |
d 2 |
d |
n |
Діаметр болтів (шпильок) |
Маса, кг |
| 150 |
280 |
240 |
183 |
203 |
18 |
16 |
4 |
142 |
22 |
8 |
М20 |
6,4 |
| 200 |
335 |
295 |
239 |
259 |
20 |
18 |
196 |
12 |
10,8 |
|||
| 250 |
405 |
355 |
292 |
312 |
22 |
20 |
244 |
26 |
М24 |
17,8 |
||
| 300 |
460 |
410 |
343 |
363 |
24 |
21 |
5 |
294 |
24,6 |
|||
| 350 |
520 |
470 |
395 |
421 |
26 |
23 |
344 |
16 |
35,1 |
|||
| 400 |
580 |
525 |
447 |
473 |
30 |
27 |
390 |
30 |
М27 |
51,6 |
||
| 450 |
640 |
585 |
497 |
523 |
440 |
20 |
63,1 |
|||||
| 500 |
710 |
650 |
549 |
575 |
36 |
33 |
490 |
33 |
М30 |
95,6 |
||
| 600 |
840 |
770 |
651 |
677 |
40 |
35 |
6 |
590 |
39 |
М36 |
144,8 |
|
| 800 |
1020 |
950 |
851 |
877 |
50 |
45 |
780 |
24 |
283,1 |
|||
| Примітка – Заглушки на номінальний розмір DN 10-50 мм слід приймати за таблицею Г.15 на номінальний (умовний) тиск PN 4,0 МПа. |
||||||||||||
Таблиця Г.14 – Заглушки фланцеві сталеві з шипом на номінальний (умовний) тиск PN 2,5 МПа (виповнення 3)
Розміри в міліметрах
| DN |
D |
D 1 |
D 3 |
D 4 |
b |
b 1 |
h |
d 2 |
d |
n |
Діаметр болтів (шпильок) |
Маса, кг |
| 200 |
360 |
318 |
239 |
259 |
24 |
22 |
4 |
196 |
26 |
12 |
М24 |
15,1 |
| 250 |
425 |
370 |
292 |
312 |
30 |
28 |
244 |
30 |
М27 |
27,5 |
||
| 300 |
485 |
430 |
343 |
363 |
27 |
5 |
294 |
16 |
34,5 |
|||
| 350 |
550 |
490 |
395 |
421 |
36 |
33 |
344 |
33 |
М30 |
55,5 |
||
| 400 |
610 |
550 |
447 |
473 |
40 |
37 |
390 |
77,9 |
||||
| 450 |
660 |
600 |
497 |
523 |
440 |
20 |
91,7 |
|||||
| 500 |
730 |
660 |
549 |
575 |
45 |
42 |
490 |
39 |
М36 |
127,0 |
||
| 600 |
840 |
770 |
651 |
677 |
50 |
45 |
6 |
590 |
190,0 |
|||
| 800 |
1075 |
990 |
851 |
877 |
60 |
55 |
780 |
45 |
24 |
М42 |
382,6 |
|
| Примітка – Заглушки на номінальний розмір DN 10-150 мм слід приймати за таблицею Г.15 на номінальний (умовний) тиск PN 4,0 МПа. |
||||||||||||
Таблиця Г.15 – Заглушки фланцеві сталеві з шипом на номінальний (умовний) тиск PN 4,0 МПа (виповнення 3)
Розміри в міліметрах
| DN |
D |
D 1 |
D 3 |
D 4 |
b |
b 1 |
h |
d 2 |
d |
n |
Діаметр болтів (шпильок) |
Маса, кг |
| 10 |
90 |
60 |
24 |
34 |
14 |
12 |
4 |
6 |
14 |
4 |
М12 |
0,4 |
| 15 |
95 |
65 |
29 |
39 |
10 |
0,5 |
||||||
| 20 |
105 |
75 |
36 |
50 |
16 |
14 |
16 |
14 |
4 |
0,7 |
||
| 25 |
115 |
85 |
43 |
57 |
22 |
0,8 |
||||||
| 32 |
135 |
100 |
51 |
65 |
18 |
16 |
28 |
18 |
4 |
М16 |
1,4 |
|
| 40 |
145 |
110 |
61 |
75 |
36 |
1,6 |
||||||
| 50 |
160 |
125 |
73 |
87 |
46 |
1,9 |
||||||
| 65 |
180 |
145 |
95 |
109 |
20 |
18 |
60 |
8 |
2,8 |
|||
| 80 |
195 |
160 |
106 |
120 |
76 |
3,3 |
||||||
| 100 |
230 |
190 |
129 |
149 |
22 |
20 |
94 |
22 |
М20 |
5,3 |
||
| 125 |
270 |
220 |
155 |
175 |
24 |
22 |
118 |
26 |
М24 |
8,2 |
||
| 150 |
300 |
250 |
183 |
203 |
26 |
24 |
142 |
11,3 |
||||
| 200 |
375 |
320 |
239 |
259 |
30 |
28 |
196 |
30 |
12 |
М27 |
20,8 |
|
| 250 |
445 |
385 |
292 |
312 |
36 |
34 |
244 |
33 |
М30 |
36,6 |
||
| 300 |
510 |
450 |
343 |
363 |
40 |
37 |
5 |
294 |
16 |
52,4 |
||
| 350 |
570 |
510 |
395 |
421 |
45 |
42 |
344 |
76,4 |
||||
| 400 |
655 |
585 |
447 |
473 |
50 |
45 |
390 |
39 |
М36 |
112,8 |
||
| 450 |
680 |
610 |
497 |
523 |
440 |
20 |
123,5 |
|||||
| 500 |
755 |
670 |
549 |
575 |
55 |
50 |
490 |
45 |
М42 |
162,0 |
Таблиця Г.16 – Заглушки фланцеві сталеві з шипом на номінальний (умовний) тиск PN 6,3 МПа (виповнення 3)
Розміри в міліметрах
| DN |
D |
D 1 |
D 3 |
D 4 |
b |
b 1 |
h |
d 2 |
d |
n |
Діаметр болтів (шпильок) |
Маса, кг |
| 10 |
100 |
70 |
24 |
34 |
18 |
16 |
4 |
6 |
14 |
4 |
М12 |
0,7 |
| 15 |
105 |
75 |
29 |
39 |
10 |
0,8 |
||||||
| 20 |
125 |
90 |
36 |
50 |
20 |
18 |
16 |
18 |
М16 |
1,3 |
||
| 25 |
135 |
100 |
43 |
57 |
22 |
20 |
22 |
1,8 |
||||
| 32 |
150 |
110 |
51 |
65 |
28 |
22 |
М20 |
2,0 |
||||
| 40 |
165 |
125 |
61 |
75 |
24 |
22 |
36 |
2,9 |
||||
| 50 |
175 |
135 |
73 |
87 |
46 |
3,3 |
||||||
| 65 |
200 |
160 |
95 |
109 |
28 |
26 |
60 |
8 |
5,1 |
|||
| 80 |
210 |
170 |
106 |
120 |
76 |
5,8 |
Закінчення таблиці Г.16
Розміри в міліметрах
| DN |
D |
D 1 |
D 3 |
D 4 |
b |
b 1 |
h |
d 2 |
d |
n |
Діаметр болтів (шпильок) |
Маса, кг |
| 100 |
250 |
200 |
129 |
149 |
32 |
30 |
4 |
94 |
26 |
8 |
М24 |
8,2 |
| 125 |
295 |
240 |
155 |
175 |
118 |
30 |
М27 |
13,5 |
||||
| 150 |
340 |
280 |
183 |
203 |
36 |
34 |
142 |
33 |
М30 |
20,7 |
||
| 200 |
405 |
345 |
239 |
259 |
40 |
38 |
196 |
12 |
33,3 |
|||
| 250 |
470 |
400 |
292 |
312 |
45 |
43 |
244 |
39 |
М36 |
51,2 |
||
| 300 |
530 |
460 |
343 |
363 |
50 |
47 |
5 |
294 |
39 |
16 |
М36 |
70,9 |
| 350 |
595 |
525 |
395 |
421 |
55 |
52 |
344 |
101,8 |
||||
| 400 |
670 |
585 |
447 |
473 |
60 |
57 |
390 |
45 |
М42 |
141,5 |
||
| 500 |
800 |
705 |
549 |
575 |
70 |
65 |
490 |
52 |
20 |
М48 |
231,9 |
|
| 600 |
925 |
820 |
651 |
677 |
80 |
75 |
6 |
590 |
56 |
М52 |
361,3 |
Приклад умовного позначення круглої заглушки виповнення 3 на номінальний розмір DN 100 мм та номінальний (умовний) тиск PN 0,6 МПа зі сталі 16ГС категорії 6:
Заглушка 3-100-0,6-16ГС-6 АТК 24.200.02-90.
Те ж, квадратної:
Заглушка квадратная 3-100-0,6-16ГС-6 АТК 24.200.02-90.
Те ж, під фторопластову прокладку:
Заглушка 3-100-0,6 Ф-16ГС-6 АТК 24.200.02-90.
Таблиця Г.17 – Розміри ущільнювальних поверхонь під фторопластові прокладки
Розміри в міліметрах
| Номінальний розмір DN |
D 3 |
D 4 |
h |
||
| Тиск номінальний (умовний) PN , МПа |
|||||
| 0,6 |
|
0,6 |
|
||
| 10 |
18 |
23 |
30 |
35 |
4 |
| 15 |
22 |
28 |
34 |
40 |
|
| 20 |
32 |
35 |
44 |
51 |
|
| 25 |
40 |
42 |
52 |
58 |
|
| 32 |
48 |
50 |
60 |
66 |
|
| 40 |
54 |
60 |
70 |
76 |
|
| 50 |
65 |
72 |
81 |
83 |
|
Закінчення таблиці Г.17
Розміри в міліметрах
| Номінальний розмір DN |
D 3 |
D 4 |
h |
||
| Тиск номінальний (умовний) PN , МПа |
|||||
| 0,6 |
|
0,6 |
|
||
| 65 |
85 |
94 |
101 |
110 |
4 |
| 80 |
100 |
105 |
116 |
121 |
|
| 100 |
116 |
128 |
138 |
150 |
6 |
| 125 |
145 |
154 |
167 |
176 |
|
| 150 |
170 |
182 |
192 |
204 |
|
| 200 |
228 |
238 |
250 |
260 |
|
| 250 |
282 |
291 |
304 |
313 |
|
| 300 |
335 |
342 |
357 |
364 |
|
| 350 |
385 |
394 |
407 |
422 |
|
| 400 |
435 |
446 |
457 |
474 |
|
| 450 |
488 |
496 |
510 |
524 |
|
| 500 |
540 |
548 |
562 |
576 |
|
| 600 |
630 |
650 |
662 |
678 |
|
Рисунок Г.4 – Заглушка фланцева під прокладку овального перерізу (виповнення 4)

Таблиця Заглушки фланцеві сталеві під прокладку овального перерізу на номінальний ( PN 10,0 МПа (виповнення 4)
| DN |
D |
D 1 |
D 2 |
b |
b 1 |
h |
D 8 |
b 2 |
h 2 |
r |
d 2 |
d |
n |
Діаметр шпильок |
Маса, кг |
| 50 |
195 |
145 |
102 |
30 |
28 |
3 |
85 |
12 |
8 |
4,0 |
46 |
26 |
4 |
М24 |
5,5 |
| 65 |
220 |
170 |
140 |
36 |
34 |
110 |
60 |
8 |
8,5 |
||||||
| 80 |
230 |
180 |
150 |
115 |
76 |
9,4 |
|||||||||
| 100 |
265 |
210 |
175 |
145 |
94 |
30 |
М27 |
12,5 |
|||||||
| 125 |
310 |
250 |
210 |
40 |
38 |
175 |
118 |
33 |
М30 |
19,6 |
|||||
| 150 |
350 |
290 |
250 |
45 |
43 |
205 |
142 |
12 |
28,1 |
||||||
| 200 |
430 |
360 |
285 |
50 |
48 |
265 |
196 |
39 |
М36 |
47,8 |
|||||
| 250 |
500 |
430 |
345 |
55 |
53 |
320 |
244 |
73,7 |
|||||||
| 300 |
585 |
500 |
410 |
60 |
57 |
4 |
375 |
294 |
45 |
16 |
М42 |
106,4 |
|||
| 350 |
655 |
560 |
465 |
70 |
67 |
420 |
17 |
11 |
5,8 |
344 |
52 |
М48 |
150,1 |
||
| 400 |
715 |
620 |
535 |
75 |
72 |
480 |
390 |
204,6 |
|||||||
| Примітка – Заглушки на номінальний розмір (умовний прохід) DN 10-40 мм слід приймати за таблицею Г.20 на номінальний (умовний) тиск PN 16,0 МПа. |
|||||||||||||||
Таблиця Заглушки фланцеві сталеві під прокладку овального перерізу на номінальний (
PN
16,0 МПа (виповнення 4)
| DN |
D |
D 1 |
D 2 |
b |
b 1 |
h |
D 8 |
b 2 |
h 2 |
r |
d 2 |
d |
n |
Діаметр шпильок |
Маса, кг |
| 15 |
105 |
75 |
55 |
26 |
24 |
2 |
35 |
9 |
6,5 |
2,8 |
10 |
14 |
4 |
М12 |
1,4 |
| 20 |
125 |
90 |
58 |
28 |
26 |
45 |
16 |
18 |
М16 |
2,2 |
|||||
| 25 |
135 |
100 |
68 |
30 |
28 |
50 |
22 |
2,8 |
|||||||
| 32 |
150 |
110 |
78 |
65 |
28 |
22 |
М20 |
3,4 |
|||||||
| 40 |
165 |
125 |
88 |
3 |
75 |
36 |
4,0 |
||||||||
| 50 |
195 |
145 |
115 |
36 |
34 |
95 |
12 |
8,0 |
4,0 |
46 |
26 |
М24 |
6,9 |
||
| 65 |
220 |
170 |
140 |
40 |
38 |
110 |
60 |
8 |
9,6 |
||||||
| 80 |
230 |
180 |
150 |
130 |
76 |
10,6 |
|||||||||
| 100 |
265 |
210 |
175 |
160 |
94 |
30 |
М27 |
14,1 |
|||||||
| 125 |
310 |
250 |
210 |
45 |
43 |
190 |
118 |
33 |
М30 |
22,3 |
|||||
| 150 |
350 |
290 |
250 |
55 |
53 |
205 |
14 |
10,0 |
4,2 |
142 |
12 |
34,7 |
|||
| 200 |
430 |
360 |
315 |
60 |
58 |
275 |
17 |
11,0 |
5,8 |
196 |
39 |
М36 |
58,0 |
||
| 250 |
500 |
430 |
380 |
70 |
68 |
330 |
244 |
95,3 |
|||||||
| 300 |
585 |
500 |
410 |
80 |
77 |
4 |
380 |
23 |
14,0 |
8,5 |
294 |
45 |
16 |
М42 |
142,2 |
| 350 |
700 |
560 |
520 |
95 |
92 |
420 |
344 |
52 |
М48 |
249,6 |
|||||
| 400 |
770 |
660 |
595 |
100 |
97 |
5 |
480 |
390 |
20 |
315,9 |
Приклад умовного позначення круглої заглушки виповнення 4 з номінальним розміром (умовним проходом) DN 100 мм на номінальний (умовний) тиск PN 6,3 МПа зі сталі марки 16ГС категорії 6:
Заглушка 4-100-6,3-16ГС-6 АТК 24.200.02-90.
Рисунок Г.5 – Заглушки фланцеві із западиною (виповнення 5)
Таблиця Г.21 – Заглушки фланцеві сталеві із западиною на номінальний (умовний) тиск PN 4,0 МПа (виповнення 5)
Розміри в міліметрах
| DN |
D |
D 1 |
D 2 |
D 6 |
b |
b 1 |
h |
d 2 |
d |
n |
Діаметр шпильок |
Маса, кг |
| 50 |
160 |
125 |
102 |
88 |
20 |
17 |
4 |
46 |
18 |
4 |
М16 |
2,6 |
| 80 |
195 |
160 |
133 |
121 |
22 |
19 |
76 |
8 |
4,3 |
|||
| 100 |
200 |
190 |
158 |
150 |
94 |
22 |
М20 |
5,9 |
||||
| 125 |
300 |
250 |
212 |
204 |
26 |
23 |
142 |
26 |
М24 |
12,5 |
||
| 150 |
375 |
320 |
285 |
260 |
30 |
27 |
196 |
30 |
12 |
М27 |
22,5 |
|
| 200 |
445 |
385 |
345 |
313 |
33 |
33 |
244 |
33 |
М30 |
38,8 |
||
| 250 |
510 |
450 |
410 |
364 |
40 |
36 |
5 |
294 |
16 |
56,6 |
||
| 300 |
755 |
670 |
615 |
576 |
55 |
51 |
490 |
45 |
20 |
М42 |
172,8 |
Приклад умовного позначення заглушки виконання 5 з номінальним розміром (умовним проходом) DN 80 мм на номінальний (умовний) тиск PN 4,0 МПа зі сталі марки 16ГС категорії 6:
Заглушка 5-80-4,0-16ГС-6 АТК 24.200.02-90.
219
ДОДАТОК Д Матеріали прокладок фланцевих з’єднаннях
Таблиця Д.1 – Вибір матеріалів прокладок
| Прокладки |
Гранична температура, °С |
Граничний тиск Р , МПа, при ущільнювальній поверхні фланців |
Середовище |
||||
| Матеріал |
ГОСТ, ТУ |
від |
до |
гладкій |
„виступзападина” |
„шип-паз” |
|
| Пластини гумові і гумовотканинні тепло-, морозо-, кислото-, лугостійкі |
ГОСТ 7338-77 класи: |
0,1 |
1,0 |
1,0 |
Вода технічна і стічна, розчини солей з концентраціями до межі насичення, луги вмістом розчиненої речовини не більше 20 %, кислота концентрацією не більше 20 %, повітря, інертні гази та азот |
||
| М |
мінус 45 |
плюс 90 |
|||||
| С, П |
мінус 30 |
плюс 80 |
|||||
| С1, П1 |
мінус 45 |
||||||
| С2, П2 |
мінус 60 |
||||||
| Пластини гумові і гумовотканинні маслостійкі (МС) |
ГОСТ 7338-77 класи: |
Жири. масла, емульсії, гази, пари |
|||||
| М, С, П |
мінус 30 |
плюс 80 |
|||||
| М1, С1, П1 |
мінус 40 |
||||||
| Пластини гумові і гумовотканинні маслобензостійкі (МБС) |
ГОСТ 7338-77 класи: |
Жири, масла, емульсії, рідкі вуглеводні, бензин, гази, пари |
|||||
| М, С, П |
мінус 30 |
плюс 80 |
|||||
| М1, С1, П1 |
мінус 40 |
||||||
| Прокладки |
Гранична температура, °С |
Граничний тиск Р , МПа, при ущільнювальній поверхні фланців |
Середовище |
||||
| Материал |
ГОСТ, ТУ |
від |
до |
гладкій |
„виступзападина” |
„шип-паз” |
|
| Пароніт загального призначення ПОН |
ГОСТ 481-80 |
плюс 20 |
плюс 250 |
2,5 |
6,4 |
- |
Прісна перегріта вода |
| плюс 450 |
Насичена і перегріта пара |
||||||
| мінус 50 |
плюс 100 |
1,0 |
- |
Повітря |
|||
| мінус 50 |
плюс 450 |
2,5 |
6,4 |
Сухі нейтральні і інертні гази |
|||
| мінус 15 |
плюс 100 |
- |
Водні розчини солей |
||||
| мінус 40 |
плюс 150 |
1,6 |
2,5 |
Рідкий і газоподібний аміак |
|||
| плюс 20 |
- |
Спирт |
|||||
| Пароніт маслобензостійкий ПМБ |
плюс 200 |
2,5 |
6,4 |
Вакуум |
Важкі нафтопродукти (дизельне паливо, мазут, парафін, гудрон, асфальт, бітум) |
||
| плюс 150 |
- |
- |
Легкі нафтопродукти (газойль, бензин, гас) |
||||
| мінус 182 |
- |
0,25 |
Рідкий кисень і азот |
||||
| плюс 20 |
плюс 150 |
2,5 |
5,0 |
5,0 |
Газоподібний кисень і азот |
||
| плюс 50 |
4,0 |
- |
Морська вода |
||||
| мінус 40 |
плюс 150 |
10,0 |
10,0 |
Розсоли |
|||
Продовження таблиці
| Прокладки |
Гранична температура, °С |
Граничний тиск Р , МПа, при ущільнювальній поверхні фланців |
Середовище |
||||
| Материал |
ГОСТ, ТУ |
від |
до |
гладкій |
„виступзападина” |
„шип-паз” |
|
| Пароніт маслобензостійкий ПМБ |
ГОСТ 481-80 |
мінус 40 |
плюс 150 |
1,6 |
2,5 |
2,5 |
Аміак рідкий і газоподібний |
| плюс 20 |
плюс 490 |
2,5 |
6,4 |
6,4 |
Коксовий газ |
||
| мінус 40 |
плюс 60 |
1,6 |
- |
- |
Зріджені і газоподібні вуглеводні (С1-С5) |
||
| плюс 20 |
плюс 150 |
1,0 |
Розплав воску |
||||
| плюс 300 |
2,0 |
Важкі нафтопродукти (дизельне паливо, мазут, парафін, гудрон, асфальт, бітум) |
|||||
| Пароніт загального призначення ПОН-1 |
плюс 250 |
4,5 |
Прісна перегріта вода |
||||
| плюс 450 |
Насичена і перегріта пара |
||||||
| мінус 40 |
плюс 150 |
2,5 |
Аміак рідкий і газоподібний |
||||
| плюс 20 |
плюс 200 |
Вакуум |
Легкі нафтопродукти (газойль, бензин, гас) |
||||
| Прокладки |
Гранична температура, °С |
Граничний тиск Р , МПа, при ущільнювальній поверхні фланців |
Середовище |
||||
| Материал |
ГОСТ, ТУ |
від |
до |
гладкій |
„виступзападина” |
„шип-паз” |
|
| Пароніт загального призначення ПОН-1 |
ГОСТ 481-80 |
плюс 20 |
плюс 150 |
2,5 |
- |
Вакуум |
Масла (дизельне, автомобільне, авіаційне, індустріальне, турбінне, трансформаторне) |
| мінус 182 |
- |
- |
Рідкий кисень |
||||
| мінус 15 |
плюс 100 |
Водні розчини солей |
|||||
| Пароніт маслобензостійкий ПМБ-1 |
мінус 40 |
плюс 150 |
16,0 |
16,0 |
Важкі нафтопродукти (дизельне паливо, мазут, парафін, гудрон, асфальт, бітум) |
||
| Легкі нафтопродукти (газойль, бензин, гас) |
|||||||
| Масла (дизельне, автомобільне, авіаційне, індустріальне, турбінне, трансформаторне) |
|||||||
| мінус 50 |
- |
2,5 |
- |
Хладони 12, 22, 114В-2 |
|||
| Прокладки |
Гранична температура, °С |
Граничний тиск Р , МПа, при ущільнювальній поверхні фланців |
Середовище |
||||
| Матеріал |
ГОСТ, ТУ |
від |
до |
гладкій |
„виступзападина” |
„шип-паз” |
|
| Пароніт кислотостійкий ПК |
ГОСТ 481-80 |
плюс 20 |
плюс 200 |
2,5 |
2,5 |
- |
Мінеральні кислоти (сірчана, азотна, соляна) |
| плюс 150 |
1,0 |
- |
Органічні розчинники (скипидар, дихлоретан, бензол, толуол. ксилол) |
||||
| Пароніт армований сіткою ПА |
плюс 450 |
4,0 |
10,0 |
Пара водяна насичена та перегріта |
|||
| плюс 250 |
7,5 |
Сухі гази (нейтральні, інертні), повітря |
|||||
| плюс 400 |
2,5 |
Вакуум |
Важкі нафтопродукти (дизельне паливо) |
||||
| плюс 200 |
Легкі нафтопродукти (газойль, бензин, гас) |
||||||
| Пароніт електролізерний ПЕ |
плюс 180 |
- |
- |
Луги концентрацією 300400 г/л, водень, кисень |
|||
| мінус 15 |
плюс 150 |
1,6 |
2,5 |
Аміак рідкий і газоподібний |
|||
| плюс 20 |
плюс 200 |
0,6 |
- |
||||
| плюс 20 |
плюс 100 |
2,5 |
2,5 |
Азотна кислота, 10%-вий розчин |
|||
| Прокладки |
Гранична температура, °С |
Граничний тиск Р , МПа, при ущільнювальній поверхні фланців |
Середовище |
||||
| Матеріал |
ГОСТ, ТУ |
від |
до |
гладкій |
„виступзападина” |
„шип-паз” |
|
| Картон просочений прокладковий марки А |
ГОСТ 9347-74 |
плюс 20 |
плюс 40 |
1,0 |
- |
- |
Вода |
| Картон азбестовий |
ГОСТ 2850-80 |
мінус 15 |
плюс 450 |
0,3 |
Вуглеводні рідкі та газоподібні, у тому числі мазут, масла, смоли та ін. |
||
| Фібра листова технічна |
ГОСТ 14613-83 |
плюс 80 |
1,0 |
1,6 |
Вакуум |
Нейтральні газові середовища |
|
| Пластикат полівілхлоридний |
ОСТ 6-19-503-79 |
плюс 40 |
4,0 |
- |
Жирні кислоти, аміак, метиловий спирт, кислоти: азотна 56%, сірчана 75%, фосфорна 100%, а також сірчиста і соляна будьякої концентрації; гідроксид натрію 40–60% |
||
| Фторопласт-4 |
ГОСТ 10007-80 |
мінус 269 |
плюс 250 |
- |
- |
2,5 |
Кислоти та луги будь-якої концентрації, розчинники |
| Прокладки азбомідні гофровані і плоскі |
ОСТ 26-844-73 |
мінус 70 |
плюс 315 |
2,5 |
6,4 |
- |
Фенол, ацетон, бензол, толуол, волога водяна пара |
| Прокладки |
Гранична температура, ° С |
Граничний тиск Р , МПа, при ущільнювальній поверхні фланців |
Середовище |
||||
| Матеріал |
ГОСТ, ТУ |
від |
до |
гладкій |
„виступзападина” |
„шип-паз” |
|
| Прокладки азбоалюмінієві гофровані і плоскі |
ОСТ 26-844-73 |
мінус 70 |
плюс 425 |
2,5 |
6,4 |
- |
Легкі і важкі нафтопродукти, вуглеводні газоподібні, нафтопродукти, що містять сірководень і меркаптани, суха водяна пара, двоокис вуглецю, доменні і димові гази |
| Листи з алюмінієвого сплаву марки АМц відпалені |
ГОСТ 21631-76 |
мінус 196 |
плюс 250 |
1,6 |
4,0 |
Вакуум |
Вуглеводні рідкі і газоподібні, у тому числі мазут, масла, смоли і інші неагресивні середовища |
| Алюміній марки А3 |
ГОСТ 11069-74 |
||||||
| Мідь листова м'яка марки М2 |
ГОСТ 495-77 |
2,5 |
10,0 |
Вода перегріта, пара водяна, рідкі і газоподібні нафтопродукти |
|||
| Свинець марки С2 |
ГОСТ 3778-77 |
мінус 15 |
плюс 50 |
0,6 |
- |
Морська вода, розчини сірчаної кислоти 0,5-80 %, сірчистої кислоти, оцтової кислоти (1-60), хлор чистий газоподібний і зріджений |
|
Закінчення таблиці Д.1
| Прокладки |
Гранична температура, °С |
Граничний тиск Р , МПа, при ущільнювальній поверхні фланців |
Середовище |
||||
| Матеріал |
ГОСТ, ТУ |
від |
до |
гладкої |
„виступзападина” |
„шип- паз” |
|
| Прокладки зубчасті з низьковуглецевої сталі |
За спеціальними креслениками |
мінус 40 |
плюс 470 |
- |
10,0 |
- |
Вуглеводні рідкі і газоподібні (бензин, масла, смоли і ін.), водяна пара, гази і пари нейтральні |
| Прокладки зубчасті із сталі марки 12Х18Н10Т |
За спеціальними креслениками |
мінус 196 |
плюс 250 |
||||
| Прокладки зубчасті мідні |
плюс 475 |
||||||
| Прокладки кільцеві овального перерізу з низьковуглецевої сталі марки 08кп. Робочий тиск Р раб =16,0 МПа |
ОСТ 26-845-73 |
мінус 40 |
- |
Вуглеводні рідкі і газоподібні (бензин, масла, смоли і ін.), водяна пара, гази і пари нейтральні |
|||
| Прокладки кільцеві овального перерізу з низьковуглецевої |
|||||||
| сталі марки 08Х18Н10Т. Робочий тиск Р раб =16,0 МПа |
ОСТ 26-845-73 |
мінус 196 |
плюс 700 |
||||
Таблиця Д.2 – Хімічна стійкість фольги ГРАФЛЕКС
| Назва середовища |
Концентрація |
| Мінеральні кислоти |
|
| Сірчана кислота |
до 60 % |
| Азотна кислота |
до 10 % |
| Бромистоводнева кислота |
будь-яка |
| Борна кислота |
будь-яка |
| Соляна кислота |
36 % |
| Кремнієфториста кислота |
будь-яка |
| Сірчана кислота |
будь-яка |
| Фосфорна кислота |
будь-яка |
| Фтористоводнева кислота |
будь-яка |
| Органічні кислоти |
|
| Бензойна кислота |
будь-яка |
| Бензолсульфонова кислота |
будь-яка |
| Галова кислота |
будь-яка |
| Дігалова кислота |
будь-яка |
| Жирні кислоти |
будь-яка |
| Малеїнова кислота |
будь-яка |
| Молочна кислота |
будь-яка |
| Пікринова кислота |
будь-яка |
| Стеаринова кислота |
будь-яка |
| Фенолсульфонова кислота |
будь-яка |
| Оцтова кислота |
будь-яка |
| Щавелєва кислота |
будь-яка |
| Монохлороцтова кислота |
будь-яка |
| Спирти, альдегіди, ефіри і інші органічні продукти |
|
| Ацетон |
100 % |
| Бензол |
будь-яка |
| Бутиловий спирт |
100 % |
| Гліцерин |
100 % |
| Діоксан |
100 % |
| Ізопропіловий спирт |
100 % |
| Метилакрилат |
100 % |
| Мурашиний альдегід |
будь-яка |
| Оцтовий ангідрид |
до 100 % |
| Етиловий спирт |
100 % |
| Метиловий спирт |
100 % |
| Хлорат алюмінію |
будь-яка |
| Дихлорид заліза |
будь-яка |
Закінчення таблиці Д.2
| Назва середовища |
Концентрація |
| Хлорнеорганічні і хлорорганічні середовища |
|
| Хлорид літію |
будь-яка |
| Сульфурилхлорид |
100 % |
| Тетрахлорид титана |
100 % |
| Трихлорид фосфору |
100 % |
| Хлоргаз |
будь-яка |
| Хлорсульфонова кислота |
будь-яка |
| Алилхлорид |
100 % |
| Бензилхлорид |
100 % |
| Вінілхлорид |
100 % |
| Дихлорбензол |
100 % |
| Дихлоретан |
100 % |
| Дихлоретилен |
100 % |
| Тетрахлоретан |
100 % |
| Трихлороцтова кислота |
будь-яка |
| Трихлоретан |
100 % |
| Хлорбензол |
100 % |
| Хлороформ |
100 % |
| Оцтова кислота |
будь-яка |
| Епихлоргидрин |
100 % |
ДОДАТОК Е Прокладки фланцевих з’єднань посудин та апаратів Прокладки з неметалевих матеріалів [33]
Рисунок Е.1 – Прокладка з неметалевих матеріалів Товщина прокладок S приймається рівною:
– для прокладок з гуми – 3 мм;
– для прокладок з пароніту і картону при D < 1400 мм – 2 мм, при
D
3 мм;
– для прокладок з фторопласту – до 3 мм.
Таблиця Е.1 – Прокладки з неметалевих матеріалів
Розміри в міліметрах
| Діаметр апарата D |
D 1 |
D 2 |
Тиск номінальний PN , МПа |
Маса, кг |
||
| Виповнення |
Виповнення |
|||||
| 1 |
2 |
1 |
2 |
|||
| 400 |
443 |
418 |
413 |
0,3 |
0,068 |
0,081 |
| 0,6 |
||||||
| 457 |
432 |
427 |
1,0 |
0,070 |
0,083 |
|
| 1,6 |
||||||
| - |
2,5 |
- |
||||
| 428 |
- |
4,0 |
0,081 |
- |
||
| - |
6,3 |
|||||
| 500 |
543 |
518 |
513 |
0,3 |
0,083 |
0,100 |
| 0,6 |
||||||
| 563 |
538 |
533 |
1,0 |
0,086 |
0,103 |
|
| 1,6 |
||||||
| - |
2,5 |
- |
||||
| 557 |
528 |
- |
4,0 |
0,099 |
- |
|
| 6,3 |
||||||
| 600 |
643 |
617 |
613 |
0,3 |
0,103 |
0,118 |
| 0,6 |
||||||
Продовження таблиці Е.1
| Діаметр апарата D |
D 1 |
D 2 |
Тиск номінальний PN , МПа |
Маса, кг |
||
| Виповнення |
Виповнення |
|||||
| 1 |
2 |
1 |
2 |
|||
| 600 |
663 |
637 |
633 |
1,6 |
0,106 |
0,122 |
| - |
2,5 |
- |
||||
| 657 |
627 |
- |
4,0 |
0,121 |
- |
|
| 669 |
639 |
6,3 |
0,123 |
|||
| 800 |
841 |
815 |
811 |
0,3 |
0,135 |
0,156 |
| 0,6 |
||||||
| 865 |
839 |
835 |
1,0 |
0,139 |
0,160 |
|
| 1,6 |
||||||
| 875 |
849 |
- |
2,5 |
0,141 |
- |
|
| 869 |
831 |
- |
4,0 |
0,203 |
- |
|
| 884 |
846 |
- |
6,3 |
0,207 |
- |
|
| 1000 |
1051 |
1022 |
1021 |
0,3 |
0,189 |
0,195 |
| 0,6 |
||||||
| 1065 |
1036 |
1029 |
1,0 |
0,191 |
0,237 |
|
| 1,6 |
||||||
| 1079 |
1050 |
- |
2,5 |
0,194 |
- |
|
| 1074 |
1036 |
- |
4,0 |
0,252 |
- |
|
| 1094 |
1056 |
- |
6,3 |
0,257 |
- |
|
| 1200 |
1247 |
1218 |
1217 |
0,3 |
0,225 |
0,232 |
| 0,6 |
||||||
| 1267 |
1238 |
1230 |
1,0 |
0,228 |
0,290 |
|
| 1,6 |
||||||
| 1200 |
1295 |
1265 |
- |
2,5 |
0,241 |
- |
| 1289 |
1235 |
- |
4,0 |
0,428 |
- |
|
| 1309 |
1255 |
- |
6,3 |
0,435 |
- |
|
| 1400 |
1446 |
1418 |
1417 |
0,3 |
0,378 |
0,391 |
| 0,6 |
||||||
| 1468 |
1439 |
1434 |
1,0 |
0,397 |
0,465 |
|
| 1,6 |
||||||
| 1504 |
1477 |
- |
2,5 |
0,379 |
- |
|
| 1493 |
1441 |
- |
4,0 |
0,719 |
- |
|
| 1520 |
1468 |
- |
6,3 |
0,732 |
- |
|
| 1600 |
1646 |
1615 |
1607 |
0,3 |
0,476 |
0,598 |
| 0,6 |
||||||
| 1680 |
1649 |
1638 |
1,0 |
0,486 |
0,657 |
|
| 1,6 |
||||||
| 1706 |
1675 |
- |
2,5 |
0,494 |
- |
|
Продовження таблиці Е.1
| Діаметр апарата D |
D 1 |
D 2 |
Тиск номінальний PN , МПа |
Маса, кг |
||
| Виповнення |
Виповнення |
|||||
| 1 |
2 |
1 |
2 |
|||
| 1600 |
1730 |
1653 |
- |
4,0 |
0,839 |
- |
| 1677 |
6,3 |
0,851 |
||||
| 1800 |
1846 |
1815 |
1807 |
0,3 |
0,535 |
0,671 |
| 0,6 |
||||||
| 1880 |
1849 |
1837 |
1,0 |
0,545 |
0,753 |
|
| 1,6 |
||||||
| 1908 |
1877 |
- |
2,5 |
0,553 |
- |
|
| 2000 |
2044 |
2013 |
2005 |
0,3 |
0,593 |
0,744 |
| 0,6 |
||||||
| 2084 |
2045 |
2040 |
1,0 |
0,759 |
0,855 |
|
| 1,6 |
||||||
| 2114 |
2075 |
- |
2,5 |
0,770 |
- |
|
| 2200 |
2244 |
2213 |
2205 |
0,3 |
0,651 |
0,818 |
| 0,6 |
||||||
| 2284 |
2245 |
2240 |
1,0 |
0,832 |
0,938 |
|
| 1,6 |
||||||
| 2400 |
2444 |
2413 |
2405 |
0,3 |
0,710 |
0,891 |
| 0,6 |
||||||
| 2488 |
2449 |
2444 |
1,0 |
0,907 |
1,023 |
|
| 2494 |
2455 |
1,6 |
0,910 |
1,163 |
||
| 2600 |
2654 |
2614 |
2610 |
0,3 |
0,993 |
1,091 |
| 0,6 |
||||||
| 2693 |
2653 |
2655 |
1,0 |
1,008 |
0,958 |
|
| 2698 |
2658 |
1,6 |
1,010 |
1,085 |
||
| 2800 |
2854 |
2814 |
2810 |
0,3 |
1,068 |
1,174 |
| 0,6 |
||||||
| 2893 |
2853 |
2851 |
1,0 |
1,083 |
1,137 |
|
| 2902 |
2862 |
1,6 |
1,086 |
1,383 |
||
| 3000 |
3054 |
3014 |
3010 |
0,3 |
1,144 |
1,257 |
| 0,6 |
||||||
| 3104 |
3064 |
3060 |
1,0 |
1,163 |
1,278 |
|
| 1,6 |
||||||
| 3200 |
3254 |
3214 |
3210 |
0,3 |
1,219 |
1,340 |
| 0,6 |
||||||
| 3304 |
3254 |
3260 |
1,0 |
1,545 |
1,361 |
|
| 1,6 |
||||||
Закінчення таблиці Е.1
| Діаметр апарата D |
D 1 |
D 2 |
Тиск номінальний PN , МПа |
Маса, кг |
||
| Виповнення |
Виповнення |
|||||
| 1 |
2 |
1 |
2 |
|||
| 3400 |
3464 |
3424 |
3415 |
0,3 |
1,298 |
1,588 |
| 3484 |
3434 |
- |
0,6 |
1,630 |
- |
|
| 3504 |
3454 |
- |
1,0 |
1,639 |
- |
|
| 3600 |
3664 |
3624 |
3615 |
0,3 |
1,374 |
1,681 |
| 3684 |
3634 |
- |
0,6 |
1,724 |
- |
|
| 3704 |
3654 |
- |
1,0 |
1,734 |
- |
|
| 3800 |
3864 |
3824 |
3815 |
0,3 |
1,449 |
1,773 |
| 3894 |
3844 |
- |
0,6 |
1,823 |
- |
|
| 3914 |
3864 |
- |
1,0 |
1,833 |
- |
|
| 4000 |
4064 |
4024 |
4015 |
0,3 |
1,525 |
1,865 |
| 4104 |
4053 |
- |
0,6 |
1,960 |
- |
|
| 4114 |
4063 |
- |
1,0 |
1,965 |
- |
|
Приклад умовного позначення прокладки виповнення 1 для апаратного фланця діаметром 600 мм на номінальний (умовний) тиск PN 1,6 МПа:
Прокладка 1-600-1,6 ГОСТ 28759.6-90 .
Прокладки азбометалеві [34]
Рисунок Е.2 – Прокладка азбометалева
Для прокладок з оболонкою зі сталі товщина прокладки b дорівнює 3,4 мм., а для прокладок з оболонкою з латуні або алюмінію – 3,6 мм.
Таблиця Е.2 – Прокладки азбометалеві
| Діаметр апарата D |
D 1 |
D 2 |
Тиск номінальний PN , МПа |
Маса, кг |
||
| Матеріал оболонки |
||||||
| сталь |
алюміній |
латунь |
||||
| 400 |
457 |
433 |
1,0 |
0,117 |
0,087 |
0,145 |
| 1,6 |
||||||
Продовження таблиці Е.2
| Діаметр апарата D |
D 1 |
D 2 |
Тиск номінальний PN , МПа |
Маса, кг |
||
| Матеріал оболонки |
||||||
| сталь |
алюміній |
латунь |
||||
| 400 |
457 |
433 |
2,5 |
0,117 |
0,087 |
0,145 |
| 429 |
4,0 |
0,124 |
0,094 |
0,160 |
||
| 6,3 |
||||||
| 500 |
563 |
539 |
1,0 |
0,146 |
0,108 |
0,181 |
| 1,6 |
||||||
| 2,5 |
||||||
| 557 |
529 |
4,0 |
0,150 |
0,112 |
0,187 |
|
| 6,3 |
||||||
| 600 |
663 |
639 |
1,0 |
0,171 |
0,128 |
0,213 |
| 1,6 |
||||||
| 2,5 |
||||||
| 657 |
629 |
4,0 |
0,180 |
0,140 |
0,240 |
|
| 669 |
641 |
6,3 |
||||
| 800 |
865 |
841 |
1,0 |
0,225 |
0,168 |
0,280 |
| 1,6 |
||||||
| 875 |
851 |
2,5 |
0,229 |
0,170 |
0,285 |
|
| 869 |
833 |
4,0 |
0,270 |
0,202 |
0,337 |
|
| 884 |
846 |
6,3 |
0,300 |
0,221 |
0,370 |
|
| 1000 |
1065 |
1037 |
1,0 |
0,324 |
0,241 |
0,402 |
| 1,6 |
||||||
| 1079 |
1051 |
2,5 |
0,327 |
0,248 |
0,410 |
|
| 1074 |
1038 |
4,0 |
0,385 |
0,288 |
0,478 |
|
| 1094 |
1058 |
6,3 |
0,401 |
0,198 |
0,509 |
|
| 1200 |
1267 |
1237 |
1,0 |
0,384 |
0,288 |
0,479 |
| 1,6 |
||||||
| 1295 |
1267 |
2,5 |
0,391 |
0,233 |
0,487 |
|
| 1289 |
1239 |
4,0 |
0,515 |
0,388 |
0,647 |
|
| 1309 |
1259 |
6,3 |
0,567 |
0,422 |
0,703 |
|
| 1400 |
1468 |
1442 |
1,0 |
0,448 |
0,338 |
0,560 |
| 1,6 |
||||||
| 1504 |
1476 |
2,5 |
0,455 |
0,348 |
0,625 |
|
| 1493 |
1443 |
4,0 |
0,669 |
0,498 |
0,829 |
|
| 1520 |
1470 |
6,3 |
0,778 |
0,609 |
0,876 |
|
| 1600 |
1680 |
1648 |
1,0 |
0,601 |
0,456 |
0,756 |
| 1,6 |
||||||
| 1706 |
1674 |
2,5 |
0,611 |
0,463 |
0,748 |
|
| 1706 |
1656 |
4,0 |
0,611 |
0,463 |
0,748 |
|
Закінчення таблиці Е.2
| Діаметр апарата D |
D 1 |
D 2 |
Тиск номінальний PN , МПа |
Маса, кг |
||
| Матеріал оболонки |
||||||
| сталь |
алюміній |
латунь |
||||
| 1600 |
1730 |
1680 |
6,3 |
0,723 |
0,575 |
0,794 |
| 1800 |
1881 |
1849 |
1,0 |
0,673 |
0,511 |
0,825 |
| 1,6 |
||||||
| 1908 |
1876 |
2,5 |
0,683 |
0,518 |
0,837 |
|
| 2000 |
2084 |
2044 |
1,0 |
0,908 |
0,677 |
1,130 |
| 1,6 |
||||||
| 2114 |
2074 |
2,5 |
0,919 |
0,689 |
1,156 |
|
| 2200 |
2284 |
2244 |
1,0 |
0,993 |
0.742 |
1,245 |
| 1,6 |
||||||
| 2400 |
2488 |
2448 |
1,0 |
1,066 |
0,791 |
1,318 |
| 1,6 |
||||||
| 2600 |
2693 |
2657 |
1,0 |
1,174 |
0,880 |
1,469 |
| 2698 |
2662 |
1,6 |
||||
| 2800 |
2693 |
2857 |
1,0 |
1,285 |
0,949 |
1,572 |
| 2902 |
2866 |
1,6 |
||||
| 3000 |
3104 |
3064 |
1,0 |
1,380 |
1,015 |
1,686 |
| 1,6 |
||||||
| 3200 |
3304 |
3264 |
1,0 |
1,464 |
1,080 |
1,798 |
| 1,6 |
||||||
| 3400 |
3504 |
3464 |
1,0 |
1,529 |
1,144 |
1,908 |
| 3600 |
3704 |
3664 |
1,0 |
1,630 |
1,218 |
2,020 |
| 3800 |
3914 |
3874 |
1,0 |
1,714 |
1,282 |
2,144 |
| 4000 |
4114 |
4074 |
1,0 |
1,800 |
1,356 |
2,242 |
Таблиця Е.3 – Матеріал оболонок прокладок
| Шифр |
Оболонка прокладки |
Розрахункова температура, °С |
|
| Матеріал |
Товщина, мм |
||
| 1 |
Стрічка АД0М или АД1М ГОСТ 13726-78 |
0,3 |
до плюс 425 |
| 2 |
Стрічка НМЛ63 ГОСТ 2208-75 |
||
| 3 |
Стрічка М-НТ-12Х13 ГОСТ 4986-79 |
0,2 |
до плюс 450 |
| 4 |
Стрічка М-НТ-08Х18Н10Т ГОСТ 4986-79 |
до плюс 475 |
Приклад умовного позначення прокладки з оболонкою із алюмінію діаметром 600 мм на номінальний (умовний) тиск PN 1,6 МПа:
Прокладка 600-1,6-1 ГОСТ 28759.7-90 .
Прокладки металеві восьмикутного перерізу [35]
Рисунок Е.3 – Прокладка металева восьмикутного перерізу
Таблица Е.4 – Прокладки металеві восьмикутного перерізу
Розміри в міліметрах
| Діаметр апарата D |
D 1 |
B |
S |
C |
R |
Тиск номінальний PN , МПа |
Маса, кг |
| 400 |
430 |
12 |
16 |
7 |
1,6 |
6,3 |
2,00 |
| 475 |
8,0 |
2,05 |
|||||
| 10,0 |
|||||||
| 20 |
25 |
9 |
16,0 |
5,20 |
|||
| 500 |
560 |
12 |
16 |
7 |
6,3 |
2,40 |
|
| 575 |
16 |
20 |
8 |
8,0 |
4,10 |
||
| 10,0 |
|||||||
| 24 |
30 |
12 |
2,4 |
16,0 |
9,25 |
||
| 600 |
685 |
14 |
18 |
8 |
1,6 |
6,3 |
4,00 |
| 675 |
18 |
23 |
8,0 |
6,10 |
|||
| 10,0 |
|||||||
| 26 |
32 |
13 |
2,4 |
16,0 |
12,55 |
||
| 800 |
890 |
18 |
23 |
8 |
1,6 |
6,3 |
8,10 |
| 875 |
22 |
26 |
10 |
8,0 |
11,15 |
||
| 10,0 |
|||||||
| 910 |
36 |
42 |
16 |
2,4 |
16,0 |
30,70 |
|
| 1000 |
1070 |
22 |
26 |
10 |
1,6 |
6,3 |
14,30 |
| 1090 |
28 |
34 |
14 |
2,4 |
8,0 |
23,30 |
|
| 10,0 |
|||||||
| 1120 |
42 |
50 |
18 |
16,0 |
52,00 |
Закінчення таблиці Е.4
Розміри в міліметрах
| Діаметр апарата D |
D 1 |
B |
S |
C |
R |
Тиск номінальний PN , МПа |
Маса, кг |
| 1200 |
1280 |
24 |
30 |
12 |
2,4 |
6,3 |
21,50 |
| 1290 |
32 |
38 |
16 |
8,0 |
35,40 |
||
| 10,0 |
|||||||
| 1350 |
50 |
58 |
20 |
16,0 |
86,30 |
||
| 1400 |
1460 |
27 |
34 |
14 |
6,3 |
47,25 |
|
| 1500 |
38 |
44 |
16 |
8,0 |
55,65 |
||
| 10,0 |
|||||||
| 1600 |
1705 |
30 |
36 |
15 |
6,3 |
43,50 |
|
| 1710 |
42 |
50 |
18 |
8,0 |
79,40 |
||
| 10,0 |
Таблиця Е.5 – Матеріали металевих прокладок восьмикутного перерізу
| Шифр |
Матеріал прокладки |
| 1 |
Сталь 08кп за ГОСТ 1577-81 або ГОСТ 11036-75 |
| 2 |
Сталь 08Х13 за ГОСТ 7350-77 або ГОСТ 5949-75 |
| 3 |
Сталь 08Х18Н10 за ГОСТ 7350-77 або ГОСТ 5949-75 |
Приклад умовного позначення прокладки для фланця діаметром 800 мм на номінальний (умовний) тиск PN 8,0 МПа зі сталі марки 08Х13:
Прокладка 800-8,0-2 ГОСТ 28759.8-90.
Прокладки спірально-навиті [38]
1 – стрічка металева; 2 – стрічка наповнювача
Рисунок Е.4 – Прокладка спірально-навита типу А (NF)
Таблиця Е.6 – СНП типу А (NF) для фланців посудин та апаратів з ущільнювальними поверхнями типу “шип-паз”
Розміри в міліметрах
| Діаметр апарата D |
d2 |
d3 |
d2 |
d3 |
d2 |
d3 |
d2 |
d3 |
| при номінальному (умовному) тиску PN , МПа |
||||||||
| 1,6 |
2,5 |
4,0 |
6,3 |
|||||
| 400 |
453 |
457 |
433 |
457 |
429 |
457 |
429 |
457 |
| 500 |
539 |
563 |
539 |
563 |
529 |
557 |
529 |
557 |
| 600 |
639 |
663 |
639 |
663 |
629 |
657 |
641 |
669 |
| 800 |
841 |
865 |
851 |
875 |
833 |
869 |
848 |
884 |
| 1000 |
1037 |
1065 |
1051 |
1079 |
1038 |
1074 |
1058 |
1094 |
1 – стрічка металева; 2 – стрічка наповнювача; 3 – внутрішнє кільце Рисунок Е.5 – Прокладка спірально-навита типу В (VRI)
Таблиця Е.7 – СНП типу В (VRI) для фланців посудин та апаратів з ущільнювальними поверхнями типу “виступ-западина”
Розміри в міліметрах
| Діаметр апарата D |
d1 |
d2 |
d3 |
d1 |
d2 |
d3 |
d1 |
d2 |
d3 |
d1 |
d2 |
d3 |
| при номінальному (умовному) тиску PN МПа |
||||||||||||
| 1,6 |
2,5 |
4,0 |
6,3 |
|||||||||
| 400 |
408 |
433 |
457 |
408 |
433 |
457 |
404 |
429 |
457 |
404 |
429 |
457 |
| 500 |
514 |
539 |
563 |
514 |
539 |
563 |
504 |
529 |
557 |
504 |
529 |
557 |
| 600 |
614 |
639 |
663 |
614 |
639 |
663 |
604 |
629 |
657 |
616 |
641 |
669 |
| 800 |
811 |
841 |
865 |
821 |
851 |
875 |
803 |
833 |
869 |
818 |
848 |
884 |
| 1000 |
1002 |
1037 |
1065 |
1016 |
1051 |
1079 |
1003 |
1038 |
1074 |
1023 |
1058 |
1094 |
Приклад умовного позначення прокладки з номінальнім розміром DN 500 мм типу В з видом наповнювача 1, з внутрішнім діаметром каркаса 539 мм, на номінальний тиск PN 1,6 МПа, товщиною металевого каркаса 4,5 мм:
СНП В-1-539-1,6-4,5 ОСТ 26.260.454-99.
ДОДАТОК Ж Прокладки фланцевих з’єднань арматури, з’єднувальних частин та трубопроводів Прокладки плоскі еластичні [25]
Виповнення прокладок залежно від виповнення ущільнювальних поверхонь фланців наведені в таблиці Ж.1.
Вибір прокладок залежно від номінального розміру (умовного проходу) та номінального (умовного) тиску наведено в таблиці Ж.2.
Таблиця Ж.1 – Виповнення прокладок
| Виповнення прокладок |
Виповнення ущільнювальних поверхонь за ГОСТ 12815-80 |
Рисунки фланцевих з’єднань |
| А |
1 |
|
| Б |
2; 3 |
|
Продовження таблиці Ж.1
| Виповнення прокладок |
Виповнення ущільнювальних поверхонь за ГОСТ 12815-80 |
Рисунки фланцевих з’єднань |
| В |
4; 5 |
|
| Г |
8; 9 |
|
Закінчення таблиці Ж.1
| Виповнення прокладок |
Виповнення ущільнювальних поверхонь за ГОСТ 12815-80 |
Рисунок фланцевого з’єднання |
| Д |
1; 5 |
|
Таблиця Ж.2 – Вибір прокладок
| Виповнення прокладки |
Тиск номінальний (умовний) PN , МПа |
Номінальний розмір (умовний прохід) DN , мм |
| А |
0,1; 0,25 |
10-3000 |
| 0,63 |
10-2400 |
|
| 1,0 |
10-2000 |
|
| 1,6 |
10-1600 |
|
| 2,5 |
10-1400 |
|
| 4,0 |
10-1200 |
|
| Б, В, Г |
0,1-4,0 |
10-800 |
| 6,3 |
10-600 |
|
| 10 |
10-400 |
|
| 16 |
15-300 |
|
| Г |
20 |
15-250 |
| Д |
0,1-0,63 |
40-800 |
| 1,0-4,0 |
25-800 |
|
| 6,3 |
25-600 |
|
| 10 |
25-400 |
|
| 16 |
25-300 |
|
| 20 |
25-250 |
|
| Примітка – Марку матеріалу і межі застосування прокладок залежно від властивостей робочого середовища, тиску та температури слід вибирати за таблицями Д.1 і Д.2 додатку Д. |
||
Конструкції та розміри прокладок, які виготовляються з пароніту, гуми та картону, наведені на рисунку Ж.1 і в таблицях Ж.3-Ж.5 і Ж.8.
Рисунок Ж.1 – Прокладки плоскі еластичні виповнень А, Б, В Таблиця Ж.3 – Прокладки виповнення А
Розміри в міліметрах
| Номінальний розмір DN |
Тиск номінальний (умовний) PN , МПа |
Зовнішній діаметр прокладки D |
Внутрішній діаметр прокладки d |
Маса 1000 шт., кг |
| 10 |
0,1-0,63 |
38 |
14 |
4,0 |
| 1,0-4,0 |
45 |
6,0 |
||
| 15 |
0,1-0,63 |
43 |
20 |
5,0 |
| 1,0-4,0 |
50 |
7,0 |
||
| 20 |
0,1-0,63 |
53 |
25 |
7,0 |
| 1,0-4,0 |
60 |
9,0 |
||
| 25 |
0,1-0,63 |
63 |
29 |
10,0 |
| 1,0-4,0 |
69 |
13,0 |
||
| 32 |
0,1-0,63 |
75 |
38 |
13,0 |
| 1,0-4,0 |
81 |
16,0 |
||
| 40 |
0,1-0,63 |
85 |
45 |
17,0 |
| 1,0-4,0 |
91 |
20,0 |
||
| 50 |
0,1-0,63 |
95 |
57 |
18,0 |
| 1,0-4,0 |
106 |
26,0 |
||
| 65 |
0,1-0,63 |
115 |
75 |
24,0 |
| 1,0-4,0 |
126 |
33,0 |
||
| 80 |
0,1-0,63 |
132 |
87 |
32,0 |
| 1,0-4,0 |
141 |
40,0 |
||
| 100 |
0,1-0,63 |
151 |
106 |
37,0 |
| 1,0; 1,6 |
161 |
47,0 |
||
| 2,5-4,0 |
166 |
52,0 |
||
| 125 |
0,1-0,63 |
181 |
132 |
49,0 |
| 1,0; 1,6 |
191 |
61,0 |
||
| 2,5-4,0 |
222 |
75,0 |
||
| 150 |
0,1-0,63 |
206 |
161 |
53,0 |
Продовження таблиці Ж.3
Розміри в міліметрах
| Номінальний розмір DN |
Тиск номінальний (умовний) PN , МПа |
Зовнішній діаметр прокладки D |
Внутрішній діаметр прокладки d |
Маса 1000 шт., кг |
| 150 |
1,0-1,6 |
216 |
161 |
66,0 |
| 2,5-4,0 |
222 |
75,0 |
||
| 200 |
0,1-0,63 |
261 |
216 |
69,0 |
| 1,0; 1,6 |
271 |
86,0 |
||
| 2,5 |
282 |
105,0 |
||
| 4,0 |
288 |
116,0 |
||
| 250 |
0,1-0,63 |
318 |
264 |
101,0 |
| 1,0-1,6 |
327 |
120,0 |
||
| 2,5 |
338 |
143,0 |
||
| 4,0 |
350 |
170,0 |
||
| 300 |
0,1-0,63 |
372 |
318 |
119,0 |
| 1,0 |
376 |
129,0 |
||
| 1,6 |
382 |
144,0 |
||
| 2,5 |
398 |
183,0 |
||
| 4,0 |
415 |
228,0 |
||
| 350 |
0,1-0,63 |
421 |
372 |
125,0 |
| 1,0 |
436 |
166,0 |
||
| 1,6 |
442 |
183,0 |
||
| 2,5 |
455 |
220,0 |
||
| 4,0 |
475 |
280,0 |
||
| 400 |
0,1-0,63 |
473 |
421 |
149,0 |
| 1,0 |
487 |
192,0 |
||
| 1,6 |
495 |
211,0 |
||
| 2,5 |
515 |
282,0 |
||
| 4,0 |
543 |
377,0 |
||
| 450 |
0,1-0,63 |
528 |
473 |
173,0 |
| 1,0 |
537 |
203,0 |
||
| 1,6 |
553 |
258,0 |
||
| 2,5 |
565 |
300,0 |
||
| 4,0 |
568 |
311,0 |
||
| 500 |
0,1-0,63 |
576 |
528 |
165,0 |
| 1,0 |
592 |
210,0 |
||
| 1,6 |
615 |
312,0 |
||
| 2,5-4,0 |
620 |
332,0 |
||
| 600 |
0,1-0,63 |
677 |
620 |
232,0 |
| 1,0 |
693 |
301,0 |
||
| 1,6 |
728 |
457,0 |
Закінчення таблиці Ж.3
Розміри в міліметрах
| Номінальний розмір DN |
Тиск номінальний (умовний) PN , МПа |
Зовнішній діаметр прокладки D |
Внутрішній діаметр прокладки d |
Маса 1000 шт., кг |
| 600 |
2,5-4,0 |
739 |
.620 |
508,0 |
| 800 |
0,1-0,63 |
888 |
820 |
365,0 |
| 1,0 |
915 |
517,0 |
||
| 1,6 |
908 |
478,0 |
||
| 2,5 |
942 |
675,0 |
||
| 4,0 |
970 |
843,0 |
||
| 1000 |
0,1-0,63 |
1088 |
1020 |
450,0 |
| 1,0 |
1125 |
707,0 |
||
| 1,6 |
1122 |
686,0 |
||
| 2,5 |
1150 |
886,0 |
||
| 4,0 |
1190 |
1180,0 |
||
| 1200 |
0,1-0,25 |
1288 |
1220 |
536,0 |
| 0,63 |
1305 |
674,0 |
||
| 1,0 |
1338 |
948,0 |
||
| 1,6 |
1334 |
914,0 |
||
| 2,5 |
1360 |
1134,0 |
||
| 4,0 |
1394 |
1428,0 |
Таблиця Ж.4 – Прокладки виповнення Б
Розміри в міліметрах
| Номінальний розмір DN |
Тиск номінальний (умовний) PN , МПа |
Зовнішній діаметр прокладки D |
Внутрішній діаметр прокладки d |
Маса 1000 шт., кг |
| 10 |
0,1-0,63 |
29 |
14 |
2,0 |
| 1,0-10,0 |
34 |
3,0 |
||
| 15 |
0,1-0,63 |
33 |
20 |
2,0 |
| 1,0-16,0 |
39 |
4,0 |
||
| 20 |
0,1-0,63 |
43 |
25 |
4,0 |
| 1,0-16,0 |
50 |
6,0 |
||
| 25 |
0,1-0,63 |
51 |
29 |
6,0 |
| 1,0-16,0 |
57 |
8,0 |
||
| 32 |
0,1-0,63 |
59 |
38 |
7,0 |
| 1,0-16,0 |
65 |
9,0 |
||
| 40 |
0,1-0,63 |
69 |
45 |
9,0 |
| 1,0-16,0 |
75 |
11,0 |
||
| 50 |
0,1-0,63 |
80 |
57 |
10,0 |
Закінчення таблиці Ж.4
Розміри в міліметрах
| Номінальний розмір DN |
Тиск номінальний (умовний) PN , МПа |
Зовнішній діаметр прокладки D |
Внутрішній діаметр прокладки d |
Маса 1000 шт., кг |
| 50 |
1,0-16,0 |
87 |
57 |
14,0 |
| 65 |
0,1-0,63 |
100 |
75 |
14,0 |
| 1,0-16,0 |
109 |
20,0 |
||
| 80 |
0,1-0,63 |
115 |
87 |
18,0 |
| 1,0-16,0 |
120 |
22,0 |
||
| 100 |
0,1-0,63 |
137 |
106 |
24,0 |
| 1,0-16,0 |
149 |
35,0 |
||
| 125 |
0,1-0,63 |
166 |
132 |
33,0 |
| 1,0-16,0 |
175 |
42,0 |
||
| 150 |
0,1-0,63 |
191 |
161 |
34,0 |
| 1,0-16,0 |
203 |
49,0 |
||
| 200 |
0,1-0,63 |
249 |
216 |
49,0 |
| 1,0-16,0 |
259 |
66,0 |
||
| 250 |
0,1-0,63 |
303 |
264 |
72,0 |
| 1,0-16,0 |
312 |
89,0 |
||
| 300 |
0,1-0,63 |
356 |
318 |
82,0 |
| 1,0-16,0 |
363 |
98,0 |
||
| 350 |
0,1-0,63 |
406 |
372 |
85,0 |
| 1,0-10,0 |
421 |
125,0 |
||
| 400 |
0,1-0,63 |
456 |
421 |
98,0 |
| 1,0-10,0 |
473 |
149,0 |
||
| 500 |
0,1-0,63 |
561 |
528 |
113,0 |
| 1,0-6,3 |
575 |
163,0 |
||
| 600 |
0,1-0,63 |
661 |
620 |
165,0 |
| 1,0-6,3 |
677 |
232,0 |
||
| 800 |
0,1-0,63 |
867 |
820 |
249,0 |
| 1,0-4,0 |
877 |
304,0 |
Таблиця Ж.5 – Прокладки виповнення В
Розміри в міліметрах
| Номінальний розмір DN |
Тиск номінальний (умовний) PN , МПа |
Зовнішній діаметр прокладки D |
Внутрішній діаметр прокладки d |
Маса 1000 шт., кг |
| 10 |
0,1-0,63 |
29 |
19 |
2,0 |
| 1,0-10,0 |
34 |
24 |
||
| 15 |
0,1-0,63 |
33 |
23 |
Закінчення таблиці Ж.5
Розміри в міліметрах
| Номінальний розмір DN |
Тиск номінальний (умовний) PN , МПа |
Зовнішній діаметр прокладки D |
Внутрішній діаметр прокладки d |
Маса 1000 шт., кг |
| 15 |
1,0-16,0 |
39 |
29 |
2,0 |
| 20 |
0,1-0,63 |
43 |
33 |
3,0 |
| 1,0-16,0 |
50 |
36 |
4,0 |
|
| 25 |
0,1-0,63 |
51 |
41 |
3,0 |
| 1,0-16,0 |
57 |
43 |
4,0 |
|
| 32 |
0,1-0,63 |
59 |
49 |
3,0 |
| 1,0-16,0 |
65 |
51 |
5,0 |
|
| 40 |
0,1-0,63 |
69 |
55 |
6,0 |
| 1,0-16,0 |
75 |
61 |
||
| 50 |
0,1-0,63 |
80 |
66 |
7,0 |
| 1,0-16,0 |
87 |
73 |
||
| 65 |
0,1-0,63 |
100 |
86 |
8,0 |
| 1,0-16,0 |
109 |
95 |
9,0 |
|
| 80 |
0,1-0,63 |
115 |
101 |
10,0 |
| 1,0-16,0 |
120 |
106 |
||
| 100 |
0,1-0,63 |
137 |
117 |
16,0 |
| 1,0-16,0 |
149 |
129 |
18,0 |
|
| 125 |
0,1-0,63 |
166 |
146 |
20,0 |
| 1,0-16,0 |
175 |
155 |
21,0 |
|
| 150 |
0,1-0,63 |
191 |
171 |
23,0 |
| 1,0-16,0 |
203 |
183 |
25,0 |
|
| 200 |
0,1-0,63 |
249 |
229 |
31,0 |
| 1,0-16,0 |
259 |
239 |
32,0 |
|
| 250 |
0,1-0,63 |
303 |
283 |
37,0 |
| 1,0-16,0 |
312 |
292 |
39,0 |
|
| 300 |
0,1-0,63 |
356 |
336 |
44,0 |
| 1,0-16,0 |
363 |
343 |
45,0 |
|
| 350 |
0,1-0,63 |
406 |
386 |
51,0 |
| 1,0-10,0 |
421 |
395 |
68,0 |
|
| 400 |
0,1-0,63 |
456 |
436 |
57,0 |
| 1,0-10,0 |
473 |
447 |
77,0 |
|
| 500 |
0,1-0,63 |
561 |
541 |
69,2 |
| 1,0-6,3 |
575 |
549 |
92,0 |
|
| 600 |
0,1-0,63 |
661 |
635 |
106,0 |
| 1,0-6,3 |
677 |
651 |
108,4 |
|
| 800 |
0,1-0,63 |
867 |
841 |
140,0 |
| 1,0-4,0 |
877 |
851 |
141,0 |
Конструкції та розміри прокладок, які виготовляються з фторопласту-4 і композиційних матеріалів на його основі, наведені на рисунках Ж.2, Ж.3 і в таблицях Ж.6, Ж.7.

Рисунок Ж.2 – Прокладки плоскі з фторопласту-4 і прокладкової стрічки марки ПН Таблиця Ж.6 – Прокладки виповнення Г
Розміри в міліметрах
| Номінальний розмір DN |
Тиск номінальний (умовний) PN , МПа |
Розміри прокладки |
Маса 1000 шт., кг |
||
| зовнішній діаметр D |
внутрішній діаметр d |
товщина S |
|||
| 10 |
0,1-0,63 |
30 |
18 |
1,0 |
1,0 |
| 1,0-10,0 |
35 |
23 |
1,2 |
||
| 15 |
0,1-0,63 |
34 |
22 |
1,1 |
|
| 1,0-20,0 |
40 |
28 |
1,4 |
||
| 20 |
0,1-0,63 |
44 |
32 |
1,6 |
|
| 1,0-20,0 |
51 |
35 |
2,4 |
||
| 25 |
0,1-0,63 |
52 |
40 |
1,9 |
|
| 1,0-20,0 |
58 |
42 |
2,8 |
||
| 32 |
0,1-0,63 |
60 |
48 |
2,2 |
|
| 1,0-20,0 |
66 |
50 |
3,2 |
||
| 40 |
0,1-0,63 |
70 |
54 |
2,0 |
6,9 |
| 1,0-20,0 |
76 |
60 |
7,5 |
||
| 50 |
0,1-0,63 |
81 |
65 |
8,1 |
|
| 1,0-20,0 |
88 |
72 |
8,8 |
||
| 65 |
0,1-0,63 |
101 |
85 |
10,3 |
|
| 1,0-20,0 |
110 |
94 |
11,3 |
||
| 80 |
0,1-0,63 |
116 |
100 |
11,9 |
|
| 1,0-20,0 |
121 |
105 |
12,5 |
||
| 100 |
0,1-0,63 |
138 |
116 |
19,4 |
|
| 1,0-20,0 |
150 |
128 |
21,0 |
||
| 125 |
0,1-0,63 |
167 |
145 |
23,7 |
|
| 1,0-20,0 |
176 |
154 |
25,0 |
||
Закінчення таблиці Ж.6
Розміри в міліметрах
| Номінальний розмір DN |
Тиск номінальний (умовний) PN , МПа |
Розміри прокладки |
Маса 1000 шт., кг |
||
| зовнішній діаметр D |
внутрішній діаметр d |
товщина S |
|||
| 150 |
0,1-0,63 |
192 |
170 |
2 |
27,5 |
| 1,0-20,0 |
204 |
182 |
29,3 |
||
| 200 |
0,1-0,63 |
250 |
228 |
36,3 |
|
| 1,0-20,0 |
260 |
238 |
37,8 |
||
| 250 |
0,1-0,63 |
304 |
282 |
44,5 |
|
| 1,0-20,0 |
313 |
291 |
46,0 |
||
| 300 |
0,1-0,63 |
357 |
335 |
52,6 |
|
| 1,0-16,0 |
364 |
342 |
53,6 |
||
| 350 |
0,1-0,63 |
407 |
385 |
3,0 |
86,1 |
| 1,0-10,0 |
422 |
394 |
122,8 |
||
| 400 |
0,1-0,63 |
457 |
435 |
3,0 |
101,7 |
| 1,0-10,0 |
474 |
446 |
133,5 |
||
| 500 |
0,1-0,63 |
562 |
540 |
126,0 |
|
| 1,0-6,3 |
576 |
548 |
163,0 |
||
Приклад умовного позначення прокладки для фланця на номінальний розмір (умовний прохід) DN 250 мм і номінальний (умовний) тиск PN 4,0 МПа з фторопласту-4:
Прокладка Г-250-40-Ф ГОСТ 15180-86.
Те ж, із прокладкової стрічки марки ПН:
Прокладка Г-250-40-ПН ГОСТ 15180-86.
Розміри заготовок прокладок із фторопластового ущільнювального матеріалу марки В (ФУМ-В) наведені на рисунку Ж.3 і в таблиці Ж.7.
Рисунок Ж.3 – Прокладки плоскі із фторопластового ущільнювального матеріалу марки В (ФУМ-В). Таблиця Ж.7 – Прокладки виповнення Г із фторопластового ущільнювального матеріалу марки В (ФУМ-В)
Розміри в міліметрах
| Номінальний розмір DN |
Тиск номінальний PN , МПа |
Діаметр прокладки |
Довжина заготовки |
Діаметр перерізу заготовки S |
Маса 1000 шт., кг |
||
| D 1 |
D 2 |
L 1 |
L 2 |
||||
| 10 |
0,1-0,63 |
30 |
18 |
94 |
57 |
2 |
1,1 |
| 1,0-6,3 |
35 |
23 |
100 |
72 |
1,3 |
||
| 15 |
0,1-0,63 |
34 |
22 |
107 |
69 |
1,2 |
|
| 1,0-6,3 |
40 |
28 |
126 |
88 |
1,5 |
||
| 20 |
0,1-0,63 |
44 |
32 |
138 |
101 |
1,7 |
|
| 1,0-6,3 |
51 |
35 |
160 |
110 |
1,9 |
||
| 25 |
0,1-0,63 |
52 |
40 |
163 |
126 |
2,0 |
|
| 1,0-6,3 |
58 |
42 |
182 |
132 |
2,2 |
||
| 32 |
0,1-0,63 |
60 |
48 |
188 |
151 |
2,3 |
|
| 1,0-6,3 |
66 |
50 |
207 |
157 |
2,5 |
||
| 40 |
0,1-0,63 |
70 |
54 |
220 |
170 |
2,7 |
|
| 1,0-6,3 |
76 |
60 |
239 |
188 |
3,0 |
||
| 50 |
0,1-0,63 |
81 |
65 |
254 |
204 |
3,2 |
|
| 1,0-6,3 |
88 |
72 |
276 |
226 |
3,5 |
||
| 65 |
0,1-0,63 |
101 |
85 |
317 |
267 |
4,0 |
|
| 1,0-6,3 |
110 |
94 |
345 |
295 |
4,4 |
||
| 80 |
0,1-0,63 |
116 |
100 |
364 |
314 |
4,7 |
|
| 1,0-6,3 |
121 |
105 |
380 |
330 |
4,9 |
||
| 100 |
0,1-0,63 |
138 |
116 |
433 |
364 |
3 |
12,4 |
| 1,0-6,3 |
150 |
128 |
471 |
402 |
3,6 |
||
Закінчення таблиці Ж.7
Розміри в міліметрах
| Номінальний розмір DN |
Тиск номінальний PN , МПа |
Діаметр прокладки |
Довжина заготовки |
Діаметр перерізу заготовки S |
Маса 1000 шт., кг |
||
| D 1 |
D 2 |
L 1 |
L 2 |
||||
| 125 |
0,1-0,63 |
167 |
145 |
524 |
455 |
3 |
15,2 |
| 1,0-6,3 |
176 |
154 |
553 |
484 |
16,1 |
||
| 150 |
0,1-0,63 |
192 |
170 |
603 |
534 |
17,7 |
|
| 1,0-6,3 |
204 |
182 |
641 |
572 |
18,9 |
||
| 200 |
0,1-0,63 |
250 |
228 |
785 |
716 |
23,3 |
|
| 1,0-6,3 |
260 |
238 |
816 |
746 |
24,3 |
||
| 250 |
0,1-0,63 |
304 |
282 |
955 |
886 |
28,6 |
|
| 1,0-6,3 |
313 |
291 |
983 |
914 |
29,5 |
||
| 300 |
0,1-0,63 |
357 |
335 |
1121 |
1052 |
33,8 |
|
| 1,0-6,3 |
364 |
342 |
1143 |
1074 |
34,5 |
||
| 350 |
0,1-0,63 |
407 |
385 |
1278 |
1209 |
38,7 |
|
| 1,0-6,3 |
422 |
394 |
1325 |
1237 |
40,0 |
||
| 400 |
0,1-0,63 |
457 |
435 |
1435 |
1366 |
43,5 |
|
| 1,0-6,3 |
474 |
446 |
1488 |
1400 |
45,0 |
||
| 500 |
0,1-0,63 |
562 |
540 |
1765 |
1696 |
53,8 |
|
| 1,0-6,3 |
576 |
548 |
1807 |
1721 |
55,0 |
||
| 600 |
0,1-0,63 |
662 |
634 |
2079 |
1991 |
63,3 |
|
| 1,0-6,3 |
678 |
650 |
2129 |
2041 |
65,0 |
||
| 700 |
0,1-0,63 |
764 |
736 |
2399 |
2311 |
4 |
130,1 |
| 1,0-4,0 |
778 |
750 |
2443 |
2355 |
132,6 |
||
| 800 |
0,1-0,63 |
864 |
840 |
2713 |
2638 |
148,0 |
|
| 1,0-4,0 |
878 |
850 |
2757 |
2669 |
150,0 |
||
При монтажі складеної прокладки із фторопластового ущільнювального матеріалу ФУМ заготовки довжиною L1 укладаються по діаметру D1 , довжиною L2 – по діаметру D 2 .
Приклад умовного позначення прокладки для фланця на умовний прохід (номінальний розмір) DN 350 мм і номінальний (умовний) тиск PN 4,0 МПа із матеріалу ФУМ марки В:
Прокладка Г-350-40-ФУМ-В ГОСТ 15180-86.
Розміри прокладок з пластини гумової листової типу 1 за ГОСТ 7338-77 наведені на рисунку Ж.2 і в таблиці Ж.8.
Таблиця Ж.8 – Прокладки виповнення Д
Розміри в міліметрах
| Номінальний розмір DN |
Тиск номінальний (умовний) PN , МПа |
Зовнішній діаметр прокладки D |
Внутрішній діаметр прокладки d |
Товщина прокладки S |
Маса 1000 шт., кг |
| 25 |
1,0-20,0 |
58 |
48 |
4 |
5,75 |
| 32 |
1,0-20,0 |
66 |
56 |
6,62 |
|
| 40 |
0,1-0,63 |
70 |
60 |
7,06 |
|
| 1,0-20,0 |
76 |
66 |
7,70 |
||
| 50 |
0,1-0,63 |
81 |
71 |
8,25 |
|
| 1,0-20,0 |
88 |
78 |
9,01 |
||
| 65 |
0,1-0,63 |
101 |
91 |
10,40 |
|
| 1,0-20,0 |
110 |
100 |
11,00 |
||
| 80 |
0,1-0,63 |
116 |
106 |
12,05 |
|
| 1,0-20,0 |
121 |
111 |
12,6 |
||
| 100 |
0,1-0,63 |
138 |
124 |
19,90 |
|
| 1,0-20,0 |
150 |
136 |
21,70 |
||
| 125 |
0,1-0,63 |
167 |
153 |
24,32 |
|
| 1,0-20,0 |
176 |
162 |
25,70 |
||
| 150 |
0,1-0,63 |
192 |
178 |
28,12 |
|
| 1,0-20,0 |
204 |
190 |
30,00 |
||
| 200 |
0,1-0,63 |
250 |
236 |
36,94 |
|
| 1,0-20,0 |
260 |
246 |
38,50 |
||
| 250 |
0,1-0,63 |
304 |
290 |
45,15 |
|
| 1,0-20,0 |
313 |
299 |
46,50 |
||
| 300 |
0,1-0,63 |
357 |
345 |
6 |
68,60 |
| 1,0-16,0 |
364 |
352 |
70,00 |
||
| 350 |
0,1-0,63 |
407 |
395 |
78,40 |
|
| 1,0-10,0 |
422 |
406 |
107,90 |
||
| 400 |
0,1-0,63 |
457 |
445 |
88,2 |
|
| 1,0-10,0 |
474 |
458 |
121,4 |
||
| 500 |
0,1-0,63 |
562 |
550 |
108,7 |
|
| 1,0-6,3 |
576 |
560 |
148,0 |
||
| 600 |
0,1-0,63 |
662 |
644 |
7 |
223,34 |
| 1,0-6,3 |
678 |
660 |
228,8 |
||
| 700 |
0,1-0,63 |
764 |
746 |
258,2 |
|
| 1,0-4,0 |
778 |
760 |
263,0 |
||
| 800 |
0,1-0,63 |
868 |
850 |
293,8 |
|
| 1,0-4,0 |
878 |
860 |
297,2 |
Приклад умовного позначення прокладки для фланця на номінальний розмір (умовний прохід) DN 100 мм і номінальний (умовний) тиск PN 4,0 МПа із гуми марки ТКМЩ середньої твердості:
Прокладка Д-100-40-ТМКЩ-С ГОСТ 15180-86. Прокладки азбометалеві [39]
Прокладки азбометалеві для фланців арматури за конструкцією та розмірами виготовляють двох типів:
– тип 1 (плоскі, рисунок Ж.4, таблиця Ж.9);
– тип 2 (гофровані, рисунок Ж.5, таблиця Ж.10).
Рисунок Ж.4 – Прокладка плоска азбометалева (тип 1)
Товщина прокладки складає: b1,6 мм
– для прокладки з оболонкою зі сталі; b2 мм
– для прокладки з оболонкою з кольорових металів (міді, латуні, алюмінію).
Рисунок Ж.5 – Прокладка гофрована азбометалева (тип 2)
Таблиця Ж.9 – Прокладки азбометалеві плоскі для фланців арматури (тип 1)
| Номінальний розмір DN , мм |
Тиск номінальний (умовний) PN , МПа |
Тип ущільнювальної поверхні фланцевого з’єднання |
Номер прокладки |
D , мм |
d , мм |
Маса прокладок, кг |
|||
| азбосталевих |
азбоалюмінієвих |
азбомідних |
азболатунних |
||||||
| 10 |
2,5; 4,0; 6,3 |
„виступ-западина” |
1 |
34 |
14 |
0,005 |
0,003 |
0,006 |
0,006 |
| 2,5 |
з’єднувальний виступ |
2 |
39 |
20 |
0,007 |
0,004 |
0,008 |
0,008 |
|
| 15 |
2,5; 4,0; 6,3 |
„виступ-западина” |
|||||||
| 2,5 |
з’єднувальний виступ |
3 |
45 |
25 |
0,008 |
0,005 |
0,010 |
0,010 |
|
| 20 |
2,5; 4,0; 6,3 |
„виступ-западина” |
4 |
50 |
0,010 |
0,006 |
0,013 |
0,013 |
|
| 2,5 |
з’єднувальний виступ |
5 |
57 |
30 |
0,012 |
0,007 |
0,015 |
0,014 |
|
| 25 |
2,5; 4,0; 6,3 |
„виступ-западина” |
|||||||
| 2,5 |
з’єднувальний виступ |
6 |
65 |
38 |
0,015 |
0,009 |
0,020 |
0,019 |
|
| 32 |
2,5; 4,0; 6,3 |
„виступ-западина” |
|||||||
| 2,5 |
з’єднувальний виступ |
7 |
75 |
45 |
0,018 |
0,011 |
0,024 |
0,023 |
|
| 40 |
2,5; 4,0; 6,3 |
„виступ-западина” |
|||||||
| 2,5 |
з’єднувальний виступ |
8 |
88 |
58 |
0,022 |
0,013 |
0,028 |
0,027 |
|
| 50 |
1,0-6,3 |
„виступ-западина” |
|||||||
| 1,0; 1,6; 2,5 |
з’єднувальний виступ |
9 |
102 |
72 |
0,027 |
0,016 |
0,035 |
0,034 |
|
| 65 |
2,5; 4,0; 6,3 |
„виступ-западина” |
10 |
109 |
79 |
0,032 |
0,019 |
0,040 |
0,038 |
| 2,5 |
з’єднувальний виступ |
11 |
120 |
90 |
0,034 |
0,020 |
0,45 |
0,043 |
|
| 80 |
2,5; 4,0; 6,3 |
„виступ-западина” |
|||||||
| 2,5 |
з’єднувальний виступ |
12 |
138 |
108 |
0,038 |
0,023 |
0,050 |
0,048 |
|
| 100 |
1,0-6,3 |
„виступ-западина” |
13 |
149 |
119 |
0,042 |
0,025 |
0,055 |
0,053 |
| 1,0; 1,6; 2,5 |
з’єднувальний виступ |
14 |
158 |
128 |
0,045 |
0,027 |
0,060 |
0,058 |
|
| 125 |
1,0-6,3 |
„виступ-западина” |
15 |
175 |
145 |
0,050 |
0,030 |
0,065 |
0,063 |
| 1,0; 1,6; 2,5 |
з’єднувальний виступ |
16 |
188 |
158 |
0,053 |
0,032 |
0,070 |
0,067 |
|
Закінчення таблиці Ж.9
| Номінальний розмір DN , мм |
Тиск номінальний (умовний) PN , МПа |
Тип ущільнювальної поверхні фланцевого з’єднання |
Номер прокладки |
D , мм |
d , мм |
Маса, кг |
|||
| азбосталевих |
азбоалюмінієвих |
азбомідних |
азболатунних |
||||||
| 150 |
1,0-6,3 |
„виступ-западина” |
17 |
203 |
173 |
0,059 |
0,035 |
0,075 |
0,072 |
| 1,0; 1,6; 2,5 |
з’єднувальний виступ |
18 |
212 |
182 |
0,060 |
0,036 |
0,078 |
0,074 |
|
| 200 |
1,0-6,3 |
„виступ-западина” |
19 |
259 |
229 |
0,076 |
0,045 |
0,095 |
0,090 |
| 1,0; 1,6; 2,5 |
з’єднувальний виступ |
20 |
268 |
238 |
0,079 |
0,047 |
0,100 |
0,095 |
|
| 250 |
1,0-6,3 |
„виступ-западина” |
21 |
312 |
282 |
0,090 |
0,055 |
0,118 |
0,112 |
| 1,0; 1,6; 2,5 |
з’єднувальний виступ |
22 |
320 |
290 |
0,094 |
0,056 |
0,120 |
0,115 |
|
| 300 |
1,0-6,3 |
„виступ-западина” |
23 |
363 |
333 |
0,108 |
0,064 |
0,135 |
0,130 |
| 1,0; 1,6; 2,5 |
з’єднувальний виступ |
24 |
370 |
340 |
0,112 |
0,066 |
0,140 |
0,135 |
|
| 350 |
1,0-6,3 |
„виступ-западина” |
25 |
421 |
391 |
0,126 |
0,075 |
0,160 |
0,153 |
| 1,0; 1,6; 2,5 |
з’єднувальний виступ |
26 |
430 |
400 |
0,129 |
0,077 |
0,165 |
0,158 |
|
| 400 |
1,0-6,3 |
„виступ-западина” |
27 |
473 |
443 |
0,143 |
0,085 |
0,180 |
0,173 |
| 1,0; 1,6; 2,5 |
з’єднувальний виступ |
28 |
482 |
452 |
0,144 |
0,086 |
0,185 |
0,178 |
|
| 500 |
1,0-6,3 |
„виступ-западина” |
29 |
575 |
545 |
0,174 |
0,103 |
0,215 |
0,206 |
| 1,0 |
з’єднувальний виступ |
30 |
585 |
555 |
0,177 |
0,105 |
0,220 |
0,210 |
|
| 1,6; 2,5 |
31 |
610 |
580 |
0,185 |
0,110 |
0,230 |
0,220 |
||
| 600 |
1,0 |
з’єднувальний виступ |
32 |
685 |
655 |
0,209 |
0,124 |
0,260 |
0,250 |
| 1,6 |
33 |
720 |
690 |
0,220 |
0,131 |
0,275 |
0,264 |
||
Таблиця Ж.10 – Прокладки азбометалеві гофровані для фланців арматури (тип 2)
| Номінальний розмір DN , мм |
Номінальний (умовний) тиск PN , МПа |
Тип ущільнювальної поверхні фланцевого з’єднання |
Номер прокладки |
D , мм |
d , мм |
Маса, кг |
|||
| азбосталевих |
азбоалюмінієвих |
азбомідних |
азболатунних |
||||||
| 40 |
2,5 |
„виступ-западина” |
8 |
88 |
54 |
0,023 |
0,015 |
0,032 |
0,031 |
| 50 |
1,6-6,3 |
з’єднувальний виступ |
|||||||
| 2,5 |
„виступ-западина” |
9 |
102 |
64 |
0,028 |
0,019 |
0,040 |
0,039 |
|
| 65 |
2,5; 4,0; 6,3 |
з’єднувальний виступ |
10 |
109 |
68 |
0,031 |
0,021 |
0,045 |
0,043 |
| 2,5 |
„виступ-западина” |
11 |
120 |
82 |
0,037 |
0,025 |
0,053 |
0,051 |
|
| 80 |
2,5; 4,0; 6,3 |
з’єднувальний виступ |
|||||||
| 2,5 |
„виступ-западина” |
12 |
138 |
92 |
0,045 |
0,031 |
0,065 |
0,063 |
|
| 100 |
2,5; 4,0; 6,3 |
з’єднувальний виступ |
13 |
149 |
100 |
0,050 |
0,034 |
0,072 |
0,069 |
| 1,6; 2,5 |
„виступ-западина” |
14 |
158 |
118 |
0,049 |
0,033 |
0,070 |
0,067 |
|
| 125 |
2,5; 4,0; 6,3 |
з’єднувальний виступ |
15 |
175 |
126 |
0,059 |
0,041 |
0,085 |
0,082 |
| 2,5 |
„виступ-западина” |
16 |
188 |
145 |
0,056 |
0,039 |
0,080 |
0,077 |
|
| 150 |
1,6-6,3 |
з’єднувальний виступ |
17 |
203 |
148 |
0,078 |
0,054 |
0,112 |
0,110 |
| 1,6; 2,5 |
„виступ-западина” |
18 |
212 |
172 |
0,069 |
0,047 |
0,100 |
0,096 |
|
| 200 |
1,6-6,3 |
з’єднувальний виступ |
19 |
259 |
206 |
0,100 |
0,074 |
0,154 |
0,148 |
| 1,6; 2,5 |
„виступ-западина” |
20 |
268 |
224 |
0,098 |
0,067 |
0,140 |
0,135 |
|
| 250 |
1,6-6,3 |
з’єднувальний виступ |
21 |
312 |
258 |
0,133 |
0,093 |
0,190 |
0,183 |
| 1,6; 2,5 |
„виступ-западина” |
22 |
320 |
278 |
0,112 |
0,077 |
0,160 |
0,154 |
|
| 300 |
1,6-6,3 |
з’єднувальний виступ |
23 |
363 |
308 |
0,160 |
0,110 |
0,230 |
0,220 |
| 1,6; 2,5 |
„виступ-западина” |
24 |
370 |
330 |
0,126 |
0,086 |
0,180 |
0,173 |
|
Матеріал оболонок прокладок вибирають у кожному окремому випадку залежно від умов експлуатації.
Матеріал наповнювача прокладок – картон азбестовий за ГОСТ 285080 або папір азбестовий за ГОСТ 23779-79.
Матеріал оболонок прокладок наведено в таблиці Ж.11.
Таблиця Ж.11 – Матеріал оболонок прокладок
| Шифр матеріалу |
Оболонка |
||
| Матеріал |
Товщина S , мм |
Розрахункова температура, °С |
|
| 1 |
Стрічка AД0M або AД1M ГОСТ 13726-97 |
0,3 |
до плюс 425 |
| 2 |
Стрічка AД0M або AД1M ГОСТ 21631-76 |
||
| 3 |
Стрічка НМЛ63 ГОСТ 2208-91 |
||
| 4 |
Стрічка М1 або М3 ГОСТ 1173-93 |
до плюс 315 |
|
| 5 |
Стрічка М-НТ-12Х13 ГОСТ 4986-79 |
0,2 |
до плюс 450 |
| 6 |
Стрічка М-НТ-08Х18Н10Т ГОСТ 4986-79 |
до плюс 475 |
Приклад умовного позначення прокладки типу 1 №11 з оболонкою з алюмінію (шифр 1):
Прокладка 1-11-1 ОСТУ 26.260.463-99.
Те ж, з оболонкою із міді (шифр 4):
Прокладка 1-11-4 ОСТ 26.260.463-99.
Приклад умовного позначення прокладки типу 2 № 11 з оболонкою з алюмінію (шифр 1):
Прокладка 2-11-1 ОСТУ 26.260.463-99.
Те ж, з оболонкою з міді (шифр 4):
Прокладка 2-11-4 ОСТ 26.260.463-99.
Прокладки спірально-навиті [38]
Товщина СНП по металевому каркасу S 1 дорівнює 4,5 і 3,2 мм.
Товщина внутрішніх і зовнішніх обмежувальних кілець S 2 дорівнює 3,0 і 2,4 мм.
Конструкція спірально-навитих прокладок типу А (NF) наведена на рисунку Ж.6 і в таблиці Ж.12
Рисунок Ж.6 – Прокладка спірально-навита типів А (NF) і Б (VR)
Таблиця Ж.12 – СНП типу А (NF) для фланцевих з’єднань арматури і трубопроводів з ущільнювальними поверхнями типу „шип-паз”
Розміри в міліметрах
| Номінальний розмір DN , мм |
d 2 |
d 3 |
||||||
| при номінальному (умовному) тиску PN , МПа |
||||||||
| 0,6 |
1,6-20,0 |
0,6 |
1,6-4,0 |
6,3 |
10,0 |
16,0 |
20,0 |
|
| 10 |
19 |
24 |
29 |
34 |
34 |
34 |
- |
- |
| 15 |
23 |
29 |
33 |
39 |
39 |
39 |
39 |
39 |
| 20 |
33 |
36 |
43 |
50 |
50 |
50 |
50 |
50 |
| 25 |
41 |
43 |
51 |
57 |
57 |
57 |
57 |
57 |
| 32 |
49 |
51 |
59 |
65 |
65 |
65 |
65 |
65 |
| 40 |
55 |
61 |
69 |
75 |
75 |
75 |
75 |
75 |
| 50 |
66 |
73 |
80 |
87 |
87 |
87 |
87 |
87 |
| 65 |
86 |
95 |
100 |
109 |
109 |
109 |
109 |
109 |
| 80 |
101 |
106 |
115 |
120 |
120 |
120 |
120 |
120 |
| 100 |
117 |
129 |
137 |
149 |
149 |
149 |
149 |
149 |
| 125 |
146 |
155 |
166 |
175 |
175 |
175 |
175 |
175 |
| 150 |
171 |
183 |
191 |
203 |
203 |
203 |
203 |
203 |
| 200 |
229 |
239 |
249 |
259 |
259 |
259 |
259 |
259 |
| 250 |
283 |
292 |
303 |
312 |
312 |
312 |
312 |
312 |
| 300 |
336 |
343 |
356 |
363 |
363 |
363 |
363 |
- |
| 350 |
386 |
395 |
406 |
421 |
421 |
421 |
- |
- |
| 400 |
436 |
447 |
456 |
473 |
473 |
473 |
- |
- |
| 500 |
541 |
549 |
561 |
575 |
575 |
- |
- |
- |
| 600 |
635 |
651 |
661 |
677 |
677 |
- |
- |
- |
| 800 |
841 |
851 |
867 |
877 |
- |
- |
- |
- |
Конструкція спірально-навитих прокладок типу Б (VR) наведена на рисунку Ж.6 і в таблиці Ж.13.
Таблиця Ж.13 – СНП типу Б (VR) для фланцевих з’єднань арматури і трубопроводів з ущільнювальною поверхнею типу „виступ-западина”
Розміри в міліметрах
| Номінальний розмір DN , мм |
d 2 |
d 3 |
|||||
| при номінальному (умовному) тиску PN , МПа |
|||||||
| 0,6-20,0 |
0,6 |
1,6-4,0 |
6,3 |
10,0 |
16,0 |
20,0 |
|
| 10 |
16 |
29 |
34 |
34 |
34 |
- |
- |
| 15 |
21 |
33 |
39 |
39 |
39 |
39 |
39 |
| 20 |
28 |
43 |
50 |
50 |
50 |
50 |
50 |
| 25 |
35 |
51 |
57 |
57 |
57 |
57 |
57 |
| 32 |
43 |
59 |
65 |
65 |
65 |
65 |
65 |
| 40 |
53 |
69 |
75 |
75 |
75 |
75 |
75 |
| 50 |
61 |
80 |
87 |
87 |
87 |
87 |
87 |
| 65 |
83 |
100 |
109 |
109 |
109 |
109 |
109 |
| 80 |
94 |
115 |
120 |
120 |
120 |
120 |
120 |
| 100 |
117 |
137 |
149 |
149 |
149 |
149 |
149 |
| 125 |
143 |
166 |
175 |
175 |
175 |
175 |
175 |
| 150 |
171 |
191 |
203 |
203 |
203 |
203 |
203 |
| 200 |
227 |
249 |
259 |
259 |
259 |
259 |
259 |
| 250 |
280 |
303 |
312 |
312 |
312 |
312 |
312 |
| 300 |
323 |
356 |
363 |
363 |
363 |
363 |
- |
| 350 |
375 |
406 |
421 |
421 |
421 |
- |
- |
| 400 |
427 |
456 |
473 |
473 |
473 |
- |
- |
| 500 |
529 |
561 |
575 |
575 |
- |
- |
- |
| 600 |
629 |
661 |
677 |
677 |
- |
- |
- |
| 800 |
821 |
867 |
877 |
- |
- |
- |
- |
Конструкція спірально-навитих прокладок типу В (VRI) наведена на рисунку Ж.7 і в таблиці Ж.14.
Рисунок Ж.7 – Прокладка спірально-навита типу В (VRІ)
Таблиця Ж.14 – СНП типу В (VR1) для фланцевих з’єднань арматури і трубопроводів з ущільнювальними поверхнями „виступ-западина”
Розміри в міліметрах
| Номінальний розмір DN , мм |
d 1 |
d 2 |
d 3 |
||||||
| при номінальному (умовному) тиску PN , МПа |
|||||||||
| 0,6- 20,0 |
0,6 |
1,6- 20,0 |
0,6 |
1,6-4,0 |
6,3 |
10,0 |
16,0 |
20,0 |
|
| 10 |
16 |
23 |
24 |
30 |
34 |
34 |
34 |
- |
- |
| 15 |
21 |
28 |
29 |
35 |
39 |
39 |
39 |
39 |
39 |
| 20 |
28 |
35 |
36 |
46 |
50 |
50 |
50 |
50 |
50 |
| 25 |
35 |
43 |
43 |
53 |
57 |
57 |
57 |
57 |
57 |
| 32 |
43 |
51 |
51 |
63 |
65 |
65 |
65 |
65 |
65 |
| 40 |
53 |
61 |
61 |
70 |
75 |
75 |
75 |
75 |
75 |
| 50 |
61 |
73 |
74 |
83 |
87 |
87 |
87 |
87 |
87 |
| 65 |
83 |
94 |
94 |
103 |
109 |
109 |
109 |
109 |
109 |
| 80 |
94 |
106 |
106 |
117 |
120 |
120 |
120 |
120 |
120 |
| 100 |
117 |
129 |
129 |
143 |
149 |
149 |
149 |
149 |
149 |
| 125 |
143 |
155 |
155 |
169 |
175 |
175 |
175 |
175 |
175 |
| 150 |
171 |
183 |
183 |
196 |
203 |
203 |
203 |
203 |
203 |
| 200 |
227 |
239 |
239 |
251 |
259 |
259 |
259 |
259 |
259 |
| 250 |
280 |
292 |
292 |
306 |
312 |
312 |
312 |
312 |
312 |
| 300 |
323 |
343 |
343 |
356 |
363 |
363 |
363 |
363 |
- |
| 350 |
375 |
395 |
395 |
407 |
421 |
421 |
421 |
- |
- |
| 400 |
427 |
447 |
447 |
457 |
473 |
473 |
473 |
- |
- |
| 500 |
529 |
549 |
549 |
557 |
575 |
575 |
- |
- |
- |
| 600 |
629 |
649 |
649 |
657 |
677 |
677 |
- |
- |
- |
| 800 |
821 |
841 |
851 |
867 |
877 |
- |
- |
- |
- |
Конструкція спірально-навитих прокладок типу Г (GA) наведена на рисунку Ж.8 і в таблиці Ж.15
Рисунок Ж.8 – Прокладка спірально-навита типу Г (GA)
Таблиця Ж.15 – СНП типу Г (GA) для фланцевих з’єднань арматури і трубопроводів з гладкими ущільнювальними поверхнями
Розміри в міліметрах
| Номінальний розмір DN , мм |
d 2 |
d 3 |
d 4 |
|||||||
| при номінальному (умовному) тиску PN , МПа |
||||||||||
| 1,6- 20,0 |
1,6- 6,3 |
10,0- 20,0 |
1,6 |
2,5 |
4,0 |
6,3 |
10,0 |
16,0 |
20,0 |
|
| 10 |
24 |
36 |
36 |
45 |
45 |
45 |
55 |
55 |
- |
- |
| 15 |
28 |
40 |
40 |
50 |
50 |
50 |
60 |
60 |
60 |
61 |
| 20 |
36 |
50 |
50 |
60 |
60 |
60 |
71 |
71 |
71 |
69 |
| 25 |
43 |
57 |
57 |
70 |
70 |
70 |
81 |
81 |
81 |
75 |
| 32 |
51 |
67 |
67 |
81 |
81 |
81 |
87 |
87 |
87 |
88 |
| 40 |
58 |
74 |
74 |
91 |
91 |
91 |
102 |
102 |
102 |
97 |
| 50 |
73 |
91 |
91 |
106 |
106 |
106 |
112 |
118 |
118 |
133 |
| 65 |
89 |
109 |
111 |
126 |
126 |
126 |
137 |
143 |
143 |
172 |
| 80 |
102 |
122 |
126 |
141 |
141 |
141 |
147 |
153 |
153 |
196 |
| 100 |
127 |
147 |
151 |
161 |
167 |
167 |
173 |
179 |
179 |
251 |
| 125 |
152 |
174 |
178 |
191 |
193 |
193 |
209 |
216 |
216 |
277 |
| 150 |
179 |
201 |
205 |
217 |
222 |
222 |
245 |
255 |
255 |
313 |
| 200 |
227 |
253 |
259 |
271 |
282 |
288 |
307 |
322 |
322 |
386 |
| 250 |
279 |
307 |
315 |
327 |
338 |
350 |
362 |
389 |
389 |
514 |
| 300 |
330 |
358 |
366 |
382 |
398 |
415 |
422 |
456 |
456 |
- |
| 350 |
380 |
410 |
418 |
442 |
455 |
472 |
484 |
520 |
- |
- |
| 400 |
430 |
462 |
470 |
493 |
512 |
544 |
540 |
580 |
- |
- |
| 500 |
530 |
566 |
- |
615 |
619 |
626 |
653 |
- |
- |
- |
| 600 |
630 |
666 |
- |
729 |
729 |
745 |
762 |
- |
- |
- |
| 800 |
840 |
884 |
- |
909 |
937 |
972 |
986 |
- |
- |
- |
| 900 |
940 |
989 |
- |
1009 |
1036 |
1082 |
1106 |
- |
- |
- |
| 1000 |
1037 |
1082 |
- |
1126 |
1152 |
1192 |
1218 |
- |
- |
- |
Конструкція спірально-навитих прокладок типу Д (GІA) наведена на рисунку Ж.9 і в таблиці Ж.16.
Рисунок Ж.9 – Спірально-навита прокладка типу Д (GІA) для фланців арматури і трубопроводів з гладкими ущільнювальними поверхнями
Таблиця Ж.16 – СНП типу Д (GIA) для фланців арматури і трубопроводів з гладкими ущільнювальними поверхнями
Розміри в міліметрах
| Номінальний розмір DN , мм |
d 1 |
d 2 |
d 3 |
d 3 |
|||||||
| при номінальному (умовному) тиску PN , МПа |
|||||||||||
| 1,6- 20,0 |
1,6- 20,0 |
1,6- 6,3 |
10,0- 20,0 |
1,6 |
2,5 |
4,0 |
6,3 |
10,0 |
16,0 |
20,0 |
|
| 10 |
16 |
24 |
36 |
36 |
45 |
45 |
45 |
55 |
55 |
- |
- |
| 15 |
20 |
28 |
40 |
40 |
50 |
50 |
50 |
60 |
60 |
60 |
61 |
| 20 |
28 |
36 |
50 |
50 |
60 |
60 |
60 |
71 |
71 |
71 |
69 |
| 25 |
35 |
43 |
57 |
57 |
70 |
70 |
70 |
81 |
81 |
81 |
75 |
| 32 |
43 |
51 |
67 |
67 |
81 |
81 |
81 |
87 |
87 |
87 |
88 |
| 40 |
50 |
58 |
74 |
74 |
91 |
91 |
91 |
102 |
102 |
102 |
97 |
| 50 |
61 |
73 |
91 |
91 |
106 |
106 |
106 |
112 |
118 |
118 |
133 |
| 65 |
77 |
89 |
109 |
111 |
126 |
126 |
126 |
137 |
143 |
143 |
172 |
| 80 |
90 |
102 |
122 |
126 |
141 |
141 |
141 |
147 |
153 |
153 |
196 |
| 100 |
115 |
127 |
147 |
151 |
161 |
167 |
167 |
173 |
179 |
179 |
251 |
| 125 |
140 |
152 |
174 |
178 |
191 |
193 |
193 |
209 |
216 |
216 |
277 |
| 150 |
167 |
179 |
201 |
205 |
217 |
222 |
222 |
245 |
255 |
255 |
313 |
| 200 |
215 |
227 |
253 |
259 |
271 |
282 |
288 |
307 |
322 |
322 |
386 |
| 250 |
267 |
279 |
307 |
315 |
327 |
338 |
350 |
362 |
389 |
389 |
514 |
| 300 |
318 |
330 |
358 |
366 |
382 |
398 |
415 |
422 |
456 |
456 |
- |
| 350 |
360 |
380 |
410 |
418 |
442 |
455 |
472 |
484 |
520 |
- |
- |
| 400 |
410 |
430 |
462 |
470 |
493 |
512 |
544 |
540 |
580 |
- |
- |
| 500 |
510 |
530 |
566 |
- |
615 |
619 |
626 |
653 |
- |
- |
- |
| 600 |
610 |
630 |
666 |
- |
729 |
729 |
745 |
762 |
- |
- |
- |
| 800 |
811 |
840 |
884 |
- |
909 |
937 |
972 |
986 |
- |
- |
- |
| 900 |
911 |
940 |
989 |
- |
1009 |
1036 |
1082 |
1106 |
- |
- |
- |
| 1000 |
1002 |
1037 |
1082 |
- |
1126 |
1152 |
1192 |
1218 |
- |
- |
- |
Прокладки металеві овального і восьмикутного перерізу [43]
Стандартом передбачено 2 типи прокладок:
– тип 1 (овального перерізу); – тип 2 (восьмикутного перерізу).
Прокладки виготовляються зі сталі 08кп за ГОСТ 1050-88, легованих сталей марок 08Х13, 08Х18Н10 або 08Х18Н10Т за ГОСТ 5632-72.
Розміри прокладок типу 1 наведені на рисунку Ж.10 і в таблиці Ж.17. Розміри прокладок типу 2 наведені на рисунку Ж.11 і в таблиці Ж.18.
Рисунок Ж.10 – Прокладка металева овального перерізу (тип 1)
Таблиця Ж.17 – Розміри прокладок овального перерізу
Розміри в міліметрах
| Номінальний розмір DN , мм |
Тиск номінальний (умовний) PN , МПа |
D 8 |
b |
h |
R |
Маса, кг |
| 15 |
6,4; 10,0; 16,0 |
35 |
8 |
14 |
4,0 |
0,085 |
| 20 |
45 |
0,109 |
||||
| 25 |
50 |
0,121 |
||||
| 32 |
65 |
0,157 |
||||
| 40 |
75 |
0,182 |
||||
| 50 |
6,4; 10,0 |
86 |
11 |
18 |
5,5 |
0,363 |
| 16,0 |
96 |
0,406 |
||||
| 65 |
6,4; 10,0; 16,0 |
110 |
0,470 |
|||
| 80 |
6,4; 10,0 |
115 |
0,491 |
|||
| 16,0 |
130 |
0,551 |
Закінчення таблиці Ж.17
Розміри в міліметрах
| Номінальний розмір DN , мм |
Тиск номінальний (умовний) PN , МПа |
D 8 |
b |
h |
R |
Маса, кг |
| 100 |
6,4; 10,0 |
145 |
11 |
18 |
5,5 |
0,619 |
| 16,0 |
160 |
0,683 |
||||
| 125 |
6,4; 10,0 |
175 |
0,747 |
|||
| 16,0 |
190 |
0,811 |
||||
| 150 |
6,4; 10,0 |
205 |
0,845 |
|||
| 16,0 |
13 |
20 |
6,5 |
1,13 |
||
| 200 |
6,4; 10,0 |
265 |
11 |
18 |
5,5 |
|
| 16,0 |
275 |
16 |
22 |
8,0 |
2,02 |
|
| 250 |
6,4; 10,0 |
320 |
11 |
18 |
5,5 |
1,37 |
| 16,0 |
330 |
16 |
22 |
8,0 |
2,42 |
|
| 300 |
6,4; 10,0 |
375 |
11 |
18 |
5,5 |
1,80 |
| 16,0 |
380 |
22 |
30 |
11 |
4,85 |
|
| 350 |
6,4 |
420 |
11 |
18 |
5,5 |
1,79 |
| 10,0 |
16 |
22 |
8,0 |
3,08 |
||
| 16,0 |
22 |
30 |
11 |
5,35 |
||
| 400 |
6,4 |
480 |
11 |
18 |
5,5 |
2,05 |
| 10,0 |
16 |
22 |
8,0 |
3,52 |
||
| 16,0 |
22 |
30 |
11 |
6,12 |
Приклад умовного позначення прокладки типу 1 на умовний прохід DN 300 мм, номінальний (умовний) тиск PN 16,0 МПа зі сталі марки 08кп за ГОСТ 1050-88:
Прокладка 1-300-160-08кп АТК 26-18-6-93.
Рисунок Ж.11 – Прокладка металева восьмикутного перерізу (тип 2) Таблиця Ж.18 – Розміри прокладок восьмикутного перерізу
Розміри в міліметрах
| Номінальний розмір DN , мм |
Тиск номінальний (умовний) PN , МПа |
D 8 |
b |
h |
h 1 |
Маса, кг |
| 200 |
16,0 |
275 |
16 |
22 |
10 |
2,02 |
| 250 |
330 |
2,42 |
||||
| 300 |
10,0 |
375 |
11 |
18 |
8 |
1,60 |
| 16,0 |
380 |
22 |
30 |
12 |
5,08 |
|
| 350 |
10,0 |
420 |
16 |
22 |
10 |
3,08 |
| 16,0 |
22 |
30 |
12 |
5,60 |
||
| 400 |
10,0 |
480 |
15 |
22 |
10 |
3,52 |
| 16,0 |
22 |
30 |
12 |
6,40 |
Приклад умовного позначення прокладки типу 2 на умовний прохід DN 300 мм, номінальний (умовний) тиск PN 16,0 МПа зі сталі марки 08кп за ГОСТ 1050-88:
Прокладка 2-300-160-08кп АТК 26-18-6-93.
Прокладки лінзові [17] Конструкція та розміри жорстких лінз виповнення 1 наведені на рисунку Ж.12 і в таблиці Ж.19.
Рисунок Ж.12 – Лінза жорстка виповнення 1
Таблиця Ж.19 – Розміри лінз типу Ж виповнення 1
Розміри в міліметрах
| Номінальний розмір DN , мм |
D |
d |
d 1 |
B |
r |
C |
Маса, кг |
| 6 |
14 |
6 |
8,2 |
8,5 |
12 |
0,2 |
0,010 |
| 10 |
22 |
11 |
13,7 |
10 |
20 |
0,017 |
|
| 15 |
30 |
15 |
20,5 |
11 |
30 |
0,030 |
|
| 25 |
44 |
25 |
30,8 |
14 |
45 |
0,5 |
0,080 |
| 32 |
60 |
32 |
41,0 |
18 |
60 |
0,180 |
|
| 40 |
65 |
40 |
49,9 |
73 |
0,200 |
||
| 50 |
82 |
60 |
67,0 |
20 |
98 |
0,300 |
|
| 65 |
100 |
70 |
78,7 |
25 |
115 |
0,600 |
|
| 80 |
125 |
90 |
95,7 |
30 |
140 |
1,0 |
1,050 |
| 100 |
133 |
100 |
109,4 |
160 |
1,300 |
||
| 125 |
175 |
120 |
136,8 |
35 |
200 |
2,300 |
|
| 150 |
210 |
155 |
166,2 |
40 |
243 |
3,300 |
|
| 200 |
270 |
195 |
212,0 |
45 |
310 |
6,100 |
Приклад умовного позначення лінзи типу Ж виповнення 1 з діаметром умовного проходу DN 40 мм зі сталі марки 18Х3МВ:
Линза Ж1-40-18Х3МВ ГОСТ 10493-81.
Конструкція та розміри жорстких лінз виповнення 2 наведена на рисунку Ж.13 і в таблиці Ж.20.
Рисунок Ж.13 – Лінза жорстка виповнення 2
Таблиця Ж.20 – Розміри лінз типу Ж виповнення 2
Розміри в міліметрах
| Номінальний розмір DN , мм |
D |
D 1 |
d |
d 1 |
B |
b |
r |
r 1 |
C |
Маса, кг |
| 40 |
85 |
65 |
40 |
49,9 |
30 |
12 |
73 |
3 |
0,5 |
0,70 |
| 50 |
116 |
85 |
60 |
67,0 |
32 |
14 |
98 |
1,30 |
||
| 65 |
132 |
100 |
70 |
78,7 |
38 |
16 |
115 |
5 |
1,90 |
|
| 80 |
155 |
125 |
90 |
95,7 |
42 |
17 |
140 |
2,55 |
||
| 100 |
168 |
135 |
100 |
109,4 |
45 |
19 |
160 |
1,0 |
3,35 |
|
| 125 |
200 |
165 |
120 |
136,8 |
200 |
4,60 |
||||
| 150 |
245 |
195 |
150 |
166,2 |
60 |
26 |
243 |
8,45 |
||
| 200 |
295 |
245 |
195 |
212,0 |
25 |
310 |
11,45 |
Приклад умовного позначення лінзи типу Ж виповнення 2 з діаметром умовного проходу DN 40 мм зі сталі марки 18Х3МВ:
Линза Ж2-40-18Х3МВ ГОСТ 10493-81.
Конструкція компенсувальних лінз виповнення 1 і 2 наведена на рисунку Ж.14 і в таблиці Ж.21.
1 – лінза; 2 – вставне кільце
Рисунок Ж.14 – Лінза компенсувальна виповнення 2
Конструкція вставних кілець компенсувальних лінз виповнення 1 і 2 наведена на рисунку Ж.15 і в таблиці Ж.22.
Таблиця Ж.21 – Розміри лінз типу К виповнень 1 і 2
Розміри в міліметрах
| Номінальний розмір DN , мм |
Тип і виповнення лінзи |
D |
D 1 |
d |
d 1 |
H |
H 1 |
B |
b |
b 1 |
r |
r 1 |
r 2 |
l |
l 1 |
Маса, кг |
| 40 |
К1 |
82 |
60 |
40 |
49,9 |
16 |
5,5 |
25 |
10 |
5 |
73 |
3 |
1,5 |
11,0 |
1,0 |
0,45 |
| К2 |
85 |
65 |
30 |
12 |
13,5 |
0,65 |
||||||||||
| 50 |
К1 |
110 |
85 |
60 |
67,0 |
20 |
6,5 |
28 |
10 |
98 |
12,5 |
0,80 |
||||
| К2 |
110 |
32 |
14 |
14,5 |
1,25 |
|||||||||||
| 65 |
К1 |
125 |
95 |
70 |
78,7 |
22 |
7,0 |
30 |
12 |
6 |
115 |
4 |
2 |
13,0 |
1,06 |
|
| К2 |
132 |
100 |
23 |
38 |
16 |
17,0 |
1,70 |
|||||||||
| 80 |
К1 |
146 |
120 |
90 |
95,7 |
22 |
8,0 |
32 |
12 |
7 |
140 |
14,0 |
1,5 |
1,60 |
||
| К2 |
155 |
125 |
24 |
42 |
17 |
19,0 |
2,25 |
|||||||||
| 100 |
К1 |
130 |
100 |
109,4 |
22 |
9,0 |
35 |
13 |
160 |
5 |
15,5 |
4,00 |
||||
| К2 |
168 |
135 |
25 |
45 |
19 |
20,5 |
3,15 |
|||||||||
| 125 |
К1 |
192 |
160 |
120 |
136,8 |
27,5 |
10,5 |
38 |
13 |
200 |
17,0 |
2,70 |
||||
| К2 |
200 |
165 |
45 |
19 |
20,5 |
4,25 |
||||||||||
| 150 |
К1 |
235 |
195 |
150 |
166,2 |
32,5 |
12,5 |
48 |
17 |
8 |
243 |
2,5 |
21,5 |
5,25 |
||
| К2 |
245 |
60 |
26 |
27,5 |
7,95 |
|||||||||||
| 200 |
К1 |
285 |
245 |
195 |
212,0 |
35 |
14,5 |
48 |
17 |
310 |
21,5 |
7,30 |
||||
| К2 |
295 |
60 |
25 |
27,5 |
10,80 |
Приклад умовного позначення лінзи типу К виповнення 1 з діаметром умовного проходу DN 100 мм зі сталі марки 18Х3МВ:
Линза К1-100-18Х3МВ ГОСТ 10493-81.
Рисунок Ж.15 – Кільце вставне
Таблиця Ж.22 – Розміри вставних кілець до лінз типу К виконань 1 і 2
Розміри в міліметрах
| Номінальний розмір DN , мм |
d |
D |
b |
Маса, кг |
| 40 |
40 |
51 |
4,9 |
0,03 |
| 50 |
60 |
73 |
0,06 |
|
| 65 |
70 |
84 |
5,9 |
0,08 |
| 80 |
90 |
106 |
6,9 |
0,15 |
| 100 |
100 |
118 |
0,17 |
|
| 125 |
120 |
142 |
0,23 |
|
| 150 |
150 |
176 |
7,9 |
0,39 |
| 200 |
195 |
225 |
0,58 |
ДОДАТОК И Кріпильні вироби для фланцевих з’єднань
Болти [12]
Конструкція та розміри болтів із шестигранною голівкою нормальної точності наведені на рисунку И.1 і в таблицях И.1, И.2.
Маса болтів наведена в таблиці И.3.
Рисунок И.1 – Болт із шестигранною голівкою
Таблиця И.1 – Розміри болтів з шестигранною голівкою
Розміри в міліметрах
| Номінальний діаметр нарізі d |
10 |
12 |
16 |
20 |
24 |
27 |
30 |
36 |
42 |
48 |
| Крок нарізі (крупний) |
1,5 |
1,75 |
2 |
2,5 |
3 |
3 |
3,5 |
4 |
4,5 |
5 |
| Розмір "під ключ" S |
17 |
19 |
24 |
30 |
36 |
41 |
46 |
55 |
65 |
75 |
| Висота голівки H |
7 |
8 |
10 |
13 |
15 |
17 |
19 |
23 |
26 |
30 |
| Діаметр описаної окружності D |
18,7 |
20,9 |
26,5 |
33,3 |
39,6 |
45,2 |
50,9 |
60,8 |
72,1 |
83,4 |
Таблиця И.2 – Довжина нарізі болтів
Розміри в міліметрах
| Довжина болта l |
Довжина нарізі l0 при номінальному діаметрі нарізі d (знаком + помічені болти з наріззю по всій довжині стержня) |
|||||||||
| 10 |
12 |
16 |
20 |
24 |
27 |
30 |
36 |
42 |
48 |
|
| 25 |
+ |
+ |
+ |
+ |
- |
- |
- |
- |
- |
- |
| 30 |
+ |
+ |
+ |
+ |
+ |
- |
- |
- |
- |
- |
| 35 |
26 |
30 |
+ |
+ |
+ |
+ |
- |
- |
- |
- |
| 40 |
26 |
30 |
+ |
+ |
+ |
+ |
+ |
- |
- |
- |
| 45 |
26 |
30 |
38 |
+ |
+ |
+ |
+ |
- |
- |
- |
| 50 |
26 |
30 |
38 |
+ |
+ |
+ |
+ |
+ |
- |
- |
| 55 |
26 |
30 |
38 |
46 |
+ |
+ |
+ |
+ |
+ |
- |
| 60 |
26 |
30 |
38 |
46 |
54 |
+ |
+ |
+ |
+ |
- |
| 65 |
26 |
30 |
38 |
46 |
54 |
+ |
+ |
+ |
+ |
+ |
| 70 |
26 |
30 |
38 |
46 |
54 |
60 |
+ |
+ |
+ |
+ |
| 75 |
26 |
30 |
38 |
46 |
54 |
60 |
66 |
+ |
+ |
+ |
| 80 |
26 |
30 |
38 |
46 |
54 |
60 |
66 |
+ |
+ |
+ |
| 90 |
26 |
30 |
38 |
46 |
54 |
60 |
66 |
78 |
+ |
+ |
| 100 |
26 |
30 |
38 |
46 |
54 |
60 |
66 |
78 |
+ |
+ |
| 110 |
26 |
30 |
38 |
46 |
54 |
60 |
66 |
78 |
90 |
+ |
| 120 |
26 |
30 |
38 |
46 |
54 |
60 |
66 |
78 |
90 |
102 |
| 130 |
26 |
30 |
38 |
46 |
54 |
60 |
66 |
78 |
90 |
102 |
| 140 |
26 |
30 |
38 |
46 |
54 |
60 |
66 |
78 |
90 |
102 |
| 150 |
26 |
30 |
38 |
46 |
54 |
60 |
66 |
78 |
90 |
102 |
| 160 |
32 |
36 |
44 |
52 |
60 |
66 |
72 |
84 |
96 |
108 |
| 170 |
32 |
36 |
44 |
52 |
60 |
66 |
72 |
84 |
96 |
108 |
| 180 |
32 |
36 |
44 |
52 |
60 |
66 |
72 |
84 |
96 |
108 |
| 190 |
32 |
36 |
44 |
52 |
60 |
66 |
72 |
84 |
96 |
108 |
| 200 |
32 |
36 |
44 |
52 |
60 |
66 |
72 |
84 |
96 |
108 |
| 220 |
- |
36 |
44 |
52 |
60 |
66 |
72 |
84 |
96 |
108 |
| 240 |
- |
36 |
44 |
52 |
60 |
66 |
72 |
84 |
96 |
108 |
| 260 |
- |
36 |
44 |
52 |
60 |
66 |
72 |
84 |
96 |
108 |
| 280 |
- |
- |
44 |
52 |
60 |
66 |
72 |
84 |
96 |
108 |
| 300 |
- |
- |
44 |
52 |
60 |
66 |
72 |
84 |
96 |
108 |
Умовне позначення болтів, шпильок та гайок записуються за наступною схемою:
– найменування виробу;
– клас точності;
– виповнення;
– номінальний діаметр нарізі;
– крок нарізі, перед яким ставиться знак ×;
– напрямок нарізі;
– поле допуску нарізі;
– довжина виробу (крім гайок), перед якою ставиться знак ×;
– клас міцності або умовне позначення групи;
– вказівка про застосування спокійної (С) або автоматної (А) сталі;
– марка матеріалу для виробів класів міцності 06, 8, 8.8 і вище, груп 21-26 і 31-35;
– вид і товщина покриття;
– номер стандарту на виріб.
В умовному позначенні не указують:
– виповнення 1;
– крупний крок нарізі;
– правий наріз;
– відсутність покриття, а також параметри, які однозначно визначаються стандартом на продукцію;
– клас точності В, якщо стандартом на конкретний кріпильний виріб передбачається 2 клас точності ( А і В).
Якщо застосовується покриття, яке не передбачається даним стандартом, його позначення указується за ГОСТ 9.306-85.
Приклад умовного позначення болта з діаметром нарізі 12 мм, крупним кроком і полем допуску 6g, довжиною 60 мм, класу міцності 5.8, без покриття:
Болт М12-6g×60.58 ГОСТ 7798-70.
Приклад умовного позначення болта з діаметром нарізі 12 мм, крупним кроком і полем допуску 6g, довжиною 60 мм класу міцності 10.9, зі сталі марки 40Х, з покриттям 01 товщиною 6 мкм:
Болт М12-6g×60.109.40Х.016 ГОСТ 7798-70.
Таблиця И.3 – Маса болтів
| Довжина болта l , мм |
Теоретична маса 1000 шт. болтів, кг, при номінальному діаметрі нарізі d , мм |
|||||||||
| 10 |
12 |
16 |
20 |
24 |
27 |
30 |
36 |
42 |
48 |
|
| 25 |
27,82 |
39,95 |
75,87 |
136,4 |
- |
- |
- |
- |
- |
- |
| 30 |
30,66 |
44,05 |
83,14 |
147,9 |
- |
- |
- |
- |
- |
- |
| 35 |
33,88 |
48,43 |
90,62 |
159,4 |
246,9 |
340,6 |
- |
- |
- |
- |
| 40 |
36,96 |
52,87 |
97,99 |
170,9 |
263,5 |
361,8 |
479,1 |
- |
- |
- |
| 45 |
40,05 |
57,31 |
105,7 |
182,5 |
280,1 |
373,0 |
505,2 |
- |
- |
- |
| 50 |
43,13 |
61,76 |
113,6 |
194,0 |
296,7 |
404,1 |
531,2 |
844,8 |
- |
- |
| 55 |
46,22 |
66,20 |
121,5 |
206,8 |
313,3 |
425,3 |
557,3 |
882,4 |
1304 |
- |
Закінчення таблиці И.3
| Довжина болта l , мм |
Теоретична маса 1000 шт. болтів, кг, при номінальному діаметрі нарізі d , мм |
|||||||||
| 60 |
49,30 |
70,64 |
129,4 |
219,1 |
329,9 |
446,5 |
583,3 |
920,1 |
1356 |
- |
| 65 |
52,39 |
75,08 |
137,3 |
231,5 |
348,8 |
467,7 |
609,4 |
957,7 |
1407 |
2009 |
| 70 |
55,47 |
79,53 |
145,2 |
243,8 |
366,5 |
491,1 |
635,4 |
995,3 |
1458 |
2076 |
| 75 |
58,56 |
83,97 |
153,1 |
256,1 |
384,3 |
513,6 |
664,0 |
1033 |
1509 |
2143 |
| 80 |
61,64 |
88,42 |
161,0 |
268,1 |
402,1 |
536,1 |
691,8 |
1071 |
1561 |
2211 |
| 90 |
67,81 |
97,29 |
176,8 |
293,2 |
437,6 |
581,0 |
747,3 |
1151 |
1663 |
2345 |
| 100 |
73,98 |
106,2 |
192,6 |
317,8 |
473,2 |
626,0 |
802,8 |
1231 |
1766 |
2479 |
| 110 |
80,15 |
115,1 |
208,4 |
342,5 |
508,7 |
671,0 |
858,4 |
1311 |
1880 |
2614 |
| 120 |
86,32 |
124,0 |
224,2 |
367,2 |
544,2 |
716,0 |
913,9 |
1391 |
1989 |
2760 |
| 130 |
92,49 |
132,8 |
240,0 |
391,9 |
579,8 |
761,0 |
969,5 |
1471 |
2098 |
2903 |
| 140 |
98,66 |
141,7 |
255,8 |
416,6 |
615,3 |
806,0 |
1025 |
1551 |
2207 |
3045 |
| 150 |
104,8 |
150,6 |
271,6 |
441,2 |
65,8 |
850,1 |
1080 |
1631 |
2315 |
3187 |
| 160 |
111,0 |
159,5 |
287,4 |
465,9 |
686,4 |
895,9 |
1136 |
1711 |
2424 |
3329 |
| 170 |
117,2 |
168,4 |
303,2 |
490,6 |
721,9 |
940,9 |
1192 |
1790 |
2533 |
3471 |
| 180 |
123,3 |
177,3 |
319,0 |
515,3 |
757,5 |
985,9 |
1247 |
1870 |
2642 |
3614 |
| 190 |
129,5 |
186,2 |
333,8 |
540,0 |
793,0 |
1031 |
1303 |
1950 |
2751 |
3756 |
| 200 |
135,7 |
195,0 |
350,6 |
564,6 |
828,6 |
1076 |
1358 |
2030 |
2860 |
3898 |
| 220 |
- |
212,8 |
382,2 |
614,0 |
899,6 |
1166 |
1469 |
2190 |
3077 |
4182 |
| 240 |
- |
230,6 |
413,8 |
663,4 |
970,8 |
1256 |
1580 |
2350 |
3295 |
4466 |
| 260 |
- |
248,3 |
445,4 |
712,7 |
1042 |
1346 |
1691 |
2510 |
3513 |
4751 |
| 280 |
- |
- |
476,9 |
762,1 |
1113 |
1436 |
1802 |
2670 |
3730 |
5035 |
| 300 |
- |
- |
508,5 |
811,4 |
1184 |
1526 |
1914 |
2830 |
3948 |
5319 |
Гайки [11]
Конструкція та розміри гайок шестигранних нормальної точності наведені на рисунку И.2 і в таблиці И.4.
Рисунок И.2 – Гайка шестигранна
Таблиця И.4 – Розміри шестигранних гайок
Розміри в міліметрах
| Номінальний діаметр нарізі d |
10 |
12 |
16 |
20 |
24 |
27 |
30 |
36 |
42 |
48 |
| Крок нарізі (крупний) |
1,5 |
1,75 |
2 |
2,5 |
3 |
3 |
3,5 |
4 |
4,5 |
5 |
| Розмір "під ключ" S |
17 |
19 |
24 |
30 |
36 |
41 |
46 |
55 |
65 |
75 |
| Висота H |
8 |
10 |
13 |
16 |
19 |
22 |
24 |
29 |
34 |
38 |
| Діаметр описаної окружності D |
18,7 |
20,9 |
26,5 |
33,3 |
39,6 |
45,2 |
50,9 |
60,8 |
72,1 |
83,4 |
Приклад умовного позначення гайки з діаметром нарізі 12 мм і крупним кроком, полем допуску 6Н, класу міцності 5, без покриття:
Гайка М12-6Н.5 ГОСТ 5915-70. Приклад умовного позначення гайки з діаметром нарізі 12 мм і крупним кроком, полем допуску 6Н, класу міцності 10, зі сталі марки 40Х, з покриттям 01 товщиною 6 мкм:
Гайка М12-6Н.10.40Х.016 ГОСТ 5915-70.
Маса гайок наведена в таблиці И.5.
Таблиця И.5 – Маса шестигранних гайок
| Номінальний діаметр нарізі d , мм |
10 |
12 |
16 |
20 |
24 |
27 |
30 |
36 |
42 |
48 |
| Теоретична маса 1000 шт. гайок, кг |
11,37 |
15,4 |
33,17 |
62,6 |
107,0 |
161,4 |
224,5 |
376,9 |
632,9 |
956,2 |
Шпильки для деталей з гладкими отворами [27] Шпильки виготовляють двох виповнень:
– виповнення 1 (з однаковим номінальним діаметром нарізі та гладкої частини);
– виповнення 2 (з діаметром гладкої частини, який приблизно дорівнює середньому діаметру нарізі).
Конструкція та розміри шпильок з двома однаковими по довжині нарізними кінцями для деталей з гладкими отворами наведені на рисунку И.3 і в таблицях И.6, И.7.
Маса шпильок наведена в таблицях И.8 і И.9.
а – шпилька виповнення 1; б – шпилька виповнення 2
Рисунок И.3 – Шпилька з двома однаковими по довжині нарізними кінцями для деталей з гладкими отворами Таблиця И.6 – Розміри шпильок
Розміри в міліметрах
| Номінальний діаметр нарізі d |
10 |
12 |
16 |
20 |
24 |
27 |
30 |
36 |
42 |
48 |
| Крок нарізі (крупний) |
1,5 |
1,75 |
2 |
2,5 |
3 |
3 |
3,5 |
4 |
4,5 |
5 |
| Діаметр d 1 |
10 |
12 |
16 |
20 |
24 |
27 |
30 |
36 |
42 |
48 |
| Діаметр d 2 |
9 |
11 |
15 |
18 |
22 |
25 |
28 |
33 |
39 |
45 |
Таблиця И.7 – Довжина нарізного кінця шпильок
Розміри в міліметрах
| Довжина шпильки l |
Довжина нарізного кінця l0 при номінальному діаметрі нарізі d (знаком + помічені шпильки з наріззю по всій довжині стержня) |
|||||||||
| 10 |
12 |
16 |
20 |
24 |
27 |
30 |
36 |
42 |
48 |
|
| 30 |
+ |
- |
- |
- |
- |
- |
- |
- |
- |
- |
| 35 |
+ |
- |
- |
- |
- |
- |
- |
- |
- |
- |
| 40 |
+ |
+ |
- |
- |
- |
- |
- |
- |
- |
- |
| 50 |
+ |
+ |
- |
- |
- |
- |
- |
- |
- |
- |
| 55 |
+ |
+ |
+ |
- |
- |
- |
- |
- |
- |
- |
| 60 |
+ |
+ |
+ |
- |
- |
- |
- |
- |
- |
- |
| 65 |
26 |
+ |
+ |
- |
- |
- |
- |
- |
- |
- |
| 70 |
26 |
+ |
+ |
- |
- |
- |
- |
- |
- |
- |
| 75 |
26 |
30 |
+ |
- |
- |
- |
- |
- |
- |
- |
| 80 |
26 |
30 |
+ |
+ |
- |
- |
- |
- |
- |
- |
| 90 |
26 |
30 |
+ |
+ |
- |
- |
- |
- |
- |
- |
| 100 |
26 |
30 |
38 |
+ |
- |
- |
- |
- |
- |
- |
| 110 |
26 |
30 |
38 |
46 |
- |
- |
- |
- |
- |
- |
| 120 |
26 |
30 |
38 |
46 |
- |
- |
- |
- |
- |
- |
| 130 |
32 |
36 |
44 |
52 |
60 |
- |
- |
- |
- |
- |
| 140 |
32 |
36 |
44 |
52 |
60 |
- |
- |
- |
- |
- |
| 150 |
32 |
36 |
44 |
52 |
60 |
66 |
- |
- |
- |
- |
| 160 |
32 |
36 |
44 |
52 |
60 |
66 |
- |
- |
- |
- |
| 170 |
32 |
36 |
44 |
52 |
60 |
66 |
72 |
- |
- |
- |
| 180 |
32 |
36 |
44 |
52 |
60 |
66 |
72 |
- |
- |
- |
| 190 |
32 |
36 |
44 |
52 |
60 |
66 |
72 |
84 |
- |
- |
| 200 |
32 |
36 |
44 |
52 |
60 |
66 |
72 |
84 |
- |
- |
| 220 |
45 |
49 |
57 |
65 |
73 |
79 |
85 |
97 |
- |
- |
| 240 |
45 |
49 |
57 |
65 |
73 |
79 |
85 |
97 |
109 |
- |
| 260 |
45 |
49 |
57 |
65 |
73 |
79 |
85 |
97 |
109 |
121 |
| 280 |
45 |
49 |
57 |
65 |
73 |
79 |
85 |
97 |
109 |
121 |
| 300 |
45 |
49 |
57 |
65 |
73 |
79 |
85 |
97 |
109 |
121 |
| 320 |
- |
49 |
57 |
65 |
73 |
79 |
85 |
97 |
109 |
121 |
| 340 |
- |
49 |
57 |
65 |
73 |
79 |
85 |
97 |
109 |
121 |
| 360 |
- |
49 |
57 |
65 |
73 |
79 |
85 |
97 |
109 |
121 |
| 380 |
- |
- |
57 |
65 |
73 |
79 |
85 |
97 |
109 |
121 |
| 400 |
- |
- |
57 |
65 |
73 |
79 |
85 |
97 |
109 |
121 |
| 420 |
- |
- |
57 |
65 |
73 |
79 |
85 |
97 |
109 |
121 |
| 450 |
- |
- |
57 |
65 |
73 |
79 |
85 |
97 |
109 |
121 |
| 480 |
- |
- |
57 |
65 |
73 |
79 |
85 |
97 |
109 |
121 |
| 500 |
- |
- |
57 |
65 |
73 |
79 |
85 |
97 |
109 |
121 |
Приклад умовного позначення шпильки з діаметром нарізі 12 мм, крупним кроком і полем допуску 6g, довжиною 200 мм, класу міцності 5.8, без покриття:
Шпилька М10-6g×200.58 ГОСТ 22042-76.
Те ж, з діаметром стержня, який приблизно дорівнює середньому діаметру нарізі, крупним кроком і полем допуску 6g, класу міцності 8.8, зі стали марки 35Х, з покриттям 02 товщиною 6 мкм:
Шпилька 2 М10-6g×200.88.35Х.026 ГОСТ 22042-76.
Таблиця И.8 – Маса шпильок для деталей з гладкими отворами виповнення 1
| Довжина шпильки l , мм |
Теоретична маса 1000 шт. сталевих шпильок, кг, при номінальному діаметрі нарізі d , мм |
|||||||||
| 10 |
12 |
16 |
20 |
24 |
27 |
30 |
36 |
42 |
48 |
|
| 30 |
15,07 |
- |
- |
- |
- |
- |
- |
- |
- |
- |
| 35 |
17,58 |
- |
- |
- |
- |
- |
- |
- |
- |
- |
| 40 |
20,09 |
29,10 |
- |
- |
- |
- |
- |
- |
- |
- |
| 45 |
22,60 |
32,74 |
- |
- |
- |
- |
- |
- |
- |
- |
| 50 |
25,11 |
36,38 |
- |
- |
- |
- |
- |
- |
- |
- |
| 55 |
27,63 |
40,01 |
73,28 |
- |
- |
- |
- |
- |
- |
- |
| 60 |
30,14 |
43,65 |
79,95 |
- |
- |
- |
- |
- |
- |
- |
| 65 |
34,13 |
47,29 |
86,61 |
- |
- |
- |
- |
- |
- |
- |
| 70 |
37,22 |
50,93 |
93,27 |
- |
- |
- |
- |
- |
- |
- |
| 75 |
40,30 |
56,97 |
99,93 |
- |
- |
- |
- |
- |
- |
- |
| 80 |
43,38 |
61,41 |
106,6 |
166,6 |
- |
- |
- |
- |
- |
- |
| 90 |
49,55 |
70,98 |
119,9 |
187,4 |
- |
- |
- |
- |
- |
- |
| 100 |
55,71 |
79,16 |
139,1 |
208,2 |
- |
- |
- |
- |
- |
- |
| 110 |
61,88 |
88,04 |
154,9 |
235,9 |
- |
- |
- |
- |
- |
- |
| 120 |
68,04 |
96,92 |
170,7 |
260,6 |
- |
- |
- |
- |
- |
- |
| 130 |
74,21 |
105,8 |
186,5 |
285,2 |
401,9 |
- |
- |
- |
- |
- |
| 140 |
80,37 |
114,7 |
202,3 |
309,9 |
437,4 |
- |
- |
- |
- |
- |
| 150 |
86,54 |
123,5 |
218,1 |
334,6 |
472,9 |
599,1 |
- |
- |
- |
- |
| 160 |
91,33 |
130,5 |
230,9 |
354,6 |
501,8 |
636,6 |
- |
- |
- |
- |
| 170 |
97,50 |
139,4 |
246,7 |
379,3 |
537,3 |
681,5 |
826,8 |
- |
- |
- |
| 180 |
103,7 |
148,3 |
262,5 |
403,9 |
572,8 |
726,5 |
882,3 |
- |
- |
- |
| 190 |
109,8 |
157,1 |
278,2 |
428,6 |
608,3 |
771,4 |
937,8 |
1331 |
- |
- |
| 200 |
116,0 |
166,0 |
294,0 |
453,3 |
643,8 |
816,3 |
993,3 |
1411 |
- |
- |
| 220 |
128,3 |
183,8 |
325,6 |
502,6 |
714,9 |
906,2 |
1104 |
1571 |
- |
- |
| 240 |
140,6 |
201,5 |
357,2 |
551,9 |
785,9 |
996,1 |
1215 |
1731 |
2330 |
- |
| 260 |
152,9 |
219,3 |
388,7 |
601,2 |
856,9 |
1036 |
1326 |
1891 |
2547 |
3292 |
| 280 |
165,3 |
237,0 |
420,3 |
650,6 |
927,9 |
1176 |
1437 |
2050 |
2765 |
3576 |
Закінчення таблиці И.8
| Довжина шпильки l , мм |
Теоретична маса 1000 шт. сталевих шпильок, кг, при номінальному діаметрі нарізі d , мм |
|||||||||
| 10 |
12 |
16 |
20 |
24 |
27 |
30 |
36 |
42 |
48 |
|
| 300 |
177,6 |
254,8 |
451,8 |
699,9 |
999,0 |
1266 |
1548 |
2210 |
2982 |
3860 |
| 320 |
- |
272,6 |
483,4 |
749,3 |
1070 |
1356 |
1659 |
2370 |
3200 |
4144 |
| 340 |
- |
290,3 |
515,0 |
798,5 |
1141 |
1445 |
1770 |
2529 |
3417 |
4428 |
| 360 |
- |
308,1 |
546,6 |
847,8 |
1212 |
1535 |
1881 |
2689 |
3635 |
4713 |
| 380 |
- |
- |
578,1 |
897,2 |
1283 |
1625 |
1992 |
2849 |
3852 |
4997 |
| 400 |
- |
- |
609,7 |
946,5 |
1354 |
1715 |
2103 |
3009 |
4070 |
5281 |
| 420 |
- |
- |
641,3 |
995,8 |
1425 |
1805 |
2214 |
3169 |
4287 |
5565 |
| 450 |
- |
- |
688,6 |
1070 |
1532 |
1940 |
2380 |
3409 |
4613 |
5991 |
| 480 |
- |
- |
736,0 |
1144 |
1638 |
2075 |
2547 |
3649 |
4939 |
6417 |
| 500 |
- |
- |
767,5 |
1193 |
1709 |
2165 |
2658 |
3808 |
5157 |
6701 |
Таблиця И.9 – Маса шпильок з діаметром стержня, який приблизно дорівнює середньому діаметру нарізі
| Довжина шпильки l , мм |
Теоретична маса 1000 шт. сталевих шпильок, кг, при номінальному діаметрі нарізі d , мм |
|||||||||
| 10 |
12 |
16 |
20 |
24 |
27 |
30 |
36 |
42 |
48 |
|
| 30 |
15,06 |
- |
- |
- |
- |
- |
- |
- |
- |
- |
| 35 |
17,57 |
- |
- |
- |
- |
- |
- |
- |
- |
- |
| 40 |
20,08 |
29,09 |
- |
- |
- |
- |
- |
- |
- |
- |
| 45 |
22,59 |
32,72 |
- |
- |
- |
- |
- |
- |
- |
- |
| 50 |
25,10 |
36,36 |
- |
- |
- |
- |
- |
- |
- |
- |
| 55 |
27,61 |
40,00 |
73,25 |
- |
- |
- |
- |
- |
- |
- |
| 60 |
30,12 |
43,63 |
79,91 |
- |
- |
- |
- |
- |
- |
- |
| 65 |
32,63 |
47,27 |
86,57 |
- |
- |
- |
- |
- |
- |
- |
| 70 |
35,14 |
50,90 |
93,23 |
- |
- |
- |
- |
- |
- |
- |
| 75 |
37,65 |
54,54 |
99,88 |
- |
- |
- |
- |
- |
- |
- |
| 80 |
40,16 |
58,17 |
106,5 |
166,5 |
- |
- |
- |
- |
- |
- |
| 90 |
45,18 |
65,45 |
119,9 |
187,3 |
- |
- |
- |
- |
- |
- |
| 100 |
50,20 |
72,72 |
133,2 |
208,1 |
- |
- |
- |
- |
- |
- |
| 110 |
55,22 |
79,99 |
146,5 |
228,9 |
- |
- |
- |
- |
- |
- |
| 120 |
60,24 |
87,26 |
159,8 |
249,7 |
- |
- |
- |
- |
- |
- |
| 130 |
65,26 |
94,53 |
173,1 |
270,5 |
389,5 |
- |
- |
- |
- |
- |
| 140 |
70,28 |
101,8 |
186,5 |
291,3 |
419,5 |
- |
- |
- |
- |
- |
| 150 |
75,31 |
109,1 |
199,8 |
312,1 |
449,5 |
580,1 |
- |
- |
- |
- |
| 160 |
83,33 |
116,4 |
213,1 |
332,9 |
479,4 |
618,7 |
- |
- |
- |
- |
| 170 |
85,35 |
123,6 |
226,4 |
353,7 |
509,4 |
657,4 |
805,4 |
- |
- |
- |
| 180 |
90,37 |
130,9 |
239,7 |
374,6 |
539,4 |
696,1 |
852,7 |
- |
- |
- |
Закінчення таблиці И.9
| Довжина шпильки l , мм |
Теоретична маса 1000 шт. сталевих шпильок, кг, при номінальному діаметрі нарізі d , мм |
|||||||||
| 10 |
12 |
16 |
20 |
24 |
27 |
30 |
36 |
42 |
48 |
|
| 190 |
95,39 |
138,2 |
253,0 |
395,4 |
569,3 |
734,8 |
900,1 |
1306 |
- |
- |
| 200 |
100,4 |
145,4 |
266,4 |
416,2 |
599,3 |
773,4 |
947,5 |
1513 |
- |
- |
| 220 |
110,5 |
160,0 |
293,0 |
457,8 |
659,2 |
850,8 |
1042 |
1571 |
- |
- |
| 240 |
120,5 |
174,5 |
319,6 |
499,4 |
719,1 |
928,1 |
1137 |
1650 |
2258 |
- |
| 260 |
130,5 |
189,1 |
346,3 |
541,0 |
779,1 |
1006 |
1232 |
1788 |
2447 |
3209 |
| 280 |
140,6 |
203,6 |
372,9 |
582,6 |
839,0 |
1083 |
1327 |
1925 |
2635 |
3456 |
| 300 |
150,6 |
218,2 |
399,5 |
624,3 |
898,9 |
1160 |
1421 |
2063 |
2823 |
3702 |
| 320 |
- |
232,7 |
426,2 |
665,9 |
958,8 |
1238 |
1516 |
2200 |
3011 |
3949 |
| 340 |
- |
247,2 |
452,8 |
707,5 |
1019 |
1315 |
1611 |
2338 |
3199 |
4196 |
| 360 |
- |
261,8 |
479,4 |
749,1 |
1079 |
1393 |
1706 |
2475 |
3388 |
4443 |
| 380 |
- |
- |
506,3 |
790,7 |
1139 |
1470 |
1800 |
2613 |
3576 |
4690 |
| 400 |
- |
- |
533,0 |
832,3 |
1199 |
1547 |
1895 |
2750 |
3764 |
4937 |
| 420 |
- |
- |
559,6 |
874,0 |
1259 |
1624 |
1990 |
2888 |
3952 |
5183 |
| 450 |
- |
- |
599,6 |
936,4 |
1348 |
1740 |
2132 |
3094 |
4234 |
5554 |
| 480 |
- |
- |
636,6 |
998,8 |
1438 |
1856 |
2274 |
3300 |
4517 |
5924 |
| 500 |
- |
- |
666,2 |
1040 |
1498 |
1934 |
2369 |
3438 |
4705 |
6171 |
Шпильки для фланцевих з’єднань на номінальний
(умовний) тиск РN ≥ 4 МПа [15] Конструкція та розміри шпильок наведені на рисунку И.4 і в таблицях И.10, И.11.
Маса шпильок виповнення А наведена в таблиці И.12, виповнення Б – в таблиці И.13.
а
– шпилька типу А; б
– шпилька типу Б
Рисунок И.4 – Шпильки для фланцевих з’єднань на номінальний
(умовний) тиск РN ≥ 4 МПа
Таблиця И.10 – Розміри шпильок
Розміри в міліметрах
| Номінальний діаметр нарізі d |
10 |
12 |
16 |
20 |
24 |
27 |
30 |
36 |
42 |
|
| Крок нарізі |
1,5 |
1,75 |
2 |
2,5 |
3 |
3,5 |
4 |
4,5 |
||
| Діаметр гладкої частини |
d 1 |
за ГОСТ 19258-73 та ГОСТ 19256-73 |
||||||||
| d2 |
7,8 |
9,5 |
13 |
16 |
20 |
22 |
24 |
30 |
35 |
|
Закінчення таблиці И.10
| Номінальний діаметр нарізі d |
48 |
52 |
56 |
60 |
64 |
68 |
72 |
76 |
80 |
|
| Крок нарізі |
5 |
5,5 |
6 |
|||||||
| Діаметр гладкої частини |
d 1 |
за ГОСТ 19258-73 та ГОСТ 19256-73 |
||||||||
| d2 |
40 |
44 |
48 |
52 |
54 |
56 |
66 |
70 |
74 |
|
|
|
Таблиця И.11 – Довжини нарізних кінців шпильок |
Розміри в міліметрах |
||||||||||||||||||
| Довжина шпильки l |
Довжина нарізного кінця l0 при номінальному діаметрі нарізі d |
|||||||||||||||||||
| 10 |
12 |
16 |
20 |
24 |
27 |
30 |
36 |
42 |
48 |
52 |
56 |
60 |
64 |
68 |
72 |
76 |
80 |
|||
| 45 |
22 |
- |
- |
- |
- |
- |
- |
- |
- |
- |
- |
- |
- |
- |
- |
- |
- |
- |
||
| 50 |
- |
- |
- |
- |
- |
- |
- |
- |
- |
- |
- |
- |
- |
- |
- |
- |
- |
|||
| 55 |
25 |
- |
- |
- |
- |
- |
- |
- |
- |
- |
- |
- |
- |
- |
- |
- |
- |
|||
| 60 |
- |
- |
- |
- |
- |
- |
- |
- |
- |
- |
- |
- |
- |
- |
- |
- |
||||
| 65 |
- |
- |
- |
- |
- |
- |
- |
- |
- |
- |
- |
- |
- |
- |
- |
- |
||||
| 70 |
32 |
- |
- |
- |
- |
- |
- |
- |
- |
- |
- |
- |
- |
- |
- |
- |
||||
| 75 |
- |
- |
- |
- |
- |
- |
- |
- |
- |
- |
- |
- |
- |
- |
- |
|||||
| 80 |
- |
- |
- |
- |
- |
- |
- |
- |
- |
- |
- |
- |
- |
- |
- |
|||||
| 85 |
40 |
- |
- |
- |
- |
- |
- |
- |
- |
- |
- |
- |
- |
- |
- |
|||||
| 90 |
- |
- |
- |
- |
- |
- |
- |
- |
- |
- |
- |
- |
- |
- |
||||||
| 95 |
- |
- |
- |
- |
- |
- |
- |
- |
- |
- |
- |
- |
- |
- |
||||||
| 100 |
28 |
30 |
- |
- |
- |
- |
- |
- |
- |
- |
- |
- |
- |
- |
- |
- |
||||
| 110 |
48 |
- |
- |
- |
- |
- |
- |
- |
- |
- |
- |
- |
- |
- |
||||||
| 120 |
55 |
- |
- |
- |
- |
- |
- |
- |
- |
- |
- |
- |
- |
|||||||
| 130 |
40 |
60 |
- |
- |
- |
- |
- |
- |
- |
- |
- |
- |
- |
|||||||
| 140 |
- |
- |
- |
- |
- |
- |
- |
- |
- |
- |
- |
|||||||||
| 150 |
70 |
- |
- |
- |
- |
- |
- |
- |
- |
- |
- |
|||||||||
| 160 |
- |
75 |
- |
- |
- |
- |
- |
- |
- |
- |
- |
|||||||||
| 170 |
- |
48 |
- |
- |
- |
- |
- |
- |
- |
- |
- |
|||||||||
| 180 |
- |
- |
- |
- |
- |
- |
- |
- |
- |
- |
||||||||||
| 190 |
- |
- |
- |
- |
- |
- |
- |
- |
- |
- |
||||||||||
| 200 |
- |
90 |
- |
- |
- |
- |
- |
- |
- |
- |
||||||||||
| 210 |
- |
- |
58 |
- |
- |
- |
- |
- |
- |
- |
- |
|||||||||
Продовження таблиці И.11
Розміри в міліметрах
| Довжина шпильки l |
Довжина нарізного кінця l0 при номінальному діаметрі нарізі d |
|||||||||||||||||
| 10 |
12 |
16 |
20 |
24 |
27 |
30 |
36 |
42 |
48 |
52 |
56 |
60 |
64 |
68 |
72 |
76 |
80 |
|
| 220 |
- |
- |
40 |
48 |
58 |
55 |
60 |
70 |
75 |
90 |
95 |
- |
- |
- |
- |
- |
- |
- |
| 230 |
- |
- |
65 |
95 |
- |
- |
- |
- |
- |
- |
- |
|||||||
| 240 |
- |
- |
- |
- |
- |
- |
- |
- |
- |
- |
- |
|||||||
| 250 |
- |
- |
- |
- |
70 |
105 |
115 |
120 |
- |
- |
- |
- |
||||||
| 260 |
- |
- |
- |
- |
- |
- |
- |
- |
- |
|||||||||
| 270 |
- |
- |
- |
- |
- |
80 |
- |
- |
- |
- |
||||||||
| 280 |
- |
- |
- |
- |
- |
- |
- |
- |
- |
- |
||||||||
| 290 |
- |
- |
- |
- |
- |
- |
- |
- |
- |
- |
||||||||
| 300 |
- |
- |
- |
- |
- |
- |
- |
- |
- |
- |
||||||||
| 310 |
- |
- |
- |
- |
- |
- |
90 |
- |
- |
- |
- |
|||||||
| 320 |
- |
- |
- |
- |
- |
- |
- |
- |
- |
- |
||||||||
| 330 |
- |
- |
- |
- |
- |
- |
125 |
135 |
135 |
- |
||||||||
| 340 |
- |
- |
- |
- |
- |
- |
135 |
|||||||||||
| 350 |
- |
- |
- |
- |
- |
- |
- |
100 |
||||||||||
| 360 |
- |
- |
- |
- |
- |
- |
- |
|||||||||||
| 370 |
- |
- |
- |
- |
- |
- |
- |
|||||||||||
| 380 |
- |
- |
- |
- |
- |
- |
- |
|||||||||||
| 390 |
- |
- |
- |
- |
- |
- |
- |
105 |
||||||||||
| 400 |
- |
- |
- |
- |
- |
- |
- |
|||||||||||
| 410 |
- |
- |
- |
- |
- |
- |
- |
- |
||||||||||
| 420 |
- |
- |
- |
- |
- |
- |
- |
- |
- |
|||||||||
| 430 |
- |
- |
- |
- |
- |
- |
- |
- |
- |
120 |
||||||||
| 440 |
- |
- |
- |
- |
- |
- |
- |
- |
- |
|||||||||
|
|
Продовження таблиці И.11 |
Розміри в міліметрах |
|||||||||||||||||
| Довжина шпильки l |
Довжина нарізного кінця l0 при номінальному діаметрі нарізі d |
||||||||||||||||||
| 10 |
12 |
16 |
20 |
24 |
27 |
30 |
36 |
42 |
48 |
52 |
56 |
60 |
64 |
68 |
72 |
76 |
80 |
||
| 450 |
- |
-- |
- |
- |
- |
- |
- |
- |
- |
- |
105 |
120 |
115 |
120 |
125 |
135 |
135 |
135 |
|
| 460 |
- |
- |
- |
- |
- |
- |
- |
- |
- |
- |
|||||||||
| 470 |
- |
- |
- |
- |
- |
- |
- |
- |
- |
- |
130 |
||||||||
| 480 |
- |
- |
- |
- |
- |
- |
- |
- |
- |
- |
|||||||||
| 490 |
- |
- |
- |
- |
- |
- |
- |
- |
- |
- |
|||||||||
| 500 |
- |
- |
- |
- |
- |
- |
- |
- |
- |
- |
|||||||||
| 510 |
- |
- |
- |
- |
- |
- |
- |
- |
- |
- |
- |
135 |
|||||||
| 520 |
- |
- |
- |
- |
- |
- |
- |
- |
- |
- |
- |
||||||||
| 530 |
- |
- |
- |
- |
- |
- |
- |
- |
- |
- |
- |
- |
|||||||
| 540 |
- |
- |
- |
- |
- |
- |
- |
- |
- |
- |
- |
- |
|||||||
| 550 |
- |
- |
- |
- |
- |
- |
- |
- |
- |
- |
- |
- |
145 |
||||||
| 560 |
- |
- |
- |
- |
- |
- |
- |
- |
- |
- |
- |
- |
- |
||||||
| 570 |
- |
- |
- |
- |
- |
- |
- |
- |
- |
- |
- |
- |
- |
||||||
| 580 |
- |
- |
- |
- |
- |
- |
- |
- |
- |
- |
- |
- |
- |
||||||
| 590 |
- |
- |
- |
- |
- |
- |
- |
- |
- |
- |
- |
- |
- |
155 |
155 |
155 |
|||
| 600 |
- |
- |
- |
- |
- |
- |
- |
- |
- |
- |
- |
- |
- |
||||||
| 610 |
- |
- |
- |
- |
- |
- |
- |
- |
- |
- |
- |
- |
- |
- |
|||||
| 620 |
- |
- |
- |
- |
- |
- |
- |
- |
- |
- |
- |
- |
- |
- |
|||||
| 630 |
- |
- |
- |
- |
- |
- |
- |
- |
- |
- |
- |
- |
- |
- |
|||||
| 640 |
- |
- |
- |
- |
- |
- |
- |
- |
- |
- |
- |
- |
- |
- |
|||||
| 650 |
- |
- |
- |
- |
- |
- |
- |
- |
- |
- |
- |
- |
- |
- |
|||||
| 660 |
- |
- |
- |
- |
- |
- |
- |
- |
- |
- |
- |
- |
- |
- |
- |
||||
| 670 |
- |
- |
- |
- |
- |
- |
- |
- |
- |
- |
- |
- |
- |
- |
- |
||||

Таблиця И.12 – Маса шпильок типу А
| Довжина шпильки l , мм |
Теоретична маса шпильки типу А, кг, при номінальному діаметрі нарізі d , мм |
|||||||||||||||||
| 10 |
12 |
16 |
20 |
24 |
27 |
30 |
36 |
42 |
48 |
52 |
56 |
60 |
64 |
68 |
72 |
76 |
80 |
|
| 45 |
0,028 |
- |
- |
- |
- |
- |
- |
- |
- |
- |
- |
- |
- |
- |
- |
- |
- |
- |
| 50 |
0,031 |
- |
- |
- |
- |
- |
- |
- |
- |
- |
- |
- |
- |
- |
- |
- |
- |
- |
| 55 |
0,034 |
0,041 |
- |
- |
- |
- |
- |
- |
- |
- |
- |
- |
- |
- |
- |
- |
- |
- |
| 60 |
0,037 |
0,045 |
- |
- |
- |
- |
- |
- |
- |
- |
- |
- |
- |
- |
- |
- |
- |
- |
| 65 |
0,040 |
0,049 |
- |
- |
- |
- |
- |
- |
- |
- |
- |
- |
- |
- |
- |
- |
- |
- |
| 70 |
0,043 |
0,054 |
0,094 |
- |
- |
- |
- |
- |
- |
- |
- |
- |
- |
- |
- |
- |
- |
- |
| 75 |
0,046 |
0,058 |
0,102 |
- |
- |
- |
- |
- |
- |
- |
- |
- |
- |
- |
- |
- |
- |
- |
| 80 |
0,049 |
0,063 |
0,110 |
- |
- |
- |
- |
- |
- |
- |
- |
- |
- |
- |
- |
- |
- |
- |
| 85 |
0,052 |
0,067 |
0,118 |
0,178 |
- |
- |
- |
- |
- |
- |
- |
- |
- |
- |
- |
- |
- |
- |
| 90 |
0,055 |
0,072 |
0,126 |
0,191 |
- |
- |
- |
- |
- |
- |
- |
- |
- |
- |
- |
- |
- |
- |
| 95 |
0,058 |
0,076 |
0,134 |
0,203 |
- |
- |
- |
- |
- |
- |
- |
- |
- |
- |
- |
- |
- |
- |
| 100 |
0,061 |
0,081 |
0,142 |
0,216 |
- |
- |
- |
- |
- |
- |
- |
- |
- |
- |
- |
- |
- |
- |
| 110 |
0,064 |
0,090 |
0,158 |
0,241 |
0,336 |
- |
- |
- |
- |
- |
- |
- |
- |
- |
- |
- |
- |
- |
| 120 |
0,067 |
0,099 |
0,173 |
0,266 |
0,371 |
0,469 |
- |
- |
- |
- |
- |
- |
- |
- |
- |
- |
- |
- |
| 130 |
0,070 |
0,108 |
0,189 |
0,290 |
0,407 |
0,514 |
0,623 |
- |
- |
- |
- |
- |
- |
- |
- |
- |
- |
- |
| 140 |
0,073 |
0,117 |
0,205 |
0,315 |
0,442 |
0,559 |
0,679 |
- |
- |
- |
- |
- |
- |
- |
- |
- |
- |
- |
| 150 |
0,076 |
0,126 |
0,221 |
0,340 |
0,477 |
0,603 |
0,734 |
1,042 |
- |
- |
- |
- |
- |
- |
- |
- |
- |
- |
| 160 |
- |
0,135 |
0,236 |
0,364 |
0,513 |
0,648 |
0,790 |
1,122 |
1,520 |
- |
- |
- |
- |
- |
- |
- |
- |
- |
| 170 |
- |
0,144 |
0,252 |
0,389 |
0,548 |
0,694 |
0,845 |
1,202 |
1,628 |
- |
- |
- |
- |
- |
- |
- |
- |
- |
| 180 |
- |
0,153 |
0,268 |
0,413 |
0,584 |
0,738 |
0,901 |
1,282 |
1,737 |
- |
- |
- |
- |
- |
- |
- |
- |
- |
| 190 |
- |
0,162 |
0,283 |
0,438 |
0,620 |
0,784 |
0,956 |
1,362 |
1,845 |
- |
- |
- |
- |
- |
- |
- |
- |
- |
| 200 |
- |
0,171 |
0,300 |
0,463 |
0,655 |
0,827 |
1,012 |
1,443 |
1,953 |
2,504 |
- |
- |
- |
- |
- |
- |
- |
- |
| 210 |
- |
- |
0,316 |
0,488 |
0,691 |
0,873 |
1,067 |
1,523 |
2,062 |
2,645 |
- |
- |
- |
- |
- |
- |
- |
- |
| 220 |
- |
- |
0,332 |
0,513 |
0,726 |
0,919 |
1,123 |
1,603 |
2,171 |
2,787 |
3,280 |
- |
- |
- |
- |
- |
- |
- |
Продовження таблиці И.12
| Довжина шпильки l , мм |
Теоретична маса шпильки типу А, кг, при номінальному діаметрі нарізі d , мм |
|||||||||||||||||
| 10 |
12 |
16 |
20 |
24 |
27 |
30 |
36 |
42 |
48 |
52 |
56 |
60 |
64 |
68 |
72 |
76 |
80 |
|
| 230 |
- |
- |
0,348 |
0,538 |
0,761 |
0,964 |
1,178 |
1,683 |
2,279 |
2,929 |
3,446 |
- |
- |
- |
- |
- |
- |
- |
| 240 |
- |
- |
- |
- |
0,797 |
1,009 |
1,234 |
1,763 |
2,387 |
3,071 |
3,612 |
- |
- |
- |
- |
- |
- |
- |
| 250 |
- |
- |
- |
- |
0,833 |
1,053 |
1,289 |
1,843 |
2,494 |
3,214 |
3,778 |
4,432 |
- |
- |
- |
- |
- |
- |
| 260 |
- |
- |
- |
- |
- |
1,098 |
1,345 |
1,923 |
2,602 |
3,358 |
3,945 |
4,525 |
- |
- |
- |
- |
- |
- |
| 270 |
- |
- |
- |
- |
- |
1,141 |
1,400 |
2,003 |
2,712 |
3,499 |
4,112 |
4,717 |
- |
- |
- |
- |
- |
- |
| 280 |
- |
- |
- |
- |
- |
- |
1,455 |
2,083 |
2,822 |
3,640 |
4,280 |
4,910 |
5,620 |
- |
- |
- |
- |
- |
| 290 |
- |
- |
- |
- |
- |
- |
1,511 |
2,164 |
2,927 |
3,782 |
4,445 |
5,105 |
5,842 |
- |
- |
- |
- |
- |
| 300 |
- |
- |
- |
- |
- |
- |
1,567 |
2,245 |
3,032 |
3,925 |
4,610 |
5,300 |
6,065 |
- |
- |
- |
- |
- |
| 310 |
- |
- |
- |
- |
- |
- |
1,622 |
2,323 |
3,142 |
4,067 |
4,777 |
5,492 |
6,287 |
7,120 |
- |
- |
- |
- |
| 320 |
- |
- |
- |
- |
- |
- |
1,678 |
2,402 |
3,252 |
4,210 |
4,945 |
5,685 |
6,510 |
7,370 |
- |
- |
- |
- |
| 330 |
- |
- |
- |
- |
- |
- |
1,733 |
2,482 |
3,362 |
4,350 |
5,112 |
5,877 |
6,730 |
7,625 |
8,620 |
- |
- |
- |
| 340 |
- |
- |
- |
- |
- |
- |
1,788 |
2,563 |
3,472 |
4,490 |
5,280 |
6,070 |
6,950 |
7,880 |
8,910 |
9,960 |
12,10 |
- |
| 350 |
- |
- |
- |
- |
- |
- |
- |
2,642 |
3,582 |
4,635 |
5,445 |
6,262 |
7,175 |
8,130 |
9,190 |
10,27 |
12,45 |
13,81 |
| 360 |
- |
- |
- |
- |
- |
- |
- |
2,722 |
3,692 |
4,780 |
5,610 |
6,455 |
7,400 |
8,380 |
9,470 |
10,58 |
12,81 |
14,21 |
| 370 |
- |
- |
- |
- |
- |
- |
- |
2,804 |
3,799 |
4,920 |
5,777 |
6,647 |
7,620 |
8,365 |
9,760 |
10,90 |
13,17 |
14,60 |
| 380 |
- |
- |
- |
- |
- |
- |
- |
2,887 |
3,907 |
5,060 |
5,945 |
6,840 |
7,840 |
8,890 |
10,05 |
11,22 |
13,52 |
15,00 |
| 390 |
- |
- |
- |
- |
- |
- |
- |
2,964 |
4,019 |
5,202 |
6,107 |
7,035 |
8,065 |
9,140 |
10,33 |
11,54 |
13,88 |
15,39 |
| 400 |
- |
- |
- |
- |
- |
- |
- |
3,042 |
4,132 |
5,345 |
6,270 |
7,230 |
8,290 |
9,390 |
10,61 |
11,87 |
14,23 |
15,78 |
| 410 |
- |
- |
- |
- |
- |
- |
- |
- |
4,232 |
5,487 |
6,435 |
7,420 |
8,510 |
9,645 |
10,90 |
12,08 |
14,59 |
16,18 |
| 420 |
- |
- |
- |
- |
- |
- |
- |
- |
- |
5,630 |
6,600 |
7,610 |
8,730 |
9,900 |
11,19 |
12,30 |
14,94 |
16,57 |
| 430 |
- |
- |
- |
- |
- |
- |
- |
- |
- |
5,775 |
6,770 |
7,810 |
8,950 |
10,15 |
11,47 |
12,72 |
15,30 |
16,97 |
| 440 |
- |
- |
- |
- |
- |
- |
- |
- |
- |
5,920 |
6,940 |
8,010 |
9,170 |
10,41 |
11,75 |
13,14 |
15,66 |
17,36 |
| 450 |
- |
- |
- |
- |
- |
- |
- |
- |
- |
- |
7,110 |
8,200 |
9,390 |
10,66 |
12,04 |
13,46 |
16,01 |
17,76 |
| 460 |
- |
- |
- |
- |
- |
- |
- |
- |
- |
- |
7,280 |
8,390 |
9,610 |
10,91 |
12,33 |
13,78 |
16,37 |
18,15 |
Закінчення таблиці И.12
| Довжина шпильки l , мм |
Теоретична маса шпильки типу А, кг, при номінальному діаметрі нарізі d , мм |
|||||||||||||||||
| 10 |
12 |
16 |
20 |
24 |
27 |
30 |
36 |
42 |
48 |
52 |
56 |
60 |
64 |
68 |
72 |
76 |
80 |
|
| 470 |
- |
- |
- |
- |
- |
- |
- |
- |
- |
- |
7,440 |
8,580 |
10,06 |
11,16 |
12,60 |
14,10 |
16,72 |
18,55 |
| 480 |
- |
- |
- |
- |
- |
- |
- |
- |
- |
- |
7,600 |
8,770 |
10,28 |
11,42 |
12,88 |
14,42 |
17,08 |
18,94 |
| 490 |
- |
- |
- |
- |
- |
- |
- |
- |
- |
- |
7,770 |
8,965 |
10,51 |
11,67 |
13,17 |
14,74 |
17,43 |
19,34 |
| 500 |
- |
- |
- |
- |
- |
- |
- |
- |
- |
- |
7,940 |
9,160 |
10,73 |
11,93 |
13,46 |
15,06 |
17,79 |
19,73 |
| 510 |
- |
- |
- |
- |
- |
- |
- |
- |
- |
- |
- |
9,350 |
10,96 |
12,17 |
13,75 |
15,38 |
18,15 |
20,13 |
| 520 |
- |
- |
- |
- |
- |
- |
- |
- |
- |
- |
- |
9,540 |
11,18 |
12,42 |
14,04 |
15,70 |
18,50 |
20,52 |
| 530 |
- |
- |
- |
- |
- |
- |
- |
- |
- |
- |
- |
- |
11,41 |
12,68 |
14,32 |
16,01 |
18,86 |
20,91 |
| 540 |
- |
- |
- |
- |
- |
- |
- |
- |
- |
- |
- |
- |
11,61 |
12,94 |
14,60 |
16,32 |
19,21 |
21,31 |
| 550 |
- |
- |
- |
- |
- |
- |
- |
- |
- |
- |
- |
- |
- |
13,19 |
14,89 |
16,65 |
19,51 |
21,70 |
| 560 |
- |
- |
- |
- |
- |
- |
- |
- |
- |
- |
- |
- |
- |
13,45 |
15,18 |
16,98 |
19,93 |
22,10 |
| 570 |
- |
- |
- |
- |
- |
- |
- |
- |
- |
- |
- |
- |
- |
13,70 |
15,46 |
17,29 |
20,28 |
22,49 |
| 580 |
- |
- |
- |
- |
- |
- |
- |
- |
- |
- |
- |
- |
- |
13,95 |
15,74 |
17,61 |
20,64 |
22,89 |
| 590 |
- |
- |
- |
- |
- |
- |
- |
- |
- |
- |
- |
- |
- |
14,20 |
16,02 |
17,91 |
20,99 |
23,28 |
| 600 |
- |
- |
- |
- |
- |
- |
- |
- |
- |
- |
- |
- |
- |
14,45 |
16,31 |
18,21 |
21,35 |
23,68 |
| 610 |
- |
- |
- |
- |
- |
- |
- |
- |
- |
- |
- |
- |
- |
- |
16,60 |
18,53 |
21,70 |
24,07 |
| 620 |
- |
- |
- |
- |
- |
- |
- |
- |
- |
- |
- |
- |
- |
- |
16,89 |
18,86 |
22,06 |
24,47 |
| 630 |
- |
- |
- |
- |
- |
- |
- |
- |
- |
- |
- |
- |
- |
- |
17,16 |
19,18 |
22,42 |
24,86 |
| 640 |
- |
- |
- |
- |
- |
- |
- |
- |
- |
- |
- |
- |
- |
- |
17,44 |
19,51 |
22,77 |
25,25 |
| 650 |
- |
- |
- |
- |
- |
- |
- |
- |
- |
- |
- |
- |
- |
- |
17,74 |
19,83 |
23,13 |
25,65 |
| 660 |
- |
- |
- |
- |
- |
- |
- |
- |
- |
- |
- |
- |
- |
- |
- |
20,16 |
23,48 |
26,04 |
| 670 |
- |
- |
- |
- |
- |
- |
- |
- |
- |
- |
- |
- |
- |
- |
- |
20,48 |
23,84 |
26,44 |
| 680 |
- |
- |
- |
- |
- |
- |
- |
- |
- |
- |
- |
- |
- |
- |
- |
20,81 |
24,19 |
26,83 |
| 690 |
- |
- |
- |
- |
- |
- |
- |
- |
- |
- |
- |
- |
- |
- |
- |
- |
24,56 |
27,23 |
| 700 |
- |
- |
- |
- |
- |
- |
- |
- |
- |
- |
- |
- |
- |
- |
- |
- |
24,91 |
27,62 |
Таблиця И.13 – Маса шпильок типу Б
| Довжина шпильки l , мм |
Теоретична маса шпильки типу Б, кг, при номінальному діаметрі нарізі d, мм |
|||||||||||||||||
| 10 |
12 |
16 |
20 |
24 |
27 |
30 |
36 |
42 |
48 |
52 |
56 |
60 |
64 |
68 |
72 |
76 |
80 |
|
| 45 |
0,028 |
- |
- |
- |
- |
- |
- |
- |
- |
- |
- |
- |
- |
- |
- |
- |
- |
- |
| 50 |
0,030 |
- |
- |
- |
- |
- |
- |
- |
- |
- |
- |
- |
- |
- |
- |
- |
- |
- |
| 55 |
0,031 |
0,040 |
- |
- |
- |
- |
- |
- |
- |
- |
- |
- |
- |
- |
- |
- |
- |
- |
| 60 |
0,033 |
0,044 |
- |
- |
- |
- |
- |
- |
- |
- |
- |
- |
- |
- |
- |
- |
- |
- |
| 65 |
0,036 |
0,048 |
- |
- |
- |
- |
- |
- |
- |
- |
- |
- |
- |
- |
- |
- |
- |
- |
| 70 |
0,038 |
0,052 |
0,097 |
- |
- |
- |
- |
- |
- |
- |
- |
- |
- |
- |
- |
- |
- |
- |
| 75 |
0,040 |
0,056 |
0,104 |
- |
- |
- |
- |
- |
- |
- |
- |
- |
- |
- |
- |
- |
- |
- |
| 80 |
0,041 |
0,059 |
0,111 |
- |
- |
- |
- |
- |
- |
- |
- |
- |
- |
- |
- |
- |
- |
- |
| 85 |
0,043 |
0,063 |
0,118 |
0,170 |
- |
- |
- |
- |
- |
- |
- |
- |
- |
- |
- |
- |
- |
- |
| 90 |
0,045 |
0,067 |
0,125 |
0,180 |
- |
- |
- |
- |
- |
- |
- |
- |
- |
- |
- |
- |
- |
- |
| 95 |
0,047 |
0,071 |
0,132 |
0,190 |
- |
- |
- |
- |
- |
- |
- |
- |
- |
- |
- |
- |
- |
- |
| 100 |
0,049 |
0,075 |
0,139 |
0,200 |
- |
- |
- |
- |
- |
- |
- |
- |
- |
- |
- |
- |
- |
- |
| 110 |
0,053 |
0,082 |
0,153 |
0,220 |
0,328 |
- |
- |
- |
- |
- |
- |
- |
- |
- |
- |
- |
- |
- |
| 120 |
0,054 |
0,090 |
0,166 |
0,240 |
0,358 |
0,462 |
- |
- |
- |
- |
- |
- |
- |
- |
- |
- |
- |
- |
| 130 |
0,055 |
0,098 |
0,180 |
0,260 |
0,388 |
0,501 |
0,628 |
- |
- |
- |
- |
- |
- |
- |
- |
- |
- |
- |
| 140 |
0,056 |
0,115 |
0,194 |
0,280 |
0,418 |
0,539 |
0,677 |
- |
- |
- |
- |
- |
- |
- |
- |
- |
- |
- |
| 150 |
0,057 |
0,123 |
0,208 |
0,300 |
0,448 |
0,578 |
0,725 |
1,007 |
- |
- |
- |
- |
- |
- |
- |
- |
- |
- |
| 160 |
- |
0,130 |
0,222 |
0,320 |
0,477 |
0,616 |
0,773 |
1,074 |
1,500 |
- |
- |
- |
- |
- |
- |
- |
- |
- |
| 170 |
- |
0,138 |
0,236 |
0,340 |
0,507 |
0,655 |
0,822 |
1,141 |
1,594 |
- |
- |
- |
- |
- |
- |
- |
- |
- |
| 180 |
- |
0,145 |
0,250 |
0,360 |
0,537 |
0,694 |
0,870 |
1,209 |
1,688 |
- |
- |
- |
- |
- |
- |
- |
- |
- |
| 190 |
- |
0,153 |
0,264 |
0,380 |
0,567 |
0,732 |
0,918 |
1,276 |
1,782 |
- |
- |
- |
- |
- |
- |
- |
- |
- |
| 200 |
- |
0,160 |
0,277 |
0,400 |
0,597 |
0,771 |
0,967 |
1,343 |
1,876 |
2,497 |
- |
- |
- |
- |
- |
- |
- |
- |
| 210 |
- |
- |
0,291 |
0,420 |
0,627 |
0,809 |
1,015 |
1,410 |
1,969 |
2,622 |
- |
- |
- |
- |
- |
- |
- |
- |
| 220 |
- |
- |
0,305 |
0,440 |
0,656 |
0,848 |
1,063 |
1,477 |
2,063 |
2,747 |
3,257 |
- |
- |
- |
- |
- |
- |
- |
Продовження таблиці И.13
| Довжина шпильки l , мм |
Теоретична маса шпильки типу Б, кг, при номінальному діаметрі нарізі d , мм |
|||||||||||||||||
| 10 |
12 |
16 |
20 |
24 |
27 |
30 |
36 |
42 |
48 |
52 |
56 |
60 |
64 |
68 |
72 |
76 |
80 |
|
| 230 |
- |
- |
0,319 |
0,460 |
0,686 |
0,886 |
1,112 |
1,544 |
2,157 |
2,872 |
3,405 |
- |
- |
- |
- |
- |
- |
- |
| 240 |
- |
- |
- |
- |
0,716 |
0,925 |
1,160 |
1,611 |
2,251 |
2,996 |
3,553 |
- |
- |
- |
- |
- |
- |
- |
| 250 |
- |
- |
- |
- |
0,746 |
0,963 |
1,209 |
1,679 |
2,345 |
3,121 |
3,701 |
4,168 |
- |
- |
- |
- |
- |
- |
| 260 |
- |
- |
- |
- |
- |
1,002 |
1,257 |
1,746 |
2,438 |
3,246 |
3,849 |
4,334 |
- |
- |
- |
- |
- |
- |
| 270 |
- |
- |
- |
- |
- |
1,040 |
1,305 |
1,813 |
2,532 |
3,371 |
3,997 |
4,501 |
- |
- |
- |
- |
- |
- |
| 280 |
- |
- |
- |
- |
- |
- |
1,354 |
1,880 |
2,626 |
3,496 |
4,145 |
4,668 |
5,414 |
- |
- |
- |
- |
- |
| 290 |
- |
- |
- |
- |
- |
- |
1,402 |
1,947 |
2,720 |
3,621 |
4,293 |
4,993 |
5,607 |
- |
- |
- |
- |
- |
| 300 |
- |
- |
- |
- |
- |
- |
1,450 |
2,014 |
2,813 |
3,746 |
4,441 |
5,001 |
5,800 |
- |
- |
- |
- |
- |
| 310 |
- |
- |
- |
- |
- |
- |
1,499 |
2,081 |
2,907 |
3,870 |
4,589 |
5,168 |
5,994 |
6,880 |
- |
- |
- |
- |
| 320 |
- |
- |
- |
- |
- |
- |
1,547 |
2,148 |
3,001 |
3,995 |
4,737 |
5,335 |
6,187 |
7,102 |
- |
- |
- |
- |
| 330 |
- |
- |
- |
- |
- |
- |
1,595 |
2,216 |
3,095 |
4,120 |
4,885 |
5,501 |
6,381 |
7,324 |
8,333 |
- |
- |
- |
| 340 |
- |
- |
- |
- |
- |
- |
1,644 |
2,283 |
3,189 |
4,245 |
5,032 |
5,668 |
6,574 |
7,546 |
8,586 |
9,980 |
11,72 |
- |
| 350 |
- |
- |
- |
- |
- |
- |
- |
2,350 |
3,282 |
4,370 |
5,181 |
5,835 |
6,767 |
7,768 |
8,839 |
10,27 |
12,02 |
13,35 |
| 360 |
- |
- |
- |
- |
- |
- |
- |
2,417 |
3,376 |
4,495 |
5,329 |
6,002 |
6,961 |
7,990 |
9,091 |
10,56 |
12,32 |
13,69 |
| 370 |
- |
- |
- |
- |
- |
- |
- |
2,484 |
3,470 |
4,619 |
5,477 |
6,168 |
7,154 |
8,212 |
9,344 |
10,86 |
12,63 |
14,03 |
| 380 |
- |
- |
- |
- |
- |
- |
- |
2,551 |
3,564 |
4,744 |
5,626 |
6,335 |
7,347 |
8,434 |
9,596 |
11,15 |
12,92 |
14,37 |
| 390 |
- |
- |
- |
- |
- |
- |
- |
2,618 |
3,657 |
4,869 |
5,773 |
6,507 |
7,541 |
8,656 |
9,849 |
11,44 |
13,23 |
14,70 |
| 400 |
- |
- |
- |
- |
- |
- |
- |
2,686 |
3,751 |
4,994 |
5,921 |
6,668 |
7,734 |
8,878 |
10,10 |
11,74 |
13,52 |
15,04 |
| 410 |
- |
- |
- |
- |
- |
- |
- |
- |
3,845 |
5,119 |
6,069 |
6,835 |
7,927 |
9,100 |
10,35 |
12,03 |
13,82 |
15,38 |
| 420 |
- |
- |
- |
- |
- |
- |
- |
- |
- |
5,244 |
6,217 |
7,002 |
8,121 |
9,322 |
10,60 |
12,32 |
14,13 |
15,71 |
| 430 |
- |
- |
- |
- |
- |
- |
- |
- |
- |
5,369 |
6,365 |
7,169 |
8,314 |
9,544 |
10,85 |
12,62 |
14,43 |
16,05 |
| 440 |
- |
- |
- |
- |
- |
- |
- |
- |
- |
5,493 |
6,513 |
7,335 |
8,507 |
9,766 |
11,11 |
12,91 |
14,74 |
16,39 |
| 450 |
- |
- |
- |
- |
- |
- |
- |
- |
- |
- |
6,661 |
7,502 |
8,701 |
9,988 |
11,36 |
13,20 |
15,03 |
16,73 |
| 460 |
- |
- |
- |
- |
- |
- |
- |
- |
- |
- |
6,809 |
7,669 |
8,894 |
10,21 |
11,61 |
13,50 |
15,34 |
17,06 |
Закінчення таблиці И.13
| Довжина шпильки l , мм |
Теоретична маса шпильки типу Б, кг, при номінальному діаметрі нарізі d , мм |
|||||||||||||||||
| 10 |
12 |
16 |
20 |
24 |
27 |
30 |
36 |
42 |
48 |
52 |
56 |
60 |
64 |
68 |
72 |
76 |
80 |
|
| 470 |
- |
- |
- |
- |
- |
- |
- |
- |
- |
- |
6,957 |
7,835 |
9,087 |
10,43 |
11,86 |
13,79 |
15,63 |
17,41 |
| 480 |
- |
- |
- |
- |
- |
- |
- |
- |
- |
- |
7,105 |
8,002 |
9,281 |
10,65 |
12,12 |
14,08 |
15,94 |
17,74 |
| 490 |
- |
- |
- |
- |
- |
- |
- |
- |
- |
- |
7,253 |
8,169 |
9,474 |
10,87 |
12,37 |
14,38 |
16,24 |
18,08 |
| 500 |
- |
- |
- |
- |
- |
- |
- |
- |
- |
- |
7,402 |
8,336 |
9,668 |
11,09 |
12,62 |
14,67 |
16,54 |
18,41 |
| 510 |
- |
- |
- |
- |
- |
- |
- |
- |
- |
- |
- |
8,502 |
9,861 |
11,31 |
12,87 |
14,97 |
16,85 |
18,76 |
| 520 |
- |
- |
- |
- |
- |
- |
- |
- |
- |
- |
- |
8,669 |
10,05 |
11,54 |
13,13 |
15,56 |
17,14 |
19,09 |
| 530 |
- |
- |
- |
- |
- |
- |
- |
- |
- |
- |
- |
- |
10,25 |
11,76 |
13,38 |
15,55 |
17,45 |
19,42 |
| 540 |
- |
- |
- |
- |
- |
- |
- |
- |
- |
- |
- |
- |
10,44 |
11,98 |
13,63 |
15,85 |
17,74 |
19,76 |
| 550 |
- |
- |
- |
- |
- |
- |
- |
- |
- |
- |
- |
- |
- |
12,20 |
13,88 |
16,14 |
18,05 |
20,10 |
| 560 |
- |
- |
- |
- |
- |
- |
- |
- |
- |
- |
- |
- |
- |
12,42 |
14,14 |
16,43 |
18,35 |
20,44 |
| 570 |
- |
- |
- |
- |
- |
- |
- |
- |
- |
- |
- |
- |
- |
12,65 |
14,39 |
16,73 |
18,65 |
20,77 |
| 580 |
- |
- |
- |
- |
- |
- |
- |
- |
- |
- |
- |
- |
- |
12,87 |
14,64 |
17,02 |
18,96 |
21,11 |
| 590 |
- |
- |
- |
- |
- |
- |
- |
- |
- |
- |
- |
- |
- |
13,09 |
14,89 |
17,31 |
19,47 |
21,68 |
| 600 |
- |
- |
- |
- |
- |
- |
- |
- |
- |
- |
- |
- |
- |
13,31 |
15,15 |
17,61 |
19,77 |
22,02 |
| 610 |
- |
- |
- |
- |
- |
- |
- |
- |
- |
- |
- |
- |
- |
- |
15,40 |
17,90 |
20,07 |
22,35 |
| 620 |
- |
- |
- |
- |
- |
- |
- |
- |
- |
- |
- |
- |
- |
- |
15,65 |
18,19 |
20,38 |
22,69 |
| 630 |
- |
- |
- |
- |
- |
- |
- |
- |
- |
- |
- |
- |
- |
- |
15,90 |
18,49 |
20,68 |
22,93 |
| 640 |
- |
- |
- |
- |
- |
- |
- |
- |
- |
- |
- |
- |
- |
- |
16,16 |
18,78 |
20,98 |
23,36 |
| 650 |
- |
- |
- |
- |
- |
- |
- |
- |
- |
- |
- |
- |
- |
- |
16,41 |
19,07 |
21,28 |
23,70 |
| 660 |
- |
- |
- |
- |
- |
- |
- |
- |
- |
- |
- |
- |
- |
- |
- |
19,37 |
21,58 |
24,04 |
| 670 |
- |
- |
- |
- |
- |
- |
- |
- |
- |
- |
- |
- |
- |
- |
- |
19,66 |
21,88 |
24,38 |
| 680 |
- |
- |
- |
- |
- |
- |
- |
- |
- |
- |
- |
- |
- |
- |
- |
19,96 |
22,18 |
24,71 |
| 690 |
- |
- |
- |
- |
- |
- |
- |
- |
- |
- |
- |
- |
- |
- |
- |
20,25 |
22,49 |
25,05 |
| 700 |
- |
- |
- |
- |
- |
- |
- |
- |
- |
- |
- |
- |
- |
- |
- |
20,54 |
22,79 |
25,39 |
Гайки для фланцевих з’єднань на номінальний (умовний) тиск РN ≥ 4 МПа [13]
Конструкція та розміри гайок шестигранних типу А для фланцевих з’єднань з температурою середовища від 0 до 650 °С і умовним тиском PN не менше 4 МПа наведені на рисунку И.5 і таблиці И.14. Маса гайок типу А наведена в таблиці И.15.
Рисунок И.5 – Гайка шестигранна Таблиця И.14 – Розміри гайок
Розміри в міліметрах
| Номінальний діаметр нарізі d |
10 |
12 |
16 |
20 |
24 |
27 |
30 |
36 |
42 |
|
| Крок нарізі |
крупний |
1,5 |
1,75 |
2 |
2,5 |
3 |
3,5 |
4 |
4,5 |
|
| дрібний |
- |
- |
- |
- |
- |
- |
- |
- |
||
| Розмір "під ключ" S |
17 |
19 |
24 |
30 |
36 |
41 |
46 |
55 |
65 |
|
| Висота H |
10 |
12 |
16 |
20 |
24 |
27 |
30 |
36 |
42 |
|
| Діаметр описаної окружності D |
18,8 |
21,0 |
26,7 |
33,5 |
40,3 |
45,9 |
51,4 |
61,7 |
73,1 |
|
Закінчення таблиці И.14
Розміри в міліметрах
| Номінальний діаметр нарізі d |
48 |
52 |
56 |
60 |
64 |
68 |
72 |
76 |
80 |
|
| Крок нарізі |
крупний |
5 |
5,5 |
6 |
- |
- |
- |
|||
| дрібний |
- |
- |
- |
- |
- |
- |
6 |
|||
| Розмір "під ключ" S |
75 |
80 |
85 |
90 |
95 |
100 |
105 |
110 |
115 |
|
| Висота H |
48 |
52 |
56 |
60 |
64 |
68 |
72 |
76 |
80 |
|
| Діаметр описаної окружності D |
84,5 |
90,4 |
96,0 |
102,0 |
107,5 |
113,5 |
118,0 |
124,0 |
130,0 |
|
Умовне позначення гайки типу А, діаметром нарізі 12 мм, з вуглецевої стали 35, категорії III, з покриттям 02 товщиною 6 мкм:
Гайка А М12-6Н.35.III.026 ГОСТ 9064-75.
Таблиця И.15 – Маса гайок
| Номінальний діаметр нарізі d |
10 |
12 |
16 |
20 |
24 |
27 |
30 |
36 |
42 |
| Теоретична маса 1000 шт. гайок, кг |
0,014 |
0,019 |
0,039 |
0,077 |
0,133 |
0,194 |
0,277 |
0,446 |
0,777 |
Закінчення таблиці И.15
| Номінальний діаметр нарізі d |
48 |
52 |
56 |
60 |
64 |
68 |
72 |
76 |
80 |
| Теоретична маса 1000 шт. гайок, кг |
1,197 |
1,420 |
1,668 |
2,08 |
2,31 |
2,74 |
3,10 |
3,53 |
4,02 |
Шайби для фланцевих з’єднань на номінальний (умовний) тиск РN ≥ 4 МПа [14]
Конструкція та розміри шайб для фланцевих з’єднань з температурою середовища від 0 до 650 °С та умовним тиском PN не менше 4 МПа наведені на рисунку И.6 і таблиці И.16.
Маса шайб наведена в таблиці И.17.
291
Рисунок И.6 – Шайба
Таблиця И.16 – Розміри шайб
Розміри в міліметрах
| Номінальний діаметр нарізі шпильки d |
10 |
12 |
16 |
20 |
24 |
27 |
30 |
36 |
42 |
| Внутрішній діаметр d1 |
11 |
13 |
17 |
21 |
25 |
28 |
31 |
37 |
43 |
| Зовнішній діаметр D |
18 |
24 |
30 |
37 |
44 |
50 |
56 |
66 |
78 |
| Товщина шайби S |
2,5 |
4 |
5 |
6 |
|||||
| Фаска C |
0,5 |
1,0 |
1,6 |
||||||
Закінчення таблиці И.16
Розміри в міліметрах
| Номінальний діаметр нарізі шпильки d |
48 |
52 |
56 |
60 |
64 |
68 |
72 |
76 |
80 |
| Внутрішній діаметр d 1 |
50 |
54 |
58 |
62 |
66 |
70 |
74 |
78 |
82 |
| Зовнішній діаметр D |
90 |
95 |
100 |
110 |
115 |
120 |
126 |
132 |
138 |
| Товщина шайби S |
6 |
10 |
12 |
||||||
| Фаска C |
1,6 |
2,0 |
3,0 |
||||||
Умовне позначення шайби для шпильки з діаметром нарізі М48 зі сталі 20, категорії III, групи якості 4, з покриттям 02 товщиною 9 мкм:
Шайба 48.20.III.4.029 ГОСТ 9065-75.
Таблиця И.17 – Маса шайб
| Номінальний діаметр (розмір нарізі шпильки), d , мм |
10 |
12 |
16 |
20 |
24 |
27 |
30 |
36 |
42 |
| Теоретична маса 1000 шт. шайб, кг |
4,20 |
6,27 |
9,41 |
22,87 |
32,30 |
52,85 |
66,99 |
110,4 |
156,5 |
Закінчення таблиці И.17
| Номінальний діаметр (розмір нарізі шпильки), d , мм |
48 |
52 |
56 |
60 |
64 |
68 |
72 |
76 |
80 |
| Теоретична маса 1000 шт. шайб, кг |
345,0 |
376,3 |
408,8 |
508,6 |
546,4 |
585,2 |
640,6 |
838,3 |
910,7 |
Шпильки для фланцевих з’єднань з лінзовими ущільненнями [18]
Конструкція та розміри шпильок для фланцевих з’єднань з лінзовими ущільненнями наведені на рисунку И.7 і таблиці И.18.
а – шпилька типу А; б – шпилька типу Б
Рисунок И.7 – Шпильки для фланцевих з’єднань з лінзовими ущільненнями
293 Маса шпильок наведена в таблицях И.19 і И.20.
Таблиця И.18 – Розміри шпильок
Розміри в міліметрах
| Номінальний діаметр нарізі d |
Діаметр гладкої частини d 1 |
Діаметр хвостовика d 2 |
Довжина нарізного кінця l |
Довжина хвостовика l 1 |
Розмір „під ключ” S |
Радіус проточки R |
Межа довжини шпильок L |
| 12 |
9,5 |
8 |
30 |
8 |
7 |
4 |
60-130 |
| 14 |
11,0 |
10 |
8 |
70-150 |
|||
| 16 |
13,0 |
12 |
10 |
80-180 |
|||
| 20 |
16,0 |
15 |
36 |
12 |
110-190 |
||
| 22 |
18,0 |
17 |
40 |
14 |
120-210 |
||
| 24 |
19,0 |
17 |
45 |
14 |
6 |
130-220 |
|
| 27 |
22,0 |
20 |
17 |
160-250 |
|||
| 30 |
24,0 |
22 |
55 |
19 |
190-290 |
||
| 33 |
27,0 |
25 |
22 |
210-310 |
|||
| 36 |
29,0 |
27 |
60 |
10 |
24 |
8 |
230-360 |
| 39 |
32,0 |
30 |
65 |
12 |
27 |
240-380 |
|
| 42 |
35,0 |
32 |
70 |
14 |
30 |
280-440 |
|
| 45 |
38,0 |
35 |
75 |
32 |
10 |
300-460 |
|
| 48 |
40,0 |
37 |
80 |
15 |
320-510 |
||
| 52 |
44,0 |
41 |
85 |
18 |
36 |
12 |
360-530 |
| 56 |
47,0 |
44 |
95 |
400-560 |
Умовне позначення шпильки типу А, з діаметром нарізі М20 мм, довжиною шпильки L
50 мм, зі сталі 40ХФА без покриття:
Шпилька А М20×50.40ХФА ГОСТ 10494-80.
Те ж, типу Б:
Шпилька Б М20×50.40ХФА ГОСТ 10494-80.
Те ж, типу А з покриттям 02 товщиною 9 мкм:
Шпилька А М20×50.40ХФА.029 ГОСТ 10494-80.
Таблиця И.19 – Маса шпильок типу А
| Довжина шпильки l , мм |
Номінальний діаметр нарізі d , мм |
|||||||||||||||
| 12 |
14 |
16 |
20 |
22 |
24 |
27 |
30 |
33 |
36 |
39 |
42 |
45 |
48 |
52 |
56 |
|
| Маса, кг |
||||||||||||||||
| 60 |
0,041 |
- |
- |
- |
- |
- |
- |
- |
- |
- |
- |
- |
- |
- |
- |
- |
| 65 |
0,049 |
- |
- |
- |
- |
- |
- |
- |
- |
- |
- |
- |
- |
- |
- |
- |
| 70 |
0,054 |
0,073 |
- |
- |
- |
- |
- |
- |
- |
- |
- |
- |
- |
- |
- |
- |
| 75 |
0,058 |
0,079 |
- |
- |
- |
- |
- |
- |
- |
- |
- |
- |
- |
- |
- |
- |
| 80 |
0,063 |
0,085 |
0,113 |
- |
- |
- |
- |
- |
- |
- |
- |
- |
- |
- |
- |
- |
| 85 |
0,067 |
0,091 |
0,121 |
- |
- |
- |
- |
- |
- |
- |
- |
- |
- |
- |
- |
- |
| 90 |
0,071 |
0,097 |
0,129 |
- |
- |
- |
- |
- |
- |
- |
- |
- |
- |
- |
- |
- |
| 95 |
0,076 |
0,103 |
0,137 |
- |
- |
- |
- |
- |
- |
- |
- |
- |
- |
- |
- |
- |
| 100 |
0,080 |
0,109 |
0,145 |
- |
- |
- |
- |
- |
- |
- |
- |
- |
- |
- |
- |
- |
| 105 |
0,084 |
0,115 |
0,153 |
- |
- |
- |
- |
- |
- |
- |
- |
- |
- |
- |
- |
- |
| 110 |
0,089 |
0,121 |
0,161 |
0,244 |
- |
- |
- |
- |
- |
- |
- |
- |
- |
- |
- |
- |
| 115 |
0,091 |
0,127 |
0,169 |
0,256 |
- |
- |
- |
- |
- |
- |
- |
- |
- |
- |
- |
- |
| 120 |
0,098 |
0,133 |
0,177 |
0,268 |
0,329 |
- |
- |
- |
- |
- |
- |
- |
- |
- |
- |
- |
| 130 |
0,107 |
0,145 |
0,192 |
0,293 |
0,358 |
0,421 |
- |
- |
- |
- |
- |
- |
- |
- |
- |
- |
| 140 |
- |
0,157 |
0,208 |
0,313 |
0,388 |
0,456 |
- |
- |
- |
- |
- |
- |
- |
- |
- |
- |
| 150 |
- |
0,170 |
0,224 |
0,342 |
0,418 |
0,492 |
- |
- |
- |
- |
- |
- |
- |
- |
- |
- |
| 160 |
- |
- |
0,240 |
0,367 |
0,448 |
0,527 |
0,665 |
- |
- |
- |
- |
- |
- |
- |
- |
- |
| 170 |
- |
- |
0,256 |
0,392 |
0,478 |
0,563 |
0,710 |
- |
- |
- |
- |
- |
- |
- |
- |
- |
| 180 |
- |
- |
0,272 |
0,417 |
0,508 |
0,598 |
0,755 |
- |
- |
- |
- |
- |
- |
- |
- |
- |
| 190 |
- |
- |
- |
0,441 |
0,537 |
0,634 |
0,800 |
0,975 |
- |
- |
- |
- |
- |
- |
- |
- |
| 200 |
- |
- |
- |
- |
0,568 |
0,669 |
0,845 |
1,031 |
- |
- |
- |
- |
- |
- |
- |
- |
Продовження таблиці И.19
| Довжина шпильки l , мм |
Номінальний діаметр нарізі d , мм |
|||||||||||||||
| 12 |
14 |
16 |
20 |
22 |
24 |
27 |
30 |
33 |
36 |
39 |
42 |
45 |
48 |
52 |
56 |
|
| Маса, кг |
||||||||||||||||
| 210 |
- |
- |
- |
- |
0,597 |
0,705 |
0,890 |
1,086 |
1,314 |
- |
- |
- |
- |
- |
- |
- |
| 220 |
- |
- |
- |
- |
- |
0,741 |
0,935 |
1,142 |
1,381 |
- |
- |
- |
- |
- |
- |
- |
| 230 |
- |
- |
- |
- |
- |
- |
0,980 |
1,197 |
1,448 |
1,711 |
- |
- |
- |
- |
- |
- |
| 240 |
- |
- |
- |
- |
- |
- |
1,025 |
1,253 |
1,515 |
1,791 |
- |
- |
- |
- |
- |
- |
| 250 |
- |
- |
- |
- |
- |
- |
1,070 |
1,308 |
1,582 |
1,871 |
- |
- |
- |
- |
- |
- |
| 260 |
- |
- |
- |
- |
- |
- |
- |
1,364 |
1,649 |
1,951 |
2,311 |
- |
- |
- |
- |
- |
| 270 |
- |
- |
- |
- |
- |
- |
- |
1,419 |
1,716 |
2,031 |
2,405 |
- |
- |
- |
- |
- |
| 280 |
- |
- |
- |
- |
- |
- |
- |
1,475 |
1,784 |
2,110 |
2,498 |
2,381 |
- |
- |
- |
- |
| 290 |
- |
- |
- |
- |
- |
- |
- |
1,530 |
1,851 |
2,190 |
2,592 |
2,990 |
- |
- |
- |
- |
| 300 |
- |
- |
- |
- |
- |
- |
- |
- |
1,918 |
2,270 |
2,686 |
3,098 |
3,564 |
- |
- |
- |
| 310 |
- |
- |
- |
- |
- |
- |
- |
- |
1,985 |
2,350 |
2,780 |
3,207 |
3,689 |
- |
- |
- |
| 320 |
- |
- |
- |
- |
- |
- |
- |
- |
- |
2,430 |
2,874 |
3,316 |
3,814 |
4,290 |
- |
- |
| 330 |
- |
- |
- |
- |
- |
- |
- |
- |
- |
2,510 |
2,967 |
3,425 |
3,939 |
4,431 |
- |
- |
| 340 |
- |
- |
- |
- |
- |
- |
- |
- |
- |
2,690 |
3,061 |
3,539 |
4,064 |
4,573 |
- |
- |
| 350 |
- |
- |
- |
- |
- |
- |
- |
- |
- |
2,670 |
3,155 |
3,642 |
4,188 |
4,715 |
- |
- |
| 360 |
- |
- |
- |
- |
- |
- |
- |
- |
- |
2,750 |
3,249 |
3,751 |
4,313 |
4,857 |
5,735 |
- |
| 370 |
- |
- |
- |
- |
- |
- |
- |
- |
- |
- |
3,343 |
3,860 |
4,438 |
4,999 |
5,902 |
- |
| 380 |
- |
- |
- |
- |
- |
- |
- |
- |
- |
- |
3,437 |
3,963 |
4,563 |
5,181 |
6,068 |
- |
| 390 |
- |
- |
- |
- |
- |
- |
- |
- |
- |
- |
- |
4,077 |
4,688 |
5,283 |
6,235 |
- |
| 400 |
- |
- |
- |
- |
- |
- |
- |
- |
- |
- |
- |
4,186 |
4,813 |
5,425 |
6,402 |
7,358 |
| 410 |
- |
- |
- |
- |
- |
- |
- |
- |
- |
- |
- |
4,295 |
4,938 |
5,567 |
6,568 |
7,551 |
Закінчення таблиці И.19
| Довжина шпильки l , мм |
Номінальний діаметр нарізі d , мм |
|||||||||||||||
| 12 |
14 |
16 |
20 |
22 |
24 |
27 |
30 |
33 |
36 |
39 |
42 |
45 |
48 |
52 |
56 |
|
| Маса, кг |
||||||||||||||||
| 420 |
- |
- |
- |
- |
- |
- |
- |
- |
- |
- |
- |
4,404 |
5,062 |
5,709 |
6,735 |
7,745 |
| 430 |
- |
- |
- |
- |
- |
- |
- |
- |
- |
- |
- |
4,513 |
5,188 |
5,851 |
6,902 |
7,938 |
| 440 |
- |
- |
- |
- |
- |
- |
- |
- |
- |
- |
- |
4,621 |
5,312 |
5,994 |
7,064 |
8,131 |
| 450 |
- |
- |
- |
- |
- |
- |
- |
- |
- |
- |
- |
- |
5,437 |
6,136 |
7,235 |
8,325 |
| 460 |
- |
- |
- |
- |
- |
- |
- |
- |
- |
- |
- |
- |
5,562 |
6,278 |
7,402 |
8,518 |
| 470 |
- |
- |
- |
- |
- |
- |
- |
- |
- |
- |
- |
- |
- |
6,420 |
7,569 |
8,711 |
| 480 |
- |
- |
- |
- |
- |
- |
- |
- |
- |
- |
- |
- |
- |
6,562 |
7,735 |
8,905 |
| 490 |
- |
- |
- |
- |
- |
- |
- |
- |
- |
- |
- |
- |
- |
6,704 |
7,903 |
9,098 |
| 500 |
- |
- |
- |
- |
- |
- |
- |
- |
- |
- |
- |
- |
- |
6,846 |
8,060 |
9,291 |
| 510 |
- |
- |
- |
- |
- |
- |
- |
- |
- |
- |
- |
- |
- |
6,988 |
8,230 |
9,485 |
| 520 |
- |
- |
- |
- |
- |
- |
- |
- |
- |
- |
- |
- |
- |
- |
8,403 |
9,678 |
| 530 |
- |
- |
- |
- |
- |
- |
- |
- |
- |
- |
- |
- |
- |
- |
8,569 |
9,872 |
| 540 |
- |
- |
- |
- |
- |
- |
- |
- |
- |
- |
- |
- |
- |
- |
- |
10,07 |
| 550 |
- |
- |
- |
- |
- |
- |
- |
- |
- |
- |
- |
- |
- |
- |
- |
10,26 |
| 560 |
- |
- |
- |
- |
- |
- |
- |
- |
- |
- |
- |
- |
- |
- |
- |
10,45 |
Таблиця И.20 – Маса шпильок типу Б
| Довжина шпильки l , мм |
Номінальний діаметр нарізі d , мм |
|||||||||||||||
| 12 |
14 |
16 |
20 |
22 |
24 |
27 |
30 |
33 |
36 |
39 |
42 |
45 |
48 |
52 |
56 |
|
| Маса, кг |
||||||||||||||||
| 60 |
0,045 |
- |
- |
- |
- |
- |
- |
- |
- |
- |
- |
- |
- |
- |
- |
- |
| 65 |
0,047 |
- |
- |
- |
- |
- |
- |
- |
- |
- |
- |
- |
- |
- |
- |
- |
| 70 |
0,050 |
0,068 |
- |
- |
- |
- |
- |
- |
- |
- |
- |
- |
- |
- |
- |
- |
| 75 |
0,053 |
0,072 |
- |
- |
- |
- |
- |
- |
- |
- |
- |
- |
- |
- |
- |
- |
| 80 |
0,056 |
0,075 |
0,101 |
- |
- |
- |
- |
- |
- |
- |
- |
- |
- |
- |
- |
- |
| 85 |
0,059 |
0,079 |
0,106 |
- |
- |
- |
- |
- |
- |
- |
- |
- |
- |
- |
- |
- |
| 90 |
0,062 |
0,083 |
0,111 |
- |
- |
- |
- |
- |
- |
- |
- |
- |
- |
- |
- |
- |
| 95 |
0,064 |
0,087 |
0,116 |
- |
- |
- |
- |
- |
- |
- |
- |
- |
- |
- |
- |
- |
| 100 |
0,067 |
0,091 |
0,121 |
- |
- |
- |
- |
- |
- |
- |
- |
- |
- |
- |
- |
- |
| 105 |
0,070 |
0,095 |
0,126 |
- |
- |
- |
- |
- |
- |
- |
- |
- |
- |
- |
- |
- |
| 110 |
0,073 |
0,099 |
0,131 |
0,210 |
- |
- |
- |
- |
- |
- |
- |
- |
- |
- |
- |
- |
| 115 |
0,076 |
0,103 |
0,136 |
0,219 |
- |
- |
- |
- |
- |
- |
- |
- |
- |
- |
- |
- |
| 120 |
0,079 |
0,107 |
0,141 |
0,227 |
0,283 |
- |
- |
- |
- |
- |
- |
- |
- |
- |
- |
- |
| 130 |
0,084 |
0,114 |
0,151 |
0,244 |
0,304 |
0,356 |
- |
- |
- |
- |
- |
- |
- |
- |
- |
- |
| 140 |
- |
0,122 |
0,162 |
0,261 |
0,325 |
0,379 |
- |
- |
- |
- |
- |
- |
- |
- |
- |
- |
| 150 |
- |
0,129 |
0,172 |
0,277 |
0,346 |
0,403 |
- |
- |
- |
- |
- |
- |
- |
- |
- |
- |
| 160 |
- |
- |
0,182 |
0,294 |
0,368 |
0,426 |
0,561 |
- |
- |
- |
- |
- |
- |
- |
- |
- |
| 170 |
- |
- |
0,192 |
0,310 |
0,388 |
0,450 |
0,593 |
- |
- |
- |
- |
- |
- |
- |
- |
- |
| 180 |
- |
- |
0,202 |
0,326 |
0,409 |
0,473 |
0,624 |
- |
- |
- |
- |
- |
- |
- |
- |
- |
| 190 |
- |
- |
- |
0,343 |
0,430 |
0,497 |
0,656 |
0,785 |
- |
- |
- |
- |
- |
- |
- |
- |
| 200 |
- |
- |
- |
- |
0,452 |
0,520 |
0,687 |
0,821 |
- |
- |
- |
- |
- |
- |
- |
- |
Продовження таблиці И.20
| Довжина шпильки l , мм |
Номінальний діаметр нарізі d , мм |
|||||||||||||||
| 12 |
14 |
16 |
20 |
22 |
24 |
27 |
30 |
33 |
36 |
39 |
42 |
45 |
48 |
52 |
56 |
|
| Маса, кг |
||||||||||||||||
| 210 |
- |
- |
- |
- |
0,473 |
0,543 |
0,718 |
0,856 |
1,080 |
- |
- |
- |
- |
- |
- |
- |
| 220 |
- |
- |
- |
- |
- |
0,567 |
0,749 |
0,892 |
1,126 |
- |
- |
- |
- |
- |
- |
- |
| 230 |
- |
- |
- |
- |
- |
- |
0,780 |
0,927 |
1,171 |
1,425 |
- |
- |
- |
- |
- |
- |
| 240 |
- |
- |
- |
- |
- |
- |
0,811 |
0,964 |
1,216 |
1,481 |
- |
- |
- |
- |
- |
- |
| 250 |
- |
- |
- |
- |
- |
- |
0,843 |
0,998 |
1,261 |
1,536 |
- |
- |
- |
- |
- |
- |
| 260 |
- |
- |
- |
- |
- |
- |
- |
1,034 |
1,306 |
1,592 |
1,903 |
- |
- |
- |
- |
- |
| 270 |
- |
- |
- |
- |
- |
- |
- |
1,069 |
1,351 |
1,647 |
1,968 |
- |
- |
- |
- |
- |
| 280 |
- |
- |
- |
- |
- |
- |
- |
1,105 |
1,396 |
1,703 |
2,033 |
2,407 |
- |
- |
- |
- |
| 290 |
- |
- |
- |
- |
- |
- |
- |
1,140 |
1,441 |
1,758 |
2,098 |
2,483 |
- |
- |
- |
- |
| 300 |
- |
- |
- |
- |
- |
- |
- |
- |
1,486 |
1,814 |
2,164 |
2,560 |
3,021 |
- |
- |
- |
| 310 |
- |
- |
- |
- |
- |
- |
- |
- |
1,531 |
1,869 |
2,229 |
2,636 |
3,112 |
- |
- |
- |
| 320 |
- |
- |
- |
- |
- |
- |
- |
- |
- |
1,925 |
2,294 |
2,712 |
3,203 |
3,592 |
- |
- |
| 330 |
- |
- |
- |
- |
- |
- |
- |
- |
- |
1,980 |
2,359 |
2,789 |
3,294 |
3,693 |
- |
- |
| 340 |
- |
- |
- |
- |
- |
- |
- |
- |
- |
2,063 |
2,424 |
2,865 |
3,385 |
3,795 |
- |
- |
| 350 |
- |
- |
- |
- |
- |
- |
- |
- |
- |
2,119 |
2,489 |
2,941 |
3,476 |
3,896 |
- |
- |
| 360 |
- |
- |
- |
- |
- |
- |
- |
- |
- |
- |
2,554 |
3,018 |
3,566 |
3,997 |
4,855 |
- |
| 370 |
- |
- |
- |
- |
- |
- |
- |
- |
- |
- |
2,619 |
3,094 |
3,657 |
4,098 |
4,910 |
- |
| 380 |
- |
- |
- |
- |
- |
- |
- |
- |
- |
- |
2,684 |
3,171 |
3,748 |
4,199 |
5,041 |
- |
| 390 |
- |
- |
- |
- |
- |
- |
- |
- |
- |
- |
- |
3,247 |
3,839 |
4,300 |
5,160 |
- |
| 400 |
- |
- |
- |
- |
- |
- |
- |
- |
- |
- |
- |
3,323 |
3,930 |
4,401 |
5,291 |
6,150 |
| 410 |
- |
- |
- |
- |
- |
- |
- |
- |
- |
- |
- |
3,400 |
4,021 |
4,592 |
5,400 |
6,290 |
Закінчення таблиці И.20
| Довжина шпильки l , мм |
Номінальний діаметр нарізі d , мм |
|||||||||||||||
| 12 |
14 |
16 |
20 |
22 |
24 |
27 |
30 |
33 |
36 |
39 |
42 |
45 |
48 |
52 |
56 |
|
| Маса, кг |
||||||||||||||||
| 420 |
- |
- |
- |
- |
- |
- |
- |
- |
- |
- |
- |
3,476 |
4,112 |
4,604 |
5,522 |
6,429 |
| 430 |
- |
- |
- |
- |
- |
- |
- |
- |
- |
- |
- |
3,553 |
4,263 |
4,705 |
5,643 |
6,568 |
| 440 |
- |
- |
- |
- |
- |
- |
- |
- |
- |
- |
- |
3,629 |
4,294 |
4,806 |
5,736 |
6,707 |
| 450 |
- |
- |
- |
- |
- |
- |
- |
- |
- |
- |
- |
- |
4,385 |
4,907 |
5,884 |
6,846 |
| 460 |
- |
- |
- |
- |
- |
- |
- |
- |
- |
- |
- |
- |
4,476 |
5,008 |
6,004 |
6,985 |
| 470 |
- |
- |
- |
- |
- |
- |
- |
- |
- |
- |
- |
- |
- |
5,109 |
6,125 |
7,124 |
| 480 |
- |
- |
- |
- |
- |
- |
- |
- |
- |
- |
- |
- |
- |
5,211 |
6,245 |
7,263 |
| 490 |
- |
- |
- |
- |
- |
- |
- |
- |
- |
- |
- |
- |
- |
5,312 |
6,256 |
7,402 |
| 500 |
- |
- |
- |
- |
- |
- |
- |
- |
- |
- |
- |
- |
- |
5,413 |
6,486 |
7,542 |
| 510 |
- |
- |
- |
- |
- |
- |
- |
- |
- |
- |
- |
- |
- |
5,514 |
6,607 |
7,681 |
| 520 |
- |
- |
- |
- |
- |
- |
- |
- |
- |
- |
- |
- |
- |
- |
6,727 |
7,821 |
| 530 |
- |
- |
- |
- |
- |
- |
- |
- |
- |
- |
- |
- |
- |
- |
6,848 |
7,955 |
| 540 |
- |
- |
- |
- |
- |
- |
- |
- |
- |
- |
- |
- |
- |
- |
- |
8,098 |
| 550 |
- |
- |
- |
- |
- |
- |
- |
- |
- |
- |
- |
- |
- |
- |
- |
8,237 |
| 560 |
- |
- |
- |
- |
- |
- |
- |
- |
- |
- |
- |
- |
- |
- |
- |
8,377 |
Гайки для фланцевих з’єднань з лінзовими ущільненнями [19]
Конструкція, розміри та маса гайок для фланцевих з’єднань з лінзовими ущільненнями наведені на рисунку И.8 і таблиці И.21.
Рисунок И.8 – Гайка для фланцевих з’єднань з лінзовими ущільненнями
Таблиця И.21 – Розміри гайок
Розміри в міліметрах
| Номінальний діаметр нарізі d |
Розмір „під ключ” S |
Діаметр бурта D |
Висота H |
Діаметр описаної окружності D 1 |
Висота бурта h |
Маса, кг |
| 12 |
19 |
18,0 |
12 |
21,9 |
2,0 |
0,019 |
| 14 |
22 |
20,9 |
14 |
25,4 |
0,031 |
|
| 16 |
24 |
22,8 |
16 |
27,7 |
0,039 |
|
| 20 |
30 |
28,5 |
20 |
34,6 |
3,0 |
0,077 |
| 22 |
32 |
30,4 |
22 |
36,9 |
0,093 |
|
| 24 |
36 |
34,2 |
24 |
41,6 |
0,133 |
|
| 27 |
41 |
39,0 |
27 |
47,3 |
0,194 |
|
| 30 |
46 |
43,7 |
30 |
53,1 |
0,277 |
|
| 33 |
50 |
47,5 |
33 |
57,7 |
4,0 |
0,389 |
| 36 |
55 |
52,3 |
36 |
63,5 |
0,446 |
|
| 39 |
60 |
57,0 |
39 |
69,3 |
0,637 |
|
| 42 |
65 |
61,8 |
42 |
75,0 |
5,0 |
0,777 |
| 45 |
70 |
66,5 |
45 |
80,8 |
1,100 |
|
| 48 |
75 |
71,3 |
48 |
86,5 |
1,197 |
|
| 52 |
80 |
76,0 |
52 |
92,3 |
1,420 |
|
| 56 |
85 |
80,8 |
56 |
98,0 |
1,685 |
Умовне позначення гайки з діаметром нарізі М36 мм, зі сталі 35Х, без покриття:
Гайка М36.35Х ГОСТ 10495-80.
Те ж, з покриттям 02 товщиною 9 мкм:
Гайка М36.35Х.029 ГОСТ 10495-80.
302
СПИСОК ЛІТЕРАТУРИ
1 Бабицкий И.Ф., Вихман Г.Л., Вольфсон С.И. Расчет и конструирование аппаратуры нефтеперерабатывающих заводов. – М.: Недра, 1965. – 904 с.
2 Барвін О.І., Гєнкіна І.М.; Іванченко В.В.; Тараненко Г.В.; Штонда Ю.М. Конструювання і розрахунок сталевих зварних посудин та апаратів. Обичайки та днища. – Луганськ: Вид-во Східноукр. Нац. Ун-ту імені Володимира Даля. 2005. – 300 с.
3 Долгинов Л.Ш., Прокопов В.К., Самсонов Ю.А. Расчет и конструирование фланцевых соединений судовых трубопроводов и сосудов. – Л.: Судостроение, 1972. – 264 с.
4 Стороженко В.Я. Конструювання та розрахунок рознімних герметичних з’єднань. – Київ.: ІЗМН, 1998. – 208 с.
5 Тавастшерна Р.И. Изготовление и монтаж технологических трубопроводов. – М.: Высшая школа, 1990. – 256 с.
6 Тимошук А.С., Михалев М.Ф., Третьяков Н.П., Мильченко А.И., Зобнин В.В. Основы расчета и конструирования машин и аппаратов химических производств.
Герметичность оборудования. – Л.: изд. ЛТИ им. Ленсовета, 1985. – 159 с.
7 ПБ 03-585-03. Правила устройства и безопасной эксплуатации технологических трубопроводов. – М.: ПИО ОБТ, 2003. – 131 с.
8 ГОСТ 1759.0-87. Болты, винты, шпильки и гайки. Технические условия. – М.: Издательство стандартов, 1988. – 23 с.
9 ГОСТ 1759.4-87. Болты, винты и шпильки. Механические свойства и методы испытаний. – М.: Издательство стандартов, 1988. – 23 с.
10 ГОСТ 1759.5-87. Гайки. Механические свойства и методы испытаний. – М.: Издательство стандартов, 1988. – 13 с.
11 ГОСТ 5915-70. Гайки шестигранные (нормальной точности). Конструкция и размеры. – М.: Издательство стандартов, 1972. – 4 с.
12 ГОСТ 7798-70. Болты с шестигранной головкой (нормальной точности). Конструкция и размеры. – М.: Издательство стандартов, 1972. – 10 с.
13 ГОСТ 9064-75. Гайки для фланцевых соединений с температурой среды от 0 до 650 °С. Типы и основные размеры. – М.: Издательство стандартов, 1975. – 6 с.
14 ГОСТ 9065-75. Шайбы для фланцевых соединений с температурой среды от 0 до 650 °С. Типы и основные размеры. – М.: Издательство стандартов, 1975. – 3 с.
15 ГОСТ 9066-75. Шпильки для фланцевых соединений с температурой среды от 0 до 650 °С. Типы и основные размеры. – М.: Издательство стандартов, 1975. – 28 с.
16 ГОСТ 9617-76. Сосуды и аппараты. Ряды диаметров. – М.: Издательство стандартов, 1976. – 3 с.
17 ГОСТ 10493-81. Линзы уплотнительные жесткие и компенсирующие на Ру 20-100 МПа. – М.: Издательство стандартов, 1981. – 8 с.
18 ГОСТ 10494-80. Шпильки для фланцевих соединений с линзовым уплотнением на Ру свыше 10 до 100 МПа. Технические условия. – М.: Издательство стандартов, 1981. – 9 с.
19 ГОСТ 10495-80. Гайки для фланцевих соединений на Ру свыше 10 до 100 МПа. Технические условия. – М.: Издательство стандартов, 1981. – 4 с.
20 ГОСТ 12815-80. Фланцы арматуры, соединительных частей и трубопроводов на Ру от 0,1 до 20,0 МПа. Типы. Присоединительные размеры и размеры уплотнительных поверхностей. – М.: Издательство стандартов, 1989. – 28 с.
21 ГОСТ 12816-80. Фланцы арматуры, соединительных частей и трубопроводов на Ру от 0,1 до 20,0 МПа. Общие технические требования. – М.: Издательство стандартов, 1989. – 10 с.
22 ГОСТ 12820-80. Фланцы стальные плоские приварные на Ру от 0,1 до 2,5 МПа. Конструкция и размеры. – М.: Издательство стандартов, 1989. – 16 с.
23 ГОСТ 12821-80. Фланцы стальные приварные встык на Ру от 0,1 до 20,0 МПа. Конструкция и размеры. – М.: Издательство стандартов, 1989. – 30 с.
24 ГОСТ 12822-80. Фланцы стальные свободные на приварном кольце на Ру от 0,1 до 2,5 МПа. Конструкция и размеры. – М.: Издательство стандартов, 1989. – 16 с.
25 ГОСТ 15180-86. Прокладки плоские эластичные. Основные параметры и размеры. – М.: Издательство стандартов, 1987. – 21 с.
26 ГОСТ 20700-75. Шпильки, гайки и шайбы для фланцевых соединений с температурой среды от 0 до 650 °С. Технические требования. – М.: Издательство стандартов, 1975. – 17 с.
27 ГОСТ 22042-76. Шпильки для деталей с гладкими отверстиями. Класс точности В. Конструкция и размеры. – М.: Издательство стандартов, 1987. – 14 с.
28 ГОСТ 28759.1-90. Фланцы сосудов и аппаратов. Типы и параметры. М.: Издво стандартов, 1991. – 8 с.
29 ГОСТ 28759.2-90. Фланцы сосудов и аппаратов стальные плоские приварные. Конструкция и размеры. М.: Изд-во стандартов, 1991. – 26 с.
30 ГОСТ 28759.3-90. Фланцы сосудов и аппаратов стальные приварные встик. Конструкция и размеры. М.: Изд-во стандартов, 1991. – 22 с.
31 ГОСТ 28759.4-90. Фланцы сосудов и аппаратов стальные приварные встик под прокладку восьмиугольного сечения. Конструкция и размеры. М.: Издво стандартов, 1991. – 11 с.
32 ГОСТ 28759.5-90. Фланцы сосудов и аппаратов. Технические требования. М.: Изд-во стандартов, 1991. – 7 с.
33 ГОСТ 28759.6-90. Прокладки из неметаллических материалов. Конструкция и размеры. Технические требования. М.: Изд-во стандартов, 1991. – 10 с.
34 ГОСТ 28759.7-90. Прокладки асбометаллические. Конструкция и размеры.
Технические требования. М.: Изд-во стандартов, 1991. – 7 с.
35 ГОСТ 28759.8-90. Прокладки металлические восьмиугольного сечения. Конструкция и размеры. М.: Изд-во стандартов, 1991. – 5 с.
36 ОСТ 26-02-1370-81. Фланцы переходные аппаратов приварные встык под плоскую прокладку. Конструкция и размеры. 1981. – 9 с.
37 ОСТ 26-02-1371-81. Фланцы переходные аппаратов приварные встык под прокладку восьмиугольного сечения. Конструкция и размеры. 1981. – 8 с.
304
38 ОСТ 26.260.454-99. Прокладки спирально-навитые. Типы и размеры. Общие технические требования. 1999. – 20 с.
39 ОСТ 26.260.463-99. Прокладки асбометаллические для фланцев арматуры. Конструкция, размеры и общие технические требования. 1999. – 10 с.
40 ОСТ 26-2002-83. Люки с плоскими крышками стальных сварных сосудов и аппаратов. Конструкция. 1991. – 13 с.
41 ОСТ 26-2008-83. Крышки плоские люков стальных сварных сосудов и аппаратов. Конструкция и размеры. 1991. – 14 с.
42 АТК 24-200.02-90.Заглушки фланцевые стальные. Конструкция, размеры и технические требования. 1990. – 39 с.
43 АТК 26-18-6-93. Прокладки овального и восьмиугольного сечения стальные. Конструкция и размеры. Технические требования. 1993. – 4 с.
44 РД 38.13.004-86. Эксплуатация и ремонт технологических трубопроводов под давлением до 10,0 МПа (100 кгс/см2 ): Нормат. производ. изд./ А.Е. Фолиянц, Н.В. Мартынов, В.Б. Серебряный и др.; Под ред. А.Е. Фолиянца. –М.: Химия,1988. –288 с.
45 Новое поколение высокоэффективных уплотнений: опыт применения в нефтехимии и арматуростроении /В.В. Авдеев / Химическое и нефтегазовое машиностроение. 2002. № 1. с. 28-29.
46 Фланцевые прокладки из материала нового поколения ГРАФЛЕКС на основе терморасширенного графита /В.В. Авдеев. Г.А. Уланов / Химическое и нефтегазовое машиностроение. – 2002. № 5. с. 38-40.
47 Контактные уплотнения для герметизации неподвижных разъемных соединений / В.В. Буренин // Химическое и нефтегазовое машиностроение. – 2002. № 11. с. 12-15.
48 Современные уплотнительные материалы на основе терморасширенного графита производства ЗАО «НОВОМЕТ» / О.Ю.Исаев // Химическое и нефтегазовое машиностроение. – 2002. № 12. с. 25-27.
Навчальне видання
КОНСТРУЮВАННЯ І РОЗРАХУНОК
СТАЛЕВИХ ЗВАРНИХ ПОСУДИН ТА АПАРАТІВ.
ФЛАНЦЕВІ З’ЄДНАННЯ
Укладачі:
Барвін Олександр Іванович
Гєнкіна Ірина Михайлівна
Іванченко Віктор Васильович
Тараненко Геннадій Володимирович Штонда Юрій Миколайович
Техн. редактор
Редактор
Оригінал-макет
Підписано до друку _________
Формат 60×84 1 /16 Папір типограф. Гарнітура Times.
Друк офсетний. Умов. друк. арк.____. Обл. вид. арк.______
Тираж______екз. Вид. № ______. Замовл. № _____. Ціна договірна.
Видавництво Східноукраїнського національного університету імені Володимира Даля
Свідотство про реєстрацію: серія ДК №1620 ВІД 18.12.2003
Адреса видавництва: м. Луганськ, кв. Молодіжний, 20а
Телефон: 8(0642)41-34-12, факс. 8(0642)41-31-60
Е-mail: uni@snu.edu.ua http: www.snu.edu.ua Телефон 8 (0642) 41-34-12, факс 8 (0642) 41-31-60 Надруковано ПП Сувальдо В.Р.
91034, м. Луганськ, вул.. Лермонтова, 1б