| Скачать .docx |
Реферат: Расчет параметров гидропривода
Омский государственный технический университет
Кафедра «Авиа- и ракетостроения»
Курсовая работа
Выполнение расчетов по курсу «Гидропривод ЛА»
за II семестр 2005 учебного года
Омск 2005
Задача №1
Вентиляционная труба диаметром
имеет длину
. Определить давление
, которое должен развивать вентилятор, если расход воздуха, подаваемый по трубе,
. Давление на выходе из трубы равно атмосферному. Местных сопротивлений по пути не имеется. Кинематическая вязкость воздуха при
, плотность
, шероховатость внутренней поверхности трубы
.
Исходные данные:
.
Найти:
.
Решение:
- давление на входе в вентиляционную трубу.
- суммарные потери давления.
– местных сопротивлений по пути не имеется.
- скорость течения.
- потери давления на создание скорости.
- число Рейнольдса. При
- турбулентный режим течения.
При
;
– коэффициент трения.
- потери давления на трение.
.
Задача №2
Расход воды
в горизонтальной трубе кольцевого сечения, состоящей из двух концентрических труб. Внутренняя труба имеет наружный диаметр
, а наружная труба имеет внутренний диаметр
. Найти потери напора
на трение на длине трубы
. Кинематическая вязкость воды при
, шероховатость труб
, плотность
.
Исходные данные:
.
Найти:
.
Решение:
- потери напора на трение.
- площадь проходного сечения.
.
- эквивалентный диаметр,
где
- смачиваемый периметр.
. При
- турбулентный режим течения.
При
.
.
- потери давления на трение.
.
Задача №3
Определить потери давления на трение в трубах круглого
, квадратного
и треугольного
(равносторонний треугольник) сечения при равных длине, площади «живого» сечения труб и скоростях движения воды. Длина труб
, площадь «живого» сечения
, средняя скорость движения воды
. кинематическая вязкость воды при
, плотность
, шероховатость труб
.
Исходные данные:
.
Найти:
,
,
.
Решение:
Определим потери давления на трение в трубах круглого
сечения.
Площадь круглого сечения
.
. При
- турбулентный режим течения.
При ![]()
.
.
Определим потери давления на трение в трубах квадратного
сечения.
Площадь квадратного сечения
,
где
- сторона квадрата.
.
где
.
. При
- турбулентный режим течения.
При ![]()

.
Определим потери давления на трение в трубах треугольного
(равносторонний треугольник)
сечения.
Площадь треугольного сечения
,
где
- сторона треугольника.
.
где
.
. При
- турбулентный режим течения.
При ![]()

.
Задача №4
Как изменится расход мазута
при подаче его по круглой трубе диаметром
, длиной
, если потери давления в трубе составляют
, а температура мазута составляет от
до
? Кинематическая вязкость мазута при
, при
, плотность
и изменяется незначительно, шероховатость трубы
.
Исходные данные:
.
Найти:
.
Решение:
При решении данной задачи не будем брать во внимание потери давления на создание скорости и считаем, что местных сопротивлений по пути не имеется:
и
.
Формула расхода имеет вид: ![]()
1) Температура мазута составляет
.
Примем:
.
. При
- ламинарный режим течения.
.
2) Температура мазута составляет
.
Примем:
.
. При
- турбулентный режим течения.
При
;
.
;
.
- при повышении температуры расход мазута увеличился.
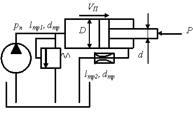
Задача №5
Определить потери давления
и
в магистралях гидропередачи (рис. 1), если расходы жидкости:
и
, диаметры трубопроводов:
и
, длины магистралей:
и
, плотность рабочей жидкости
, кинематическая вязкость жидкости при
.

Исходные данные:
.
Найти:
;
.
Решение:
- суммарные потери давления.
1) Определим
.
- скорость течения.
- потери давления на создание скорости.
. При
- ламинарный режим течения.
.
- потери давления на трение.
,
где
- для угла поворота, равного
.
.
2) Определим
.
.
- потери давления на создание скорости.
. При
- ламинарный режим течения.
.
- потери давления на трение.
.
.
Задача №7
Определить потери давления
при внезапном расширении трубопровода с
до
, если скорость воды в подводящем трубопроводе
, кинематическая вязкость при
, плотность
.
Исходные данные:
.
Найти:
.
Решение:
,
где
;
;
.
Подставляя данные равенства в формулу для
, получим:
.
Задача №8
Для ограничения расхода воды в водопроводной линии установлена диафрагма. Избыточное давление в трубе до и после диафрагмы постоянны и равны соответственно
и
, диаметр трубы
. Определить необходимый диаметр отверстия диафрагмы
с таким расчётом, чтобы расход в линии был равен
, если плотность воды при
.
Исходные данные:
.
Найти:
.
Решение:
Формула расхода жидкости через диафрагму:
,
где
- коэффициент расхода:
;
- площадь проходного сечения:
;
- перепад давлений.
Преобразовав, получим:

Задача №6
Определить расходы воды в трубе прямоугольного поперечного сечения
с отношением сторон
и в круглой трубе
при той же площади поперечного сечения
, если потери давления в этих трубопроводах одинаковы и равны
, а длина каждой трубы
. Кинематическая вязкость воды при
, плотность
.
Исходные данные:
.
Найти:
,
.
Решение:
Формула расхода имеет вид:
.
Определим стороны прямоугольной трубы:

- эквивалентный диаметр,
где
.
Определим диаметр круглой трубы:
.
Предположим, что режим течения ламинарный. Тогда
, где
и
.
Откуда для прямоугольной трубы получаем:
.
. При
- ламинарный режим течения. Предположение верно.
.
Для круглой трубы получаем:
.
. При
- ламинарный режим течения. Предположение верно.
.
Задача №9
Определить теоретическую
, полезную
и приводную
мощности насоса и крутящий момент
на его валу при расчётной подаче
и числе оборотов
, если давления на выходе насоса
и на входе
; объёмный КПД
и механический КПД
.
Решение:
.
.
.
.
Задача №10
Определить эффективную мощность
и эффективный крутящий момент
на валу гидромашины с указанными в задаче №10 параметрами при работе её в режиме гидромотора.
Решение:
.
![]()
.
![]()
Задача №11
Рассчитать усилие
на штоке гидроцилиндра и скорость
его перемещения при дроссельном регулировании. Сечение регулирующего дросселя
; давление в напорной магистрали
(объёмные и механические потери и давление в сливной магистрали не учитывать); рабочая площадь поршня
; коэффициент расхода дросселя
; плотность жидкости
.
Исходные данные:
.
Найти:
,
.
Решение:
Полагаем, что давление слива мало:
.
![]()
![]()
![]()
Задача №12
Рассчитать мощность
, подводимую к гидроцилиндру потоком жидкости с параметрами: нагрузка на штоке
, скорость поршня
, рабочая площадь поршня
, сила трения в подвижных сочленениях
, коэффициент перетечек через уплотнение поршня
.
Решение:
;
;
Запишем условие равновесия поршня:
.
Отсюда
;
;
;
;
.
Задача №22
Определить давление
на входе в силовой цилиндр. Нагрузка на штоке
, скорость поршня
, диаметры поршня
, штока
, трубопровода
, длина трубопровода
. Плотность жидкости
, вязкость
.
Решение:
- давление на выходе силового цилиндра.
-атмосферное давление.
,
где
;
. При
- ламинарный режим течения.
.
Отсюда
.
Запишем условие равновесия поршня:
.
Отсюда
.
Задача №23
Определить нагрузку на штоке
и скорость поршня
силового гидроцилиндра при перемещении его вверх, если диаметры поршня
, штока
, трубопровода
, длина трубопровода
. Давление на входе в гидроцилиндр
, производительность насоса
. Плотность рабочей жидкости
, вязкость
.
Решение:
.
.
. При
- ламинарный режим течения.
.
.
.
Запишем условие равновесия поршня:
.
Отсюда
![]()
Задача №24
Определить давление, создаваемое насосом
, и скорость поршня
, если длина трубопроводов до и после гидроцилиндра равна
, их диаметры
, диаметры поршня
, штока
, нагрузка на штоке
, подача насоса
, плотность рабочей жидкости
, вязкость
.

Решение:
;
Давление в гидроцилиндре:
.
Уравнение расходов:
.
Потери давления в трубопроводах:
;
![]()
. При
- ламинарный режим течения.
.
.
.
.
.
Задача №25
Определить скорость поршня
и минимально допустимый диаметр
дроссельной шайбы в напорной линии гидропривода, обеспечивающий перемещение поршня гидроцилиндра без кавитации. Растягивающая нагрузка на штоке
, давление насоса
, слива
, насыщенных паров жидкости
, диаметры дроссельной шайбы на сливе
, поршня
, штока
, плотность рабочей жидкости
, коэффициент расхода дроссельных шайб
.

Решение:
Условие работы без кавитации:
;
;
;
;
.
.
Расход через второй дроссель равен:
.
.
.
.
.
Задача №26
Пренебрегая гидравлическими потерями в трубопроводах, определить давление
за насосом и скорость перемещения поршня
. Нагрузка на штоке
, диаметр поршня
, плотность рабочей жидкости
, коэффициент расхода дроссельной шайбы
, площадь проходного сечения дросселя
, подача насоса
.

Решение:
Уравнение давлений:
.
.
.
Уравнение расходов:
.
.
.
Скорость поршня:
.
.
Задача №27
Определить давление
за насосом и диаметр дросселя
для перемещения поршня со скоростью
. Нагрузка на штоке
, диаметры поршня
, штока
, трубопроводов
, длины трубопроводов до и после гидроцилиндра
и
, плотность рабочей жидкости
, вязкость
, коэффициент расхода дроссельной шайбы
, подача насоса
.

Решение:
;
;
Уравнение расходов:
.


.
Из условий равенства расходов найдём:
и
;
;

. При
- ламинарный режим течения.
.
.
.
.
Находим давление насоса:
.
.
.
.
.
Задача №28
Определить давление
на входе в гидроцилиндр для перемещения поршня вправо со скоростью
. Нагрузка на штоке
, диаметры поршня
, штока
, дросселя
, плотность рабочей жидкости
, коэффициент местного сопротивления дроссельной шайбы
. Другими местными сопротивлениями и потерей давления на трение по длине трубопроводов пренебречь.

Решение:
Уравнение давлений:
![]()
;
;
| Из условия равенства расходов имеем: |

;
Тогда:
;
Давление, создаваемое насосом:
.
Задача №29
Определить коэффициент местного сопротивления дроссельной шайбы
, пренебрегая другими местными сопротивлениями, для перемещения поршня вправо со скоростью
. Нагрузка на штоке
, диаметры поршня
, штока
, дросселя
, трубопроводов
, длины трубопроводов до и после гидроцилиндра
и
, плотность рабочей жидкости
, вязкость
, давление на входе в гидроцилиндр
.

Решение:
Уравнения давлений:
;
.
.
Из условий равенства расходов найдём:
и
;


;
.
. При
- ламинарный режим течения.
.
.
.
.
.
.
.