| Скачать .docx |
Курсовая работа: Судова автоматизована електростанція рефрижератора
МІНІСТЕРСТВО ОСВІТИ ТА НАУКИ УКРАЇНИ
МИКОЛАЇВСЬКИЙ ДЕРЖАВНИЙ ПОЛІТЕХНІЧНИЙ КОЛЕДЖ
СУДОВА АВТОМАТИЗОВАНА ЕЛЕКТРОСТАНЦІЯРЕФРІЖЕРАТОРА
Пояснювальна записка до курсового проекту
5.092214.КП.Е-415.ПЗ
Керівник проекту Шевченко Р. П.
Студент Білоконь О.О.
2009р.
З МІСТ
ВСТУП
1. ЗАГАЛЬНА ЧАСТИНА
1.1Коротка характеристика судна
1.2Вибір основних параметрів
2. СПЕЦІАЛЬНА ЧАСТИНА
2.1Вибір кількості і потужності генераторів СЕЕС
2.2 Вибір структурної схеми СЕЕС та її опис
2.3 Розрахунок генераторних фідерів і фідерів , які відходять від ГРЩ
2.4 Вибір апаратів захисту для генераторів і споживачів
2.5 Вибір електровимірювальних приладів генераторної панелі ГРЩ
2.6 Розрахунок струмів короткого замикання
2.7 Перевірка автоматичних вимикачів
2.8 Перевірка шин ГРЩ на термічну й електродинамічну стійкість
2.9 Розрахунок провалу напруги синхронного генератора під час пуску потужного асинхронного короткозамкненого двигуна
2.10 Опис конструкції ГРЩ
2.11 Опис пристроїв , які встановлюються на генераторної секції ГРЩ
Література
1. ЗАГАЛЬНА ХАРАКТЕРИСТИКА
1.1 Коротка характеристика судна
Рефрижераторне судно призначене для перевезення: бананів, цитрусових,мороженого м’яса,та інших рефрижераторних вантажів,передбачена можливість перевезення невеликих партій рибного борошна в мішках або пакетах у верхньому твіндеці.
Судно призначено до прийому від крупно та середньотонажних промислових суден контактними засобами у морі рефрижераторних вантажів та рибного борошна. Одночасно можна приймати на верхню палубу й кришки люків до 43 контейнерів,16 з яких можуть бути рефрижераторними,з електропостачанням від суднової мережі.
При частковій або повній відсутності рефрижераторних вантажів судно може транспортувати у вільних трюмах генеральні вантажі зі середнім питомо-завантажувальним об’ємом 1,8 м3 /т, 20-и 40-футові контейнери, легкові автомобілі та інші вантажі. В варіанті завантаження тільки генеральним вантажем кількість 20-футових контейнерів збільшується до 103.
Район плавання судна необмежений, з довгою експлуатацією в помірних та тропічних зонах ,включно літній період в Арктиці в розряджених битих кригах і весь рік в замерзаючих неарктичних морях в легких льодових умовах. Непотоплюваність забезпечена при затопленні одного будь-якого відсіку у всіх спеціфікаційних випадках завантаження судна. При плаванні на максимальну дальність 16000 миль запаси палива зберігаються у незаміщенних цистернах.
Головні характеристики судна.
| Довжина між перпендикулярами ,м………………...……….…………………… … | 130,0 |
| Ширина ,м………………………………………………………………… | 17,7 |
| Осадка ,м………………………………..………………..………………... | 7,2 |
| Висота борту до ВП,м……………………………………………………. | 9,3 |
| Водотоннажність ,т……………………………………………………….. | 11000 |
| Швидкість,уз……………………………………………………………… | 15 |
| Палубний вантаж,т……………………………………………………….. | 250 |
1.2 Вибір основних параметрів.
До основних параметрів суднової електроенергетичної системи (СЕЕС) відносяться: рід струму, величина напруги та частота. Від правильного вибору цих параметрів залежить надійність роботи всієї СЕЕС.
В основу вибору роду струму повинні бути покладені наступні фактори:
- надійність роботи електрообладнання;
- вага та габарити електрообладнання;
- вартість електрообладнання;
- забезпечення характеристик електродвигунів електроприводів суднових механізмів і пристроїв.
Машини змінного струму не мають колектора і пов'язаного з ним щіткового апарату, цьому надійність їх роботи значно вища, ніж машин постійного струму. Крім того, синхронні генератори в теперішній час не мають машинних збуджувачів постійного струму, а мають статичну систему самозбудження та автоматичного регулювання напруги, які забезпечують високу надійність та швидкодію.
Опір ізоляції суднової системи постійного струму складає 0,2 – 0,5 МОм, змінного струму - 1-5 МОм. В суднової мережі змінного струму силова мережа відділена від мережі освітлення через знижувальні трансформатори, що підвищує опір ізоляції всієї суднової мережі. Магнітні пускачі набагато надійніше пускових реостатів.
Таким чином, з точки зору надійності, всі переваги на боці змінного струму.
Вага та габарити електричних машин змінного струму значно менше через відсутності колекторно-щіткового пристрою. Для двигунів потужністю до 12 кВт вага та габарити магнітних пускачів і пускових реостатів приблизно однакові. Для двигунів потужністю більш ніж 12 кВт вага та габарити магнітних пускачів значно менше в порівнянні з вагою та габаритами пускових реостатів. Вага та габарити кабелів практично від роду струму не залежить. Електрообладнання змінного струму має меншу вагу та габарити, тому воно потребує менше металоконструкцій для кріплення. Тобто, електроустаткування змінного струму мають переваги і за вагою та габаритами.
З точки зору вартості перевага також на боці змінного струму через те, що на виготовлення машин змінного струму іде менше міді, латуні та інших кольорових металів, а також зменшуються витрати на ремонт електрообладнання із-за його більшої надійності.
Тільки 20 - 30% споживачів вимагають плавного регулювання швидкості (палубні механізми). Інші механізми (вентилятори, насоси, компресори) не потребують плавного регулювання швидкості, саме тому для них може бути рекомендовано змінний струм. А споживачі, для живлення яких потрібен постійний струм, зможуть отримувати його від статичних перетворювачів.
При виборі величини напруги доводиться враховувати два прямо протилежних фактори: вагу та габарити електрообладнання і безпеку його обслуговування. З точки зору ваги та габаритів доцільно застосовувати підвищену напругу, з точки зору техніки безпеки - понижену. Значення номінальної напруги знаходиться в оберненій залежності від перерізу струмопровідних жил кабелю. В СЕЕС потужністю в декілька мегават перевід напруги з 220 В на 380 В дозволяє знизити вартість кабелю на 20 - 25% та масу - на 25 - 40%.
Згідно з вимогами нормативної документації [2] напруга і частота на затискачах джерел електроенергії не повинна перевищувати:
- 7500В при 50Гц - в єдиних СЕЕС трифазного змінного струму;
- 400В при 50Гц - в автономних і комбінованих СЕЕС трифазного змінного струму;
- 230В при 50Гц - в СЕЕС однофазного змінного струму
- 230В - в СЕЕС постійного струму.
Підвищення частоти електричних мереж з 50 до Гц викликає зниження сумарної маси і габаритів СЕЕС електроприймачів в 2 - 3 рази. Але при цьому зростають рівень шумів, рівень радіоперешкод, а також вартість і обсяг обслуговування. Тому СЕЕС частотою 400Гц застосовуються в основною на суднах з динамічними принципами піддержування, де маса і габарити відносяться до першочергових показників.
На підставі вищезазначеного на проектуємому судні вибираємо змінний трифазний струм напругою 400В частотою 50Гц.
2. СПЕЦІАЛЬНА ЧАСТИНА
2.1 Вибір кількості і потужності генераторів СЕЕС
Вибір кількості і потужності генераторів СЕЕС в інженерній практиці виконується методом таблиць електричних навантажень, який відрізняється простотою розрахунків і наочністю.
При виборі генераторів табличним методом Правилами Регістра передбачається розглядати наступні основні режими:
- стоянка без вантажних операцій;
- стоянка з вантажними операціями;
- ходовий режим;
- маневрений режим (знімання з якоря);
- аварійний режим.
Крім перерахованих вище основних режимів для кожного типу судна передбачаються свої характерні режими.
Порядок складання таблиці навантажень (табл. 1) наступний:
- у графу 1 заносять усі споживачі, установлені на судні;
- у графу 2 проставляється кількість споживачів;
-у графу 3 - одинична встановлена потужність, за якою по каталогах вибираються асинхронні двигуни;
- у графи 4 і 5 проставляються к.к.д. і коефіцієнт потужності двигунів.
Потім визначається одинична споживана потужність за формулою:
(2.1)
де РОД.СП. - одинична споживана потужність, кВт;
РОД.ВСТ. - одинична встановлена потужність, кВт;
η - коефіцієнт корисної дії.
Далі визначається загальна споживана потужність за формулою:
(2.2)
де РЗАГ.СП. - загальна споживана потужність, кВт;
n - кількість однойменних споживачів.
Потім у кожнім режимі роботи судна визначається коефіцієнт одночасної роботи однойменних споживачів (графи 8, 13, 18, 23), коефіцієнт завантаження споживачів (графи 9, 14, 19, 24) і коефіцієнт потужності (графи 10, 15, 20, 25). Коефіцієнт одночасної роботи однойменних споживачів визначається за формулою:
(2.3)
де РФАКТ.СП - фактично споживана потужність, кВт;
РНОМ.СП - номінальна споживана потужність, кВт;
nРОБ. - кількість одночасно працюючих у даному режимі однойменних споживачів;
nВСТ. - кількість встановлених однойменних споживачів;
Коефіцієнт завантаження К3 визначається досвідом експлуатації:
(2.4)
Коефіцієнт потужності визначається по кривій, що представляє залежність [3]:
(2.5)
Далі в кожнім режимі роботи судна визначається активна споживана потужність, кВт:
(2.6)
і реактивна споживана потужність, кВА:
(2.7)
Після внесення в таблицю навантажень перелічених вище параметрів, виконується вибір генераторів у наступному порядку:
- визначається сумарна споживана потужність у кожнім режимі роботи судна шляхом арифметичного додавання потужностей усіх споживачів, що працюють у даному режимі;
- визначається сумарна споживана потужність довгостроково працюючих споживачів;
- визначається сумарна споживана потужність з урахуванням коефіцієнта одночасної роботи споживачів, що працюють у даному режимі роботи судна;
визначається розрахункове навантаження і середньо-взважений коефіцієнт потужності в кожному режимі за формулами:
(2.8)
(2.9)
(2.10)
(2.11)
де Рр - активне розрахункове навантаження, кВт;
QР - реактивне розрахункове навантаження, кВАр;
SР - повне розрахункове навантаження, кВА
1,03 - коефіцієнт обліку втрат потужності у мережах;
Кв - коефіцієнт імовірність спільної роботи споживачів.
Коефіцієнт імовірності спільної роботи споживачів приймається [3] з урахуванням режиму роботи суден:
- 0,75 - 0,85 - стоянка суден в порту;
- 0,75 - 0,80 - стоянка суден на промислі;
- 0,80 - 0,90 - ходовий і промисловий режими;
- 0,90 - 1,00 - аварійний режим.
Якщо cosφСР.ВЗВ > cosφNG = 0,8, то вибір генераторів виконується за активним розрахунковим навантаженням Рр .
Якщо cosφСР.ВЗВ < cosφNG = 0,8, то вибір генераторів виконується за повним розрахунковим навантаженням SP . cosφNG - номінальний коефіцієнт потужності генератора.
При виборі генераторів повинні виконуватися 2 вимоги:
- завантаження генератора повинне складати не менш 70-80%;
- число типорозмірів повинне бути мінімальним.
Перша вимога пов'язана з раціональним використанням моторесурсу, друга - з кращою взаємозамінністю і полегшенням умов ремонту.
Спочатку вибирають основні, потім - резервний і аварійний генератори Максимальна кількість генераторів суднової електростанції (разом з резервним не повинно перевищувати чотирьох. Аварійний генератор вибирається за потужністю, отриманої в аварійному режимі незалежно від основної електростанції.
На підставі вищевикладеного і таблиці 1 вибираємо 2 основних генераторів типу МСС 92-4 і потужністю 100 кВт кожен, один резервний генератор типу МСС 92-4 потужністю 100 кВт і аварійний генератор типу МСС 92-4 потужністю 100 кВт.
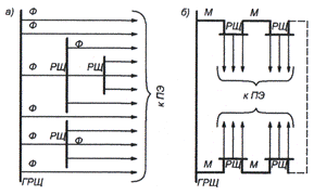
2.2 Вибір структурної схеми СЕЕС і її опис
Суднова електрична мережа - це сукупність суднових ліній електропередач, що передають електроенергію від джерел до приймачів електроенергії. За структурою розрізняють наступні силові електричні мережі:
- фідерну - з розподілом і передачею електроенергії фідерними лініями електропередач (фідерами);
- магістральну - у який ті ж самі функції здійснюють магістральні лінії електропередач (магістралі) (Рис. 2.1).
Фідерна силова мережа забезпечує живлення перетворювачів і приймачів електроенергії від ГРЩ окремими лініями Ф чи безпосередньо через вторинні розподільні щити (в останньому випадку її іноді називають фідерно-груповою), що гарантує її високу надійність і живучість, але ускладнює ГРЩ, збільшує витрати кабелю і підвищує трудомісткість електромонтажних робіт.

Рис.2.1. а)фідерна; б) магістральна.
Магістральна силова мережа забезпечує живлення приймачів електроенергії: від ГРЩ по декількох магістралях через послідовно включені в них вторинні розподільні щити і має протилежні властивості.
Магістрально-фідерна силова мережа по надійності живлення займає проміжне положення.
На підставі вищевикладеного вибираємо фідерно-групову систему розподілу електроенергії. При складанні схеми (Рис. 2.2) необхідно керуватись наступним міркуванням:
- фідери від генераторів підключаються через автоматичні вимикачі безпосередньо до ГРЩ;
- відповідальні споживачі підключаються через автоматичні вимикачі безпосередньо до ГРЩ;
- другорядні споживачі отримують напругу від розподільних щитів. Кожен розподільний щит підключається через автоматичні вимикачі безпосередньо до ГРЩ;
- від розподільних щитів отримують живлення споживачі, які розташовані навколо місця установки щитів.
2.3 Розрахунок генераторних фідерів і фідерів, які відходять від
ГРЩ
Коли електричний струм протікає по кабелю, то відбуваються наступні негативні явища:
- спадання напруги;
- утрата напруги;
- утрати потужності;
- втрати енергії;
- нагрівання кабелю і виділення тепла.
Утрати напруги і спадання напруги приводять до зниження напруги на затисках споживачів. Утрати потужності і втрати енергії приводять до збільшення потужності генераторних агрегатів. Нагрівання кабелю і виділення тепла приводить до старіння ізоляції і зменшенню терміну служби. Тому при проектуванні суднових енергетичних мереж необхідно враховувати ці явища. Однак, якщо робити розрахунок з обліком усіх цих явищ, то він виявиться складним і трудомістким.
На практиці користуються спрощеним методом розрахунку суднової електричної мережі, що полягає в наступному:
- визначають робочі струми, які протікають по кабелях;
- відповідно до отриманих робочих струмів вибирають переріз кабелю, за таблицею норм припустимих навантажень на кабелі і проводи;
- роблять перевірку обраних кабелів на втрату напруги.
Робочі струми, що протікають по кабелях, визначаються в наступній послідовності:на ділянці G - ГРЩ:
(2.12)
де РHG - номінальна активна потужність генератора, кВт;
UHG - номінальна напруга генератора, В;
CosφHG - номінальний коефіцієнт потужності;
на ділянці ГРЩ - приймач електроенергії (ПЕ):
(2.13)
де РМ - номінальна активна потужність ПЕ, кВт;
КЗ - коефіцієнт завантаження ПЕ;
U - напруга мережі, В;
cosφ - коефіцієнт потужності приймача електроенергії;
η - к.к.д. приймача електроенергії.
Утрата напруги в кабелі визначається за формулою:
для трифазної мережі:
(2.14)
де ℓ— довжина кабелю, м;
S - переріз кабелю, мм2 ;
γ-питома провідність міді, Ом*м/мм2
для однофазної мережі:
(2.15)
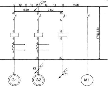
На підставі приведених формул здійснюється розрахунок суднової електричної мережі наведеної на Рис. 2.2. Результати розрахунків зводяться в таблицю 2.2.
2.4 Вибір апаратів захисту для генераторів і споживачів
Надійна робота СЕЕС цілком залежить від правильного вибору застосованих у ній електричних апаратів. Вибір апаратів виконується за технічними умовами на поставляння; каталогами, або офіційними довідниками. При цьому необхідно переконатися, що даний апарат розрахований на роботу в суднових умовах, тобто задовольняє вимогам Регістра за температурою навколишнього повітря, відносної вологості, короткочасним і тривалим нахилам, вібростійкістю і т.і.
Далі вибирають конструкцію апарата в залежності від місця його установки. Якщо апарат вбудовується в щит чи пульт, то він може бути відкритого виконання. Якщо ж апарат встановлюється індивідуально, то він повинний мати захисну оболонку в залежності від місця установки на судні. Одночасно з цим враховують і інші конструктивні особливості апарата:
- матеріал корпуса - сталевої чи пластмасовий;
- вид привода - важільний, маховиковий чи електропривод;
- спосіб кріплення - на вертикальну чи горизонтальну стінку;
- спосіб підведення кабелів - з переднім і заднім приєднанням.
Потім вибирають апарат за основними номінальними параметрами, до яких відносяться рід струму, частота, напруга і струм навантаження апарата. Кожен апарат розрахований на нормальну роботу постійного чи змінного струму визначеної частоти при номінальній напрузі і струмі. Деякі апарати можуть працювати як на постійному, так і на змінному струмі. При виборі будь-якого апарата необхідне дотримання наступних умов:
(2.16)
(2.17)
де UНОМ , IНОМ - відповідно номінальні напруга і струм апарата;
UРОБ , IРОБ - робоча напруга і струм апарата в даній схемі включення.
Виконання першої умови необхідно щоб уникнути електричного пробою ізоляції апаратів. Габарити кожного апарата насамперед визначаються номінальною напругою і товщиною ізоляційного матеріалу між його струмоведучими частинами різної полярності (чи різних фаз). Якщо номінальна напруга апарата буде менше робочої напруги мережі, це неминуче приведе до пробою ізоляції апарата, тобто до короткого замикання і виходу його з ладу. Дугогасильні пристрої апаратів також розраховуються на визначену напругу, при якої вони надійно забезпечують гасіння дуги. Якщо робоча напруга апарата, що відключає, перевищує номінальне розрахункове значення, то гасіння дуги може затягтися, у результаті чого контакти апарата перегріються й оплавляться.
Виконання другої умови необхідно щоб уникнути перегріву апаратів. Деталі кожного апарата розраховують на проходження по них визначеного номінального струму. Проходження цього струму буде викликати нагрівання апарата до визначеної максимально припустимої температури. Якщо робочий струм, що протікає по контактам апарата, буде більше номінального, то це викликає перевищення температури нагрівання струмоведучих частин апарата над максимально припустимою температурою, унаслідок чого ізоляційні матеріали, застосовані в апараті, запаляться або стануть провідними, і як наслідок - відбудеться коротке замикання (к.з.) між його окремими струмоведучими частинами. Перевищення робочого струму над номінальним негативно позначається і на дугогасінні. При відключенні такого струму буде діяти надмірно інтенсивна дуга і апарат буде ушкоджений.
Робоча напруга і робочі струми апаратів визначають параметрами електричного кола, де вини застосовуються. Номінальна напруга і номінальні струми апаратів приймають по каталогах або технічним умовам на поставляння апаратів.
При виборі автоматичних вимикачів спочатку вибирають номінальний струм максимальних розчеплювачів, а потім номінальний струм автомата.
Номінальний струм розчеплювачів автоматів, включених у різні живлячі лінії, вибирають за розрахунковими робочими струмами цих ліній, виходячи з умови:
(2.18)
де ІНОМ.Р - номінальний струм розчеплювача автоматичного вимикача;
ІРОБ - робочий струм.
Після цього необхідно вибрати струм пуску розчеплювачів у зоні к.з. щоб уникнути помилкових спрацьовувань автоматів у моменти пуску електродвигунів за умовою:
(2.19)
де ІТР.Р - струм трогання (миттєвого відключення) автомата в зоні к.з.;
ІПУСК.ДВ - пусковий струм двигуна (або декількох двигунів) [4].
Вибір апаратів захисту генераторів і споживачів суднової мережі за схемою Рис. 2.2 зводиться у таблиці 2.3 і 2.4.
Таблиця 2.3 – Вибір та перевірка селективних автоматів
| Ділянка мережі | Робочий струм, А | Тип автомату | Номінальний струм автомату, А | Номінальний струм максимального розчіплювача, А | Уставка на повний час спрацювання, с | Допустимий струм к. з., кА | Допустима термічна стійкість автомату, кА2 с | Розрахунковий ударний струм к. з., кА | Розрахункова термічна стійкість автомата, кА2 с |
| G1-ГРЩ | 180 | ВА74-40 | 800 | 190 | 0,38 | 50 | 100 | 4,487952 | 0,65 |
| G2-ГРЩ | 180 | ВА74-40 | 800 | 190 | 0,38 | 50 | 100 | 4,487952 | 0,65 |
Таблиця 2.4 – Вибір та перевірка установочних автоматів
| Ділянка мережі | Робочий струм, А | Тип автомата | Номінальний струм автомату, А | Номінальний струм розціплювала, А | Допустимий ударний струм к. з., кА | Розрахунковий ударний струм к. з., кА | |
| 1 | 2 | 3 | 4 | 5 | 6 | 7 | |
| ГРЩ – Живлення слабкого току | 38,8 | АК50-3МГ | 50 | 40 | 9 | 2,42592 | |
| ГРЩ – Рульова машина | 24,6 | АК50-3МГ | 50 | 25 | 9 | 2,42592 | |
| ГРЩ – Рульова машина | 24,6 | АК50-3МГ | 50 | 25 | 9 | 2,42592 | |
| ГРЩ – Шпиль швартовий | 33,95 | АК50-3МГ | 50 | 40 | 9 | 2,42592 | |
| ГРЩ – Шпиль швартовий | 33,95 | АК50-3МГ | 50 | 40 | 9 | 2,42592 | |
| ГРЩ – Лебідка грузова вант. під. 5т | 28,33 | АК50-3МГ | 50 | 30 | 9 | 2,42592 | |
| ГРЩ – Лебідка грузова вант. під. 5т | 28,33 | АК50-3МГ | 50 | 30 | 9 | 2,42592 | |
| ГРЩ – Пожежний насос | 91,97 | А3724СР | 63 | 60 | 9 | 2,42592 | |
| ГРЩ – Пожежний насос | 91,97 | АК50-3МГ | 63 | 60 | 9 | 2,42592 | |
| ГРЩ – Сигнальні вогні | 2,27 | АК50-3МГ | 50 | 4,0 | 9 | 2,42592 | |
| ГРЩ – Рефрежираторно хол. уст. | 116,44 | АК50-3МГ | 160 | 125 | 9 | 2,42592 | |
| ГРЩ – Рефрежираторно хол. уст. | 116,44 | АК50-3МГ | 160 | 125 | 9 | 2,42592 | |
| ГРЩ – Компресор судновоі фріон. | 4,39 | АК50-3МГ | 50 | 5,0 | 9 | 2,42592 | |
| ГРЩ – Компресор судновоі фріон. | 97,39 | АК776БР | 125 | 60 | 9 | 2,42592 | |
| ГРЩ – Валоповоротний пристрій | 25,88 | АК50-3МГ | 50 | 25 | 9 | 2,42592 | |
| ГРЩ – Компресор пускового повітря | 25,88 | АК50-3МГ | 50 | 25 | 9 | 2,42592 | |
| ГРЩ – Компресор пускового повітря | 28 | АК50-3МГ | 50 | 25 | 9 | 2,42592 | |
| ГРЩ – Обща загально судова вентиляція | 7,13 | А3776БР | 50 | 20 | 9 | 2,42592 | |
| ГРЩ – Сепаратор масла | 7,13 | А3776БР | 50 | 20 | 9 | 2,42592 | |
| ГРЩ – Сепаратор масла | 7,13 | А3776БР | 50 | 20 | 9 | 2,42592 | |
| ГРЩ – холодильній шкаф, 6 шт | 125,624 | АК50-3МГ | 50 | 40 | 9 | 2,42592 | |
| ГРЩ – РЩ1 | 78,88 | АК3724СР | 63 | 63 | 9 | 2,42592 | |
| ГРЩ – РЩ2 | 34,35 | А3776БР | 63 | 32 | 9 | 2,42592 | |
| ГРЩ – РЩ3 | 68,04 | А3776БР | 63 | 30 | 9 | 2,42592 | |
| ГРЩ – РЩ4 | 109,13 | А3776БР | 160 | 125 | 9 | 2,42592 | |
| ГРЩ – РЩ5 | 58,7 | А3776БР | 63 | 30 | 9 | 2,42592 | |
| ГРЩ – РЩ6 | 4,52 | АК50-3МГ | 50 | 50 | 9 | 2,42592 | |
| ГРЩ – РЩ7 | 340,75 | А3734СР | 400 | 320 | 9 | 2,42592 | |
| ГРЩ – РЩ8 | 105,04 | А3776БР | 160 | 125 | 9 | 2,42592 | |
| ГРЩ – РЩ9 | 27,53 | А3776БР | 63 | 50 | 9 | 2,42592 | |
| ГРЩ – РЩ10 | 0,78 | АК50-3МГ | 50 | 80 | 9 | 2,42592 | |
2.5 Вибір електровимірювальних приладів генераторної панелі
ГРЩ
При виборі електровимірювальних приладів необхідно враховувати їх нормальне робоче положення (горизонтальне чи вертикальне), клас точності, призначення, виконання і межі вимірювання. Шкала амперметрів, ватметрів і т.і. повинна складати не менш 120 - 150% номінального значення величини, що виміряється, пікала вольтметрів - не менш 120% номінальної напруги. Разом із приладами вибирають відповідні їм чи шунти або трансформатори струму. Всі електровимірювальні прилади витримують короткочасні перевантаження, а саме: один удар десятикратним струмом протягом 5с. чи дев'ять ударів десятикратним струмом тривалістю по 0,5с. інтервалом в одну хвилину. Тому електровимірювальні прилади витримують пускові струми двигунів, струми к.з. у мережі і т.і. [4].
Вибір електровимірювальних приладів здійснюється за приведеними положеннями і принциповою схемою генераторної секції ГРЩ, яка наведена у графічній частині курсового проекту.
Вибір електровимірювальних приладів генераторної секції ГРЩ зводиться у таблицю 2.5.
Таблиця 2.5 – Таблиця електровимірювальних приладів
| Найменування приладу | Тип | Межа вимірювання | Спосіб включення |
| Ватметр | Д1503 | 0-200 кВт | Через трансформатор струму |
| Амперметр | Д1500 | 0-300 А | Через трансформатор струму |
| Вольтметр | Д1500 | 0-450 В | Через трансформатор напруги |
| Частотомір | Д1506 | 45-55 Гц | Через трансформатор напруги |
| Амперметр | Д1500 | 0-150 А | Через трансформатор струму |
| Вольтметр | Д1500 | 0-250 В | Через трансформатор напруги |
| Мегаомметр | Д1503 | 0-5 МОм | Через трансформатор напруги |
2.6 Розрахунок струмів короткого замикання
2.6.1 Визначення основних параметрів
Для перевірки апаратів захисту і шин на дію струму к.з. приймаються наступні точки короткого замикання:
- точка К1 – на фідері, що відходить, для перевірки автоматів приймачів електроенергії;
- точка К2 – на шинах ГРЩ, для перевірки шин ГРЩ;
- точка К3 – на затискачах генераторів G1 або G2 для перевірки генераторних автоматів.
Складається розрахункова схема (рис. 2.3).

SNG = 125 кВАP = 0,75 ∑ РG
U = 400 B
cos φ = 0,8
Ra = 0,0303
Xd″ = 0,176
Рис. 2.3 – Розрахункова схема
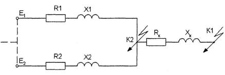
На підставі розрахункової схеми складається схема заміщення, у якій всі елементи розрахункової схеми замінюються еквівалентними опорами (рис. 2.4).

Рис. 2.4 – Схема заміщення
Робиться розрахунок активних і реактивних опорів для схеми заміщення, наведеної на рис. 2.4. Розрахунок опорів зводиться у таблицю 2.6.
Таблиця 2.6 – Розрахунок опорів
| Елемент схеми | Ділянка схеми | Довжина, м | Кількість жил (од.) і переріз, мм2 | Опір, Ом | |
| Активний | Реактивний | ||||
| 1 | 2 | 3 | 4 | 5 | 6 |
| Кабель | Від затискачів генератора G1 до шин ГРЩ (точка 12) | 10 | 3х95 | 0,00227 | 0,00075 |
| Шина | 2,7 | 25х4 | 0,0006 | 0,0004 | |
| Розчеплювач автомата | — | 0,00006 | 0,000105 | ||
| Всього | r1 = 0,00293 | x1 = 0,001255 | |||
| Кабель | Від затискачів генератора G2 до шин ГРЩ | 10 | 3х95 | 0,00227 | 0,00075 |
| Шина | 2,1 | 25х4 | 0,0005 | 0,0003 | |
| Розчеплювач автомата | — | 0,00006 | 0,000105 | ||
| Всього | r2 = 0,00283 | x2 = 0,001155 | |||
| Кабель | Від шин ГРЩ до точки к. з. | 10 | 3х70 | 0,00309 | 0,00076 |
| Шина | 2,7 | 15х3 | 0,0014 | 0,0005 | |
| Розчеплювач автомата | — | 0,000507 | 0,00422 | ||
| Всього | rк = 0,004997 | xк = 0,000422 | |||
Визначається базисна потужність:
(2.20)
де S1 і S2 – повні номінальні потужності генераторів G1 і G2, кВА.
![]()
Визначається базисний струм:
(2.21)
де Uб – базисна напруга (номінальна напруга генераторів або напруга на шинах ГРЩ), В.

Опори ділянок розрахункової схеми приводяться до базисних умов:
- активний опір обмоток статорів генераторів G1 і G2
(2.22)

- зверх перехідні реактивні опори по повздовжній осі генераторів G1 і G2
(2.23)

- активні і реактивні опори ділянок від затискачів генераторів G1 і G2до шин ГРЩ:
(2.24)

(2.25)

(2.26)

(2.27)

- активний і реактивний опори ділянки від шин ГРЩ до точки короткого замикання К1:
(2.28)

(2.29)

2.6.2 Розрахунок струмів к. з. у точці К1
Виконується спрощення схеми заміщення, яка представлена на рис. 2.4, шляхом об’єднання активних і реактивних опорів (рис.2.5), і визначаються опори для даної схеми заміщення:

Рис. 2.5 – Спрощена схема заміщення
(2.30)
![]()
(2.31)
![]()
(2.32)
![]()
(2.33)
![]()
(2.34)
![]()
(2.35)
![]()
Електрорушійні сили паралельно працюючих генераторів при розрахунках струмів к. з. приймаються однаковими і рівними, тобто Е1 = Е2 = Е, тому коло з опорами R1 іX1 виявляється включеним паралельно колу з опорами R2 і Х2. Змінюються ці два кола – одним, з еквівалентними опорами R12 і Х12 (рис. 2.6).

Рис. 2.6 – Спрощена схема заміщення
Генератори G1 іG2 однотипні, тому значення R1 і Х1 майже однакові зі значеннями R2 і Х2, отже метод проводимостей можна не застосовувати, а величини еквівалентних опорів визначаються таким чином:
(2.36)
![]()
(2.37)
![]()
Знову спрощуємо схему заміщення, шляхом об’єднання активних і реактивних опорів (рис. 2.7).

Рис. 2.7 – Спрощена схема заміщення
Визначаються опори:
- активний опір
(2.38)
![]()
- реактивний опір
(2.39)
![]()
- повний опір кола к. з.
(2.40)
![]()
Визначаються значення періодичної складової струму к. з. у відносних одиницях за розрахунковими кривими [4]відповідно повному опору Zр = 0,257 для наступних моментів часу:
t = 0 I0* = 5,7
t = 0,01 I0,01* = 5
t = 0,1 I0,1* = 3,85
t = 0,25 I0,25* = 3,55
t = ∞ I∞* = 5,75
Визначається ударний коефіцієнт по кривій, що представляє залежність
[4]:
![]()
![]()
Визначається залишкова напруга:
(2.41)
![]()
Визначається діюче значення періодичної складової струму підживлення двигуна:
(2.42)
де Е – протиелектрорушійна сила (приймається 0,9 в. о.);
![]()
Визначається ударний струм:
(2.43)
=5787,63
2.6.3 Розрахунок струмів к. з. у точці К2
На підставі схеми мал. 6 виконується схема заміщення для розрахунку струмів к. з. у точці К2 (рис. 2.8).

Рис. 2.8 – Спрощена схема заміщення
У цій схемі: Rр = R12 і Хр = Х12 . Подальший розрахунок струмів к. з. виконується аналогічно п. 2.6.2. Результати розрахунків зводяться в таблицю 2.7.
Таблиця 2.7 – Результати розрахунку струмів к. з.
| Найменування розрахункової величини | Умовне позначення | Одиниці вимірювання | Точка к. з. на відходящому фідері (точка К1) | Точка к. з. на шинах ГРЩ (точка К2) | Точка к. з. на затискачах генератора (точка К3) | |
| Струм від G1 | Струм від G2 | |||||
1. Параметри схеми заміщення: - активний опір - реактивний опір - повний опір - відношення Хр/Rp |
||||||
| Rp | в. о. | 0.0415 | 0,0328 | 0.0706 | 0,0606 | |
| Xp | в. о. | 0.1799 | 0,177 | 0,356 | 0,352 | |
| Zp | в. о. | 0.185 | 0,18 | 0,363 | 0,36 | |
| — | — | 4.34 | 5.4 | 5.04 | 5,8 | |
| 2. Ударний коефіцієнт | КУД | — | 1.47 | 1,56 | 1.53 | 1,59 |
3. Періодична складова струму к. з. для моментів часу: - 0с - 0,01с - 0,1с - 0,25с - ∞ |
||||||
| I0 * | в. о. | 5.7 | 5.75 | 2.85 | 2.87 | |
| I0,01 * | в. о. | 5 | 5.05 | 2.6 | 2.62 | |
| I0,1 * | в. о. | 3.85 | 3.9 | 2.35 | 2.38 | |
| I0,25 * | в. о. | 3.55 | 3,6 | 2.3 | 2.32 | |
| I∞ * | в. о. | 3.75 | 3,8 | 2.82 | 2.85 | |
| 4. Залишкова напруга на шинах ГРЩ | ∆U | в. о. | 0.05 | 0 | 0,015 | 0 |
| 5. Діюче значення струму підживлення двигуна | IДВ | в. о. | 3.2 | 3,38 | 3,33 | 3.38 |
| 6. Результуюче значення ударного струму к. з. | ІУД | А | 5767.63 | 6197.8 | 3958.4 | 4092.8 |
| 7. Періодична складова струму к. з. для різних моментів часу | І0,1 | А | 1463 | 1482 | 893 | 904.4 |
| І0,25 | А | 1349 | 1368 | 874 | 881.6 | |
2.6.4 Розрахунок струмів к. з. у точці К3
При короткому замиканні в точці К3 буде текти струм генераторів G1 або G2. Тому розрахунок струмів к. з. виконується для двох схем, а для перевірки апаратів захисту дані беруть тієї схеми, де струм виявиться більше.
Складається схема заміщення для випадку, коли струм до точки К3 тече від генератора G1 (рис. 2.9).

Рис. 2.9 – Спрощена схема заміщення
У цій схемі результуючі опори визначають за формулами:
(2.44)
![]()
(2.45)
![]()
Подальший розрахунок струмів, к. з. виконується аналогічно п. 2.6.2. результати зводяться в таблицю 2.7.
Складається схема заміщення для випадку, коли до точки К3 тече струм від генератора G2 (рис. 2.10).

Рис. 2.10 – Спрощена схема заміщення
У цій схемі результуючі опори визначаються за формулами:
(2.46)
![]()
(2.47)
![]()
Подальший розрахунок струмів к. з. виконується аналогічно п. 2.6.2. Результати розрахунку зводяться в таблицю 2.7.
2.7 Перевірка автоматичних вимикачів
Протікання струму к. з. по автоматичному вимикачу пов’язано з електродинамічним і тепловим впливом на його струмоведучі частини, значення яких у десятки разів перевищує номінальні (при протіканні робочих струмів). Відключення струму к. з. пов’язано з виникненням інтенсивної дуги.
Кожен автоматичний вимикач у зв’язку з цим розраховується на визначення граничних значень струмів к. з., що можуть протікати і відключатися автоматичним вимикачем без ушкодження його конструкції. Селективні (виборчої дії) автоматичні вимикачі перевіряються за умовами:
на динамічну стійкість:
(2.48)
на розривну здатність:
(2.49)
де ІУД.РОЗ – розрахунковий питомий струм к. з., А;
ІУД.ДОП – припустиме значення ударного струму к. з. вимикача, А;
ІРОЗ – розрахункове діюче значення струму к з. у момент розбіжності дугогасильних контактів вимикача, А;
ІДОП – припустиме діюче значення струму автоматичного вимикача в момент розбіжності контактів, А.
на термічну стійкість у мережах змінного струму:
(2.50)
де І∞ - стале значення струму к. з., кА;
tф – фіктивний час к. з., с;
(Іt 2 t)ДОП – припустиме значення термічної стійкості апарата, кА2 с.
Автоматичні вимикачі миттєвої (неселективної) дії перевіряються тільки на динамічну стійкість (що визначає також їхню розривну здатність) за умовою:
(2.51)
Такі автоматичні вимикачі не перевіряються на термічну стійкість, через короткочасність протікання струму к. з.
При невеликій потужності джерел електроенергії СЕЕС, наприклад, при роботі тільки стоянкового генератора і при значному віддалені точки к. з. від джерел (мережі висвітлення, вентиляції і т. п.), струми к. з., що протікають по вимикачах, можуть мати значення менше струмів зрушування максимальних розчеплювачів. У таких випадках необхідно замінити автоматичні вимикачі ( чи їх розчеплювачі), збільшити переріз кабелів або прийняти інші заходи, що забезпечують перевищення струмів к. з. над струмами зрушування розчеплювачів автоматичних вимикачів.
Там, де це одержати не вдається, автомати повинні відключати струми к. з. так, як і струми перевантаження за протизалежної тривалість-струмової характеристики (що забезпечується тепловими чи напівпровідниковими розчеплювачами). Однак, у таких випадках час відключення струмів к. з. може обчислюватися секундами, що дуже підвищує пожежну небезпеку СЕЕС чи окремих її ділянок. В однофазних мережах при цьому доцільно встановлювати запобіжники і комутаційні апарати [4].
Перевірка апаратів захисту зводиться в таблицю 2.3 – для селективних автоматичних вимикачів і в таблицю 2.4 – для настановних автоматичних вимикачів.
2.8 перевірка шин ГРЩ на термічну й електродинамічну стійкість
2.8.1. Перевірити шини на термічну стійкість – означає знайти температуру нагрівання шини струмом к. з. і порівняти її з максимально припустимою температурою шини. Шини будуть термічно стійкі, якщо виконується умова:
(2.52)
де θК – температура нагрівання шини струмом к. з., °С;
θmax – максимально припустима температура мідних шин, °С (θmax = 300°С).
За графіком [4], що уявляє залежність θ=f(Аθ) визначається добуток АθН :
![]()
Далі визначається значення коефіцієнта β за формулою:
(2.53)
![]()
де І0 – періодична складова струму к. з. у момент часу t = 0;
І∞ - сталий струм к. з.
Визначається фіктивний час протікання періодичної складової струму к. з. за графіком, що уявляє залежність tфп = f(β) [3].
Час протікання періодичної складової струму к. з. tфп = 0,65.
Час протікання аперіодичної складової струму к. з. визначається за формулою:
(2.54)
![]()
Визначається повний час протікання струму к. з.:
(2.55)
![]()
Визначається добуток АθК за формулою:
(2.56)
де S – переріз шини, мм2 .
![]()
Користуючись графіком θ=f(Аθ) [4] визначається температура нагрівання шин струмом к. з.:
θК = 100°С
Далі порівнюється θК і θmax і робиться висновок відносно термічній стійкості шин:
θК = 100°С < θmax = 300°C
Обрані шини відповідають вимогам термічної стійкості.
2.8.2. Перевірити шини на електродинамічну стійкість – це означає визначити механічну напругу, що виникає в шині при протіканні струму к. з. σроз , і порівняти її з максимально припустимою напругою
σдоп = 1,4·104 Н/см2
Шини будуть динамічно стійкими, якщо виконується умова:
σроз < σдоп
Для визначення КФ розраховуються вирази:
(2.57)
(2.58)
де d – відстань між шинами, см;
b – ширина шин, см;
h – товщина шин, см;
а – відстань між осями шин, см:
а = d + b – шини розташовані на ребро
а = d + h - шини розташовані плашмя.


Визначаємо коефіцієнт форми перетину шин
[4].
КФ = 0,99
Визначається сила, яка прикладена до одиниці довжини шини при проходженні струму к. з. за формулою:
(2.59)
де К = 1,76 – коефіцієнт, що враховує вид к. з.
![]()
Приймається відстань між прольотами ℓ = 60 см і число прольотів більше двох, тоді згинальний момент М, що діє на шину дорівнює:
(2.60)
![]()
У шині виникає момент опору, який визначається за формулою:
(2.61)
![]()
Тоді механічна напруга, що виникає в шині:
![]()
(2.62)
![]()
Далі порівнюються σроз і σдоп і робиться висновок відносно електродинамічної стійкості шин:
σроз = 0,8·104 Н/см2 < σдоп = 1,4·104 Н/см2
Обрані шини електродинамічно стійкі.
2.9. Розрахунок провалу напруги синхронного генератора під час
пуску потужного асинхронного короткозамкненого двигуна
Відмінною рисою СЕЕС є наявність у них асинхронних короткозамкнених двигунів, потужність яких порівняна з потужністю генераторів.
Відсутність колектора у асинхронних короткозамкнених електродвигунів дає можливість запускати їх без пускових реостатів, застосовуючи найпростіші схеми пуску. Однак пусковий струм у процесі розгону таких двигунів у 5-7 разів більше номінального і є в основному, індуктивним. Якщо потужність електродвигуна складає, наприклад, 30% потужності синхронного генератора, то в момент пуску струм двигуна стосовно номінального струму генератора буде складати 150-200%.
При накиданні подібних індуктивних струмів синхронні генератори сильно розмагнічуються (під дією магнітного потоку реакції якоря) і на якийсь час знижують напругу, що прийнято називати провалом напруги. Відповідно до Правил Регістра, провали напруги СЕЕС не повинні перевищувати 25-30% номінального [4].
Розрахунок провалу напруги синхронного генератора СЕЕС під час пуску потужного короткозамкненого асинхронного двигуна виконується в наступній послідовності:
Визначається опір двигуна, що пускається:
(2.63)
де SG – номінальна потужність генератора, ВА;
UG – номінальна напруга генератора, В;
SДВ – номінальна споживана потужність двигуна, ВА;
ІДВ – номінальний робочий струм двигуна, А;
UДВ – номінальна напруга двигуна, В;
К – кратність пускового струму двигуна.

Визначається максимальний провал напруги синхронного генератора:
(2.64)
де X׳d – індуктивний перехідний опір обмотки статора генератора;
ХДВ – опір двигуна у відносних одиницях.
![]()
Далі порівнюються Umax іUдоп = 30% і робиться висновок.
Umax = 10,15% <Uдоп = 28,8%
Величина провалу напруги відповідає допустимим нормам.
2.10 Опис конструкції ГРЩ
Головний судновий електророзподільний щит (ГРЩ) є частиною суднової електростанції і призначений для приєднання основних і резервних джерел електроенергії і силової суднової електричної мережі і для керування роботою цих джерел. Він має каркасну конструкцію з окремих секцій шириною 600-1200 мм, глибиною 650 мм і висотою 2000 мм. Електровимірювальні прилади розміщають на висоті 1500-1850 мм, автоматичні вимикачі і плавкі запобіжники- на висоті 200-1800 мм від рівня палуби (настилу). Лицьові панелі секцій штампують з листової сталі. Панелі електровимірювальних приладів і їхніх перемикачів виконують так, що вони відкриваються, інші - знімальними. На лицьовій і задній сторонах ГРЩ установлюють горизонтальні чи вертикальні поручні з ізоляційного матеріалу (відстань не більш 1100 мм).
ГРЩ розташовують в одній головній вертикальній протипожежній зоні з генераторами на відкритій платформі або в спеціальній загородці машинного приміщення судна - центральному посту керування (ЦПУ). ГРЩ установлюють перпендикулярно діаметральній площині або уздовж борта судна на амортизованій фундаментній рамі з підводкою кабелів знизу. Для захисту від крапель зі стелі приміщення ГРЩ зверху накривають сталевим листом.
Попереду і позаду ГРЩ передбачають проходи відповідно шириною не менш 800 і 600 мм - при довжині щита до 3 м, не менш 1000 і 800 мм - при більшій довжині. Простір за ГРЩ відкритої конструкції вигороджують і обладнують дверима, які зрушуються чи відкриваються назовні і стопоряться у відкритому положенні. При довжині ГРЩ не менш 3 м установлюють два або більше окремих дверей.
За функціональним призначенням в складі ГРЩ виділяють наступні секції:
- генераторну, яка керує роботою генератора;
- керування, яка забезпечує паралельну роботу генераторів, секціонування збірних шин і з'єднання ГРЩ з АРЩ і ЩПБ;
- розподільну, яка розподіляє електроенергію між її приймачами;
- берегового електропостачання, що керує прийомом електроенергії з берега і її поширенням між споживачами електроенергії.
Число генераторних секцій звичайно відповідає числу генераторів. Секції керування (одну чи дві) передбачають тільки в ГРЩ змінного струму. Число розподільних секцій визначається числом і характером суднових споживачів електроенергії і прийнятою системою розподілу електроенергії. Секцію контролю застосовують при відсутності пульта керування. Функції берегового електропостачання можуть виконувати секція керування або розподільна секція. У середній частині ГРЩ звичайно розміщають секції керування і контролю, до них примикають генераторні секції, крайніми є розподільні секції і секцій берегового електропостачання [2].
2.11 Опис пристроїв, які встановлюються на генераторної секції
ГРЩ
На генераторній секції ГРЩ встановлюються електровимірювальні прилади генератора - амперметр, вольтметр, ватметр, частотомір, які контролюють параметри генератора, амперметр відповідального споживача електроенергії, перемикачі приладів, вимірювальні трансформатори струму, напруги, генераторний автоматичний вимикач із сигнальними лампами, автоматичний регулятор напруги, коректор напруги з регулятором уставки і реактивним компенсатором, перемикачі швидкості дизеля, пристрою захисту генератора, пристрій розвантаження працюючого генератора і пристрій включення резерву, мережні автоматичні вимикачі відповідальних споживачів електроенергії.
Також на генераторній секції ГРЩ установлюються: реле зворотного активного струму для захисту генератора від переходу в руховий режим роботи, реле токове диференційного захисту генератора від внутрішніх коротких замикань і замикань на генераторному кабелі, пристрій гасіння магнітного поля генератора, датчик активного струму [2].
ЛІТЕРАТУРА
1. Богданов Б.Б., Петров М.К.Морская буксировка – М: Транспорт, 1955.
2. Сухарев Е.М.Судовые электрические станции, сети и их эксплуатация – Л.: Судостроение, 1986.
3. Яковлев Г.С. Судовые электроэнергетические системы – Л.: Судостроение, 1980.
4. Яковлев Г.С. Судовые электроэнергетические системы – Л.: Судостроение, 1987.