| Скачать .docx | Скачать .pdf |
Реферат: Исследование графиков регулирования тепловой нагрузки водяных систем теплоснабжения
Кафедра “Промышленная теплоэнергетика”
Лабораторная работа по дисциплине:
“Источники и системы теплоснабжения предприятий”
на тему:
Исследование графиков регулирования тепловой нагрузки водяных систем теплоснабжения
Студенты группы 05-ПТЭ
Тимошенко О.С.
Глушенков К.Н.
Руководитель Лагерева Э.А.
Брянск 2009
Цель работы: является расширение и углубление знаний по теме «Регулирование централизованного теплоснабжения промышленного предприятия районов», приобретение навыка исследования и анализа методов регулирования отпуска тепла в системах централизованного теплоснабжения на математических моделях, позволяющих оценить влияние большого числа факторов.
Задачи работы: исследование с помощью ЭВМ влияние ряда расчетных параметров и режимных условий на характер графиков температур и расходов теплоносителя при регулировании отпуска тепла для разных схем присоединения потребителей к водяным тепловым сетям.
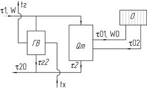
Потребители отопления подключены независимо, а потребители горячего водоснабжения параллельно.
рис.1.Схема присоединения потребителей к водяной тепловой схеме

Проверочный расчет № 1
Исходные данные
- температура воды в подающей магистрали, расчетная
;
- температура обратной воды за системами отопления
;
- температура воды в подающей линии местной системы отопления, расчётная
;
- температура воды в обратной воды линии местной системы отопления, расчётная
;
- температура наружного воздуха для отопления
;
- температура начала-конца отопительного периода
;
- расчетная внутренняя температура
;
- нижний предел температуры воды в подающей магистрали
;
- температура обратной воды за подогревателями горячего водоснабжения, расчетная
;
- температура исходной водопроводной воды
;
- температура воды в системах горячего водоснабжения
;
- расчетная нагрузка системы отопления ![]()
- расчетная нагрузка горячего водоснабжения
.
Проверка
![]()

График регулирования рис.2 и рис.3

Рис.2
Рис.3
Проверочный расчет № 2
Исходные данные
- температура воды в подающей магистрали, расчетная
;
- температура обратной воды за системами отопления
;
- температура воды в подающей линии местной системы отопления, расчётная
;
- температура воды в обратной воды линии местной системы отопления, расчётная
;
- температура наружного воздуха для отопления
;
- температура начала-конца отопительного периода
;
- расчетная внутренняя температура
;
- нижний предел температуры воды в подающей магистрали
;
- температура обратной воды за подогревателями горячего водоснабжения, расчетная
;
- температура исходной водопроводной воды
;
- температура воды в системах горячего водоснабжения
;
- расчетная нагрузка системы отопления ![]()
- расчетная нагрузка горячего водоснабжения
.
Проверка:

График регулирования рис.4 и рис. 5

Рис.4

Рис.5
Проверочный расчет № 3
Исходные данные
- температура воды в подающей магистрали, расчетная
;
- температура обратной воды за системами отопления
;
- температура воды в подающей линии местной системы отопления, расчётная
;
- температура воды в обратной воды линии местной системы отопления, расчётная
;
- температура наружного воздуха для отопления
;
- температура начала-конца отопительного периода
;
- расчетная внутренняя температура
;
- нижний предел температуры воды в подающей магистрали
;
- температура обратной воды за подогревателями горячего водоснабжения, расчетная
;
- температура исходной водопроводной воды
;
- температура воды в системах горячего водоснабжения
;
- расчетная нагрузка системы отопления ![]()
- расчетная нагрузка горячего водоснабжения
.
Проверка:

График регулирования рис.6 и рис. 7
Рис.6

Рис.7
Проверочный расчет № 4
Исходные данные
- температура воды в подающей магистрали, расчетная
;
- температура обратной воды за системами отопления
;
- температура воды в подающей линии местной системы отопления, расчётная
;
- температура воды в обратной воды линии местной системы отопления, расчётная
;
- температура наружного воздуха для отопления
;
- температура начала-конца отопительного периода
;
- расчетная внутренняя температура
;
- нижний предел температуры воды в подающей магистрали
;
- температура обратной воды за подогревателями горячего водоснабжения, расчетная
;
- температура исходной водопроводной воды
;
- температура воды в системах горячего водоснабжения
;
- расчетная нагрузка системы отопления ![]()
- расчетная нагрузка горячего водоснабжения
.
Проверка:

График регулирования рис. 8 и рис. 9
Рис.8

Рис.9
Результаты расчёта
| Tн |
Qo |
ТAU01 |
TAU02 |
TAU1 |
TAU2 |
Gот |
TAUг2 |
Gг |
| -25 |
1 |
130 |
65 |
150,5702 |
70,57021 |
71,65035 |
13,2 |
12,26889 |
| -24 |
0,977778 |
127,8969 |
64,34136 |
148,01 |
69,78779 |
71,65035 |
13,46295 |
12,52257 |
| -23 |
0,955556 |
125,7875 |
63,67642 |
145,4435 |
68,99907 |
71,65035 |
13,73891 |
12,78915 |
| -22 |
0,933333 |
123,6717 |
63,00501 |
142,8705 |
68,20388 |
71,65035 |
14,02808 |
13,06968 |
| -21 |
0,911111 |
121,5492 |
62,32696 |
140,2909 |
67,40204 |
71,65035 |
14,33149 |
13,3654 |
| -20 |
0,888889 |
119,4198 |
61,64205 |
137,7045 |
66,59335 |
71,65035 |
14,65018 |
13,67769 |
| -19 |
0,866667 |
117,2834 |
60,95009 |
135,1109 |
65,77761 |
71,65035 |
14,98532 |
14,00815 |
| -18 |
0,844444 |
115,1398 |
60,25086 |
132,5102 |
64,9546 |
71,65035 |
15,33819 |
14,35856 |
| -17 |
0,822222 |
112,9886 |
59,54413 |
129,9019 |
64,12408 |
71,65035 |
15,71022 |
14,73099 |
| -16 |
0,8 |
110,8297 |
58,82965 |
127,2858 |
63,28582 |
71,65035 |
16,10303 |
15,12782 |
| -15 |
0,777778 |
108,6627 |
58,10717 |
124,6618 |
62,43956 |
71,65035 |
16,51841 |
15,55177 |
| -14 |
0,755556 |
106,4875 |
57,3764 |
122,0295 |
61,58501 |
71,65035 |
16,9584 |
16,00604 |
| -13 |
0,733333 |
104,3037 |
56,63707 |
119,3886 |
60,72189 |
71,65035 |
17,42531 |
16,49439 |
| -12 |
0,711111 |
102,1111 |
55,88884 |
116,7388 |
59,84988 |
71,65035 |
17,92178 |
17,02125 |
| -11 |
0,688889 |
99,90918 |
55,1314 |
114,0798 |
58,96866 |
71,65035 |
18,45258 |
17,59228 |
| -10 |
0,666667 |
97,69771 |
54,36437 |
111,4112 |
58,07785 |
71,65035 |
19,01721 |
18,21299 |
| -9 |
0,644444 |
95,47628 |
53,58739 |
108,7326 |
57,17708 |
71,65035 |
19,62208 |
18,8916 |
| -8 |
0,622222 |
93,24447 |
52,80002 |
106,0437 |
56,26593 |
71,65035 |
20,27201 |
19,63764 |
| -7 |
0,6 |
91,00183 |
52,00183 |
103,344 |
55,34396 |
71,65035 |
20,97271 |
20,46301 |
| -6 |
0,577778 |
88,7479 |
51,19234 |
100,6329 |
54,41068 |
71,65035 |
21,73106 |
21,38279 |
| -5 |
0,555556 |
86,48212 |
50,37101 |
97,91002 |
53,46558 |
71,65035 |
22,55543 |
22,41641 |
| -4 |
0,533333 |
84,20395 |
49,53729 |
95,17473 |
52,50807 |
71,65035 |
23,45618 |
23,58945 |
| -3 |
0,511111 |
81,91275 |
48,69053 |
92,42642 |
51,53753 |
71,65035 |
24,44633 |
24,93642 |
| -2 |
0,488889 |
79,60785 |
47,83007 |
89,6644 |
50,55329 |
71,65035 |
25,54061 |
26,50416 |
| -1 |
0,466667 |
77,28849 |
46,95515 |
86,88792 |
49,55459 |
71,65035 |
26,76322 |
28,36218 |
| 0 |
0,444444 |
74,95383 |
46,06494 |
84,09615 |
48,54059 |
71,65035 |
28,14294 |
30,61268 |
| 1 |
0,422222 |
72,60297 |
45,15852 |
81,28817 |
47,51039 |
71,65035 |
29,72179 |
33,41809 |
| 2 |
0,4 |
70,23486 |
44,23486 |
78,46294 |
46,46294 |
71,65035 |
31,5625 |
37,05507 |
| 3 |
0,377778 |
67,84835 |
43,29279 |
75,61932 |
45,3971 |
71,65035 |
33,76639 |
42,04591 |
| 4 |
0,355556 |
65,44213 |
42,33102 |
72,75598 |
44,31154 |
71,65035 |
36,51222 |
49,53374 |
| 5 |
0,333333 |
65 |
42 |
71,85674 |
44 |
62,64511 |
37,53305 |
52,17205 |
| 6 |
0,311111 |
65 |
42 |
71,85674 |
44 |
58,46877 |
37,53289 |
52,17175 |
| 7 |
0,288889 |
65 |
42 |
71,85674 |
44 |
54,29243 |
37,53289 |
52,17175 |
| 8 |
0,266667 |
65 |
42 |
71,85674 |
44 |
50,11609 |
37,53289 |
52,17175 |
Результаты расчёта 2
| Tн |
Qo |
ТAU01 |
TAU02 |
TAU1 |
TAU2 |
Gот |
TAUг2 |
Gг |
| -15 |
1 |
130 |
65 |
150,5702 |
70,57021 |
71,65035 |
13,2 |
12,26889 |
| -14 |
0,971429 |
127,2949 |
64,15202 |
147,2774 |
69,56309 |
71,65035 |
13,54059 |
12,59739 |
| -13 |
0,942857 |
124,5793 |
63,29356 |
143,974 |
68,54548 |
71,65035 |
13,90234 |
12,94766 |
| -12 |
0,914286 |
121,8528 |
62,42424 |
140,6599 |
67,517 |
71,65035 |
14,28663 |
13,3221 |
| -11 |
0,885714 |
119,1151 |
61,54364 |
137,3344 |
66,47726 |
71,65035 |
14,69559 |
13,72356 |
| -10 |
0,857143 |
116,3656 |
60,65133 |
133,9972 |
65,4258 |
71,65035 |
15,13426 |
14,15576 |
| -9 |
0,828571 |
113,604 |
59,74683 |
130,6479 |
64,36215 |
71,65035 |
15,60184 |
14,6222 |
| -8 |
0,8 |
110,8297 |
58,82965 |
127,2858 |
63,28582 |
71,65035 |
16,10297 |
15,12781 |
| -7 |
0,771429 |
108,0421 |
57,89924 |
123,9105 |
62,19626 |
71,65035 |
16,64143 |
15,6783 |
| -6 |
0,742857 |
105,2407 |
56,955 |
120,5214 |
61,09287 |
71,65035 |
17,22163 |
16,28064 |
| -5 |
0,714286 |
102,4249 |
55,99629 |
117,1179 |
59,97501 |
71,65035 |
17,84878 |
16,94341 |
| -4 |
0,685714 |
99,59385 |
55,02242 |
113,6991 |
58,84199 |
71,65035 |
18,52907 |
17,67731 |
| -3 |
0,657143 |
96,74691 |
54,03262 |
110,2645 |
57,69305 |
71,65035 |
19,26999 |
18,49592 |
| -2 |
0,628571 |
93,88321 |
53,02607 |
106,8131 |
56,52735 |
71,65035 |
20,08091 |
19,41683 |
| -1 |
0,6 |
91,00183 |
52,00183 |
103,344 |
55,34396 |
71,65035 |
20,97259 |
20,46298 |
| 0 |
0,571429 |
88,10176 |
50,95891 |
99,85617 |
54,14188 |
71,65035 |
21,95949 |
21,66552 |
| 1 |
0,542857 |
85,18187 |
49,89615 |
96,34856 |
52,91998 |
71,65035 |
23,05992 |
23,06764 |
| 2 |
0,514286 |
82,24089 |
48,81232 |
92,81986 |
51,677 |
71,65035 |
24,29806 |
24,73139 |
| 3 |
0,485714 |
79,27742 |
47,70599 |
89,26866 |
50,41152 |
71,65035 |
25,70681 |
26,74987 |
| 4 |
0,457143 |
76,28984 |
46,57556 |
85,69337 |
49,12194 |
71,65035 |
27,33264 |
29,2706 |
| 5 |
0,428571 |
73,27636 |
45,41921 |
82,09216 |
47,80645 |
71,65035 |
29,24719 |
32,54677 |
| 6 |
0,4 |
70,23486 |
44,23486 |
78,46294 |
46,46294 |
71,65035 |
31,56204 |
37,05463 |
| 7 |
0,371429 |
67,16293 |
43,02007 |
74,80329 |
45,08901 |
71,65035 |
34,48342 |
43,85031 |
| 8 |
0,342857 |
64,05774 |
41,77202 |
71,11038 |
43,68181 |
71,65035 |
38,45746 |
55,97623 |
Результаты расчёта 3
| Tн |
Qo |
ТAU01 |
TAU02 |
TAU1 |
TAU2 |
Gот |
TAUг2 |
Gг |
| -35 |
1 |
130 |
65 |
150,5702 |
70,57021 |
71,65035 |
13,2 |
12,26889 |
| -34 |
0,981818 |
128,2798 |
64,46157 |
148,476 |
69,93051 |
71,65035 |
13,41426 |
12,47552 |
| -33 |
0,963636 |
126,5553 |
63,91895 |
146,3775 |
69,28661 |
71,65035 |
13,63713 |
12,69067 |
| -32 |
0,945455 |
124,8266 |
63,37205 |
144,2748 |
68,63843 |
71,65035 |
13,86855 |
12,91485 |
| -31 |
0,927273 |
123,0935 |
62,82076 |
142,1677 |
67,98586 |
71,65035 |
14,10901 |
13,14873 |
| -30 |
0,909091 |
121,3559 |
62,26498 |
140,0561 |
67,32881 |
71,65035 |
14,35905 |
13,39298 |
| -29 |
0,890909 |
119,6137 |
61,70461 |
137,9399 |
66,66716 |
71,65035 |
14,61922 |
13,6484 |
| -28 |
0,872727 |
117,8668 |
61,13952 |
135,819 |
66,0008 |
71,65035 |
14,8922 |
13,91612 |
| -27 |
0,854545 |
116,1151 |
60,56961 |
133,6932 |
65,32961 |
71,65035 |
15,17551 |
14,19668 |
| -26 |
0,836364 |
114,3584 |
59,99475 |
131,5626 |
64,65347 |
71,65035 |
15,47119 |
14,49133 |
| -25 |
0,818182 |
112,5966 |
59,41481 |
129,4268 |
63,97226 |
71,65035 |
15,78007 |
14,80126 |
| -24 |
0,8 |
110,8297 |
58,82965 |
127,2858 |
63,28582 |
71,65035 |
16,10308 |
15,12782 |
| -23 |
0,781818 |
109,0573 |
58,23914 |
125,1395 |
62,59403 |
71,65035 |
16,44119 |
15,47254 |
| -22 |
0,763636 |
107,2795 |
57,64311 |
122,9876 |
61,89673 |
71,65035 |
16,79551 |
15,83714 |
| -21 |
0,745455 |
105,496 |
57,04142 |
120,8301 |
61,19376 |
71,65035 |
17,16727 |
16,22357 |
| -20 |
0,727273 |
103,7066 |
56,4339 |
118,6668 |
60,48496 |
71,65035 |
17,55782 |
16,63409 |
| -19 |
0,709091 |
101,9113 |
55,82037 |
116,4974 |
59,77016 |
71,65035 |
17,96867 |
17,07127 |
| -18 |
0,690909 |
100,1097 |
55,20065 |
114,3219 |
59,04916 |
71,65035 |
18,40152 |
17,5381 |
| -17 |
0,672727 |
98,30181 |
54,57453 |
112,14 |
58,32177 |
71,65035 |
18,85829 |
18,03806 |
| -16 |
0,654545 |
96,48728 |
53,94182 |
109,9514 |
57,58778 |
71,65035 |
19,34064 |
18,57511 |
| -15 |
0,636364 |
94,66593 |
53,3023 |
107,7561 |
56,84698 |
71,65035 |
19,85231 |
19,15436 |
| -14 |
0,618182 |
92,83754 |
52,65572 |
105,5537 |
56,09912 |
71,65035 |
20,39512 |
19,78133 |
| -13 |
0,6 |
91,00183 |
52,00183 |
103,344 |
55,34396 |
71,65035 |
20,97261 |
20,46298 |
| -12 |
0,581818 |
89,15857 |
51,34038 |
101,1267 |
54,58124 |
71,65035 |
21,58857 |
21,20774 |
| -11 |
0,563636 |
87,30744 |
50,67108 |
98,90156 |
53,81066 |
71,65035 |
22,24731 |
22,02588 |
| -10 |
0,545455 |
85,44816 |
49,99362 |
96,66828 |
53,03192 |
71,65035 |
22,95461 |
22,93048 |
| -9 |
0,527273 |
83,5804 |
49,30767 |
94,42651 |
52,24469 |
71,65035 |
23,71644 |
23,93772 |
| -8 |
0,509091 |
81,7038 |
48,61289 |
92,1759 |
51,44863 |
71,65035 |
24,54095 |
25,06885 |
| -7 |
0,490909 |
79,81797 |
47,90888 |
89,91608 |
50,64335 |
71,65035 |
25,43615 |
26,35085 |
| -6 |
0,472727 |
77,92252 |
47,19525 |
87,64662 |
49,82844 |
71,65035 |
26,41563 |
27,82165 |
| -5 |
0,454545 |
76,01699 |
46,47154 |
85,36709 |
49,00345 |
71,65035 |
27,49401 |
29,53254 |
| -4 |
0,436364 |
74,1009 |
45,73726 |
83,07699 |
48,1679 |
71,65035 |
28,6913 |
31,55735 |
| -3 |
0,418182 |
72,17372 |
44,9919 |
80,77581 |
47,32126 |
71,65035 |
30,03462 |
34,00659 |
| -2 |
0,4 |
70,23486 |
44,23486 |
78,46294 |
46,46294 |
71,65035 |
31,564 |
37,0565 |
| -1 |
0,381818 |
68,28368 |
43,4655 |
76,13777 |
45,59231 |
71,65035 |
33,33082 |
40,99826 |
| 0 |
0,363636 |
66,31949 |
42,68313 |
73,79957 |
44,70866 |
71,65035 |
35,4329 |
46,39576 |
| 1 |
0,345455 |
65 |
41,88694 |
72,10607 |
43,8112 |
72,26843 |
37,23969 |
51,62071 |
| 2 |
0,327273 |
65 |
41,88694 |
71,44756 |
43,8112 |
68,46483 |
38,02899 |
53,13138 |
| 3 |
0,309091 |
65 |
41,88694 |
71,44756 |
43,8112 |
64,66123 |
38,02899 |
53,13138 |
| 4 |
0,290909 |
65 |
41,88694 |
71,44756 |
43,8112 |
60,85763 |
38,02899 |
53,13138 |
| 5 |
0,272727 |
65 |
41,88694 |
71,44756 |
43,8112 |
57,05402 |
38,02899 |
53,13138 |
| 6 |
0,254545 |
65 |
41,88694 |
71,44756 |
43,8112 |
53,25042 |
38,02899 |
53,13138 |
| 7 |
0,236364 |
65 |
41,88694 |
71,44756 |
43,8112 |
49,44682 |
38,0305 |
53,13434 |
| 8 |
0,218182 |
65 |
41,88694 |
71,44756 |
43,8112 |
45,64322 |
38,02899 |
53,13138 |
Результаты расчёта 4
| Tн |
Qo |
ТAU01 |
TAU02 |
TAU1 |
TAU2 |
Gот |
TAUг2 |
Gг |
| -25 |
1 |
150 |
65 |
180,2028 |
70,20277 |
52,10934 |
10,81665 |
10,29582 |
| -24 |
0,977778 |
147,4965 |
64,3854 |
177,0281 |
69,47255 |
52,10934 |
11,02415 |
10,50035 |
| -23 |
0,955556 |
144,9859 |
63,7637 |
173,8463 |
68,73523 |
52,10934 |
11,24187 |
10,71455 |
| -22 |
0,933333 |
142,468 |
63,13469 |
170,6573 |
67,99061 |
52,10934 |
11,47052 |
10,93919 |
| -21 |
0,911111 |
139,9426 |
62,49818 |
167,4607 |
67,23848 |
52,10934 |
11,71086 |
11,17513 |
| -20 |
0,888889 |
137,4095 |
61,85393 |
164,2564 |
66,47861 |
52,10934 |
11,96375 |
11,42332 |
| -19 |
0,866667 |
134,8684 |
61,20172 |
161,0441 |
65,71078 |
52,10934 |
12,2301 |
11,68483 |
| -18 |
0,844444 |
132,3191 |
60,5413 |
157,8236 |
64,93474 |
52,10934 |
12,51095 |
11,96085 |
| -17 |
0,822222 |
129,7613 |
59,87241 |
154,5947 |
64,15024 |
52,10934 |
12,80742 |
12,25275 |
| -16 |
0,8 |
127,1948 |
59,19477 |
151,357 |
63,35698 |
52,10934 |
13,12079 |
12,56208 |
| -15 |
0,777778 |
124,6192 |
58,50809 |
148,1102 |
62,55469 |
52,10934 |
13,45245 |
12,89061 |
| -14 |
0,755556 |
122,0343 |
57,81207 |
144,8542 |
61,74305 |
52,10934 |
13,80552 |
13,24054 |
| -13 |
0,733333 |
119,4397 |
57,10637 |
141,5884 |
60,92173 |
52,10934 |
14,17857 |
13,61383 |
| -12 |
0,711111 |
116,8351 |
56,39063 |
138,3126 |
60,09037 |
52,10934 |
14,57523 |
14,01339 |
| -11 |
0,688889 |
114,22 |
55,66448 |
135,0264 |
59,24861 |
52,10934 |
14,99775 |
14,44239 |
| -10 |
0,666667 |
111,5942 |
54,92752 |
131,7294 |
58,39603 |
52,10934 |
15,44872 |
14,90457 |
| -9 |
0,644444 |
108,9571 |
54,17931 |
128,4211 |
57,5322 |
52,10934 |
15,93106 |
15,40437 |
| -8 |
0,622222 |
106,3083 |
53,41938 |
125,1011 |
56,65666 |
52,10934 |
16,4482 |
15,94709 |
| -7 |
0,6 |
103,6472 |
52,64723 |
121,7689 |
55,76889 |
52,10934 |
17,00407 |
16,53918 |
| -6 |
0,577778 |
100,9734 |
51,86232 |
118,4239 |
54,86836 |
52,10934 |
17,60332 |
17,1885 |
| -5 |
0,555556 |
98,28627 |
51,06405 |
115,0656 |
53,95447 |
52,10934 |
18,25142 |
17,90479 |
| -4 |
0,533333 |
95,58511 |
50,25177 |
111,6932 |
53,02658 |
52,10934 |
18,95492 |
18,70029 |
| -3 |
0,511111 |
92,86924 |
49,42479 |
108,3062 |
52,08399 |
52,10934 |
19,72173 |
19,59065 |
| -2 |
0,488889 |
90,1379 |
48,58234 |
104,9037 |
51,12591 |
52,10934 |
20,56155 |
20,59618 |
| -1 |
0,466667 |
87,39023 |
47,72356 |
101,4849 |
50,15152 |
52,10934 |
21,48646 |
21,74393 |
| 0 |
0,444444 |
84,6253 |
46,84752 |
98,04875 |
49,15986 |
52,10934 |
22,51178 |
23,07078 |
| 1 |
0,422222 |
81,84206 |
45,95317 |
94,59434 |
48,14989 |
52,10934 |
23,65746 |
24,62863 |
| 2 |
0,4 |
79,03936 |
45,03936 |
91,12046 |
47,12046 |
52,10934 |
24,95016 |
26,4934 |
| 3 |
0,377778 |
76,21588 |
44,10477 |
87,62581 |
46,07026 |
52,10934 |
26,427 |
28,78167 |
| 4 |
0,355556 |
73,37015 |
43,14793 |
84,10891 |
44,9978 |
52,10934 |
28,13624 |
31,67993 |
| 5 |
0,333333 |
70,50049 |
42,16715 |
80,56807 |
43,90141 |
52,10934 |
30,16392 |
35,52625 |
| 6 |
0,311111 |
67,60496 |
41,16052 |
77,00138 |
42,77915 |
52,10934 |
32,64275 |
40,98731 |
| 7 |
0,288889 |
64,68134 |
40,12578 |
73,40658 |
41,6288 |
52,10934 |
35,82792 |
49,66506 |
| 8 |
0,266667 |
61,727 |
39,06033 |
69,78107 |
40,44773 |
52,10934 |
40,3324 |
66,97985 |