| Скачать .docx |
Реферат: Проектирование горизонтального кожухотрубного теплообменного аппарата для подогрева продукта пер
Содержание
1. Введение . . . . . . . . . . . . . . . . . . . . . . . . . . . . . . . . . . . . . . . . . . . . . . . . . . . . . . 2
2. Расчётная часть . . . . . . . . . . . . . . . . . . . . . . . . . . . . . . . . . . . . . . . . . . . . . . . . 5
2.1 Теплотехнический расчёт. . . . . . . . . . . . . . . . . . . . . . . . . . . . . . . . . . . . . 5
2.2 Конструктивный расчёт. . . . . . . . . . . . . . . . . . . . . . . . . . . . . . . . . . . . . . 11
2.3 Прочностной расчёт. . . . . . . . . . . . . . . . . . . . . . . . . . . . . . . . . . . . . . . . . .13
2.3.1 Выбор допускаемых напряжений. . . . . . . . . . . . . . . . . . . . . . . . . . . . . 13
2.3.2 Расчёт на прочность цилиндрический оболочек, обечаек и корпусов работающих под внутренним избыточным давлением. . . . . . . . . . . . . . . . . . 13
2.3.3 Расчёт тонкостенных цилиндрических корпусов. . . . . . . . . . . . . . . . 14
2.3.4 Расчёт прокладок на невыдавливание из фланцевого соединения. . .17
2.3.5 Расчёт болтов фланцевого соединения патрубка. . . . . . . . . . . . . . . . . 19
2.4 Гидравлический расчёт. . . . . . . . . . . . . . . . . . . . . . . . . . . . . . . . . . . . . . . .20
2.4.1 Расчёт теплообменника . . . . . . . . . . . . . . . . . . . . . . . . . . . . . . . . . . . . . 20
2.4.2 Расчёт трубопровода. . . . . . . . . . . . . . . . . . . . . . . . . . . . . . . . . . . . . . . . 21
2.4.3 Выбор насоса. . . . . . . . . . . . . . . . . . . . . . . . . . . . . . . . . . . . . . . . . . . . . . 24
2.5 Расчёт теплоизоляции. . . . . . . . . . . . . . . . . . . . . . . . . . . . . . . . . . . . . . . . 26
3. Список использованной литературы. . . . . . . . . . . . . . . . . . . . . . . . . . . . . . . 27
1. Введение
В технологических процессах пищевой промышленности широко применяется тепловая обработка сырья и полуфабрикатов, которая проводится в теплообменных аппаратах.
Теплообменными аппаратами называются устройства, предназначенные для непрерывной передачи тепла от потока одной рабочей среды - горячий теплоноситель, к потоку другой среды - холодный теплоноситель, для осуществления различных тепловых процессов: нагревания, охлаждения, конденсации, повышения концентрации (выпаривания) растворов, ректификации и т.п.
По принципу действия теплообменные аппараты делятся на рекуперативные, регенеративные и смесительные. Рекуперативные и регенеративные теплообменники являются аппаратами поверхностного типа. В поверхностных аппаратах каждый из теплоносителей ограничен твёрдыми стенками. Поверхность стенок, посредством которых передаётся теплота, называется поверхностью нагрева.
В аппаратах смешения процесс теплообмена осуществляется путем непосредственного контакта и смешения жидких или газообразных веществ (теплоносителей).
В регенеративных аппаратах теплоносители попеременно соприкасаются с одной и той же поверхностью нагрева, которая, соприкасаясь вначале с «горячим» теплоносителем, нагревается, аккумулируя тепло первого теплоносителя, а затем, соприкасаясь с «холодным» теплоносителем, отдает ему свое тепло.
Рекуперативные теплообменные аппараты в большинстве случаев относятся к аппаратам непрерывного действия. В этих аппаратах передача тепла от одного теплоносителя к другому осуществляется через стенку из теплопроводного материала.
Теплоносителями в теплообменных аппаратах могут быть: водяной пар,
горячая вода, дымовые газы, масло, различные смеси жидкостей и другие
физические тела.
Наибольшее распространение в качестве теплоносителей получили водяной пар, горячая вода и дымовые газы. В пищевой промышленности наиболее широко применяются рекуперативные теплообменные аппараты различных типов и конструкций. Конструкция аппаратов должна учитывать как особенности течения технологического процесса, так и условия эксплуатации, изготовления и ремонта самого аппарата.
Конструкция теплообменного аппарата должна обеспечить ведение технологического процесса с заданными параметрами и получение продукта высокого качества. Наиболее важными факторами при тепловой обработке пищевых продуктов являются температурный режим и продолжительность теплового воздействия. В связи с этим необходимо правильно выбрать поверхность теплообмена, оптимальную скорость движения продукта и предусмотреть возможности гибкого регулирования теплового режима.
В целях сохранения качества продукта особое внимание должно быть уделено выбору материала.
Аппарат должен иметь высокую производительность, быть экономичным в эксплуатации. Достигается это путём повышения интенсивности теплообмена и максимального снижения гидравлических сопротивлений аппарата.
В пищевой промышленности наибольшее распространение получили кожухотрубные аппараты как одноходовые, так и многоходовые по трубному и не трубному пространству; с различными направлениями потоков теплоносителей и жёсткостью конструкции; однокорпусные и многокорпусные – элементные.
В соответствии с ГОСТ – 9929-77 кожухотрубчатые стальные теплообменники выполняются с площадью теплообмена до 2000 м2 , работают при давлении до 6,4 мПа и имеют пять типов: ТН с неподвижными решётками, ТК – с температурным конденсатором на кожухе,
ТП – с плавающей головкой, ТУ – с V-образными трубками, ТС - с сальником на плавающей головке. Эти аппараты применяются в пищевой промышленности для нагревания и охлаждения жидких и газообразных продуктов при температуре от 40о до 450о С.
Исходные данные:
1. Расход рыбного бульона:
массовый: Gб = 0,5 кг/с
2. tн б = 140 С
tб к = tкип
3. Греющий агент – конденсат водяного пара
tн кд = 1380 С
tк кд = 340 С
2. Расчетная часть
2.1 Теплотехнический расчёт
Температура конденсации греющего пара tн кд = 1380 С
Начальная температура конденсата на входе в греющую камеру теплообменника tн кд = 1380 С
Температура кипения рыбного бульона определяем, приняв дополнительные данные для расчёта. Подпрессовый бульон концентрацией Вн = 6%, прошедший очистку в грязевом сепараторе, подается в вакуум-выпарную установку с вертикальными кипятильными трубами высотой Нтр = 3м и упаривается до конечной концентрации Вк = 20% (2) стр.547-551. Принимаем, что рыбный бульон начальной концентрации Вн = 6% содержит:
Сухих веществ – Вн с = 4,5%
Жира - Вн ж = 1,5%
Уравнение материального баланса процесса выпаривания (3) 5.2
Gн * Вн = Gк * Вк
Выход упаренного бкльона:
Gк = Gн * Вн / Вк = 0,5*6/20 = 0,15кг/с
Конечная концентрация сухих веществ:
Вк с = Gн * Вн с / Gк = 0,5*4,5/0,15 = 15%
Конечная концентрация жира:
Вк ж = Вк - Вк с = 20% - 15% = 5%
В выпарных аппаратах непрерывного действия повышение температуры кипения раствора (бульона) по сравнению с температурой кипения чистого растворителя (воды) определяется по конечной концентрации (3) стр. 250.
Физико-химическая депрессия (4) XV-6:
∆ʼ = 0,025* В1,1 к * Ра0,17 = 0,025*26,986*2,083 = 1,40 С
Гидростатическая депрессия
Давление над поверхностью бульона:
Р1 = Ра = 75кПа = 75000Па
Температура кипения воды при данном давлении: (1) Табл. 4
t1 = 91,750 С.
Принимаем температуру кипения бульона предварительно tкип = 950 С.
Плотность бульона Вк = 20% при tкип = 950 С.
1/ρ = 10-2 *((100 - Вк )/ ρв + Вк с / ρс + Вк ж / ρж ) 5(73)
Плотность воды ρв = 961,5 кг/м3 (3) т XXXIX
Плотность сухих веществ (треска): (6) II 129.
ρс = 1305 - 307Wk = 1305 - 307*0,8 = 1059,4 кг/м3 ,
где W = 100 - Вк /100 = 100 – 20/100 = 0,8 сухих веществ в сотых долях.
Плотность жира: (6) II 277
ρж = 1098 – 0,605 Ткип = 1098 – 0,605*(273 + 95) = 875,4 кг/м3 .
1/р = 10-2 ((100 - 20)/ 961,5 + 15/ 1059,4 + 5/ 875,4) = 1,03074*10-3 м3 / кг
ρ = 970,2 кг/м3
Оптимальная высота уровня: (3) 5.23
Нопт = (0,26 + 0,0014 * (ρ – ρв ) * 3
Нопт = (0,26 + 0,0014 * (970,2 – 961,5) * 3 = 0,82 м.
Давление в среднем слое упариваемого бульона: (3) 5.22
Рср = Р1 + 0,5*ρ*g* Нопт = 75000+0,5*970,2*9,81*0,82 = 78902 Па = 78,9 кПа
Температура кипения воды при данном давлении:
tср = 93,130 С (1) Т.4
Гидростатическая депрессия: (3) 5.25
∆ʼʼ = tср – t1 = 93,13 – 91,75 = 1,380 С
Температура кипения бульона: (5) 13
tк = t1 +∆ʼ+∆ʼʼ = 91,75 + 1,4 + 1,38 = 94,530 С
2.3. Температурная схема процесса:
|
Большая разность температур:
∆tб = tкд н - tб к
∆tб = 138-94,53=43,47 о С [2] стр 227.
Меньшая разность температура:
∆tм = tкд к - tб н
∆tб = 34-14=20 о С
Отношение ∆tб /∆tм = 43,47/20 = 2,1735 ˃ 2 (3) стр. 169
2.4. Средняя разность температур:
∆tср
= (∆tб
- ∆tм
) / ln (∆tб
/∆tм
) [3] 4.78
∆tср = (43,47-20)/ln 2.1735= 23,47/0.7763=30,2o С
2.5. Изменение температуры:
Конденсата: ∆tкд = tкд н - tкд к = 138 – 34 = 104 o С
Бульона: ∆tб = tб к - tб н = 94,53 – 14 = 80,53 o С
∆tкд ˃∆tб , следовательно (3) стр. 170 средняя температура бульона (3) 4.82:
tб ср = (tк + tн )/2 = (94,53 + 14) / 2 = 54,265 o С
Средняя температура конденсата: (3) 4.82.
tкд ср = tб ср + ∆tср = 54,265 + 30,2 = 84,469 o С
2.6. Теплофизические характеристики бульона концентрацией Вн = 6%, при
средней температуре Тср = 273 + tб ср = 273 + 54,265 = 327,265К
Плотность: (5) 73
1/ρ = 10-2 *((100 – Вн )/ ρв + Вс / ρс + Вж / ρж )
ρв = 986,4 кг/ 7Wk = 1305 - 307*0,8 = 1059,4 кг/м3 – плотность сухих веществ
ρж = 1098 – 0,605 Ткип = 1098 – 0,605*(273 + 95) = 875,4 кг/м3 – плотность жира
1/ ρб = 10-2 *((100 - 6)/ 986,4 + 15/ 1059,4 + 5/ 875,4) = 0,001516
ρб = 659,63 кг/м3
Удельная теплоёмкость (5) 74:
С = 10-2 *((100 – Вн )* Св + Вс * Сс + Вж * Сж )
Св = 4,18 кДж/кг*К – удельная теплоёмкость воды (3) т. XXXIX
Сс = 3130 – 5,02 * Тср = 3130 – 1642,87 = 1487,13 Дж/кг*К - удельная теплоёмкость сухих веществ (6) II 133
Сж = 1031 + 3,025 * Тср = 1031 + 989,98 = 2020,98 Дж/кг*К
Сб = 10-2 *((100 – 6)*4180 + 15*1487,13 + 5*2020,98) = 4253,32 Дж/кг*К.
Коэффициент теплопроводности (5) 75
1/λ = 10-2 *((100 – Вн )/ λ в + Вс / λ с + Вж / λ ж )
λ в = 0,625 Вт/(м*К) – коэффициент теплопроводности воды (3) т. XXXIX
λ с = 0,531 Вт/(м*К) – коэффициент теплопроводности сухих веществ (6) т. II 8
λ ж = 0,359 * 0,00064 * Тср = 0,359 * 0,00064 * 327,265 = 0,075 Вт/(м*К) – коэффициент теплопроводности жира (6) II 289.
1/ λ б = 10-2 *((100 – 6)/ 0,625 + 15/ 0,531 + 5/ 0,075) = 2,3912
λ б = 0,418 Вт/(м*К)
Динамический коэффициент вязкости: (4) II-12
µ б = µ ср (1 + 2,5φ)
µ ср = 0,507 мПа*с – динамический коэффициент вязкости воды (среды) (3) т. XI
φ = Вн /100 = 6/100 = 0,06 – начальная концентрация в сотых долях
µ б = 0,507*(1+2,5*0,06) = 0,58305*10-3 Па*с.
2.7. Теплофизические характеристики конденсата при средней температуре.
tкд ср = 84,469 o С (3) XXXIX
ρкд = 968,5 кг/ м3
λ кд = 0,687 Вт/(м*К)
С кд = 4,220 кДж/(м*К)
µ кд = 0,3361*10-3 Па*с
2.8. Тепловой поток (5). 2
Q = Gн * Сб * (tк – tн ) = 0,5*4253,32*(94,53-14) = 171260 Вт
2.9. Расчет конденсата с учётом 5% тепловых потерь в окружающую среду: (1) стр.44
xн = 1,05
СТкд = xн * Q/ Скд * (tкд н - tкд к ) = 1,05*171260/4220*(138-34) = 0,41 кг/с
2.10. Компоновка теплообменника:
Пропускаем бульон по трубкам теплообменника, конденсат в межтрубном пространстве (1) стр. 41
Диаметр трубок теплообменника принимаем в соответствии с ГОСТ 9929 – 77 на теплообменные аппараты (1).
Принимаем стальные бесшовные трубы по ГОСТ 8734 – 78 диаметром
d 25*2 мм (1) т.21.
Внутренний диаметр:
dв = dн - 2δст = 25 - 2*2 = 0,021 м
Расчётный диаметр:
dр = dн - δст = 25 – 2 = 23мм = 0,023 м
Предварительно принимаем турбулентное течение бульона в трубах. Критерий Рейнольдса Re˃10000. Принимаем Re = 11000.
Количество трубок в одном ходе: (5) 3
n1 = 4* Gб н /π* dв *Re* µ б = 4*0,5/3,14*0,021*11000*0,58305*10-3 ≈ 4
Принимаем, предварительно коэффициент теплопередачи от конденсата к бульону (1) т. 21
Кʼ = 800 Вт/(м²*К).
Площадь поверхности аппарата, предварительно: (5)
Fʼ = Q/ Кʼ*∆tср = 171260/800*30,2 = 7,09 м²
Расчётная длинна одной трубки при одном ходе:
L1 =0,318*F /dр *n1 = 0,318*7,09/0,023*4 = 24,51 м
Принимаем рабочую длину трубок:
l = 4 м (1) стр. 65
Число ходов в многозаходном теплообменнике (1) 3.12.
z = L/ l = 24,51/4 = 6,13
Принимаем z = 6
Размещаем трубки по вершинам правильных треугольников:
Шаг трубок S = 1,3* dн = 1,3*25 = 32,5 мм (1) стр.66.
Принимаем радиус окружности, на который располагаются внутренние трубки:
r = 2* dн = 2*25 = 50 мм.
Радиус окружности, на который располагаются крайние трубки:
R = r + 4*S = 50 + 4*32,5 = 180 мм.
Диаметр окружности, на которой располагаются крайние трубки:
Dʼ = 2*R = 2*180 = 360 мм
Внутренний диаметр корпуса теплообменника: (1) 3.14.
Dв = Dʼ + 4* dн = 360 + 4*25 = 460 мм
Принимаем внутренний диаметр теплообменника dв = 600 мм = 0,6 м
(1) стр.67 (кратный 200).
Общее число труб в теплообменнике: n0 = n1 *z = 4*6 = 24
На основании выполненной компоновки теплообменника, принимаем для дальнейших теплотехнических расчётов шестиходовой кожухотрубный горизонтальный теплообменник, общее число труб n0 = 24. Число труб в ходе n1 = 4. Внутренний диаметр корпуса Dв = 0,46 м

2.11. Скорость бульона в трубках: (1) 38.
ω б = Gн /0,785* d²в * n1 * ρб = 0,5/0,785*0,000441*4*659,63 = 0,55 м/с ˃ 0,1 м/с
(1) стр.63.
2.12. Критерий Рейнольдса (1) 2.26.
Re б = ω б *dв * ρб /µ б = 0,55*0,021*659,63/0,58305*10-3 = 13067˃10000 – развитое турбулентное течение.
2.13. Расчётная формула (3) 4.17.
Nu б = 0,021 * Re0,8 * Pr0,43 *(Pr/Prст )0,25
Критерий Прандтля: (3) 4.12.
Pr б = С б * µ б / λ б = 4253,32*0,58305*10-3 /0,418 = 5,93.
Принимаем отношение (Pr/Prст )0,25 = 1,05 для нагревающегося бульона (3) стр.152
Критерий Нуссельта:
Nu б = 0,021 * 1963,09 * 2,15 * 1,05 = 93,1
Коэффициент теплоотдачи от стенки трубы к бульону: (3) 4.11.
= Nu б
* λ б
/ dв
= 93,1*0,418/0,021 = 1853 Вт/(м²*К).
2.14. Проходное сечение межтрубного пространства: (1) 3.3.
S = 0,785*( D²в - n0 * d²н ) = 0,785*(0,2116 - 24*0,000625) = 0,154 м²
2.15. Эквивалентный диаметр dэ = dв = 0,021 м.
2.16. Скорость конденсата в межтрубном пространстве: (1) стр. 64.
ω кд = Gкд /0,785* d²в * n1 * ρкд = 0,41/0,785*0,000441*4*968,5 = 0,31 м/с
2.17. Критерий Рейнольдса:
Rе кд = ω кд *dэ *ρкд / µ кд = 0,31*0,021*968,5/0,3361*10-3 = 18759
2.18. Расчётная формула (3) 4.31. для шахматных пучков:
Nu кд = 0,4 * ε φ * Re0,6 * Pr0,36 *(Pr/Prст )0,25
Поправочный коэффициент на обтекание сегментных перегородок, поддерживающих трубы (3) стр.157 ε φ = 0,6.
Критерий Прандтля для конденсата:
Prкд = С кд * µ кд / λ кд = 4220*0,3361*10-3 /0,687 = 2,065
Принимаем для охлаждающегося конденсата отношение:
(Pr/Prст )0,25 = 0,93 (3) стр.152
Критерий Нуссельта:
Nu кд = 0,4 *0,6*366,37*1,298*0,93 = 106,14.
Коэффициент теплоотдачи от конденсата к стенке трубки:
= Nu кд
* λ кд
/ dн
= 106,14*0,687/0,025 = 2916,7
2.19. Термическое сопротивление загрязнения стенки трубы со стороны конденсата:
rз1 = 1/2500 м²*К/Вт
Термическое сопротивление загрязнений трубы со стороны бульона
rз2 = 1/2900 м²*К/Вт (органическая жидкость) (3) т. XXXIX
Коэффициент теплопроводности стали:
λ ст = 42 Вт/м*К (3) т. XXVII
Суммарное термическое сопротивление стенки трубы: (5)
Σ rст = rз1 + δст / λ ст + rз2 = 1/2500 + 0,02/42 + 1/2900 =
= 0,0004 + 0,00047619 + 0,000344827 = 0,00122 м²*К/Вт.
2.20. Коэффициент теплопередачи стали:
К = 1/(1/
+ Σ rст
+ 1/
) = 1/(1/2916,7 + 1/0,00122 + 1/1853) =
= 1/0,002102518 = 475,62 Вт/ м²*К
2.21. Поверхность теплообмена:
F = Q/ К*∆tср = 171260/475,62*30,2 = 11,92 м²
2.22. Расчётная длина трубок: (1) стр.65
l = F/ π * dр * 78 = 11,92/3,14*0,023*78 = 2,12 м.
На основании характеристик теплообменников. ТН с трубами d 25*2
ГОСТ 15118-79 (3) т. 4.12, характеристик кожухотрубных аппаратов типа ТН
По ГОСТ 9929-77, принимаем длину теплообменных труб lн = 3 м (1) табл.10
Принятая поверхность теплообмена:
F т = π * dр * lн * n0 = 3,14*0,023*3*24 = 5,2 м²
2.23. Схема процесса теплопередачи.
Удельный тепловой поток:
q = К*∆tср = 475,62*30,2 = 14364 Вт/ м²
Разность температур конденсата и наружной поверхности стенки трубы:
∆t1
= q/
= 14364/2916,7 = 5 о
С
Температура наружной поверхности стенки трубы:
tст1 = tкд ср - ∆t1 = 84,5 – 5 = 79,5 о С
Разность температур поверхности стенки и бульона:
∆t2
= q/
= 14364/1853 = 7,8 о
С
Температура внутренней поверхности стенки трубы:
tст2 = tб ср - ∆t2 = 80,5 – 7,8 = 72,7 о С
|
|
3.Конструктивный расчет.
3.1. Высота (длина) днища h. Принимаем h/ DН = 0,2 (1) т.58.
Находим высоту днища, приняв предварительно наружный диаметр корпуса теплообменника: DН = 0,608 м.
h = 0,2* DН = 0,2*0,608 = 0,125м.
3.2. Длина входной и промежуточной камер:
L кам = 2* h = 0,25м
3.3. Длинна корпуса теплообменника:
L к = lн + 2* L кам = 9 + 2*0,25 = 9,5м.
3.4. Габаритная длина теплообменника:
L т = L к + 0,1 = 9,5 + 0,1 = 9,6 м.
3.5. Расстояние от фланца до оси патрубка входа конденсатора,
принимаем = 0,15 м.
3.6. Диаметр окружности центров болтовых отверстий принимаем
Dб = Dв + 0,07 = 0,6 + 0,07 = 0,67 м
3.7. Наружный диаметр фланца корпуса принимаем:
Dф = Dб + 0,05 = 0,67 + 0,05 = 0,72 м.
3.8. Диаметр патрубков для бульона: (1) 3.42.
dр
= 1,13
*ρ), где ω = 2 м/с – средняя скорость жидкости в нагнетательных проводах насосных установок. (1) т.3.3.
dр
= 1,13
0,5/(970,2*2) = 0,018м.
Принимаем патрубки из стальной бесшовной горячекатаннойной трубы
По ГОСТ 8732-78 диаметром d 32*3 мм (1) т.22.
3.9. Диаметр патрубков для конденсата:
![]()
dкд
= 1,13
*ρ) = 1,13
0,785/(968,5*1) = 0,032м,
где ω = 1 м/с – для конденсата греющего пара.
Принимаем трубы из стальной бесшовной горячекатаннойной трубы
По ГОСТ 8732-78 диаметром d 32*3 мм (1) т.22.
4. Гидравлический расчёт.
Гидравлический расчёт выполняют для определения потерь давления и затрат энергии на преодоление этих потерь, а также выбора средств для транспортировки теплоносителей при движении их через аппарат и все другие каналы (трубопроводы) установки.
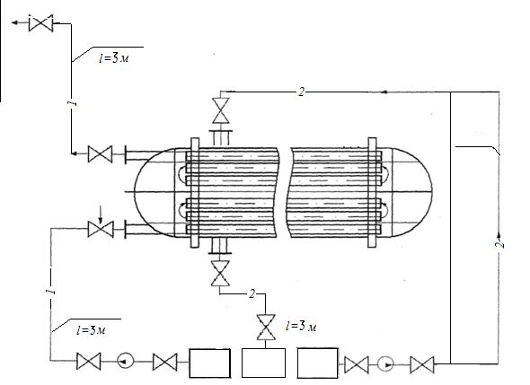
4.1. Расчётная гидравлическая схема
|
|
|
|
|
|
Весь путь движения продукта делим на 3 участка.
4.2. Гидравлическое сопротивление трубопроводов подачи бульона из бака в теплообменник. Принимаем диаметр трубопровода d = 32*2,5мм. Внутренний диаметр трубопровода и эквивалентный диаметр:
dв = dэ = dн - 2* δст = 32 - 2*2,5 = 27 мм = 0,027 м.
Плотность бульона концентрацией Вн = 6% при начальной температуре
tн б = 140 С:
Тн = 273 + tн б = 273 +14 = 287 К.
1/ρб = 10-2 *((100 – Вн )/ ρв + Вс / ρс + Вж / ρж ) 5(73)
ρв = 999,4 кг/м3 (4) т.3
ρс = 1016,4 кг/м3 , (6) II. 129.
ρж = 1098 – 0,605* Тн = 1098 – 0,605*287 = 924,3 кг/м3 .
1/р = 10-2 ((100 - 6)/ 999,4 + 4,5/ 1016,4 + 1,5/ 924,3) = 0,10005*10-3 м3 / кг
ρб = 999,5 кг/м3
Динамический коэффициент вязкости: (4) II. 12.
µ б = µ с (1 + 2,5φ) = 1,098*(1+2,5*0,06) = 1,263*10-3 Па*с.
Где µ с = 1,098 мПа*с – динамический коэффициент вязкости среды (3) т.VI.
Скорость бульона в трубопроводе:
ω б = Gн /0,785* d²в * ρб = 0,5/0,785*0,000441*659,63 = 2,19м/с
Критерий Рейнольдса:
Re б = ω б *dэ * ρб /µ б = 2,19*0,027*659,63/1,263*10-3 = 30882˃10000 – развитое турбулентное течение.
Коэффициент трения: (1) 3.56.
λ = 1/(0,78*ln Re – 1,5)² = 0,023
Принимаем длину трубопроводов l = 3 м
Местные сопротивления:
Вход в трубопровод ξ1 = 1 (3) стр.26
Калено гладкое: R = 4d – 2 = ξ =1*2 = 2
Вентиль нормальный D25 мм – 2:
ξ = 6*2 = 12 (3) т. XIII
Сумма местных сопротивлений:
Σ ξ = 1+2+12 = 15
Полное гидравлическое сопротивление трубопровода: (1) 77.

4.3. Гидравлическое сопротивление трубопроводов подачи конденсата из сборного бака в теплообменник.
Диаметр трубопровода оставляем как и для бульона d = 32*2,5мм
dв = dэ = 0,027 м.
Длина трубопровода l = 3 м
Плотность конденсата при начальной температуре tн кд = 1380 С (3) т.XXXIX, ρкд =927,9 кг/ м3
Динамический коэффициент вязкости конденсата
µ кд = 0,199*10-3 Па*с
Критерий Рейнольдса:
Re кд = ω кд *dэ * ρкд /µ кд .
Скорость конденсата:
ω кд = Gкд /0,785* d²в * ρкд = 0,785/ 0,785*0,000441*927,9 = 2,45 м/с
Re кд = 2,45*0,027*927,9/0,000199 = 321741 ˃ 105 (1) стр. 78
Абсолютная средняя шероховатость труб ∆ = 0,1мм = 0,0001 м
Относительная шероховатость трубы:
е = ∆/ dэ = 4*10-3 м
Коэффициент трения:
λ = 1/(0,78*ln(3,7/е))² = 0,035
Местные сопротивления:
Вход в трубопровод: ξ = 1
Вентиль нормальный D25 мм – 2: ξ = 6*2 = 12
Колено гладкое 90˚ : R = 4d – 3, ξ =1*3 = 3
Сумма местных сопротивлений:
Σ ξ = 1+3+12 = 16
Полное гидравлическое сопротивление трубопровода: (1) 77.
4.4.
Гидравлическое сопротивление по линии бульона:
Коэффициент трения:
λ = 1/(0,78*ln Re – 1,5)² =0,17
Длина канала l = z* lн = 6,13*3 = 18,4 м.
Эквивалентный диаметр dв = dэ = 0,021 м
Местные сопротивления:
Входная и выходная камеры – 2:
ξ = 1,5*2 = 3
Вход в трубки и выход из них 12:
ξ = 1*12 = 12
Поворот на 180˚ через промежуточную камеру – 5:
ξ =2,5*5 = 12,5.
Вентиль нормальный Dу = 25 мм – 2:
ξ = 6*2=12
Сумма местных сопротивлений:
Σ ξ = 3 +12 + 12,5 + 12 = 39,5
Полное гидравлическое сопротивление по линии бульона:

4.5. Полное гидравлическое сопротивление по линии конденсата:
Коэффициент трения при Re = 18759:
λ = 1/(0,78*ln Re – 1,5)² =0,026
Длина канала l = L = 3м
Местные сопротивления:
Входная и выходные камеры
= 1,0*4=4 [3] стр.26
Вход в трубки и выход из них:
=1,0*6=6
Поворот на 180 через промежуточную камеру:
=2,5*5=12,5
Вход в межтрубное пространство под углом 90˚ к рабочему потоку - ξ = 1,5
Выход из межтрубного пространства под углом 90˚ - ξ = 1
Огибание перегородок, поддерживающих трубы:
Принимаем расстояние между перегородками l = 0,5 м
Число перегородок n = L/l - 1 = 3/0,5 - 1 = 5
ξ = 0,5*5 = 2,5
Вентиль нормальный Dу25 – 2
ξ = 6*2 = 12
Сумма местных сопротивлений:
Σ ξ = 4 + 6 + 12,5 + 1,5 + 1 + 2,5 + 12 = 39,5
Полное гидравлическое сопротивление по линии конденсата:

4.6. Гидравлическое сопротивление трубопроводов подачи бульона в выпарную установку.
Плотность бульона концентрацией Вн = 6% при конечной температуре
tб к = 94,53˚С
Тн = 273 + tб к = 367,53 К
1/ρб = 10-2 *((100 – Вн )/ ρв + Вс / ρс + Вж / ρж ) 5(73)
ρв = 960 кг/м3 (4) т.3
ρс = 1016,4 кг/м3 , (6) II. 129.
ρж = 1098 – 0,605* Тн = 1098 – 0,605*367,53 = 875,64 кг/м3 .
1/р = 10-2 ((100 - 6)/ 960 + 4,5/ 1016,4 + 1,5/ 875,64) = 0,00104063 м3 / кг
ρб = 961 кг/м3
Динамический коэффициент вязкости: (4) II – 12
µ б = µ с (1 + 2,5φ) = 0,345*(1+2,5*0,06) = 0,4*10-3 Па*с.
Где µ с = 0,345 мПа*с – динамический коэффициент вязкости среды (3) т.VI.
Скорость бульона в трубопроводе:
ω б = Gн /0,785* d²в * ρб = 0,5/0,785*0,000441*961 = 1,5 м/с
Критерий Рейнольдса:
Re б = ω б *dэ * ρб /µ б = 1,5*0,027*961/0,4*10-3 = 97301˃10000 – развитое турбулентное течение.
Абсолютная средняя шероховатость новых стальных труб:
Δ = 0,1 мм = 0,0001 м
Относительная шероховатость трубы:
е = Δ/ dэ = 0,0001/0,027 = 4*10-3
Коэффициент трения: (1) 3.56.
λ = 1/(0,87*ln (3,7/ е ))² = 0,028
Местные сопротивления:
Вентиль нормальный ξ = 6
Выход из трубы ξ = 1
Сумма местных сопротивлений:
Σ ξ = 1+6 = 7
Полное гидравлическое сопротивление трубопровода: (1) 77.

4.7. Принимаем геометрическую высоту подъёма жидкости Нг = 5 м (конструктивно).
Потеря давления, развиваемого насосом на подъём конденсата:
= ρкд
* g * Нг
= 927,9*9,81*5 = 45513 Па
Потеря давления, развиваемого насосом на подъём бульона:
= ρб
* g * Нг
= 987*9,81*5 = 48412 Па
4.8. Подбор насоса для подачи бульона:
Полный напор развиваемый насосом: (3) стр.91
=
+
+
+
= 27770 + 65132 +10930 + 48412 = 143244 Па
Объёмная производительность насоса:
Vб = Gн /ρб н = 0,5/999,5 = 1,39*10-3 м3 /с = 5 м3 /ч.
Потеря напора:
Н =
/ ρ*g = 143244/987*9,81 = 15 м.вод.ст.
Принимаем центробежный насос марки X8/18, КПД насоса
= 0,5
Мощность электродвигателя:
N = Vб
*
/
= 1,39*10-3
*143244/0,5 = 398 Вт
Принимаем электродвигатель серии 2В 100S2 мощностью N2 = 4,0 кВт
4.9. Подбор насоса для перекачивания конденсата.
Полный напор, развиваемый насосом:
=
+
+
= 55388 + 2011 + 45513 = 102912 Па.
Объёмная производительность:
Vкд = Gкд /ρкд н = 0,785/927,9 = 0,846*10-3 м3 /с = 3,05 м3 /ч.
Потеря напора:
Н =
/ ρ*g = 102912/927,9*9,81 = 11 м.вод.ст.
Принимаем центробежный насос марки X8/18, КПД насоса
= 0,5
Мощность электродвигателя:
N = Vкд
*
/
= 0,846*10-3
*102912/0,5 = 174 Вт
Принимаем электродвигатель серии 2В 100S2 мощностью N2 = 4,0 кВт
5. Механический расчёт
5.1. Основные детали теплообменника: корпус, фланцы, днища, обечайки, болты, принимаем из стали ст.3 (1) стр.83
Номинальное допускаемое напряжение стали Вст3
,
=132 МПа
Поправочный коэффициент для обогреваемого корпуса с отверстиями для приварки патрубков и выпуклых днищ
:
=0,9 – для корпуса
=0,95 – для днища с отверстиями
Расчётное допускаемое напряжение на растяжение для стали Вст3 (1 стр.48)
Для корпуса:
МПа
Для днища:
МПа
Коэффициент прочности сварного стыкового шва, свариваемого электросваркой вручную
=0,7
5.2. Толщина стенки корпуса:
![]()
Р = 45513 Па = 0,045 мПа – принимаем давление в корпусе аппарата равным давлению, развиваемому насосом подачи конденсата.
С = 0,003 м – конструктивная добавка на коррозию, овальность
![]()
5.3. Толщина выпуклого днища:
![]()
Р = 135611 Па = 0,14 мПа – давление во входной камере, равное давлению, создаваемому насосом подачи бульона.
dн = dв + 2*δ1 = 0,6 + 2*0,004 = 0,608м – наружный диаметр корпуса.
Фактор формы днища – К = 2,1 (1) стр.124
Отношение h / dн =0,125/0,608 = 0,21
Отношение (t+d)/ dн = (0,1+0,032)/0,608 = 0,22
Толщина выпуклого днища:
= (0,14*0,608*2,1)/(2*125,4*0,7)+0,003 = 4*10-3
мм
5.4. Расчёт болтов фланцевого соединения корпуса.
Усилие, открывающее днище входной камеры от фланца (1) 5.119
Q = π* d²ср *(Р/4) = 3,14*0,72²*(0,21/4) = 0,085мм
Принимаем предварительно внутренний диаметр резьбы болта (1) т.13
Dв = 14 мм = 0,014 м
Принимаем отношение шага расположения болтов к внутреннему диаметру:
S/ Dв = 5
Шаг болтов, предварительно: (1) стр.157
z = π* Dв /t = 3,14*0,6/0,07 = 30
Принимаем число болтов кратное четырём z = 32
Уточнённый шаг болтов:
t=π* Dб / z = 3,14*0,67/32 = 0,066м
Усилие на один болт:
Р0 = К*Q/z = 2*0,085/32 = 5,3*10-3 мм,
где К=2 – коэффициент затяжки болта для мелких прокладок (1) стр.157
Внутренний диаметр резьбы болта (1) 5.123.
D
=1,13
+0,005=1,13
+0,005= 0,0125 м = 12,5 мм
Принимаем болты с шестигранной головкой нормальной точности по ГОСТ 7798-70 (1) т.13
Номинальный диаметр резьбы 16 мм.
Шаг резьбы – крупный, резьба метрическая М16
5.5. Толщина круглого приварного фланца: (1) 5.125.
δ
= β
+C
β=0,43 – коэффициент для фланцев, имеющих прокладку по всей торцевой поверхности (1) стр.159
r0 = Dб /2 = 0,67/2 = 0,335м – радиус окружностей центров болтовых отверстий
r = Dв /2 = 0,6/2 = 0,3м – внутренний диаметр корпуса
d = 0,018м – диаметр болтового отверстия
δн = δ = 118,8 мПа – допускаемое напряжение на изгиб (1) 5.2
С = 0,004м – конструктивная прибавка (1) 158.
δ
= β
+C = 0,43
+0,004 = 8,7*10-3
м = 9 мм
6. Расчёт тепловой изоляции.
Тепловая изоляция используется для уменьшения тепловых потерь, повышения эффективности использования теплоносителя, выполняя требования техники безопасности и защиты поверхности от коррозии.
6.1.
Принимаем температуру на поверхности изоляции, согласно санитарным нормам t
= 40
C
6.2.
Принимаем температуру окружающего воздуха t
=20
C
6.3.
Принимаем теплоизоляционный материал: минераловатно-асбестовые плиты К = 4, коэффициент теплопроводности
= 0,079 ВТ/мК
6.4. Коэффициент теплопередачи в окружающую среду
![]()
=
+
=9,74+0,07
=9,74+0,07(40-20)=11,14 ВТ/м
К
6.5. Удельный тепловой поток от изолированной поверхности к окружающему воздуху:
q
= ![]()
) = 11,14*(40-20) = 222,8 ВТ/м![]()
6.6. Толщина тепловой изоляции:
q
*
= (0,079/222,8*(138-40)) = 0,035 м = 35мм
Список используемой литературы:
1. Солнцев В.Д. Процессы и аппараты пищевых производств и химической технологии: Учебно-методическое пособие по курсовому проектированию. - Влад.: ТГЭУ, 2006.-100 с.
2. Лунин О.Г., Вельтищев В.Н. Теплообменные аппараты пищевых производств. - М.: Агропромиздат, 1987.-239 с.
3. Соколов В.И. Основы расчёта и конструирования машиностроения и аппаратов пищевых производств. – М.: Машиностроение, 1983.-484 с.
4. Расчёты и задачи по процессам и аппаратам пищевых производств/ под ред. С.М. Гребешока. – М. – Агропромиздат, 1987. – 304 с.