| Скачать .docx |
Реферат: Технологический процесс изготовления деталей винтового домкрата грузоподъемностью 30 тонн
Тех. процесс изготовления деталей винтового домкрата грузоподъемностью 30 тонн.
Мазанов А. А. гр. ММ-01-2
5 Безопасность жизнедеятельности
5.1 Анализ технологического процесса
При обработке данного материала сталь 25Л, на металлорежущем оборудовании возникают определенные физические, химические, психофизические и биологические вредные и опасные производственные факторы.
Вредные факторы.
К вредным физическим производственным факторам характерным для процесса резания, являются:
-повышенная запыленность воздуха рабочей зоны
-высокий уровень шума и вибраций
-недостаточная освещенность рабочей зоны
-наличие прямой и отраженной блесткости
-повышенная пульсация светового потока.
Запыленность воздуха рабочей зоны возникает вследствие образования мелких частиц металлической стружки, наличия в помещении негорючей пыли (свинец, хром и др. ). Наличие этих веществ в воздухе способствует отравлениям. Пыль может быть причиной заболеваний кожи, органов дыхания. Некоторые виды пылей оказывают фиброгенное действие, при котором в легких человека происходит разрастание соединительной ткани, нарушающее функции организма и вызывающее профзаболевание- пневмокониозы.
Например, длительное вдыхание пыли, содержащей свободный диоксид кремния, вызывает заболевания- силикоз, сущность которого заключается в развитии фиброза, т. е. замещение легочной ткани соединительной тканью.
Шум возникает вследствие упругих колебаний как машины в целом, так и отдельных ее деталей. Причины возникновения этих колебаний – механические, аэродинамические, гидродинамические и электрические явления, определяемые конструкцией и характером работы машины, а также неточностями, допущенными при ее изготовлении, и, наконец, условиями эксплуатации. Факторы, вызывающие шумы механического происхождения, следующие: шум, происхождение которого связано непосредственно с технологическими операциями, обработка металлов резанием; зубчатые передачи станков; неуравновешенные вращающиеся части машин; зазоры в деталях машин и трение в сочленениях деталей механизмов.
Аэродинамические шумы – эти шумы являются главной составляющей шума механической вентиляции, компрессоров.
Гидродинамические шумы – эти шумы возникают в насосах подающих смазочно-охлаждающие жидкости.
Электромагнитные шумы – шумы электромагнитного происхождения возникают в электрических машинах и оборудовании. Причиной возбуждения вибраций являются возникающие при работе машин и агрегатов неуравновешенные силовые воздействия (электродвигатели, вращающийся металлорежущий инструмент, и другие вращающиеся части оборудования).
Прямая блесткость связана с источниками света, отраженная возникает на поверхности с большим коэффициентом отражения или отражением по направлению к глазу.
Повышенная пульсация светового потока связана с изменением во времени светового потока газоразрядных ламп при питании их переменным током.
Химические вредные факторы (раздражающие):
аэрозоль нефтяных масел, входящих в состав смазочно-охлаждающей жидкости.
Может вызывать раздражение слизистых оболочек верхних дыхательных путей, способствовать снижению иммунобиологической реактивности.
Биологические вредные факторы:
- болезнетворные микроорганизмы и бактерии, появляющиеся при работе с СОЖ.
Психофизиологические вредные факторы:
-перенапряженность зрения
-монотонность труда
-умственное утомление
-несооответствие антропометрических данных человека обслуживаемому оборудованию.
Перенапряженность зрения вызывает недостаточная освещенность рабочего места, а также повышенная блеклость. Монотонность труда возникает в следствии выполнения однообразной работы. В результате этого человек начинает выполнять операции автоматически и как бы « засыпает», то есть теряет бдительность, что может привести к травматизму.
Устранение причин вредных факторов позволяет избежать профессиональных заболеваний или снизить их вероятность.
Опасные производственные факторы:
-движущиеся машины и механизмы.
К ним относят: вращение шпинделя, ременные передачи, перемещение стола или суппорта, т.к. эти части оборудования, при нарушении обслуживающим персоналом правил техники безопасности могут нанести механические повреждения, такие, как отрывы пальцев, конечностей и др.
- передвигающиеся изделия, заготовки, материалы (транспортировка изделий, заготовок транспортером, конвейером, погрузчиками и др. транспортирующими средствами, перемещение расплавленных металлов, пластмасс и др. )
- незащищенные подвижные, разогретые элементы производственного оборудования
- отлетающие частицы обрабатываемых материалов (стружка) и инструмента.
Стружка может вызвать порезы, занозы, ожоги. Попадание мелких частиц стружки в органы дыхания и на слизистую оболочку глаз вызывает раздражение и боль.
- опасный уровень напряжения в электрической цепи, замыкание которой может пройти через тело человека, это происходит в случае прикосновения к двум точкам электрической цепи, между которыми имеется напряжение (существует разность потенциалов).
- чрезвычайные ситуации
К чрезвычайным ситуациям на машиностроительных предприятиях относятся пожары и стихийные бедствия.
Устранение причин опасных факторов или их профилактика позволяет снизить производственный травматизм и число несчастных случаев со смертельным исходом.
5.2 Производственная санитария
Освещение производственных помещений
Естественное и искусственное освещению производственных помещений должно соответствовать требованиям СНиП 23.05-95Производственное помещение правильно спроектированное и выполненное, улучшает условия зрительной работы, снижает утомление способствует повышению производительности труда и качества выпускаемой продукции, благоприятно влияет на производственную среду, оказывает положительное психологическое воздействие на работающего, повышает безопасность труда и снижает травматизм. Для работы на металлорежущих станках применяем совмещенное освещение, так как рабочая зона оборудования недостаточно освещена.
1) Естественное освещение
По конструктивному исполнению естественное освещение в цехе верхнее непостоянно, меняется в зависимости от времени года, суток, состояния облачности и других факторов, следовательно, его принято характеризовать относительной величиной, которая названа коэффициентом естественного освещения Ен. Достаточность естественного освещения в производственных помещениях регламентируется СниП 23.05 – 95.
Характер зрительных работ - средней точности – 4б.
Контраст объекта с фоном – средний.
Характеристика фона – средний.
По СНиП 23.05-95 Ен=1,5, далее выбранный коэффициент подлежит уточнению по формуле:
ЕN =EН *mN , где mN -коэффициент светового климата.
По СНиП 23.05-95, при m=2 – номер группы административного района, и ориентации световых проемов на запад
mN
=0,9
ЕN =1,5*0,9=1,35%
2)Искусственное освещение. По конструктивному исполнению выбираем комбинированную (общую равномерную в сочетании с местной).
Характер зрительных работ - средней точности – 4б.
Контраст объекта с фоном – средний.
Характеристика фона – средний.
По СНиП 23.05-95 Ен=300лк.
Произведем расчет искусственного освещения по методу светового потока, мм.
FЛ
=ЕН
*S*K3
*Z / (N*
)
где ЕН -нормируемый коэффициент искусственного освещения по СНиП
S – площадь помещения, м2
К3 – коэффициент запаса;
Z – коэффициент неравномерности распределения светового потока по помещению;
N – количество светильников, шт.;
- коэффициент использования светового потока.
FЛ =300*89*1,5*1,15/(12*0,5)=1012,5 мм
Подбираем стандартную лампу с величиной светового потока близкой к расчетной. Такую характеристику имеет лампа Б-220-100 ГОСТ 2239-70, величина светового потока которой FЛ =1090 мм.
Для оценки условий освещения и определения соответствия их гигиеническим требованиям проводится инструментальное измерение освещённости на рабочих местах с помощью объективного люксометра (Ю – 117).
При организации рационального освещения на производстве следует избегать наличия в поле зрения работающих блесткости. Иначе может иметь место нарушение зрительных функций блесткостью – слепимость. Там где это возможно, следует заменять блестящие поверхности матовыми.
Для местного освещения следует применять светильники типа НКС 01 напряжением 36 В., установленные на металлорежущих станках и отрегулированные так, чтобы освещенность в рабочей зоне была не ниже значений, для комбинированного освещения общее и местное 1012,5 лк., общее 300 лк., (рекомендуемая освещенность в механических цехах с металлорежущими станками и слесарными верстаками). Для местного освещения должны использоваться светильники с не просвечиваемыми отражателями с защитным углом не менее 30°. Кроме того, должны быть предусмотрены меры по снижению отраженной блескости. Прямую блескость ограничивают правильным выбором защитного угла светильника, отраженную блескость ослабляют правильным выбором направления светового потока на рабочую поверхность, там где это возможно, следует заменять блестящие поверхности матовыми. Повышенная пульсация светового потока от использования газоразрядных ламп при питании их переменным током, исключается стабилизацией питающего напряжения, жестким креплением светильников, применением специальных схем включения газоразрядных ламп.
Чистка ламп и осветительной арматуры для механического цеха должна производиться не реже двух раз в год.
Отопление и вентиляция.
Требования к отоплению и вентиляции освещены в СНиП 4.1-01-2003.
Основная гигиеническая задача отопления состоит в том, чтобы создать оптимальную температуру воздуха, постоянную во времени и пространстве.
Для обеспечения теплового комфорта человека температура воздуха в помещениях по вертикали и горизонтали должна быть относительно равномерной. Допускается разница в температуре воздуха по вертикали не более 2 – 2,5 0 С на каждый метр высоты и по горизонтали – до 2 0 С. Особенно важно уменьшение температурной разницы в вертикальном направлении, так как переохлаждение ног может вызвать общее охлаждение организма.
Показателями характеризующими микроклимат в производственном помещении является: температура окружающей среды, температура поверхностей, относительная влажность воздуха, скорость движения воздуха, интенсивность теплового излучения.
Таблица 27 – Температура, скорость и относительная влажность воздуха на постоянных и непостоянных рабочих местах производственных помещений.
| Период года | Категория работ | Оптимальные нормы на постоянных и непостоянных рабочих местах | ||||
| Температура воздуха, °С | Скорость движения воздуха не более, м/с | Относительная влажность, % | ||||
| Теплый | Средней тяжести IIб | 19,0-21,0 | 0,2 | 40-60 | ||
| Холодный | Средней тяжести IIб | 17,0-19,0 | 0,2 | 40-60 | ||
| Период года | Категория работ | Допустимые нормы | ||||
| Температуры воздуха, °С | ||||||
| ниже оптимальных Т | выше оптимальных Т | |||||
| Теплый | Средней тяжести IIб | 16-18,9 | 21,1-27 | |||
| Холодный | Средней тяжести IIб | 15-16,9 | 19,1-22 | |||
| Период года | Категория работ | Допустимые нормы | ||||
| Скорость движения воздуха не более, м/с | Относительная влажность воздуха не более, % | |||||
| На постоянных и не постоянных рабочих местах | ||||||
| Теплый | Средней тяжести IIб | 0,5 | 15-75 | |||
| Холодный | Средней тяжести IIб | 0,4 | 15-75 | |||
Вентиляция, и отопление обеспечивают в рабочей зоне нормальные микроклиматические условия и допустимое содержание вредных веществ в воздухе.
Для предупреждения перегрева и переохлаждения работающих применяют общеобменную естественную вентиляцию, а также применяют механическую приточно-вытяжную вентиляцию. Предусматриваются помещения для отдыха, перерыв для отдыха составляет 5-10 минут.
Для отопления производственных помещений категории Д, с выделением негорючих пыли и аэрозолей, следует предусматривать системы воздушного отопления совмещенные с вентиляцией, а также системы водяного отопления с радиаторами, панелями и гладкими трубами при температуре теплоносителя 150°С. В качестве побудителей движения воды используются водяные насосы и элеваторы (эжектирующее устройство). Вода в систему отопления подается либо от собственной котельной предприятия, либо от районной или городской котельной или ТЭЦ.
Для защиты рабочих помещений и рабочих мест от сквозняков в холодное время года, у входных дверей, ворот цеха необходимо применять отапливаемые тамбуры, а при наличии в зданиях в течении некоторого времени открытых проемов последние (для исключения поступления в здание холодных масс воздуха) оборудуются воздушно-тепловыми завесами с подогревом или без подогрева воздуха, также используется двойное остекленение и по возможности двойной пол.
Защита тела человека от содержащихся в воздухе аэрозолей масел и смазочно-охлаждающих жидкостей обеспечивается применением спецодежды, спецобуви, в случае необходимости головных уборов и рукавиц.
Органы зрения защищаются очками не только от механических повреждений, но и от теплового излучения.
Для эффективной трудовой деятельности необходимо обеспечение нормальных метеорологических условий и требуемой чистоты воздуха.
В результате производственной деятельности в воздушную среду поступают вредные вещества в виде аэрозолей.
Задачей вентиляции является обеспечение чистоты воздуха и заданных метеорологических условий в производственных помещениях. Вентиляция достигается удалением загрязненного или нагретого воздуха из помещений и подачей в него свежего воздуха.
Поскольку нагрев воздуха в производственном помещении от оборудования небольшой то помимо естественной вентиляции для удаления аэрозолей масел и смазочно-охлаждающих жидкостей следует применять механическую вентиляцию. В системах механической вентиляции движение воздуха осуществляется вентиляторами и в некоторых случаях эжекторами.
Целесообразнее использовать приточно-вытяжную вентиляцию, поскольку обработка заготовок ведется большей частью времени на станках с ЧПУ, т.е. люди находятся в существенном удалении от оборудования, поэтому есть существенная необходимость в поддержании чистоты воздуха во всем объеме цеха.
Общая приточно-вытяжная вентиляция распространяет воздух по всему помещению. Эта система является наиболее рациональной для осуществления необходимого обмена воздуха.
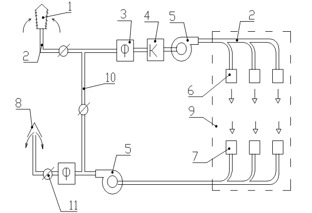
Очистка удаляемого воздуха является важным этапом по борьбе с загрязнением окружающей среды. Очистка от пыли может осуществляться с помощью различных устройств, выбор которых определяется необходимой степенью чистки воздуха, дисперсностью пыли, её физическими свойствами и начальным пылесодержанием. По степени очистки воздуха от пыли различают очистку грубую (задерживается пыль размером более 100 мкм), среднюю (улавливается пыль 10 – 100 мкм) и тонкую (улавливается пыль размером менее 10 мкм), а остальное содержание пыли в очищенном воздухе не более 30 % от ПДК её в воздухе рабочей зоны. В рассматриваемом случае достаточно грубой очистки воздуха от пыли. Её проводят в циклонах. Схема приточно-вытяжной искусственной вентиляции приведена на рисунке.
В данной системе применяется осевой вентилятор низкого давления обычного исполнения. Количество вентиляторов: 3 приточных и 3 вытяжных. Расход воздуха: 60м3 /ч на 1 чел. (не менее).

Установка приточно-вытяжной вентиляции состоит из следующих элементов в соответствии с рисунком 14: воздухозаборного устройства (воздухоприёмника) 1 для забора чистого воздуха; воздуховодов 2, по которым воздух подается в помещение; фильтров 3 для очистки воздуха от пыли; калориферов 4, где воздух нагревается; вентилятора 5; приточных отверстий или насадок 6, через которые воздух попадает в помещение (цех) 9; вытяжных отверстий или насадок 7, через которые воздух удаляется из помещения; устройства для выброса воздуха (вытяжная шахта) 8, расположенного на 1,0-1,5 м выше конька крыши; регулирующих клапанов 10. Фильтр, калориферы и вентилятор обычно устанавливают в одном помещении, в так называемой вентиляционной камере.
В местах выделения вредных веществ, попадание которых в воздушную среду цеха недопустимо, применяется система местной вентиляции, обеспечивающая скорость движения воздуха 1,3 м/с.
Защита от шума и вибрации
Шум - беспорядочное сочетание звуков различной интенсивности и частоты т. е. всякий нежелательный в процессе работы для человека звук.
Вибрация - это механическое колебание упругих тел с частотой >1гц.
Шум оказывает влияние на органы слуха (утомление слуха), ССС, ЦНС.
Снижается острота зрения и слуха, повышается кровяное давление, ослабляется память, внимание, нарушается координация движения. Увеличивается кол-во ошибок, снижается производительность труда. Повышается склонность к головной боли, нервозам, бессонница, расстройство пищеварения, кости черепа обладают проводимостью звука.
Вибрация оказывает неблагоприятное воздействие на ЦНС и ССС. Головная боль, тяжесть и шум в голове, головокружение, обморочное состояние, раздражение, нарушение сна, спазма сосудов, нарушение циркуляции крови, сосудов, разрушение головного мозга. При длительном действии может развиться виброболезнь.
Зимой вибрация - более неблагоприятна.
Уровень звука создаваемый на расстоянии 1 м от зоны резания для металлорежущих станков составляет 60-100 ДБ. При типовых условиях эксплуатации верхний предел этого диапазона 90 ДБ. по СН 2.24/2.1.8.562-96.
Шум станков снижают в источнике возникновения уменьшением
передачи колебательной энергии от источника к излучателям шума
(обычно наружные стенки станков), демпфированием излучателей и
строительно-акустическими мероприятиями. Достигается это установкой станков на фундамент, смазкой трущихся и вращающихся частей, применением картеров.
Для уменьшения влияния на общий уровень шума, отдельные агрегаты, устанавливаемые на станок, виброизолируются от упругой системы станка. Это же относится к электрошкафам, которые сами не являются источником колебаний, но имея большую площадь поверхности, интенсивно излучают шум. Виброизоляцией двигателей можно снизить звук оборудования на 6 ДБ и более.
Демпфирование инструмента позволяет уменьшить уровень тональных составляющих шума на 20 ДБ и более. Кожухи и ограждение на станке, предназначенные для устранения случайного контакта человека с подвижными механизмами выполняют в виде сетчатых панелей. Для уменьшения уровня шума используют звукоизолирующие панели, прикрепляемые с помощью виброизоляторов к наружным поверхностям интенсивных источников шума, они позволяют снизить уровень шума на 10 ДБ и более.
Виброизоляция осуществляется путем введения в колебательную систему дополнительной упругой связи, предшествующей передачи вибрации от станка к основанию или смежным конструкциям и соответственно на человека.
А также для уменьшения вибрации следует:
–устанавливать оборудование на специальные фундаменты, резиновые прокладки;
–применять индивидуальные средства защиты (обувь на амортизирующей подошве, налокотники и наконечники).
Нормирование вибрации ведется по СН2.2.4/2.1.8.566-96.
При проектировании на генеральном плане необходимо учитывать розы ветров и между зданиями посадить деревья. В цехе: звукоизолирующие перегородки и стены или меняем режимы работы шумных участков, отделка стен шумоизолирующими материалами, звукопоглотители на потолках.
Мероприятия предусматривающие профилактику вредного воздействия на организм человека ядовитых веществ.
При сгорании СОЖ получаются продукты горения (окись углерода, хлористого водорода, углеводородов, сернистого ангидрида, альдегидов). Эти вредные факторы относятся к 3-4 классу опасности и подлежат контролю не реже 1 раза в квартал.
Необходимо периодически производить замену СОЖ, производить очистку емкостей для приготовления СОЖ, трубопроводов, систем подачи не реже одного раза в шесть месяцев. СОЖ не сливать в канализацию, что может привести к ее попаданию в землю или грунтовые воды, а удалять предписанным образом. Защита тела человека от содержащихся в воздухе аэрозолей масел и смазочно-охлаждающих жидкостей обеспечивается применением спецодежды, спецобуви, в случае необходимости головных уборов и рукавиц.
Органы зрения защищаются очками не только от механических повреждений, но и от теплового излучения.
Техника безопасности
Планировка оборудования в цехе и на участке
Расстояние между станками принимаем равным 1700мм.
Расстояние между оборудованием и стенами –900мм.
Расстояние между оборудованием и проходами –500мм.
Ширина пешеходных проходов-1400мм.
Ширина магистральных проездов, по которым осуществляются межцеховые перевозки принимаем равным 5500мм.
Конструктивные приспособления безопасности
Оградительные средства защиты препятствуют появлению человека в опасной зоне. Применяются для изоляции систем привода машин и агрегатов, зон обработки заготовок, ограждения токоведущих частей и т. д. Ограждения выполняют в виде сварных или литых кожухов, жестких сплошных щитов (экранов), решеток, сеток на жестком каркасе. В качестве материала ограждений используют металлы, пластмассы, дерево. При необходимости наблюдения за рабочей зоной кроме сеток и решеток применяют сплошные оградительные устройства из прозрачного материала (оргстекла). При расчете на прочность необходимо учитывать возможность вылета и удара об ограждение заготовок и режущего инструмента.
Предохранительные защитные средства применяются для автоматического отключения агрегатов и машин при выходе какого-либо параметра оборудования за пределы допустимых значений, что исключает аварийные режимы работы.
Для обеспечения безопасного пуска и остановки оборудования, на станках предусмотрены специальные прозрачные экраны, закрывающие рабочую зону и исключающие возможность попадания как посторонних предметов, так и вылет частиц обрабатываемого материала или разрушившегося инструмента за ее пределы. Принцип их действия состоит в том, что станок не запустится пока экран не закрыл зону обработки.
Важную роль играют знаки безопасности. Вывешиваемые на входе в опасную зону (зону разброса стружки). В нашем случае необходимы следующие виды знаков: Запрещающие - « Курение в рабочей зоне», « Пользование открытым пламенем»
Предупреждающие - Знак «Прочие опасности», знак «Электрическое напряжение»
Предписывающие - Знак «Работать в защитных очках»
Указательный - Знак «Огнетушитель»
Все применяемые на станках приспособления для закрепления обрабатываемых деталей должны обеспечивать надежное крепление деталей. В приспособлениях с механическим креплением усилие, прилагаемое к рукояткам зажима, не должно быть направлено в сторону инструмента.
Конструкция приспособлений не должна мешать свободному выходу стружки и удобному удалению её со станка.
При возникновении чрезвычайных ситуаций необходимо обеспечить автоматическое отключение питания станка.
Электробезопасность
Согласно ПУЭ-02 помещение относится ко второму классу опасности поражения электрическим током.
При механообработке детали используется силовая энергия напряжением 380 В переменного тока с частотой 50 Гц, а также напряжение 36 В для местного освещения. Данный вид производства относится ко второму классу с повышенной опасностью. В целях снижения опасности поражения рабочих электрическим током должны предусматриваться следующие меры защиты:
обеспечение недоступности токоведущих частей, находящихся под напряжением от случайного прикосновения, электрическое разделение цепи на отдельные, не связанные между собой участки с помощью специальных разделительных трансформаторов, устранение опасности поражения корпус, кожух или другие места электрооборудования, что достигается применением малых напряжений, двойной изоляцией, защитного заземления оборудования, зануления, защитное отключение, и средства индивидуальной защиты (деревянные решетки возле станка).

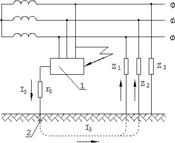
Рисунок 12 – Принципиальная схема защитного заземления в сети с изолированной нейтралью до 1000 В и выше.
1 – заземленное оборудование;
2 – провод защитного заземления;
r3 – сопротивление защитного заземления;
I3 – ток замыкания на землю.
Безопасность при работе на металлорежущем оборудовании
На машиностроительных предприятиях используется большое количество различного производственного оборудования: машин, механизмов и станков.
К средствам защиты, которые можно считать основными на машиностроительных предприятиях, отнесены следующие устройства: оградительные, автоматического контроля и сигнализации, предохранительные, дистанционного управления, тормозные и знаки безопасности.
Конструкция станков должна исключать возможность случайного соприкосновения работающих с горячими и переохлажденными частями, подобные части должны быть скрыты под кожухами или располагаются внутри корпуса станка.
Все станки, используемые в технологическом процессе, являются станками с открытой зоной резания, что не исключает случайного попадания в нее частей человеческого тела. Использование защитных устройств (съемных экранов), по конструктивным причинам иногда не представляется возможным, поскольку их установка зависит от места расположения детали на столе. Если ограждение не удается установить, рабочих снабжают средствами индивидуальной защиты.
Органы управления станками своим расположением и наличием предохранительных устройств обеспечивают: быстроту остановки, легкость и удобство пользованием; невозможность включения нескольких механизмов. Органы управления выполняются так, чтобы пользование ими было удобным, не приводило к защемлению и сталкиванию руки на другие органы управления или части станка и в возможно большей степени исключало случайное воздействие на них.
Установка обрабатываемых заготовок и снятие готовых деталей во время работы оборудования допускается вне зоны обработки, при применении специальных позиционных приспособлений (например поворотных столов), обеспечивающих безопасность работающих.
Для контроля размеров обрабатываемых заготовок во время работы оборудования должны быть предусмотрены специальные приборы, позволяющие производить контроль автоматически, без снятия деталей. Контроль на станках и снятие деталей для контроля должны производится лишь при отключенных механизмах вращения или перемещения заготовок, инструмента и приспособлений
Механизация уборки стружки от станков
Для обеспечения безопасности, выполнение технологических процессов обработки резанием должно соответствовать требованиям системы стандартов безопасности труда ГОСТ 12.3.002-75* ”Процессы производственные. Общие требования безопасности” и ГОСТ 12.3.025-80 ”Обработка металлов резанием. Требования безопасности”.
Стружку ( отходы производства) от металлорежущих станков и с рабочих мест следует убирать механизированными способами ( например транспортером),также стружку можно удалять щетками, сметая в специальную тару.
Стружка и отходы собираются в специальную металлическую тару (ящики, контейнеры и др.)
По мере накопления стружки в таре, а также после окончании сменыее убирают в специально отведенное место.
Тару устанавливают на расстоянии 3-4 м от оборудования
При работе с большими скоростями резания велика вероятность попадания стружки в рабочую зону вблизи расположенного оборудования. Для устранения этого фактора (максимального снижения вероятности) применяют защитные экраны из оргстекла снабженные блокировочными системами, задерживающими до 90% стружки.
Цветовое оформление машин
На станках используется опознавательная сигнализация (сигнальные цвета), предназначенная для выделения его частей, представляющих опасность или требующих особое внимание:
красный – явная опасность, окрашивается: зона резания;
желтый – предупреждение о возможной опасности, окрашиваются: электродвигатели, стол;
зеленый – безопасность, окрашиваются: станина, консоль.
Безопасность при эксплуатации транспортного и подъемно-транспортного оборудования.
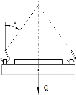
При подъеме приспособлений, установки их на стол станка применяем кран балку Q=286 кг., которая снабжена приборами безопасности и системой дистанционного управления. Для обеспечения безопасности применяют :концевые выключатели (ограничители хода), ограничители грузоподъемности, устройства, предотвращающие соскальзывание канатов с крюка, тормозные и удерживающие устройства (ловители).
Большое значение для безопасности работы подъемно-транспортных машин имеет выполнение основных требований при проведении такелажных работ: при кантовании груза необходимо использовать специальные устройства – ремболты, проушины; центр тяжести поднимаемого груза должен находиться в середине между захватами стропа; строповочные канаты необходимо располагать на поднимаемом грузе равномерно, без узлов и перекруток; строповочный трос следует отделять от острых кромок и ребер груза прокладками (резина и т.п.); сплетение грузовых канатов не допускается; при проведении такелажных работ должна применяться оперативная сигнализация.

Рисунок 11 – Схема натяжения строповочных канатов
Канаты и цепи, применяемые для строповки, должны иметь сертификат завода-поставщика. И их временное сопротивление разрыву должно находиться в пределах Gb=1400-2000, МПа.
Чрезвычайные ситуации
Вопросы обеспечения пожарной безопасности производственных зданий и сооружений регламентируются специальными государственными стандартами. Цех механообработки согласно НПБ 105-95 «Определение категорий помещений и зданий по взрывоопасной и пожарной безопасности» относится к категории Д (негорючие вещества и материалы в холодном состоянии).
В соответствии с СНиП 21-01-97 одноэтажный цех относится к помещениям IIIб степени огнестойкости.
Так как в цехе нет технологических процессов с различной взрыво- и пожарной опасностью не требуется предусматривать мероприятия по предупреждению взрыва и распространению пожара.
Для зданий категории IIIб огнестойкости и категории Д при объеме здания 20000 - 50000 м3 , расход воды на наружное тушение составляет 25 л/сек. Поэтому кольцевой хозяйственный водопровод имеющийся на предприятии удовлетворяет требованиям НПБ 105-03.
Эвакуационные выходы из помещений следует располагать рассредоточено. Ширина путей эвакуации должна быть не менее 1м, а ширина дверей на путях эвакуации –не менее 0,8м, причем двери должны открываться наружу.
Для целей пожаротушения в цехе предусмотрены первичные средства пожаротушения: асбестовые полотна, ящики с песком укомплектованные совковой лопатой, имеются огнетушители.
Применение автоматических средств обнаружения пожаров является одним из основных условий обеспечения пожарной безопасности в машиностроении, так как позволяет оповестить дежурный персонал о пожаре и месте его возникновения.
Извещатели пожара целесообразнее использовать ручного действия, предназначенные для выдачи дискретного сигнала при нажатии соответствующей пусковой кнопки или с кодом для защиты от случайных срабатываний, и автоматического действия для выдачи дискретного сигнала при достижении заданного значения физического параметра.
Поскольку основными причинами пожара могут быть: неисправность электрооборудования; ремонт оборудования с отклонениями от технологических схем; самовозгорание промасленной ветоши; несоблюдение правил планово-предупредительного ремонта износ и коррозия оборудования, то лучше всего применить тепловые извещатели, так как содержащиеся в воздухе аэрозоли могут привести к ложному срабатыванию дымовых извещателей, а наличие в помещении движущихся объектов (электрокаров) и высокая стоимость ультразвуковых излучателей не позволяет их использовать, так как возможны ложные срабатывания.
Недостатком тепловых извещателей является зависимость их чувствительности от окружающей среды. Дифференциальные тепловые извещатели имеют достаточную чувствительность, и поскольку в цехе нет резких колебаний температур наиболее выгодно их использование.
Включение извещателей в линию связи может проводиться параллельно или последовательно. Для линии связи применяют кабели связи, прокладка кабелей и проводов внутри помещений производится как скрытым, так и открытым способами.
Из числа приемных станций, выпускаемых промышленностью, наиболее распространенной является концентратор малой вместимости «Комар-сигнал 12АМ». Приемная станция «Комар-сигнал 12АМ» является приемной станцией пожарно-охранной сигнализации. Совмещение пожарной и охранной сигнализации является рациональным, так как при этом не требуется дублирования приемной аппаратуры. В качестве пожарных извещателей в совмещенных системах рекомендуется применять менее дорогостоящие и надежные автоматические тепловые пожарные извещатели типа ДТЛ, которые включаются последовательно с датчиками охранной сигнализации в общую линию.