| Скачать .docx |
Курсовая работа: Технические требования предъявляемые к точности изготовления основных деталей и соединений цилиндрического Анализ конструкции
МИНИСТЕРСТВО ОБРАЗОВАНИЯ И НАУКИ УКРАИНЫ
ДОНБАССКАЯ ГОСУДАРСТВЕННАЯ
МАШИНОСТРОИТЕЛЬНАЯ АКАДЕМИЯ
Кафедра ОКММ
«ВЗАИМОЗАМЕНЯЕМОСТЬ, МЕТРОЛОГИЯ
И СТАНДАРТИЗАЦИЯ»
РЕФЕРАТ
Расчетно-пояснительная записка: 35 страниц, 9 рисунков, 3 таблицы.
Объект проектирования – цилиндрический редуктор.
Цель работы – выбор и обоснование точностных параметров деталей и соединений, обеспечивающих служебное назначение и качественные показатели изделия.
С учетом служебного назначения составлены и обоснованы технические требования, предъявляемые к точности изготовления основных деталей и соединений цилиндрического редуктора. Принята система отверстия и вала назначения посадок, расчетным путем выбрана посадка с натягом соединения 8/4 с учетом класса точности выбраны посадки подшипников качения, шпоночных, шлицевых и резьбовых соединений. Обоснована методика достижения точности сборки узла. Назначен и обоснован комплекс измерительных средств для контроля зубчатого колеса 5 и вала 4.
Разработан сборочный чертеж узла, рабочие чертежи вала и шестерни, схемы расположения полей допусков соединений.
Технические требования. Допуски, посадки, предельные калибры, подшипники, размерные цепи, метод достижения точности замыкающего звена, предельные отклонения размера, отклонения расположения поверхности.
СОДЕРЖАНИЕ
Введение
Анализ конструкции и служебного назначения сборочной единицы
1. Допуски и посадки гладких цилиндрических соединений
1.1. Выбор системы образования посадок
1.2. Выбор посадки с натягом расчетным путем
1.3. Обоснование посадок в гладких цилиндрических соединениях
2. Допуски и посадки подшипников качения
3. Посадки шпоночных, шлицевых и резьбовых соединений
4. Выбор и обоснование метода достижения точности сборки узла
5. Выбор, расчет и обоснование средств и методов контроля точности деталей
5.1. Расчет и выбор предельных калибров для контроля
5.2. Выбор и обоснование средств измерения зубчатых колес
5.3. Выбор и обоснование универсальных средств для контроля детали
5.4. Средства и методы автоматизации контроля размеров
6. Специальная часть работы
7. Обоснование допусков формы, расположения и шероховатости поверхностей зубчатого колеса и вала
Заключение
Литература
ВВЕДЕНИЕ
В нашей стране последовательно осуществляется курс на подъем материального и культурного уровня жизни народа на основе динамического профессионального развития общественного производства и повышения его эффективности, ускорения научно-технической революции, роста производительности труда, улучшения качества работы.
В машиностроении созданы и освоены новые системы современных и надежных эффективных машин для комплексной автоматизации производства, непрерывного совершенствования конструкции машин. Большое значение для развития производства имеет организация производства машин и других изделий на основе взаимозаменяемости, создания и применения технологически надежных средств технических измерений и контроля.
Одной из важных задач экономического и социального развития страны в условиях рыночной экономики является ускорение темпов развития машиностроения, при этом для повышения качества и эффективности производства важная роль отводится вопросам стандартизации и совершенствования метрологического обеспечения при изготовлении изделий, и эта роль в значительной мере повышается в связи с необходимостью внедрять стандарты ПСО серия 9000 по качеству продукции и маркетинг для обеспечения конкурентоспособности на мировом рынке.
АНАЛИЗ КОНСТРУКЦИИ И СЛУЖЕБНОГО НАЗНАЧЕНИЯ СБОРОЧНОЙ ЕДИНИЦЫ
Редуктор силовой предназначен для изменения частоты вращения и величины крутящего момента. Входной вал редуктора представляет собой вал-шестерню. Вращение со входного вала передается на промежуточный посредством косозубого зацепления двух пар зубчатых колес. Зубчатые колеса на промежуточном валу крепятся при помощи шпонок. В свою очередь промежуточный вал – это также вал-шестерня, который передает вращение на двухвенцовое зубчатое колесо выходного вала, соединенного с ним посадкой с натягом. Выходным звеном является зубчатое колесо, установленное на выходном валу посадкой с натягом. Выходным звеном является зубчатое колесо, установленное на выходном валу посадкой с натягом за корпусом редуктора. Все валы установлены в корпусе на подшипниках качения.
Основные технические требования предъявляемые к сборке редуктора:
- обеспечить свободное вращение валов;
- редуктор обкатать без нагрузки в течении трех часов.
Исходные данные:
- вариант РЦ - 4
- масштаб 1:2
Подшипники:
- позиция на эскизе 23 22 21
- номер 212 216 316
- требования к точности вращения норм. норм. повыш.
- радиальная нагрузка Р, кН 4 6,3 8
Эксплуатационные параметры и технологические возможности сборки соединений с натягом:
- позиция на эскизе 5/4
- крутящий момент Т, Нм 3×103
- осевая нагрузка F, Н 8×102
- оборудование для сборки с охлажд.
- стабильность технологических режимов стабил.
Шлицевое соединение (точность центрирования относительно высокая):
- твердость втулки 260…285 НB
Зубчатые колеса:
- позиция на эскизе 6 5 7
- модуль m, мм 5 6 5
- материал Сталь 40Х Сталь 45 Сталь 40Х
- твердость, НВ 200…220 192…240 200…220
- скорость вращения V, м/с 8 5 8
Требования к точности параметрам при сборке (рассеивание погрешностей обработки подчиняется закону Гаусса):
- обозначение на эскизе в)
- предельные значения, мм 0,03-0,5
- r (не более), % 0,1
Редуктор силовой. Корпус чугунный.
- температура нагрева корпуса, 0 С 35
- температура нагрева зубчатых колес, 0 С 65
1.1 ВЫБОР СИСТЕМЫ ОБРАЗОВАНИЯ ПОСАДОК
Выбор системы отверстия или вала для той или иной посадки определяется конструктивными, технологическими и экономическими соображениями. Система отверстия является в большинстве случаев предпочтительней, поскольку обуславливает значительное уменьшение номенклатуры режущего и мерительного инструментов, и, следовательно, более экономична по сравнению с системой вала. Однако в отдельных случаях приходится применять систему вала:
- когда заданную точность охватываемой детали (вала, оси) можно обеспечить их калиброванных прутков без обработки резанием;
- если имеется несколько соединений с разными по характеру посадками на одном и том же валу;
- при использовании в соединениях стандартных изделий, изготовленных по системе вала (шпоночное соединение, соединение наружного кольца подшипника с отверстием в корпусе).
Также важно правильно выбрать допуски сопрягаемых размеров соединения, поскольку от этого зависит, с одной стороны, качество и долговечность работы соединения, а с другой стороны стоимость и производительность изготовления деталей.
1.2 ВЫБОР ПОСАДКИ С НАТЯГОМ РАСЧЕТНЫМ ПУТЕМ
Расчет посадки с натягом в соединении 5/4 выполняется с целью обеспечения прочности соединения, т.к. отсутствия смещения сопрягаемых деталей под действием внешних нагрузок, а также обеспечения прочности этих деталей в процессе сборки соединения. На рисунке 1 изображена схема для расчета посадки с натягом.

Рисунок 1 - Расчетная схема посадки с натягом
Величина натяга N, возникающего при сборке соединения, определяется зависимостью:
, где NА
– деформация растяжения поверхности втулки;
NВ – деформация сжатия поверхности вала.
Из задачи определения напряжений и деформаций в толстостенных цилиндрах (задача Ляме) известны зависимости:
;
,
где P – давление на поверхности контакта вала и втулки, Па;
D – номинальный диаметр соединения;
EA , EB – модули упругости материала втулки и вала;
CA , CB – коэффициенты, определяемые по формулам:
;
,
где D1, D2 - размеры деталей соединения, м (см. рис.1);
mA , mB – коэффициенты Пуассона.
Из вышеприведенных уравнений следует:
(
)
Исходные данные:
D = 0,100 м; F= 8×102 Н;
D1 = 0; ЕА = 2,06×1011 Па;
D2 = 0,160 м; ЕВ = 2,06×1011 Па;
L = 0,180 м; T = 3×103 Нм;
mА = 0,300; sТА =3,53×108 Па;
mВ = 0,300; sТВ =3,53×108 Па;
Определяем наименьшее удельное давление на сопрягаемых поверхностях соединения:
,
где f = 0,14 – коэффициент трения на сопрягаемых поверхностях при сборке соединения с охлаждением.
Находимое наибольшее удельное давление на сопрягаемых поверхностях:

где g = (L/D)0,95 = (0.180/0,100)0,95 =1,75.
Для дальнейшего расчета принимаем меньшее из двух значений:
Рmax = 2,18*108 Па.
Определяем коэффициенты CA и CB :

Вычисляем предельные значения натягов Nmin доп. и Nmax доп. :

Определяем величину поправки, учитывающей величину смятия микронеровностей поверхностей вала и втулки при сборке соединения:
,
где КА =КВ = 0,6 - для стальной втулки и стального вала при сборке соединения с охлаждением вала;
RZA =10 мкм; RZB =10 мкм – высота микронеровностей поверхностей втулки и вала для номинального размера соединения D = 125 мм и предполагаемого 8 квалитета точности деталей соединения.
Определяем минимальный и максимальный расчетный натяги:

Средний расчетный натяг
![]()


Рисунок 2 - Схема расположения полей допусков
Выбираем посадку в системе отверстия из рекомендуемых ГОСТ 25347-82, посадка с натягом:
Æ100
.
Наибольший и наименьший стандартный натяг:

Эксплуатационный и технологический запас прочности:

Посадку можно считать выбранной удовлетворительно, т.к. она выбрана из ряда, рекомендованного ГОСТ 25347-82.
Условие Nminст ³Nminрасч ;Nmaxст £Nmaxрасч выполнены, эксплуатационный и технологический запасы отличаются незначительно.
1.3 ОБОСНОВАНИЕ ПОСАДОК В ГЛАДКИХ ЦИЛИНДРИЧЕСКИХ СОЕДИНЕНИЯХ
В соединении редуктора применены посадки, наиболее предпочтительные для всех узлов общемашиностроительного применения. В редукторе используются посадки: с зазором, с натягом и переходные. Посадки с зазором используются для установки крышек в корпус, распорных втулок на валах, в шпоночных соединениях.
СОЕДИНЕНИЕ 1/18:
1 – корпус; 18 – крышка.
Для гладкого цилиндрического соединения 1/18 согласно стандарту назначаем посадку с зазором
(ГОСТ 18511-73). Крышка 18 не имеет отверстия, т. е. является глухой и предназначена для установки подшипника качения. Торцы этой крышки используются не для базирования подшипника, а для поджима его к базовому торцу корпуса. Сама крышка базируется по торцам колец подшипника. Поэтому диаметр крышки выбираем по диаметру подшипника качения №316: Æ
.
Поле допуска отверстия в корпусе – H7.
Поле допуска крышки – d11.
СОЕДИНЕНИЕ 6/3:
6 – зубчатое колесо; 3 – вал.
Для гладкого цилиндрического соединения 6/3 согласно стандарту назначаем посадку с натягом
. Её достоинство в том, что соединение обеспечивает точную установку колеса на вал и высокую нагрузочную способность. Такое соединение с натягом получило широкое распространение, особенно в редукторостроении.
Диаметр вала под зубчатое колесо: Æ50
.
2. ДОПУСКИ И ПОСАДКИ ПОДШИПНИКОВ КАЧЕНИЯ
Для данного редуктора выбираем посадки подшипников. Режим работы подшипников – нормальный. Определяем вид нагружения колец подшипника: внутреннего кольца – циркуляционное (вал вращается), наружного кольца – местное.
Выбор посадок колец подшипников осуществляем по ГОСТ 3325-85. Для этого воспользуемся таблицами рекомендуемых посадок, учитывая класс точности подшипников. Посадки наружного кольца подшипника с корпусом выбираем с зазором, внутреннего кольца с валом – с натягом.
Таблица 1 - Характеристика подшипников качения
| Позиция | Номер подшипн. | d, мм |
D, мм |
B, мм |
C, кH |
P, кН |
P/C | Режим работы |
Требования к точности | Посадка | |
Корпус-наруж. кольцо |
Внутр. кольцо-вал | ||||||||||
| 23 | 212 | 60 | 110 | 22 | 52 | 6,4 | 0,12 | норм | норм | Æ |
Æ |
| 22 | 216 | 80 | 140 | 26 | 55,9 | 6,3 | 0,11 | норм | норм | Æ |
Æ |
| 21 | 316 | 80 | 170 | 39 | 124 | 8 | 0,07 | норм | пов. | Æ |
Æ |

Рисунок 3 - Обозначение допуска соосности посадочных мест корпуса относительно общей оси
3. ПОСАДКИ ШПОНОЧНЫХ, ШЛИЦЕВЫХ И РЕЗЬБОВЫХ СОЕДИНЕНИЙ
ШПОНОЧНОЕ СОЕДИНЕНИЕ 7/19/3:
3 – вал; 7 – зубчатое колесо; 19 – шпонка.
Вид шпоночного соединения и соответствующую ему посадку определяют с учетом конструктивно-технических особенностей и служебного назначения сборочной единицы.
Для обеспечения неподвижности соединения в узлах, не требующих частых разборок в эксплуатации выбираем нормальное соединение и, соответственно, посадки: соединение со втулкой - 28
; соединение с валом - 28
.
В соответствии с ГОСТ 23360-78 для dв = 100 мм выбираем размеры соединения:
b´h= 28´16; t1 = 10 мм; t2 = 6,4 мм; l= 80 мм.
Границы полей допусков:
втулка 28JS 9: TD = 52 мкм; ES = +26 мкм EI = -26мкм
шпонка 28h9: Td = 52 мкм; es = 0 мкм ei = -52мкм
вал 28N9: TD = 52 мкм; ES = 0 мкм EI = -52мкм
ШЛИЦЕВОЕ СОЕДИНЕНИЕ (9/2):
2 – вал; 9 – втулка.
Для определения оптимальной посадки прямобочного шлицевого соединения, прежде всего, необходимо, исходя из конструктивно-технологических особенностей узла, назначить вид центрирования.
Твердость втулки 260…285 HRC. Так как твердость втулки высокая, то применяем центрирование по внутреннему диаметру d. В этом случае втулка окончательно обрабатывается на внутришлифовальном, а вал – на шлицешлифовальном станках.
Центрирование по d весьма точное и обычно применяется для подвижных соединений.
Согласно ГОСТ 1139-80 выбираем параметры шлицевого прямобочного соединения средней серии: z´d´D´b=8´46´54´9.
Назначаем стандартную посадку с натягом для центрирующего диаметра d:
.
РЕЗЬБОВОЕ СОЕДИНЕНИЕ (1/24):
1 – корпус; 24 – болт.
Для соединения 1/24 выбираем метрическую резьбу с крупным шагом по ГОСТ 7798-70 из ряда болтов с шестигранной головкой. Принимаем метрическую резьбу с наружным диаметром d,D = 16 мм и шагом резьбы P=2,0 мм.
Номинальные размеры резьбы:
- средний диаметр d2,D2 = d – 0,6495*Р = 16-0,6495*2 = 14,701 мм;
- внутренний диаметр d1,D1 = d – 1,0825*Р = 16-1,0825*2 = 13,835 мм;
- внутренний диаметр болта по дну впадины d3 = d – 1,2269*Р = 13,546 мм.
Согласно ГОСТ 16093-81 назначаем для резьбового соединения предпочтительную посадку, учитывая при этом, что резьбовое соединение имеет нормальную длину свинчивания и средний класс точности резьбы:
.
Предельные отклонения поля допуска наружной резьбы (болта) - 6g:
верхнее - es (d, d1 , d2 ) = - 38 мкм;
нижнее - ei (d) = -318 мкм;
ei (d2 ) = -198 мкм.
Аналогично, для поля допуска внутренней резьбы (отверстия в корпусе) - 6H:
ES (D1 ) = +375 мкм;
ES (D2 ) = +212 мкм;
EI (D, D1, D2) = 0.
4. ВЫБОР И ОБОСНОВАНИЕ МЕТОДА ДОСТИЖЕНИЯ ТОЧНОСТИ СБОРКИ УЗЛА
РАСЧЕТ РАЗМЕРНОЙ ЦЕПИ МЕТОДОМ ПОЛНОЙ ВЗАИМОЗАМЕНЯЕМОСТИ (МЕТОД МАКСИМУМА-МИНИМУМА)
В представленной размерной цепи замыкающим звеном является зазор
. Определим составляющие звенья т.е. их размеры
(0.003
0.5
).
A1 =10 мм; A2 =500 мм; A3 =10 мм; A4 =39 мм;
A5 =130 мм; A6 =170 мм; A7 =130 мм; A8 =39 мм;
Из условия задачи следует: ![]()
Тогда ![]()
Поскольку данная цепь линейная, в которой A1 , A3, A4, A5, A6, A7, A8 – уменьшающие, а A2 – увеличивающее, то передаточные отношения:
e1 =e3= e4= e5= e6= e7= e8 = - 1; e2 = 1.
В соответствии с формулой
, получаем:
.
Для определения требуемого квалитета составляющих звеньев находим среднее число единиц допуска по формуле:

.
Данное значение наиболее близко к величине а=10, что соответствует 6-му квалитету размеров.
Расчетная величина замыкающего звена
![]()
![]()
Поскольку условие
выполняется, то для составляющих звеньев задаемся расположением их полей допусков:
A1 , A3, A5 – симметричное
A2 ,, A4, A6, A7, A8 – как для основного вала.
Тогда ECA1 =ECA3 =ECA5 =0; ECA2 =-20; ECA4 =ECA8 =-75; ECA6 =-12,5; ECA7 =-12,5;
Согласно формуле
, получаем:
![]()
Для удовлетворения равенства изменяем среднее отклонение одного из составляющих звеньев:
,
тогда ![]()
![]()
Проверим правильность вычислений: ![]()
Для обеспечения размера АD на чертеже должны быть проставлены размеры:

ВЕРОЯТНОСТНЫЙ МЕТОД:
Номинальные размеры те же, что и в методе максимума-минимума, при p=0,1% и tp =3,3 (l=1/3).
Из служебного назначения следует, что минимальный зазор должен быть равен 0,03, а максимальный 0,5. Следовательно, для расчетов принимаем:
![]()
![]()
![]()
Для определения нужного квалитета составляющих звеньев находим среднее число единиц допуска по формуле:


Воспользовавшись ГОСТ 25346-82, определяем подходящий квалитет составляющих звеньев – 10.
Расчетное значение замыкающего звена при допусках по 10-му квалитету :
![]()
Поскольку условие
выполняется, то для составляющих звеньев задаемся расположением их полей допусков:
A1 , A3, A5 – симметричное;
A2 ,, A4, A6, A7, A8 – как для основного вала.
Согласно формуле
, получаем:
![]()
Для удовлетворения равенства изменяем среднее отклонение одного из составляющих звеньев:
,
Тогда
![]()
![]()
Проверим правильность вычислений: ![]()
Для обеспечения размера АD на чертеже должны быть проставлены размеры:

Вывод: вероятностный метод отражает реальную картину производственного процесса изготовления и сборки деталей.
5. ВЫБОР, РАСЧЕТ И ОБОСНОВАНИЕ СРЕДСТВ И МЕТОДОВ КОНТРОЛЯ ТОЧНОСТИ ДЕТАЛЕЙ
5.1 РАСЧЕТ И ВЫБОР ПРЕДЕЛЬНЫХ КАЛИБРОВ ДЛЯ КОНТРОЛЯ
Для обеспечения взаимозаменяемости в шпоночных соединениях нормируются размеры и требования к размерам шпонок, пазов на валу и во втулке, и сопряжение шпонки в пазу вала и втулки.
Для контроля шпоночных соединений в условиях серийного и массового производства применяют комплексные и поэлементные калибры.
Комплексные калибры предназначены для контроля ширины шпоночного паза и отклонения от симметричности этого паза относительно оси цилиндрической поверхности вала и поверхности втулки.
Поэлементные калибры контролируют только один определённый размер вала или втулки шпоночного соединения. Для контроля отверстий со шпоночным пазом применяют: поэлементный калибр-пробку ПР и НЕ для диаметров d; поэлементный разовый калибр ПР и НЕ для ширины пазов; поэлементный калибр глубиномер ПР и НЕ для глубины паза d+t2 .
Для контроля валов со шпоночными пазами применяют поэлементный калибр-скобу ПР и НЕ для наружного диаметра вала d: поэлементный пазовый калибр ПР и НЕ для ширины пазов; поэлементный калибр-глубиномер ПР и НЕ для контроля глубины паза t1 ; комплексный калибр-призму.
Контроль шлицевых валов и втулок с прямозубым профилем с допусками по ГОСТ 1139-80 должен осуществляться проходными и непроходными калтбрами.
В качестве проходных используют комплексные калибры, непроходных – поэлементные калибры – пробки и калибры скобы, или измерительные приборы.
Для контроля размеров шлицевой втулки и шлицевого вала применяют поэлементные и шлицевые комплексные калибры. Для контроля наружного диаметра D, и ширины впадины отверстия втулки, внутреннего диаметра d и толщины зуба вала применяют специальные предельные калибры: чистовые двухсторонние пробки диаметром 14-25 мм; неполные пробки диаметром 102-126 мм; пазовые калибры; калибры кольца, а также калибры скобы для контроля толщины зубьев.
Основным методом контроля параметров резьбовых соединений в производственных условиях является контроль с помощью комплекта калибров.
На рисунках 6.1…6.5 приведены эскизы схем измерения контролируемых параметров с помощью контрольно измерительных средств.
|


Рисунок 6.2 − Конструкция калибров для контроля вала (д) с пазами; (е) и (з) – глубиномеры для валов.
|

Рисунок 6.3– Детали шлицевого прямобочного соединения (а – втулка); и конструкции калибров для их контроля (б и в комплексные пробки; г – пазовые для втулок; д – листовой; неполные пробки.

Рисунок 6.4– Детали шлицевого прямобочного соединения (ж – вала) з и и – гладкие скобы; к – комплексное кольцо.
Рисунок 6.5 – Гладкие калибры – скобы (а) и резьбовые калибры–кольца (б) для контроля наружной резьбы; г – комплексные пробки, ж – калибры–призмы
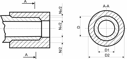
Выполним расчет исполнительных размеров предельных калибров для деталей соединения 10/4 (10 – дистанционная втулка, 4 – вал).
Определим исполнительные размеры калибров-пробок для отверстий D=90 мм с полем допуска
. Схема расположения полей допусков калибров для отверстий приведены на рисунке.
Определим наибольший и наименьший предельные размеры отверстия:
![]()
Для квалитета 7 и интервала размеров свыше 80 до 120 мм находим данные для определения размеров необходимых калибров: z= 0.005 мм; Y= 0.004 мм; H= 0.006мм.
Наибольший размер проходного нового калибра пробки ПР равен:
.
Наибольший размер непроходного калибра пробки НЕ равен:
![]()
Предельный размер изношенного калибра-пробки ПР равен:
![]()
Определим исполнительные размеры калибров-скоб для вала диаметром D=40 мм с полем допуска
.
Схема расположения полей допусков калибров для вала диаметром
приводится на рисунке .
Определим наибольший и наименьший предельные размеры вала:
![]()
По таблице находим данные для определения размеров, необходимых калибров и контактов: z1 = 0.005 мм; Y1 = 0.004 мм; H1 = 0.006мм; Hp =0.0025мм.
Наименьший размер проходного нового калибра –скобы ПР равен:
![]()
Наименьший размер проходного калибра-скобы НЕ равен:
![]()
Предельный размер изношенного калибра-скобы ПР равен:
![]()
Наибольший размер контркалибра К-ПР равен:
![]()
Наибольший размер контркалибра К-НЕ равен:
![]()
Наибольший размер контркалибра К-И равен:
![]()
![]() |
Схема расположения полей допусков калибров для отверстия диаметром 90Н7.
Рисунок 4 - Схема расположения полей допусков
Схема расположения полей допусков калибров для валов диаметром 90js
7.
Рисунок 5 - Схема расположения полей допусков
Выбор исполнительных размеров калибров для соединения 28/25 табличным методом.Æ
Для контроля отверстия Æ
прием проходную пробку по
ГОСТ 14822-69 и непроходную пробку по ГОСТ 14823-69.
Исполнительные размеры пробок по ГОСТ 21401-75.
ПРmax =D+0,0100=180+0,0100=180,0100 мм
Допуск на изготовление калибра-пробки ПР 0,008 мм
ПР=180,0100-0,0080
ПРизнош =D-1+0,9960=180-1+0,9960=179,9960 мм
НЕmax =D+0,0440=180+0,0440=180,0440 мм
Допуск на изготовление калибра-пробки НЕ 0,008 мм
НЕ=179,9960-0,0080 мм.
5.2 ВЫБОР И ОБОСНОВАНИЕ СРЕДСТВ ИЗМЕРЕНИЯ ЗУБЧАТЫХ КОЛЕС
Стандартами на зубчатые передачи предусмотрено несколько равноправных вариантов показателей точности колес, выбор которых зависит от требуемой точности, габаритов, особенностей производства и других факторов. При этом предпочтение отдают комплексным показателям.
С учетом конструктивно-технических особенностей зубчатых передач и служебного назначения сборочной единицы назначим табличным способом степени точности по кинематической точности, плавности работы и контакту зубьев.
Исходные данные для зубчатого колеса (поз.7):
m=5 мм;
V=10 м/с;
материал – сталь 40Х;
твердость 200…220 HB.
1. Определяем геометрические параметры зубчатых колес:

Данное колесо – косозубое с
,
Найдем передаточное отношение:
=> выбираем стандартное ![]()
Найдем z1 и z2 :
=> принимаем z1
=18;
тогда z2 =zS -z1 =98 – 18 = 80.
Рассчитываем делительные диаметры:

Уточним:
=> расстояние не изменилось.
Диаметр вершин зубьев:
![]()
где ha* - коэффициент высоты головки зуба, для стандартного исходного контура по ГОСТ 13755-88 ha* = 1;
x – коэффициент смещения исходного контура, x =0 для колес без смещения.
![]()
2. Степень точности зубчатого колеса.
Назначаем комбинированную степень точности для зубчатого колеса позиции 5. Степень точности назначаем с учетом окружной скорости при V=5 м/с степень точности:
- по норме плавности работы – 8 степень точности.
Назначаем: fi‘‘ .
- по норме кинематической точности – принимаем 9 степень точности (на единицу грубее);
Назначаем Fi‘‘ и Fwv .
- по норме контакта зубьев – назначаем 7 степень точности (на единицу точнее);
Выбираем: F суммарное пятно контакта.
Выбираем вид сопряжения для зубчатого колеса на основе расчета предельных значений бокового зазора.
Рассчитываем величину минимального гарантированного бокового зазора:
, где v – толщина слоя смазки между зубьями, мм
- для среднескоростных передач,
aw -межосевое расстояние передачи
a1 и a2 –температурные коэффициенты линейного расширения материала зубчатых колес и корпуса передачи:
a1 -11,5*10-6 °С-1 – для стали
a2 -10,5*10-6 °С-1 – для чугуна
D t1 =75°С и D t2 =-40°С – отклонения температур колеса и корпуса; a=20° - углы профиля исходного контура колеса передачи.
![]()
при выборе вида сопряжения должно выполняться условие
Принимаем
, что соответствует виду сопряжения В.
Получаем степень точности зубчатого колеса 9-8-7-В, ГОСТ 1643-81.
Для данных степеней точности назначаем показатели, которые нормируются по данным степеням точности. По ним происходит контроль зубчатого колеса.
Кинематическая норма точности:
По 8 степени точности:
Fi‘‘= 100мкм (колебания измерительного межосевого расстояния за оборот колеса)
Fwv =50мкм (колебания длины общей нормали).
Норма плавности работы:
По 7 степени точности:
Fi‘‘ =26мкм (допуск на колебания измерительного межосевого расстояния на одном зубе).
Норма контакта зубьев (по 6-й степени точности:
По норме контакта зубьев в передаче – суммарное пятно контакта:
По высоте зубьев, не менее 50%
По длине зубьев, не менее 70%
Ширина зубчатого венца В=40 мм.
Норма бокового зазора:
По 6 степени точности:
Eas ‘‘=+fi‘‘ = 20 мкм;
Eai ‘‘ = -Th = 600 мкм.
Для данных показателей, нормируемых в комплексе, выбираем измерительные средства и заносим в таблицу 2.
Таблица 2 - Метрологическая характеристика измерительных средств
Прибор Для измерения |
Тип или модель |
Зубчатые колеса | Цена деления, мм | Допуск Погрешность., мм |
|||
Контр. пар-ры |
Модуль, мм |
Диаметр делит. окр-ти | Степень точн. | ||||
1. Межосемер ГОСТ 5368-81 |
МЦ-400У | Fi‘‘ | 1-10 | 20-320 | 8 | 0.002 | ±0.012 |
2. Нормаммер ГОСТ 7760-81 |
М3(22202) | Fvw | >>2.5 | 150-700 | 8 | 0.002 | ±0.012 |
3. Межосемер ГОСТ 5368-81 |
МЦ-400У | fi‘‘ | 1-10 | 20-320 | 7 | 0.002 | ±0.012 |
4. Биениемер ГОСТ 5368-81 |
Б-10М | fr | 1-10 | 70-360 | 8 | 0.001 | ±0.005 |
5. Межосемер ГОСТ 5368-81 |
МЦ-400У | Ea‘‘s | 1-10 | 20-320 | 6 | 0.002 | ±0.012 |
6. Межосемер ГОСТ 5368-81 |
МЦ-400У | Ea‘‘i | 1-10 | 20-320 | 6 | 0.002 | ±0.012 |
| 7. Специальный стенд | Суммарное пятно контакта | ||||||
Данные для контроля зубчатого колеса:
Постоянная хорда ![]()
Высота постоянной хорды
определим предельные отклонения постоянной хорды: наименьшее отклонение толщины зуба ![]()
Допуск на толщину зуба ![]()
Данные для контроля ![]()
![]()
определим допуск на радиальное биение (наружный цилиндр используется как база при контроле размера зубьев)
![]()
определяем допуск на торцевое биение:
.
Отклонение диаметров вершин зубьев наружного цилиндра заготовки:
.
По таблице допусков устанавливаем, что ближайший допуск (110 мкм) относится к 9 квалитету.
Устанавливаем отклонение диаметра Æ
.
5.3 ВЫБОР И ОБОСНОВАНИЕ УНИВЕРСАЛЬНЫХ СРЕДСТВ ДЛЯ КОНТРОЛЯ ТОЧНОСТИ И ШЕРОХОВАТОСТИ ВАЛА
Для детали вал (поз.2) выбираем измерительные средства, необходимые для контроля всех линейных и угловых размеров и шероховатости поверхностей. Для контроля шероховатости поверхностей подшипниковых шеек, выполненных по 6 квалитету, принимаем профилометр (ГОСТ 19300-73) типа А II модели 296. для контроля шероховатости остальных поверхностей вала применяют образцы сравнения параметров шероховатости. Возможность применения того или иного измерительного прибора является суммарной погрешностью с помощью этого прибора включаются все составляющие самого прибора; установочных мер, базирования, температурных погрешностей и т.д.
Сведения о выбранных средствах измерения приведены в таблице 3.
Таблица 3
Контролируемый параметр |
Допуск. погрешн. измер. по ГОСТ 81511-81, мкм | Средства измерения | ||||
| Наименование, обозначение | Допуск, мм | Наименование | Тип, модель, цена деления | Диапазон измерения, мм | Основная погрешность, мм | |
| Æ80k6 | 16 | 5 | МК гладкий ГОСТ6507-78 |
МК-100-1 ±0,01 |
75-100 | ±0.004 |
| Æ100z8 | 25 | 7 | Микрометр рычажный | МР02320 0,002 |
100-125 | ±0.003 |
| Æ110h14 | 620 | 140 | Штангенц. ГОСТ 166-80 | МЦ-3 0,1 |
0-400 | ±0.09 |
| Æ90h14 | 580 | 110 | ||||
| 50js 14 | 520 | 120 | Штангенглуб. ГОСТ 162-20 | ШГ 0,05 |
0-250 | ±0.05 |
| 190 js 14 | 870 | 780 | ||||
Шерох.от 1,25 Ö до 12,5 Ö. |
Профилометр ГОСТ 19300-73 |
Тип А2 Мод. 296 |
0,010-0,00002 | |||
| 12,5 Ö и выше | Образцы шероховатости | |||||
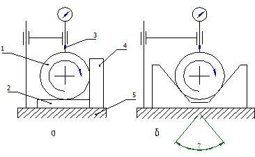
Измерение отклонений от круглости
Отклонение от круглости наиболее полно контролируется на специальных приборах – кругломерах, на которых реальный профиль сравнивается с траекторией точного вращения, осуществляемого шпинделем прибора.
Приближенно отклонение от круглости может быть измерено двух контактным или трех контактным способами.
Дух контактный способ позволяет выявить овальность и огранку с четным числом граней. При измерении по этому способу отклонение от круглости будет равно половине разности между наибольшим и наименьшим диаметрами поперечного сечения, которые определяют при поворачивании детали 1 между измерительной головкой 3 и узкой опорой 2, установленной на поверочной плите 5 (рисунок а). для удобства рекомендуется пользоваться боковым упором 4.
Если характер отклонения от круглости соответствует огранке с нечетным числом граней, применяют трех контактный способ. Для этого можно использовать базирование на призмах (рисунок б). В этом случае показания прибора делят на поправочный коэффициент (приводится в таблицах), который зависит от числа граней огранки и угла призмы.
|

Рисунок 6.7 Измерение отклонений от круглости
Измерение отклонений от соосности
Измерение отклонения от соосности шеек вала относительно общей оси выполняется в крайних сечения детали 1 с помощью двух измерительных головок 2. При измерении обе контролируемые поверхности базируются на двух ножевых призматических опорах 3, установленной на поверочной плите 4. Величина отклонения от соосности будет равна половине разности отсчета по шкале индикатора при полном обороте вала вокруг оси.

Рисунок 6.8 Измерение отклонений от соосности
Для наиболее точного размера определим вероятностные величины параметров разбраковки: процент неправильно принятых деталей m, процент неправильно забракованных годных деталей n, вероятные предельные значения выхода за границу поля допуска и неправильно принятых деталей по ГОСТ 8051-81. В соответствии с этим стандартом также определим приемочные границы.
Выбран диаметр
.Определяем Амет
(d)=16%, рекомендуемые для 2-7 квалитета по ГОСТ 8051-81. Для Амет
(d) выбираем m=5,2% - число деталей от общего числа измеренных или размеры, выходящие за пределы и приняты в числе годных, n=7,9% - число деталей от общего числа измеренных или размеры не превышающие предельные и забракованные, с=0,25*T=0,25*16=4% - величина вероятностная выхода размера за пределы у непринятых деталей.

Рисунок 6 - Приемочные границы для 80k6
6 АКТИВНЫЙ КОНТРОЛЬ ПРИ ШЛИФОВАНИИ ДЕТАЛЕЙ ИЗМЕРИТЕЛЬНЫЕ УСТРОЙСТВА С ПРИЗМОЙ
Рассмотрим применение автоматического контроля на примере детали вал поз. 7 на размере Æ130k6.
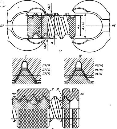
На круглошлифовальных центровых станках наиболее широкое распространение получили устройства для контроля наружного диаметр обрабатываемой детали. Реже применяют устройства для .контроля положения шлифуемого торца, расстояния между торцами или, для установки стола с деталью в определенное положение относительно шлифовального круга по ее торцу.
Для измерения диаметра используют ряд схем, которые различают по количеству измерительных и базовых наконечников, соприкасающихся с обрабатываемой поверхностью. В устройствах, работающих по трехконтактной схеме (рис. 1), скоба 8 снабжена жестко связанными с ней измерительным 1 и базовым 9 наконечниками, опирающимися на обрабатываемую поверхность и обеспечивающими строго определенное взаимное расположение оси обрабатываемой детали 2 и скобы.
Второй измерительный наконечник связан со стержнем 5 , который может перемещаться относительно скобы 8 . Изменение размера D обрабатываемой детали воспринимается отсчетным устройством 7 или чувствительным элементом этого устройства (индуктивным датчиком, выходным соплом и т. д.), жестко связанным со скобой.
В большинстве случаев скобу специальным устройством закрепляют на кожухе шлифовального круга. Это удобно при установке и съеме детали, так как бабка шлифовального круга отводится от детали на значительное расстояние. Такое закрепление удобно также при шлифовании одним кругом последовательно нескольких шеек обрабатываемой детали.
В случае шлифования с продольной подачей устройство для установки скобы закрепляют на столе станка или на передней (задней) бабке, чтобы исключить относительное перемещение скобы и детали вдоль ее оси, влияющее на точность измерения. В этом случае измеряют диаметр обрабатываемой детали в одном сечении вдоль ее оси. Конструкция устройства для установки трехконтактной скобы на станке (см. рис. 1) обеспечивает необходимую степень свободы для ее самоустановки на поверхности детали благодаря наличию шарниров 4 и 6 . Наконечники и 9 к поверхности детали прижимают грузом 3 или специальной пружиной.
При контроле деталей больших размеров и особенно таких деталей, обработка которых ведется в люнетах, применяют измерительные устройства с призмой («наездники»).
Существующие устройства с призмой строят по двум различным измерительным схемам. На рис.2, а приведена принципиальная схема, где косвенное измерение диаметра вала осуществляется измерительной головкой 2 по биссектрисе угла, образованного опорными поверхностями призмы.
Существенным недостатком этой схемы является то, что передаточное отношение к отклонениям от правильной геометрической формы (овальность, огранка) оказывается значительно большим, чем к изменению диаметра вала. Поэтому при величине овальности, например, равной полю допуска на диаметр, практически невозможно вести точный контроль обрабатываемого диаметра без применения усредняющих или вычислительных устройств.
Передаточное отношение схемы к изменению диаметра контролируемого вала показывающее перемещение стержня измерительной головки 2 при изменении диаметра вала на единицу длины,
![]()
Передаточное отношение схемы при измерении овальности
![]()
|

Таким образом, при контроле деталей с правильной цилиндрической формой в с овальностью и предельные размеры которых соответствуют одному и тому же допуску, перемещения измерительного стержня головки от первоначального настроенного положения для этих двух групп деталей будут различны.
При изменении диаметра вала (рис. 3) на величину
перемещение стержня измерительной головки составит
.
При контроле же овальной детали, у которой минимальный размер также равен d, а максимальный D, перемещение измерительного стержня будет равно
.
Из чертежа видно, что
значительно больше
.

Рис. 9 - К определению передаточных отношений призмы
.
В другой схеме (см. рис. 2, б) косвенное измерение диаметра осуществляют по линии, перпендикулярной биссектрисе угла между опорными поверхностями призмы 1, измерительной головкой 2 с помощью передающего рычага 3 .
Передаточное отношение такой схемы к овальности, огранке практически равно передаточному отношению при измерении диаметра вала. Поэтому эта схема обладает более высокими метрологическими данными.
Передаточное отношение схемы при измерении диаметра составляет
; при измерении овальности
.
В случае контроля длинных деталей, обрабатываемых с продольной подачей, или деталей с несколькими обрабатываемыми шейками измерительные устройства типа «наездники» обычно крепят к кожуху шлифовального круга. При этом измерительное устройство будет непрерывно вести контроль по всей шлифуемой длине детали.
В других случаях устройства крепят к столу станка или к передней бабке станка.
К преимуществам трехконтактной схемы следует отнести независимость показаний измерительного устройства от изменения взаимного положения обрабатываемой детали и узлов станка, так как измерительные устройства базируются непосредственно на измеряемой поверхности.
Схема позволяет использовать в качестве отсчетных устройств сравнительно простые измерительные головки и индикаторы с механической передачей, так как конструкция скобы (призмы) позволяет без особых затруднений вынести эти головки из зоны обработки ;для исключения загрязнения и для удобства отсчета показаний.
К недостаткам схемы следует отнести трудность автоматизации ввода измерительной скобы в рабочее положение и ее вывод, необходимость в значительном ходе при вводе и выводе скобы для установки у и съема обрабатываемых деталей на станке, затруднения в обработке с продольной подачей при обычном закреплении скобы на кожухе, шлифовального круга.
7. ОБОСНОВАНИЕ ДОПУСКОВ ФОРМЫ, РАСПОЛОЖЕНИЯ И ШЕРОХОВАТОСТИ ПОВЕРХНОСТЕЙ ЗУБЧАТОГО КОЛЕСА И ВАЛА
Допуск на радиальное биение =
[7 стр.26]
Допуск цилиндричности
0,3*40=12[5 стр.286]
Допуск параллельности шпоночного паза
0,6*43=25,8 [5 стр.286]
Допуск симметричности
4*43=172 [5 стр.290]
Шероховатость поверхности выбираем в зависимости от вида обработки поверхности [ДСТУ 2-413-91], а также в зависимости от размера отверстия. Назначенные величины шероховатости от 1,25 Ö до 12,5 Ö. Шероховатость рабочей поверхности зубьев 1,25 Ö в зависимости от степени точности по ГОСТ 1643-81.
Вал (поз.4) подшипников и номинального диаметра =- 0,004 мм. Допуск на соосность посадочных поверхностей вала относительно общей оси поверхностей в диаметральном выражении
=Æ0.007 мм по ГОСТ 3325-85 [6 стр.27].
Допуск соосности поверхности вала под колесо, одеваемое с натягом =Æ0.03 мм в диаметральном выражении относительно общей оси, выбираем по ГОСТ 24643-81 [3 стр.443]
Допуск параллельности шпоночного паз =0,6*dш.п. =0,6*36 = 21,6 [5 стр.286].
Допуск симметричности шпоночного паза 4* Tdш.п =4*36 = [5 стр.290].
ЗАКЛЮЧЕНИЕ
В данной курсовой работе по дисциплине по дисциплине “Взаимозаменяемость, метрология, стандартизация” были закреплены и повторены теоретические знания и освоенные методы анализа функциональных связей поверхностей изделия и обоснование точности параметров узлов изделия, соединений и деталей с учетом служебного назначения изделия.
В процессе выполнения курсового проекта мы получили опыт в назначении посадок и выбора системы их образования для гладких цилиндрических соединений заданного изделия (двухступенчатого цилиндрического редуктора), в соответствии со служебным назначением; определение допусков подшипников качения, взаимозаменяемости резьбовых, шпоночных, шлицевых соединений, зубчатых передач. Мы закрепили знания по выбору метода точности сборки изделия на основе расчета размерных цепей, а также по выбору и обоснованию измерительных средств.
