| Скачать .docx |
Курсовая работа: Технология организации промышленного производства подшипников качения
Федеральное агентство по образованию
Тольяттинский государственный университет
Институт экономики и управления
Кафедра Менеджмент организации
|
Технология организации промышленного производства подшипников качения
Разработчики
Студент группы УК 301 Чиркова О.А.
Руководитель Степина С.Е.
Содержание
Введение
Техническое задание
1.1Служебное назначение
1.3Разработка эскиза
1.5Разработка технологического маршрута
2. Регламент процесса «Производство продукции»
2.1 Общее описание процесса
2.1.1 Назначение
2.2.2Владелец процесса
2.2.3Статус процесса
2.2.4Подразделения-участники процесса
2.3.1 Описание входов процесса
2.3.2 Описание выходов процесса
2.4 Внутреннее описание процесса
2.5 Описание процесса
2.6 Критерии оценки деятельности процесса
2.6.2 Оценка результативности функционирования процесса
2.6.3 Оценка эффективности функционирования процесса
2.7 Мониторинг, измерение и анализ деятельности процесса
2.8Определения, обозначения и сокращения
2.9 Лист регистрации изменений к документу
3. Выбор метрологического обеспечения
3.1Постановка задачи
3.2Расчет погрешностей и выбор средств измерения
3.2.1 Классификация измерений
3.2.2Виды и классификация погрешностей
3.2.3Расчет суммарной погрешности
3.3 Применение методологии MSA
Заключение
Список используемой литературы
Приложение А
Приложение Б
Подшипник — техническое устройство, являющееся частью опоры, которое поддерживает вал, ось или иную конструкцию, фиксирует положение в пространстве, обеспечивает вращение, качание или линейное перемещение (для линейных подшипников) с наименьшим сопротивлением, воспринимает и передаёт нагрузку на другие части конструкции.
Основные типы подшипников:
· подшипники качения
· подшипники скольжения
· газостатические подшипники
· газодинамические подшипники
· гидростатические подшипники
· гидродинамические подшипники
· магнитные подшипники
Основные типы, которые применяются в машиностроении — это подшипники качения и подшипники скольжения.
В нашей работе мы рассмотрим производство подшипников качения, а именно – шарикоподшипники радиальные однорядные.
Шарикоподшипники радиальные однорядные обладают значительной быстроходностью, способны воспринимать радиальные, а также осевые и реверсивные нагрузки, причем последние могут достигать 70% неиспользованной допускаемой радиальной нагрузки. Они с успехом используются и при чисто осевых нагрузках при высоком числе оборотов.
Для них в соответствии с ГОСТом разрабатывается техническое задание, в которое входит выбор заготовки, разработка эскизов, определение типа производства. Также немаловажным является описание условия функционирования и управления процессом системы менеджмента качества подготовка производства, проектирования и изготовления.
1.1 Служебное назначение
Назначение подшипника – уменьшать трение между движущейся и неподвижной частями машины, так как с трением связаны потери энергии, нагрев и износ.
Шарикоподшипники радиальные однорядные обладают значительной быстроходностью, способны воспринимать радиальные, а также и осевые реверсивные нагрузки, при чем последние могут достигать 70% неиспользованной допускаемой радиальной нагрузки. Они с успехом используются и при чисто осевых нагрузках при высоком числе оборотов, когда упорные подшипники уже неработоспособны, но в этом случае рекомендуется устанавливать наружное кольцо с небольшом зазором относительно посадочного места в корпусе.
Радиальные шарикоподшипники могут фиксировать осевое перемещение вала (корпуса) в обоих направлениях. Это подшипники, хотя и не являются самоустанавливающимися, допускают при повышенных осевых зазорах и невысоких скоростях вращения небольшие перекосы валов (до 0,5°). Однако с целью повышения долговечности подшипников желательно, чтобы перекосы были возможно минимальными.
Число конструктивных разновидностей данных подшипников весьма значительно.
Из числа нестандартных значительное применение нашли следующие конструкции:
1. Подшипники, имеющие снятый борт на наружном кольце аналогично радиально-упорным шарикоподшипникам, что позволяет увеличить число шариков и этим повысить грузоподъемность и жесткость подшипника. Осевая нагрузка может восприниматься этими подшипниками только в одном направлении;
2. Подшипники с канавкой для ввода шариков. Такая конструкция также позволяет увеличить число шариков и этим повысить жесткость и радиальную грузоподъемность подшипника. Эти подшипники пригодны только для восприятия радиальных нагрузок и невысоких скоростей;
3. Подшипники, имеющие двусторонние уплотнения и сферическую поверхность желоба наружного кольца, последняя позволяет подшипнику самоустанавливаться при монтаже, компенсируя этим несоосность посадочных мест;
4. «Проволочные подшипники». У этих подшипников в желобах подшипниковых колец или деталях подшипникового узла установлены кольца из закаленной проволоки, по которым катится комплект шариков. Для сохранения определенного расстояния между шариками подшипники снабжены сепараторами. Между концами проволок предусмотрен зазор для компенсации температурных удлинений и для лучшего прилегания проволок к канавкам колец. Для увеличения площади контакта проволок с шариками обкатывают подшипники или шлифуют поверхность проволок.
Разнообразны и конструкции сепараторов радиальных шарикоподшипников. В массовом производстве наиболее распространена змейковая конструкция сепаратора из двух полусепараторов, соединенных заклепками или отгибающимися усиками. В подшипниках, выпускаемых в небольших количествах и для скоростных узлов, нашли применение массивные сепараторы из латуни, бронзы, текстолита и других материалов.
Базирование массивных сепараторов производится по бортам внутреннего или наружного колец; последнее чаще имеет место для подшипников средних и крупных размеров, работающих при высоких скоростях вращения.
При проектировании новых машин рекомендуется ориентироваться в первую очередь на применение шариковых радиальных однорядных подшипников вследствие их невысокой стоимости, способности воспринимать комбинированные нагрузки и простоты монтажа.
1.2 Проектирование и выбор заготовки
Мы рассматриваем подшипники качения. В подшипнике качения трение скольжения заменяется трением качения, благодаря чему снижаются потери энергии на трение, и уменьшается износ.
Подшипники качения классифицируются согласно формам тел качения (рис. 1).

Рисунок 1 – Виды тел качения
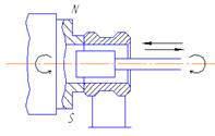
Наиболее распространенным подшипником качения является шарикоподшипник (рис. 2).

Рисунок 2 – Структура однорядного шарикоподшипника
Форму канавок (беговых дорожек) внутреннего и наружного колец подшипника качения необходимо очень точно контролировать при изготовлении, чтобы, с одной стороны, не было проскальзывания шариков относительно кольца, а с другой – они имели достаточно большую площадь опоры. Сепаратор задает точное положение шариков и предотвращает их взаимное трение.
Кольца подшипников качения являются наиболее металлоемкими и трудоемкими деталями в подшипниковом производстве.
Эксплуатационные требования, предъявляемые к этим деталям, предопределяют выбор исходного металла для их изготовления. Кольца подшипников должны обладать высоким сопротивлением пластическим деформациям в условиях контактных напряжений, высокой контактной выносливостью и износостойкостью. Этим требованиям удовлетворяют наиболее распространенные в отечественном подшипникостроении хромистые стали марок ШХ15 и ШХ15СГ, соответствующие специальным техническим условиям, предусмотренным ГОСТом 801-60.
Материал
1. Материал колец – ШХ 15-В, ШХ15(ГОСТ 801)
2. Материал шариков – ШХ15-Ш (ГОСТ801)
Таблица 1 – Химический состав, %
| НД | Марка металла | C | Mn |
| ГОСТ 801 | ШХ 15 | 0,95-1,05 | 0,20-0,40 |
| ШХ15Ш | -//- | -//- |
В качестве твердосмазочных покрытий для шарикоподшипников могут быть использованы металлические пленки из золота, серебра, свинца, висмута и других мягких материалов. Особенно такие покрытия эффективны в вакууме из-за низкой упругости паров.
Трущиеся поверхности шарикоподшипников могут также покрываться фторопластом и различными композиционными покрытиями с металлическими и иными добавками.
1.3 Разработка эскиза
Размеры на эскиз разрабатывались в соответствии с ГОСТом 8338-75. Они определены для шарикорадиального подшипника 1000904.
При использовании программы КОМПАС (рис.3), можно получить изображение подшипника в разрезе. Размеры и условные обозначения указаны в Таблице 1.

Рисунок 3 – Подменю программы КОМПАС
Таблица 1 – Размеры и условные обозначения
| Условное обозначение подшипника | Размеры, мм | ||||||
| 1000904 | d | D | B | D2 | d2 | dш | rmax |
| 20 | 37 | 9 | 32,5 | 24,5 | 5 | 0,5 | |
Используя эти данные, строим эскиз (рис. 4).

Рисунок 4 - Эскиз шарикорадиального однорядного подшипника
Полный эскиз приведен в приложении А.
Показатели ТП определяются типом производства:
N0 =Nm0,7 kT , где N-объем выпуска деталей в год, дет/год
m-масса детали, кг
kT - коэффициент трудоемкости
Показатели ТП определяются типом производства:
N0 =Nm0,7 kT , где N-объем выпуска деталей в год, дет/год
m-масса детали, кг
kT - коэффициент трудоемкости
Получили тип производства – среднесерийное (2300<5980<15000). Согласно рекомендациям принимаем следующую стратегию разработки ТП:
1) Форма организации – переменно поточная;
2) Повторяемость изделий – периодические партии;
3) Унификация ТП – разработка специальных ТП;
4) Заготовка – горячая штамповка;
5) Припуск на обработку – незначительный;
6) Расчет припусков – подробный по переходам;
7) Оборудование – универсальное, специализированное;
8) Загрузка оборудования – периодическая;
9) Расстановка оборудования – с учетом направления грузопотоков;
10) Настройка станков – по измерительным инструментам;
11) Оснастка – универсальная;
12) Подробность разработки – операционные карты;
13) Расчет режимов резания – по нормативам и формулам;
14) Нормирование – детальное;
15) Квалификация рабочих – различная.
1.5 Разработка технологического маршрута
Таблица 2 - Технология изготовления внутренних колец приборных подшипников
| Операция | Наименование операции | Схема обработки | Оборудование | Инструмент | Технические условия и особые указания | ||
| режущий | мерительный | ||||||
| I | Правка проволоки и разрезание ее на прутки | _____ | Правильный станок | _____ | _____ | _____ | |
| II | Заправка конца прутка | _____ | Наждачное точило | _____ | _____ | _____ | |
| III | Автоматно-токарная обработка | 1. Подача прутка до упора | ![]() |
Одношпиндеольный токарный прутковый автомат ТОС А-12 |
_____ | _____ | Разностенность не более 0,06 |
| 2. Центровка | ![]() |
Центровое сверло | _____ | _____ | |||
| 3. Сверление отверстия и обточка наружного профиля | ![]() |
Спиральное сверло. Дисковый профильный резец | Предельный шаблон | _____ | |||
| 4. Подрезка торца и обточка внутренней фаски | ![]() |
Подрезной резец. Фасочный резец | Предельный шаблон. Эталон | _____ | |||
| 5. Развертывание внутреннего диаметра | Развертка | Предельная пробка | _____ | ||||
| 6. Отрезание кольца | ![]() |
Отрезной резец | Прибор 101 Эталон |
_____ | |||
| IV | Промывка | _____ | Моечная установка | _____ | _____ | _____ | |
| V | Шлифование торца со стороны отрезки |
|
Плоскошлифовальный станок МСЗ-3756 |
Шлифовальный круг 1К450×125×380 ЭБ16-10СМ1-СМ2Б |
Прибор 101 и эталонная плитка | Непараллельность торцов не более 0,04 | |
| VI | Размагничивание и промывка | _____ | Демагнитизатор ванны | _____ | _____ | _____ | |
| VII | Шлифование наружной цилиндрической поверхности | ![]() |
Бесцентровошли-фоваль-ный станок «Мульти-мат-0» | Шлифовальный круг ПП300×100×127 ЭБ16-25СТ1-С2К Ведущий круг ПП250×100×127 ЭН16-10Т1В |
Прибор 262 и эталон | Овальность, конусность и треугольность в пределах допуска на размер | |
| VIII | Обточка внутренней фаски со стороны отрезки | ![]() |
Настольно-токарный станок | Фасочный резец | Эталон | Координаты и эксцентрич-ность фаски в пределах допуска | |
| IX | Клеймение противобаз торца | _____ | Эксцентриковый механический пресс | Пуансон | Прибор 101 и эталонная плитка | _____ | |
| X | Дорнование внутренней цилиндрической поверхности | ![]() |
Педальнорыжач-ный пресс | Дорн | Предельная пробка | Размер отверстия, конусность и овальность в пределах допуска |
|
| XI | Термическая обработка: 1. Закалка 2. Отпуск |
_____ | Электропечь сопротивления Масляная ванна |
_____ | Супер-роквелл | _____ | |
| XII | Шлифование торцов | См. эскиз операции V | Плоскошлифовальный станок МСЗ-3756 |
Шлифовальный круг 1К450×125×380 ЭБ16-10СМ4-СМ2Б |
Прибор 101 и эталонная плитка. Прибор ПП267-М |
Непараллельность торцов не более 0,01 | |
| XIII | Предварительное шлифование наружной цилиндрической поверхности | См. эскиз операции VII | Бесцентрово-шлифовальный станок «Мульти-мат-0» | Шлифовальный круг ПП300×100×127 ЭБ16-10СМ1К. Ведущий круг ПП250×100×127 ЭН16-10Т1В |
Прибор 262 и эталон. Прибор Ю-310 |
Овальность, конусность и треугольность не более 0,003мм. Неперпендикулярность наружной поверхности к торцу 0,01 мм | |
| XIV | Предварительное шлифование желоба | ![]() |
Настольный шлифовальный станок ПШС-1 мод. 52 | Шлифовальный круг ПП35×4 (5)×5 ЭБ16СТ1К |
Прибор 262 и эталон. Проектор ЧП-1. Прибор Н-420 |
Овальность желоба не более 0,004 мм. Положение желоба относительно базового торца ±0,03. Шероховатость поверхности |
|
| XV | Зачистка наружных и внутренних фасок | _____ | Станок ЭПШ | Брусок БКв10×100 ЭБ12СТ1К | эталон | Шероховатость поверхности |
|
| XVI | Галтовка | _____ | Деревянный барабан | Шарики, стружка бронзовая и латунная | Бинокулярная лупа 7× -12× и эталон | Острые кромки не допускаются | |
| XVII | Дополнительный маслоотпуск | _____ | Масляная ванна | _____ | _____ | Производится при температуре 135-145°С в течение 3 ч | |
| XVIII | Доводка торцов | ![]() |
Торцедоводочный станок мод.106 | Доводочные диски. Паста М28 | Прибор ПП267М | Непараллель-ность торцов 0,5 мк и допуск на высоту 0,005. Шероховатость поверхности |
|
| XIX | Окончательное шлифование наружной цилиндрической поверхности | См. операцию VII | Бесцентровошли-фовальный станок «Мульти-мат-0» | Шлифовальный круг ПП300×100×127 ЭБ16-10СМ1-СМ2К Ведущий круг ПП250×100×127 |
Прибор 262 и эталон Прибор Ю-310 |
Овальность, конусность и треугольность не более 0,001. Неперпенди-кулярность наружной поверхности к торцу 0,001 | |
| XX | Тупление острых кромок | _____ | Станок ЭПШ | ЭН16-10Т1В Брусок БКв 10×100 ЭБ12СТ1К | _____ | _____ | |
| ХХI | Доводка наружной цилиндри-ческой поверхности | ![]() |
Бесцентроводо-водочный автомат мод. 109МВ | Доводочные валики. Комбини-рованная паста № 5 и № 3А | Прибор 262. Прибор Ю-310 |
Овальность и конусность наружной поверхности 0,2-0,5 мк. Неперпендикулярность наружной поверхности к торцу 0,5 мк | |
| XXII | Шлифование внутренней цилиндрической поверхности | ![]() |
Внутришлифовальный автомат ЗАРСЕ | Шлифовальный круг ПП6×6×2 ЭБ6СТ1К Алмазный круг АС5, АСМ28 |
Прибор Н-411 и эталон Прибор Э-202 |
Овальность и конусность отверстия в пределах 0,5-0,8 мк, гранность и волнистость отверстия 0,4-0,7 мк. Шероховатость поверхности |
|
| XXIII | Тупление острых кромок на монтажных фасках | _____ | Станок ЭПШ | Брусок БКв 5×100 КЗ6С1-СТ1К | Биноку-лярная лупа 7× -12× | Острые кромки на переходе монтажных фасок на внутреннюю цилиндричес-кую поверх-ность не допускаются | |
| XXIV | Чистовое шлифование желоба | ![]() |
Желобо-шлифовальный автомат мод. ЗАSCJ | Шлифовальный круг ПП200×100×4 КЗБСМ1-СМ3ШК |
Прибор 262 и эталон. Проектор ЧП-1 Прибор Н-420 Прибор Э-202 |
Овальность 0,8-1,0 мк. Разнотолщин-ность 0,5 мк. Непараллель-ность желоба к базовому торцу 1 мк. Шероховатость поверхности |
|
| XXV | Окончательное шлифование желоба | См. операцию XXIV | Желобо-шлифо-вальный автомат мод. ЗАSCJ | Шлифо-вальный круг ПП200×100×4 К34-5СМ1- СМ3ШК КЗМ40СМ10С |
Прибор 262 и эталон. Прибор Н-420. Проектор ЧП-1. Прибор Э-202. «Тели-ронд» мод. 50 |
Овальность 0,5-0,8 мк. Разнотолщин-ность 0,5 мк. Непараллельность желоба к базовому торцу 1 мк. Волнистость и гранность 0,3 -0,5 мк. Шероховатость поверхности |
|
| XXVI | Доводка бортиков | См. операцию XXI | Бесцентрово-доводочный автомат мод. 109МВ | Доводочные валики. Паста № 5 и № 3А | Бинокулярная лупа 30× . Прибор 262. | Шероховатость поверхности |
|
| XXVII | Промывка | _____ | Моечная установка | _____ | _____ | _____ | |
| XXVIII | Предварительная доводка желоба | ![]() |
Доводочный станок ГЗБН-29А | Алмазный брусок АСМ10Б. Абразивный брусок КЗМ14СМ1-СМ2ДС |
Бинокулярная лупа 32× . Прибор 262. Проектор ЧП-1 Прибор Н-420 |
Овальность и разнотолщин-ность по дорожке качения 0,5 мк. Непараллельность желоба к торцу 0,8-1,0 мк. Шероховатость поверхности |
|
2. Регламент процесса «Производство продукции»
2.1 Общее описание процесса
Целью процесса “Производство продукции” является изготовление шарикоподшипников радиальных однорядных в соответствии с требованиями.
Процесс решает следующие задачи:
· обеспечение участков материалами в соответствии с производственными планами, календарными графиками и сменно-суточными заданиями;
· обеспечение выполнения технологических операций и производственных заданий;
· обеспечение необходимого нормативного запаса п/фабрикатов;
· своевременное обнаружение и идентификация несоответствующей продукции;
· обеспечение своевременной передачи продукции на периодические испытания в соответствии с графиком;
· обеспечение требуемой производительности труда и качество выполняемых работ;
· обеспечение ритмичного выпуска продукции в соответствии с планом производства;
· своевременное предъявление средств измерения на поверку и калибровку, согласно графику и их содержание в исправном состоянии;
· своевременная передача готовой продукции на склад в соответствии с нормативной документацией;
· обеспечение своевременной изоляции окончательно забракованной продукции в изолятор брака и комплектование партий продукции, предназначенной для переработки или отправки на утилизацию.
Основные виды деятельности:
· планирование задания на смену;
· получение материалов и комплектующих на складе;
· транспортирование материалов и комплектующих на промежуточный склад хранения и участки цеха;
· изготовление внутренних и внешних колец, а также шариков подшипника;
· приготовление смазочной эмульсии;
· сборка подшипника;
· отбор и сдача подшипников на испытание в заводскую лабораторию, при необходимости в лабораторию потребителя, согласно графику испытаний;
· передача готовой продукции на склад в соответствии с нормативной документацией;
Вспомогательные виды деятельности:
· прием оборудования в эксплуатацию;
· эксплуатация и обслуживание технологического оборудования;
· контроль за своевременным предъявлением СИ на калибровку и поверку, согласно графику и их содержание в исправном состоянии;
· проведение необходимых замеров и заполнение карт контроля и журналов на рабочих местах;
· контроль выполнения технологических операций и производственных заданий;
· организация своевременной уборки рабочих мест;
· передача оборудования в ремонт;
· обнаружение и определение несоответствующей продукции;
· принятие решения о действиях с несоответствующей продукцией и контроль за использованием вышеуказанной продукции по назначению;
· обеспечение своевременной изоляции окончательно забракованной продукции в изолятор брака и комплектование партий продукции, предназначенной для переработки или отправки на утилизацию;
· своевременное принятие корректирующих действий по возникающим проблемам;
· проведение производственных инструктажей;
· обучение рабочих знанию технологических процессов, правильной эксплуатации оборудования, инструмента и приспособлений, безопасным приемам работы;
· проведение расстановки рабочих в бригадах в соответствии с квалификационными разрядами и уровнем профессионального мастерства;
· анализ работы бригады за прошедший день, с составлением отчета по выпуску продукции и видов несоответствий на всех этапах изготовления продукции;
· проведение информационных собраний по вопросам качества, культуры производства и трудовой дисциплины;
· учет явок рабочих на работу и ведение «Табеля учета рабочего времени»;
· планирование и координация работы производственных участков по созданию задела п/ф и готовых подшипников, по сдаче оборудования для наладочных и ремонтных работ;
· организация совещаний для проработки информации по вопросам качества, внедрению нормативных документов, урегулирования производственных вопросов;
· участие в аттестации рабочих мест по условиям труда;
· заполнение ежедневного отчета о производственной деятельности цеха;
· осуществление учета и составление отчетности о производственно-хозяйственной деятельности производства;
· выполнение требований системы менеджмента качества в управлении производственным процессом.
2.2.2Владелец процесса . Статус процесса
Процесс «Производство продукции» относится к основным процессам, так как обеспечивает своевременный выпуск продукции в соответствии с номенклатурой, требуемым качеством и от его эффективности зависят экономические показатели:
· объем производства;
· себестоимость продукции;
· прибыльность предприятия.
2.2. 3 Подразделения-участники процесса
Участниками процесса «Производство продукции» являются:
· дирекция по производству;
· дирекция по качеству.

Рис.1. - Производство продукции
2.3.1 Описание входов процесса
Таблица 1 . - Описание входов процесса
| Вход | Поставщик | Требования процесса |
Материалы |
Процесс закупки. | 1.Качество в соответствии с требованиями нормативной документации. 2.Своевременность в соответствии с планом производства. |
| План производства и сменный график. | Процесс «Планирование производственной программы» | Выдается до 25 числа текущего месяца на месяц следующий. |
2.3.2 Описание выходов процесса
Таблица 2. - Описание выходов процесса
| Выход | Потребители | Требование потребителей |
Подшипники |
Коммерческая дирекция (через склад готовой продукции). | Подшипник соответствуют требованиям действующей документации Упакованы |
| Забракованная продукция | Коммерческая дирекция (через склад материалов) |
Скомплектованы и упакованы, в сопровождении бирки «брак на утилизацию» |
| Материалы (возврат) | Коммерческая дирекция | В упаковке, с сопровождающей биркой, по накладной на внутреннее перемещение. |
| Отчет по результативности и эффективности функционирования процесса. | Процесс «Управление СМК» |
![]()
![]()
![]()
![]()
![]()
![]()
![]()
![]()
![]()
![]()
![]()
![]()
![]()
![]()
![]()
![]()
![]()
![]()
![]()
![]()
|
|
|
|
|
|
|
|
|
|
|
|
|
|
|

![]()
|
|
|
|
|
|
|
|

2.5.1 Определение задания на смену (сутки)
- производится начальником цеха на основании плана производства, утвержденного на соответствующий период, с учетом результата анализа предыдущей работы и остатков на складе готовой продукции коммерческой дирекции.
2.5.2 Получение и хранение материалов и комплектующих
- происходит со склада материалов (коммерческой дирекции), исходя из сменного задания, с учетом остатков от предыдущей смены по требованиям-накладным мастерами участка.
2.5.3 Изготовление колец и шариков, т.е. полуфабрикатов
- происходит на соответствующих участках. В отчете также указывается количество и вид несоответствующей продукции, которая изолируется и передается на переработку.
2.5.4 Хранение полуфабрикатов
- предназначены для обеспечения ритмичной работы. В цехе имеются промежуточные склады хранения полуфабрикатов, которые постоянно обновляются и гарантируют стабильный выпуск готовой продукции при изменениях в планах продаж коммерческой службы.
2.5.5 Сборка подшипников
- происходит на участке сборки. Для формирования, подшипника берутся полуфабрикаты с предыдущего этапа, то есть с места хранения компонентов.
2.5.6 Работа с несоответствующей продукцией
- данный блок выделен в производстве, так как на всех этапах производства, от получения материалов до выхода готовой продукции, необходимо выявлять материалы, полуфабрикаты, продукцию, не соответствующую установленным требованиям и принимать соответствующие решения по дальнейшему использованию, руководствуясь установленными на предприятие предписаниями.
В качестве внутреннего управления, на все блоки процесса оказывают воздействие следующие документированные процедуры:
· должностные инструкции;
· правила внутреннего распорядка;
· штатная расстановка основных рабочих.
2.6 Критерии оценки деятельности процесса
Основными критериями оценки деятельности процесса «Производство продукции» являются:
6.1. Объем производства, т.е. количество произведенной продукции за определенный период времени, в соответствии с утвержденными номенклатурой и планом производства.
6.1.1. На участке ТПА - количество выпущенных корпусов (шт.) за смену, месяц в соответствии с графиком выпуска по объему и видам.
6.1.2. На участке сборки количество собранных «зеленых» АКБ (шт.) за смену, сутки, месяц в соответствии с графиком сборки.
6.1.3. На участке зарядки количество сданных АКБ на склад готовой продукции (шт.) за сутки, месяц, год в соответствии с утвержденным планом производства.
6.2. Уровень дефектности готовой продукции у потребителя на первичном рынке в соответствии с утвержденным нормативом.
2.6.2 Оценка результативности функционирования процесса
а)Количественный показатель результативности.
Для оценки результативности функционирования процесса принимается отношение фактического количества произведенной продукции к плановому показателю, выраженное в процентах.

Где: Ркол – количественный показатель результативность процесса;
Фкол – фактическое количество произведенной продукции;
Пкол – плановое количество продукции.
При нормальном функционировании процесса это отношение не должно быть менее или более 100%. Если отношение достигнутых и запланированных показателей значительно меньше или значительно больше 100%, то необходимо вводить корректирующие действия.
По итогам года строится диаграмма, полученная расчетным методом по ежемесячным показателям.
б)Качественный показатель результативности.
Для оценки качественного показателя результативности процесса используется сравнение фактического значения уровня дефектности у потребителя (РРМ) к плановому.

Где: Ркач – качественный показатель результативности процесса;
ФРРМ – фактическое РРМ;
ПРРМ – плановое РРМ.
При нормальном функционировании процесса фактический РРМ не должен превышать нормативный.
2.6.3 Оценка эффективности функционирования процесса.
Для оценки эффективности функционирования процесса принимается отношение разницы учетной стоимости произведенной (за месяц) продукции и стоимости общего брака к затратам на производство всего объема продукции.

Где: Э – эффективность процесса производства продукции;
V общ – учетная стоимость произведенной (за месяц) продукции;
V бр – стоимость общего брака;
С – себестоимость производства общего объема продукции.
2.7 Мониторинг, измерение и анализ деятельности процесса
Источником информации для мониторинга, измерения и анализа деятельности производства продукции являются ежесменные отчеты по выпуску продукции на всех участках производства, составляемые мастерами. На их основе составляются отчеты за месяц, квартал, год начальником цеха. Процедура анализа заключается в сопоставлении данных по фактическому выпуску продукции ежесменно на протяжении определенного периода (месяца, квартала, года) с плановым заданием. Отчеты передаются в дирекцию по экономике, директору по производству и директору по качеству. Информация предоставляется в виде таблицы:
Таблица 1. - ОТЧЕТ о выполнении плана производства товарной продукции
| № п/п | Тип компонента | План, шт. | Факт, шт. | Причина невыполнения плана |
Процент выполнения плана |
Процент премии с учетом уровня выполне-ния плана | Процент дополнительной оплаты с учетом уровня выполнения плана |
| РСиС | рабочие | ||||||
| 1 | |||||||
| 2 | |||||||
| 3 | |||||||
| 4 | |||||||
| 5 | |||||||
| Итого | |||||||
Директор по производству
Директор по экономике
Ведущий экономист
Начальник ОТиЗ
Процесс управляем и предсказуем, если выпуск продукции производиться в пределах установленного задания.
Информация по мониторингу (отчет) оформляется ежемесячно до 5 числа месяца, следующего за отчетным и предоставляется в ОтиЗ.
2.8 Определения, обозначения и сокращения
В настоящем документе применяются следующие термины с соответствующими определениями:
Владелец процесса - представитель высшего руководства организации, на которого возлагается ответственность за результативное функционирование процесса.
В настоящем документе применяются следующие обозначения и сокращения:
СМК - система менеджмента качества.
МИ-методическая инструкция.
ДП - документированная процедура.
КТД - конструкторско-технологическая документация.
2.9 Лист регистрации изменений к документу
| № п/п | № извещения об изменении | № раздела и страницы, в которые вносится изменение | Краткое содержание изменения |
Дата внесения изменения | Подпись лица вносившего изменения |
3. Выбор метрологического обеспечения
3.1Постановка задачи
Дано: подшипник шариковый радиальный однорядный 10000904.
Задача: разработать метрологическое обеспечение для изготовления подшипника
В настоящее время остро стоит вопрос о выборе метрологического обеспечения для любого предприятия. Это необходимо для обеспечения достоверности результатов оценки готовой продукции и производственного процесса. Процесс измерения рассматривается как производственный процесс, выходом которого являются числа, присвоенные материальным объектам.
Под метрологическим обеспечением (МО) понимается установление и применение научных и организационных основ, технических средств, правил и норм, необходимых для достижения единства и требуемой точности измерений.
Основной тенденцией в развитии МО является переход от существовавшей ранее сравнительно узкой задачи обеспечения единства и требуемой точности измерений к принципиально новой задаче обеспечения качества измерений. Качество измерений – понятие более широкое, чем точность измерений. Оно характеризует совокупность свойств средства измерений (СИ), обеспечивающих получение в установленный срок результатов измерений с требуемыми точностью, достоверностью, правильностью, сходимостью и воспроизводимостью.
При разработке МО необходимо использовать системный подход, суть которого состоит в рассмотрении указанного обеспечения как совокупности взаимосвязанных процессов, объединенных одной целью – достижением требуемого качества измерений. Примерами таких процессов являются:
- установление рациональной номенклатуры измеряемых параметров и оптимальных норм точности измерений при контроле качества продукции и управлении процессами;
- технико-экономическое обоснование и выбор СИ, испытаний и контроля и установление их рациональной номенклатуры;
- стандартизация и унификация используемой контрольно-измерительной техники;
- участие в разработке и внедрении стандартов предприятия;
- проведение анализа состояния измерений, разработка на его основе и осуществление мероприятий по совершенствованию МО и т.д.
Отдельные аспекты МО рассмотрены в рекомендации МИ 2500-98 «ГСИ. Основные положения метрологического обеспечения на малых предприятиях»
3.2 Расчет погрешностей и выбор средств измерения
Измерение - операция, посредством которой определяется отношение одной (измеряемой) величины к другой однородной величине (принимаемой за единицу); число, выражающее такое отношение, называется численным значением измеряемой величины.
Методы измерения зависят от используемых измерительных средств и условий измерений. Характеристики и области применения различных методов измерения представлены в таблице 5.
Таблица 5 -Характеристики и области применения различных методов измерения
| Наименование метода | Характеристики методов измерений |
| Абсолютный | Измерение, основанное на прямых измерениях одной или нескольких основных величин и/или использовании значений физических констант. |
| Сравнительный | Измерение, основанное на сравнении двух образцов |
| Прямой | Измерение, проводимое прямым методом, при котором искомое значение физической величины получают путем сравнения этой величины с ее единицей |
| Косвенный | Измерение, проводимое косвенным методом, при котором искомое значение физической величины определяют на основании результатов прямых измерений других физических величин |
| Комплексный | Измерение комплекса показателей в целом, и общая их оценка. |
| Элементный | Измерение отдельных элементов конструкции или их разбиение. |
| Контактный | Метод измерений с мерой, основанный на том, что чувствительный элемент прибора приводится в контакт с объектом измерения |
Бесконтактный |
Метод измерений с мерой, основанный на том, что чувствительный элемент прибора не приводится в контакт с объектом измерения |
3.2.2 Виды и классификация погрешностей
Погрешность - оценка отклонения величины измеренного значения величины от её истинного значения. Погрешность измерения является характеристикой (мерой) точности измерения
Погрешность измерения является результатом несовершенства метода измерения, средств измерения и неточностей отсчета показаний в тоже время погрешность измерения зависит от воздействия ряда независимых факторов: погрешности применяемых измерительных средств, внешних условий измерения, погрешности формы объекта измерения, погрешность базирования и др.
Погрешности измерения можно разделить на два типа:
- Систематические погрешности;
- Случайные погрешности.
Систематические погрешности – это погрешности, которые носят закономерный характер, независящие от случайных факторов, могут быть определены расчетным путем и проверены экспериментально. Погрешности необходимо учитывать в каждом данном приспособлении и суммировать с другими погрешностями алгебраически с учетом соответствующего знака.
Случайные погрешности - погрешности, свойственные данному методу измерения, зависят от многих факторов, в том числе от метода измерения, конструктивных особенностей приспособления, условий его эксплуатации, квалификации контролеров и т.д. погрешность является случайной и независимой величиной.
Допускаемая погрешность измерения включает случайные и неучтенные систематические погрешности измерения. Случайная погрешность измерения не должна превышать 0,6 допускаемой погрешности измерения. Допустимые погрешности измерения составляют 20-35% допуска на изготовление изделия.
При обработке детали кроме необходимого для формирования поверхности движения инструмента возникают добавочные относительные смещения заготовки инструмента с номинальной траектории. В результате обработанная поверхность будет иметь размер, форму и расположение, отличные от заданных. Появление дополнительных смещений элементов технологической системы связано с действием на систему различных тепловых, силовых и иных факторов.
Таким образом, можно выделить следующие основные погрешности:
1. ∆еу – установки заготовок в приспособлении с учетом колебания размеров баз, контактных деформаций установочных баз заготовки и приспособления, точности изготовления и износа приспособления;
2. ∆у – колебания упругих деформаций технологической системы под влиянием нестабильности нагрузок(сил резания, сил инерции и др.), действующих в системе переменной жесткости;
3. ∆н – наладки технологической системы на выдерживаемый размер с учетом точностной характеристики применяемого метода наладки;
4. ∆и – в результате размерного износа режущего инструмента;
5. ∑∆ст – станка, влияющие на выдерживаемый параметр, с учетом износа станка за период эксплуатации;
6. ∑∆т – колебания упругих объемных и контактных деформаций элементов технологической системы вследствие их нагрева при резании, трения подвижных элементов системы, изменения температуры в цехе;
7. ∆изм. – измерения;
3.2.3 Расчет суммарной погрешности
В машиностроении показатели качества изделий тесно связано с точностью обработки деталей машин. Полученный при обработке размер, форма и расположение элементарных поверхностей определяют фактические зазоры и натяги в соединениях деталей машин, а следовательно, технические параметры продукции, влияющие на ее качество, надежность и экономические показатели производства.
Расчетные соотношения оценки точности параметра устанавливают путем суммирования факторов, учитываемых при анализе данного параметра. Закон суммирования определяются природой этих погрешностей.
Таким образом, существует множество способов определения суммарной погрешности. Методику определения суммарной погрешности устанавливает ГОСТ 8.207-76. Однако в некоторых случаях данных для подобного анализа недостаточно, поэтому ограничиваются приближенной оценкой суммарной погрешности 6д=
где k– коэффициент относительного рассеивания (для приближенного вычисления k=1), i– индекс элементарной погрешности.
Расчет суммарной погрешности производится по следующей формуле:
6д=
,
где Д - суммарная погрешность;
д1 – ∆еу;
д2 - ∆у;
д3 - ∆н;
д4 - ∆и;
д5 - ∑∆ст;
д6 - ∑∆т;
д7 - ∆изм.
Метод квадратичного суммирования дает заниженную до 6 раз суммарную погрешность выходного параметра.
Следует сравнить полученную погрешность с пределом допустимой погрешности. Полученная погрешность должна быть меньше допустимой по ГОСТу.
Одним из основных принципов выбора измерительных средств является выбор такого измерительного средства, измерение которым обеспечивает достаточно высокую точность по сравнению с заданной точностью измеряемых деталей, установленной заказчиком. Необходимо всегда помнить, что любое измерение сопровождается погрешностью, а точные измерения отличаются от менее точных лишь меньшей величиной этой погрешности.
При выборе СИ учитывают совокупность метрологических (цена деления, погрешность, пределы измерений, измерительное усилие), эксплуатационных и экономических показателей, к которым относятся: массовость (повторяемость измеряемых размеров) и доступность их для контроля; стоимость и надежность СИ; метод измерения; время, затрачиваемое на настройку и процесс измерения; масса, габаритные размеры, рабочая нагрузка; жесткость объекта контроля, шероховатость его поверхности; ре жим работы и т. д.
Основная трудность технико-экономическоro подхода при вы боре СИ заключается в том, что сам процесс измерения не сопровождается непосредственным созданием материальных ценностей. Учитывая также различные цели контрольно-измерительных операций и их различную принадлежность к этапам жизненного цикла ТС (производство, эксплуатация, ремонт), очевидно, невозможно предложить единую методику выбора СИ. Однако некоторые общие принципы выбора на основании накопленного опыта сводятся к следующим положениям:
1. Для гарантирования заданной или расчетной относительной погрешности измерения ди относительная погрешность СИ дси должна быть на 25-30% ниже, чем ди (т.е. дси = 0,7ди ).
2. Выбор СИ зависит от масштаба производства или количества находящихся в эксплуатации однотипных (одноименных) ТС.
Например, в массовом производстве с отработанным технологическим процессом, включая контрольные операции, используют высокопроизводительные механизированные и автоматизированные средства измерения и контроля. Универсальные СИ при меняются преимущественно для наладки оборудования.
В серийном производстве основными средствами контроля должны быть жесткие предельные калибры, шаблоны, специальные контрольные приспособления. Возможно применение универсальных СИ.
В мелкосерийном и индивидуальном производстве основными являются универсальные СИ, поскольку применение других организационно и экономически невыгoдно: неэффективно будут использоваться специальные контрольные приспособления или по требуется большое количество калибров различных типоразмеров.
3. Метод измерения, определяемый целью контроля, выдвигает требования к СИ по базировке: если контролируется точность технологического процесса, то выбирают СИ для технологических баз; если ТС контролируется с точки зрения эксплуатации, то СИ выбирается под эксплуатационные базы.
4. При выборе СИ по метрологическим характеристикам необходимо учитывать следующее:
· если технологический процесс неустойчив, т. е. возможны существенные отклонения измеряемого параметра за пределы поля допуска, то нужно, чтобы пределы шкалы СИ превышали диапа зон рассеяния значений параметра;
· цена деления школы должна выбираться с учетом заданной точ ности измерения;
· поскольку качество измерения определяется величиной относительной погрешности д = (∆/х)100%, т. е. с уменьшением х величи на д увеличивается (качество измерения ухудшается). Следователь но, качество измерений на разных участках шкалы неодинаково.
5. К регистрирующей аппаратуре предъявляются следующие основные требования:
Сигнал, проходящий через СИ, должен сохранять необходимую информацию, не подвергаться искажению и отделяться от помех;
первичные преобразователи (датчики) должны потреблять минимум энергии от объекта измерения, и их подключение не должно нарушать его нормальной работы. Особые требования предъявляются к точности и чувствительности датчиков, так как эти низкие показатели сведут на нет все усилия по повышению точности измерений;
носитель информации должен иметь достаточный объем для регистрации всех необходимых сведений;
регистрирующая аппаратура должна обеспечивать получение информации в возможно сжатые сроки.
Оценка погрешности измерений и выбор СИ зависят также от цели измерений. При этом понятие измерения является общим для таких специфических операций, как испытание, контроль, диагностирование и прогнозирование технического состояния объекта (продукции).
3.3 Применение методологии MSA
1. Специалист, ответственный за оценивание статистических характеристик измерительного процесса, осуществляет предварительные расчеты в контрольном листке данных:
1.1Для каждой i-й детали рассчитывается среднее значение результатов ее измерений всеми операторами (Х1 – среднее значение результатов измерения детали 1 всеми операторами) по формуле:
`XА i = (Х1 Ai +…+ ХМ Ai )/М (1)
где`XА i – среднее значение результатов измерения i–й детали оператором А;
М – количество попыток измерений;
Х1 Ai – результат первой попытки измерения i-й детали оператором А.
Результаты расчетов средних значений результатов измерения деталей для оператора А заносятся в строку 4, для операторов В и С в строки 9 и 14 соответственно.
1.2. Также для каждой i-й детали рассчитывается размах результатов ее измерений каждым операторов(например RА1 – среднее значение результатов измерения детали 1 оператором А) по формуле:
RА i = XА i max - XА i min , (2)
где RА i – размах результатов измерений i-й детали оператором А;
XА i max , XА i min – максимальное и минимальное значение результатов измерения i-й детали оператором А.
Результаты расчетов размахов результатов измерения деталей для оператора А заносятся в строку 5, для операторов В и С – в строки10 и 15 соответственно.
1.3. Для каждого оператора рассчитывается среднее значение и средний размах результатов измерений по формулам:
`XA =(`XA1 +`XA2 +…+`XAN )/ N (3)
`RA = (RА 1 +RА 2 +…+RА N )/ N (4)
где`XA – среднее значение результатов измерений оператора А;
`RA – средний размах результатов измерений оператора А;
N– количество образцов.
Рассчитанные значения`XA и`RA заносятся, соответственно, в крайние правые столбцы строк 4 и 5 Контрольного листка данных.
Для оператора В среднее значение`XВ и средний размах`RВ результатов измерений заносятся в строки 9 и 10, для оператора С – в строки 14 и 15.
1.4. Значения средних размахов результатов измерений операторов`RA , `RВ , `RС заносятся в строку 17 для расчета среднего размаха всех измерений по формуле:
`R=(`RA +`RВ +`RС )/ К (5)
где `R– средний размах всех измерений;
К – количество операторов.
Рассчитанное значение Rзаносится в крайний правый столбец строки 17 Контрольного листка данных.
Максимальное и минимальное значения из средних значений результатов измерений операторов `XA ,`XB , `XC заносятся в строку 18 для расчета размаха между измерениями операторов по формуле:
`Xdiff =`Xmax A,B,C -`Xmin A,B,C (6)
где`Xdiff - размах между измерениями операторов;
`Xmax A , B , C и`Xmin A , B , C - максимальное и минимальное значения из средних значений`XA ,`XB ,`XC результатов измерений операторами А, В и С.
Рассчитанное значение `Xdiff заносится в крайний правый столбец строки 18 Контрольного листка данных.
1.6. Значение среднего размаха всех измерений Rзаносится в строки 19 и 20 для расчета контрольных границ карты размахов по формулам, аналогичным
Значения констант D3 и D4 определяются в зависимости от числа попыток измерений М по таблице, приведенной в приложении.
Значения верхней и нижней контрольных границ UCLR и LCLR заносятся, соответственно, в крайние праве столбцы строк 19 и 20 Контрольного листка данных.
1.7. Для каждой i-й детали рассчитывается среднее значение результатов ее измерений всеми операторами (Х1 – среднее значение результатов измерения детали 1 всеми операторами) по формуле:
`Xi = (Х1 Ai +…+ ХМ Ai + Х1 В i +…+ ХМ С i )/М∙К (7)
где `Xi - среднее значение результатов измерений i-й детали всеми операторами;
Х1 A – результат первой попытки измерения i-й детали оператором А и т.п.
Результаты расчетов средних значений результатов измерений деталей всеми операторами заносятся в строку 16 Контрольного листка данных.
1.8 После измерений всех деталей всеми операторами рассчитываются среднее значение всех результатов измерений `Xи размах значений параметра деталей `Rр по формулам:
`X= (`X1 +`X2 +…+`XN )/ N(8)
`Rp =`Xmax i -`Xmin i (9)
где Xmax i ,Xmin i – максимальное и минимальное значения из средних значений результатов измерений деталей всеми операторами.
Результаты расчетов среднего значения всех результатов измерений`Xи размаха значений параметра деталей `Rр заносятся в крайний правый столбец строки 16Контрольного листка данных.
2. По результатам предварительных расчетов специалист оформляет «Протокол анализа измерительного процесса» по форме приложения.
2.1 В верхней части «Протокола…» специалист регистрирует:
- номер и дату «Протокола…»;
- данные об объекте измерения – наименование и номер автомобильного компонента, наименование измеряемого параметра, номинальное значение и границы допуска на измеряемый параметр;
- данные о средстве измерительной техники – наименование и номер;
- предварительные результаты анализа измерительного процесса:
задействованное количество операторов К;
количество образцов автомобильного компонента N;
количество попыток измерений М;
средний размах всех измерений `R;
размах между измерениями операторов `Xdiff .
2.2 Сходимость результатов измерений EVрассчитывается по формуле:
EV= 5,15 ∙`R/D2 (10)
где D2 – константа для вычисления СКО с помощью размаха.
При выборе константы D2 для вычисления сходимости принимают:
- объем выборки Н, по которой считался размах, равным количеству попыток измерений М;
- количество вычислений размаха Gравным произведению количества операторов К на количество образцов N.
2.3. Воспроизводимость результатов измерений AVрассчитывается по формуле:
AV = √ [5,15∙`Xdiff /D2] – [EV2/N∙M] (11)
При выборе константы D2 для вычисления воспроизводимости принимают:
- объем выборки Н, по которой считался размах, равным количеству операторов К;
- количество вычислений размаха Gравным 1.
2.4. Сходимость и воспроизводимость результатов измерений R&Rрассчитывается по формуле:
R&R= √EV2 +AV2 . (12)
2.5 Изменчивость измеряемого параметра автомобильного компонента PVрассчитывается по формуле:
PV= 5,15 ∙`Rр /D2 (13)
При выборе константы D2 для вычисления изменчивости измеряемого параметра автомобильного компонента принимают:
- объем выборки Н, по которой считался размах, равным количеству образцов N;
- количество вычислений размаха Gравным 1.
2.6 Полная изменчивость результатов измерений TVрассчитывается по формуле:
TV= √ R&R2 + PV2 (14)
2.7 В пп. 2.2-2.6 определен расчет абсолютных значений различных составляющих изменчивости результатов измерений. Относительные значения составляющих изменчивости результатов измерений определяются:
- по отношению к полной изменчивости TV– в случае, если результаты измерения используются для анализа процесса;
- по отношению к допуску на параметр (USL-LSL) – в случае, если результаты измерения используются для принятия решения о качестве продукции.
Значения составляющих изменчивости результатов измерений относительно полной изменчивости процесса TVрассчитываются по формулам:
%EV = (EV/ TV) ∙100%, (15)
%AV = (AV/ TV) ∙100%, (16)
% R&R = (R&R / TV) ∙100%, (17)
% PV = (PV / TV) ∙100%. (18)
Значения составляющих изменчивости результатов измерений относительно допуска на параметр (USL-LSL) рассчитываются по формулам, аналогичным 15-18, однако взамен полной изменчивости TVиспользуется значение величины допуска (USL-LSL).
2. На основании величины относительной сходимости и воспроизводимости (% R&R) специалист делает выводы о приемлемости измерительного процесса (таблица 6).
Таблица 6- выводы о приемлемости измерительного процесса
| Значение %R&R | Вывод о приемлемости измерительного процесса |
| Менее 10% | Измерительный процесс приемлем |
От 10% до30% |
Измерительный процесс может быть приемлем в зависимости от важности применения, стоимости средств измерительной техники и т.п. |
| Более 30% | Требуются улучшения измерительного процесса |
Результаты расчетов и вывод о приемлемости измерительного процесса специалист регистрирует в Протоколе анализа измерительного процесса.
Протокол анализа измерительного процесса для нашего примера приведен в приложении Б.
В результате этой работы мы провели сбор, сортировку и обработку информации о подшипниках, выбрали и провели анализ заготовки, подобрали материал для всех его компонентов. Также было разработано техническое задание, в ходе чего определен тип производства и соответствующие ему параметры, рассмотрен вариант технического маршрута.
Анализируя процесс изготовления подшипников, был разработан регламент процесса производства и выбраны управляющие и ресурсные обеспечения подпроцессов.
Далее был разработан выбор метрологического обеспечения, рассчитаны погрешности и выбраны средства измерения.
Также мы рассмотрели применение методологии MSA, для оценки статистических характеристик измерительного процесса.
Список используемой литературы
1. Анурьев В. И. Справочник конструктора-машиностроителя: в 3-х т.: Т.2. – 8-е изд., перераб. и доп. Под ред. И.Н. Жестковой. – М.: Машиностроение, 2001. – 912 С. : ил. ISBN5-217-02964
2. Хазов Б.Ф., Дидусев Б.А. Справочник по расчету надежности машин. – М.: Машиностроение. 1986. – 224 С.
3. Лахтин Ю.М., Леонтьева В.П. Материаловедение: Учебник для высших технических заведений. – 3е изд., перераб. и доп. – М.: Машиностроение, 1990. – 528 С.: ил. ISBN 5-217-00858-Х
4. http :// www . staratel . com / iso / index . php - ISO- портал.
5. Машиностроение. Энциклопедия/Ред. совет: Фролов К.В. и др. Машиностроение. Детали машин. Конструктивная прочность. Трение, износ, смазка. Т. IV-1 / Решетов Д.Н., Гусенков А.П., Дроздов Ю.Н. и др.. Под общей ред. Решетова Д.Н. – 864 стр.
6. Методические указания: «Комплекс инженерных методов управления качеством промышленной продукции при выполнении курсовых и дипломных проектов»; разработчик: студент группы УК-431 Красильникова Н.Е., научный руководитель: Хазов Б.Ф. (профессор, доктор технических наук).
7. Ф.И.Кузьмин. Таблицы для анализа и контроля надежности – М.: Советское радио, 1968г. – 288с.
8. Хазов Б.Ф. Управление надежностью машин на этапах их жизненного цикла (Курс лекций)/Справочник. Инженерный журнал.- М.: Машиностроение, N№ 1,2,4-2000г.
9. Философский словарь/Под ред. Н.Т. Фролова. – М.: Политиздательство. 1986г. – 590с.
![]()
Приложение Б Таблица 1. - Контрольный листок данных для анализа измерительной системы |
|||||||||||||
| № | Операторы и попытки | Контрольные единицы | Средние | ||||||||||
| 1 | 2 | 3 | 4 | 5 | 6 | 7 | 8 | 9 | 10 | ||||
| 1 | А | 1 | 0,800 | 0,900 | 1,000 | 1,000 | 0,900 | 0,900 | 0,800 | 0,800 | 1,000 | 0,800 | 0,890 |
| 2 | 2 | 1,100 | 0,900 | 0,900 | 1,000 | 1,000 | 1,000 | 0,900 | 1,000 | 0,900 | 0,900 | 0,960 | |
| 3 | 3 | 1,000 | 0,900 | 1,100 | 1,000 | 1,000 | 1,000 | 0,900 | 1,000 | 0,900 | 0,900 | 0,970 | |
| 4 | среднее | X | 0,967 | 0,900 | 1,000 | 1,000 | 0,967 | 0,967 | 0,867 | 0,933 | 0,933 | 0,867 | 0,940 |
| 5 | размах | R | 0,300 | 0,000 | 0,200 | 0,000 | 0,100 | 0,100 | 0,100 | 0,200 | 0,100 | 0,100 | 0,120 |
| 6 | В | 1 | 1,000 | 1,000 | 0,900 | 0,900 | 1,000 | 0,900 | 1,000 | 0,900 | 1,000 | 1,100 | 0,970 |
| 7 | 2 | 0,900 | 1,000 | 0,900 | 1,000 | 1,000 | 1,000 | 0,900 | 0,900 | 1,000 | 0,900 | 0,950 | |
| 8 | 3 | 0,900 | 0,900 | 1,000 | 0,900 | 0,900 | 1,000 | 0,900 | 0,900 | 0,800 | 0,800 | 0,900 | |
| 9 | среднее | X | 0,933 | 0,967 | 0,933 | 0,933 | 0,967 | 0,967 | 0,933 | 0,900 | 0,933 | 0,933 | 0,940 |
| 10 | размах | R | 0,100 | 0,100 | 0,100 | 0,100 | 0,100 | 0,100 | 0,100 | 0,000 | 0,200 | 0,300 | 0,120 |
| 11 | С | 1 | 0,900 | 1,000 | 0,900 | 0,900 | 1,000 | 1,000 | 1,000 | 0,800 | 0,900 | 0,900 | 0,930 |
| 12 | 2 | 1,100 | 1,000 | 1,000 | 0,900 | 1,200 | 1,000 | 1,000 | 1,000 | 0,900 | 1,000 | 1,010 | |
| 13 | 3 | 1,100 | 1,000 | 1,000 | 0,900 | 0,900 | 1,000 | 1,000 | 0,900 | 0,900 | 1,000 | 0,970 | |
| 14 | среднее | X | 1,033 | 1,000 | 0,967 | 0,900 | 1,033 | 1,000 | 1,000 | 0,900 | 0,900 | 0,967 | 0,970 |
| 15 | размах | R | 0,200 | 0,000 | 0,100 | 0,000 | 0,300 | 0,000 | 0,000 | 0,200 | 0,000 | 0,100 | 0,090 |
| 16 | среднее единиц Хр | 0,978 | 0,956 | 0,967 | 0,944 | 0,989 | 0,978 | 0,933 | 0,911 | 0,922 | 0,922 | 0,950 | |
| Rp= | 0,078 | ||||||||||||
| 17 | Rср=(Ra+Rb+Rc)/Nоп= | 0,110 | |||||||||||
| 18 | Xdiff=MaxXср-MinXср= | 0,030 | |||||||||||
| 19 | UCLR=Rср*2,58= | 0,284 | |||||||||||
| 20 | LCLR=Rср*0= | 0,000 | |||||||||||
| Таблица 2. - Протокол анализа измерительной системы | |||||||||||||
| Номер и наименование изделия | Наименование прибора (номер) | Дата | Расчеты произвел | ||||||||||
| 2123-1101045 Бензобак нижняя половина | Шаблон 852.8371.8575 | ||||||||||||
| Границы поля допуска | Rср | Rp | Xdiff | ||||||||||
| 0 - 0,5 | 0,110 | 0,078 | 0,030 | ||||||||||
| Анализ результатов | |||||||||||||
| AV= | 0,053 | ||||||||||||
| EV= | 0,336 | ||||||||||||
| PV= | 0,126 | ||||||||||||
| TV= | 0,362 | ||||||||||||
| R&R= | 0,340 | ||||||||||||
| %R&R= | 93,757 | ||||||||||||
В результате оценки измерительной системы по значению %R&R мы получили 93,757 %. Это говорит о том, что система нуждается в улучшении. Необходимо выявить причину и устранить ее.














