| Скачать .docx |
Реферат: Реконструкция электроснабжения г Барнаула
Министерство образования Российской Федерации
АЛТАЙСКИЙ ГОСУДАРСТВЕННЫЙ ТЕХНИЧЕСКИЙ УНИВЕРСИТЕТ
им. И.И.ПОЛЗУНОВА
Кафедра "Электроснабжение промышленных предприятий" УДК 621.315 Допустить к защите в ГАК
Зав. кафедрой _______________
”__” 2003 г.
РЕКОНСТРУКЦИЯ ЭЛЕКТРОСНАБЖЕНИЯ ВОСТОЧНОГО РАЙОНА ГОРОДА БАРНАУЛА
ПОЯСНИТЕЛЬНАЯ ЗАПИСКА
К ДИПЛОМНОМУ ПРОЕКТУ
ДП 100401.
33
.000 ПЗ
обозначение документа
Дипломник группы Э – 82 М.Н. Петухов
подпись и.о., фамилия
Руководитель проекта
доцент А.Р. Упит
должность, ученое звание подпись и.о., фамилия
Консультанты: ________________________
Орг.-экон. — ст. препод., к.э.н. О.Л. Никитина
раздел проекта должность, ученое звание подпись и.о., фамилия
Охрана труда — доцент, к.т.н. Е.Н. Авдеев
БАРНАУЛ 2003
Реферат
В дипломном проекте использовано Х источников, 3 рисунков, Х таблиц. В данном дипломном проекте рассмотрены вопросы реконструкции электроснабжения восточной части г. Барнаула.
На основании исходных данных проведен расчет электрических нагрузок потребителей и района в целом.
Определен центр электрических нагрузок. И решен вопрос о месте расположения ГПП. Построены графики электрических нагрузок, произведен выбор количества и мощности трансформаторов потребителей и трансформаторов ГПП.
Рассчитаны токи короткого замыкания на стороне выше 1000 В, выбрана высоковольтная аппаратура и кабели.
Произведен расчет потребного количества огнетушащих средств для тушения пожаров, выполнен экономический расчет затрат на реконструкцию.
Специальным вопросом рассмотрена “Микропроцессорная система дуговой защиты КРУ напряжением 6-10 кВ”.
Введение
Непрерывный рост городов и численности их населения вызывает увеличение потребления электрической энергии. Огромные масштабы жилищного и промышленного строительства, осуществленного в городах, обуславливает необходимость непрерывного развития и совершенствования городских электрических сетей, являющихся связующим звеном между источниками и городскими потребителями электроэнергии.
В области электроснабжения потребителей эти задачи предусматривают повышение уровня проектно-конструкторских разработок, внедрение и рациональную эксплуатацию высоконадежного электрооборудования, снижение непроизводственных расходов электроэнергии при ее передаче, распределении и потреблении.
Решение ряда этих вопросов рассматривается в данном дипломном проекте. Предпринята попытка выявления оптимального варианта, на основе требований ПУЭ, ПТЭ и ТТБ, реконструкции схемы электроснабжения промышленного узла одного из районов.
Поводом для решения этой задачи явилось:
1) нерациональное расположение главной понижающей подстанции по отношению к потребителям;
2) положение о том, что в качестве основного напряжения для городских сетей среднего напряжения в России принято 10 кВ. В тех городах, где имеются сети 6 кВ, они, как правило, переводятся на напряжение 10 кВ;
3) и наконец, принципиальным вопросом построения схемы электроснабжения города является выгоднейшее число трансформаций энергии, т.е. количество ее преобразований между напряжением 110 кВ и 10 кВ.
Практика проектирования показывает, что введение промежуточного напряжения 35 кВ увеличивает капиталовложения и потери в сетях. Это является причиной отказа от применения в проектируемых сетях и системах электроснабжения городов этого напряжения и ликвидации его сетей в тех городах, где они существовали ранее. Таким образом, для городских сетей следует считать предпочтительной систему электроснабжения 110/10 кВ.
1 Определение расчетных электрических нагрузок
1.1 Краткая характеристика потребителей электрической энергии
Потребители электрической энергии системы электроснабжения района представлены двумя группами: промышленные потребители и коммунально-бытовые потребители.
Котельный завод специализируется на выпуске котлов малой мощности. Значительная часть их идет на экспорт.
Производство осуществляется в две смены. Характерен резкопеременный график электрических нагрузок. Перерыв в электроснабжении предприятия повлечет за собой массовый недоотпуск продукции, простой оборудования и крупные штрафы за недопоставку продукции на договорной основе. В связи с вышеизложенным, и согласно требованиям ПУЭ котельный завод отнесен по степени надежности электроснабжения к потребителям первой категории.
Маслосыркомбинат (МСК) специализируется на выпуске сыров и другой молочной продукции.
Режим работы трехсменный. График электрических нагрузок по часам суток и временам года относительно равномерный. Перерыв в электроснабжении повлечет за собой недовыпуск и массовую порчу продукции. По степени бесперебойности электроснабжения МСК отнесен к первой категории.
Элеватор выполняет заготовительные функции (прием, подработка, хранение и отпуск зерна). Характеризуется переменным графиком электрических нагрузок по временам года. В период заготовки зерна (август, сентябрь, октябрь) максимальное использование мощности установленного оборудования. Перерыв в электроснабжении в этот период влечет за собой не только простой собственного оборудования элеватора, но и транспортных средств доставки зерновых культур с полей. Кроме того, простой зерносушильных агрегатов при наличии высокой влажности зерна, ведет к резкому ухудшению бесперебойности последнего. Предприятие по степени бесперебойности электроснабжения отнесено к потребителям II категории.
Моломаш. Основное направление – производство аппаратов, машин и оборудования для хранения и переработки молока и молочных продуктов. Режим работы предприятия двухсменный. Электроприемников I категории нет. Перерыв в электроснабжении связан с существенным недовыпуском продукции, простоем людей и механизмов. По степени бесперебойности в электроснабжении Молмаш относится к потребителям II категории.
Показатели бесперебойности электроснабжения, приведенные для завода Молмаш характерны и для фанерно-спичечного комбината (ФСК), Маслоэкстрационного завода (МЭЗ), Авторемзавода (АРЗ).
Потребители распределительной городской сети (РП-5, РП-8, ТП-6) рассматриваемого района города являются: жилые дома одноэтажной (индивидуальной) и многоэтажной (до 9 этажей) застройки, оборудованные преимущественно электрическими плитами, предприятия общественного питания, магазины, детские дошкольные учреждения, школы, автовокзал.
Перерыв в электроснабжении влечет за собой нарушения нормальной жизнедеятельности значительного количества городских жителей. Согласно требованиям ПУЭ, данная городская распределительная сеть относится к электроприемникам II категории надежности.
1.2 Определение расчетных осветительных нагрузок по 2
цеху элеватора и МИС
Расчетную нагрузку осветительных нагрузок приемников определяем по установленной мощности и коэффициенту спроса:
, (1.1)
где
- коэффициент спроса для освещения, принимаемый по справочным данным [2]
- установленная мощность приемников электрического освещения, находится по формуле [2].
, (1.2)
где
- удельная нагрузка по площади пола;
- площадь пола здания, сооружения, определяемая по генплану.
Производим расчет осветительной нагрузки для механической мастерской. Тип применяемых светильников ОДРЛ. Высота подвеса 4 м. Требуемая освещенность 200 лх, согласно [3]. По таблице [4] для принятого типа светильников определяем удельную мощность
= 11,2 Вт/м2
.
Отсюда имеем:
=11,2 × 800 = 8,96 кВт
=8,96 × 0,7 = 6,27 кВт
Аналогично рассчитываем осветительную нагрузку для каждого здания. При этом учитываем этажность зданий и сооружений. Производственно-бытовой корпус (ПБК) – 3 этажа, рабочая башня (элеватор) – 6, рабочая башня (МИС) – 5, лабораторный корпус – 2, бытовой корпус – 2, столовая – 2, стенд конвейеров, административное здание – 2, зерносушилка – 4, в силкорпусах освещению подлежат верхняя и нижняя транспортная галереи.
Результаты расчетов заносим в таблицу 1.1.
Таблица 1.1
| № по генплану |
Наименование Потребителей |
Осветительная нагрузка |
|||||||||||
| F, м2 |
|
|
|
|
|||||||||
| 1 |
2 |
3 |
4 |
5 |
6 |
7 |
|||||||
| 1 |
Склад |
230 |
18,8 |
4,3 |
0,7 |
3,0 |
|||||||
| 2 |
Мех. Мастерская |
800 |
11,2 |
8,96 |
0,7 |
6,27 |
|||||||
| 3 |
Бытовой корпус |
240 |
5,7 |
1,4 |
0,6 |
0,8 |
|||||||
| 4 |
Приемная башня |
96 |
9,5 |
0,9 |
0,8 |
0,7 |
|||||||
| 5 |
Насосная |
92 |
6,2 |
0,6 |
0,85 |
0,5 |
|||||||
| 6 |
ПБК |
1596 |
4,5 |
7,2 |
0,6 |
4,3 |
|||||||
| 7 |
Рабочая башня |
160 |
8,1 |
1,3 |
0,8 |
1,0 |
|||||||
| 8 |
Стенд конвейеров |
512 |
8,1 |
4,1 |
0,8 |
3,3 |
|||||||
| 9 |
Зерносушилка |
312 |
8,1 |
2,5 |
0,8 |
2 |
|||||||
| 10 |
Рабочая башня |
1344 |
12,1 |
16,2 |
0,8 |
12,9 |
|||||||
| 11 |
Силкорпус 1 |
960 |
11,7 |
11,2 |
0,8 |
8,9 |
|||||||
| 12 |
Силкорпус 2 |
960 |
11,7 |
11,2 |
0,8 |
8,9 |
|||||||
| 13 |
Силкорпус 4 |
1200 |
11,7 |
14,0 |
0,8 |
11,2 |
|||||||
| Освещение территории |
20802 |
5 |
104 |
1,0 |
|||||||||
1.3 Определение расчетных максимальных электрических
нагрузок по 2 цеху элеватора
В основу расчета положен метод упорядоченных диаграмм [1]. Данный метод является основным при разработке технических и рабочих проектов электроснабжения.
Распределительные пункты РП-1, РП-2, РП-3, РП-4 рабочего здания стендов (РЗС) питаются отдельными линиями от распределительного шкафа трансформаторной подстанции (ТП). Отсюда же запитан ряд РП других подразделений предприятия.
Определяем расчетные максимальные нагрузки на каждом РП. Исходные данные и результаты расчетов приведены в таблице 1.2.
Расчет выполняем в следующем порядке. Определяем суммарную номинальную мощность
, подключенную к РП-1, которая составляет 525 кВт; отношение номинальной мощности наибольшего электроприемника
к номинальной мощности наименьшего
имеет следующие значения
>3.
Для группы электроприемников по таблице [5] принимаем значение
0,6 и по значению cos j находим tg j.
Определяем активную и реактивную нагрузки (средние) за наиболее загруженную смену:
= 0,6 × 525 = 315 кВт (1.3)
= 315 × 1 =315 кВт (1.4)
Т.к. m>3 и
0,6 приведенное (эффективное) число электроприемников определяем по формуле:
(1.5)
в зависимости от
и
по таблице [5] находим коэффициент максимума Км
=1,2, по которому определяем максимальную активную мощность на питающей линии
1,2 × 315 = 378 кВт
максимальная реактивная мощность мощность при
>10 равна
= 315 квар
определим полную расчетную мощность
кВА
максимальный расчетный ток в питающей линии составит
А (1.6)
Аналогичнй расчет производим для всех групп электроприемников (ЭП).
ЭП, работающие эпизодически и кратковременно (перекидные клапаны, подбункерные задвижки) при определении нагрузок не учитываются. Для ЭП длительного режима работы (порт, транспортеры и т.п.) номинальная активная мощность Рном = Руст . Для ЭП с повторном кратковременным режимом работы (сварочные аппараты и т.д.) номинальную мощность, указанную в паспорте, приводим к ПВ=1 по формулам для сварочных трансформаторов
кВт (1.7)
Таблица 1.2 – Определение расчетных нагрузок по 2 цеху элеватора
| Наименование питания и групп электроприемников |
Количество рабочих приемников |
Установленная мощность, приведенная к ПВ=1, кВТ |
|
Коэффициент использования Ки |
|
Средняя нагрузка за max загруженную смену |
Эффективное число электроприемников nэ |
Коэффициент максимума Км |
Максимальные нагрузки |
Расчетный ток, Ip , , А |
||||||||||||||||||||||||||||||||||||||||||||
|
|
|
P см , кВт |
Q см , квар |
Рр , кВт |
Qp , квар |
Sp , кВА |
||||||||||||||||||||||||||||||||||||||||||||||||
| 1 |
2 |
3 |
4 |
5 |
6 |
7 |
8 |
9 |
10 |
11 |
12 |
13 |
14 |
15 |
||||||||||||||||||||||||||||||||||||||||
| РП-1 Ленточные транспортеры |
15 |
35 |
525 |
>3 |
0,6 |
|
315 |
315 |
14 |
1,2 |
378 |
315 |
492 |
748,4 |
||||||||||||||||||||||||||||||||||||||||
| РП-2 Ленточные и цепные транспортеры, таль, тележки |
35 9 |
8,4 2,7 |
295 24 |
>3 |
0,6 0,35 |
0,7/1 0,6/1,33 |
177 8,4 |
177 11,7 |
||||||||||||||||||||||||||||||||||||||||||||||
| Итого по РП-2 |
44 |
7,25 |
319 |
>3 |
0,58 |
0,69/1,02 |
185,4 |
188,17 |
44 |
1,11 |
205,8 |
188,17 |
278,8 |
424,2 |
||||||||||||||||||||||||||||||||||||||||
| РП-3 Скребовые транспортеры |
5 |
5,5 |
27,5 |
0,6 |
0,55/1,51 |
16,5 |
24,91 |
|||||||||||||||||||||||||||||||||||||||||||||||
| Зерноочистительное оборудование (триера, сепараторы) |
22 |
10,8 |
239 |
0,6 |
0,8/0,75 |
143,4 |
107,5 |
|||||||||||||||||||||||||||||||||||||||||||||||
| Аспирационное оборудование (вентиляторы, затворы шлюзные) |
20 |
5,05 |
101 |
0,65 |
0,8/0,75 |
65,65 |
49,23 |
|||||||||||||||||||||||||||||||||||||||||||||||
| Итого по РП-3 |
47 |
7,8 |
367,5 |
>3 |
0,61 |
0,78/0,8 |
225,5 |
181,69 |
43 |
1,12 |
252,6 |
181,69 |
311,16 |
473,31 |
||||||||||||||||||||||||||||||||||||||||
| Итого: силовые приемники |
198 |
1211,5 |
1211,5 |
0,6 |
0,73/0,94 |
725,95 |
684,86 |
836,4 |
684,86 |
1106,2 |
||||||||||||||||||||||||||||||||||||||||||||
| Осветительные |
40,6 |
32,4 |
32,4 |
|||||||||||||||||||||||||||||||||||||||||||||||||||
| Всего по РЗС |
1252,1 |
758,35 |
684,86 |
868,8 |
684,86 |
1106,2 |
||||||||||||||||||||||||||||||||||||||||||||||||
| РП-4 Вентиляторы |
8 |
17,37 |
139 |
>3 |
0,65 |
0,8/0,75 |
90,35 |
67,76 |
8 |
1 |
90,35 |
67,76 |
112,9 |
|||||||||||||||||||||||||||||||||||||||||
| Освещение |
0,5 |
0,4 |
0,4 |
|||||||||||||||||||||||||||||||||||||||||||||||||||
| Итого по РП-4 |
139,5 |
90,75 |
67,76 |
90,75 |
67,76 |
113,25 |
172,23 |
|||||||||||||||||||||||||||||||||||||||||||||||
| РП-5 Ленточные транспортеры |
6 |
9,3 |
5,6 |
>3 |
0,6 |
0,7/1 |
33,6 |
33,6 |
||||||||||||||||||||||||||||||||||||||||||||||
| Триера |
4 |
5,5 |
22 |
0,6 |
0,8/0,75 |
13,2 |
9,9 |
|||||||||||||||||||||||||||||||||||||||||||||||
| Итого |
10 |
7,8 |
78 |
>3 |
0,6 |
0,73/0,9 |
46,8 |
43,5 |
9 |
1,28 |
59,9 |
47,85 |
76,66 |
|||||||||||||||||||||||||||||||||||||||||
| Вентиляторы |
2 |
4 |
8 |
0,65 |
0,8/0,75 |
5,2 |
3,9 |
1 |
5,2 |
3,9 |
6,5 |
|||||||||||||||||||||||||||||||||||||||||||
| Освещение |
1,3 |
1,0 |
1,0 |
|||||||||||||||||||||||||||||||||||||||||||||||||||
| Всего по РП-5 |
86 |
0,74/0,89 |
53 |
47,4 |
66,1 |
51,75 |
83,9 |
127,68 |
||||||||||||||||||||||||||||||||||||||||||||||
| Лабораторный корпус |
||||||||||||||||||||||||||||||||||||||||||||||||||||||
| Лабораторное оборудование (моечные машины, шелушитель) |
5 |
2,26 |
11,3 |
0,25 |
0,8/0,75 |
2,85 |
2,11 |
|||||||||||||||||||||||||||||||||||||||||||||||
| Испытательный стенд |
2 |
14 |
28 |
0,5 |
0,8/0,75 |
14 |
10,5 |
|||||||||||||||||||||||||||||||||||||||||||||||
| Печь сопротивления, сушильный шкаф |
2 |
16 |
32 |
0,7 |
0,95/0,33 |
22,4 |
7,39 |
|||||||||||||||||||||||||||||||||||||||||||||||
| Итого |
9 |
7,9 |
71,3 |
>3 |
0,55 |
0,88/0,52 |
39,25 |
20,29 |
6 |
1,47 |
57,69 |
22,3 |
61,85 |
|||||||||||||||||||||||||||||||||||||||||
| Компрессор, сантехнические вентиляторы |
5 |
5,9 |
29,5 |
0,8 |
0,8/0,75 |
23,6 |
17,7 |
23,6 |
17,7 |
|||||||||||||||||||||||||||||||||||||||||||||
| Итого: силовое оборудование |
14 |
100,8 |
62,85 |
37,99 |
81,29 |
40,02 |
90,61 |
|||||||||||||||||||||||||||||||||||||||||||||||
| Освещение |
5,0 |
3,0 |
3,0 |
|||||||||||||||||||||||||||||||||||||||||||||||||||
| Всего по лабораторному корпусу |
05,8 |
65,85 |
37,99 |
84,29 |
40,02 |
93,31 |
141,94 |
|||||||||||||||||||||||||||||||||||||||||||||||
| ПБК Металлорежущие станки (токарные, строгальные, фрезерные) |
8 |
6,97 |
55,8 |
0,14 |
1,3 |
0,6/1,33 |
7,81 |
10,33 |
||||||||||||||||||||||||||||||||||||||||||||||
| Деревообрабатывающие станки |
2 |
13,5 |
27 |
0,16 |
0,6/1,33 |
4,32 |
5,74 |
|||||||||||||||||||||||||||||||||||||||||||||||
| Сварочные трансформаторы (S паст =32 кВА, ПВ=0,25) |
2 |
8,8 |
17,6 |
0,35 |
0,55/1,51 |
6,16 |
9,3 |
|||||||||||||||||||||||||||||||||||||||||||||||
| Итого |
12 |
8,36 |
100,4 |
>3 |
0,18 |
0,58/1,38 |
18,29 |
25,36 |
12 |
1,75 |
32 |
25,36 |
||||||||||||||||||||||||||||||||||||||||||
| Сантехнические вентиляторы |
8 |
3,25 |
26 |
0,8 |
0,8/0,75 |
20,8 |
15,6 |
20,8 |
15,6 |
|||||||||||||||||||||||||||||||||||||||||||||
| Итого |
20 |
1 |
122,9 |
44,22 |
48,88 |
52,8 |
40,96 |
|||||||||||||||||||||||||||||||||||||||||||||||
| Освещение |
7,2 |
4,3 |
4,3 |
|||||||||||||||||||||||||||||||||||||||||||||||||||
| Всего по ПБК |
130,1 |
48,52 |
48,88 |
57,10 |
40,96 |
70,27 |
106,89 |
|||||||||||||||||||||||||||||||||||||||||||||||
| РП-6 (РБ) |
||||||||||||||||||||||||||||||||||||||||||||||||||||||
| Транспортеры, шнеки, нории |
25 |
16,12 |
403 |
0,6 |
0,7/1 |
241,8 |
241,8 |
|||||||||||||||||||||||||||||||||||||||||||||||
| Сепараторы, триера |
12 |
10,6 |
128 |
0,6 |
0,8/0,75 |
76,8 |
57,6 |
|||||||||||||||||||||||||||||||||||||||||||||||
| Шлюзовые затворы |
10 |
6,4 |
64,4 |
0,65 |
0,8/0,75 |
41,86 |
31,39 |
|||||||||||||||||||||||||||||||||||||||||||||||
| Итого: силовые электроприемники |
547 |
1,09 |
595,4 |
>3 |
0,61 |
0,74/0,91 |
360,46 |
329,99 |
22 |
1,15 |
415,68 |
329,9 |
530,7 |
|||||||||||||||||||||||||||||||||||||||||
| Осветительные, включая силкорпуса 1, 2, 3 |
49,8 |
39,6 |
39,6 |
|||||||||||||||||||||||||||||||||||||||||||||||||||
| Всего по РБ |
645,2 |
400,06 |
329,99 |
455,28 |
329,99 |
562,99 |
856,38 |
|||||||||||||||||||||||||||||||||||||||||||||||
| Зерносушилка РП-7 |
|||||||||||||||||||||||||||||||||||||||||
| Транспортеры |
3 |
17 |
51 |
0,6 |
0,7/1 |
30,6 |
30,6 |
||||||||||||||||||||||||||||||||||
| Вентиляторы (технол.) |
5 |
16 |
80 |
0,65 |
0,8/0,75 |
52 |
39 |
||||||||||||||||||||||||||||||||||
| Вентиляторы высокого давления |
2 |
3,5 |
7 |
0,8 |
0,8/0,75 |
5,6 |
4,2 |
||||||||||||||||||||||||||||||||||
| Вентиляторы (аспир.) |
4 |
5,5 |
22 |
0,65 |
0,8/0,75 |
14,3 |
10,72 |
||||||||||||||||||||||||||||||||||
| Итого: силовые электроприемники |
14 |
11,4 |
160 |
>3 |
0,64 |
0,77/0,82 |
102,5 |
84,52 |
15 |
1,18 |
120,9 |
84,52 |
147,5 |
||||||||||||||||||||||||||||
| осветительные |
2,5 |
2 |
2 |
||||||||||||||||||||||||||||||||||||||
| Всего по зерносушилке |
162 |
162,5 |
104,5 |
122,9 |
84,52 |
149,2 |
226,95 |
||||||||||||||||||||||||||||||||||
| Силкорпус №4, РП-8 |
|||||||||||||||||||||||||||||||||||||||||
| Транспортеры, нории |
8 |
28,5 |
228 |
>3 |
0,6 |
0,7/1 |
136,8 |
136,8 |
6 |
1,37 |
187,41 |
150,48 |
|||||||||||||||||||||||||||||
| Вентиляторы (аспир.) |
4 |
4,0 |
16 |
0,65 |
0,8/0,75 |
10,4 |
7,8 |
10,4 |
7,8 |
||||||||||||||||||||||||||||||||
| Итого |
12 |
244 |
147,2 |
144,6 |
197,81 |
158,28 |
253,35 |
||||||||||||||||||||||||||||||||||
| Освещение |
14,0 |
11,2 |
11,2 |
||||||||||||||||||||||||||||||||||||||
| Всего по силкорпусу |
258 |
158,4 |
144,6 |
209,1 |
458,2 |
262,18 |
398,8 |
||||||||||||||||||||||||||||||||||
| Механическая мастерская |
|||||||||||||||||||||||||||||||||||||||||
| Металлорежущие станки (токарные, фрезерные, сверлильные) |
5 |
6,6 |
33 |
0,2 |
0,6/1,33 |
6,6 |
8,78 |
||||||||||||||||||||||||||||||||||
| Таль (Рпасп =7,5 кВт; ПВ=0,4) |
1 |
4,7 |
4,7 |
0,5 |
0,6/1,33 |
2,35 |
3,12 |
||||||||||||||||||||||||||||||||||
| Сварка (S пасп =64 кВА) |
1 |
17,05 |
17,05 |
0,35 |
0,55/1,51 |
5,97 |
9,01 |
||||||||||||||||||||||||||||||||||
| Итого |
7 |
7,8 |
54,75 |
>3 |
0,27 |
0,57/1,44 |
14,92 |
20,91 |
6 |
1,88 |
28,05 |
23 |
|||||||||||||||||||||||||||||
| Вентиляторы (сантех.) |
2 |
5 |
10 |
0,65 |
0,8/0,75 |
6,5 |
4,87 |
6,5 |
4,87 |
||||||||||||||||||||||||||||||||
| Итого: силовые электроприемники |
9 |
64,75 |
21,42 |
25,78 |
34,55 |
24,87 |
|||||||||||||||||||||||||||||||||||
| осветительные |
8,96 |
6,27 |
6,27 |
||||||||||||||||||||||||||||||||||||||
| Всего по механической мастерской |
73,71 |
27,69 |
25,78 |
40,82 |
27,87 |
49,42 |
76,17 |
||||||||||||||||||||||||||||||||||
| Прием с автотранспорта и приемная башня |
|||||||||||||||||||||||||||||||||||||||||
| Автомобилеразгрузчик |
6 |
18 |
108 |
0,35 |
0,55/1,51 |
37,8 |
57,08 |
||||||||||||||||||||||||||||||||||
| Нории, транспортеры |
6 |
10,6 |
64 |
0,6 |
0,7/1 |
38,4 |
38,4 |
||||||||||||||||||||||||||||||||||
| Итого |
12 |
14,33 |
172 |
>3 |
0,44 |
0,62/1,25 |
76,2 |
95,48 |
12 |
1,32 |
100,58 |
95,48 |
|||||||||||||||||||||||||||||
| ентиляторы (асп.) |
2 |
4 |
8 |
0,65 |
0,8/0,75 |
5,2 |
3,9 |
5,2 |
3,9 |
||||||||||||||||||||||||||||||||
| Итого: силовые электроприемники |
14 |
180 |
81,4 |
99,38 |
105,78 |
99,38 |
145,14 |
||||||||||||||||||||||||||||||||||
| осветительные |
3,3 |
2,6 |
2,6 |
||||||||||||||||||||||||||||||||||||||
| Всего по ПБ |
183,3 |
94,0 |
99,38 |
108,38 |
99,38 |
147,04 |
223,67 |
||||||||||||||||||||||||||||||||||
| Насосная |
|||||||||||||||||||||||||||||||||||||||||
| Насосы |
2 |
10 |
20 |
0,7 |
0,8/0,75 |
14 |
10,5 |
14 |
10,5 |
17,5 |
|||||||||||||||||||||||||||||||
| Освещение |
0,6 |
0,5 |
0,5 |
||||||||||||||||||||||||||||||||||||||
| Всего |
20,6 |
14,5 |
10,5 |
14,5 |
10,5 |
17,9 |
27 |
||||||||||||||||||||||||||||||||||
| Столовая |
|||||||||||||||||||||||||||||||||||||||||
| Электрические печи |
3 |
5 |
15 |
0,6 |
0,95/0,33 |
9 |
2,97 |
||||||||||||||||||||||||||||||||||
| Водогрейный бак |
1 |
13 |
13 |
0,7 |
0,95/0,33 |
9,1 |
3 |
||||||||||||||||||||||||||||||||||
| Итого: силовые электроприемники |
4 |
7 |
28 |
<3 |
0,65 |
0,95/0,33 |
18,1 |
5,97 |
4 |
1,4 |
25,34 |
6,56 |
|||||||||||||||||||||||||||||
| осветительные |
6,2 |
5,6 |
5,6 |
||||||||||||||||||||||||||||||||||||||
| Всего |
34,2 |
23,7 |
5,97 |
30,94 |
6,56 |
31,63 |
48,11 |
||||||||||||||||||||||||||||||||||
| Осветительные электроприемники по позициям 1, 4, 5, 8, 10, 15, 18, 24 генплана и территории |
133,9 |
133,46 |
125,06 |
||||||||||||||||||||||||||||||||||||||
| Всего на стороне НН без компенсации |
3224 |
0,61 |
196,38 |
1587,67 |
2273,9 |
1602,4 |
2781,8 |
4231,62 |
|||||||||||||||||||||||||||||||||
1.4 Определение расчетной нагрузки по району электроснабжения
в целом
Определим расчетные нагрузки методом упорядоченных диаграмм. Для этого суммируем количество фактически установленных рабочих приемников предприятия, их номинальные мощности, выбираем номинальную мощность наибольшего приемника, выбираем средневзвешанный коэффициент использования, характерный для данной отрасли предприятия, вычисляем средние нагрузки узла, определяем n э и Км , а затем Pp и QP . Суммируем установленные мощности и расчетные нагрузки. Суммируем расчетные активные и реактивные потери мощности в рабочих трансформаторах, входящих в узел.
Потери мощности трансформаторов ТП предприятий ориентировочно принимаем равными
,
.
.
Для узла элеватор – МИС
PP =2273,9 кВт; QP = 1602,45 квар; PP . O = 242,33 кВт.
Тогда
кВА;
= 0,02× 2681,87 = 55,78 кВт;
= 0,1× 2681,87 = 287,91 квар.
Аналогичный расчет производим для остальных предприятий. Данные расчетов заносим в таблицу 1.3.
Суммарные расчетные нагрузки промышленных потребителей равны:
кВт;
квар.
Суммарные нагрузки трансформаторных подстанций городской распределительной сети, по данным районных электрических сетей, составляют: по РП-8 РТ = 6500 кВт;
по РП-5 РТ = 4200 кВт;
по ТП-6 РТ = 3700 кВт.
При определении полной мощности распределительных пунктов напряжением 10 кВ в период максимума нагрузки коэффициент мощности принимаем равным 0,93, соответственно tg w = 0,39. Тогда реактивные наргузки составляют по РП-8 Q Т = 2535 квар;
по РП-5 Q Т = 1638 квар;
по ТП-6 Q Т = 1554 квар.
Расчетные нагрузки распределительных пунктов определяем по формуле:
,
где
- расчетная нагрузка i
-
го трансформатора трансформаторной подстанции, присоединенный к данному элементу сети;
- коэффициент, учитывающий совмещение максимумов нагрузок, указанных трансформаторов.
При n
т
= 6 ¸ 10
= 0,8
Для РП-8 PP = 0,8 . 6500 = 5200 кВт, Q Р = 2028 квар.
Для РП-5 PP = 0,8 . 4200 = 3360 кВт, Q Р = 1310,4 квар.
Для ТП-6 PP = 0,9 . 3700 = 3330 кВт, Q Р = 1298,7 квар.
Суммарные расчетные активные и реактивные нагрузки по городской распределительной сети равны:
кВт;
квар.
Суммарные расчетные нагрузки по району электроснабжения в целом составляют:
= 26644, 8 × 0,9 = 23980,32 кВт;
= 16980,4 × 0,9 = 15282,36 квар,
где 0,9 – коэффициент одновременности максимумов нагрузок промышленных и коммунально-бытовых потребителей.
Необходимая мощность компенсирующих устройств по району в целом определяем по формуле:
,
где
= 0,64 (cos
j
= 0,84) – расчетное значение
= 0,39 (cos
j
= 0,93) – нормативный коэффициент, заданный энергоснабжающей организацией.
Qk . y = 23980,32 (0,64 – 0,39) = 5995,08 квар.
В качестве компенсирующих устройств принимаются батареи статических конденсаторов, суммарные потери активной мощности которых составляют 0,2 % от
.
D Р k . y = 11,99 кВт.
Общая активная мощность с учетом компенсирующих устройств
Р = (РР + D Р k . y ) = 23980,32 + 12 = 23982,32 кВт.
Расчетная нагрузка на шинах НН ПГВ (ГПП) с учетом компенсации реактивной мощности
кВА
Потери мощности в трансформаторах ГПП
= 0,02 × 25727,125 = 514,54 кВт;
= 0,1× 25727,125 = 2572,71 квар.
Полная расчетная мощность на стороне ВН ГПП:

Расчетный ток на шинах ВН ГПП
А.
Таблица 1.3 – Определение расчетных нагрузок по предприятиям
| Исходные данные |
Расчетные данные |
|||||||||||||||||||||||||||||||
| Наименование предприятия |
n |
P уст , кВт |
å Р , кВт |
Ки |
|
Рсм , кВт |
Q см , квар |
n э |
KM |
Pp , кВт |
Q Р , квар |
SP , кВА |
||||||||||||||||||||
| 1 |
2 |
3 |
4 |
5 |
6 |
7 |
8 |
9 |
10 |
11 |
12 |
13 |
||||||||||||||||||||
| 2 цех элеватора – МИС |
||||||||||||||||||||||||||||||||
| Силовая нагрузка |
359 |
0,6-75 |
2952,35 |
0,58 |
0,74/0,91 |
1720,46 |
1576,9 |
79 |
1,18 |
2273,9 |
1602,45 |
2781,87 |
||||||||||||||||||||
| Осветительная |
285,8 |
242,3 |
242,3 |
|||||||||||||||||||||||||||||
| Итого на стороне НН |
3238,2 |
1962,79 |
1576,96 |
2282,87 |
1602,45 |
2789,87 |
||||||||||||||||||||||||||
| Потери в трансформаторе |
55,78 |
287,91 |
||||||||||||||||||||||||||||||
| Итого на стороне ВН |
2338,65 |
1890,36 |
3007,11 |
|||||||||||||||||||||||||||||
| Завод Молмаш (ТП-2) |
||||||||||||||||||||||||||||||||
| Силовая нагрузка |
98 |
4,0-60 |
1300 |
0,35 |
0,85/0,62 |
455 |
282,1 |
43 |
1,18 |
536,9 |
282,1 |
606,49 |
||||||||||||||||||||
| Осветительная |
20 |
17 |
17 |
|||||||||||||||||||||||||||||
| Итого на стороне НН |
1320 |
472 |
282,1 |
553,9 |
282,1 |
621,59 |
||||||||||||||||||||||||||
| АРЗ |
||||||||||||||||||||||||||||||||
| Силовая нагрузка |
395 |
1,5-40 |
1725 |
0,25 |
0,76/0,86 |
431,25 |
370,8 |
86 |
1,18 |
508,87 |
370,87 |
|||||||||||||||||||||
| Осветительная нагрузка |
193 |
464,05 |
164,05 |
|||||||||||||||||||||||||||||
| Итого на стороне НН |
1918 |
595,3 |
370,8 |
672,92 |
370,87 |
768,35 |
||||||||||||||||||||||||||
| Потери в трансформаторе |
15,36 |
76,83 |
||||||||||||||||||||||||||||||
| Итого на стороне ВН |
688,28 |
447,71 |
821,08 |
|||||||||||||||||||||||||||||
| МЭЗ |
||||||||||||||||||||||||||||||||
| Силовая нагрузка |
325 |
2,2-55 |
3540 |
0,55 |
0,7/1,02 |
1947 |
1885,9 |
128 |
1,08 |
2144,81 |
1985,94 |
|||||||||||||||||||||
| Осветительная |
61,90 |
309,54 |
||||||||||||||||||||||||||||||
| Итого на стороне ВН |
2436,21 |
2295,48 |
3347,29 |
|||||||||||||||||||||||||||||
| ФСК |
||||||||||||||||||||||||||||||||
| Силовая нагрузка |
238 |
2,2-60 |
2685 |
0,54 |
0,73/0,93 |
1417,5 |
1318,27 |
87 |
1530,8 |
1318,27 |
2128,51 |
|||||||||||||||||||||
| Осветительная |
1720 |
1634 |
1634 |
|||||||||||||||||||||||||||||
| Итого на стороне НН |
2790 |
1557,7 |
1318,27 |
1671,15 |
1318,27 |
2128,51 |
||||||||||||||||||||||||||
| Потери в тарнсформаторе |
42,57 |
212,85 |
||||||||||||||||||||||||||||||
| Итого на стороне ВН |
1713,72 |
1531,12 |
2298,07 |
|||||||||||||||||||||||||||||
| БиКЗ |
||||||||||||||||||||||||||||||||
| Силовая нагрузка |
1820 |
4-320 |
8640 |
0,45 |
0,68/1,08 |
3888 |
4199,04 |
54 |
1,1 |
4276,8 |
4199,04 |
|||||||||||||||||||||
| Осветительная |
1720 |
1634 |
1634 |
|||||||||||||||||||||||||||||
| Итого на стороне НН |
10360 |
5544 |
4199,04 |
5910,8 |
4199,04 |
7250,48 |
||||||||||||||||||||||||||
| Потери в трансформаторе |
145,01 |
725,05 |
||||||||||||||||||||||||||||||
| Итого на стороне ВН |
6055,8 |
4924,09 |
7805,09 |
|||||||||||||||||||||||||||||
| Элеватор (3 цех) |
||||||||||||||||||||||||||||||||
| Силовая нагрузка |
297 |
2-40 |
2210 |
0,61 |
0,8/0,75 |
1348,1 |
1011,07 |
110 |
1,07 |
1442,47 |
1011,07 |
|||||||||||||||||||||
| Потери в тарнсформаторе |
12,42 |
62,16 |
||||||||||||||||||||||||||||||
| Итого на стороне ВН |
566,32 |
344,26 |
662,74 |
|||||||||||||||||||||||||||||
| МСК |
||||||||||||||||||||||||||||||||
| Силовая нагрузка |
211 |
4-32 |
2205 |
0,42 |
0,75/0,88 |
926,1 |
814,97 |
138 |
1,06 |
981,66 |
814,97 |
|||||||||||||||||||||
| Осветительная |
210 |
178,5 |
178,5 |
|||||||||||||||||||||||||||||
| Итого на стороне НН |
2415 |
1104,6 |
814,97 |
1160,16 |
814,97 |
1417,79 |
||||||||||||||||||||||||||
| Потери в трансформаторе |
28,35 |
141,78 |
||||||||||||||||||||||||||||||
| Итого на стороне ВН |
1188,51 |
956,75 |
1525,75 |
|||||||||||||||||||||||||||||
| Молмаш (ТП-1 ) |
670 |
2,0-80 |
3970 |
0,35 |
0,85/0,62 |
1389,5 |
861,49 |
99 |
1,1 |
1528,45 |
861,49 |
|||||||||||||||||||||
| Осветительная нагрузка |
180 |
171 |
171 |
|||||||||||||||||||||||||||||
| Итого на стороне НН |
4150 |
1560,5 |
861,49 |
1699,45 |
861,49 |
1905,3 |
||||||||||||||||||||||||||
| Потери в трансформаторе |
38,1 |
190,53 |
||||||||||||||||||||||||||||||
| Итого на стороне ВН |
1737,55 |
1052,02 |
2031,21 |
|||||||||||||||||||||||||||||
Продолжение таблицы 1.3
| 1 |
2 |
3 |
4 |
5 |
6 |
7 |
8 |
9 |
10 |
11 |
12 |
13 |
| Осветительная |
155 |
131,75 |
131,75 |
|||||||||
| Итого на стороне НН |
2365 |
1479,8 |
1011,07 |
1574,22 |
1011,07 |
1870,94 |
||||||
| Потери в трансформаторе |
37,42 |
187,09 |
||||||||||
| Итого на стороне ВН |
1611,64 |
1198,16 |
2008,22 |
|||||||||
| Итого промышленные |
||||||||||||
| Потребители на стороне НН |
32366 |
16453,3 |
12320,7 |
14754,6 |
12343,3 |
19236,9 |
||||||
| Городская распределительная сеть |
11890 |
4637,1 |
12762,2 |
|||||||||
| Всего по району на стороне НН бе компенсации с учетом Код = 0,9 |
23980,3 |
15282,34 |
28436 |
|||||||||
| с учетом компенсации |
23992,3 |
9287,28 |
25727,12 |
|||||||||
| Потери в трансформаторе ГПП |
514,5 |
2572,7 |
||||||||||
| Всего на стороне ВН ГПП |
24306,8 |
11860 |
27225,8 |
2 Определение центра электрических нагрузок
2.1 Картограмма нагрузок
Геометрическое изображение средней интенсивности распределения нагрузок на картограмме выполняем с помощью окружностей. В качестве центра окружности выбираем центр электрической нагрузки (ЦЭН) приемника электроэнергии нагрузок. В данном случае предполагаем, что центры нагрузок совпадает с месторасположением ТП и РП потребителей.
Значение радиуса круга находим из условия равенства расчетной мощности
площади круга
(2.1)
где
- радиус круга, мм;
- масштаб, кВт/мм;
, отсюда
(2.2)
Силовые и осветительные нагрузки изображаем в виде сектора круга. Угол сектора a определяем из соотношения активных расчетных и осветительных нагрузок предприятия.
Выбираем масштаб m =1 кВт/мм2 . Расчетные значения приведены в таблице 2.1.
Таблица 2.1 – Определение центра электрических нагрузок
| № по генплану |
|
|
|
|
|
|
| 1 |
2 |
3 |
4 |
5 |
6 |
7 |
| 1 |
2338,65 |
204 |
788 |
27 |
715627 |
1842856 |
| 2 |
566,32 |
1034 |
914 |
13 |
585574 |
517616 |
| 3 |
1188,51 |
1274 |
940 |
19 |
151416 |
117199 |
| 4 |
5200 |
900 |
930 |
41 |
7020000 |
4836000 |
| 5 |
1737,55 |
1300 |
580 |
23 |
2258815 |
1007779 |
| 6 |
688,28 |
1080 |
600 |
15 |
743342 |
412968 |
| 7 |
1713,72 |
1090 |
160 |
23 |
1867954 |
274195 |
| 8 |
6055,81 |
650 |
480 |
44 |
3936276 |
2906788 |
| 9 |
1611,64 |
466 |
358 |
23 |
751024 |
576967 |
| 10 |
2436,21 |
420 |
60 |
28 |
1023208 |
146160 |
| 11 |
3330 |
124 |
340 |
33 |
412920 |
1132200 |
На генплане района произвольно наносим оси координат. Координаты ЦЭН района определяем по формулам:
(2.3)
![]()
(2.4)
2.2 Определение центра зоны рассеяния
Каждый приемник электроэнергии (ТП, РП, промышленное предприятие) работают в соответствии со своим графиком нагрузки. Нагрузки приемников с течением времени изменяются в соответствии с технологическим процессом производства. Поэтому нельзя говорить о ЦЭН как о стабильной точке, координаты ЦЭН в каждый момент времени будут принимать значение, определенные нагрузками графика.
Рассмотрим приемники электроэнергии района электроснабжения, для каждого приемника существуют графики нагрузок
, тогда координаты ЦЭН являются значениями функции времени:
(2.5)
![]()
(2.6)
Эти функции описывают перемещения ЦЭН, значения их, вычисленные в дискретные моменты времени t =1, 2, 3…24Т, образуют множество точек, заполняющих некоторую область, которую называют зоной рассеяния ЦЭН.
3 Выбор числа и мощности трансформаторов
потребителей с учетом компенсации реактивной мощности
Выбор оптимальной мощности низковольтных батарей конденсаторов (НБК) осуществляется одновременно с выбором трансформаторов потребителей электрической энергии, т.е. при выборе числа и мощности трансформаторов должен решаться вопрос об экономически целесообразной мощности реактивной энергии, передаваемой через трансформатор в сеть напряжением 0,4 кВ.
Рассчитаем мощность трансформаторов, устанавливаемых на подстанции 2 цех элеватора – МИС, при числе трансформаторов N равное 2.
Определяем мощность трансформаторов по формуле:
, (3.1)
где
- число трансформаторов,
- коэффициент загрузки трансформаторов; принимаем
равным 0,7 (для потребителя 2-й категории).
кВА
Принимаем к установке два трансформатора мощностью
кВА.
Находим реактивную мощность, которую можно предать через трансформаторы в сеть 0,4 кВ.
квар (3.3)
Мощность НБК по первому этапу расчета
(3.4)
1577,3 – 1441,677 = 135,623 квар
Определяем дополнительную мощность НБК по условию снижения потерь по формуле
, (3.5)
где
- расчетный коэффициент, зависящий от расчетных параметров Кр1
и Кр2
и схемы питания.
Значение Кр1
зависит от удельных потерь, приведенных затрат на НБК и потерь активной мощности. Значение Кр1
принимаем по таблице [4] равным15. Значение Кр2
принимаем по таблице равным 10. В зависимости от выбранных Кр1
и Кр2
по кривым определяем значение
=0,45, тогда
,
т.е.
=1,7, тогда
= 135,6 + 1,7=137,3 кВар.
Расчетную мощность НБК округляем до ближайшей стандартной мощности комплектных конденсаторных установок (ККУ). Принимаем к установке ККУ типа ККУ-0,38-1-150 НУЗ левого и правого исполнения вводных ячеек суммарной мощности
кВар.
Реактивная нагрузка, отнесенная на шины НН ГПП с учетом потерь в трансформаторах составит:
= 1577,3 - 150 + 13,6 = 1440,9 кВар (3.6)
Аналогичный расчет проведен для всех предприятий района. Данные расчетов занесены в таблицу 3.1.
Согласно исходным данным для РП-8, РП-5, ТП-6 установка БК не требуется.
Суммарная реактивная нагрузка на шинах НН ГПП составит:
(3.7)
=1440,9 + 280,97 + 359,19 + 246,1 + 260,87 + 516,27 +
+ 1597,44 + 503,07 + 1523,94 = 6729,05 кВар
= 2028 + 1310,4 + 1298,7 = 4637,1 кВар
(3.8)
= 6729,05 + 4637,1 = 11356,15 кВар
Это удовлетворяет условию поддержания коэффициента мощности района на уровне cos j = 0,93.
Следовательно, установка высоковольтных батарей конденсаторов не требуется.
Таблица 3.1 – Расчет мощности трансформаторов потребителей и конденсаторных установок
| Потребители |
кВА |
|
b |
|
принятая, квар |
квар |
квар |
| 2 цех – МИСС |
1600 |
2 |
0,7 |
136 |
150 |
1577,3 |
1430,9 |
| МСК |
630 |
2 |
0,8 |
66 |
600 |
814,97 |
280,97 |
| МОЛМАШ ТП-1 |
1000 |
2 |
0,8 |
98 |
600 |
861,49 |
359,49 |
| МОЛМАШ ТП-2 |
630 |
1 |
0,9 |
39 |
75 |
282,1 |
246,1 |
| АРЗ |
400 |
2 |
0,77 |
40 |
150 |
370,87 |
260,87 |
| ФСК |
1000 |
2 |
0,8 |
98 |
900 |
1318,27 |
516,27 |
| БиКЗ |
630 |
13 |
0,7 |
364 |
2620 |
3853,44 |
1597,44 |
| 3 цех (элеватор) |
1000 |
2 |
0,75 |
92 |
600 |
1011,07 |
503,07 |
| МЭЗ |
1600 |
2 |
0,8 |
138 |
600 |
1985,94 |
1523,94 |
4 Выбор числа и мощности трансформаторов ГПП
Учитывая наличие потребителей I и II категории надежности, принимаем к установке на ГПП два трансформатора.
Для определения номинальной мощности трансформаторов найдем среднюю нагрузку по суточному графику в соответствии с выражением
, (4.1)

Рассчитаем коэффициент y:
, (4.2)
где
- стоимость 1 кВт×ч потерь энергии к.з.
Так как y > 0,1, то мощность трансформаторов выбирается по перегрузочной способности.
На графике выделим типовую часть из условия S пик > S ср и определим коэффициент начальной нагрузки Кз и коэффициент перегрузки Кп ' по формулам:
(4.3)
, (4.4)
где вместо
принимаем среднее значение мощности
.


Полученное значение
меньше, чем 0,9 К
max
= 1,3, поэтому принимаем
= 1,3 и корректируем продолжительность перегрузки по формуле:
(4.5)
Расчет показывает, что уточненные значения Н незначительно отличается от определенного Н’ по графику, поэтому в дальнейшем будем считать, что Н =14.
По полученным значениям
= 0,59 и Н
= 14 по графику [5] определяем допустимое значение перегрузки Кп
= 1,05.
Определим номинальную мощность трансформатора в соответствии с формулой:
кВА (4.6)
На основании выполненного расчета принимаем к рассмотрению два варианта трансформаторов: вариант 1 – трансформаторы номинальной мощностью 16000 кВА, вариант 2 – с номинальной мощностью25000 кВА.
Проверим возможность перегрузки намеченных трансформаторов при выходе из строя одного из них.
Вариант 1. При отключении одного трансформатора мощностью 16000 кВА оставшийся в работе трансформатор сможет пропустить мощность, равную 1,4 SH = 1,4×16000 = 22400 кВА, т.е. 76% всей потребляемой районом мощности.
Коэффициент 1,4 учитывает допустимую предельную перегрузку трансформатора в аварийном режиме.
Вариант 2. При отключении одного трансформатора мощностью 25000 кВА оставшийся в работе может пропускать мощность, равную 1,4 SH Т2 = 1,4×25000 = 35000 кВА, т.е. всю потребляемую районом мощность.
5 Расчет токов короткого замыкания
5.1 Расчет токов короткого замыкания в электроустановках
выше 1000 В
Питание потребителей осуществляется от системы бесконечной мощности.
Расчет выполнен в базисных единицах. Принимаем за базисные единицы номинальную мощность трансформатора районной подстанции
МВА и Иб
=115 кВ.
Находим базисный ток:
кА (5.1)
Составляем схему замещения и нумеруем ее элементы в порядке их расположения от системы бесконечной мощности в направлении к точкам к.з.
Определяем в соответствии с таблицей сопротивления элементов схемы замещения в базисных единицах.
Трансформатор Т1
(5.2)
(5.3)
линия ВЛ-110
(5.4)
где
- протяженность линии, км.
К расчету токов к.з.
|
|
SC = ∞ Xc = 0 220 кВ 125 МВА 220/110 DPк = 315 кВт Ur = 11% 115 кВ ВЛ ry = 0, 26 Ом/км xy = 0,4 Ом/км К1 115 кВ 25 МВА 110/10 DPк = 120 кВт Ur = 10,5% К2 10,5 кВ КЛ ry = 0,320 Ом/км xy = 0,08 Ом/км К3 10,5 кВ 1,6 МВА DPк = 18 кВт Ur = 5,5% |
|
К1
К2 К3 |
|
Рисунок 1 – Расчетная схема |
Рисунок 2 – Схема замещения |
|||
(5.5)
где x уд – удельное реактивоное сопротивление на 1 км длины линии Ом/км;
- активное сопротивление на 1 км длины линии, определяемое как
(5.6)
где
- удельная проводимость проводов, принимаемое равным 32 м/Ом×мм2
по справочным данным;
- сечение проводов, равное 120 мм2
. Тогда
Ом/км

Суммарное сопротивление для точки К1
![]()
![]()
Т.к.
, активное сопротивление не учитывается.
Таким образом
кА (5.7)
Ударный ток в рассматриваемой точке составит
кА, (5.8)
где
- ударный коэффициент.
Для точки короткого замыкания
принимаем U
б
=10,5 кВ, S
б
=125 МВА
кА
![]()

С учетом влияния сопротивления нагрузки x нагр = 1,2 суммарное сопротивление до точки К 2 составит:
(5.9)
(5.10)
кА (5.11)
кА
МВА (5.12)
Для точки короткого замыкания расчетные точки достаточно взять на шинах ГПП (точка К 2), т.к. протяженность линии незначительна (l = 0,84 км).
Для расчета заземлания ГПП (К
1) необходимо определить ток однородного к.з. в точке К
1. Для этого составляем схему нулевой последовательности до точки К
1, в которую войдет лишь линия 110 кВ своим индуктивным сопротивлением. Сопротивление нулевой последовательности линии определяется из соотношения
[7]. Отсюда
= 3
, где
Ом,
= 3×2 = 6 Ом.
Сопротивление трансформатора 125 МВА в именованных единицах равно
Ом (5.13)
Ом.
Результирующее сопротивление схем обратной и прямой последовательности равны
=
=14 Ом
Ток однофазного к.з. в точке К 1 составит:
кА (5.14)
5.2 Расчет токов короткого замыкания в электроустановках до 100
В элеватора
Расчет токов к.з. в сети напряжением 0,4 кВ выполняем в именованных единицах. Все элементы сети на стороне ВН трансформатора рассматриваются как источник неограниченной мощности. Работа трансформаторов предприятия раздельная. Сопротивление элементов схемы высшего напряжения до трансформатора предприятия в именованных единицах составляет
Ом,
= 0,07 Ом.
Приводим сопротивление ситемы электроснабжения к напряжению 0,4 кВ
мОм (5.15)
мОм (5.16)
Определяем сопротивление трансформаторов предприятия
мОм (5.17)
мОм (5.20)
Рассчитаем ток к.з. в точке К 1 (рисунок 2) на вводе низшего напряжения ТП.
Суммарное реактивное сопротивление равно
мОм (5.21)
Суммарное сопротивление активное (кроме сопротивлений элементов системы электроснабжения высшего напряжения и трансформатора ТП) должно учитывать переходные сопротивления контактов. Для этой цели в расчет вводим добавочное сопротивление, которое на шинах подстанции составит 15 мОм.
мОм (5.22)
Ток в точке К 1 равен:
кА (5.23)
Ударный ток в точке К 1
кА (5.24)
Аналогично рассчитываем ток к.з. в других точках цеховой сети, при этом учитываем сопротивление контактов. Результаты расчетов приведены в таблице 5.1.
Таблица 5.1 – Расчетные значения токов к.з. в низковольтной сети
| Точка |
xS , мОм |
rдоб , мОм |
rS , мОм |
IК , кА |
iуд , кА |
| К 2 |
13,22 |
20 |
70,23 |
3,23 |
4,56 |
| К 3 |
13,22 |
20 |
70,23 |
3,23 |
4,56 |
| К 4 |
13,22 |
20 |
70,23 |
3,23 |
4,56 |
| К 5 |
13,22 |
20 |
70,23 |
3,23 |
4,56 |
| К 6 |
9,72 |
25 |
98,83 |
2,32 |
3,28 |
| К 7 |
8,58 |
25 |
71,33 |
3,21 |
4,53 |
| К 8 |
9,11 |
25 |
67,83 |
3,38 |
4,76 |
| К 9 |
5,71 |
25 |
42,83 |
5,35 |
7,5 |
| К 10 |
13,22 |
20 |
70,23 |
3,23 |
4,56 |
| К 11 |
13,22 |
20 |
70,23 |
3,23 |
4,56 |
| К 12 |
10,21 |
25 |
75,53 |
3,03 |
4,28 |
| К 13 |
13,11 |
20 |
69,73 |
3,24 |
4,57 |
| К 14 |
13,22 |
25 |
116,83 |
1,96 |
2,77 |
| К 15 |
8,9 |
25 |
53,94 |
4,23 |
5,96 |
К расчету току к.з.

Рисунок 3
6 Выбор и проверка оборудования
6.1 Выбор высоковольтных кабелей для распределительной
сети напряжением 10 кВ
Передачу электроэнергии от источника до приемного пункта осуществляем кабельными линиями. Сечение жил кабелей выбираем по техническим и экономическим условиям.
Начальное условие – соответствие выбранного номинального питающего напряжения 10 кВ напряжению устанавливаемого оборудования, в данном случае кабельных линий.
(6.1)
Далее, согласно ПУЭ, определяем экономическое сечение в зависимости от экономической плотности тока по формуле
(6.2)
где
- максимальный расчетный ток линии при нормальной работе сети;
- экономическая плотность тока, А/мм2
, определяемая в зависимости от материала и времени использования максимальной нагрузки.
Расчетный ток линии принимаем при нормальной нагрузки без учета повышенной нагрузки при авариях и ремонтах. полученное сечение проводника округляем до ближайшего стандартного значения.
Выбираем сечение кабеля для питания трансформаторной подстанции 3 цеха элеватора с учетом транзитной мощности, потребляемой вторым цехом и МИС.
Максимальная нагрузка составит S = 4276,55 кВА. Токовая нагрузка между питающими кабелями распределяется поровну. Продолжительность использования максимальной нагрузки 4500 часов.
Определяем расчетный ток нагрузки
А (6.3)
Расчетный ток на один кабель
А
Для кабеля с бумажной изоляцией и алюминиевыми жилами
= 1,4 А/мм2
определяем экономическое сечение кабеля
=88 мм2
.
Принимаем ближайшее стандартное значение 95 мм2 . Длительно допустимый ток по нагреву для кабеля 95 мм2 , лежащего в земле составит I доп = 205 А. Введем поправочные коэффициенты на число кабелей, лежащих в одной траншее.
I доп.к = 205×0,9 = 184,5 А
I 1 = 126,3 А Следовательно, сечение кабелей, выбранное по экономической полотности тока, проходит по условию нагрева.
Выбранное сечение проверяем на термическую устойчивость к току переходного к.з. по формуле:
, (6.4)
где
- установившееся значение тока к.з. принимаем равным 4,57 кА;
- приведенное время к.з., равное 0,59 с;
- температурный коэффициент, учитывающий ограничение допускаемой температуры нагрева жил кабеля принимаем 95 А/мм2
.
![]()
мм2
.
Коэффициент предварительной нагрузки:
(6.5)
В аварийном режиме, при выходе одного кабеля из строя, и на время ликвидации аварии допускается перезагрузка в течении 5 суток в пределах до 6 часов составляющая 1,25. Допустимый ток нагрузки линии с учетом перегрузки
А (6.6)
Это составляет 93% от
в аварийном режиме, т.е. в аварийной ситуации предприятию необходимо в часы максимума предусмотреть снижение нагрузки на 7%.
Выбор остальных кабелей проводим аналогично. Результаты расчетов приведены в таблице 6.1.
В предполагаемом варианте электроснабжения для всех трасс принимаем к прокладке кабель марки ААШВ .
Таблица 6.1 – Выбор кабелей и способ их прокладки
| Наименование линий |
Протя- женность трассы, м |
Нормальный режим |
Аварийный режим |
Способ прокладки |
Поправочный коэффициент |
Сечение по термической устойчивости |
Сечение по условию Sэк =Iр /jэк |
Марка кабеля |
Iдоп ,, А |
Iдоп.перег. , А |
||
| S, кВА |
IН , А |
S, кВА |
IН , А |
|||||||||
| 1 |
2 |
3 |
4 |
5 |
6 |
7 |
8 |
9 |
10 |
11 |
12 |
13 |
| ГПП – 3 цех |
328 |
2138,27 |
123,6 |
4047,2 |
230,6 |
Траншея |
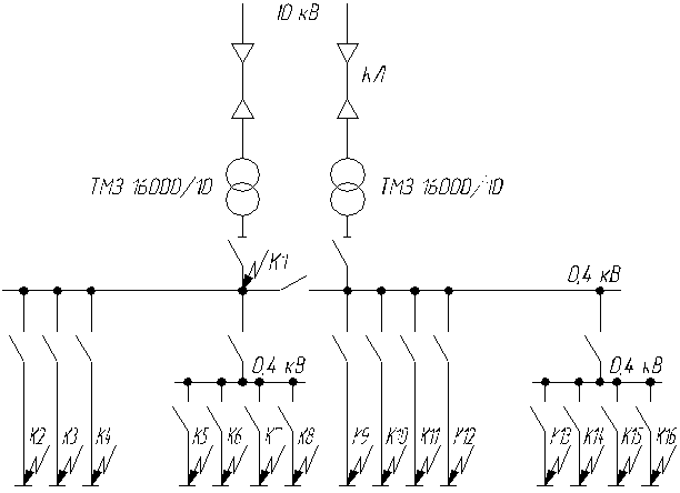
0,9 |
62,64 |
88,28 |
ААШв 2(3´95) |
184,5 |
230,62 |
| 3 цех – 2 цех |
512 |
1274,47 |
73,67 |
2548,95 |
147,34 |
Траншея |
0,9 |
62,64 |
52,62 |
ААШв 2(3´50) |
126 |
157,5 |
| ГПП – МСК |
1276 |
647,09 |
37,4 |
1294,19 |
74,81 |
Кабельный канал - траншея |
0,75 |
62,64 |
26,7 |
ААШв 2(3´50) |
105 |
131,25 |
| ГПП – РП8 |
1338 |
90,66 |
161,31 |
5581,47 |
322,63 |
Кабельный канал – траншея |
0,75 |
62,64 |
115,22 |
ААШв 2(3´240) |
266,25 |
332,81 |
| ГПП – МОЛМАШ (ТП - 1) |
858 |
1253,88 |
72,48 |
2507,76 |
144,96 |
Кабельный канал – траншея |
0,75 |
62,64 |
51,77 |
ААШв 2(3´50) |
105 |
131,25 |
| ТП-1 – ТП-2 МОЛМАШ |
548 |
308,2 |
17,82 |
616,71 |
35,65 |
Траншея |
0,9 |
62,64 |
12,72 |
ААШв 2(3´50) |
126 |
157,5 |
| ГПП – АРЗ |
718 |
367,52 |
21,24 |
735,05 |
42,49 |
Траншея |
0,75 |
62,64 |
15,17 |
ААШв 2(3´50) |
105 |
131,25 |
| ГПП – ФСК |
518 |
976,48 |
56,44 |
1952,97 |
112,89 |
Кабельный канал – траншея |
0,75 |
62,64 |
40,31 |
ААШв 2(3´50) |
105 |
131,25 |
| ГПП – БиКЗ |
244 |
3235,44 |
187,02 |
6470,88 |
374,04 |
Траншея |
0,75 |
62,64 |
133,58 |
ААШв 2(3´240) |
319 |
399,37 |
| ГПП – МЭЗ |
406 |
1276,1 |
73,76 |
2552,2 |
147,53 |
Траншея |
0,75 |
62,64 |
52,68 |
ААШв 2(3´50) |
105 |
131,25 |
| ГПП – ТП6 |
700 |
1803,24 |
104,38 |
3606,48 |
208,77 |
Траншея |
0,75 |
62,64 |
74,55 |
ААШв 2(3´95) |
153,75 |
192,18 |
| ГПП – РП5 |
80 |
1787,14 |
103,3 |
3574,28 |
206,61 |
траншея |
0,9 |
62,64 |
73,78 |
ААШв 2(3´95) |
184,5 |
230,62 |
6.2 Выбор высоковольтного оборудования
Условие выбора выключателей, отделителей, короткозамыкателей имеют вид, приведенный в таблице 6.2.
Таблица 6.2 – Условие выбора оборудования
| Наименование |
Условие выбора |
| Номинальное напряжение |
UН ³ UН действ. |
| Номинальный ток |
IН ³ Imax |
| Отключающая мощность |
Sоткл ³ Sоткл. расч. |
| Номинальный ток отключения |
IН.откл ³ Iоткл.расч |
| Ток термической устойчивости |
IН . Т . У . ³ I2 ¥ tф |
| Ток динамической устойчивости |
iуд.доп ³ iуд |
Расчетные данные и параметры выбранных аппаратов приведены в таблице 6.3.
Таблица 6.3 – Выбор оборудования на стороне 110 кВ
| Расчетные величины |
Разъединитель РНД (3)–2–110/1000 |
Отделитель ОД(3) 110 М/630 У1 |
Короткозамыкатель КЗ-110У1 |
| UН = 110 кВ |
110 кВ |
110 кВ |
110 кв |
| IН = 173 А |
1000 А |
630 А |
- |
| iу = 11,74 кА |
80 кА |
80 кА |
51 кА |
| I2 ¥ tф = 43,68 кА |
40 кА |
22 кА |
20 кА |
Так как расчет тока к.з. сделан при условии питания цепи к.з. (точка К 1) от источника неограниченной мощности, то приведенное (фиктивное) время tф равно действующему времени отключения t [5]. Время отключения равно сумме соответственного времени отключения аппаратуры tоткл и минимального времени действия защиты tз
tф = t = tз + tоткл. (6.7)
За величину tз принимаем время действия наиболее быстродействующих типов защиты (от 0,02 до 0,05 с). За расчетное наименьшее время отключения 0,12 с – время действия короткозамыкателя; 0,4 с – время действия отделителя.
tф = 0,05 + 0,12 + 0,4 = 0,57 с.
Тогда I2 tф = 4,92 × 0,57 = 13,68 кА£ I ТУ (6.8)
Для заземления нейтрали трансформаторов устанавливаем однополюсной заземлитель типа ЗОН-110У IН = 400 А; IН.Т.У. = 6,3 кА.
Для защиты изоляции электроустановки от атмосферных перенапряжений выбираем вентильные разрядники типа РВС-110М.
Производим выбор аппаратуры на стороне напряжением 10 кВ. Расчетные данные и параметры выключателей приведены в таблице 6.4.
Таблица 6.4 – Выбор аппаратуры на стороне 10 кВ
| Вводной выключатель ВМПП-10-1000-31,5 |
Секционный выключатель ВМПП-10-630-31,5 |
||
| Расчетные величины |
Допустимые величины |
Расчетные величины |
Допустимые величины |
| UН = 10 кВ |
10 кВ |
UН = 10 кВ |
10 кВ |
| IР = 846,5 А |
1000 А |
IН = 423,2 А |
630 А |
| iу = 33,09 кА |
80 кА |
iу = 33,09 кА |
80 кА |
| I2 tф = 3,13 кА2 ×с |
31,5 кА2 ×с |
I2 ¥ tф = 3,13 кА2 ×с |
31,5 с |
| Sк = 77,85 МВА |
200 МВА |
Sк = 77,85 МВА |
МВА |
tф = 0,05 с (з) + 0,1 с (выкл)
Выключатели поставляются комплексно с камерами КРУ со встроенным приводом.
Таблица 6.5 – Выключатели на отходящие фидера
| Расчетные величины |
Допустимые величины |
| UН = 10 кВ |
10 кВ |
| IН = 100¸200 А |
630 А |
| I2 ¥ tф = 3,13 кА2 ×с |
31,5 |
| iу = 33,09 кА |
80 кА |
| Sк = 77,85 МВА |
200 МВА |
6.3 Выбор трансформаторов тока и напряжения
Измерительные трансформаторы предназначены для уменьшения первичных токов и напряжений наиболее удобных для подключения измерительных приборов, реле защиты, устройств автоматики.
Таблица 6.6 – Условия выбора трансформаторов
| Расчетные параметры цепи |
Каталожные данные трансформатров |
Условия выбора |
| Uуст |
UН |
Uуст £ UН |
| Iраб.ут |
I1Н |
Iраб.ут £ I1Н |
| iу |
Iт. дин кдин |
iу £ Iт. дин iу
£ |
| Вк |
IТ , tТ КТ , I1Н |
Вк £ IТ 2 tТ Вк £ (КТ I1Н )2 tТ |
| Z2 |
Z2Н |
Z2 £ Z2Н |
Трансформаторы тока установлены во всех цепях трансформаторов и линий. Необходимые измерительные приборы выбираются по рекомендациям [1]. Для учета мощности, потребляемой приборами используется табличная форма.
Таблица 6.7 – Расчет S приборов
| Наименование и тип прибора |
Число приборов |
Фаза А |
Фаза В |
Фаза С |
| Амперметр Э-378 |
1 |
0,1 |
0,1 |
0,1 |
| Ваттметр Д-335 |
1 |
0,5 |
- |
0,5 |
| Счетчик активной энергии И-674 |
1 |
3 |
- |
3 |
| Счетчик реактивной энергии И-673 |
1 |
3 |
- |
3 |
| Итого: |
4 |
6,6 |
0,1 |
6,6 |
Из таблицы видно, что наиболее загружены трансформаторы фаз А и С.
Общее сопротивление приборов
Ом (6.9)
где
- вторичный ток прибора, равный 5А.
Предполагаем к установке трансформатор тока ТПЛК 10УЗ-0,5/10Р, UН = 10 кВ, Z2Н = 1,2 Ом, tтер = 3 с, IН1 = 1000 А, ктер = 27.
Допустимое сопротивление проводов
, (6.10)
где
- удельное сопротивление материала. Для алюминия
= 0,0283 Ом/мм2
;
l – расчетная длина приблизительно равная для подстанции 75 м;
g – сечение соединительных проводов.
Ом.
Сопротивление контактов, принимается равным при числе приборов больше 3 – 0,1 Ом.
Сумма вторичных сопротивлений равна r2 = rприб + rпр + rк = 0,26 + 0,53 + + 0,1 = 0,89 Ом.
Условие Z2 £ Z2Н выполняется.
Сравнение остальных условий приведены в табличной форме.
Таблица 6.8 - Расчетные и каталожные данные по выбору трансформатора тока
| Расчетные данные |
Каталожные данные |
| Uуст = 10 кВ |
UН = 10 кВ |
| IРН = 846 А |
IН1 = 1000 А |
| iу = 33,09 кА |
|
| ВК = 3,13 кА2 с |
(КТ IН )2 tТ = (27 × 1)2 × 3 = 2187 кА2 с |
На отходящих фидерах к установке приняты трансформаторы тока ТПЛ-10-0,5/10р, которые встраиваются заводом изготовителем ячейки КРУ.
Трансформаторы напряжения предназначены для питания включенных параллельно катушек измерительных приборов, релейной защиты и приборов контроля изоляции.
Таблица 6.9
| Расчетные данные |
Каталожные данные ТПЛ-10 |
| UН = 10 кВ |
UН = 10 кВ |
| Ip . max = 374 А |
IН = 400 А |
| Z21 = 0, 38 Ом |
Z21 = 0, 38 Ом |
| iу = 33,09 кА |
|
| ВК = 3,13 кА2 с |
(КТ IН1 )2 tТ = (20 × 0,4)2 × 3 = 192 кА |
На стороне 10 кВ РУ закрытой установки, выбираем пятистержневой трансформатор напряжения НАМИ-10; UН = 10 кВ, SН2 = 120 ВА в классе точности 0,5.
Расчет вторичной нагрузки трансформатора напряжения 1 секции приведен в таблице 6.10.
Таблица 6.10 – Вторичная нагрузка трансформатора напряжения
| Прибор |
Тип |
S, ВА |
Число обмоток |
Cos j |
Sin j |
Число приборов |
P, Вт |
Q, Вар |
|
| 1 |
2 |
3 |
4 |
5 |
6 |
7 |
8 |
9 |
|
| Вольтметр (сборные шины) |
Э-335 |
2 |
1 |
1 |
0 |
1 |
2 |
- |
|
| Ваттметр |
Ввод 10кВ от трансформатора |
Д-335 |
1; 5 |
2 |
1 |
0 |
1 |
3 |
- |
| Счетчик активный |
И-674 |
3 Вт |
2 |
0,38 |
0,925 |
1 |
6 |
14,5 |
|
| Счетчик реактив. |
И-673 |
3 Вт |
2 |
0,38 |
0,925 |
1 |
6 |
14,5 |
|
| Счетчик активный |
Линии 10 кВ |
И-674 |
3 Вт |
2 |
0,38 |
||||
| Счетчик реакт. |
И-673 |
3 Вт |
2 |
0,38 |
0,925 |
5 |
30 |
72,9 |
|
Вторичная нагрузка трансформатора напряжения 1 секции
ВА (6.11)
Три трансформатора напряжения, соединенных в звезду имеют мощность 3´120=360 ВА, что больше
. Таким образом, трансформаторы напряжения будут работать в выбранном классе точности 0,5.
Выбор трансформаторов напряжения на остальных секциях аналогичен.
Для защиты трансформатора напряжения выбираем предохранитель ПКТ-10.
6.4 Выбор элементов системы электроснабжения
предприятия элеватор 2 цех – МИС
Сечение жил кабелей напряжением 0,38 кВ выбираем по нагреву длительным током
, (6.12)
где
- поправочный коэффициент на условия прокладки кабелей.
Рассчитанный ток для питания РП1 рабочего здания стендов (РЗС) составляет 748,46 А. Питание осуществляется двумя кабельными линиями. токовая нагрузка на один кабель
= 748,46/2=374,2 А. Так как с увеличением сечения величина охлаждающей поверхности приходящейся на единицу сечения уменьшается, условия охлаждения ухудшаются. Учитывая это, вместо одного кабеля прокладывают два (всего четыре), питающихся из одного автомата. Для кабеля марки АВВГ, предполагаемого к установке сечением 3´185´1´95, длительно длительно допустимый ток составляет 345 А. При замене его на два кабеля той же марки сечением рабочих жил 120 мм2
, длительно допустимый ток с учетом поправочного коэффициента составит I=2´270´0,8=432 А.
Аналогичный расчет проводим для всех линий. Данные расчетов заносим в таблицу 6.11.
Проверим выбранные проводники по потере напряжения согласно формуле:
(6.13)
где
- длина участка линии, км;
- реактивное сопротивление, Ом/км;
x – индуктивное сопротивление проводника, Ом/км;
cos j - коэффициент мощности.
Потеря напряжения в линиях ТП-РП1 составит
В.
Аналогичный расчет проведем для всех питающих линий. Результаты расчетов в таблице 6.11.
На основании расчетных данных таблицы делаем вывод, что потери напряжения на линиях ТП до наиболее удаленного электроприемника в пределах 5%, что соответствует норме [5].
Выбор защитной аппаратуры. На отходящих от щитов низшего напряжения трансформаторной подстанции линиях приняты к установке автоматические выключатели серии АВМ.
Произведем расчет автоматического выключателя, установленного на линии ТП-РП1. Расчетный длительный ток на два присоединяемых кабеля I р = =187,15 × 2 = 374,3 А. Выбираем электромагнитный расцепитель автоматического выключателя АВМ-4И на 400 А из условия I н.а. =400 А > I д.н. =374,3 А.
Кратковременную токовую нагрузку определяем из условия пуска двигателя привода нории мощностью 75 кВт,
I пуск = I н; (6.14)
I двиг = 133×5 = 665 А;
I дл = I р – I дв (6.15)
I дл = 374,32 – 133 = 241,32 А;
I кр = I пуск + I дл = 241,32 + 665 = 906,32 А (6.16)
Выбираем ток срабатывания 1600 А по шкале независимой от тока характеристики (отсечка с выдержкой време6ни), устанавливаем невозможность срабатывания автоматического выключателя при пуске двигателя 75 кВт.
I ср.эл = 1,25 I р (6.17)
1600 А > 1,25 × 906,32 = 1133 А.
Выбираем ток срабатывания 400 А по шкале, зависящей от тока характеристики. Для сетей, не требующих защиты от перегрузки, при токе срабатывания расцепителя автоматического выключателя с регулируемой обратно зависимой от тока характеристикой
I ср.эл = 400 А и Кзащ = 0,66;
I доп = Кзащ I = 0,66 × 400 = 264 А (6.18)
Таблица 6.11 – Выбор кабельных линий
| Линия |
Длина линии, км |
Расчетный ток, А |
Длительный ток, А |
Допустимый ток, А |
r, Ом/км |
x, Ом/км |
|
|
|
| 1 |
2 |
3 |
4 |
5 |
6 |
7 |
8 |
9 |
10 |
| ТП-РП1 |
0,063 |
187,15 |
216 |
0,258 |
0,0602 |
0,7/0,71 |
АВВГ(3´120++1´50) |
18,1 |
4,78 |
| ТП-РП2 |
0,63 |
424,17 |
432 |
0,258 |
0,0602 |
0,7/0,71 |
АВВГ2(3´120+1´50) |
10,2 |
2,68 |
| ТП-РП3 |
0,63 |
473,31 |
552 |
0,167 |
0,0596 |
0,78/0,63 |
АВВГ(3´185++1´95) |
11,45 |
3,01 |
| ТП-РП4 |
0,063 |
172,25 |
216 |
0,89 |
0,0637 |
0,8/0,6 |
АВВГ2(3´95++1´10) |
13,55 |
3,56 |
| ТП-РП5 |
0,046 |
127,62 |
132 |
0,62 |
0,0625 |
0,8/0,6 |
АВВГ2(3´50++1´16) |
5,42 |
1,42 |
| ТП-лаб.корпус |
0,056 |
141,94 |
160 |
0,443 |
0,0612 |
0,87/0,49 |
АВВГ 3´70+ +1´25 |
5,71 |
1,5 |
| ТП-ПБК |
0,009 |
106,89 |
108 |
0,89 |
0,0637 |
0,7/0,69 |
АВВГ 3´35+ +1´10 |
1,11 |
0,29 |
| ТП-РП6 |
0,06 |
403,66 |
432 |
0,258 |
0,0602 |
0,74/0,67 |
АВВГ2(3´120+1´50) |
18,38 |
4,83 |
| ТП-з/сРП7 |
0,074 |
149,2 |
160 |
0,443 |
0,0612 |
0,77/0,64 |
АВВГ 3´70+ +1´25 |
7,78 |
2,04 |
| ТП-с.к.4РП8 |
0,127 |
385,38 |
432 |
0,258 |
0,0602 |
0,71/0,69 |
АВВГ2(120´3+1´150) |
19,1 |
5,01 |
| ТП-мех.мастер |
0,12 |
123,28 |
132 |
0,62 |
0,0625 |
0,66/0,74 |
АВВГ 3´50+ +1´16 |
12,48 |
3,28 |
| ТП-ПБ |
0,054 |
223,67 |
244 |
0,206 |
0,0596 |
0,65/0,76 |
АВВГ 3´150+ +1´75 |
3,74 |
0,98 |
| ТП-насосная |
0,04 |
27 |
30 |
7,74 |
0,095 |
0,8/0,6 |
АВВГ 3´4+ +1´2,5 |
11,67 |
3,07 |
Таблица 6.12 - Расчет автоматических выключателей
| Линия |
Расчетный ток линии, А |
Номинальный ток расцепителя, А |
Установка тока мгновенного срабатывания, А |
Коэффициенты |
Тип выключателя |
|||
| Iдл |
Iкр |
Iрасч |
Iпр |
Iрасч |
Iпр |
Kзащ |
||
| К РП1 |
374,3 |
906,32 |
374,3 |
400 |
1133 |
1600 |
0,66 |
АВМ – 4с |
| К РП2 |
424,17 |
524,97 |
424,17 |
600 |
656 |
4000 |
0,66 |
АВМ – 10с |
| К РП3 |
473,31 |
541,11 |
473,31 |
600 |
676,38 |
4000 |
0,66 |
АВМ – 10с |
| К РП4 |
172,25 |
294,12 |
172,25 |
200 |
367,65 |
1600 |
0,66 |
А372ОБ |
| К РП5 |
127,62 |
167,11 |
127,62 |
200 |
208,88 |
1600 |
0,66 |
А372ОБ |
| К РП-6 |
403,66 |
597,82 |
403,66 |
600 |
747,27 |
4000 |
0,66 |
АВМ – 10с |
| К РП-7 |
149,2 |
205,37 |
149,2 |
400 |
256,71 |
1600 |
0,66 |
АВМ – 4с |
| К РП-8 |
385,38 |
921,1 |
385,38 |
400 |
1141 |
1600 |
0,66 |
АВМ – 4с |
| К лаб. корпус |
141,94 |
163,12 |
141,94 |
200 |
203,9 |
1600 |
0,66 |
А372ОБ |
| К ПБК |
106,89 |
206,87 |
106,89 |
200 |
258,58 |
1600 |
0,66 |
А372ОБ |
| К мех.мастерская |
123,28 |
243,2 |
123,28 |
200 |
304 |
1600 |
0,66 |
А372ОБ |
| К ПБ |
223,67 |
390,67 |
223,67 |
250 |
487,58 |
1600 |
0,66 |
А372ОБ |
| К ПР1 |
548,7 |
660,31 |
548,7 |
800 |
685,87 |
4000 |
0,66 |
АВМ – 10с |
| К ПР2 |
373,67 |
412,3 |
373,67 |
400 |
515,37 |
4000 |
0,66 |
АВМ – 10с |
| Вводные выключатели |
2063,1 |
2971 |
2063,1 |
3000 |
3713,7 |
8000 |
0,66 |
АВМ – 20с |
| Секционный выключатель |
2063,1 |
2971 |
2063,1 |
3000 |
3713,7 |
8000 |
0,66 |
АВМ – 20с |
Условие выполняется. В распределительных пунктах ПР1 и ПР2 устанавливаем выключатели типа А-3700. Расчет уставок выключателей А-3700 аналогичен выше приведенному. Данные расчетов приведены в таблице 6.12.
Определяем расчетные токи продолжительных режимов.
А (6.19)
Определяем максимальный ток с учетом коэффициента перезагрузки
А (6.20)
Выбираем сечение алюминиевых шин по допустимому току, так как шинный мост, соединяющий трансформатор с КРУ, небольшой длины и находится в пределах подстанции. принимаем двухполосные шины 2(60´10) мм2 ; I доп = 2010 А.
По условию нагрева в продолжительном режиме шины проходят Imax = 1139 А < Iдоп = 2010 А.
Проверим шины на термическую стойкость по формуле
мм2
, что меньше принятого сечения.
Проверим шины на механическую прочность. Определим пролет l при условии, что частота собственных колебаний будет больше 200 Гц.
(6.21)
откуда
(6.22)
Если шины положены на ребро, а полосы в пакеты жестко связаны между собой, то по формуле:
J = 0,72b 3 h = 0,72 × 1 × 6 = 4,32 см4 , (6.23)
тогда
(6.24)
м.
Если шины на изоляторах расположены плашмя, то
см4
(6.25)
м2
l < 1,22 м.
Этот вариант расположения шин на изоляторах позволяет увеличить длину пролета до 1,22 м, т.е. дает значительную экономию изоляторов.
Принимаем расположение пакета шин плашмя, пролет 1,2 м, расстояние между фазами а=0,8 м.
Определяем расположение шин между прокладками по формуле:
(6.26)
(6.27)
где
= 7× 106
, модуль упругости материала шин;
см4
(6.28)
- коэффициент формы;
= 2b
= 2 см.
Массу полосы m п на 1 м определяем по сечению g , плотности материала шин (для алюминия 2,7 × 103 кг/см3 ) и длине 100 см.
m п = 2,7 × 103 × 6× 1 × 100 = 1,62 кг/м,
тогда
м
м.
Принимаем меньшее значение
= 0,51 м, тогда число прокладок в пролете равно
(6.29)
принимаем
= 2.
При двух прокладках в пролете расчетный пролет равен
м (6.29)
Определяем силу взаимодействия между полосами по формуле:
Н/м (6.30)
где
= 10 мм.
Напряжение в материале полос определяем по формуле
МПа (6.31)
где
= момент сопротивления шины относительно оси, перпендикулярной действию усилия
см3
(6.32)
Напряжение в материале шин от взаимодействия фаз определяем по формуле:
МПа (6.33)
где
- момент сопротивления пакета шин.
см3
(6.34)
МПа, что меньше s
доп
= 75 МПа. Таким образом, шины механически прочны.
Выбираем опорные изоляторы ОФ-10-2000УЗ F разр = 20000 Н. Сила, действующая на изолятор равна
(6.35)
где a – расстояние между осями полос
а = ап = 26 = 2×0,01 = 0,02
- поправочный коэффициент на высоту шины, принимаем равным 1,03 (
).
Н < 0,6F
разр
= 0,6× 20000 = 12000 Н.
Проходной изолятор выбираем такого же типа.
7 Выбор трансформатора СН
Мощность трансформатора собственных нужд (СН) выбирается по нагрузкам собственных нужд с учетом коэффициента разновременности Кр . Мощность трансформаторов СН на подстанциях без постоянного дежурного персонала должна удовлетворять требованию
(7.1)
По установленной мощности определяем нагрузку собственных нужд. Расчет производим в табличной форме, данные заносим в таблицу 7.1.
Расчетная нагрузка при коэффициенте спроса Rc = 0,75
кВА (7.2)
при отключении одного трансформатора ТМ-63 кВА (приняли к установке два) второй будет загружен на 123,68/63 = 1,92 или 92%, что недопустимо. Принимаем к установке два трансформатора ТМ-100.
Загрузка в аварийном режиме 24%, что удовлетворяет требовании. ПУЭ.
Таблица 7.1 – Нагрузка собственных нужд подстанции
| Вид потребителя |
Установленная мощность |
Cos j |
Sin j |
Нагрузка |
||
| Единицы кВт |
Всего кВт |
Pуст , кВт |
Qуст , квар |
|||
| 1 |
2 |
3 |
4 |
5 |
6 |
7 |
| Охлаждение ТРДН-25000/110 |
- |
2,5 |
0,85 |
0,62 |
29,6 |
2,12 |
| Подогрев шкафов КРУ-10 |
1´4 |
44 |
1 |
0 |
44 |
- |
| Подогрев приводов разъединителей, отделителей, короткозамыкателей |
0,6´8 |
48 |
1 |
0 |
4,8 |
- |
| Освещение и вентиляция ПС |
7 |
7 |
1 |
0 |
7 |
- |
| Подогрев релейного шкафа |
1´24 |
24 |
1 |
0 |
24 |
- |
| Отопление пункта управления |
- |
50 |
1 |
0 |
50 |
|
| Отопление помещения для ремонтных бригад |
||||||
8 Выбор защиты и автоматики
Трансформаторы подстанции подключены к ВЛ через выключатели, с помощью которых поврежденный трансформатор должен отключиться от сети в безтоковую паузу. Отключение осуществляется с помощью защиты трансформатора, реагирующей на к.з. в зоне ее действия, вызываемое отключением короткозамыкателя на стороне высшего напряжения трансформатора.
В качестве релейной защиты принимаются следующие виды защиты: продольная дифференциальная, газовая, максимальная токовая с пуском по напряжению, максимальная токовая от токов, обусловленной перезагрузкой.
Дифференциальная защита выполнена на реле ДЗТ-11, которое благодаря наличию тормозной обмотки обеспечивает несрабатывание защиты от токов небаланса от внешних к.з. Первичный ток срабатывания защиты с реле ДЗТ определяют только по условию отстройки от броска тока намагничивания при включении ненагруженного трансформатора под напряжение. Расчет защиты приведен в таблице.
Относительная погрешность, обусловленная регулированием напряжения по стороне ВН, принята равной половине суммарного диапазона регулирования напряжения. Е = 0,1 – полная погрешность трансформаторов тока.
tg j - тангенс угла наклона к горизонтальной оси касательной, проведенной из начала координат к тормозной характеристике реле, соответствующей минимальному торможению. Для ДЗТ-11 tg a=0,87. Наименьший коэффициент чувствительности продольной дифференциальной защиты трансформаторов должен быть около двух.
Таблица 8.1 – Расчет продольной нагрузки дифференциальной защиты трансформатора ТРДН 25000/110
| Величины |
Расчетная формула |
Расчетное значение |
|||
| 1 |
2 |
3 |
|||
| 1 Номинальная мощность защищаемого трансформатора, кВА |
S Н |
25000 |
|||
| 2 Номинальное напряжение обмоток защищаемого трансформатора, кВ ВН НН |
U ВН U НН |
110 10 |
|||
| 3 Относительная погрешность, обусловленная регулированием напряжения на стороне ВН |
D U |
0,08 |
|||
| 4 Схема соединения трансформаторов тока: на стороне ВН на стороне НН |
D Y |
||||
| 5 Коэффициент трансформации трансформаторов тока: на стороне ВН на стороне НН |
n ВН n НН |
60 400 |
|||
| 6 Значение тока трехфазного к.з. на выводах НН, приведенное к напряжению ВН, кА |
IK |
0,50 |
|||
| Определение установок и чувствительности защиты |
|||||
| 7 Номинальный ток защищаемого трансформатора на стороне ВН, А |
|
|
|||
| 8 Первичный ток срабатывания по условию отстройки от бросков тока намагничивания |
|
|
|||
| 9 Ток срабатывания реле, приведенный к стороне ВН, А |
|
|
|||
| 10 Расчетное число обмоток реле, включаемых в плечо защиты со стороны ВН |
|
|
|||
| 11 Принятое число витков обмотки реле, включаемых со стороны ВН |
|
W ВН = 17 |
|||
| 12 Расчетное число витков обмотки реле, включаемых со стороны НН |
|
|
|||
| 13 Принятое число витков обмотки реле, включаемых со стороны НН |
WHH – ближайшее число |
WHH = 18 |
|||
| 14 Расчетное число витков тормозной обмотки по условию отстройки от тока небаланса при к.з. на стороне НН |
|
|
|||
| 15 Принятое число тормозной обмотки |
WT > WT расч |
WT = 9 |
|||
| 16 Минимальное значение тока в реле при двухфазном к.з. |
|
|
|||
| 17 Минимальное значение коэффициента чувствительности защиты |
|
|
|||
Газовая защита. При повреждении внутри бака трансформатора происходит выделение газа за счет разложения масла и изолирующих материалов. При большом количестве газа, выделяющегося в течение малого времени, резко увеличивается давление в баке. Масло приходит в движение и вытесняется из бака в сторону расширителя.
Таким образом, появление газа, увеличение давления или движение масла может явится критерием, позволяющим определить факт повреждения.
Газовую защиту выполним с помощью реле В1 =80/0 с двумя пластмассовыми поплавками. Реле имеет сигнальный и комбинированный отключающий орган из двух элементов – поплавкового и лопастного, установленного поперек оси маслопровода. К подвижным элементам прикреплены постоянные магниты, поворот которых приводит к замыканию магнитоуправляемых контактов. Кроме того, в баке РПН дополнительно устанавливаем струйное реле URF 25/10, у которого имеется только один отключающий элемент в виде пластины. Источником оперативного тока для газовой защиты выбираем ТСН.
Максимальная токовая защита (МТЗ). Защита устанавливается со стороны основного питания.
Кратковременные перегрузки по току приводят к необходимости загрублять МТЗ. Одним из критериев, по которому режим перегрузки можно отличить от режима к.з. является разная степень снижения напряжения на шинах подстанции. Пр к.з. снижение напряжения является большим. В схеме защиты применена схема с комбинированным пуском от реле обратной последовательности и минимального реле напряжения (шина РНФ-1м). Ток срабатывания МТЗ отстраивается от тока нагрузки в нормальном режиме
, (8.1)
где КН – коэффициент надежности, для РТ-40, КН = 1,1;
КВ – коэффициент возврата реле, КВ = 0,8;
Кс.з. – коэффициент самозапуска нагрузки, Кс.з. = 1;
I раб – рабочий ток линии после устранения к.з.,
А.
Расчетный ток срабатывания реле
, (8.2)
где Ксх
– коэффициент схемы. При соединении трансформаторов тока в треугольник Ксх
=
;
n т – коэффициент трансформации, n т = 60.
А.
Напряжение срабатывания фильтра реле обратной последовательности РНФ-1м выбираем из условия обеспечения отстройки от напряжения небаланса фильтра в нормальном режиме.
кВ (8.3)
В (8.4)
Напряжение срабатывания реле минимального напряжения определяем из условия обеспечения возврата реле после отключения внешнего к.з. по выражению
, (8.5)
, (8.6)
где Umin – минимальное напряжение в месте установки трансформатора.
, (8.7)
кВ,
кВ,
В.
Защита от перегрузки. Для защиты от перегрузки предусматриваем максимальную токовую защиту от токов, обусловленных перегрузкой, с действием на сигнал. Максимальную токовую защиту устанавливаем на каждой расщепленной обмотке трансформатора.
Ток срабатывания защиты от перегрузки определяем по выражению
, (8.8)
где КВ – коэффициент возврата, КВ = 0,85;
КН – коэффициент надежности, КВ = 1,05.
А
Ток срабатывания реле определим по выражению
, (8.9)
А
9 Технико-экономический расчёт
9 .1 Организация и управление энергохозяйством
Энергохозяйство промышленного предприятия (ПП) представляет собой вспомогательный и обслуживающий участок ПП, являющийся элементом энергетической системы, совокупностью процессов производства, преобразования, распределения и потребления всех видов энергоресурсов. Кроме этого энергохозяйство призвано осуществлять ремонт, эксплуатацию и монтаж энергетического оборудования. В производственном отношении энергохозяйство ПП можно подразделить на следующие элементы: общезаводское и цеховое.
Правильная организация и деятельность энергохозяйства при квалифицированном управлении способна повысить эффективность производства следующими способами:
- снижение затрат на энергоснабжение,
- улучшение использования энергоустановок,
- экономия и рациональное использование энергоресурсов.
Цели управления деятельностью энергохозяйства:
- надёжное и экономичное снабжение производства всеми необходимыми видами энергии в потребном количестве,
ремонтно-эксплуатационное обслуживание,
- монтаж и наладка оборудования,
- комплексная механизация и автоматизация производственных процессов,
- рациональное использование энергоресурсов.
Производительность труда и затраты производства зависят непосредственно от характера разделения труда внутри энергохозяйства и его производственной структуры, которая должна быть динамичной и изменяться в соответствии с развитием предприятия.
Единое руководство необходимое для нормального функционирования предприятия с большим количеством разнообразных энергоустановок осуществляется главным энергетиком и возглавляемым им отделом главного энергетика (ОГЭ), а непосредственно на местах руководством цехов.
ОГЭ работает в тесном взаимодействии с отделами капитального строительства, главного механика, технолога и т.д.
Главный энергетик, непосредственно руководящий ОГЭ, осуществляет также техническое и методологическое руководство службами цеховых энергетиков, надзор за эксплуатацией оборудования и использованием на предприятии энергоресурсов. При этом он руководствуется действующим законодательством, приказами, указаниями министерства энергетики, ПТБ, ПУЭ и т.п. Обычно главный энергетик назначает двух заместителей, которые осуществляют техническое и оперативное руководство.
В данной работе ставится целью провести приближённый экономический расчёт системы электроснабжения завода на напряжении выше 1000 В.
9.2 Определение капитальных вложений
Капитальные затраты в систему электроснабжения имеют следующие составные элементы [17]:
(9.1)
где KЛЭП – капиталовложения на сооружение линий электропередач (воздушных или кабельных),
ККТП – капиталовложения на установку трансформаторных подстанций, распределительных устройств управления, релейной защиты и автоматики (ОРУ, ЗРУ, КРУН),
КВА – капиталовложения на установку высоковольтной аппаратуры.
Таблица 9.1 - Расчет капиталовложений по проекту
| Элемент системы |
Кол-во единиц |
Стоимость элементов, тыс. рублей |
|||||||||
| Оборудование |
Монтаж |
Строительство |
Полная |
||||||||
| 1 |
2 |
3 |
4 |
5 |
6 |
||||||
| Силовой тр-р ТДН- 10000/110 |
2 |
2000 |
400 |
1000 |
6800 |
||||||
| Выключатель ВМТ-110Б |
3 |
650 |
130 |
325 |
3315 |
||||||
| Трансформатор тока (110 кВ) |
15 |
100 |
20 |
50 |
2550 |
||||||
| Тр-р напряжения (110 кВ) |
6 |
1000 |
200 |
500 |
10200 |
||||||
| Разрядник (РВС-20) |
4 |
105 |
21 |
53 |
714 |
||||||
| Разрядник (РВМГ- 110) |
6 |
210 |
42 |
105 |
2142 |
||||||
| Ячейка КРУ (с ТСН) |
2 |
180 |
36 |
90 |
612 |
||||||
| Ячейка КРУ (с ВМПП) |
16 |
23 |
5 |
12 |
640 |
||||||
| Ячейка КРУ (с НАМИ) |
2 |
37 |
7 |
19 |
126 |
||||||
| КТП- 10/0,4 (2-400) |
1 |
184 |
21 |
52 |
177 |
||||||
| КТП- 10/0,4 (1-630) |
14 |
104 |
42 |
104 |
2829 |
||||||
| КТП- 10/0,4 (2-630) |
1 |
208 |
24 |
60 |
204 |
||||||
| КТП- 10/0,4 (2- 1000) |
3 |
240 |
48 |
120 |
5712 |
||||||
| КТП- 10/0,4 (2- 1600) |
3 |
280 |
56 |
140 |
476 |
||||||
| КЛ ААШв (в км) 50 70 120 240 |
4,7 5,2 0,7 2,5 |
160 220 285 480 |
229 |
573 |
5602 |
||||||
| Итого: |
- |
- |
- |
- |
38342 |
||||||
9.3 Определение годовых эксплуатационных издержек
Годовые эксплуатационные издержки определяются по формуле:
, (9.2)
где ИА - ежегодные амортизационные отчисления капитальных затрат,
, (9.3)
где рА i – норма амортизационных отчислений для i-х элементов системы электроснабжения (рА.ГПП =9,4%, рА.КТП =10,4%, рА.КРУ =6,3%, рА.КЛЭП =2,4%),
Кi – капиталовложения на сооружение i-х элементов системы электроснабжения (таблица 9.1):
![]()
![]()
![]()
;
ИЭР - издержки на текущую эксплуатацию и ремонт сетей и электрооборудования,
, (9.4) где рЭР
i
– норма отчислений на эксплуатацию и ремонт для i-х элементов системы электроснабжения (рЭР.ГПП
= 3%, рЭР.КТП
= 4%, рЭР.КРУ
= 2%, рЭР.КЛЭП
= 1,5%):
![]()
![]()
![]()
;
СЭ - стоимость потерь электроэнергии в сетях и оборудовании:
, (9.5)
где ∆W - потери электроэнергии:
, (9.6)
где ∆WТ – потери в трансформаторах ГПП:
, (9.7)
где ∆РХХ – активные потери холостого хода (∆РХХ =18 кВт),
Т – время работы приемника (Т = 8760 ч.),
∆РКЗ – активные потери короткого замыкания (∆РКЗ =85 кВт),
t – время максимальных потерь (t=3000ч),
![]()
∆WС – потери энергии в распределительных сетях:
, (9.8)
где рС - потери в электрических распределительных сетях (рС =6%: 4% - в сетях 10 кВ, 2% - в сетях 0,4 кВ),
Wгод – годовое потребление электроэнергии:
, (9.9) где РР
– расчётная мощность предприятия (РР
=29108 кВт),
;
∆WС.Н. – расход электроэненргии на собственные нужды:
, (9.10) где РС.Н.
– мощность потребителей собственных нужд подстанции (РС.Н.
=345 кВт),
![]()
![]()
![]()
- удельная стоимость потерь электроэнергии (при ТМ
=5000 ч., t=3000ч. удельная стоимость потерь составляет
= 0,19 руб./кВт·ч)
.
![]()
Таблица 9.2 - Расчёт ежегодных отчислений
| Элементы |
Ра , % |
Фа , тыс.руб. |
Рэр , % |
Фэр , тыс.руб. |
| ГПП 110/бкВ |
9,4 |
2418 |
3 |
846,6 |
| ЦТП 10/0,4 кВ |
10,4 |
602,2 |
4 |
310,1 |
| КРУ 10кВ |
6,3 |
86,2 |
2 |
39,2 |
| КЛЭП 10кВ |
2,4 |
134,5 |
1,5 |
8,2 |
| Итого: |
- |
3120,5 |
- |
1204,1 |
9.4 Определение численности обслуживающего персонала
Планирование использования рабочего времени осуществляется составлением балансов рабочего времени отдельно по группам рабочих [17].
Таблица 9.3 - Баланс использования рабочего времени рабочего
| Статьи баланса |
Обозначение |
Расчетная величина |
|||||||||
| Эксплуатац. персонал |
Ремонт, персонал |
||||||||||
| дней |
ч |
дней |
ч |
||||||||
| 1 |
2 |
3 |
4 |
5 |
6 |
||||||
Календарный фонд рабочего времени |
ТК |
365 |
- |
365 |
- |
||||||
| Нерабочие дни (праздничные и выходные) для текущего года |
tпр.в. |
62 |
434 |
107 |
856 |
||||||
| Плановые целосменные невыходы, включая: |
tuc |
- |
- |
- |
- |
||||||
| Номинальный фонд рабочего времени |
ТН = ТК - tпр.в. |
303 |
2121 |
258 |
2064 |
||||||
| Плановые целосменные невыходы, включая: |
tцс |
24 |
168 |
24 |
192 |
||||||
| - основной и дополнительный отпуска |
10,6 |
74 |
9,0 |
72 |
|||||||
| - по болезни, % от Тн |
3,5· ТН /100 |
1,5 |
11 |
1,3 |
10 |
||||||
| - в связи с выполнением государственных обязанностей, % от Тн |
0,5· ТН /100 |
1,5 |
11 |
1,3 |
10 |
||||||
| Плановые внутрисменные потери (сокращенный рабочий день), % от Тн |
tвс = 0,5· ТН /100 |
265,4 |
1858 |
222,4 |
1779 |
||||||
| Эффективный фонд рабочего времени |
ТЭ = ТН - tцс - tвс |
0,99 |
6,96 |
0,99 |
7,95 |
||||||
| Средняя продолжительность рабочего дня |
tдн =ТЭ /(ТН – tцс ) |
0,88 |
- |
0,86 |
- |
||||||
Для расчета номинального фонда рабочего времени в часах необходимо учитывать:
• продолжительность смен при пятидневной рабочей неделе 8 ч, каждая восьмая суббота становится рабочим днем,
• продолжительность смен при шестидневной рабочей неделе 7 ч, в выходные и праздничные дни - 6 ч.
Для расчета численности ремонтно-эксплуатационного персонала необходимо определить трудоемкость ремонтных работ на основе нормативов системы. Эта система ориентирована на проведение капитального и текущего ремонтов, работ по техническому обслуживанию оборудования [17].
Нормативы трудоемкости ремонтов заносят в таблицу с учетом поправочных коэффициентов по условиям эксплуатации оборудования. Годовая трудоемкость на группы оборудования определяется путем умножения единиц оборудования на количество ремонтов и трудоемкость одного ремонты.
Годовую трудоемкость капитального ТКР и текущего ТТ р ремонтов, осмотров То и нерегламентированного технического обслуживания Тто рассчитывают на основе нормы текущей трудоемкость по формулам:
, (9.11)
, (9.12)
, (9.13)
, (9.14)
где n - количество единиц оборудования,
mКР , mТР , mО - соответственно количество капитальных, текущих ремонтов и осмотров в году:
, (9.15)
где mi – количество i-ой (одной из приведённых выше) работы,
сi – межосмотровый период или ремонтный цикл i-го вида работ,
kслО , kслТО – коэффициенты сложности осмотров и технического обслуживания соответственно,
tКР , tТР – норма трудоемкости капитального и текущего ремонтов,
kсм – коэффициент сменности обслуживающего персонала.
Расчёт трудоёмкости представлен в таблице 9.3.
ТР å = 0,5·ТКР +1,5·(ТТР +Т0 +ТТ0 ), (9.16)
ТР å =0,5·1832+1,5·(2199+5892+13410)=33167,5 чел.·ч.
Приближённо списочная численность ремонтно-эксплуатационного персонала рассчитывается по формуле:
, (9.17)
где kВН – коэффициент выполнения норм, принимаем равным 1,1,
ТН Р-Э – годовой номинальный фонд времени рабочего ремонтно-эксплуатационного персонала (по таблице 9.3 принимается равным 2072),
kИ i – коэффициент использования рабочего времени (по таблице 9.3 принимается равным 0,87).
![]()
Определяем численность эксплуатационного (ЧЭ ) и ремонтного (ЧР ) персонала в отдельности:
(9.18)
(9.19)
![]()
![]()
Таблица 9.3 - Расчёт годового объёма ремонтных работ
| Наименование оборудования |
n, шт. |
Капитальный ремонт |
Текущий ремонт |
ТΣР . чел•ч |
Осмотры |
Техническое обслуживание |
ТΣ , чел•ч |
|||||||||||
| скр , лет |
mкр |
tт pKP , чел•ч |
Ткр , чел•ч |
скр , лет |
mкр |
tт pKP , чел•ч |
Ткр , чел•ч |
со , мес. |
Mo |
kсл0 |
То, чел•ч |
kсл TO |
kcm |
Tto , чел•ч |
||||
| 1 |
2 |
3 |
4 |
5 |
6 |
7 |
8 |
9 |
10 |
11 |
12 |
13 |
14 |
15 |
16 |
17 |
18 |
19 |
| Трансформатор |
2 |
8 |
0,13 |
660 |
171,6 |
25 |
0,48 |
160 |
153,6 |
325,2 |
1 |
12 |
0,1 |
1536 |
0,1 |
3 |
1152 |
3184,8 |
| Выключатель |
3 |
3 |
0,33 |
105 |
103,95 |
12 |
1 |
70 |
210 |
313,95 |
1 |
12 |
0,1 |
252 |
0,1 |
3 |
756 |
1425,9 |
| Трансформатор тока |
12 |
8 |
0,13 |
90 |
140,4 |
25 |
0,48 |
30 |
172,8 |
313,2 |
1 |
12 |
0,1 |
288 |
0,1 |
3 |
1296 |
2037,6 |
| Трансформатор напряжения |
6 |
8 |
0,13 |
120 |
93,6 |
25 |
0,48 |
35 |
100,8 |
194,4 |
1 |
12 |
0,1 |
336 |
0,1 |
3 |
756 |
1380 |
| Разрядник (РВС-20) |
4 |
6 |
0,17 |
13 |
8,84 |
12 |
1 |
15 |
60 |
68,84 |
2 |
6 |
0,1 |
54 |
0,1 |
3 |
216 |
347,68 |
| Разрядник (РВМГ-1 10) |
6 |
6 |
0,17 |
14 |
14,28 |
12 |
1 |
15 |
90 |
104,28 |
2 |
6 |
0,1 |
54 |
0,1 |
3 |
324 |
496,56 |
| Ячейка КРУ (с ТСН) |
2 |
12 |
0,08 |
70 |
11,2 |
36 |
0,33 |
25 |
16,5 |
27,7 |
2 |
6 |
0,1 |
180 |
0,1 |
3 |
180 |
398,9 |
| Ячейка КРУ (с выкл.) |
16 |
3 |
0,33 |
105 |
554,4 |
12 |
1 |
20 |
320 |
874,4 |
2 |
6 |
0,1 |
36 |
0,1 |
3 |
1152 |
2616,8 |
| Ячейка КРУ (с НАМИ) |
2 |
8 |
0,13 |
80 |
20,8 |
25 |
0,48 |
15 |
14,4 |
35,2 |
1 |
12 |
0,1 |
144 |
0,1 |
3 |
108 |
308 |
| КТП- 10/0,4 (1-630) |
14 |
12 |
0,08 |
230 |
257,6 |
24 |
0,5 |
50 |
350 |
607,6 |
2 |
6 |
0,1 |
360 |
0,1 |
3 |
2520 |
3745,2 |
| КТП- 10/0,4 (2-400) |
1 |
12 |
0,08 |
450 |
36 |
24 |
0,5 |
90 |
45 |
81 |
2 |
6 |
0,1 |
648 |
0,1 |
3 |
324 |
1089 |
| КТП- 10/0,4 (2-630) |
1 |
12 |
0,08 |
450 |
36 |
24 |
0,5 |
90 |
45 |
81 |
2 |
6 |
0,1 |
648 |
0,1 |
3 |
324 |
1089 |
| КТП- 10/0,4 (2- 1000) |
3 |
12 |
0,08 |
450 |
108 |
24 |
0,5 |
90 |
135 |
243 |
2 |
6 |
0,1 |
648 |
0,1 |
3 |
972 |
1971 |
| КТП- 10/0,4 (2- 1600) |
3 |
12 |
0,08 |
450 |
108 |
12 |
1 |
90 |
270 |
378 |
2 |
6 |
0,1 |
648 |
0,1 |
3 |
972 |
2106 |
| КЛ (в км) |
13,1 |
12 |
0,08 |
160 |
167,68 |
36 |
0,33 |
50 |
216,15 |
383,83 |
12 |
1 |
0,1 |
60 |
0,1 |
3 |
2358 |
2969,51 |
| Итого: |
1832,35 |
2199,25 |
4031,6 |
5892 |
13410 |
25166 |
||||||||||||
9.5 Планирование фонда заработной платы
Тарифный фонд заработной платы i-го вида персонала (ремонтного ФТ Р и эксплуатационного ФТ Э ) персоналов определяется по формуле [17]:
, (9.20)
где СТ i – часовая тарифная ставка i-го вида персонала (СТ Э =12,5 руб./ч, СТ Р =14руб./ч - среднюю квалификацию персонала в электрохозяйстве промышленного предприятия считать на уровне четвертого разряда).
![]()
![]()
В часовой фонд заработной платы включается премия к тарифному фонду заработной платы:
– для эксплуатационников 25% премии за экономию электроэнергии и безаварийную работу, 25% - за работу в ночное время;
– для ремонтников 40% премии за выполнение норм выработки, 25% за работу в ночное время.
Премии эксплуатационного и ремонтного персонала соответственно:
, (9.21)
. (9.22)
![]()
![]()
Дневной фонд заработной платы (Фд э ) учитывает двойную оплату эксплутационного дежурного персонала в праздничные дни:
, (9.23)
где Фп э – дневная тарифная ставка:
, (9.24)
где Чэ / – численность эксплуатационного персонала, работающего в праздничные дни (составляет 50% численности эксплуатационного персонала),
n – число праздничных дней в году.
![]()
Дополнительная заработная плата включает доплаты до годового фонда заработной платы, связанные с оплатой ежегодных отпусков и выполнением государственных обязанностей, принимаем 11% от основной заработной платы:
. (9.25)
![]()
![]()
Годовой фонд заработной платы:
. (9.26)
![]()
![]()
Отчисления в пенсионный фонд, медицинского и социального страхования и др. составляют 35,6%.
. (9.27)
![]()
Средняя заработная плата рассчитывается отношением годового фонда заработной платы данной группы персонала к ее списочному составу районного коэффициента (k =1,15):
. (9.28)
![]()
![]()
Таблица 9.5 — Расчёт фонда заработной платы
| Вид персонала: |
ФТ i , тыс.руб. |
Фпр i , тыс.руб. |
ФД , тыс.руб. |
Фдоп i , тыс.руб. |
Фосн i , тыс.руб. |
Фотч i , тыс.руб. |
Зср i , тыс.руб. |
| - эксплуатационный |
265 |
132,5 |
46,5 |
29 |
473 |
94 |
4,5 |
| - ремонтный |
195 |
126,8 |
0 |
21,5 |
343,3 |
69 |
4,7 |
9.6 Расчет себестоимости электроэнергии
Стоимость материалов расходуемых на ремонт электрооборудования составляет 300 % (текущий и капитальный ремонты соответственно: для электрических сетей – 50 и 150%, электрооборудования – 25 и 75%) от фонда основной заработной платы рабочих:
. (9.29)
![]()
Прочие расходы считать в размере 25% от годового фонда основной заработной платы рабочих:
. (9.30)
![]()
Таблица 9.6 – Смета годовых затрат на электрохозяйство
| Элементы затрат |
Проектируемый вариант |
|
| руб. |
% |
|
| Заработная плата |
816,3 |
12,1 |
| Отчисления |
163,8 |
2,4 |
| Стоимость материалов |
2448,9 |
36,3 |
| Амортизационные отчисления |
3120,5 |
46,2 |
| Прочие расходы |
204,1 |
3,0 |
| Итого Згод : |
6753,8 |
100 |
Плата за электроэнергию определяется по формуле:
, (9.31)
где Рmax – заявленный максимум мощности:
, (9.32)
![]()
а – основная ставка тарифа за участие в максимуме нагрузки энергосистемы (т.к. учет ведется на стороне 110 кВ принимается равной 356.072 (руб.·кВт)/месяц),
b – дополнительная ставка за потребленную электроэнергию (принимается равной 54.74 коп/кВт·ч),
![]()
Себестоимость электроэнергии:
(9.33)
![]()
Таблица 9.7 – Себестоимость 1 кВт·ч потребляемой электроэнергии
| Статьи расходов |
Ед. измерения |
Количество |
| Годовое потребление активной энергии |
тыс. кВт- ч |
134330 |
| Потери электроэнергии с учётом собственных нужд |
тыс. кВт-ч |
8476 |
| Плата за электроэнергию |
тыс. руб. |
120607 |
| Годовая заработная плата персонала |
тыс. руб. |
816 |
| Годовые амортизационные отчисления |
тыс. руб. |
3120,5 |
| Прочие расходы |
тыс. руб. |
204,1 |
| Себестоимость 1 кВт-ч |
руб. /к Вт- ч |
1.01 |
10. Охрана труда
10.1 Пожаробезопасность на элеваторе
Элеватор является предприятием энергоемким и пожароопасным.
Элеваторы - сооружения, в которых помимо хранения зерна, производят его прием, взвешивание, очистку, сушку, горизонтальное и вертикальное перемешивание, вентилирование и отгрузку. Для производства перечисленных работ в комплекс элеватора входят рабочая башня, в которой размещены нории, самотечные трубы, шахтные сушилки, пассажирский лифт. К составным частям элеватора относятся также цехи и склады отходов и пыли.
В зависимости от назначения элеваторы делятся на заготовительные, производственные и перевалочные. Их строят из железобетона высотой до 60 м вместимостью до 200 тыс. т и более. Размещение рабочей башни предусматривают в торце, а по сторонам ее возводят силосные корпуса для хранения зерна. Перпендикулярно элеватору примыкает приемный механизированный пункт с нижней транспортной галереей, по которой зерно поступает в здание рабочей башни. Далее зерно подают в сушильно-очистительные машины, а затем ленточными транспортерами верхней галереи его распределяют по отдельным силосам.
Пожарная опасность хранилищ зерна характеризуется наличием больших количеств горючих материалов, различных механизмов на электрической тяге с вращающимися частями и возможностью быстрого распространения пожара. Горючей средой в зерноскладах являются зерно в больших количествах, зерновая пыль, сгораемые конструкции зданий, транспортерные ленты и т. п. Наибольшую опасность представляет зерновая пыль, выделяемая в больших количествах при очистке, транспортировании, загрузке и выгрузке зерна.
Зерновая пыль - легкогорючий материал. Во взвешенном состоянии взрывоопасна. Нижний предел взрыва пылей зерновых элеваторов во многом зависит от оборудования, в котором они накапливаются. Так, для образцов пшеничной пыли, отобранных из аспирационной системы, Сшга =12,6-30,2; из пылевой камеры - Снт= 35-170 г/м3 . Максимальное давление взрыва для пшеничной элеваторной пыли 0,735 МПа, минимальная энергия зажигания 50 МДж.
Элеваторы по взрывопожарной опасности относятся к категории В. Вместе с тем следует иметь в виду, что взрывы зерновых элеваторов иногда все же происходят и сопровождаются разрушением силосов, галерей и т. п. Цехи и склады отходов и пыли, цехи по сортированию и выколачиванию мягкой тары относятся к категории Б.
Светильники и электроустановочную аппаратуру в складах выполняют пылевлагонепроницаемого исполнения, а двигатели механизмов - закрытыми, обдуваемыми. Помимо выключателей, устанавливаемых в помещениях складов, предусматривают общий рубильник для отключения на складе всей
электросети. Такие рубильники (пусковые устройства) совместно с предохранительной защитой и штепсельными розетками для подключения передвижных машин и механизмов устанавливают снаружи на несгораемых стенах складов или на отдельно стоящих опорах, если здание склада выполнено из сгораемых конструкций.
Степень огнестойкости элеваторов (их основных зданий и сооружений) принимается не ниже П. Степень огнестойкости надсшюсных транспортных галерей не нормируется, однако несущие конструкции выполняют несгораемыми. Из надсилосной галереи устраивают один выход в лестничную клетку рабочей башни, а второй - на крышку вблизи наружной пожарной лестницы, из подсилосной галереи один эвакуационный выход в сторону железной дороги, второй - во двор.
Отходы и пыль из циклонов (пылеотделителей) транспортируют пневмотранспортом в специальные склады отходов, которые размещают на расстоянии не ближе 50 м от здания элеватора. Воздуховоды вентиляционных систем выполняют несгораемыми. Циклоны и вентиляторы размещают в производственных помещениях элеватора.
В элеваторах предусматривают наружный и внутренний противопожарный водопроводы с собственной пожарной наносной станцией, пожарную сигнализацию, наружные пожарные лестницы, водяные завесы в технологических проемах внутренних стен верхней и нижней галерей и т. п. Электрооборудование применяют в пылевлагонепроницаемом исполнении. Элеваторы также оборудуют молниезащитой.
При проектировании учитывается, что наиболее эффективной преградой, не позволяющей огню переброситься с одного здания на другое, являются противопожарные резервы м/у зданиями. Величина разрыва зависит от огнестойкости смежных зданий и обычно составляет 10-20 метров.
План эвакуации людей на случай пожара из любого производственного помещения составляется заранее, с ним знакомят всех работников цеха.
Все производственные здания и сооружения имеют первичные средства пожаротушения (огнетушители, песок и воду), которые размещают на территории элеватора. Ящики для песка рассчитаны на хранение 0,5 метра песка. Каждый ящик снабжают совковой лопатой, бочки с водой вместимостью 250 литров, двумя ведрами.
Тушение пожара в начальный период его возникновения дает наиболее эффективные результаты, поэтому на всех предприятиях устанавливают средства сигнализации и связи для извещения о пожаре из каждого цеха, здания. Средства сигнализации различные: звонковые, электрическая сигнализация ручного действия, телефонная связь, автоматическая сигнализация.
10.2 Классификации электрооборудования и электротехнических устройств
Электрические машины и аппараты, применяемые в электроустановках, должны обеспечивать как необходимую степень защиты их изоляции от
вредного действия окружающей среды, так и необходимую безопасность в отношении пожара или взрыва вследствие какой-либо их неисправности.
Существует следующие классификации видов исполнения электрооборудования (электрических устройств): общего назначения; специальное (тропического исполнения, холодостойкое, влагостойкое, химически стойкое); открытое (незащищенное от прикосновения к движущимся и токоведущим частям); защищенное (от случайного прикосновения к его движущемся и токоведущим частям и от случайного попадания внутрь посторонних предметов и пыли); водозащищенное, брызгозащищенное, каплезащищенное, пыле- защищенное; закрытое (защищенное злектороборудование, выполненное так, что возможность сообщения между его внутренним пространством и окружающей средой может иметь место только через не плотности соединения между частями электрооборудования или через отдельные небольшие отверстия); герметичное (защищенное, выполненное так, что исключена возможность сообщения между его внутренним пространством и окружающей средой); взрывозащищенное (электрооборудование, в котором предусмотрины конструктивные меры для устранения или затруднения возможности воспламенения окружающей взрывоопасной среды).
Электрооборудование и электротехнические устройства подразделяются по напряжению - до 1000 В и выше 1000 В и по применению - для наружной и внутренней установки.
10.3 Электрооборудование пожароопасных помещений.
В пожароопасных помещениях всех классов следует применять только защищенные электропроводки (кабели марок ВРГ, АВРГ, или провода АПРВ, АПВ и АПРТО в тонкостенных стальных трубках). Допускается открытая прокладка изолированных проводов на изоляторах, но при условии их удаления от мест скопления горючих материалов и невозможности механического повреждения (например, на недоступной высоте ). Допускается применение алюминиевых проводов только при условии надежного их соединения сваркой, пайкой или опрессовкой. Соединительные и ответвительные коробки должны быть пылезащищенного исполнения.
Сооружение распределительных устройств напряжением выше 1000 В в пожароопасных помещениях не рекомендуется, но при необходимости допускается при условии применения щитов и шкафов в закрытом исполнении.
Проектирование и монтаж электрооборудования напряжением до 1000 В пожароопасных установок следует вести в соответствии с инструкцией ВСН 294-72, утвержденной Минмонтажспецстроем России, которая согласована с Госэнергонадзором и ГУПО МВД России. В этой инструкции даны указания по монтажу электропроводок, оконцеванию и соединению жил проводов и кабелей, монтажу электродвигателей, пусковой аппаратуры, светильников, крановых устройств, токопроводов, заземления.
10.4 Причина пожаров в электроустановках
В процессе получения, транспортировки и преобразования электрической энергии в механическую, тепловую и другие виды энергии в результате аварии, ошибочных действий и халатности обслуживающего персонала возможно появление источников зажигания, природа которых основана на тепловом проявлении электрического тока. Так, из статистики пожаров следует, что пожары связанные с эксплуатацией электроустановок, происходит главным образом от КЗ; от нарушения правил эксплуатации электронагревательных приборов; от перегрузки электродвигателей и электрических сетей; от образования больших местных переходных сопротивлений; от электрических искр и друг.
Короткие замыкания представляют наибольшую пожарную опасность.
При КЗ в местах соединения проводов сопротивление практически равно нулю, в результате чего ток, проходящий по проводникам и токоведущим частям аппаратов и машин, достигает больших значений. Токи КЗ на несколько порядков превышают номинальные токи проводов и токоведущих частей и достигают сотен и тысяч ампер. Такие токи могут не только перегреть, но и воспламенить изоляцию, расплавить токоведущие части и провода. Плавление металлических деталей машин и аппаратов сопровождается обильным разлетом искр, которые в свою очередь способны воспламенить близко расположенные горючее вещества и материалы, послужить причиной взрыва.
Короткие замыкания в электроустановках возникают по разным причинам. Чаще всего они бывают из-за отказа электрической изоляции вследствие ее старения и отсутствия контроля за ее состоянием.
Неправильная эксплуатация электроустановок неизбежно ведет к возникновению пожаров, поскольку либо не выполняются условия по предотвращению непредусмотренного аккумулирования выделяющегося тепла, либо не соблюдаются пожаробезопасные расстояния до горючих материалов (например, при эксплуатации нестандартных электронагревательных приборов для обогрева помещений), либо игнорируется четкие технические указания по режиму работы.
10.5 Способы и средства тушения пожаров в электроустановках
Под тушением пожаров понимаются действия отдельных людей, подразделений пожарной охраны и придаваемых им сил или работа автоматических установок пожаротушения с целью прекращения горения.
Прекращения горения может быть достигнуто различными путями:
- охлаждением зоны горения или горящего вещества;
- снижением скорости реакции окисления за счет разбавления реагирующих веществ;
- изоляция горящего вещества от зоны горения;
- химическим торможением реакции окисления (горения).
Реакция перечисленных способов может быть достигнута сочетанием огнетушащих и технических средств или только техническими средствами.
Выбор огнетушащего средства для прекращения горения зависит от обстановки на пожаре и определяется:
- свойствами и состоянием горящего материала;
- видом пожара (на открытом пространстве, в ограниченном объеме);
- условиями тепло- и газообмена на пожаре;
- параметрами пожара (площадью горения, температурой и т. п.);
- условиями проведения работ по прекращению горения (например, наличием или отсутствием непосредственной угрозы лицам, осуществляющим подачу средств тушения);
- наличием и количеством огнетушащих средств;
- эффективностью огнетушащего средства.
Практически все огнетушащие средства характеризуются комплексным взаимодействием, т. е. одновременно производят, например, охлаждение горящего материала и разбавления зоны горения. Однако прекращение горения достигается одним из применяемых способов, а остальные только способствуют прекращению горения. Это определяется соотношением свойств огнетушащего средства и горящего материала. Например, воздушно-механическая пена при тушении легковоспламеняющихся жидкостей охлаждает верхний слой жидкости и одновременно изолирует ее зоны горения. Однако основным процессом, приводящим к прекращению горения, например, бензина, является изоляция, поскольку пена с температурой 5-15°С не может охладить бензин ниже температуры его вспышки (минус 35°С). В зависимости от основного процесса, приводящего к прекращению горения, наиболее распространенными способами среди выше перечисленных групп являются:
- способы охлаждения - охлаждения конденсированной фазы сплошными струями воды, охлаждение распыленными струями воды, охлаждение путем перемешивания горючих материалов;
- способы разбавления - разбавление газовой и конденсированной фазой (твердой, жидкой) струями тонко распыленной воды, разбавление горючих жидкостей водой, разбавление негорючими газами или водяным паром;
- способы изоляции - изоляция слоем пены различной кратности, изоляция слоем огнетушащего порошка;
- способы химического торможения реакции горения - с помощью огнетушащих порошков или галоидопроизводных углеводов.
В качестве примера можно привести способы тушения натрия, который может использоваться как теплоноситель. Основными из них являются: самотушение в относительно герметичных помещениях; тушение порошковым составом (глинозем); тушение в поддонах с гидрозатвором; слив натрия в аварийные емкости и самотушения натрия в них.
Тушение натрия в относительно герметичных помещениях осуществляется с подачей азота и без его подачи. Азот подается от насосной станции и хранится и хранится в ресиверах под повышенным давлением. Включение системы, как правило, осуществляет оператор. В помещения, где утечка натрия незначительна, подача азота не производится. Для тушения также используются порошковые составы (техническая окись алюминия - глинозем),
которые подаются по трубопроводам под давлением азота, поступающего из ресиверов. Выброс порошка происходит вблизи возможных мест протечек натрия.
Принцип тушения натрия в поддонах заключается в том, что пролившийся теплоноситель стекает по наклонным плоскостям поддона и попадает в сливное устройство, в котором устраивается гидрозатвор, где горение натрия прекращается из-за предотвращения попадания воздуха внутрь поддона. Избыточное давление, образуется внутри поддона за счет термического разрешения воздуха и уменьшения свободного объема при стекании в него металла, сбрасывается через отверстие, расположенное в верхней части поддона.
При возможности пролива большого количества натрия применяют способ его слива в аварийные емкости. Полы помещений, из которых сливается натрий, могут облицовываться сталью и должны иметь сливные тралы, в сторону которых выполняется уклон пола. Трап может закрываться легкоплавким покрытием и металлической решеткой.
Кратко остановимся на основных средствах тушения пожаров в электроустановках, находящихся на элеваторе.
Вода - наиболее распространенное и достаточно эффективное огнету-шащее средство. Имея высокую теплоемкость - 4,19 Дж/(кг х град) - при нормальных условиях, она обладает хорошими охлаждающими свойствами.
При попадании воды на горящее вещество некоторое ее количество испаряется и превращается в пар (из 1 л воды образуется 1700 л пара), разбавляя реагирующие вещества. Обладая высокой теплотой парообразования (около 2260 Дж/кг), вода отнимает от зоны горения большое количество тепла, т.е. наблюдается охлаждающий эффект.
Вода имеет высокую термическую стойкость. Только при температуре выше 1700°С ее пары разлагаются на водород и кислород. Поэтому тушение водой большинства твердых материалов и горючих жидкостей безопасно, поскольку температура при их горении не превышает 1300°С.
Наибольший огнетушащий эффект достигается при подаче воды в распыленном состоянии. Применение растворов смачивателей, снижающих поверхностное натяжение воды, позволяет уменьшить расход воды при тушении некоторых материалов на 30 - 50%.
За счет добавок пенообразователей, ионогенных смачивателей и особенно диссоциируемых солей (например, солей, предотвращающих замерзание) электропроводность воды значительно повышается. Она может быть в 100-1000 раз выше электропроводности дистиллированной воды. Поэтому тушение пожаров компактными и распыленными струями без снятия напряжения р электроустановок допускается только в открытых для обзора ствольщика электроустановок, а также горящих кабелей, при номинальном напряжении до 10 кВ. При этом должны выполнятся требования техники безопасности.
Пены и пенообразующие составы. Пена - коллоидная дисперсная система, состоящая из пузырьков, наполненных газом. Стенки пузырьков представляют собой раствор поверхностно-активных веществ (ПАВ) с различными стабилизирующими добавками. Пены подразделяются на воздушно-механическую и химическую.
Воздушно-механическую пену получают из водных растворов ПАВ, которые называют пенообразователями. Количество пенообразователя, добавляемого к воде, невелико и, как правило, не превышает 10%. Работать с пенообразователем надо осторожно, так как в концентрированном виде он может вызывать раздражение кожи и глаз. В России наибольшее распространение получили пенообразователи ПО-1, ПО-1Д, ПО-6К, ПО-ЗАИ, САМПО, выпускаемые промышленностью. Для получения пены используются пеноге-нераторы эжекционного и вентиляторного типов.
Пены обладают очень низкой теплопроводностью. Поэтому наибольшим охлаждающим действием обладают менее стойкие и низкократные пены, так как при их разрушении выделяется большое количество раствора.
Изолирующее свойство пены - способность препятствовать испарению горючего вещества и проникновению через ее слой паров, газов и теплового излучения.
Степень проявления огнетушащих свойств пен зависит от условий их применения. Например, если пена используется в качестве средства защиты от лучистого теплового потока, то наибольшее значение имеет ее стойкость. Изолирующее действие пены при этом оценивается количеством энергии, проходящей через слой, равный 1см, за 1с на единицу поверхности. При использовании пены в качестве средства тушения по поверхности большое значение имеет ее свойство препятствовать испарению горючего вещества и прорыву паров этого вещества через слой пены в зону горения. Низкократная и среднекратная пены при тушении горючих жидкостей обладают изолирующей способностью в течение 1,5-2,5 мин при толщине изолирующего слоя 0,1 - 1 м. Для достижения наибольшего огнетушащего действия необходимо использовать пены, у которых максимально проявляются изолирующие и охлаждающие свойства. К мерам по созданию условий для достижения максимальной огнетушащей способности относятся: разбавление горящих жидкостей, снижение температуры горящих веществ, окружающей среды и т.п.
Низкократными пенами тушат в основном по поверхности. Для тушения жидкостей используют пены кратностью до 100, объемная масса которых в 5-10 раз меньше объемной массы этих жидкостей. Такие пены хорошо удерживаются на поверхности и растекаются по ней, эффективно противостоят прорыву через них горючих паров, обладают значительным охлаждающим действием.
Высокократную пену применяют главным образом для объемного тушения, вытеснения дыма, изоляции установок от действия тепловых потоков. При объемном тушении следует избегать действия водяных струй на пену, так как под их действием она разрушается.
В зону горения пена может подаваться через слой горючего, сливом или струями. Каждый из этих приемов осуществляется путем сосредоточенной и
рассредоточенной подачи. Наиболее распространенна подача пены струями, что объясняется простотой и оперативностью приема. Однако при этом интенсивность разрушения пены наибольшая. Подача сливом по'степени разрушения пены при прочих равных условиях занимает промежуточное положение по отношению к двум другим приемам. Сущность этого приема заключается в том, что пена из стволов подается не прямо в зону горения, как при подаче струями, а на прилегающую к зоне горения поверхность, по которой она стекает в зону горения. При этом дальность растекания пены зависит от вязкости, толщены слоя в месте слива, напора, создаваемого пеногенера-тором, ориентации струи, интенсивности подачи пены и соответствия направленности движения пены газовым потокам, наличия препятствий и т. д. В частности, при подаче среднекратной пены в кабельные каналы сечением 2X2 м максимальная дальность продвижения пены от эжекционных генераторов типа ГВП-600 достигает 30 м, от пеногенераторов вентиляторного типа -50м.
Огнетушашие порошковые составы (ОПС) используются для прекращения горения твердых, жидких и газообразных веществ и подразделяются на четыре группы. К первой относится составы на основе карбонатов натрия или калия - типа ПС, ко второй на основе силикагеля - типа СИ, к третьей -на основе различных флюсов (хлоратов металлов) - типа ВИ, к четвертой -составы на основе фосфорно-аммонийных солей - типа ПФ.
Порошковые составы не электропроводны, не корродируют металлы и не токсичны, за исключением порошков типа СИ, которые обладают слабой токсичностью и коррозийной активностью. Недостатком ОПС является их способность к слеживанию (комкованию), что затрудняет хранение, особенно длительное, а также подачу в зону горения. Слеживаемость зависит от степени дисперсности и влажности порошка. Влажность ОПС не должна быть более 0,5 %.
Порошковыми составами тушат по поверхности и по объему зоны горения. При тушении ОПС по поверхности огнетушащий эффект заключается в основном в изоляции горящей поверхности от доступа воздуха, а при объемном тушении - в ингибирующем действии порошка, заключающимся в обрыве цепей реакции горения.
Порошковые составы обладают избирательной огнетушащей способностью. Так, составы типа ПС эффективно используются для тушения натрия. Порошки типа ПСБ и ПФ имеют общее назначение: ими тушат жидкости, газы, электрооборудование, двигатели и т. д.
Необходимым условием для прекращения горения при тушении порошком по поверхности является покрытие поверхности слоем ОПС определенной толщины, обычно не превышающей 2 см. Удельный расход ОПС зависит от вида горящего материала и условий его горения.
Для прекращения горения при объемном тушении необходимо создать в течении нескольких секунд во всей зоне горения такую концентрацию порошка, при которой поверхность порошка обеспечит требуемую скорость подавления активных центров реакции горения. Это достигается введением порошка с требуемой интенсивностью и равномерным его распределением по всей зоне горения. Например, при горении в разлившемся состоянии (на бетоне, асфальте, металле) трансформаторного масла удельный расход порошка ПС составляет 0,36кг/м2 при расчетном времени подачи для тушения 30 с.
10.6 Опасные факторы при пожарах в электроустановках
При пожарах в электроустановках может наблюдаться воздействие на людей следующих опасных факторов: открытого огня и искр; повышенной температуры воздуха, оборудования и т. п., токсичных продуктов горения или термического разложения; дыма и как следствие - снижение видимости; пониженной концентрации кислорода; обрушение конструкции, элементов оборудования и зданий; взрыва; высокого напряжения.
При этом характерно одновременное воздействие на человека тепловых потоков и продуктов горения, что приводит, например, к более быстрому развитию токсичного эффекта и повышению чувствительности организма к воздействию токсичных продуктов горения или термического разложения веществ и материалов. Кроме того, отравление некоторыми токсикантами, например окислами азота, может способствовать дополнительному перегреванию организма человека. При пожарах в электроустановках образуются такие токсиканты, как окись СО и двуокись CO2 углерода, хлористый водород HCl, цианистый водород HCN, сероводород H2 S, аммиак NH3 , окислы азота NO2 и др., что создает опасность отравления людей. Физические нагрузки, переносимые человеком во время тушения пожара, усиливают действие указанных токсикантов, влияя на физиологические процессы в том же направлении, что и повышенная температура.
Воздух, который вдыхает человек, состоит в основном из смеси двух газов: азота (79%) и кислорода (21%), а выдыхаемый - из азота (79%), кислорода (17%) и двуокиси углерода (4%). Часть вдыхаемого кислорода остается в легких человека и идет на окисление углерода. При пожаре во вдыхаемом воздухе содержится окись углерода и поэтому даже при достаточном количестве кислорода у человека может возникнуть кислородная недостаточность. Считается, что снижение концентрации кислорода в воздухе до 14% становится опасным жизни человека.
Дым, выделяющийся при горении различных веществ и материалов (горючих жидкостей, изоляции проводов и кабелей и т. п.), лишает человека возможности ориентироваться, а достижение критической величены по плотности задымления помещения означает, что видимость на определенном расстоянии от человека потеряна и он не способен самостоятельно эвакуироваться, т. е. пройти задымленный участок до эвакуационного выхода или безопасной зоны. В целом существует вероятность эвакуации при концентрации дыма, превышающей критическое значение, когда человек, продвигается в задымленной среде на ощупь, рано или поздно обнаруживает выход из помещения. Однако, как показали исследования поведения людей вслючае пожара, 43% всех погибших при пожаре погибли именно из-за того, что не смогли покинуть помещение ввиду его сильной задымленности, т. е. не смогли преодолеть сильно задымленный участок. Даже в случае, когда люди хорошо знали планировку здания и расположение эвакуационных выходов из помещения, они решались преодолеть задымленную зону не более 15 м. Установлено также, что человек чувствует себя в опасности, если видимость менее 10м.
Тепло, выделяющееся при горении веществ и материалов, может вызвать ожоги кожи или тепловой удар, нарушающие нормальное тепловое состояние организма, что может привести к смертельному исходу. Температурные области, не соответствующие условиям теплового комфорта, можно разделить на три зоны. В первой температурной зоне (20 - 60°С)организм способен компенсировать неблагоприятное воздействие тепловой нагрузки, т. е. сохранять тепловой баланс за счет расширения кровеносных сосудов и потоотделения и поддерживать такое устойчивое состояние в течении нескольких часов. Во второй температурной зоне (60 - 120°С) воздействие тепловой нагрузки не компенсируется и тепловой баланс организма нарушается. Происходит интенсивное накопление организмом тепла. В третьей температурной зоне (выше 120°С) тепловые нагрузки настолько велики, что их воздействие вызывает болевые ощущения, если же оно продолжительно, то возникают ожоги. Зарубежными исследованиями установлено, что предельной для организма человека является температура окружающей среды, равная 149°С. При наличии влаги в воздухе такая температура приводит к мгновенному поражению дыхательных путей. Пределом переносимой тепловой нагрузки считают 130-134 кДж кг"1 (31-32 ккал Кг"1 ). Реальную опасность для человека представляет лучистый тепловой поток, интенсивность которого более 550 Вт X м'2 . Ориентировочно можно считать, что среднеобъемная температура воздуха в помещении порядка 70°С представляет опасность для жизни человека, тем более что следует принимать во внимание воздействие других опасных факторов (дыма, токсичных продуктов горения). Вышеперечисленное предопределяет необходимость принятия мер по предотвращению воздействия на людей опасных факторов пожара. Особенно это касается зощиты органов дыхания людей, принимающих участие в тушении крупных или развившихся пожаров.
10.7 Расчет потребного количества огнетушащих средств для тушения пожаров
При проектировании промышленных предприятий определяют потребные противопожарные расходы и объёмы воды, как наиболее дешёвого огнетушащего средства, а также возможность её подачи в необходимые места, т.е. ведётся расчёт водопроводной сети.
Основные требования, предъявляемые к водопроводам противопожарного назначения, изложены в СНиП 2.04.01-85*, СНиП 2.04.02-84* и др. В нормах определены условия, при которых устройство внутренних противопожарных водопроводов в зданиях обязательно.
В производственных зданиях они необходимы во всех случаях, за исключением производственных зданий I и II степени огнестойкости с производствами категорий Г и Д по пожарной опасности независимо от их объёма и зданий III степени огнестойкости с производствами тех же категорий, но при объёме зданий не более 1000 м3 .
Для предприятий площадью не более 20 Га при категориях производств В, Г, Д, если пожарный расход воды не превышает 20 л/с для противопожарного водоснабжения допускается использование водоёмов или резервуаров, оборудованных подъездами для мотопомп или пожарных автомобилей, вместо противопожарного водопровода. Если вблизи предприятия или строительной площади имеются естественные источники (реки, озера), предусматривают их использование, но при наличии подъезда к ним.
Радиус обслуживания зданий переносными мотопомпами принимают не более 100 м, прицепными - 150 м, автоцистернами - 200 м. При противопожарном водоснабжении из водоёмов необходимо предусматривать их пополнение с расстояния не более 250 м.
Потребное противопожарное количество воды для тушения пожаров на промышленных предприятиях определяется в зависимости от общего расчётного расхода воды на пожаротушение, количества расчётных пожаров и их расчётной продолжительности.
Расчёт ведётся в такой последовательности:
1. Определяется общий расчётный расход воды Qp на пожаротушение данного предприятия:
Qp =QII +Qв, л/с, (10.1)
где qh - максимально требуемый расход воды на наружное пожаротушение через гидранты, л/с;
Qв - максимально требуемый расход воды на внутреннее пожаротушение через пожарные краны или (и) автоматические установки пожаротушения, л/с.
Величина Qн зависит от степени огнестойкости зданий, категории производства по пожарной опасности и объёма здания. Она определяется по таблицам 6, 7, 8 Приложения.
Величина Qв определяется для работы внутренних пожарных кранов или автоматических систем водотушения. Для производственных зданий при расчёте воды принимают две струи в здании из условия подачи воды на каждую струю. Производительность одной струи должна быть не менее 2,5 л/с независимо от объёма здания, определяется по табл.9, 10 Приложения. Для общественных и жилых зданий объёмом более 25000 м3 также принимаются 2 струи с расходом 2,5 л/с на каждую струю, а при объёме менее 25000 м3 одна струя с расходом не менее 2,5 л/с.
Наличие в зданиях стационарных систем водотушения (спринклерных, дренчерных) требует дополнительного увеличения расхода воды из расчёта:
а) в течение первых 10 минут пожара не менее 15 л/с, т.е. 10 л/с на питание спринклеров и 5 л/с на работу пожарных кранов.
б) в течение последующего часа не менее 55 л/с, из них 30 л/с на питание спринклеров (дренчеров), 20 л/с на гидранты и 5 л/с на работу пожарных кранов.
2. Определяется расчётная продолжительность пожара и расчётное число одновременных пожаров.
Расчётная продолжительность пожара tp во всех случаях принимается 3 часа в соответствии с нормами.
Расчётное число пожаров np зависит от площади территории предприятий или стройки. Так, при площади территории в 150 га и более в расчёт принимают два одновременных пожара, при площади менее 150 га принимается один пожар.
3. Определяется потребное количество воды для данного предприятия по формуле:
м3
, (10.2)
где Qp - общий расчётный расход воды на пожаротушение данного предприятия определяется по формуле (10.1), л/с;
tp - расчётная продолжительность пожара, час;
nр - расчётное число одновременных пожаров для данного предприятия.
4. Определяется необходимый противопожарный запас воды на случай аварии водопроводных сетей.
Неприкосновенный запас воды создаётся из расчёта обеспечения подачи воды на пожаротушение из наружных гидрантов и внутренних пожарных кранов с учётом количества одновременных пожаров в течение трёх часов их действия.
Следовательно, неприкосновенный запас воды рекомендуется определять по формуле (10.2) и хранить в запасных резервуарах или водонапорных башнях.
Qp
=10+2
2,5=15 л/с;
W=
=54 м3
.
Микропроцессорная система дуговой защиты КРУ
напряжением 6-10 кВ.
Значительное число шкафов комплектных распределительных устройств (КРУ), находящихся в эксплуатации, не имеет полноценной быстродействующей защиты, способной совместно с коммутационными аппаратами локализовать наиболее тяжелые аварии в них, вызванные внутренними КЗ, сопровождаемыми открытой электрической дугой . Горение дуги внутри шкафов КРУ более 0,15-0,2с приводит к тяжелым последствиям и зачастую сопровождается выгоранием двух-трех соседних шкафов , а в некоторых случаях и целых секций .Существующие защиты на основе разгрузочных клапанов и фототиристоров не отвечают современным требованиям ни по надежности, ни по чувствительности и сервисным функциям. Заботясь о повышении надежности энергоснабжения потребителей и устойчивости функционирования энергосистем, РАО ”ЕЭС России” издало приказ № 120 от 01.07.98 ”О мерах по повышению взрывопожаробезопасности энергетических объектов ” (п. 1.12.5), предписывающий оснащать шкафы КРУ полноценной дуговой защитой.
Многолетний опыт разработки и внедрения дуговых защит КРУ позволил создать микропроцессорную дуговую защиту, описываемую в статье. Принцип ее действия основан на контроле уровня светового потока (освещенности) и тока. Контроль светового потока освещенности внутри отсеков КРУ из-за их замкнутого пространства дает возможность обеспечить практически абсолютную селективность. Особенность защиты заключается в наличии электрических каналов связи, позволяющих в отличие от оптико-волоконных датчиков и линий связи обеспечивать высокую технологичность ремонта и восстановления защиты после аварии.
Микропроцессорная система дуговой защиты состоит из следующих функциональных блоков: центрального управляющего устройства (ЦУУ);
локальных модулей сбора информации (ЛМСИ); системной шины данных (СШД); оптико-электрических датчиков (ОЭД).
Оптико - электрический датчик входит в состав ЛМСИ, а для расширения зоны действия(увеличения числа контролируемых отсеков) к локальному модулю могут подключаться дополнительные ОЭД.
Локальный модуль сбора информации представляет собой микропроцессорное устройство, устанавливаемое в одном из отсеков шкафа КРУ, например в отсеке высоковольтного оборудования или отсеке релейной защиты. В последнем случае дополнительные ОЭД устанавливаются в защищаемых отсеках. Элементы ЛМСИ (далее локальный модуль); мультиплексор (М); блок задания конфигурации (БЗК); блок обработки информации (БОИ); выходные органы (ВО); шина данных (ШД); приемо-передатчик (ПП).
Питание ЛМСИ с напряжением ± En осуществляется от блока питания ЦУУ, а выходной орган выполнен на основе электромагнитного реле KL.
Приемо-передатчик (ПП) подключается к СШД, которая физически реализована с помощью стандартного промышленного протокола передачи данных – RS-485. Переключатели в блоке задания конфигурации устанавливают номер от 0 до 31, соответствующий конкретному ЛМСИ.
К системной шине данных можно подключить до 32 ЛМСИ, что вполне достаточно для защиты секции, состоящей в большинстве случаев из меньшего числа ячеек. Помехоустойчивость канала передачи данных обеспечена с помощью программных и аппаратных способов.
Центральное управляющее устройство, структурная схема которого представлена на чертеже, через ПП подключено к СШД и обеспечивает последовательный опрос ЛМСИ. На данном рисунке, кроме указанных, приняты обозначения: БВП - блок выходных преобразователей, БП –блок питания с преобразованием постоянного напряжения 220 В в постоянное напряжение меньшего уровня ± Еn, БВ/ В –блок ввода/ вывода. В случае возникновения дугового КЗ в защищаемой зоне, приводящего к повышению уровня освещенности в поврежденной ячейке и пуску, например по току, обеспечивается формирование выходного сигнала (согласно выбранной в БКЗ параметров системы). В нормальном режиме защищаемой электроустановки система защиты осуществляет самодиагностику. При выходе из строя одного или нескольких ЛМСИ, всей или части СШД формируется сигнал о неисправности (срабатывает выходной орган) и заполняется журнал ошибок, в котором содержится информация о неисправном элементе. Центральное управляющее устройство имеет широкий набор функций, позволяющих, например, проводить диагностирование ЛМСИ и СШД, логически исключить один или несколько ЛМСИ из списка опрашиваемых, при выводе содержащих их ячеек в ремонт.
Основные технические характеристики защиты
Порог срабатывания по освещенности,Лк……..………………100 ÷ 200
Время срабатывания (при 16 и 32 ЛМСИ), мс………….Не более 16 / 32
Максимальное число ЛМСИ в системе, шт ……………………………32
Максимальное число ОЭД подключаемых к ЛМСИ, шт …………….…6
Напряжение питания постоянного тока, В …………………………....220
(-20% ± 10%)
Потребляемая мощность ЦУУ, Вт ………………………………….5 ÷ 9
Потребляемая мощность ЛМСИ, Вт ………...…….…………… 0,2 ÷ 0,3
Вид выходного сигнала ЦУУ …………………..………”Сухой контакт”,
4 раздельных выхода
Вид выходного сигнала ЛМСИ ……………”Сухой контакт”
Температура окружающего воздуха, °С ……….……От – 25 до + 45
Масса, кг:
ЦУУ ……………………......……………………………Не более 1,5
ЛМСИ …………….……………………………….. Не более 0,2
Примечание.
1.Наличие тестового и функционального контроля.
2.Возможность ручного и автоматического конфигурирования системы защиты.
На этом же чертеже приведена структурная схема дуговой защиты секции с использованием описанной системы. Секция КРУ при этом делится на несколько зон, в которых при КЗ алгоритм функционирования и воздействия на коммутационные аппараты однотипен: отсеки ТТ и кабельной разделки; выключателей; секционного выключателя (СВ); вводного выключателя (ВВ); шинный отсек.
При КЗ в зоне 1 отключение выключателя поврежденной ячейки может быть эффективным, а электроприемники, подключенные к другим линиям, остаются в работе (сигнал ”Сраб n+1”). При КЗ в зоне 2 отключение собственного выключателя может усугубить аварию и в этом случае предпочтительней воздействие на ВВ и СВ, что безусловно приводит к отключению значительного числа потребителей (сигналы ”Сраб n+1” и ”Сраб n+2”).
При КЗ в зоне 3 альтернативы отключению ВВ и СВ не существует и поэтому формируются сигналы ”Сраб n+1” и ”Сраб n+2”.
При КЗ в зоне 4, т.е. в отсеках СВ, требуется отключение двух вводных выключателей (сигнал ”Сраб n+1”).
К полному погашению одной из секций КРУ приводит КЗ в отсеках ВВ(зона 5), так как в этом случае предусмотрено отключение коммутационного аппарата стороны высшего напряжения и СВ(сигналы ”Сраб n +3” ”Сраб n+2 ”).
Алгоритмы функционирования описанной системы дуговой защиты могут изменяться, что определяется как требованиями, предъявляемыми к ней на стадии проектирования, так и в процессе ее эксплуатации.
В системе предусмотрена функция резервирования отказов низших ступений , то есть при КЗ в зоне 1 и отказе выключателя Qn через время, равное ступени селективности, срабатывает реле отключения, воздействующее на выключатели Qn+1 и Qn+2.
Алгоритмы формирования внешних воздействий на коммутационные аппараты при повреждениях в различных отсеках КРУ разработаны авторами на основе практического выполнения дуговой защиты на базе клапанов давления, фототиристоров, ”логической” защиты шин, защит аналогичного принципа действия, с учетом мнения специалистов энергосистем и проектных организаций, а также собственного опыта разработки и внедрения рассматриваемых защит.
Проведенные испытания системы защиты РДЗ-018, в том числе и натурные испытания с токами короткого замыкания от 3 до 5 кА в ячейках КРУ напряжением 6 кВ, подтвердили ее работоспособность и эффективность, а также позволили внести ряд изменений, улучшающих электромагнитную совместимость и сервисные функции.
Заключение
Целью данного дипломного явилось разработка системы электроснабжения района города. В настоящем проекте освещены следующие вопросы: 1) определение расчетных нагрузок элеватора и района электроснабжения в целом; 2) определение центра электрических нагрузок на основе картограммы нагрузок; 3) выбор числа и мощности трансформаторов потребителей; 4) выбор числа и мощности трансформаторов ГПП; 5) расчет токов короткого замыкания; 6) на основе рассчитанных токов короткого замыкания выбор оборудования, кабелей; 7) расчет продольной дифференциальной защиты, МТЗ, защита от перегрузки, газовая защита трансформатора; 8) технико-экономический расчет; 9) рассмотрен вопрос охраны труда, который включил в себя вопросы пожаробезопасности на зерноперерабатывающем предприятии и расчет потребного количества огнетушащих средств для тушения пожаров.
В специальном вопросе рассмотрены микропроцессорная система дуговой защиты КРУ напряжением 6-10 кВ.
Литература
1. Порошенко А.Г. Проектирование электроснабжения с применением ПЭВМ. Учебное пособие / Алт. гос. техн. ун-т им. И.И. Ползунова. – Барнаул: Изд-во Алт. гос. техн. ун-та, 1994. – 162 с.
2. Справочник по оборудованию элеваторов и складов. – Изд.2-е, перераб. и доп. – М.: Колос, 1978. – 240 с.: ил.
3. Пособие к курсовому и дипломному проектированию для электроэнергетических специальностей вузов: Уч. пособие для студентов электроэнергет. спец. вузов, 2-е изд., перераб. и доп../В.М.Блок, Г.К. Обушев и др.; Под ред. В.М. Блок. – М.: Высш.шк., 1990. – 383с.:ил.
4. Федоров А.А., Стракова Л.Е. Учебное пособие для курсового и дипломного проектирования по электроснабжению промышленных предприятий: Учеб. пособие для вузов. – М.: Энергоатомиздат, 1987. – 368 с.: ил.
5. Справочник по электроснабжению промышленных предприятий. Промышленные электрические сети. 2-е изд., перераб. и доп. /Под общ. ред. АА.Федорова и Г.В. Сербинского. – М.:Энергия, 1980. – 576 с.
6. Основы техники релейной защиты / М.А. Беркович, В.В. Молчанов, В.А. Семенов. – 6-е изд., перераб и доп. – М.: Энергоатомиздат, 1984. – 376 с.
7. Родина Г.Е. Экономические и организационные вопросы разработки варианта электроснабжения объекта: Методические указания к выполнению дипломных работ констр.-технологического характера для студентов специальности 1004 всех форм обучения/Алт. политехн. ин-т им. И.И. Ползунова. – Барнаул: Б.И., 1990. – 35 с.
8. Теплов А.Ф. Галкина А.В. Охрана труда на хлебоприемных предприятиях. – М.: Колос, 1984. – 207 с., ил
Приложение Б
Определение условного центра электрических нагрузок.
Район города
Число приемников N=11
Количество интервалов времени графика нагрузки M=24
Таблица Б.1 – Исходные данные
| Номер и название электроприемника |
Координаты приемника |
Интервал времени графика нагрузки |
Мощность установленная, кВт |
|
| X |
Y |
|||
| 1 |
2 |
3 |
4 |
5 |
| 1 ТП-2 Молмаш |
306,0 |
788,0 |
1 2 3 4 5 6 7 8 9 10 11 12 13 14 15 16 17 18 19 20 21 22 23 24 |
900 900 1600 1340 1700 1480 1300 1300 1860 2060 2338 2200 2140 2100 2200 2200 2000 1960 1960 1400 1360 1400 2000 1100 |
Продолжение таблицы Б.1
| 1 |
2 |
3 |
4 |
5 |
| 2 2-й цех элеватор |
1034 |
914 |
1 2 3 4 5 6 7 8 9 10 11 12 13 14 15 16 17 18 19 20 21 22 23 24 |
50 50 50 50 50 100 300 450 566 480 470 500 250 450 450 300 200 200 200 50 50 50 50 50 |
Продолжение таблицы Б.1
1 |
2 |
3 |
4 |
5 |
3 МСК |
1274 |
940 |
1 2 3 4 5 6 7 8 9 10 11 12 13 14 15 16 17 18 19 20 21 22 23 24 |
500 520 500 500 480 580 500 600 850 1188 1150 1130 1150 1100 1080 1050 950 950 900 870 850 650 500 500 |
Продолжение таблицы Б.1
| 1 |
2 |
3 |
4 |
5 |
| 4 РП-8 |
1350 |
930 |
1 2 3 4 5 6 7 8 9 10 11 12 13 14 15 16 17 18 19 20 21 22 23 24 |
1800 1500 1750 1750 1750 1900 2600 4500 5200 5000 3500 3500 4000 3000 2750 2750 1750 4500 4750 4750 4500 3500 3250 2250 |
| 5 АРЗ |
1300 |
580 |
1 2 3 4 5 6 7 8 9 10 11 12 13 14 15 16 17 18 19 20 21 22 23 24 |
400 400 400 400 400 400 600 1200 1300 1600 1500 1737 1700 1100 1500 1600 1600 1400 1100 1300 1300 1100 1000 700 |
| 6 Молмаш ТП-1 |
1080 |
600 |
1 2 3 4 5 6 7 8 9 10 11 12 13 14 15 16 17 18 19 20 21 22 23 24 |
150 150 150 150 150 150 150 500 688 650 650 500 250 400 550 500 420 150 150 150 150 150 150 150 |
Продолжение таблицы Б.1
| 1 |
2 |
3 |
4 |
5 |
| 7 ФСК |
1090 |
160 |
1 2 3 4 5 6 7 8 9 10 11 12 13 14 15 16 17 18 19 20 21 22 23 24 |
500 500 400 400 400 400 400 500 800 1400 1713 1500 1200 1100 1500 1400 1400 800 1200 1100 900 500 500 500 |
| 8 БиКЗ |
650 |
480 |
1 2 3 4 5 6 7 8 9 10 11 12 13 14 15 16 17 18 19 20 21 22 23 24 |
1250 1100 1000 1000 1000 1100 1250 3250 5250 6055 5800 5550 4250 5000 5250 5000 4750 5000 4950 4000 3750 3750 1250 1250 |
| 9 3-й цех элеватор |
466 |
358 |
1 2 3 4 5 6 7 8 9 10 11 12 13 14 15 16 17 18 19 20 21 22 23 24 |
600 600 600 600 600 600 600 700 1600 1611 1600 1560 1500 800 1600 1611 1611 1600 1000 900 600 600 600 600 |
| 10 МЭЗ |
420 |
60 |
1 2 3 4 5 6 7 8 9 10 11 12 13 14 15 16 17 18 19 20 21 22 23 24 |
200 200 200 200 200 600 1600 2436 2300 2200 2300 1500 2000 2000 2000 1940 800 800 800 300 200 200 200 200 |
| 11 ТП-6 |
124 |
340 |
1 2 3 4 5 6 7 8 9 10 11 12 13 14 15 16 17 18 19 20 21 22 23 24 |
1200 1200 800 800 700 700 1800 1760 2900 2810 2600 2700 2400 2800 2200 1400 1400 3200 3300 3300 2800 2000 1200 1200 |
Таблица Б.2 – Координаты центра нагрузок на каждом интервале времени
| Интервал времени |
Координаты центра |
|
| SX |
SY |
|
| 1 |
787,5 |
600,8 |
| 2 |
768,1 |
590,4 |
| 3 |
774,7 |
640,1 |
| 4 |
791,7 |
634,8 |
| 5 |
775,8 |
645,3 |
| 6 |
788,0 |
620,8 |
| 7 |
738,1 |
557,8 |
| 8 |
798,4 |
560,2 |
| 9 |
773,9 |
563,1 |
| 10 |
784,7 |
556,5 |
| 11 |
750,4 |
530,4 |
| 12 |
764,4 |
549,5 |
| 13 |
786,5 |
561,4 |
| 14 |
716,9 |
532,2 |
| 15 |
743,5 |
527,3 |
| 16 |
768,0 |
535,3 |
| 17 |
758,4 |
537,1 |
| 18 |
771,3 |
587,6 |
| 19 |
774,6 |
583,1 |
| 20 |
811,8 |
599,3 |
| 21 |
826,7 |
611,7 |
| 22 |
807,1 |
613,6 |
| 23 |
843,0 |
663,5 |
| 24 |
824,1 |
621,9 |
Математическое ожидание ЦЭН: QX=780,32; QY=584,32
Среднеквадратичное отклонение ЦЭН: GX= 28,60; GY= 39,94
Коэффициент корреляции координат ЦЭН: К-0,7
Полуоси эллипса рассеяния ЦЭН: RX=102,6251; RY= 62,8189
Угол поворота осей эллипса относительно выбранной системы координат: AR=0,56 радиан; AG=32,03 градусов



