| Скачать .docx |
Курсовая работа: Різальний інструмент
МІНІСТЕРСТВО ОСВІТИ І НАУКИ УКРАЇНИ
СУМСЬКИЙ ДЕРЖАВНИЙ УНІВЕРСИТЕТ
кафедра «Технологія машинобудування, станки та інструменти »
Пояснювальна записка
до курсового проекту з різального інструменту
КР 000.000.160 ПЗ
Розробив
Шаповал О.В.
Керівник
Швець С.В.
Сумы 2008
1 Проектування радіального фасонного різця.
2 Проектування шпоночної протяжки
3 Техніко-економічне обґрунтування процесу довбання
6 Проектування циліндричної фрези
7 Технологія виготовлення циліндричної фрези
Список використаної літератури
1 Проектування радіального фасонного різця
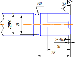
Спроектувати радіальний фасонний різець призматичної форми з кутом нахилу ріжучої кромки l=0 для обробки деталі, креслення якої приведене на рисунку 1.1. Матеріал заготовки Сталь 45.

Рисунок 1.1 – Креслення деталі
Визначення граничних відхилень на діаметри деталі
Значення діаметрів усіх вузлових точок та відхилень їх від номіналу заносимо до таблиці 1.1
Таблиця 1.1 – діаметри деталі з допустимими відхиленнями
| Параметр | Номери вузлових точок на поверхні деталі | ||||||
| 1 | 2 | 3 | 4 | 5 | 6 | 7 | |
| d, мм | 45 | 45 | 38 | 80 | 80 | 40 | 40 |
| Поле допуску | h9 | h9 | h9 | р8 | р8 | h14 | h14 |
| es, мкм | 0 | 0 | 0 | 70 | 70 | 0 | 0 |
| ei, мкм | -62 | -62 | -62 | 32 | 32 | -620 | -620 |
Вибір геометрії різця
Для призматичних різців задній кут
призначається в межах 12-18˚. Беремо
15˚. Передній куп призначаємо в залежності від матеріалу, який обробляємо. В даному випадку для сталі
. Приймаємо
15˚. Ці значення ми призначаємо у характерній точці.
Графічна побудова профілю призматичного фасонного різця з
В додатку.
Аналітичний розрахунок профілю призматичного фасонного різця з
Аналітичній розрахунок проводимо за допомогою ОЕМ за допомогою програми FASREZ.EXE (С.В. Швец, Сумы 1993г. «Расчёт профиля фасонных резцов»).
Отримані результати.

Порівняння результатів аналітичного розрахунку з результатами графічного профілювання зведені до таблиці 1.2
Таблиця 1.2 – Порівняння результатів аналітичного розрахунку з результатами графічного профілювання
| Метод розрахунку | Номер точки профіля | ||||||
| 1 | 2 | 3 | 4 | 5 | 6 | 7 | |
| Графічне профілювання | 3,1207 | 3,1207 | 0,0000 | 18,4844 | 18,4844 | 0,8950 | 0,8950 |
| Аналітичний розрахунок | 3,1206 | 3,1206 | 0,0000 | 18,4844 | 19,4844 | 0,8945 | 0,8945 |
| Розбіжність, % | 0,003 | 0,003 | 0,000 | 0,000 | 0,000 | 0,056 | 0,056 |
За результатами порівняння робимо висновок, що розбіжність між результатами аналітичного розрахунку на ЕОМ та графічного профілювання дуже незначне.
Конструкторське доопрацювання інструмента
При віддаленні від центра деталі, на деяких проміжках різальної кромки передній кут може настільки зменшитися, що його значення буде меншим від значення нижньої межі рекомендацій (g=50 ). у цьому випадку необхідно на передній поверхні робити заглиблення.
Визначимо значення переднього кута у будь-якій точці різальної кромки за формулою:

;
;
;
.
;
![]()
Так як всі значення передніх кутів більші нижньої межі рекомендації, заглиблення на передній поверхні робити не потрібно.
Для зменшення тертя на задній поверхні на проміжках, перпендикулярних до осі деталі, залишаємо стрічку f1 шириною 0,2-0,3 мм (рисунок 1.2).

Рисунок 1.2 – Захід для зменшення тертя
Загальна довжина різця встановлюється таким чином: з боку відкритого кінця заготовки довжину розрахункового профілю різця, що дорівнює довжині деталі, збільшують на 2-3 мм (щоб перекрити допуск на заготовку та похибки її базування); з протилежного боку робимо виступ шириною 3-6 мм для підготовки поверхні під відрізний різець. Боки виступу зрізаємо під кутом 150 .
Допуски на розміри інструменту дорівнюють 0,33-0,25 від допусків на відповідні розміри деталі. Беремо 0,25. Результати розрахунків заносимо до таблиці 1.3.
Таблиця 1.3 – Допуски на розміри профілю різця
Номерточки |
Діаметр деталі | Допуск на разм ірдеталі | Допуск на розмір профілю різця | |
| позначення | Числовое значення | |||
| 1 | 45 | h9 | 0,062 | 0,0155 |
| 2 | 45 | h9 | 0,062 | 0,0155 |
| 3 | 38 | h9 | 0,062 | 0,0155 |
| 4 | 80 | р8 | 0,038 | 0,0095 |
| 5 | 80 | р8 | 0,038 | 0,0095 |
| 6 | 40 | h14 | 0,620 | 0,155 |
| 7 | 40 | h14 | 0,620 | 0,155 |
2 Проектування шпоночної протяжки
- матеріал деталі – Сталь 45;
- діаметер вала – 110 мм;
- розмір шпонки – 28х16;
- довжина втулки – 40 мм;
- зєднання – щільне.
Ескіз оброблюваної поверхні поданий на рисунку 2.1.

Рисунок 2.1 – Ескіз оброблюваної поверхні
Робоча частина протяжки складається з секції чорнових зубів, з секції чистових зубів та з секціїї калібрувальних зубів.
Вибираємо конструкцію протяжки – плоска протяжка з тонким тілом. Ескіз вибраної протяжки наведений на рисунку 2.2.

Рисунок 2.2 – Ескіз шпоночної протяжки з плоским тілом
Схема різання – одинарна. Метод формоутворення поверхні – генераторний.
Призначаємо підйом на зуб:
мм.
Визначаемо кількість зубів чорнової секції:
,
де
- підйом на зуб;
- припуск на чистову секцію, приймаємо
;
А – загальній припуск, який визначаємо за формулою
,
де
- розмір, отриманий після обробки,
мм;
- найменший розмір до обробки,
мм.
Отже
мм;

Визначаємо крок зубів чорнової секції:
,
де
- довжина обробливаної деталі,
мм.
Тоді
мм.
Округляємо отримане значення кроку до найближчого рекомендованого значення
мм. В залежності від кроку визначаємо конструктивні параметри стружкової канавки:
мм;
мм;
мм;
мм.

Рисунок 2.3 – Ескіз стружкової канавки
Перевіряємо глибину стружкової канавки за коефіцієнтом заповнення. Дана перевірка полягає у виконанні наступної умови:
,
де
- розрахункова висота канавки, яку визначаємо за формулою:
![]()
де
- коефіцієнт заповнення стружкової канавки протяжки, приймаемо
.
Отже:
мм,
тоді маємо
. Очевидно, дана нерівність виконується. Відповідно, умови розміщення стружки в спроектованій стружковій канавці – нормальні, і не потрібно додаткового конструкторського доопрацювання канавки.
Перевіряємо протяжку на міцність, виходячи з умови:

де
- зусилля протягування, визначаємо за формулою
![]()
де
- питома сила різання при протягуванні,
кгс/мм2
;
- максимальна кількість зібів, одночасно працюючих під стружкою визначаємо за формулою
;
- площа небезпечного перерізу, приймається за розміром першої впадини, мм2
.
Виконуємо розрахунки за наведеними вище формулами:
, приймаємо ![]()
кгс.
Визначаємо розмір першої западини та її площу:
![]()
де
- висота протяжки за першим зубом,
мм,
мм2
.
Перевіряємо умову міцності протяжки згідно наведеної вище формули:
кгс/мм2
,
Де
- допустиме навантаження, для шпоночних протяжок
кгс/мм2
.
Очевидно, умова міцності виконується для прийнятих параметрів.
Призначаємо геометрію різальної частини протяжки:
- величину переднього кута в залежності від оброблюваного матеріалу приймаємо ![]()
- величину заднього кута в залежності від виду протягування приймаємо
для зубів чорнової секціі та
для зубів чистової та калібрувальнох секції.
Визначаємо довжину робочої частини протяжки:
мм.
Підбираємо станок для протяжки – станок моделі 7Б55:
1. Номінальна тягова сила, кН – 100.
2. Найбільша довжина ходу, мм – 1250.
3. Розмір робочої поверхні опорної плити, мм2 – 450х450.
4. Швидкість робочого ходу протяжки, м/хв – 1,5-11,5.
5. Рекомендована швидкічть зворотньного ходу протяжки, м/хв – 20-25.
6. Потужність єлектродвигуна, кВт – 18,5.
Вибираємо плоских хвостовик для протяжки згідно ГОСТ 4043-70. Ескіз хвостовика протяжки поданий на рисунку 2.4.

Рисунок 2.4 – Ескіз хвостовика протяжки
Загальна довжина гладких частин:
![]()
де
- довжина хвостовика,
мм;
- довжина входу патрона в отвір станка,
мм;
- товщина опарної плити станка,
мм;
- довжина виступаючої частини опорго кільця,
мм;
- довжина фланця направляючої оправки,
мм;
- довжина посадочної частини оправки,
мм;
- довжина, необхідна для безпроблемного насадження виробу,
мм.
Отже:
мм.
Загальна довжина протяжки:
мм;
Приймаємо
мм; допуск
мм.
Матеріал протяжки – інструментальна легована сталь ХВГ (ГОСТ 5950-51).
Визначимо допуски на розміри калібрувальної частини

Рисунок 2.5 Допуск калібрувальної частини
![]()
![]()
Приймаємо
мкм.
мкм.
3 Техніко-економічне обґрунтування процесу довбання
Вихідні дані:
- подача
мм/дв.хід;
- швидкість
м/хв..
Розрахунки:
Машинний час при довбанні:
![]()
де L – відстань шляху, який інструмент проходить в напрямку подачі, мм;
В – ширина оброблюваної поверхні, мм;
- величина врізання и перебігу інструменту, мм;
- додаткова величина для взяття пробної стружки, мм;
n – кількість подвійних ходів столу станка, мм;
і – кількість проходів.
мм.

Де m – відношення швидкості робочого ходу до швидкості холостого ходу (m=0,24);
V – розрахункова швидкість, вибрана за нормативами різання (V=14,7) м/хв.;
- довжина ходу стола, дорівнює сумі довжин оброблюваної поверхні L (L=44 мм) та перебігу стола в обидві сторони
(
мм).
подв.х/хв..
хв..
Розрахуємо основний машинній час для шпоночної протяжки та прирівняємо його до машинного часу довбача:

де
- коефіцієнт, враховуючий зворотній прискорений хід;
q – кількість одночасно оброблюваних заготівок;
і – кількість робочих ходів.
![]()
Де
- довжина робочої частини протяжки;
- перебіг (
мм).

хв..
Таким чином, застосування протяжки в
разів ефективніше за використання довбача.
4 Проектування розвертки
Вихідні дані:
- матеріал розвертки інструментальна сталь;
- діаметр отвору 32Н6;
- матеріал оброблюваної деталі Сталь 45Х.
Проектування розвертки:
1. Призначаємо машинну циліндричну розвертку з конічним хвостовиком.
2. Визначаємо конструктивні параметри різальної частини і її довжину:
a. Кут в плані
;
b. Передній кут
;
c. Задній кут
;
3. Довжина калібрувальної частини 8 мм.
4. Кількість зубів – 10, кут нахилу гвинтової канавки
.
5. Параметри профілю стружкових канавок.
a.
;
b.
;
c.
.
6. Всі розміри розвертки беремо згідно ГОСТ 1672-71
7. Хвостовик – конус Морзе 3.
8. Довжина розвертки
.
9. Виконавчий розмір розвертки

мм.
мм.
5 Проектування мітчика
Вихідні дані:
- мітчик машинній для наскрізних отворів;
- позначення М30х2 – G6.
Послідовність розрахунків і конструювання мітчика:
1. Середній та внутрішній діаметри
-
мм;
-
мм.
2. Клас мітчика – 2.
3. Граничні відхилення на зовнішній діаметр
;
мм;
мм;
мм.
4. Граничні відхилення на середній діаметр
мм;
мм;
мм.
5. Відхилення на внутрішній діаметр
.

Рисунок 5.1 – Схема розміщення полів допуску на різь мітчика
6. Кількість стружкових канавок – 4.
7. Ширина пера та діаметр серцевини
мм;
мм.
8. Довжина різальної частини
мм.
9. Кут ![]()
,
де
мм;
мм;
;
.
10. Довжина мітчика
мм.
11. Довжина калібрувальної частини
мм.
12. Товщина зрізування
мм.
13. Діаметр торця ![]()
14. Призначаємо геометрію лез
o передній кут
;
o задній кут
.
15. Коефіцієнт затилування
.
16. Параметри профілю стружкової канавки
;
;
;
17. Кут нахилу стружкової канавки дорівнює нулю, оскільки отвір наскрізній.
18. Відхилення половини кута профілю мітчика
; допуск кроку різі приймаємо
.
19. Приєднувальна частина по ГОСТ 3266-81

Рисунок 5.2 – Приєднувальна частина
6 Проектування циліндричної фрези
Вихідні дані:
- тип фрези – циліндрична;
- ширина фрезерування
мм;
- припуск
мм;
- оброблюваний матеріал – Сталь 15Г.
Послідовність розрахунків:
1. Зовнішній діаметр фрези
![]()
мм.
Приймаємо стандартне значення
мм.
2. Діаметр приєднувальної частини
мм.
Приймаємо стандартне значення
мм.
3. Розраховуємо кількість зубів
,
де
тоді

Округлюємо до цілого парного числа
.
4. Кут нахилу зубів

5. Форма зуба та його параметри
- призначаємо зуб з заокругленою спинкою;
- крок по колу
мм;
- кут кроку
;
- висота зуба
мм;
- радіус заокруглення
мм;
- радіус дуги кола
мм
6. Довжина фрези.
Відповідно до стандартного ряду та залежно від ширини фрезерування призначаємо
мм.
7. Довжина приєднувальної частини та діаметр виточки:
- довжина приєднувальної частини
мм. Округлимо до 29 мм;
- діаметр виточки
мм.
8. Геометрія зуба
- задній кут ![]()
- передній кут ![]()
9. Отвір фрези та шпоночний паз виконуємо згідно ГОСТ 9472-83.
7 Технологія виготовлення циліндричної фрези
| № | Назва та зміст операції | Ескіз та технічні вимоги | Назва станка та інструменту | Режим обробки | Операційний час | |
м/хв |
мм/об |
|||||
| 1 | 2 | 3 | 4 | 5 | 6 | 7 |
| 1 | Відрізна. Відрізати заготовку | ![]() |
Токарно-відрізний напівавтомат моделі МК-244. Різець відрізний b=4 мм. | 20 | 0,2 | 0,28-0,6 |
| 2 | Шліфувальна. Зняти залишки після відрізки з однієї сторони | ![]() |
Точильно-шліфувальний станок. Шліфувальний круг ПП500х63х127-2А -24-СТ1-5-К-20 м/с-Б, ГОСТ 2424-67 | 20 | Ручна | 0,1 |
3 |
Токарна. Обробити отвір і перший торець Позиція VI : зняти деталь, встановити заготівку. Позиція I : центрувати, підрізати торець попередньо Позиція II : свердлити проточити по зовнішньому діаметру попередньо Позиція III : свердлити наскрізь, підрізати торець в розмір 127,7 |
|
Токарний напівавтомат моделі 1А240П-6 Свердло спіральне Різець підрізний Т15К6 Свердло спіральне Різець прохідний Т15К6 Свердло спіральне Різець підрізний Т15К6 |
15 35 15 35 15 35 5 |
0,13 0,09 0,13 0,09 0,13 0,09 6 |
1,1-1,7 7 |
Позиція IV : розвернути отвір, зняти фаску Позиція V : розвернути отвір кінцево |
|
Розвертка чорнова Різець фасонний Розвертка чистова |
8 35 8 |
0,2 0,04 0,2 |
1,1-1,47 |
|
4 1 |
Токарна. Обробити другий торець і зовнішній діаметр Позиція IV : зняти деталь, установити заготовку Позиція I : підрізати торець попередньо Позиція II : проточити по зовнішньому діаметру попередньо Позиція III : підрізати торець начисто Позиція IV : проточити по зовнішньому діаметру остаточно, проточити фаску 2 |
3 |
Токарний напівавтомат 1А240П-6 Різець підрізний Т15К6 Різець прохідний Т15К6 Різець підрізний Т15К6 Різець Різець прохідний Т15К6 4 |
47 47 47 47 47 5 |
0,09 0,14 0,09 0,14 0,14 6 |
0,8-1,05 7 |
Позиція V : зенкерувати фаску в отворі |
![]() |
Зенкеровка |
20 |
0,14 |
0,8-1,05 |
|
| 5 | Токарна. Обточити по зовнішньому діаметру остаточно Підрізати торець приєднувальної частини і підправити фаску |
![]() |
Токарно-револьверний станок моделі 1341 Різець прохідний прямий Т15К6 |
120 120 |
0,2 0,1 |
0,79-1,23 |
| 6 | Токарна. Підрізати другий торець і підправити фаску | ![]() |
Токарно-револьверний станок моделі 1341 Різець прохідний прямий Т15К6 |
120 |
0,1 |
0,79-1,23 |
| 7 | Розточка. Розточити виточку | ![]() |
Спеціальний токарний модернізований напівавтомат на базі автомата моделі КТ-60 Різець розточний Т15К6 |
80 |
0,1 |
0,94-1,0 |
| 8 | Потягування. Протягнути шпоночний паз | Горизонтально-протяжний напівавтомат 7А510 | 4 | 0,02 | 0,12-0,4 | |
| 9 | Фрезерна. Фрезерувати стружкові канавки | ![]() |
Фрезерний напівавтомат моделі 6В-2МР | 44 | 20 мм/хв | 0,43-0,41 |
| 10 | Столярна. Зачистити заустенці після фрезерування. Зняти фаску на ребрах шпоночного пазу. | Столярний верстак. Напильник №1-2 | 0,65-0,73 | |||
| 1 | 2 | 3 | 4 | 5 | 6 | 7 |
| 11 | Маркувальна. Клеймувати. | ![]() |
Прес П472А. Клеймо твердосплавне ВК20 | 0,2-0,26 | ||
| 12 | Термічна. Закалити Відпустити Виварити Травити Промити |
Напівавтоматичний агрегат для комплексної термообробки | Т, С 1260-1280 560 80-90 25-40 15-20 |
0,5-1,0 | ||
| 13 | Шліфувальна. Шліфувати отвір. | ![]() |
Круглошліфувальний станок моделі 3А225. Шліфувальний круг ПП32х10х10-2А-16-СТ1-5-Б-18 м/с А, ГОСТ 2424-67 | 18 25 |
4 0,01 |
1,87-2,08 |
| 14 | Шліфувальна. Шліфувати по зовнішньому діаметру попередньо | ![]() |
Круглошліфувальний станок моделі 3Б153. Шліфувальний круг ПП350х40х127-2А-25/40-СМ1/СМ2-5-К-25 м/с А, ГОСТ 2424-67 | 35 25 |
1 |
0,76-0,98 |
| 15 | Шліфувальна. Шліфувати по зовнішньому діаметру з припуском під кінцеву обробку |
|
Круглошліфувальний станок моделі 3Б153. Шліфувальний круг ПП350х40х127-6С-50-СТ1-5-К-35 м/с А, ГОСТ 2424-67 | 35 20 |
4 |
0,85-1,22 |
| 16 | Заточка. Заточити передні поверхні зубів |
|
Заточний станок моделі 3А64Д. Шліфувальний круг. | 40 |
10 |
1,5-2,07 |
| 17 | Заточка. Заточити задні поверхні зубів. |
|
Заточний станок моделі 3А64Д. Шліфувальний круг. | 25 |
4 0,04 |
1,0-1,1 |
| 18 | Шліфувальна. Шліфувати зуби по зовнішньому діаметру остаточно | ![]() |
Круглошліфувальний станок моделі 3Б153. Шліфувальний круг 2720-0150 А63/50 100К ГОСТ 161-67 |
35 |
1 глибина різання 0,03мм |
1,13-1,54 |
| 19 | Хіміко-термічна Промити Сушити Цианувати Охолодити Виварити Промити Пасивіровать |
Т, С 85-90 300-350 555 20 85-95 85-95 60-70 |
0,05-0,4 |
|||
| 20 | Контрольна. Протестувати на працездатність | Фрезерний станок | ||||
| 21 | Упаковочна. Провести антикорозійну обробку і упакувати | Ванна, стіл | 0,4-1,0 | |||
Список використаної літератури
1. Руководство по курсовому проектированию металлорежущих инструментов: Учеб. пособие для вузов по специальности «Технология машиностроения, металлорежущие станки и инструменты»/Под общ. ред. Г.Н. Кирсанова – М.: Машиностроение, 1986. – 228с.: ил.
2. Швець С.В. Металорізальні інструменти: Навчальний посібник. – Суми: Вид-во СумДУ, 2007. – 185 с.
3. Справочник технолога – машиностроителя. В2-х т. Т2/ Под ред. А. Г. Косиловой и Р. К. Мещерякова. – М.: «Машиностроение»,1986.
4. Семенченко И.И. и др. Проектирование металлорежущих инструментов. – М.: Машгиз, 1963.
5. Общемашиностроительные нормативы времени и режимов времени для нормирования работ, выполняемых на универсальных и многоцелевых станках с числовым программным управлением. II часть – М.: «Экономика», 1990, с.473
6. Справочник инструментальщика И.А Ординарцев, Г.В. Филлипов, А.Н. Шевченко и др.; Под общей ред. И.А. Ординарцева. – Л.: Машиностроение. Ленинград отд-ние, 1987 – 846с.: ил.




















