| Скачать .docx |
Реферат: Расчет релаксационного генератора на ИОУ
КУРСОВАЯ РАБОТА |
|||||
| ДИСЦИПЛИНА: Электроника ТЕМА: Расчет релаксационного генератора на ИОУ ИСПОЛНИТЕЛЬ: ПРЕПОДАВАТЕЛЬ: |
|||||
СОДЕРЖАНИЕ
1. ОБОСНОВАНИЕ ВЫБОРА СХЕМЫ... 7
3. СПЕЦИФИКАЦИЯ ЭЛЕМЕНТОВ СХЕМЫ... 17
СПИСОК ИСПОЛЬЗУЕМОЙ ЛИТЕРАТУРЫ... 19
ЗАДАНИЕ
Разработать и рассчитать релаксационный генератор на ИОУ
(интегральной схеме операционного усилителя) в соответствии с данными, представленными:
· вид генератора - мультивибратор
· режим работы – автоколебательный
· период следования импульсов Т, мс – 0.09
· длительность выходного импульса tu , мкс – 35
· длительность фронта выходного импульса
, мкс - ![]()
Проанализировать нестабильность длительности генерируемых импульсов разработанного релаксационного генератора в зависимости от разброса параметров навесных элементов.
ВВЕДЕНИЕ
Неотъемлемой частью почти любого электронного устройства является генератор гармонических или каких-либо других колебаний. Кроме очевидных случаев автономных генераторов (а именно генераторы синусоидальных сигналов, генераторы каких-либо функций, импульсные генераторы) источник регулярных колебаний необходим в любом периодически действующем измерительном приборе, в устройствах инициирующих измерения или технологические процессы, и вообще в любом приборе, работа которого связана с периодическими колебаниями.
Они присутствуют практически везде. Так, например, генераторы колебаний специальной формы используются в цифровых мультиметрах, осциллографах, радиоприемниках, ЭВМ, в любом периферийном устройстве ЭВМ (накопители на магнитной ленте или магнитных дисках, устройство печати, алфавитно-цифровой терминал), почти в любом цифровом приборе (счетчики, таймеры, калькуляторы и любые приборы с “многократным отображением”) и во множестве других устройств.
Устройство без генератора либо, либо предназначено для подключения к другому (которое скорее всего содержит генератор).
В зависимости от конкретного применения генератор может использоваться просто как источник регулярных импульсов («часы» в цифровой системе); от него может потребоваться стабильность и точность (например, опорный интервал времени в частотомере), регулируемость (гетеродин передатчика или приемника) или способность генерировать колебания в точности заданной формы (как например, генератор горизонтальной развертки осциллографа).
Возможность построения мультивибратора на ИОУ (интегральный операционный усилитель) обусловлена тем, что при соединении выхода ИОУ с его неинвертирующим входом получаем замкнутую резисторную или резисторно-конденсаторную цепь положительной обратной связи, обеспечивающую возможность возникновения лавинообразных процессов.
При этом напряжение на выходе ИОУ меняется скачкообразно от своего максимального до минимального значения и наоборот – при изменении знака напряжения входного дифференциального сигнала.
В импульсных устройствах широкое применение находят генераторы, выходное напряжение которых имеет форму, резко отличающуюся от синусоидальных. Колебания такой формы носят название релаксационных и бывают прямоугольными, пилообразными, пилообразно-импульсными и т.д.
Мультивибратор является релаксационным генератором. Он может работать в режиме автоколебаний, либо в ждущем режиме.
В режиме автоколебаний он не имеет состояния устойчивого равновесия. При работе мультивибратора в этом режиме существуют два чередующихся состояния квазиравновесия. Состояние квазиравновесия характеризуется сравнительно медленным изменением токов и напряжений, приводящих к некоторому критическому состоянию, при котором создаются условия для скачкообразного перехода мультивибратора из одного состояния в другое. Период колебаний при этом зависит от параметров схемы.
В ждущем режиме мультивибратор имеет состояние устойчивого равновесия и состояние квазиравновесия. Переход из первого во второе происходит в результате воздействия внешних запускающих импульсов, а возвращение в устойчивое состояние - самостоятельно по истечении некоторого времени, зависящего от параметров схемы.
1. ОБОСНОВАНИЕ ВЫБОРА СХЕМЫ
Итак, мультивибратор – это релаксационный генератор, вырабатывающий импульсы почти прямоугольной формы. При выборе схемы реализации данного устройства мы будем стараться найти оптимальный вариант между простотой, низкой стоимостью и исходными данными задания.
Найдем скважность генерируемых импульсов:
|
|
(1) |
где Т=0,09 мс – период следования импульсов
tu =35 мкс – длительность выходного импульса
В нашем случае требуется получить генерируемые импульсы большой скважности
, следовательно, цепь заряда конденсатора должна отличаться от цепи разряда.
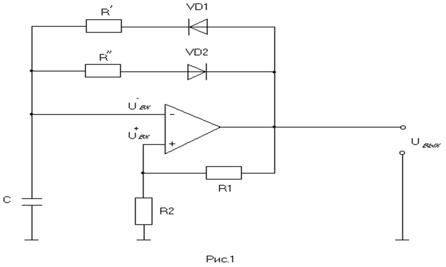
Выберем схему мультивибратора на ОУ, приведенной на рисунке №1.
В данном случае положительная обратная связь обеспечивается делителем напряжения на резисторах R1, R2.
В момент t
=0
(рис.2) включается источник питания ИОУ. При этом начинает возрастать
, а следовательно, и напряжение, снимаемое с делителя R1, R2 и поданное на вход
, что вызывает дальнейшее увеличение выходного напряжения
, т.е. происходит лавинообразный процесс, в результате которого
скачкообразно возрастает до значения
(это первое состояние квазиравновесия), а
- до значения
, где
|
|
(2) |
Напряжение
при этом практически не изменяется и равно нулю.
С увеличением t
за счет заряда конденсатора через резистор
увеличивается напряжение
по экспоненциальному закону
до значения Е.
В момент времени
. При этом
уменьшается лавинообразно, меняя полярность на противоположную. В результате окончания этого лавинообразного процесса
, а
.
Конденсатор начинает разряжаться через резистор
и стремится перезарядиться до напряжения
.
В момент, когда при перезагрузке конденсатора напряжение
достигает значения
, вновь возникает регенеративный процесс, завершающийся переключением схемы во второе состояние квазиравновесия.
Таким образом, периодически происходит переход из одного состояния квазиравновесия в другое.
Первый импульс имеет меньшую длительность
, т.к он формулируется при зарядке конденсатора от нуля до
, и определяется по формуле:
, где ![]()
Последующие импульсы определяются по формуле:
|
|
(3) |
Период следования импульсов в нашем случае равен:
|
|
(4) |
где
и
- сопротивления зарядного и разрядного резисторов соответственно.
Синфазный сигнал
мал и
, а максимальный дифференциальный сигнал
.
При выборе интегральной схемы операционного усилителя (ИОУ) необходимо обратить особое внимание на тот факт, что во избежании выхода из строя ИОУ требуется выполнение условия
, следовательно,
, где
- допустимый дифференциальный сигнал.
Выбор резисторов
и
с одной стороны должен обеспечивать выполнение вышеуказанного условия для
, а с другой стороны – обеспечивать требуемую по заданию длительность генерируемого импульса
по формуле (3).
2. РАСЧЕТНАЯ ЧАСТЬ
Опираясь на результаты теоретической части данной работы, выберем ИОУ, удовлетворяющий основным требованиям задания и выбранной схемы реализации мультивибратора, а также произведем расчет отдельных элементов схемы обеспечивающих выполнение требуемых параметров устройства.
Выберем К574УД1 – быстродействующий операционный усилитель с полевыми транзисторами на входе. Обладает высоким входным сопротивлением, большой частотой единичного усиления и высокой скоростью нарастания выходного напряжения.
Допустимые значения параметров:
E=
15, B
Uвых мах
=
10, В
Uсф м
=
10, В
Кu =50000
Rвх =10000 МОм
Rвых =1 кОм
Vu вых =90 в/мкс
1) Согласно теоретической части работы:
![]()
, следовательно
![]()
, также
![]()
2) Подберем параметры резисторов R 1 и R 2 .
Реальные значения
и
оказывают влияние на длительность и форму генерируемых импульсов. Однако это влияние незначительно, если
сопротивления резисторов R 1 и R 2 удовлетворяют неравенствам:
|
|
|
|
Следовательно, R 1 и R 2 должны лежать в пределах от
1 кОм до 10000 МОМ, а также должно выполняться
.
Возьмем
кОм и
кОм
условие выполнено.
3) Подберем параметры для времязадающей цепи:
Чем меньше
, тем быстрее происходит перезаряд конденсатора и тем выше частота выходного сигнала.
Однако следует иметь в виду, что при малых значениях постоянной времени может наблюдаться явление возбуждения паразитных колебаний. Для обеспечения устойчивости генерации коротких импульсов целесообразно использовать наиболее рациональный путь – уменьшение коэффициента связи по неинвертирующему входу
при значениях времязадающей цепи, превышающих критическую величину. При этом стабильная работа мультивибратора наблюдается при значениях
.


с
Необходимо подобрать параметры
,
и
таким образом, чтобы выполнить равенство.
с.
Выберем
Ом
,
Ом
,
Ф
учитывая, что на разряд конденсатора времени должно уйти больше чем на заряд.
с.
мс.
4) Длительность фронтов выходных импульсов в рассматриваемом мультивибраторе зависят от предельной скорости
вых
нарастания выходного напряжения используемой микросхемы операционного усилителя:
, у нас по условию задания
мкс.
условие выполнено.
Длительность фронта выходного импульса
. Чем меньше отношение
тем форма импульса ближе к прямоугольной.
![]() |
![]() |
3. СПЕЦИФИКАЦИЯ ЭЛЕМЕНТОВ СХЕМЫ
| № п/п |
Обозначение |
Тип |
Количество |
| 1 |
|
Резистор МЛТ-0,5 – 1.3 кОм 5% |
1 |
| 2 |
|
Резистор МЛТ-0,5 – 3.6 кОм 5% |
1 |
| 3 |
|
Резистор МЛТ-0,5 – 9.1 кОм 5% |
1 |
| 4 |
|
Резистор МЛТ-0,5 – 4.7 кОм 5% |
1 |
| 5 |
|
Конденсатор К1030 – 0.01 мкФ |
1 |
| 6 |
|
Операционный усилитель К574УД1 |
1 |
ЗАКЛЮЧЕНИЕ
В курсовой работе был разработан релаксационный генератор на ИОУ с большой скважностью генерируемых импульсов в режиме автоколебания. В процессе ее выполнения получены навыки выбора схемы и ее элементов в зависимости от необходимого результата.
Приобретены знания об основных свойствах интегральных операционных усилителей, используемых при построении импульсных генераторов различного назначения, в частности с использованием в данной курсовой работе ИОУ К574УД1.
СПИСОК ИСПОЛЬЗУЕМОЙ ЛИТЕРАТУРЫ
1. П. М. Грицевский, А. Е. Мамченко, Б. М. Степенский Основы автоматики, импульсной и вычислительной техники. - М.; «Радио и связь», 1987г.
2. П. Хоровиц, У. Хилл Искусство схемотехники-1 – М.; «Мир» 1993 г.
3. Справочник: Интегральные микросхемы. Операционные усилители Том I. – М.; ВО «Наука» 1993г.
ПРИЛОЖЕНИЕ






,
