| Скачать .docx |
Курсовая работа: Проектирование привода к ленточному конвейеру
Министерство образования и науки Российской Федерации
Федеральное агентство по образованию
Государственное образовательное учреждение
высшего профессионального образования
«Комсомольский-на-Амуре государственный
технический университет»
Институт КПМТО
Кафедра МАХП
ПОЯСНИТЕЛЬНАЯ ЗАПИСКА
к курсовому проекту
по дисциплине «Детали машин»
Проектирование привода к ленточному конвейеру
Студент З.С. Асотова
Преподаватель А.Н. Козлита
2008
Содержание
1. Выбор двигателя. Кинематический расчет привода
1.1 Определение мощности и частоты вращения двигателя
1.2 Кинематический расчет привода
1.2.1 Определение передаточного числа привода и его ступеней
1.2.2 Определение силовых параметров привода
2. Выбор материала зубчатой конической передачи. Определение допускаемых напряжений
2.1 Выбор твердости, термической обработки и материала зубчатой конической передачи
2.2 Определение допускаемых напряжений
3. Расчет зубчатой конической передачи редуктора
3.1 Проектный расчет
3.2 Проверочный расчет
3.3 Дополнительные размеры валов
4. Расчет открытой клиноременной передачи
4.1 Проектный расчет
4.2 Проверочный расчет
5. Нагрузки валов редуктора
5.1 Определение сил в зацеплении закрытой передачи
5.2 Определение консольных сил
5.3 Силовая схема нагружения валов редуктора
6. Проектный расчет валов. Эскизная компоновка редуктора
6.1 Выбор материала валов
6.2 Выбор допускаемых напряжений на кручение
6.3 Определение геометрических параметров ступеней валов
6.4 Предварительный выбор подшипников качения
6.5 Эскизная компоновка редуктора
7. Расчетная схема валов редуктора
8. Проверочный расчет подшипников
8.1 Определение эквивалентной динамической нагрузки
8.2 Определение пригодности подшипников
9. Конструктивная компоновка привода
9.1 Конструирование элементов открытой и закрытой передачи
9.1.1 Конструирование зубчатого конического колеса
9.1.2 Вал-шестерня
9.1.3 Установка колес на валах
9.1.4 Регулирование осевого положения колес (регулирование зацепления)
9.2 Конструирование валов
9.3 Выбор соединений
9.4 Конструирование подшипниковых узлов
9.4.1 Выбор посадок колец подшипников
9.4.2 Схемы установки подшипников
9.4.3 Конструирование стаканов
9.4.4 Конструирование крышек подшипников
9.5 Конструирование корпуса редуктора
9.5.1 Конструктивное оформление опорной части корпуса
9.5.2 Прочие конструктивные элементы корпусных деталей
9.6 Смазывание и уплотнение
9.6.1 Смазочные устройства
9.6.2 Уплотнительные устройства
9.7 Конструирование элементов открытой передачи
9.8 Выбор муфты
Список использованных источников
1. Выбор двигателя. Кинематический расчет привода
Двигатель является одним из основных элементов машинного агрегата. От типа двигателя, его мощности, частоты вращения и прочего зависят конструктивные и эксплуатационные характеристики рабочей машины и ее привода.
1.1 Определение мощности и частоты вращения двигателя
Мощность двигателя зависит от требуемой мощности рабочей машины, а его частота вращения – от частоты вращения приводного выла рабочей машины.
По условию
.
Рекомендуемые значения КПД отдельных звеньев кинематической цепи:
![]()
Общий коэффициент полезного действия:
![]()
Требуемая мощность электродвигателя:

По таблице [1, таблица 19.28] выбираем электродвигатель АИР132S8: ![]()
1.2 Кинематический расчет привода
1.2.1 Определение передаточного числа привода и его ступеней
Общее передаточное число привода:
где
что дано по условию.
С другой стороны
г
де
Примем ![]()
1.2.2 Определение силовых параметров привода
Частота вращения выходного вала: ![]()
Частота вращения входного вала:
![]()
Вращающий момент на приводном валу элеватора:

Момент на быстроходном валу редуктора:
![]()
Момент на тихоходном валу редуктора:
![]()
Момент на выходном валу привода:
![]()
![]()

2. Выбор материала зубчатой конической передачи. Определение допускаемых напряжений
2.1 Выбор твердости, термической обработки и материала зубчатой конической передачи
Сталь в настоящее время – основной материал для изготовления зубчатых колес.
Для равномерного изнашивания зубьев и лучшей их прирабатываемости твердость шестерни назначается больше твердости колеса.
Выберем для колеса и шестерни сталь марки 40Х с термообработкой по варианту II [1], т.е. термообработка колеса – улучшение 269…302 НВ, а шестерни – закалка с нагревом ТВЧ, 45…50 HRС. Средняя твердость:
- для колеса ![]()
- для шестерни
или ![]()
Разность средних твердостей рабочих поверхностей зубьев составляет:
![]()
2.2 Определение допускаемых напряжений
База испытаний при расчете на контактную прочность
:
- для колеса ![]()
- для шестерни ![]()
База испытаний при расчете на изгиб ![]()
Действительные числа циклов нагружений:
- для колеса

- для шестерни

Так как
и
, то коэффициенты долговечности:
![]()
Следовательно, допускаемые контактные напряжения и напряжения изгиба:
![]()
По формулам таблицы 2.2 [1] пределы выносливости, соответствующие базовым значениям равны:
- для колеса
![]()
![]()
- для шестерни
![]()
![]()
Так как колеса прямозубые, то в расчетную формулу подставляем
коэффициент
для режима термообработки II коэффициент ![]()
3. Расчет зубчатой конической передачи редуктора
3.1 Проектный расчет
3.1.1 Диаметр внешней делительной окружности колеса:

3.1.2 Углы делительных конусов, конусное расстояние и ширина колес
Углы делительных конусов колеса и шестерни:
![]()
![]()
Конусное расстояние:

Ширина колес (значение округляем до целого числа по ряду
[2, таблица 13.15]):
![]()
3.1.3 Модуль передачи
Коэффициент
т.к. зубья полностью прирабатываются (
). Для прямозубых колес при твердости зубьев
значение коэффициента
Коэффициент
Допускаемое напряжение изгиба для колеса
(оно меньше, чем для шестерни).

3.1.4 Числа зубьев колес:
Число зубьев колеса

Число зубьев шестерни

3.1.5 Фактическое передаточное число

Отклонение от заданного передаточного числа:
,
что допустимо.

3.1.6 Окончательные размеры колес
Углы делительных конусов колеса и шестерни:
![]()
![]()
Дополнительные диаметры колес:
![]()
![]()
Средние диаметры колес:
![]()
![]()
Коэффициенты смещения:
, т. к. ![]()
Внешние диаметры колес:
![]()
![]()
3.2 Проверочный расчет
3.2.1 Пригодность заготовок колес:
![]()
![]()
Условия пригодности заготовок выполнены:

![]()
![]()
3.2.2 Силы в зацеплении
Окружная сила на среднем диаметре колеса:

Осевая сила на шестерне, равная радиальной силе на колесе:
![]()
Радиальная сила на шестерне, равная осевой силе на колесе:
![]()
3.2.3 Проверка зубьев колес по напряжениям изгиба
Коэффициенты смещения: ![]()
Эквивалентное число зубьев:


По таблице 2.9 [1] находим:
![]()
Напряжения изгиба в зубьях колеса:

Напряжения изгиба в зубьях шестерни:

Напряжения изгиба в зубьях колеса и шестерни меньше допускаемых.
3.2.4 Проверка зубьев колес по контактным напряжениям
Расчетное контактное напряжение:

Расчетное напряжение несколько превышает допускаемое (583,7086/581 ≈ 1,005), что однако находится в допустимых пределах.
3.3 Дополнительные размеры валов
Для построения компоновочной схемы нужно дополнительно определить некоторые размеры валов.
3.3.1 Диаметры.
а) Для выходного вала редуктора:
![]()
Диаметры других участков вала:
Принимаем ![]()
Принимаем ![]()
б) Для входного вала конического редуктора:
![]()
Диаметры других участков вала:
![]()
![]()
Принимаем стандартное значение
(таблица 19.4 [1]);
![]()
зазор между колесами и стенками корпуса:
![]()
![]()
3.3.2 Размеры других участков валов
а) Входной вал-шестерня с коническим концом:
- длина посадочного конца ![]()
- длина цилиндрического участка конического конца
![]()
- диаметр и длина резьбы на конце вала:

- длина промежуточного участка ![]()
б) Выходной вал с цилиндрическим концом:
- длина посадочного конца ![]()
- длина промежуточного участка ![]()
- длина ступицы колеса

Другие размеры обоих валов выявляются при вычерчивании компоновочной схемы.
4. Расчет открытой клиноременной передачи
4.1 Проектный расчет
4.1.1 Выбрать сечение ремня
Выбор сечения ремня производится по номограмме [2, рис. 5.2….5.4] в зависимости от мощности, передаваемой ведущим шкивом, Р1, кВт (номинальная мощность двигателя Рэ), и его частоты вращения n1, об/мин (номинальная частота вращения двигателя nэ).
Р1 = 4 кВт;
n1, = 716 об/мин.
Примем для расчета узкий клиновой ремень (клиновые ремни нормального сечения применяются только для передач мощностью до 2 кВт).
4.1.2 Определяем минимально допустимый диаметр ведущего шкива d1min, мм, по таблице 5.4 [2] в зависимости от вращающего момента на валу двигателя Тдв, Н·м, и выбранного сечения ремня.
d1min = 63 мм.
В целях повышения срока службы ремней рекомендуется применять ведущие шкивы с диаметром на 2 порядка выше d1min из стандартного ряда.

d1 = 80 мм.
4.1.3 Исходя из таблицы К40 [2]
t = 2,5 мм;
lp = 8,5 мм;
p = 12 мм;
f = 8 мм;
h = 10 мм;
α = 34°
4.1.4 Определить диаметр ведомого шкива
uрп = 2,8; ε = 0,02 – коэффициент скольжения
![]()
Получаемое значение округляем до стандартного:
d2 = 224 мм.
4.1.5 Фактическое передаточное число

Отклонение от заданного:

4.1.6 Ориентировочное межосевое расстояние:
h = 8 мм – высота сечения клинового ремня [2, таблицу К31]
4.1.7 Расчетная длина ремня:

Полученное значение округлим до стандартного:
l = 900 мм.
4.1.8 Уточнение межосевого расстояния по стандартной дляне:

4.1.9 Угол обхвата ремнем ведущего шкива

4.1.10 Скорость ремня

4.1.11 Частота пробегов ремня

4.1.12 Определим допускаемую мощность, передаваемую одним клиновым ремнем [Pn], кВт.
[Pо] = 0,90 кВт;
С – поправочный коэффициент;
Ср = 1;
Сα = 0,89;
Сl = 1;
Сz = 0,85.
[Pn] = [Pо]Ср Сα Сl Сz = 0,90·1·0,89·1·0,85 = 0,68 кВт.
4.1.13 Количество клиновых ремней
z = P1 / [Pn] = 4 / 0,68 = 5,8 = 6.
4.1.14 Сила предварительного натяжения

4.1.15 Окружная сила, передаваемая комплектом клиновых ремней

4.1.16 Силы натяжения ведущей F1 и ведомой ветвей F2
![]()
![]()
4.1.17 Сила давления на вал
![]()
4.2 Проверочный расчет
4.2.1 Проверить прочность одного клинового ремня по максимальным напряжениям в сечении ведущей ветви σmax
- Напряжения растяжения:

А = 0,56 мм² – площадь сечения [2, таблица К31].
- Напряжения изгиба:
![]()
h = 8 мм – высота сечения клинового ремня [2, таблицу К31];
Еu = 80 – модуль продольной упругости при изгибе.
- Напряжения от центробежных сил:
![]()
![]()
- Допускаемое напряжение растяжения: [σ]р = 10 Н/мм².
σmax = σ1 + σu + σv = 0,576 + 8 + 0,011 = 8,587 < 10 Н/мм².
5. Нагрузка валов редуктора
5.1 Определение сил в зацеплении закрытой передачи
Силы в зацеплении редукторной передачи мы определили в пункте 3.2.2:
Окружная сила на среднем диаметре колеса:

Осевая сила на шестерне, равная радиальной силе на колесе:
![]()
Радиальная сила на шестерне, равная осевой силе на колесе:
![]()
5.2 Определение консольных сил
Определяли в пункте 4.1.17:
Сила давления на вал:
![]()
5.3 Силовая схема нагружения валов редуктора

6. Проектный расчет валов. Эскизная компоновка редуктора
Основными критериями работоспособности проектируемых редукторных валов являются прочность и выносливость. Они испытывают сложную деформацию – совместное действие кручения, изгиба и растяжения (сжатия). Но так как напряжения на валах от растяжения небольшие в сравнении с напряжениями от кручения и изгиба, то их обычно не учитывают.
6.1 Выбор материала валов
Рекомендуется применять термически обработанные среднеуглеродистые и легированные стали 45, 45Х
6.2 Выбор допускаемых напряжений на кручение
Проектный расчет валов выполняется по напряжениям кручения, т. е. при этом не учитывают напряжения изгиба, концентрации напряжений и переменность напряжений во времени (циклы напряжений). Поэтому для компенсации приближенности этого метода расчета допускаемые напряжения на кручение применяют заниженными:
При этом меньшее значение для быстроходного вала, а большее – для тихоходного.
6.3 Определение геометрических параметров ступеней валов
Редукторный вал представляет собой ступенчатое цилиндрическое тело, количество и размеры ступеней которого зависят от количества и размеров установленных на вал деталей.
Ориентировочно геометрические размеры каждой ступени мы определяли в пункте 3.3.
6.4 Предварительный выбор подшипников качения
Выбор подшипников качения зависит от ряда факторов: передаваемой мощности редуктора, типа передачи, соотношения сил в зацеплении, частоты вращения внутреннего кольца подшипника, требуемого срока службы, приемлемой стоимости, схемы установки.
Для тихоходного вала выбираем конические роликовые подшипники легкой серии (схема установки – враспор). Для быстроходного вала – конические роликовые подшипники легкой серии (схема установки – врастяжку).
«Подшипник 7212А ГОСТ 27365-87».
- Размеры:
d = 60 мм;
D = 110 мм;
Tнаиб = 24 мм;
В = 22 мм;
с = 19 мм;
r = 2,5 мм;
r1 = 0,8 мм.
- Грузоподъемность:
Cr = 91,3 кН;
Cor = 70 кН.
- Расчетные параметры:
e = 0,40;
Y = 1,5;
Yo = 0,8.
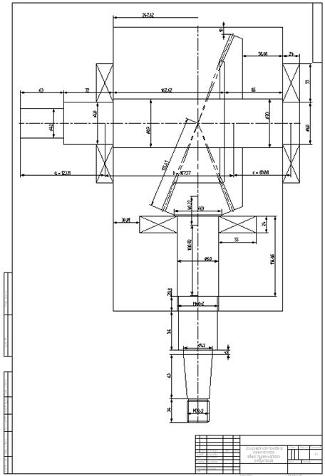
6.5 Эскизная компоновка редуктора
Эскизная компоновка устанавливает положение колес редукторной пары, элемента открытой передачи и муфты относительно опор (подшипников).
1. Наметить расположение проекций компоновки в соответствии с кинематической схемой привода и наибольшими размерами колес.
2. Провести оси проекций и осевые линии валов. В коническом редукторе оси валов пересекаются под углом 90°.
3. Вычертить редукторную пару в соответствии с геометрическими параметрами, полученными в результате проектного расчета.
4. Для предотвращения задевания поверхностей вращающихся колес за внутренние стенки корпуса контур стенок провести с зазором х = 8…10 мм; такой же зазор предусмотреть между подшипниками и контуром стенок. Расстояние у между дном корпуса и поверхностью колес принять
. В коническом редукторе следует предусмотреть симметричность корпуса относительно оси быстроходного вала ![]()
Действительный контур корпуса зависит от его кинематической схемы, размеров деталей передач, способа транспортировки, смазки и т. д. и определяется при разработке конструктивной компоновки.
5. Вычертить ступени вала на соответствующих осях по размерам d и l, полученным в проектном расчете валов.
6. Вычертить контуры подшипников в соответствии со схемой их установки. Для конических роликоподшипников:

7. Определить расстояния между точками приложения реакций подшипников быстроходного и тихоходного валов.
8. Определить точки приложения консольных сил.
9. Проставить необходимые размеры.

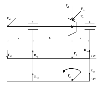
7. Расчетная схема валов редуктора
![]()
![]()
![]()
a = 123,11 мм;
b = 187,57 мм;
c = 83,88мм;
![]()

![]()

По оси ОХ:
![]()
![]()
![]()

![]()
Q:
![]()
![]()
![]()
![]()
M:
![]()

![]()

По оси ОУ:
![]()

![]()

![]()
Q:
![]()
![]()
![]()
![]()
М:
![]()


8. Проверочный расчет подшипников
Проверочный расчет предварительно выбранных подшипников сопоставлением расчетной динамической грузоподъемности Сrp, Н, с базовой Сr, Н, или базовой долговечности L10h, ч, с требуемой Lh, ч, по условиям:
или ![]()
Базовая динамическая грузоподъемность подшипника Сr представляет собой постоянную радиальную нагрузку, которую подшипник может воспринять при базовой долговечности, составляющей
оборотов внутреннего кольца.
![]()
m = 3,33.
8.1 Определение эквивалентной динамической нагрузки
Эквивалентная динамическая нагрузка RE учитывает характер и направление действующих на подшипник нагрузок, условия работы и зависит от типа подшипника.
Каждый подшипник испытывает свою осевую нагрузку, зависящую от схемы установки подшипника. Поэтому эквивалентная динамическая нагрузка рассчитывается для каждого подшипника.
Х = 0,4;
Y = 1,5;
e = 0,40;
![]()
![]()
![]()
![]()
Для тихоходного вала:
![]()
![]()
Cor = 70;
Кб = 1;
Кт = 1;
V = 1.

![]()

8.2 Определение пригодности подшипников
Подшипник пригоден, т. к. расчетный ресурс больше требуемого:
LT = 43800 ч.
9. Конструктивная компоновка привода
9.1 Конструирование элементов открытой и закрытой передачи
Конструкция колес зависит главным образом от проектных размеров, материала, способа получения заготовки и масштаба производства.
Основные конструктивные элементы колеса – обод, ступица и диск.
Обод воспринимает нагрузку от зубьев и должен быть достаточно прочным и в то же время податливым, чтобы способствовать распределению нагрузки по длине зуба. Жесткость обода обеспечивает его толщина S.
Ступица служит для соединения колеса с валом и может быть расположена симметрично, несимметрично относительно обода или равна ширине обода. Это определяется технологическими или конструктивными условиями. Длина ступицы lст должна быть оптимальной, чтобы обеспечить, с одной стороны, устойчивость колеса, а с другой – получение заготовок ковкой и нарезание шпоночных пазов методом протягивания.
Диск соединяет обод и ступицу. Его толщина С определяется в зависимости от способа изготовления колеса. Иногда в дисках колес выполняют отверстия, которые используют при транспортировке и обработке колес, а при больших размерах и для уменьшения массы. Диски больших литых колес усиливают ребрами или заменяют спицами.
Открытые кромки на торцах ступицы и углах обода притупляют фасками f .
f = 2 мм.

9.1.1 Конструирование зубчатого конического колеса
В проектируемых приводах колеса редукторов получаются относительно небольших диаметров и их изготавливают из круглого проката или поковок.

Ступица колес закрытой передачи конического зацепления выступает со стороны большого конуса.
9.1.1.1 Для шестерни.
а) Обод:
Диаметр ![]()
Толщина 
Ширина ![]()
б) Ступица:
Диаметр внутренний ![]()
Диаметр наружный ![]()
Толщина ![]()
Длина ![]()
в) Диск:
Толщина ![]()
Радиусы закруглений и уклон 
Отверстий нет.
9.1.1.2 Для колеса
а) Обод:
Диаметр ![]()
Толщина 
Ширина ![]()
б) Ступица:
Диаметр внутренний ![]()
Диаметр наружный ![]()
Толщина ![]()
Длина ![]()
в) Диск:
Толщина ![]()
Радиусы закруглений и уклон 
Отверстия 
9.1.2 Вал-шестерня
Конические шестерни при
могут выполняться заодно с валом или быть насадными, если это конструктивно необходимо. Однако стоимость производства при раздельном исполнении вала и шестерни увеличивается вследствие увеличения числа посадочных поверхностей и необходимости применения того или иного соединения. Поэтому шестерни чаще всего выполняют заодно с валом.
9.1.3 Установка колес на валах
9.1.3.1 Сопряжение колес с валом
Для передачи вращающего момента редукторной парой применяют шпоночные соединения и соединения с натягом. В случае шпоночного соединения можно принимать следующие посадки: 
9.1.3.2 Осевое фиксирование колес.
Для обеспечения нормальной работы редуктора колеса должны быть установлены на валах без перекосов. Если ступица колеса имеет достаточно большую длину (
, в нашем случае = 1,2), то колесо будет сидеть на валу без перекосов. В этом случае достаточно предохранить колесо от осевых перемещений по валу соответствующим осевым фиксированием.
9.1.4 Регулирование осевого положения колес (регулирование зацепления)
Погрешность изготовления деталей по осевым линейным размерам и погрешности сборки приводят к неточному осевому положению колес в передаче.
Точность зацепления конической пары в приводе достигают регулированием посредством осевого перемещения вала с закрепленным на нем колесом. При этом в конической паре регулирование достигается взаимным осевым перемещением валов шестерни и колеса. Регулирование зацепления производится после регулирования подшипников двумя способами:
1) Постановка под фланец торцевой крышки или стакана набора металлических прокладок толщиной от 0,1 до 0,8 мм. Суммарную толщину набора определяют при сборке.
2) Применение винтов, воздействующих на наружные кольца подшипников непосредственно или через регулировочные шайбы. Этот способ применим для торцевых и врезных и дает возможность производить тонкую регулировку осевого положения колес.
Регулировочные устройства делают на обоих концах вала со стороны крышки с отверстием и глухой крышки, что дает перемещать вал в двух направлениях. Точность расположения конических колес контролируют положением пятна контакта, а коническое зацепление – еще совпадением вершин конусов.
9.2 Конструирование валов
Конструкция ступеней валов зависит от типа и размеров установленных на них деталей и способа закрепления этих деталей в окружном и осевом направлениях. При разработке конструкции вала принимают во внимание технологии сборки и разборки передач, механическую обработку, усталостную прочность и расход материала при изготовлении. Окружное закрепление колес, элементов открытых передач, муфт и подшипников осуществляется посадками, шпоночными соединениями и соединениями с натягом.
9.3 Выбор соединений
Для соединения валов с деталями, передающими вращающий момент (колесами, элементами открытых передач, муфтами), применяют шпонки и посадки с натягом.
Для передачи вращающего момента применяют чаще всего призматические и сегментные шпонки. Призматические шпонки имеют прямоугольное сечение; концы скругленные или плоские. Стандарт предусматривает для каждого диаметра вала определенные размеры поперечного сечения шпонки.
При стальнойступице
при чугунной ступице ![]()

Так как производство мелкосерийное, то для передачи вращающего момента
с колеса на вал применим шпоночное соединение. Шпонка призматическая:
Сечение шпонки:
![]()
![]()
Фаска у шпонки:
![]()
Глубина паза:
- вала ![]()
- ступицы ![]()
Длина шпонки:
![]()
Рабочая длина шпонки:
![]()
Расчетные напряжения смятия:

Что меньше
для стальной ступицы колеса.
Для передачи вращающего момента
со шкива на входной вал редуктора применим также шпоночное соединение. Найдем диаметр в среднем сечении конического участка длиной l = 63 мм:
![]()
Шпонка призматическая:
![]()
![]()
![]()
![]()
![]()
![]()
![]()

Что больше
для чугунной ступицы шкива.
Принимаем по рекомендации [1, разд.5.1] посадку колеса на вал Ø70 H7/s6. Проверим обеспечит ли эта посадка осевую фиксацию колеса, нагруженного осевой силой ![]()
Используем методику подбора посадок с натягом [1, разд.5.3].
Среднее контактное давление при сборке запрессовкой:

Деформация деталей: ![]()
Поправка на обмятие микронеровностей: ![]()
Поправка на температурную деформацию: ![]()
Минимальный натяг: ![]()
Поскольку минимальный натяг посадки Ø70 H7/s6 Nmin = 36мкм больше требуемого
то выбранная посадка обеспечивает осевую фиксацию колеса на валу. Сборка колеса будет выполнена запрессовкой.
Сила запрессовки:
![]()

Для передачи вращающего момента с вала на муфту также примем шпоночное соединение. Шпонка призматическая:
![]()
![]()
![]()
![]()
![]()
![]()
![]()

9.4 Конструирование подшипниковых узлов
Конструктивное оформление подшипниковых узлов (опор) редуктора зависит от типа подшипников, схемы их установки, вида зацепления редукторной пары и способа смазывания подшипников и колес.
Основным изделием подшипникового узла является подшипник. Помимо этого комплект деталей узла может включать: детали крепления колец подшипников на валу и в корпусе; крышки и компенсаторные кольца; стаканы; уплотнения (наружные, внутренние); регулирующие устройства.
9.4.1 Выбор посадок колец подшипников
Внутренние кольца подшипников входного и выходного валов подвержены циркуляционному наружные, наружные местному.
- наружное кольцо подшипника Ø110Н7;
- внутреннее кольцо подшипника Ø60k6.
9.4.2 Схемы установки подшипников
Для тихоходного вала выбираем конические роликовые подшипники легкой серии (схема установки – враспор). Обе опоры конструируют одинаково, при этом каждый подшипник ограничивает осевое перемещение вала в одном направлении. Внутренние кольца подшипников закрепляют на валу упором в буртики ступени вала или в торцы других деталей. Наружные кольца подшипников закреплены от осевого смещения упором в торцы крышек или других деталей, установленных в подшипниковом гнезде. Регулирование зазоров в подшипниках выполняют осевым перемещением наружных колец. Регулирование происходит набором тонких металлических прокладок, устанавливаемых под фланцы привертных крышек подшипников.
Для быстроходного вала – конические роликовые подшипники легкой серии (схема установки – врастяжку). Обе опоры конструируют одинаково, при этом каждый подшипник ограничивает осевое перемещение вала в одном направлении. Внутреннее кольцо одного подшипника упирают в регулировочную гайку, при этом его посадку для возможности перемещения по валу не ослабляют; внутреннее кольцо другого упирают в буртик ступени или упирают в торцы других деталей, установленных на валу. Наружные кольца подшипников упирают широкими торцами в буртики отверстия корпуса (или стакана) или применяют подшипники с бортами на наружном кольце. Регулирование зазоров в подшипниках выполняют осевым перемещением внутренних колец по валу посредством гаек.
9.4.3 Конструирование стаканов
![]()
![]()
Конструкцию стакана определяет схема расположения подшипников. стаканы вполняют литыми из чугуна марки СЧ15.
Основные параметры стакана:
Диаметр отверстия под подшипник D = 110 мм;
Толщина стенки δ = 10 мм;
Диаметр резьбы d = M10;
Число винтов крепления стакана к корпусу z = 6;
Посадка стакана в корпус H7/js6;
Толщина фланца δ2 = 1,2 δ = 12 мм;
С = d = 10 мм;
h = (1,0…1,2)d = 10…12 мм = 10 мм;
t = (1,3…1,5)r = (1,3…1,5)2,5 = 3,25…3,75 мм;
Минимальный диаметр фланца стакана Dф = Dа + (4…4,4)d = 160…164 мм = 164 мм. (Dа=130, Dф=174)
9.4.4 конструирование крышек подшипников
Крышки подшипников изготовляют из чугуна марок СЧ15, СЧ20. выбираем крышку привертную.
Форма крышки зависит от конструкции опоры вала. Торец вала не выступает за пределы подшипника. Поэтому наружная поверхность крышки плоская.
В крышку подшипника встроено манжетное уплотнение.
Диаметр отверстия в корпусе под подшипник D = 110 мм;
Толщина стенки δ = 7 мм;
Диаметр резьбы d = M10;
Число винтов крепления крышки к корпусу z = 6;
Толщина фланца δ1 = 1,2 δ = 8.4 мм;
δ2 = (0,9…1) δ = 6,3…7 мм = 7 мм;
Минимальный диаметр фланца крышки Dф = D + (4…4,4)d = 150…154 мм = 150 мм;
с = d = 10 мм.
При установке в крышке манжетного уплотнения выполняют расточку отверстия так, чтобы можно было выпрессовывать изношенную манжету.
Фланцы крышек выполняют круглой формы.

9.5 Конструирование корпуса редуктора

Корпус редуктора служит для размещения и координации деталей передачи, защиты их от загрязнения, организации системы смазки, а также воспринятия сил, овзникающих в зацеплении редукторной пары, подшипниках открытой передачи.
Способ изготовления корпуса – литье из серого чугуна СЧ15.
Форма корпуса определяется в основном технологическими, эксплуатационными и эстетическими условиями с учетом его прочности и жесткости. Этим требованиям удовлетворяют корпуса прямоугольной формы, с гладкими наружными стенками без выступающих конструктивных элементов; подшипниковые бобышки и ребра внутри; стяжные болты только по продольной стороне корпуса в нишах; фундаментные лапы не выступают за габариты корпуса
Толщина стенки корпуса:
![]()
Для удобства сборки корпус выполняют разъемным. Нижнюю часть называют корпусом, верхнюю – крышкой корпуса. Плоскость разъема для удобства обработки располагают параллельно плоскости основания. Верхнюю часть крышки, служащую технологической базой для обработки плоскости разъема, такжк выполняют параллельно плоскости основания.
R1 = 0,5da2 + a = 0,5 · 252,7879 + 10 = 136,3939 мм;
R2 = 0,5da1 + a = 0,5 · 105,8975 + 10 = 62,9487 мм;
Толщина стенки крышки: ![]()
Для соединения корпуса и крышки по всему контуру плоскости разъема редуктора выполняют специальные фланцы. Фланцы расположены внутрь от стенки корпуса.
Вследствие погрешностей при изготовлении моделей крышки и корпуса, погрешностей при формовке и во время удаления моделей из формы размеры отливок получают с отклонениями от номинальных значений. Это приводит к несовпадению внешних контуров крышки и корпуса, ухудшает внешний вид. Несовпадение станет незаметным, если крышку корпуса выполнить с напуском. Размеры конструктивных элементов:
f = 0,5δ1 = 3 мм;
b = 1,5δ = 9 мм;
b 1 = 1,5δ1 = 9 мм;
l = 2δ = 12 мм;
Диаметр винтов для соединения крышки с корпусом:
![]()
Число винтов z = 8.
Винты крепления ввинчивают в резьбовые отверстия корпуса. Размеры элементов крышки и корпуса:
Диаметр отверстия под болт крепления к плите (раме) dф = 12 мм;
9.5.1 Конструктивное оформление опорной части корпуса
Наиболее рациональной является опорная поверхность корпуса, выполненная в виде отдельных платиков, расположенных в районе установки болтов.
Расстояние мест крепления L1 = L - b1 = 350,03 - 34,8 = 315,23 мм
Ширина b1 = 2,4dф + δ = 34,8 мм;
Высота h1 = 2,4δ = 14,4 мм.
h = 0,5 δ = 3 мм.
Проектируемый редуктор крепится к плите четырьмя болтаи, расположенными в нишах корпуса.
Высота ниши h01 = 2,5(d + δ) = 40 мм.

Форма ниши определяется размерами, форма корпуса расположением мест крепления.
9.5.2 Прочие конструктивные элементоы корпусных деталей

Для подъема и транспортирования крышки корпуса и редуктора в сборе применяют проушины, отливая их заодно с крышкой. Выполняем проушину в виде ребра с отверстием.
Люк в верхней части крышки редуктора используют не только для залива масла, но и для контроля правильности зацепления и для внешнего осмотра зубчатых колес, подшипников. Размеры его принимают по возможности большими, форму прямоугольной.
Люк закрывают крышкой. Под крышкой располагают уплотняющую прокладку из прокладочного картона или технической резины. Крышку крепят винтами. Штампованную крышку объединим с пробковой отдушиной.
Толщина стенок в любом сечении крышки должна быть по возможности одинаковой.
9.6 Смазывание и уплотнение
Для уменьшения потерь мощности на трение, снижения интенсивности изнашивания трущихся поверхностей, их охлаждения и очистки от продуктов износа, а также для предохранения от заедания, задиров, коррозии должно быть обеспечено надежное смазывание трущихся поверхностей.
Окружная скорость конического колеса:
![]()
Контактные напряжения: ![]()
Рекомендуемая кинематическая вязкость 34 мм²/с.
Марка масла: И – Г – А – 32. Система смазывания картерная – в корпус редуктора заливают масло так, чтобы венцы колес были в него погружены. Колеса при вращении увлекают масло, разбрызгивая его внутри корпуса. Масло попадает на внутренние стенки корпуса, откуда стекает в нижнюю его часть. Внутри корпуса образуется взвесь частиц масла в воздухе, которая покрывает поверхности расположенных внутри корпуса деталей.
Обозначение масла состоит из четырех знаков, каждый из которых обозначает: И – индустриальное, Г – для гидравлических систем (принадлежность к группе по назначению), А – масло без присадок (принадлежность к группе по эксплоатационным свойствам), 32 – класс кинематической вязкости.
Если доступ масла к подшипникам затруднен, а применение насоса не желательно, то подшипники смазывают пластичным смазочным материалом (Литол-24). В этом случае подшипник закрывают с внутренней стороны маслосбрасывающим кольцом. Смазочный материал должен занимать 1/2…2/3 свободного объема полости подшипникового узла.
9.6.1 Смазочные устройства
При работе передач продукты изнашивания постепенно загрязняют масло. С течением времени оно стареет, свойства его ухудшаются. Браковочными признаками служат увеличенное кислотное число, повышенное содержание воды и наличие механических примесей. Поэтому масло, залитое в корпус редуктора периодически меняют. Для замены масла в корпусе предусматривают сливное отверстие, закрываемое пробкой с цилиндрической резьбой.
Цилиндрическая резьба не создает надежного уплотнения. Поэтому под пробку с цилиндрической резьбой ставят уплотняющие прокладки. Для этой цели применяют также кольца из маслобензостойкой резины, которые помещают в канавки глубиной t, чтобы они не выдавливались пробкой при ее завинчивании.
d = M20×1,5-8g;
D = 30 мм;
D1 = 25,4 мм;


L = 25 мм;
l = 13 мм;
b = 4 мм;
t = 3 мм;
Для наблюдением за уровнем масла в корпусе установим маслоуказатель жезловый (щуп).
При длительной работе в связи с нагревом масла и воздуха повышается давление внутри корпуса. Это приводит к просачиванию масла через уплотнения и стыки. Чтобы избежать этого, внутреннюю полость корпуса сообщают с внешней средой путем установки отдушин в его верхних точках
9.6.2 Уплотнительные устройства

Уплотнительные устройства применяют для предохранения от вытекания смазочного материала из подшипниковых узлов, а также для защиты их от попадания извне пыли и влаги.
Манжета состоит из корпуса, изготовленного из маслобензостойкой резины, каркаса, представляющего собой стальное кольцо Г-образного сечения, и браслетной пружины. Каркас придает манжете жесткость и обеспечивает ее плотную посдку в корпусную деталь без дополнительного крепления. Браслетная пружина стягивает уплотняющую часть манжеты, вследствии чего образуется рабочая кромка шириной b = 0,4…0,6 мм, плотно охватывающая поверхность вала.
Манжету устанавливают открытой стороной внутрь корпуса. К рабочей кромке манжеты в этом случае обеспечен хороший доступ смазочного масла.
Глубина погружения конического колеса в масляную ванну ![]()
Уплотнительные устройства применяют для предохранения от вытекания смазочного материала из подшипниковых узлов, а также для защиты от попадания из вне пыли и влаги.
Манжетные уплотнители широко применяют при смазывании подшипников жидким маслом и при окружной скорости вала до 20 м/с
Примем для входного вала редуктора манжетное уплотнение [1, таблица 19.16], а для выходного вала комбинированное: уплотнение упругой стальной шайбой по типу рис. 8.20 [1] в сочетании с щелевым уплотнением и формой канавки по рис. 8.21, а [1].
9.7 Конструирование элементов открытой передачи

![]()
9.7.1 Ведущий шкив\
а) Обод:
Диаметр шкива конструктивный: ![]()
Ширина шкива: ![]()
Толщина (чугунный шкив): ![]()
б) Диск:
Толщина: ![]()
Отверстий нет.
в) Ступица:
Диаметр внутренний: ![]()
Диаметр наружный: ![]()
Длина: ![]()
9.7.2 Ведомый шкив
а) Обод:
Диаметр шкива конструктивный: ![]()
Ширина шкива: ![]()
Толщина (чугунный шкив): ![]()
б) Диск:
Толщина: ![]()
Отверстий нет.
в) Ступица:
Диаметр внутренний: ![]()
Диаметр наружный: ![]()
Длина: ![]()
9.8 Выбор муфты

Вследствие погрешностей изготовления изготовления деталей и погрешностей сборки валы, соединяемые муфтой, как правило имеют смещения: радиальное, угловое и осевое. Смещения валов приводят к дополнительному нагружению деталей муфты, самих валов и их опор.
Муфты МУВП (упругие втулочно-пальцевые) получили широкое распространение вследствие относительной простоты конструкции и удобства замены резиновых упругих элементов. Однако их характеризует невысокая компенсирующая способность, а при соединении несоосных валов – достаточно большое силовое воздействие на валы и оперы, при этом резиновые втулки быстро разрушаются. Эти муфты стандартизованы.
КР = 1,5
Т2 = 326,859 Н·м.
Расчетный момент:
Н.
Т = 500 Н·м, ТР < Т.
Выбираем стандартную муфту по таблице – упругая втулочно-пальцевая.
Материал: полумуфта – чугун марки СЧ20; пальцев – сталь 45.
Радиальная сила, где Δr = 0,3 мм, CΔr = 5900 Н/мм
Н.
Список использованных источников
1 Дунаев, П.Ф. Детали машин. Курсовое проектирование: учеб. пособие / П. Ф. Дунаев, О.П. Леликов.- М.: Машиностроение, 2004.-560 с.
2 Шейнблит А.Е. Курсовое проектирование деталей машин: учеб. пособие / А.Е. Шейнблит.- М.: Высш. шк., 1991.- 432 с.
3 Детали машин. Атлас конструкций/ под ред. Д.Н. Решетова.- М.: Машиностроение, 1979.- 367с.