| Скачать .docx |
Реферат: Система теплоснабжения промышленно-жилого района
Министерство образования РФ
Магнитогорский Государственный Технический Университет
им. Г.И. Носова
Кафедра теплотехнических и энергетических систем
КУРСОВАЯ РАБОТА
по дисциплине: ‘’Источники и системы теплоснабжения предприятий’’
Тема: “Система теплоснабжения промышленно-жилого района”
Выполнил: студент группы
ЭТ-01-2
Неретин А.А.
Работу принял: ст. преподаватель
Осколков С.В.
Магнитогорск
2003
Оглавление:
Условие -----------------------------------------2
1 раздел: Расчет тепловых нагрузок потребителей
района, график распределения и продолжительности
тепловых нагрузок -------------------------------3-4
2 раздел: Схема прокладки тепловых сетей с выбран-
ным оборудованием -------------------------------5
3 раздел: Расчет расходов теплоносителей по участ-
кам тепловой сети -------------------------------6
4 раздел: Гидравлический расчет тепловой сети, пье-
зометрический график (напоров) для водяной тепловой
сети, выбор сетевых и подпиточных насосов --------7-11
5 раздел: Тепловой расчет сети ------------------12-19
6 раздел: Централизованное регулирование нагрузки
водяной тепловой сети, графики регулирования ----20-21
7 раздел: Выбор и расчет принципиальной тепловой
схемы источника теплоснабжения ------------------22-26
Список литературы ------------------------------27
По заданным потребителям выполнить расчет принципиальной тепловой схемы производственно-отопительной котельной с паровыми котлами типа Е 1,6-9. Расчеты выполнять для климатических условий города Магнитогорска. Расчетно-температурный график водяных тепловых сетей 1500 -700 С. Пар на подогревателе сетевой воды и подогревателе сырой воды поступает с давлением 6 атм и температурой 1900 С. Возврат конденсата от технических потребителей a=0,5. Деаэрация питательной воды осуществляется в атмосферном деаэраторе при температуре 1040 С.
Первый потребитель Т1 : чугунолитейный цех с Vстр =12000 м3 ;
Второй потребитель Т2 : бытовые и административные здания с Vстр =8000 м3 ;
Производственное потребление пара П идет на производство чугуна с производительностью 2000 т/мес.
1 раздел: Расчет тепловых нагрузок потребителей района, график распределения и продолжительности тепловых нагрузок.
Т1
1.Расчет тепловой нагрузки на отопление чугунолитейного цеха:
Qo | =(tвр -tно )Vстр qo =(16+34)*12000*0,3=180000Вт=0,18МВт, (1.1.1)
где: qo =0,3Вт/(м3 *К)-удельные тепловые потери через наружные ограждения отапливаемого здания, [1, стр437]
Vстр =12000м3 -объем здания по наружным размерам [из задания]
tвр =160 C-температура воздуха внутри помещения [4, стр25]
tно =-340 С-температура наружного воздуха. [1, стр432]
Qо ср =Qo | *[(tвр -tн ср )/(tвр-tно)]=0,18*[(16+7,9)/(16+34)]=
=0,086МВт, (1.1.2) где: Qo | -расчетный расход тепла на отопление
tн ср =-7,90 С-средняя температура отопительного периода. [1, стр432]
Qо год =Qо ср *n0 =0,086*106 *5250*3600=1,62*1012 Дж=1625ГДж, (1.1.3)
где: Qо ср -средний расход тепла на отопление
n0 =5250ч-число часов за отопительный период. [1, стр435]
2.Расчет тепловой нагрузки на вентиляцию чугунолитейного цеха:
Qв | =(tвр -tнв )Vqв =(16+22)*12000*1,2=547200Вт=0,547МВт, (1.2.1)
где: tнв =-220 С-температура расчетная для вентиляции [1, стр432]
qв =1,2 Вт/(м3 *К)-удельные тепловые потери здания на вентиляцию [1, стр437]
Qв ср =Qв | *[(tвр -tн ср )/(tвр -tнв )]=0,547*[(16+7,9)/(16+22)]=
=0,344МВт (1.2.2)
где:Qв | -расчетный расход тепла на вентиляцию.
Qв год =Qв ср *nв =0,344*106 *3488*3600=4,31*1011 Дж=4319ГДж, (1.2.3)
где: Qв ср -средний расход тепла на вентиляцию
nв -3488ч-число часов за отопительный период с работающей вентиляцией, т.к. вентиляция работает 16 часов в сутки то,218 суток умножаем на 16 часов, получаем 3488 часов.
QS год =Qо год +Qв год =1625+4319=5944ГДж (1.2.4)
Т2
3.Расчет тепловой нагрузки на отопление бытовых и административных зданий:
Qо | =(tвр -tно )Vстр qo =(18+34)*8000*0,34=141440Вт=0,141МВт, (1.3.1)
где:Vстр =8000м3 - объем здания по наружным размерам [из задания]
tвр =180 С- температура воздуха внутри помещения [4, стр25]
qo =0,34Вт/(м3 *К)-удельные тепловые потери через наружные ограждения отапливаемого здания. [1, стр437]
Qо ср =Qo | *[(tвр -tн ср )/(tвр -tно )]=0,141*[(18+7,9)/(18+34)]=
=0,07МВт, (1.3.2) где: Qo | -расчетный расход тепла на отопление
tн ср =-7,90 С-средняя температура отопительного периода. [1, стр432]
Qо год =Qо ср *n0 =0,07*106 *5250*3600=1,32*1012 Дж=1323ГДж, (1.3.3)
где: Qо ср -средний расход тепла на отопление
n0 =5250ч-число часов за отопительный период со среднесуточной температурой наружного воздуха, равной и ниже данной. [1, стр435]
4.Расчет тепловой нагрузки на вентиляцию бытовых и административных зданий:
Qв | =(tвр -tнв )Vqв =(18+22)*8000*0,12=38400Вт=0,038МВт, (1.4.1)
где: tнв =-220 С-температура расчетная для вентиляции [1, стр432]
qв =0,12 Вт/(м3 *К)-удельные тепловые потери здания на вентиляцию [1, стр437]
Qв ср =Qв | *[(tвр -tн ср )/(tвр -tнв )]=0,038*[(18+7,9)/(18+22)]=
=0,024МВт (1.4.2)
где:Qв | -расчетный расход тепла на вентиляцию.
Qв год =Qв ср *nв =0,024*106 *3488*3600=3,01*1011 Дж=301,4ГДж, (1.4.3)
где: Qв ср -средний расход тепла на вентиляцию
nв -3488ч-число часов за отопительный период с работающей вентиляцией.
5.Расчет тепловой нагрузки на горячее водоснабжение бытовых и административных зданий:
Qгв ср.н.з =[bmCв (tгв -tхв )]/nс =[20*250*4190(65-5)]/24*3600=14548Вт=
0,014МВт, (1.5.1)
где:b=20л/сутки*чел-норма расхода горячей воды для общественных зданий отнесенная к одному жителю района [1, стр440]
m=250чел-количество водопотребителей [из задания]
Св =4190Дж/кг*0 С-теплоемкость воды [3, стр195]
tгв =650 C-температура горячей воды [1, стр442]
tхв =50 C-температура холодной воды зимой [1, стр442]
nс =24ч/сутки-расчетная длительность подачи теплоты на горячее водоснабжение [1, стр440]
Qгв ср.н.л =[bmCв (tгв -tхв )]/nс =[20*250*4190(65-15)]/24*3600=12123Вт=
0,012МВт, (1.5.2)
где: tхв =150 C-температура холодной воды летом [1, стр442]
Qгв год =Qгв з no +Qгв л (n-no )=0,014*5250*3600+0,012*(8400-5250)*3600=264600+
135080=400,680ГДж, (1.5.3)
QS год =Qо год +Qв год +Qгв год =1323+301,4+400,680=2025,08ГДж, (1.5.4)
6.Расчет технологической тепловой нагрузки для производства чугуна:
П
Qтн =Sqi тн *Ni =0,71*109 *2000=1,42*1012 Дж/мес=1420ГДж/мес=
=о,547МВт (1.6.1)
где: qi =0,71-удельный расход теплоты на технологические нужды [4, стр3]
Ni =2000т/мес-производительность предприятия по выпуску продукции (из задания).
График распределения и продолжительности тепловых нагрузок.
Qо S | =QoT 1 | +QoT 2 | =0,18+0,141=0,321МВт
Qв S | =QвТ1 | +QвТ2 | =0,547+0,038=0,585МВт
Qo (tн =80 С)= QoT 1 | [(tвр -tн )/(tвр -tно )]+ QoT 2 | [(tвр -tн )/(tвр -tно )]=0,18*[16-
8)/(16+34)]+0,141*[(18-8)/(18+34)]=0,04МВт
Проверка:
Qo (tн =-150 С)=0,18*[(16+15)/(16+34)]+0,141*[(18+15)/(18+34)]=0,19МВт
Qв (tн =80 С)= Qв T 1 | [(tвр -tн )/(tвр -tнв )]+ Qв T 2 | [(tвр -tн )/(tвр -tнв )]=0,547*[16-
8)/(16+22)]+0,038*[(18-8)/(18+22)]=0,12МВт
Проверка:
Qв (tн =-150 С)=0,547*[(16+15)/(16+22)]+0,038*[(18+15)/(18+22)]=0,47МВт
QS (t=-220 С)=0,585+0,014+0,25+0,547=1,396МВт
Qo (t=-220 C)= 0,18*[(16+22)/(16+34)]+0,141*[(18+22)/(18+34)]=0,25МВт
2 раздел: Схема прокладки тепловых сетей с выбранным оборудованием.

| ||
П К Т1
l =1000м l =1000м l =800м
l =500м |||
Т2
3 раздел: Расчет расходов теплоносителей по участкам тепловой сети.
1.П
Схема паропровода открытая двухтрубная, доля возврата конденсата a=0,5; Qтн =0,547МВт; параметры теплоносителя: Р=0,79МПа,t=3000 С. [4, стр3]; Расчетно-температурный график водяных тепловых сетей 150-700 С.
Qтн =D(hпп -Св tк )-aGк Св (tк -tхв ), (3.1.1)
D=0,547*106 /[(2768,4*103 -4190*80)-0,5*4190*(80-5)]=0,24кг/с=
=0,86т/ч, (3.1.2)
где: Св =4,190кДж/кг*гр-теплоемкость воды,
hпп =2768,4кДж/кг-энтальпия пара [3, стр62]
tк =800 С-температура конденсата [из задания]
tхв =50 C-температура холодной воды.
2. Т1
Q=(Qo | +Qв | )=(0,18+0,547)=0,727МВт (3.2.1)
G=Q/Cв (t1 -t2 )=0,727*106 /4190(150-70)=2,16кг/с=7,8т/ч (3.2.2)
3. Т2
Q=(Qo | +Qв | +Qгв | )=(0,141+0,038+0,014)=0,193МВт, (3.3.1)
G=Q/Cв (t1 -t2 )=0,193*106 /4190(150-70)=0,57кг/с=2,07т/ч (3.3.2)
4 раздел: Гидравлический расчет тепловой сети, пьезометрический график (напоров) для водяной тепловой сети и выбор сетевых и подпиточных насосов.

| ||
П К Т1
l =1000м l =1000м l =800м
l =500м |||
Т2
Гидравлический расчет водопровода:
1.Предварительный расчет 1 и 2-го участков.
Статическое давление в тепловой сети Нст =60 м;
Располагаемый напор у потребителя не менее Наб =15 м;
Нобр =20 м;
Падение давления на сетевых подогревателях Нс.п. =12 м;
Падение давления на 1 и 2-ом участках:
DH1 +2 =Нст –Нобр –Наб /2=60–20–15/2=32,5м, (4.1.1)
Падение давления на 1-ом участке:
DH1 =DH1+2 *l1 /l1+2 =32,5*1000/(1000+800)=18м, (4.1.2)
где: l1 – длина первого участка, [из задания]
l2 – длина второго участка. [из задания]
Падение давления но 2-ом участке:
DН2 =DН1+2 -DН1 =14,5м, (4.1.3)
Линейные потери давления на 1 и 2-ом участках:
R1
Па/м, (4.1.4)
где:
.
z=0,02-0,05 – для водопровода.
R2
Па/м, (4.1.5)
По номограммам для гидравлического расчета трубопроводов находим предварительный диаметр трубопровода:
d1 =75мм
d2 =65мм.
2.Окончательный расчет 1 и 2-го участков.
Окончательный диаметр трубопроводов:
d1 =82мм,
d2 =70мм.
Линейные потери по длине трубопровода при d1 =82мм и d2 =70мм:
R1 =60Па/м,
R2 =120Па/м.
Эквивалентные длины трубопроводов 1 и 2-го участков.
При прокладке примем: на каждые 100 м. длины трубопровода одно сварное колено и один сальниковый компенсатор; задвижки ставятся в начале участка и перед потребителем.
1 участок.
10 сальниковых компенсаторов, 10 сварных колен, 1 задвижка.
При диаметре d1 =82мм получаем:
lэ.1 =Аl Szd1 ,25 =60,7*(10*0,2+10*0,68+1*0,5)*0,0821,25 =24м, (4.2.1)
где: Al =60,7м-0,25 -постоянный коэффициент, зависящий от абсолютной эквивалентной шероховатости трубопровода, (3, стр342)
z-коэффициент местных сопротивлений. (3, стр343)
Полная длина: lп.1 =l1 +lэ.1 =1000+24=1024м. (4.2.2)
2 участок.
8 сальниковых компенсаторов, 8 сварных колен, 2 задвижки.
При диаметре d2 =70мм получаем:
lэ.2 = Аl Szd1,25 =60,7*(8*0,2+8*0,68+2*0,5)*0,0761,25 =18м, (4.2.3)
Полная длина: lп.2 =l2 +lэ.2 =800+18=818м. (4.2.4)
Падения давления и напора на 1 и 2-ом участках.
DР1 =R1 *lп.1 =60*1024=6144Па, (4.2.5)
м, (4.2.6)
DР2 =R2 *lп.2 =120*818=98160Па, (4.2.7)
м, (4.2.8)
3.Предварительный расчет 3-го участка.
Падение напора на 3-ем участке равно падению напора на 2-ом участке:
DН3 =DН2 =10,3м.
Линейные потери давления:
Па/м, (4.3.1)
По номограммам для гидравлического расчета трубопроводов находим предварительный диаметр трубопровода:
d3 =31мм
4.Окончательный расчет 3-го участка.
Окончательный диаметр трубопровода:
d3 =51мм,
Линейные потери по длине трубопровода при d3 =51мм:
R3 =60Па/м,
Эквивалентная длина трубопровода.
5 сальниковых компенсаторов, 5 сварных колен, 2 задвижка, разделение потока в тройнике.
При диаметре d3 =51мм получаем:
lэ.3 = Аl Szd1,25 =60,7*(5*0,2+5*0,68+2*0,5+3)*0,0511,25 =9,3м, (4.4.1)
Полная длина: lп.3 =l3 +lэ.3 =500+9,3=509,3м. (4.4.2)
Падения давления и напора.
DР3 =R3 *lп.3 =60*509,3=30558Па, (4.4.3)
м, (4.4.4) По полученным данным составляем таблицу.
| № уч. |
G, кг/с |
l, м |
Предварительный расчет |
||
| DН, м |
R1 , Па/м |
d, м |
|||
| Основная магистраль |
|||||
| 1 |
2,73 |
1000 |
18 |
164,4 |
75 |
| 2 |
2,16 |
800 |
14,5 |
166,1 |
65 |
| Ответвления от магистрали |
|||||
| 3 |
0,57 |
500 |
10,3 |
185,8 |
31 |
| № уч. |
Окончательный расчет |
||||||
| d, м |
R1 , Па/м |
lэ , м |
lп , м |
DР, Па |
DН, м |
DdН, м |
|
| Основная магистраль |
|||||||
| 1 |
82 |
60 |
24 |
1024 |
61440 |
6,5 |
6,5 |
| 2 |
70 |
120 |
18 |
818 |
98160 |
10,3 |
16,8 |
| Ответвления от магистрали |
|||||||
| 3 |
51 |
60 |
9,3 |
509,3 |
30558 |
3,2 |
|
Гидравлический расчет паропровода.
5.Расход пара и его параметры.
D=0,24кг/с, Рп =0,79МПа, t=3000 С. [4, стр.3]
Примем Р0= =1МПа и Т0 =3400 С.
6.Предварительный расчет паропровода.
Падение давления на всем участке.
DР=P0 -PП =1*106 -0,79*106 =210000Па=0,21МПа, (4.6.1)
Rл =DР/l(1+a)=210000/1000(1+0,09)=198,1Па/м, (4.6.2)
где:
z=0,2-0,5 – для паропровода,
l=1000м – длина паропровода.
Среднее давление по длине трубопровода:
Рср =Р0 +(DР/2)=1*106 +(210000/2)=0,895МПа, (4.6.3)
Примем падение температуры по длине паропровода на 100 м равные 20 ,
Тср =340-10=3300 С, (4.6.4)
Средняя плотность пара.
rср =1/v=1/0,3039=3,29кг/м3 , (4.6.5)
где: v=0,3039 – объем 1 кг пара при Рср =0,895МПа и Тср =3300 С (3, стр62).
Рассчитываем диаметр трубопровода.
d=Ad *D0,38 /(rRл )0,19 =0,414*0,240,38 /651,70,19 =70мм, (4.6.6)
где: Ad =0,414м0,0475 -постоянный коэффициент, зависящий от абсолютной эквивалентной шероховатости трубопровода, [3, стр342]
7.Окончательный расчет паропровода.
Окончательный диаметр трубопровода:
d=82мм.
Rл r=AR *D2 / a5,25 =10,6*10-3 *0,242 /0,095,25 =188,8, (4.7.1)
где: AR =10,6*10-3 м0,25 -постоянный коэффициент, зависящий от абсолютной эквивалентной шероховатости трубопровода, [3, стр342]
Эквивалентная длина паропровода.
При прокладке примем: на каждые 100 м длины трубопровода один «П» образный компенсатор; задвижки ставятся в начале и конце участка.
10 «П» образных компенсаторов lэ =70м, 10 сварных колен lэ =16,8м, 2 задвижки lэ =2,6м.
Полная длина: lп. =l+lэ. =1000+89,4=1089,4м. (4.7.2)
Среднее давление по длине трубопровода:
Рср =Р0 -Rл r/rср *lп. /2=1*106 -188,8/3,29*1089,4/2=0,968МПа, (4.7.3)
Падение температуры по всему участку трубопровода.
dТ=4*10=400 C
Средняя температура пара по длине.
Тср =Т0 –dТ/2=340–40/2=3200 С, (4.7.4)
Средняя плотность пара.
rср =1/v=1/0,2824=3,54кг/м3 , (4.7.5)
где: v=0,2824 – объем 1 кг пара при Рср =0,968 МПа и Тср =3200 (3, стр62).
Rл = Rл r/rср =188,8/3,54=53,4Па/м, (4.7.6)
DР=Rл lп. =53,4*1089,4=0,058МПа, (4.7.7)
Р2 =Р0 -DР=1*106 -0,058*106 =0,942МПа, (4.7.8)
Р0 =РП +DР=0,79*106 +0,058*106 =0,848МПа. (4.7.9)
По полученным данным составляем таблицу.
| D, кг/с |
l, м |
Предварительный расчет |
||||||
| DР, МПа |
Rl , Па/м |
Рср , МПа |
Тср , 0 С |
rср , кг/м3 |
Rл r, Па/м |
d, мм |
||
| 0,24 |
1000 |
0,21 |
198,1 |
0,895 |
330 |
3,29 |
651,7 |
70 |
| Окончательный расчет |
Р2 , МПа |
|||||||
| d, мм |
Rл r, Па/м |
lэ , м |
lп , м |
Рср , МПа |
Тср , 0 С |
rср , кг/м3 |
Rл , Па/м |
|
| 82 |
188,8 |
89,4 |
1089,4 |
0,968 |
320 |
3,54 |
53,4 |
0,942 |
Выбор сетевых и подпиточных насосов.
По пьезометрическому графику H=68,6 м, расход теплоносителя по всему трубопроводу составил G=2,73 кг/с. На основе этих данных в качестве основного сетевого насоса выбираем СЭ-160-70 с подачей V=160м3 /ч и напором H=70м, в качестве резервного с учетом перспектив развития сети теплоснабжения выбираем СЭ-160-100. [1, стр.446]
По пьезометрическому графику H=44,3 м, расход теплоносителя по всему трубопроводу составил G=2,73 кг/с.На основе этих данных в качестве основного подпиточного насоса выбираем СЭ-160-50 с подачей V=160м3 /ч и напором H=50м, в качестве резервного с учетом перспектив развития сети теплоснабжения выбираемСЭ-160-70. [1, стр.446]
5 раздел: Тепловой расчет сети.
1.Тепловой расчет паропровода:
Выбор изоляции.
Минеральная вата на синтетическом связующем с rиз =200 кг/м3 ,lиз =0,053 Вт/м0 С
Толщина изоляции d=70 мм.
Диаметр трубы с изоляцией:
dиз =dнар +2 d =89+2*70=229мм, (5.1.1)
где: dнар –наружный диаметр трубы паропровода.
Тепловое сопротивление изоляции.
м*К/Вт, (5.1.2)
Внешнее тепловое сопротивление.
Для предварительного расчета
(Вт/м2
*К),
где: w=5 м/с–скорость воздуха.
м*К/Вт, (5.1.3)
Температура поверхности изоляции:
(5.1.4)
где: tн.о. =–340 С – температура наружного воздуха
Т0 =3000 С – начальные параметры теплоносителя.
Коэффициент теплоотдачи конвекцией паропровода с изоляцией:
aк =4,65w0,7 /dиз 0,3 =4,65*50,7 /0,2290,3 =22,4Вт/м2 *К, (5.1.5)
где: w=5м/с–скорость воздуха.
Коэффициент теплоотдачи излучением паропровода с изоляцией:
Вт/м2
*К, (5.1.6)
где: с=5 Вт/м2 *К4 –степень черноты.
Внешнее тепловое сопротивление паропровода с изоляцией:
м*К/Вт. (5.1.7)
Тепловые потери 1 м паропровода с изоляцией:
Вт/м. (5.1.8)
Коэффициент теплоотдачи конвекцией голого паропровода:
aк =4,65w0,7 /dиз 0,3 =4,65*50,7 /0,0890,3 =29,7Вт/м2 *К, (5.1.9)
где: w=5м/с–скорость воздуха.
Коэффициент теплоотдачи излучением голого паропровода:
Вт/м2
*К, (5.1.10)
где: с=5 Вт/м2 *К4 –степень черноты.
Внешнее тепловое сопротивление голого паропровода:
м*К/Вт. (5.1.11)
Тепловые потери 1 м голого паропровода:
Вт/м. (5.1.12)
Коэффициент эффективности изоляции.
%. (5.1.13)
Полные тепловые потери.
Q=q*l*(1+b)=129,8*1000*(1+0,3)=168,7кВт, (5.1.14)
Qгол =q*l=5054,05*1000=5054,05кВт. (5.1.15)
где: b=0,3 – коэффициент, учитывающий тепловые потери арматуры, опорных конструкций, фланцев и т.д.
Падение температуры:
h1 =h2 +Q/D=2768+168,7/0,24=3170,9кДж/кг, (5.1.16)
По Р=1МПа и h1 =3170,9кДж/кг находим Т0 =3550 С, (3, стр.62).
Падение температуры на всем паропроводе составило 550 С.
Тепловой расчет водопровода.
2.Тепловой расчет первого участка.
Выбор изоляции.
Маты из стеклянного штапельного волокна на синтетическом связующем r=60 кг/м3 , lиз =0,04 Вт/м0 С
Толщина изоляции d=70 мм.
Диаметр трубы с изоляцией:
dиз =dнар +2d=89+2*70=229мм, (5.2.1)
где: dнар =89мм–наружный диаметр трубы паропровода.
Выбор канала.
По диаметру трубопровода с изоляцией dиз выбираем канал (4,стр.12).
Тип канала: КЛ–120–60,
Внутренние размеры: 1200х600мм,
Наружные размеры: 1450х780мм,
lк =1,3 Вт/м*К – теплопроводность стенок канала.
Внутренний эквивалентный диаметр канала:
м, (5.2.2)
Внешний эквивалентный диаметр канала:
м. (5.2.3)
Глубина залегания канала.
h=2,2м.
Тепловое сопротивление изоляции.
м*К/Вт, (5.2.4)
Наружное тепловое сопротивление.
м*К/Вт, (5.2.5)
где:
Вт/м2
*К –внешнее тепловое сопротивление трубопровода в канале.
Суммарное тепловое сопротивление трубопровода.
R1 =R2 =Rиз +Rнар =3,74+0,11=3,85м*К/Вт, (5.2.6)
где: R1 – тепловое сопротивление прямой линии,
R2 – тепловое сопротивление обратной линии.
Тепловое сопротивление поверхности канала.
м*К/Вт, (5.2.7)
Внутреннее тепловое сопротивление канала
м*К/Вт, (5.2.8)
Тепловое сопротивление грунта.
h/dэ.внеш =2,2/1,01=2,18 > 2, тогда
м*К/Вт, (5.2.9)
где: lгр =1,3 Вт/м*К – теплопроводность грунта.
Тепловое сопротивление канала+грунта.
RS =Rп.к +Rк +Rгр =0,033+0,0286+0,197=0,259м*К/Вт. (5.2.10)
Температура канала.
(5.2.11)
где: tгр =20 С–температура не промерзания грунта.
Температура поверхности изоляции.
(5.2.12)
(5.2.13)
Тепловые потери 1 м водопровода.
Вт/м, (5.2.14)
Вт/м, (5.2.15)
Температура теплоносителя в конце участка.
t/ пр =tпр –Dtпр =150–4=1460 С ,
где:
(5.2.16)
l1 =1000м–длина первого участка,
b=0,3 – коэффициент, учитывающий тепловые потери арматуры, опорных конструкций, фланцев и т.д.
G1 =2,73кг/с–расход теплоносителя на первом участке
св =4,19 кДж/кг*К – теплоемкость воды.
t/ обр =tобр +Dtобр =70+2=720 С ,
где: (5.2.17)
Теплопотери трубопровода без изоляции:
Вт/м, (5.2.18)
где: ![]()
м*К/Вт, (5.2.19)
(5.2.20)
Коэффициент эффективности изоляции.
(5.2.21)
Q=q*l*(1+b)=35,06*1000*(1+0,3)=38,6кВт, (5.2.22)
Qгол =q*l=268*1000=268кВт. (5.2.23)
Падение температуры:
Dt=q*l*(1+b)/G1 Cв =38600/4190*2,73=3,90 С. (5.2.24)
3.Тепловой расчет второго участка.
Выбор изоляции.
Маты из стеклянного штапельного волокна на синтетическом связующем r=60 кг/м3 , lиз =0,04 Вт/м0 С
Толщина изоляции d=70 мм.
Диаметр трубы с изоляцией:
dиз =dнар +2d=76+2*70=216мм, (5.3.1)
где: dнар =76мм–наружный диаметр трубы паропровода.
Выбор канала.
По диаметру трубопровода с изоляцией dиз выбираем канал (4,стр.12).
Тип канала: КЛ–120–60,
Внутренние размеры: 1200х600мм,
Наружные размеры: 1450х780мм,
lк =1,3 Вт/м*К – теплопроводность стенок канала.
Внутренний эквивалентный диаметр канала:
м, (5.3.2)
Внешний эквивалентный диаметр канала:
м. (5.3.3)
Глубина залегания канала.
h=2,2м.
Тепловое сопротивление изоляции.
м*К/Вт, (5.3.4)
Наружное тепловое сопротивление.
м*К/Вт, (5.3.5)
где:
Вт/м2
*К –внешнее тепловое сопротивление трубопровода в канале.
Суммарное тепловое сопротивление трубопровода.
R1 =R2 =Rиз +Rнар =4,16+0,12=4,28м*К/Вт, (5.3.6)
где: R1 – тепловое сопротивление прямой линии,
R2 – тепловое сопротивление обратной линии.
Тепловое сопротивление поверхности канала.
м*К/Вт, (5.3.7)
Внутреннее тепловое сопротивление канала
м*К/Вт, (5.3.8)
Тепловое сопротивление грунта.
h/dэ.внеш =2,2/1,01=2,18 > 2, тогда
м*К/Вт, (5.3.9)
где: lгр =1,3 Вт/м*К – теплопроводность грунта.
Тепловое сопротивление канала+грунта.
RS =Rп.к +Rк +Rгр =0,033+0,0286+0,197=0,259м*К/Вт. (5.3.10)
Температура канала.
(5.3.11)
где: tгр =20 С–температура не промерзания грунта.
Температура поверхности изоляции.
(5.3.12)
(5.3.13)
Тепловые потери 1 м водопровода.
Вт/м, (5.3.14)
Вт/м, (5.3.15)
Температура теплоносителя в конце участка.
t/ пр =tпр –Dtпр =150–3,6=146,40 С ,
где:
(5.3.16)
l1 =800м–длина первого участка,
b=0,3 – коэффициент, учитывающий тепловые потери арматуры, опорных конструкций, фланцев и т.д.
G2 =2,16кг/с–расход теплоносителя на первом участке
св =4,19 кДж/кг*К – теплоемкость воды.
t/ обр =tобр +Dtобр =70+1,5=71,50 С ,
где:
(5.3.17)
Теплопотери трубопровода без изоляции:
Вт/м, (5.3.18)
где: ![]()
м*К/Вт, (5.3.19)
(5.3.20)
Коэффициент эффективности изоляции.
(5.3.21)
Q=q*l*(1+b)=31,77*800*(1+0,3)=30,04кВт, (5.3.22)
Qгол =q*l=240,68*800=192,55кВт. (5.3.23)
Падение температуры:
Dt=q*l*(1+b)/G1 Cв =30040/4190*2,16=3,30 С. (5.3.24)
4.Тепловой расчет третьего участка.
Выбор изоляции.
Маты из стеклянного штапельного волокна на синтетическом связующем r=60 кг/м3 , lиз =0,04 Вт/м0 С
Толщина изоляции d=50 мм.
Диаметр трубы с изоляцией:
dиз =dнар +2d=57+2*50=157мм, (5.4.1)
где: dнар =57мм–наружный диаметр трубы паропровода.
Выбор канала.
По диаметру трубопровода с изоляцией dиз выбираем канал (4,стр.12).
Тип канала: КЛ–90–60,
Внутренние размеры: 900х600мм,
Наружные размеры: 1150х780мм,
lк =1,3 Вт/м*К – теплопроводность стенок канала.
Внутренний эквивалентный диаметр канала:
м, (5.4.2)
Внешний эквивалентный диаметр канала:
м. (5.4.3)
Глубина залегания канала.
h=2м.
Тепловое сопротивление изоляции.
м*К/Вт, (5.4.4)
Наружное тепловое сопротивление.
м*К/Вт, (5.4.5)
где:
Вт/м2
*К –внешнее тепловое сопротивление трубопровода в канале.
Суммарное тепловое сопротивление трубопровода.
R1 =R2 =Rиз +Rнар =4,+0,17=4,17м*К/Вт, (5.4.6)
где: R1 – тепловое сопротивление прямой линии,
R2 – тепловое сопротивление обратной линии.
Тепловое сопротивление поверхности канала.
м*К/Вт, (5.4.7)
Внутреннее тепловое сопротивление канала
м*К/Вт, (5.4.8)
Тепловое сопротивление грунта.
h/dэ.внеш =2/0,93=2,15 > 2, тогда
м*К/Вт, (5.4.9)
где: lгр =1,3 Вт/м*К – теплопроводность грунта.
Тепловое сопротивление канала+грунта.
RS =Rп.к +Rк +Rгр =0,037+0,031+0,204=0,272м*К/Вт. (5.4.10)
Температура канала.
(5.4.11)
где: tгр =20 С–температура не промерзания грунта.
Температура поверхности изоляции.
(5.4.12)
(5.4.13)
Тепловые потери 1 м водопровода.
Вт/м, (5.4.14)
Вт/м, (5.4.15)
Температура теплоносителя в конце участка.
t/ пр =tпр –Dtпр =146–8=1380 С ,
где:
(5.4.16)
l1 =500м–длина первого участка,
b=0,3 – коэффициент, учитывающий тепловые потери арматуры, опорных конструкций, нцев и т.д.
G3 =0,57кг/с–расход теплоносителя на первом участке
св =4,19 кДж/кг*К – теплоемкость воды.
t/ обр =tобр +Dtобр =72+3=750 С ,
где:
(5.4.17)
Теплопотери трубопровода без изоляции:
Вт/м, (5.4.18)
где: ![]()
м*К/Вт, (5.4.19)
(5.4.20)
Коэффициент эффективности изоляции.
(5.4.21)
Q=q*l*(1+b)=32,1*500*(1+0,3)=14,6кВт, (5.4.22)
Qгол =q*l=210*800=105кВт. (5.4.23)
Падение температуры:
Dt=q*l*(1+b)/G1 Cв =14660/4190*0,57=4,10 С. (5.4.24)
6 раздел: Централизованное регулирование нагрузки водяной тепловой сети, графики регулирования.
1.Тепловая нагрузка при t=-340 С:
Q1 =Qmax -Qтн =1,46-0,547=0,913МВт, (6.1.1)
где: Qmax =1,46МВт-тепловая нагрузка, необходимая чугунолитейному цеху и АБК, [из графика тепловой нагрузки, 1 раздел]
Qтн =0,547МВт-тепловая нагрузка на технологические нужды потребителя. [из графика тепловой нагрузки, 1 раздел]
Тепловая нагрузка при t=+80 С:
Q2 =Qmax -Qтн =0,721-0,547=0,174МВт, (6.1.2)
где: Qmax =0,721МВт-максимальная тепловая нагрузка, необходимая потребителям, [из графика тепловой нагрузки, 1 раздел]
Qтн =0,547МВт-тепловая нагрузка на технологические нужды потребителя. [из графика тепловой нагрузки, 1 раздел]
Тепловая нагрузка при t выше +80 С:
Q3 =Qmax -Qтн =0,585-0,547=0,012МВт, (6.1.3)
где: Qmax =0,559МВт-суммарная тепловая нагрузка, состоящая из технологической нагрузки и нагрузки на летнее горячее водоснабжение, [из графика тепловой нагрузки, 1 раздел]
Qтн =0,547МВт-тепловая нагрузка на технологические нужды потребителя. [из графика тепловой нагрузки, 1 раздел]
2.Температура прямой линии трубопровода при t=-340 С:
t1 =Q1 /Св *G1 + t2 =913000/4190*2,73+70=1500 С, (6.2.1)
где: Св =4,190кДж/кг*гр-теплоемкость воды,
G1 =2,73кг/с-расход теплоносителя на первом участке,
t2 =700 С-температура обратной линии трубопровода.
Температура прямой линии трубопровода при t=+80 С:
t2 =Q2 /Св *G1 + t2 =174000/4190*2,73+70=850 С, (6.2.2)
где: Св =4,190кДж/кг*гр-теплоемкость воды,
G1 =2,73кг/с-расход теплоносителя на первом участке,
t2 =700 С-температура обратной линии трубопровода.
Температура прямой линии трубопровода при t выше +80 С:
t3 =Q3 /Св *G1 + t2 =12000/4190*2,73+70=730 С, (6.2.3)
где: Св =4,190кДж/кг*гр-теплоемкость воды,
G1 =2,73кг/с-расход теплоносителя на первом участке,
t2 =700 С-температура обратной линии трубопровода.
3.Тепловые нагрузки при t=-400 С:
Расчет тепловой нагрузки на отопление чугунолитейного цеха:
Qo | =(tвр -t)Vстр qo =(16+40)*12000*0,3=201000Вт=0,201МВт, (6.3.1)
где: qo =0,3Вт/(м3 *К)-удельные тепловые потери здания на отопление (1, стр437)
Vстр =12000м3 -объем здания по наружным размерам [из задания]
tвр =160 C-температура воздуха внутри помещения [4, стр25]
tно =-400 С-температура наружного воздуха. [1, стр432]
Тепловая нагрузка на вентиляцию ниже tнв =-220 С не изменяется, поэтому принимаем Qв | =0,547МВт.
Расчет тепловой нагрузки на отопление бытовых и административных зданий:
Qо | =(tвр -tно )Vстр qo =(18+40)*8000*0,34=157760Вт=0,157МВт, (6.3.2)
где:Vстр =8000м3 - объем здания по наружным размерам [из задания]
tвр =180 С- температура воздуха внутри помещения (4, стр25)
qo =0,34Вт/(м3 *К)-удельные тепловые потери здания на отопление (1, стр437)
Тепловая нагрузка на вентиляцию ниже tнв =-220 С не изменяется, поэтому принимаем Qв | =0,585МВт.
4.Расход теплоносителя, необходимый потребителю при t=-400 С:
G=Qсум /Св *(t1 -t2 )=1529360/4190*(150-70)=4,56кг/с, (6.4.1)
где: Qсум =Qo | +Qв | +Qо | +Qв | =201000+585000+157760+585000=1529360Вт,
Св =4190Дж/кг*гр-теплоемкость воды,
t1 =1500 С и t2 =700 С-температуры прямой и обратной линии трубопровода.
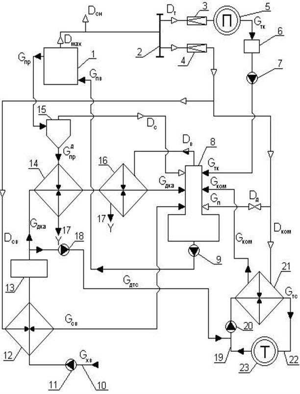
7 раздел: Выбор и расчет принципиальной тепловой схемы источника теплоснабжения.
1.Выбор типа и числа устанавливаемых котельных агрегатов.
Суммарная ориентировочная тепловая нагрузка котельной.
QS кот =к*кк *(Qр от +1,2Qр в +Qр гв +Qтех )=0,8*1,25*(321,4+1,2*585,6+26,7+
+547)=1596кВт, (7.1.1)
где: Qтех –присоединенная технологическая нагрузка,
кк =1,2 – коэффициент учитывает нагрузку кондиционирования,
к=0,8 – коэффициент совпадения максимумов тепловых нагрузок.
Коммунальная нагрузка.
(7.1.2)
где: hп =2828,1кДж/кг–энтальпия пара (3, стр342),
h/ к =св *tк =4,19*80=335,2кДж/кг–энтальпия конденсата.
Пар на подогреватели сетевой воды идет с параметрами:
Р=0,6 МПа, t=1900 С.
Конденсат идет с температурой tк =800 С (обычно в диапазоне 80–1000 С) при давлении подачи в деаэратор Р=0,104 МПа.
hто =0,95%–КПД сетевого подогревателя,
hтп =0,96%–КПД транспорта теплоты.
Qком = Qр о + Qр в + Qр гв =321,4+585,6+26,7=933,7кВт.
Максимальная часовая производительность котельной по пару с учетом собственных нужд.
DS кот =ксн *(Dком + Dтех )=1,05*(0,81+0,24)= 1,05кг/с, (7.1.3)
где: ксн =1,05– коэффициент учитывающий собственные нужды котельной работающей на газе.
Количество устанавливаемых агрегатов.
, (7.1.4)
где: Di =0,444кг/с–паропроизводительность агрегата Е-1,6-9 (1, стр.454).
Должно выполняться условие: 1,1*(n–1)*Di –Dтех >0,75Dком
т.е. 1,1*(2–1)*0,444–0,24= 0,25 , т.е. 2 котла недостаточно.
3 котла:
1,1*(3–1)*0,444–0,24=0,73 –это больше 0,75Dком =0,75*0,81=0,637.
К установке принимаем 3 котла.
2.Расчет тепловой схемы производственно–отопительной котельной.
Производительность котельной по пару.
Dmax =Sni *Di =3*0,444=1,33кг/с, (7.2.1)
где: ni =3– число принятых к установке котельных агрегатов с производительностью Di =0,444 кг/с.
Количество конденсата, возвращаемого технологическим потребителем.
Gтк = aк *Dтех =0,5*0,24=0,12кг/с, (7.2.2)
где: aк =0,5– доля конденсата, возвращаемое технологическим потребителем,
Dтех =0,24кг/с – расход пара технологическим потребителем.
Расход продувочной воды.
Gпр =кпр *Dmax =0,05*1,33=0,066кг/с, (7.2.3)
где: кпр =0,05 –коэффициент, определяющий количество котловой воды, отводимой в непрерывную продувку для поддержания нормального солевого баланса котельного агрегата.
Количество вторичного пара, отводимого из сепаратора непрерывной продувки.
(7.2.4)
где: h/ кв =844,7кДж/кг – энтальпия кипящей воды при давлении в барабане котла (3, стр.432),
h/ с =475,38кДж/кг – энтальпия кипящей воды при давлении в сепараторе (3, стр.422),
h// с =2696,8 кДж/кг – энтальпия насыщенного пара при давлении в сепараторе (3, стр.422),
Давление в барабане котла Рб =10атм = 1,0МПа,
Давление в сепараторе Рс = 1,5 – 1,7 атм,
hс =0,98 – коэффициент, учитывающий потери теплоты сепаратором.
Количество продувочной воды, сливаемой в дренаж.
Gд пр = Gпр -Dс =0,066–0,01=0,056кг/с. (7.2.5)
Количество питательной воды, поступающей из деаэратора в котельные агрегаты.
Gпв =Dmax +Gпр =1,33+0,066=1,396кг/с. (7.2.6)
Расход выпара из деаэратора.
Dв =0,002*Gпв =0,002*1,396=0,003кг/с. (7.2.7)
Количество добавочной воды, необходимой для питания котельных агрегатов.
Gд.к.а. =Dв +Gд пр +Dтех –Gтк =0,003+0,056+0,24–0,12=0,179кг/с. (7.2.8)
Количество тепловой воды, циркулирующей в тепловой сети.
(7.2.9)
где: tпр =1500 С и tотб =700 С – температура сетевой воды в прямой и обратной линии,
hтп =0,96 и hто =0,95 – коэффициенты, учитывающие потери теплоты в тепловой сети и сетевом подогревателе.
Количество подпиточной воды для тепловой сети.
Gдтс =0,02*Gтс =0,02*4,05=0,195кг/с. (7.2.10)
Количество сырой воды, подвергаемой химводоочистке.
Gхв =(1+кхв сн )*(Gдка +Gдтс )=(1+0,1)*(0,179+0,19)=0,705кг/с, (7.2.11)
где: кхв сн =0,1 – коэффициент, учитывающий собственные нужды ХВО.
Расход пара для подогрева сырой воды перед ХВО.
(7.2.12)
где: t// св =250 С , t/ св =50 С – температура сырой воды после и до теплообменника,
hп =2828.1 кДж/кг и h/ к =335.2 кДж/кг – энтальпия греющего пара и его конденсата.
Энтальпия подпиточной воды котельных агрегатов после охладителя непрерывной продувки.
(7.2.13)
где:Dt1 =30 – понижение температуры воды в процессе ее обработки ХВО,
tдр =500 С – температура продувочной воды, сбрасываемой из охладителя непрерывной продувки в дренаж.
Энтальпия добавочной воды котельных агрегатов после охладителя.
(7.2.14)
где: h// в =2677 и h/ в =423 кДж/кг – энтальпия насыщенного пара и конденсата при давлении в деаэраторе Рдеаэр =1,04–1,1 атм.
Средняя энтальпия потоков воды, поступающих в деаэратор.
(7.2.15)
где: tтк =800 С – температура конденсата, возвращаемого от технологического потребителя,
hсв =h/ =335,2 кДж/кг , hсп =h/ =335,2 кДж/кг – энтальпия конденсата греющего пара подогревателей, греющего пара подогревателей сырой воды и сетевого подогревателя.
Расход пара на подогрев питательной воды в деаэраторе.
(7.2.16)
где: tпв =1040 С – температура питательной воды
hд =0,99 – коэффициент, учитывающий потери теплоты деаэратором
GS = Gтк +Gдка +Gсв +Gком =0,12+0,179+0,084+0,81=1,19кг/с,
hв =2677 кДж/кг – энтальпия выпара при давлении в деаэраторе Рдеаэр =1,04–1,1 атм,
hд =hп =2828,1 кДж/кг – энтальпия греющего пара деаэратора при Р=0,6 МПа, t=1900 С.
h// с =2696,8 кДж/кг – энтальпия насыщенного пара при давлении в сепараторе Рс = 1,5 – 1,7 атм.
Количество пара, расходуемое на собственные нужды котельной.
Dсн =Dmax *(ксн –1)=1,33*(1,05–1)=0,066кг/с. (7.2.17)
Количество пара отдаваемое промышленному потребителю.
Dн =Dmax +Dc –(Dд +Dсн +Dком +Dсв +Dв )=1,33+0,01–(0,07+0,066+0,81+0,084+0,003)=0,307кг/с. (7.2.18)
Степень удовлетворения в паре промышленного потребителя.
![]()

Принципиальная схема паровой
производственно–отопительной котельной.
1.Котел паровой низкого давления;
2.Паровой коллектор;
3.РОУ связи с промышленным потребителем пара;
4.РОУ собственных нужд;
5.Промышленный (технологический) потребитель пара;
6.Конденсатный бак;
7.Насос конденсатный;
8.Деаэратор атмосферный;
9.Насос питательный;
10.Сырая вода;
11.Насос сырой воды;
12.Подогреватель сырой воды;
13.Химводоочистка;
14.Охладитель непрерывной продувки;
15.Сепаратор непрерывной продувки;
16.Охладитель выпара;
17.Дренаж продувочной воды;
18.Насос подпиточной тепловой сети;
19.Обратная линия тепловой сети;
20.Сетевой насос;
21.Подогреватель сетевой;
22.Прямая линия тепловой сети;
23.Теплофикационный (коммунальный) потребитель теплоты.
Список литературы:
1.Е.Я. Соколов. “Теплофикация и тепловые сети”
М.: издательство МЭИ, 2001.
2. В.А. Григорьев, В.М. Зорин. “Промышленная теплоэнергетика и теплотехника” М.: Энергоатомиздат, 1983.
3. М.П. Вукалович, С.Л. Ривкин, А.А. Александров. Таблицы теплофизических свойств воды и водяного пара. М.: издательство стандартов, 1969.
4.Методическое указание к курсовому проекту “Тепловая мощность системы теплоснабжения” Магнитогорск, 1987.