| Скачать .docx |
Курсовая работа: Механизм качающегося конвеера
Оглавление
Оглавление
1 СТРУКТУРНЫЙ АНАЛИЗ МЕХАНИЗМОВ
1.1 Структурный анализ рычажного механизма
1.2 Структурный анализ зубчатого механизма
1.3 Структурный анализ кулачкового механизма
2. ДИНАМИЧЕСКИЙ АНАЛИЗ РЫЧАЖНОГО МЕХАНИЗМА
2.1 Определение скоростей
2.2 Определение приведённого момента инерции звеньев
2.3 Определение приведённого момента сопротивления
3. СИЛОВОЙ АНАЛИЗ РЫЧАЖНОГО МЕХАНИЗМА
3.1 Построение плана скоростей для расчётного положения
3.2 Определение ускорений
3.3 Определение сил и моментов инерции звеньев
3.4 Определение реакций в кинематических парах и уравновешивающей силы методом планов
3.5 Определение уравновешивающей силы методом Жуковского
3.6 Расчёт погрешности 2-х методов
4. ПРОЕКТИРОВАНИЕ КИНЕМАТИЧЕСКОЙ СХЕМЫ ПЛАНЕТАРНОГО РЕДУТОРА И РАСЧЁТ ЭВОЛЬВЕНТНОГО ЗАЦЕПЛЕНИЯ
4.1 Подбор числа зубьев и числа сателлитов планетарного редуктора
4.2 Исследование планетарного механизма графическим и аналитическим способом
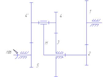
1 СТРУКТУРНЫЙ АНАЛИЗ МЕХАНИЗМОВ
1.1 Структурный анализ рычажного механизма

Подвижные звенья механизма.
1-кривошип
2-шатун
3-коромысло
4-кулисный камень
5-кулиса
Рисунок 1.
Кинематические пары. 1
О (0-1),вр.,5 кл.
А (1-2),вр.,5 кл.
В (2-3),вр.,5 кл.
С (0-3),вр.,5 кл.
D (3-4),вр.,5 кл.
D' (4-5),пост.,5 кл.
E (0-5),пост.,5 кл.
Найдём число степеней свободы.
Запишем формулу Чебышева.
W=3∙n-2∙P5 -P4 (1.1)
Где: W-число степеней свободы,
n-число подвижных звеньев,
P4 - число пар 4-го класса,
P5 - число пар 5-го класса.
W=3∙5-2∙7=1
Число степеней свободы рычажного механизма равно 1.
Разобьём механизм на группы Асура и
рассмотрим каждую группу в отдельности.

(Рисунок 1.2)
Группа 4-5
E (0-5)-внешняя
D (3-4)-внешняя
D' (4-5)-внутренняя
W=3∙2-2∙3=0
II кл. 2 вид Рисунок 1.2
(Рисунок 1.3)
Группа 2-3
А (1-2)-внешняя
В (2-3)-внутренняя
С (0-3)-внешняя
W=3∙2-2∙3=0
II кл. 1 вид
Рисунок 1.3
Начальное звено (Рисунок 1.4)
O (0-1)
W=3-2=1
Рисунок 1.4
Составим структурную формулу:
![]()
1.2 Структурный анализ зубчатого механизма

Подвижные звенья механизма.
1 – зубчатое колесо
H – водило
4-4’ – сдвоенный сателлит
5 – центральное колесо
(солнечное)
Кинематические пары.
(1-0),вр.,5 кл.
(2-0),вр.,5 кл.
(4-H),вр.,5 кл.
(5-0),вр.,5 кл.
(1-2),вр.,4 кл.
(3-4),вр.,4 кл.
(4‘-5),вр.,4 кл. Рисунок 1.5
Найдём число степеней свободы.
Запишем формулу Чебышева.
W=3∙n-2∙P5 -P4 (1.1)
W=3∙4-2∙4-3=1
Число степеней свободы зубчатого механизма равно 1, следовательно, данный механизм является планетарным.
1.3 Структурный анализ кулачкового механизма
Подвижные звенья механизма.
1-кулачок
2-ролик
3-толкатель
Кинематические пары.
А (1-0),вр.,5 кл.
В (1-2),4 кл.
С (2-3),вр.,5 кл. Рисунок 1.6
D (3-0),пост.,5 кл.
Найдём число степеней свободы.
W=3∙n-2∙P5 -P4
W=3∙3-2∙3-1=2
Число степеней свободы равно 2.
W≠1 т.к. присутствует лишнее звено ролик.
Определим число лишних звеньев по формуле:
q=W-W1 где,
q-число лишних звеньев,
W1 -число степеней свободы плоского механизма,
W-имеющееся число степеней свободы.
q=2-1=1
Для получения W=1 отбросим лишнее звено и рассмотрим новую схему.

Звенья механизма.
1-кулачок
3-толкатель
Кинематические пары.
А (1-0),вр.,5 кл.
В (1-3),4 кл.
С (0-3),вр.,5 кл. Рисунок 1.7
Найдём число степеней свободы.
W=3∙n-2∙P5 -P4
W=3∙3-2∙2-1=1
Число степеней свободы кулачкового механизма равно 1.
2. ДИНАМИЧЕСКИЙ АНАЛИЗ РЫЧАЖНОГО МЕХАНИЗМА
2.1 Определение скоростей
Для заданной схемы механизма строим 12 положений.
Определяем масштабный коэффициент построения механизма:
(2.1)
где:
- масштабный коэффициент, ![]()
- длина звена, ![]()
- длина звена на чертеже, ![]()
![]()
![]()
Приступаем к построению повёрнутых планов скоростей для каждого положения. Рассмотрим пример построения для положения №5:
У кривошипа определяем скорость точки А
(2.2)
где:
- длина звена, ![]()
- угловая скорость кривошипа, ![]()
![]()
![]()
![]()
![]()
Для построения вектора скорости точки А определяем масштабный коэффициент
(2.3)
где:
- скорость точки А, ![]()
- вектор скорости точки А, ![]()
- полюс, выбираемый произвольно
![]()
![]()
Для определения скорости точки B запишем систему уравнений:
(2.4)
Вектор скорости точки А – VA известен по величине и по направлению. Вектор скорости точки С – VC равен нулю, т. к. точка С расположена на неподвижной шарнирной опоре. Вектора скорости VBA и VBC неизвестны ни по величине, ни по направлению, но нам известны их линии действия, на пересечении которых мы получим точку b. Соединив, полученную точку с полюсом π найдём длину вектора скорости точки B.
![]()
![]()
Для определения скорости центра масс 2-го звена S2 воспользуемся соотношением:
(2.5)
где:
,
- расстояния между соответствующими точками на механизме, м
,
- длинны векторов скоростей на плане, мм
мм
Соединив, точку
и π получим скорость центра масс второго звена.
![]()
![]()
Для определения скорости точки D воспользуемся следующим соотношением
(2.6)
где:
,
- расстояния между соответствующими точками на механизме, м
,
- длинны векторов скоростей на плане, мм
мм
![]()
![]()
Для определения скорости центра масс 3-го звена S3 воспользуемся соотношением:
(2.7)
где:
,
- расстояния между соответствующими точками на механизме, м
,
- длинны векторов скоростей на плане, мм
мм
т.к.
, то
![]()
![]()
Так как центр массы 4-го звена совпадает точкой D то,
![]()
![]()
Для определения скорости точки D’ запишем систему уравнений:
(2.8)
Вектор скорости точки D – VD известен по величине и по направлению. Вектор скорости точки E – VE равен нулю, т. к. точка E расположена на неподвижной опоре.
Вектора скорости VD ’ D и VD ’ E неизвестны ни по величине, ни по направлению, но нам известны их линии действия, на пересечении которых мы получим точку d’. Соединив, полученную точку с полюсом π найдём длину вектора скорости точки D’.
![]()
![]()
Так как 5-е звено совершает только поступательное движение то, скорости всех точек данного звена одинаковы.
![]()
![]()
Определим значения угловых скоростей звеньев.
![]()
![]()
![]()
![]()
Направление
определяем, перенеся вектор ab в точку S2
– второе звено вращается против часовой стрелки. Аналогично получим, что
направлена по часовой стрелке. Скорости остальных точек определяются аналогичным образом. Все значения сводим в таблицу(2.1).
Таблица 2.1 – Значения линейных и угловых скоростей.
| N положения |
VB,
|
VS2,
|
VD =VS4,
|
VS3,
|
VD’ =VS5,
|
VAB,
|
|
|
| 1 |
0 |
2,994 |
0 |
0 |
0 |
4,71 |
15,596 |
0 |
| 2 |
2,734 |
2,933 |
4,614 |
1,452 |
3,367 |
5,959 |
19,731 |
17,089 |
| 3 |
5,335 |
4,351 |
9,002 |
2,834 |
7,958 |
4,891 |
16,194 |
33,341 |
| 4 |
4,94 |
4,781 |
8,337 |
2,624 |
8,241 |
0,767 |
2,54 |
30,877 |
| 5 |
3,572 |
4,113 |
6,029 |
1,898 |
5,989 |
2,816 |
9,326 |
22,328 |
| 6 |
2,166 |
3,265 |
3,655 |
1,151 |
3,498 |
4,716 |
17,177 |
13,537 |
| 7 |
0 |
2,994 |
0 |
0 |
0 |
4,71 |
15,596 |
0 |
| 8 |
1,543 |
3,445 |
2,604 |
0,82 |
2,443 |
3,659 |
12,116 |
9,645 |
| 9 |
3,547 |
4,237 |
5,986 |
1,884 |
5,877 |
1,785 |
5,911 |
22,17 |
| 10 |
4,596 |
4,666 |
7,756 |
2,441 |
7,737 |
0,343 |
1,135 |
28,724 |
| 11 |
4,675 |
7,851 |
2,472 |
7,338 |
0,751 |
2,487 |
29,078 |
|
| 12 |
3,701 |
4,262 |
6,246 |
1,966 |
5,044 |
1,999 |
6,62 |
23,133 |
2.2 Определение приведённого момента инерции звеньев.
Приведённый момент инерции определяется по формуле:
(2.9)
где:
- масса i-го звена рычажного механизма, кг
- линейная скорость центра масс i-го звена,![]()
- угловая скорость i-го звена, ![]()
- приведённый момент инерции i-го звена по отношению к центру масс
(2.10)
- для звена, совершающего сложное движение
- для звена, совершающего вращательное или колебательное движения
- для звена, совершающего поступательное движение
Запишем формулу для нашего механизма:
(2.11)
Для 5-го положения приведём расчёт, а для остальных положений сведём значение
в таблицу 2.2
кг∙м2
кг∙м2
кг∙м2
![]()
Подставив все известные величины в формулу (2.11) получим:
кг∙м2
Таблица 2.2 – Приведённые моменты инерции.
| N положения |
|
N положения |
|
| 1 |
0,0286 |
7 |
0,0286 |
| 2 |
0,0690 |
8 |
0,0519 |
| 3 |
0,2544 |
9 |
0,1529 |
| 4 |
0,2683 |
10 |
0,2401 |
| 5 |
0,1558 |
11 |
0,2232 |
| 6 |
0,0721 |
12 |
0,1277 |
Для построения графика приведённого момента инерции необходимо Рассчитать масштабные коэффициенты.
,
(2.12)
где:
- масштабный коэффициент по оси ![]()
- максимальное значение
, кг∙м2
- значение
на графике, мм
![]()
![]()
,
(2.13)
где:
- масштабный коэффициент по оси φ
- принятая длинна одного оборота по оси φ
![]()
2.3 Определение приведённого момента сопротивления.
На планах скоростей прикладываем все силы, действующие на механизм, и указываем их плечи. Составляем сумму моментов относительно полюса и решаем уравнение.
Для 1-го положения:
(2.14)
где:
плечи соответствующих сил, снятые с плана скоростей, мм.
H,
H
H
Находим момент привидения:
(2.15)
где:
- приведённая сила, Н
- длина соответствующего звена, м
Н∙м
Для 2-го положения:
H
Н∙м
Для 3-го положения:
H
Н∙м
Для 4-го положения:
H
Н∙м
Для 5-го положения:
H
Н∙м
Для 6-го положения:
H
Н∙м
Для 7-го положения:
H
Н∙м
Для 8-го положения:
H
Н∙м
Для 9-го положения:
H
Н∙м
Для 10-го положения:
H
Н∙м
Для 11-го положения:
H
Н∙м
Для 12-го положения:
H
Н∙м
Все значения сводим в таблицу.
Таблица 2.3 – Приведённые моменты сопротивления.
| N положения |
|
N положения |
|
| 1 |
-3,09 |
7 |
3,104 |
| 2 |
-0,76 |
8 |
3,279 |
| 3 |
1,045 |
9 |
-87,572 |
| 4 |
0,783 |
10 |
-118,594 |
| 5 |
1,139 |
11 |
-115,48 |
| 6 |
2,06 |
12 |
-82,12 |
Определяем масштабный коэффициент построения графика моментов сопротивления:
,
(2.16)
где:
- масштабный коэффициент по оси ![]()
- максимальное значение
, ![]()
- значение
на графике, мм
![]()
![]()
По данным расчёта строится график
.
Путём графического интегрирования графика приведённого момента строится график работ сил сопротивления
.
График работ движущих сил
получаем в виде прямой, соединяющей начало и конец графика работ сил сопротивления.
Масштабный коэффициент графика работ:
,
(2.17)
где: Н – полюсное расстояние для графического интегрирования, мм
Н=30мм
![]()
![]()
Момент движущий
является величиной постоянной и определяется графически.
![]()
![]()
Путём вычитания ординат графика
из соответствующих ординат
строится график изменения кинетической энергии
.
(2.18)
![]()
![]()
Таблица 2.4 – Значения
,
, ![]()
| 1 |
2 |
3 |
4 |
5 |
6 |
7 |
8 |
9 |
10 |
11 |
12 |
|
|
|
0 |
-0,39 |
-0,26 |
0,08 |
0,38 |
0,98 |
1,78 |
2,8 |
0,93 |
-37,84 |
-77,52 |
-114,68 |
|
|
0 |
-7,34 |
-18,65 |
-29,96 |
-41,27 |
-52,58 |
-67,2 |
-75,36 |
-86,67 |
-97,98 |
-109,29 |
-120,6 |
|
|
0 |
-6,95 |
-18,39 |
-30,04 |
-41,65 |
-53,56 |
-68,98 |
-78,16 |
-87,6 |
-60,14 |
-31,77 |
-5,92 |
По методу Ф. Витенбауэра на основании ранее построенных графиков
и
строим диаграмму энергия-масса
.
Определяем углы
и
под которыми к диаграмме энергия-масса, проводятся касательные.
(2.19)
(2.19)
где:
- коэффициент неравномерности вращения кривошипа.
![]()
![]()
![]()
![]()
![]()
Вследствие того что, пересечение касательных и оси выходит за приделы формата, то ab определим из геометрии с помощью следующей формулы:
,мм
мм
Определяем момент инерции маховика
,
(2.20)
![]()
![]()
Маховик устанавливается на валу звена приведения.
Определим основные параметры маховика.
,кг (2,21)
где:
- масса маховика, кг
- плотность материала,
(материал-Сталь 45)
- ширина маховика, м
- диаметр маховика, м
,м (2,22)
где:
- коэффициент (0,1÷0,3), ![]()
м
м
кг
3. СИЛОВОЙ АНАЛИЗ РЫЧАЖНОГО МЕХАНИЗМА
3.1 Построение плана скоростей для расчётного положения
Расчётным положением является положение №11. Построение плана скоростей описано в разделе №2. Масштабный коэффициент плана скоростей
![]()
![]()
3.2 Определение ускорений
Определяем угловое ускорение звена 1.
, (3.1)
где:
- момент от сил движущих, ![]()
- момент от сил сопротивления, ![]()
- приведённый момент инерции маховика, ![]()
- приведённый момент инерции рычажного механизма для расчётного положения, ![]()
- первая производная от приведённого момента инерции механизма для расчётного положения
, (3.2)
где:
- масштабный коэффициент по оси
, ![]()
- масштабный коэффициент по оси φ, ![]()
- угол между касательной, проведённой к кривой графика
в расчётном положении и осью φ. ![]()

![]()
Строим план ускорений для расчётного положения.
Скорость точки А определяем по формуле
, (3.3)
где:
- ускорение точки А, ![]()
- нормальное ускорение точки А относительно точки О, ![]()
- тангенциальное (касательное) ускорение точки А, ![]()
Ускорение
найдём по формуле:
, (3.4)
где:
- угловая скорость кривошипа, ![]()
- длина звена ОА, м
![]()
![]()
Ускорение
найдём по формуле:
, (3.5)
![]()
![]()
Из произвольно выбранного полюса
откладываем вектор
длинной 100мм. Найдём масштабный коэффициент плана скоростей.
, (3.6)
![]()
![]()
Определим длину вектора
:
![]()
![]()
Т.к.
<1мм, то на плане ускорений вектор не строим.
Ускорение точки А определим из следующеё формулы:
![]()
![]()
Определим ускорение точки B из следующей системы уравнений:
, (3.7)
Для определения нормальных ускорений точки В относительно точек А и С
Воспользуемся следующими формулами:
![]()
![]()
![]()
![]()
Ускорение точки С равно нулю, т.к. она неподвижна.
Определим длину векторов
и
:
![]()
![]()
Т.к.
<1мм, то на плане ускорений вектор не строим.
![]()
![]()
Ускорение точки В найдём, решив системе (3.7) векторным способом:
Из вершины вектора ускорения точки А (
) откладываем вектор
(параллелен звену АВ и направлен от В к А), из вершины вектора
проводим прямую перпендикулярную звену АВ (линия действия
); из полюса
откладываем вектор
(параллелен звену ВС и направлен от В к С), из вершины вектора
проводим прямую перпендикулярную звену ВС (линия действия
); на пересечении линий действия векторов
и
получим точку b, соединив полученную точку с полюсом, получим вектор ускорения точки В. Из плана ускорений определяем вектора тангенциальных ускорений и ускорение точки В:
![]()
![]()
![]()
![]()
![]()
![]()
Из полученных тангенциальных ускорений найдём угловые ускорения 2-го и 3-го звеньев:
![]()
![]()
![]()
![]()
Ускорение точки D найдём из следующего соотношения:
(3.8)
где:
,
- расстояния между соответствующими точками на механизме, м
,
- длинны векторов ускорений на плане, мм
мм
![]()
![]()
Ускорение точки D’ определим из следующей системы уравнений:
, (3.9)
где:
=
=0, т.к. звенья 4 и 5 не совершают вращательного движения,
линия действия
направлена вертикально,
линия действия
направлена горизонтально.
Решая систему (3.9) получим
Ускорение точки D’ равно:
![]()
![]()
Определим ускорения центров масс звеньев:
Ускорение центра масс 2-го звена
найдём из соотношения (3.10)
(3.10)
Из плана ускорений
мм
мм
мм
![]()
![]()
Ускорение центра масс 3-го звена
найдём из соотношения (3.11)
(3.10)
Из плана ускорений
мм
мм
мм
![]()
![]()
Ускорения центров масс 4-го и 5-го звеньев равны ускорениям точек D и D’ соответственно:
![]()
![]()
![]()
![]()
Значения всех ускорений сведём в таблицу:
Таблица З.1 – Ускорения звеньев.
| Ускорение точек механизма |
Значение, |
Ускорение центров масс |
Значение, |
Угловые ускорения |
Значение, |
|
|
|
|
|
|
|
|
|
|
|
|
|
|
|
|
|
|
|
|
|
|
|
|
|
|
--- |
--- |
|
|
|
--- |
--- |
--- |
--- |
|
|
|
--- |
--- |
--- |
--- |
|
|
|
--- |
--- |
--- |
--- |
|
|
|
--- |
--- |
--- |
--- |
|
|
|
--- |
--- |
--- |
--- |
|
|
|
--- |
--- |
--- |
--- |
3.3 Определение сил и моментов инерции звеньев
Силы инерции определяем по формуле:
(3.11)
где:
- масса i-го звена, кг ;
- ускорение центра масс i-го звена, ![]()
![]()
![]()
![]()
![]()
![]()
![]()
![]()
![]()
Определяем моменты инерции звеньев:
(3.12)
где:
- момент инерции i-го звена,
- момент инерции i-го звена относительно центра масс, ![]()
- угловая скорость i-го звена, ![]()
![]()
![]()
![]()
![]()
![]()
![]()
Рассчитаем силу тяжести каждого звена:
![]()
![]()
![]()
![]()
![]()
![]()
![]()
![]()
![]()
![]()
3.4 Определение реакций в кинематических парах и уравновешивающей силы методом планов
Рассмотрим группу Асура 5-0: Сила
и
найдем из следующего уравнения:
![]()
Масштабный коэффициент сил:

![]()
где
- алгебраическое значение силы, Н
длина вектора силы на плане,
.
Определим длины векторов:
,![]()
![]()
![]()
![]()
![]()
Из плана сил определяем значения неизвестных сил:
![]()
![]()
![]()
![]()
Таблица 3.2 – Силы и вектора сил 4-го звена.
|
|
|
|
|
|
|
|
|
78,4 |
1139,472 |
800 |
78,4 |
339,472 |
|
|
10,321 |
150 |
105,318 |
10,321 |
44,691 |
Рассмотрим звено №4 (ползун):
Так как силы
и
равны нулю, то на ползун действует только две силы, которые расположены на одной прямой и противоположны по направлению.
![]()
![]()
Рассмотрим группу Асура 2-3:
Найдём тангенциальные реакции из следующих уравнений:
(3.13)
(3.14)
Из уравнения (3.13) получим

Из уравнения (3.14) получим

С помощью плана сил определим неизвестные реакции
и
:
![]()
Найдём масштабный коэффициент

![]()
Из плана сил определяем значения неизвестных сил:
![]()
![]()
![]()
![]()
Реакцию
определяем из следующего векторного уравнения
![]()
![]()
![]()
Таблица 3.3 – Силы и вектора сил 2-го и 3-го звеньев.
|
|
|
|
|
|
|
|
|
|
|
|
|
|
954,968 |
957,62 |
1352,403 |
1161,317 |
54,88 |
339,472 |
65,66 |
501,053 |
326,893 |
901,331 |
|
|
123,349 |
123,691 |
174,684 |
150 |
7,089 |
43,848 |
8,481 |
64,719 |
42,223 |
116,421 |
Рассмотрим начальный механизм.
Определим уравновешивающую силу ![]()
![]()

![]()
Уравновешивающий момент равен
![]()
![]()
Реакцию
определяем графически

![]()
![]()
Из плана сил находим
![]()
![]()
3.5 Определение уравновешивающей силы методом Жуковского
Для этого к повёрнутому на
плану скоростей в соответствующих точках прикладываем все внешние силы действующие на механизм, не изменяя их направления. Моменты раскладываем на пару сил, изменив их направления.
, (3.15)
где:
и
- пара сил, ![]()
- момент инерции i-го звена, ![]()
- длина i-го звена, ![]()
![]()
![]()
![]()
![]()
![]()
![]()
Записываем уравнение моментов сил относительно полюса
:
, отсюда
![]()
Уравновешивающий момент равен
![]()
![]()
3.6 Расчёт погрешности 2-х методов
, (3.16)
где:
- сила полученная методом Жуковского, ![]()
- сила полученная методом планов, ![]()
- погрешность, ![]()
![]()
4. ПРОЕКТИРОВАНИЕ КИНЕМАТИЧЕСКОЙ СХЕМЫ ПЛАНЕТАРНОГО РЕДУТОРА И РАСЧЁТ ЭВОЛЬВЕНТНОГО ЗАЦЕПЛЕНИЯ
4.1 подбор числа зубьев и числа сателлитов планетарного редуктора
![]()
Рисунок 4.1
Передаточное отношение
равно
(4.1)
где:
- передаточное отношение от 5-го звена к водилу, при неподвижном третьем звене
- передаточное отношение от 2-го звена к первому
из задания
(4.2)
где:
- число зубьев первого колеса
- число зубьев второго колеса
![]()
![]()
Определим неизвестные числа зубьев колёс:
![]()
![]()
Запишем условие соосности
(4.3)
Зная передаточное отношение и условие соосности подбираем значения чисел зубьев, которые удовлетворяют этим условиям.
Исходя из предыдущих двух условий, выбираем:
,
,
, ![]()
Передаточное отношение ![]()
- выполняется
Условие соосности
- выполняется
Проверяем условие соседства:
(4.4)
где:
- число сателлитов планетарного механизма
При
имеем
![]()
![]()
- условие соседства выполняется
Проверяем условие сборки
(4.5)
где :
- сумма чисел зубьев в одной из ступеней механизма
- целое число
- условие сборки выполняется
4.2 Исследование планетарного механизма графическим и аналитическим способом
Рассчитаем радиусы колёс
(4.6)
где:
- радиус колеса, мм
- модуль
![]()