| Скачать .docx |
Реферат: Генераторные установки переменного тока
Введение
Генераторы постоянного тока долгое время были единственным типом источников электрической энергии, применявшихся для питания потребителей и заряда аккумуляторной батареи на автомобилях.
В обмотке якоря генератора постоянного тока индуктируется ток переменного направления (переменный ток), который затем преобразуется в ток постоянного направления (постоянный ток) коллектором. Коллектор, таким образом, играет 'роль выпрямителя. Однако процесс выпрямления тока коллектором связан с искрением под щетками, которое вызывает повышенный износ коллектора и щеток, особенно при большой частоте вращения якоря.
С увеличением мощности и количества потребителей электрической энергии на автомобиле размеры и масса генераторов постоянного тока настолько возросли, что размещать их на двигателях стало трудно, а повышение частоты вращения коленчатого вала двигателя и передаточного числа привода генератора увеличило износ коллектора и щеток. В связи с этим вместо генераторов постоянного тока стали применять автомобильные генераторы переменного тока, в которых преобразование переменного тока в постоянный осуществляется полупроводниковыми выпрямителями. Комплектно с генераторами переменного тока спроектированы и внедрены в производство новые системы регулирования напряжения вместо прежних вибрационных электромагнитных регуляторов напряжения. К ним относятся контактно-транзисторные и бесконтактные транзисторные регуляторы напряжения.
В последние годы разработаны и освоены в производстве бесконтактные транзисторные регуляторы напряжения на интегральных схемах, очень малые габариты которых позволяют встроить их в генератор.
Комплект генератора постоянного тока с реле-регулятором или регулятором напряжения, а также комплект генератора переменного тока с выпрямителем и регулятором напряжения будем называть генераторной установкой.
Генераторные установки переменного тока обладают рядом преимуществ по сравнению с генераторными установками постоянного тока.
В генераторе переменного тока отсутствуют коллектор и щетки, снимающие с коллекторных пластин весь ток нагрузки. Вместо них имеются контактные кольца и щетки, служащие для подвода во вращающуюся обмотку лишь небольшого по величине тока возбуждения генератора. Поэтому износ контактных колец и щеток невелик. В транзисторных регуляторах напряжения вообще нет вибрационных контактов, а в контактно-транзисторных регуляторах напряжения вибрационные контакты значительно разгружены и разрывают лишь небольшой ток.
Все это увеличивает срок службы генераторной установки переменного тока почти вдвое по сравнению с генераторной установкой постоянного тока, а повышение срока службы генераторной установки снижает стоимость эксплуатационных затрат.
Сосредоточенная цилиндрическая обмотка возбуждения и клювообразные полюса ротора автомобильного генератора переменного тока, а также отсутствие коллектора дают возможность при равных габаритных размерах получить большую мощность и сократить расход меди в 3 раза по сравнению с генераторами постоянного тока. Более низкая частота вращения начала отдачи генератора переменного тока обеспечивает лучший заряд аккумуляторной батареи в условиях эксплуатации автомобиля в городских условиях.
Первые автомобильные генераторы переменного тока были спроектированы для работы с отдельными селеновыми выпрямителями и вибрационными регуляторами напряжения. Селеновые выпрямители громоздки и их приходилось размещать отдельно от генератора в местах, обеспечивающих их хорошее охлаждение, из-за чего требовалась дополнительная проводка от генератора к выпрямителю. Кроме того, они недостаточно теплостойки и допускают максимальную рабочую температуру не выше +80°С. Поэтому селеновые выпрямители в дальнейшем были заменены кремниевыми выпрямителями, более теплостойкими и малогабаритными, допускающими их размещение внутри генератора. Вибрационные регуляторы напряжения также заменяются контактно-транзисторными и бесконтактными регуляторами напряжения.
В настоящее время закончен перевод всех типов отечественных автомобилей на комплектацию генераторными установками переменного тока. Мощность генераторных установок для массовых автомобилей увеличилась более чем в 2 раза — с 250 Вт до 500—1000 Вт; ресурс увеличен со 100—150 до 150—300 тыс. км. Начат выпуск генераторов для автобусов ПАЗ и КАвЗ с встроенным выпрямительным блоком и встроенным интегральным регулятором напряжения. В дальнейшем все типы автомобильных генераторов будут иметь встроенные выпрямители и регуляторы напряжения. Развитие применения этих новых конструкций требует изучения принципов работы, характеристик, правил эксплуатации и ремонта автомобильных генераторов переменного тока.
1. Устройство генераторной установки
Генераторная установка переменного тока состоит из трехфазного синхронного генератора с электромагнитным возбуждением, выпрямителя и регулятора напряжения вибрационного, контактно-транзисторного или бесконтактного типа.
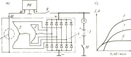
В зависимости от способа контроля заряда аккумуляторной батареи существуют две схемы соединения генераторной установки: схема с амперметром (рис. 1) и схема с контрольной лампой (рис. 2). Во избежание разряда аккумуляторной батареи на обмотку возбуждения генератора регулятор напряжения включают в общую цепь через выключатель зажигания.
Особенностью автомобильного трехфазного синхронного генератора (рис. 3) является применение клювообразных полюсов и обмотки возбуждения, состоящей из одной катушки.
В отличие от синхронных явнополюсных генераторов общепромышленного назначения в автомобильных генераторах с клюво-образными полюсами магнитные потоки отдельных полюсов (показаны на рис. 3 пунктиром) замыкаются через сердечник ротора и образуют полный магнитный поток генератора, равный сумме магнитных потоков всех полюсов одинаковой полярности. Это дает возможность применить одну сосредоточенную обмотку возбуждения простой формы и расходовать на ее изготовление минимальное количество проводникового материала — меди. Концы обмотки возбуждения выводят к контактным кольцам, расположенным на валу ротора.
В отечественных генераторах число полюсов ротора равно 12. Ротор генератора (рис. 3) состоит из вала с закрепленными на нем втулкой с катушкой возбуждения и полюсными наконечниками (клювами). Роторы всех генераторов проходят динамическую балансировку. Для балансировки в полюсах надсверливают на небольшую глубину отверстия диаметром 4—8 мм в зависимости от размеров генератора. У некоторых типов генераторов, например Г502, полюсные наконечники отжигают для улучшения их магнитных свойств.
Пакет статора набирают из листов электротехнической стали. В пазах статора размещают трехфазную обмотку. Число пазов может быть различным при одном и том же числе полюсов ротора и определяется типом трехфазной обмотки и электрическими характеристиками генератора.

При открытом пазе (рис. 4, а) витки обмотки удерживаются текстолитовым клином. При полузакрытом пазе (рис. 4, б) провода обмотки при многовитковых катушках закрепляют хлорви
ниловыми трубками, деревянными или бумажными клиньями. Если катушка обмотки статора имеет один виток, то размеры паза подбирают таким образом, что какого-либо закрепления проводов в пазу не требуется (рис. 4, в).
Рис. 1. Схема соединений генераторной установки переменного тока с амперметром дя контроля заряда аккумуляторной батареи: 1 - генератор: 2 - выпрямительное устройство; 3 - регулирующее устройство: 4 - выключатель зажигания; 5 – амп- ерметр; Ш - вывод обмотки возбуждения: плюсовой вывод выпрямителя |
Пазы всех типов изолируются электрокартоном, пленкокартоном или специальным компаундом. Для обмоток статора и возбуждения используют провода с изоляцией различными лаками марок ПЭВ1, ПЭВ2, ПЭТВ, ПЭТВТ, ПЭС и др. Обмотки грех фаз статора при мощности генератора до 500—700 Вт соединяются в звезду, при большей мощности — в треугольник или в двойную звезду. Это вызвано тем, что при возрастании мощности генератора увеличивается диаметр провода обмотки статора и намотка становится затруднительной — толстый провод трудно гнется. Соединение в треугольник или в двойную звезду позволяет уменьшить силу тока в проводе обмотки и, следовательно, использовать более тонкий провод.
Схему обмотки статора по типу одинарной звезды можно использовать для генераторов с числом пазов на полюс и фазу 0,5; 1 и 2. Каждая фаза содержит шесть непрерывно намотанных катушек (рис. 5 и 6), содержащих, каждая несколько витков.
Рис. 2. Схема соединений генераторной установки переменного тока с контрольной лампой заряда аккумуляторной батареи: 1 — генератор; 1 — выпрямительное устройство; 3 — регулирующее устройство; 4 — реле контроля заряда; 5 — контрольная лампа; 6 - выключатель зажигания |
Поскольку схема соединения катушек между собой не зависит от числа витков в катушке, то все катушки изображены одновитковыми. Начала и концы всех трех фаз обмотки статора обозначены соответственно буквами Н
и К.
Для соединения в звезду концы всех фаз K1, К2
и К3.
соединяются между собой и образуют нулевую точку обмотки. Начала трех фаз Н1, Н2
и Н3
соединяются с выводами. Соединение треугольником применяется редко из-за сложности монтажа катушек: конец первой фазы К1
соединяется с началом второй фазы Н2, конец второй К2 — с
началом третьей Н3;
конец третьей К3 с началом первой фазы К1
и от всех этих точек соединения подводятся провода к выводным зажимам.

Рис. 3. Схема устройства автомобильного генератора переменного тока: 1 - обмотка возбуждения; 2 - клювообразные полюса; 3 - контактные кольца; 4 - щеткодержатешь; 5 - статор; 6 – трехфахзная обмотка статора; 7 – крышка со стороны привода; 8 – шкив; 9 – вентилятор; 10 – крышка со стороны контактных колец
При соединении в двойную «звезду» каждая фаза состоит из двух параллельных ветвей, в каждой ветви по три непрерывно намотанных катушки (рис. 7).
С целью уменьшения размеров лобовых частей катушек и, следовательно, уменьшения габаритов генератора иногда используют обмотку, в которой каждую катушку делят на две части (намотка «в развал») и укладывают, как показано на рис. 8.
Вместо того чтобы, например, полное число витков первой катушки первой фазы наматывать в пазы 1—4, а второй — в пазы 7—10, наматывают в пазы 1—4 только половину витков первой катушки. Затем в пазы 4—7 наматывают вторую половину витков первой катушки в обратном направлении и т.д. (рис. 8). При таком способе намотки торцевые части катушек 1—4 и 4—7 будут иметь только половинное число витков и будут, следовательно, иметь меньший размер («вылет») в осевом направлении. Таким же образом наматывают катушки остальных фаз.
На рис. 8 более детально показана намотка катушек только первой фазы.

Рис. 4. Форма пазов статора:
а — открытая; б — полузакрытая; в — полузакрытая при одновитковых катушках
Рис. 5. Схема обмотки статора при соединении фаз в звезду и числе пазов 18:
Н1, Н2 Н3 — начала фаз;
К1K2, K2 — концы фаз

Рис. 6. Схема обмотки статора при соединении фаз в звезду и числе пазов 36:
Н1, H2 Н3 — начала фаз;
K1 К2. К3 — концы фаз

Рис. 7. Схема соединений обмоток фаз статора в двойную звезду (число пазов 18): Н1H2,
Н3 К1
K2
К3 —
начала и концы фаз первой звезды; Н4 Н5. Н6: К4,
K5,К6
— начала и концы фаз второй звезды;
HI
, HII
,HIII
– выводы фаз обмоток статора
Чтобы не усложнять чертежа, половины катушек остальных двух фаз условно показаны слитными боковыми сторонами, хотя все они наматываются таким же образом, как описано выше для первой фазы. Фазы обмотки, изображенной на рис. 8, соединены в двойную звезду.
Рис. 8. Схема соединений обмоток статора в двойную звезду с намоткой «в развал» (число пазов 36):
Н1, Н2, Н3; К1 К2, К3 — начало и концы фаз первой звезды;
Н4 Н5, Н6. К4, К5, К6 — начало и концы фаз второй звезды;
НI ,HII , HIII — выводы фаз обмоток статора
У некоторых генераторов размещают в статоре две самостоятельные трехфазные обмотки, соединенные в звезду и имеющие различное число витков или различное сечение провода. В качестве примера на рис. 9 показана схема соединений такого генератора. Обмотка статора 2 имеет большее число витков провода меньшего сечения, чем обмотка 3, которая, наоборот, имеет меньше витков более толстого провода. Обе обмотки присоединены каждая к своему комплекту вентилей выпрямительного устройства 4, все вентили которого имеют общие выводы «+» и «—». В остальном схема соединения генератора с регулятором напряжения РН и батареей 5 — обычного типа.
Такая конструкция позволяет обеспечить достаточно большую мощность генератора на большой скорости движения автомобиля и в то же время сохранить малую частоту вращения начала отдачи, необходимую при городской езде.
При работе автомобиля в городе, при малой частоте вращения коленчатого вала двигателя в генераторе работает обмотка 2 с большим числом витков и питает через выпрямитель 4 аккумуляторную батарею 5. При движении автомобиля с большой скоростью на загородных дорогах вступает в работу обмотка 3 и теперь к потребителям поступает ток от двух обмоток, различный по величине: от обмотки 2 (примерно 1/3) и от обмотки 3 (примерно 2 /3 общей величины). На рис. 9 справа показаны характеристики тока, отдаваемого отдельно обмотками 2 и 3, а также при совместном действии обеих обмоток в зависимости от частоты вращения генератора.
Рис. 9. Схема соединений генераторной установки с двумя автономными обмотками фаз статора (а) и характеристики генератора (б):
1 — обмотка возбуждения генератора; 2 — первая трехфазная обмотка статора; 3 — вторая трехфазная обмотка статора; 4 — выпрямительное устройсгво; 5 — аккумуляторная батарея; 6 — токоскоростная характеристика обмотки 2: 7 — токоскоростная характеристика обмотки 3; 8 — токоскоростная характеристика обеих обмоток генератора; 9 — выключатель зажигания; 10 — выключатель
Крышки 7 и 10 генератора (см. рис. 3) отливают из алюминиевого сплава методом литья в кокиль или под давлением. Посадочные места под шариковые подшипники и отверстия в кронштейнах крышек, как правило, армируют чугунными или стальными втулками. Некоторые типы генераторов этой армировки не имеют.
Пластмассовый щеткодержатель 4 (рис. 3) с щетками расположен на крышке со стороны контактных колец. В случае применения интегрального регулятора напряжения, встроенного в генератор, его располагают на щеткодержателе. Крышки имеют отверстия (не показанные на рис. 3) для проточной вентиляции в осевом направлении. Вентилятор 9 имеет два конструктивных исполнения. У некоторых типов генераторов вентилятор состоит из крыльчатки и поддона, соединенных между собой точечной сваркой, у некоторых из одной крыльчатки. Шкив 8 чугунный литой или стальной штампованный. Вентилятор и шкив соединяются с валом при помощи шпонки.
В большинстве типов автомобильных генераторов переменного тока, в том числе во всех отечественных конструкциях, выпрямительное устройство рассчитано на двухполупериодное выпрямление трехфазного тока, и имеет, следовательно, шесть вентилей.
Выпрямительные устройства имеют два исполнения: в виде единого конструктивного узла с вентилями, размещенными непосредственно в теплоотводящих элементах пластмассового основания, или в виде отдельных вентилей, запрессованных в теплоотводящие пластины. Для обеспечения интенсивного охлаждения выпрямительные устройства монтируют в крышке со стороны контактных колец.
Генератор с встроенным кремниевым выпрямителем имеет два изолированных от корпуса выводных зажима: зажим <+ > для подключения генератора к аккумуляторной батарее и нагрузке и зажим Ш для соединения обмотки возбуждения генератора с регулирующим устройством. Третьим (минусовым) зажимом является винт М (масса), служащий для соединения корпуса генератора с шасси (массой) автомобиля.
2. Принцип работы генератора
Автомобильные генераторы переменного тока относятся к синхронным электрическим машинам, потому что частота вращения ротора и частота наводимой в обмотках статора э.д.с. жестко связаны между собой отношением:
, где f - частота переменного тока, Гц; р —
число пар полюсов генератора; п —
частота вращения ротора, об/мин.
Важной характеристикой обмотки статора является число пазов на полюс и фазу, равное
,
где Z — общее число пазов на статоре; 2р —
число полюсов генератора; т —
число фаз генератора.
В отечественных автомобильных генераторах применяются трехфазные обмотки с числом пазов на полюс и фазу q, равным 0, 5; 1 и 2.
Рис. 10. Магнитная система генератора: 1 — втулка; 2 - обмотка возбуждения: 3 — полюсные наконечники (клювы) од ной (северной) полярности; 4 — полюсные наконечники (клювы) другой (южной) полярности; 5 — статор; 6 — обмотка статора; 7 — основной магнитный поток;8 — магнитный поток рассеяния |
Катушки обмотки статора в большинстве случаев имеют по нескольку витков, но на схемах обмотки (см. рис. 5, 6, 7, 8) они, как правило, условно изображаются одновитковыми, так как схема соединения катушек друг с другом не зависит от числа витков в катушке.
Электродвижущая сила в фазных обмотках генератора возникает при пересечении проводников обмотки статора магнитным потоком, созданным обмоткой возбуждения. При замыкании выключателя зажигания ток от аккумуляторной батареи поступает в обмотку возбуждения генератора. Вокруг обмотки возбуждения 2 возникает магнитный поток (рис. 10), рабочая часть 7 которого проходит через втулку 1 и вал, распределяется по клювообразным полюсам 3
одной полярности N,
выходит из полюсов этой полярности, пересекает воздушный зазор между ротором и статором, проходит по зубцам и спинке статора 5,
еще раз пересекает воздушный зазор, входит в клювообразные полюса 4
другой полярности S и замыкается через эти полюса опять на втулку 1
и вал. Часть магнитного потока, созданного обмоткой возбуждения, замыкается по воздуху мимо статора, не охватывая провода его обмотки. Эта часть магнитного потока 8
называется магнитным потоком рассеяния и в наведении электродвижущей силы в обмотке статора 6
не участвует.
При вращении ротора под каждым зубцом статора проходят попеременно то северный, то южный полюс ротора. Величина магнитного потока, проходящего через зубцы статора при этом изменяется по величине и направлению, пересекая проводники трехфазной обмотки статора, заложенной в пазы между зубцами.
Действующее (эффективное) значение электродвижущей силы, наводимой в обмотке одной фазы генератора при данной величине рабочего магнитного потока Фя .определяется по формуле
, где f —
частота индуктированной э. д. с.;
w — число последовательно соединенных витков в обмотке одной фазы статора;
Фd — значение рабочего магнитного потока в воздушном зазоре генератора, Вб; Kоб — коэффициент.

| Рис. 11. Форма клювообразного полюса |
Так как стороны одного витка катушки не всегда расположены точно на расстоянии полюсного деления (т. е. расстояния между осями смежных полюсов), то э.д.с., индуктированные в двух сторонах одного и того же витка, могут не совпадать по фазе и суммирование этих э.д.с, необходимо выполнять не арифметически, а геометрически. Это обстоятельство учитывается обмоточным коэффициентом Коб который является отношением геометрической суммы э. д.с., индуктированных в отдельных проводах обмотки, к их арифметической сумме.
Значение обмоточного коэффициента Коб зависит от числа q пазов статора генератора на полюс и фазу и равно: 0, 866 — для трехфазных генераторов при q=0, 5 (18 пазов на статоре, 12 полюсов ротора); 1, 0 — для трехфазных генераторов при q=1 (36 пазов на статоре, 12 полюсов ротора); 0, 966 — для трехфазных генераторов при q =2, 0 (72 паза на статоре, 12 полюсов ротора).
Характер изменения э.д.с. в проводниках обмотки статора, т. е. форма э. д. с. определяется кривой распределения магнитной индукции в зазоре по окружности статора, которая, в свою очередь, зависит от формы полюса.
В автомобильных синхронных генераторах применяют клювообразный полюс (рис. 11), имеющий трапецеидальную форму поверхности, обращенную к расточке (т. е. внутренней поверхности) статора. Такой полюс обеспечивает форму кривой э.д.с., близкую к синусоидальной.
Переменное напряжение и ток, индуктированные в обмотке статора, выпрямляются при помощи кремниевых выпрямителей, собранных по трехфазной двухполупериодной схеме (схеме А. Н. Ларионова). В этой схеме (рис. 12, а) применены шесть вентилей: три для положительной полярности и три для отрицательной полярности.
Максимальные значения индуктированных в обмотках фаз генератора напряжений U1фмах U2фмах U3фмах изображены на векторной диаграмме (рис. 12, б, слева) тремя векторами, сдвинутыми друг относительно друга на 120° (т.е. 1/3 периода индуктированного напряжения). Мгновенные значения индуктированного напряжения U1ф, U2ф U3ф изображены в правой части рис. 12, б. С течением времени все три вектора на векторной диаграмме, не
Рис. 12. Схема выпрямления переменного тока автомобильного генератора:
а — соединение трехфазной обмотки генератора с вентилями по трехфазной двухполупериодной схеме (схема А. Н. Ларионова); б — векторная диаграмма (слева) и кривые изменения мгновенных значений фазных напряжений по времени, а также кривая выпрямленного напряжения (справа); R - сопротивление нагрузки
изменяя взаимного расположения, вращаются против часовой стрелки, делая один оборот за один период Т переменного напряжения. Мгновенные значения напряжений U1ф, U2ф, U3ф равняются проекциям этих векторов на вертикальную ось и, следовательно, изменяются по синусоидам. Положительные направления индуктированных в обмотках фаз генератора напряжений U3ф , U2ф, U3ф (т. е. их направления во время положительной полуволны переменного напряжения) показаны на схеме обмоток генератора (см. рис. 12, а) сплошными стрелками.
Возьмем момент времени t1 (см. рис. 12, б, справа), соответствующий 1/6 периода Т, или 60° поворота векторов от начального положения. Мгновенные значения фазных напряжений в этот момент будут:
![]()
![]()
Поскольку напряжение Uф2 в данный момент t1 отрицательно, то его фактическое направление в обмотке генератора будет обратным; на рис. 12, а оно изображено пунктирной стрелкой.
Напряжение, приложенное к вентилям выпрямительного устройства, при соединении фаз статора в звезду будет равно разности напряжений двух фаз (в данном случае первой и второй), поскольку фазы соединены в нулевую точку концами. Это напряжение будет равно:
![]()
так как максимальные величины напряжений всех фаз равны
друг другу, т. е.
![]()
Это напряжение, равное 1, 73 Uфмах, создает ток, изображенный на рис. 12, а пунктирными стрелками и замыкающийся на внешнее сопротивление R через два вентиля: средний положительной и правый отрицательной полярности.

В следующие после t1 моменты времени напряжение U1ф будет увеличиваться, а напряжение U2ф быстро уменьшаться по абсолютной величине. В результате картина прохождения токов на рис. 12, а будет прежняя, но суммарное напряжение первой и второй фазы несколько уменьшится.
Рассмотрим момент времени t2, соответствующий 1/4 периода Т или повороту векторов на 90°. В этот момент напряжение первой фазы достигает максимума U1ф=U1фмах, а напряжение второй фазы уменьшится до половины максимального значения и равняется U2ф=U2фтах Sin 330°= -0, 5 U2фмах.
Поэтому разность напряжений первой и второй фазы будет:
![]()
В последующие моменты времени напряжение третьей фазы U3ф(по абсолютной величине) становится больше уменьшающегося фазного напряжения U2ф,
и выпрямленный ток замыкается уже через обмотки и вентили первой и третьей фазы.
Таким образом, процесс повторяется и в любой момент времени в контур выпрямленного тока обязательно оказываются включенными по одному вентилю положительной и отрицательной полярности, причем в выпрямлении тока будет участвовать лишь та пара вентилей, которая находится под более высоким напряжением, чем другие. Выпрямленное напряжение Ud (см. рис. 12, 6) будет пульсировать, изменяясь по отрезкам синусоид с частотой, в 6 раз большей, чем частота переменного тока, индуктированного в обмотках генератора, и его величина в идеальном случае (пренебрегая падением напряжения в вентилях и соединительных проводах) будет изменяться от 1, 5 до 1, 73 Uфmах
Поскольку выпрямленное напряжение и ток используются на автомобиле для заряда аккумуляторной батареи, то нас интересует среднее значение выпрямленного (пульсирующего) напряжения, которое, как показывают расчеты, равно:
Ud = 1,65Uфмах.
Приборы измеряют не амплитудное, а действующее (эффективное) значение переменного тока, и все расчеты выполняются по действующим (эффективным) значениям переменного напряжения и тока, которые в
раза меньше амплитудных значений. Поэтому среднее значение выпрямленного напряжения
Ud = 1, 65 Uфmах = 1, 65*1, 41 Uф = 2, 34 Uф,
где Uф — действующее значение фазного напряжения генератора. Величина выпрямленного тока
, где Iф — действующее значение фазного тока генератора.
В реальных случаях вследствие падения напряжения в селеновых или кремниевых вентилях, соединительных проводах и т. п., соотношения между величинами выпрямленного и фазного напряжения и тока отличаются от приведенных выше теоретических значений и их величина обычно определяется экспериментально
3. Характеристики генераторов
Свойства автомобильного генератора переменного тока определяются рядом характеристик, связывающих между собой следующие основные величины: фазное Uф, линейное Uл и выпрямленное Ud напряжения; фазный ток Iф; выпрямленный ток Iд нагрузки генератора: ток возбуждения Iв генератора; частоту вращения n генератора.
Характеристики генератора представляют собой зависимость между двумя какими-либо величинами при неизменных значениях остальных величин. Основными характеристиками являются:
характеристика холостого хода - зависимость э.д.с. генератора от тока возбуждения E=f (Iв ) при постоянной частоте вращения и токе нагрузки Iн, равном нулю;
внешняя характеристика - зависимость выпрямленного напряжения генератора Ud от тока нагрузки /н при постоянной частоте вращения n и определенном значении тока возбуждения I в;
регулировочная характеристика - зависимость тока возбуждения Iв от тока нагрузки /н при неизменном значении линейного напряжения генератора Ud;
нагрузочная характеристика - зависимость выпрямленного напряжения генератора Ud от тока возбуждения Iв при неизменном токе нагрузки Iн;
токоскоростная характеристика (название характеристики дано Ю. А. Купеевым) — зависимость тока нагрузки генератора Iн от частоты вращения ротора генератора n и скорости движения автомобиля при неизменных значениях выпрямленного напряжения Ud на зажимах генератора и тока возбуждения генератора Iв.
Автомобильные генераторы привидятся во вращение от двигателя внутреннего сгорания с постоянным передаточным отношением привода, поэтому частота вращения ротора генератора может изменяться от минимального значения, соответствующего частоте вращения коленчатого вала в режиме холостого хода
автомобильного двигателя до максимального значения, соответствующего максимальной скорости движения автомобиля.
Отношение минимальной и максимальной частот вращения ротора генераторов может составлять: 1: 12 — для автомобилей с карбюраторными двигателями; 1: 4 — для автомобилей с дизельными двигателями.
Поэтому характеристики автомобильных генераторов в противоположность общепромышленным генераторам снимаются не при одном значении частоты вращения, а при различных значениях частоты вращения n
и образуют обычно семейство характеристик, покрывающих весь диапазон изменения частоты вращения от минимальной до максимальной. Характеристика холостого хода, как следует из уравнения э. д. с. генератора, для различных частот вращения выражается семейством характеристик (рис. 13). На рис. 13 ток возбуждения дан в относительных единицах
, т. е. по отношению к номинальному току возбуждения.
С другой стороны, э. д. с. холостого хода прямо пропорциональна частоте вращения n, так как при заданном значении тока возбуждения Iв магнитный потокФв в воздушном зазоре не зависит от частоты вращения.
По характеристике холостого хода определяется начальная частота вращения ротора генератора, при которой напряжение генератора достигает расчетной величины.
В практике характеристику холостого хода определяют или по величине фазной э.д.с. Еф.
или по линейному значению э.д.с.
, или иногда по значению выпрямленного напряжения холостого хода Ud,
практически равного для трехфазной схемы А Н. Ларионова:
![]()
Внешняя характеристика автомобильного генератора также выражается семейством кривых, соответствующих различным частотам вращения ротора генератора (рис. 14).
Как известно, снижение напряжения при увеличении нагрузки автомобильного генератора происходит: из-за падения напряжения в активном и индуктивном сопротивлениях обмоток статора, из-за размагничивающего действия магнитного потока реакции якоря, уменьшающего магнитный поток в воздушном зазоре, а также из-за падения напряжения в цепи выпрямителя.
Внешние характеристики могут определяться при самовозбуждении или при независимом возбуждении. Схемы соединения для снятия внешних характеристик показаны на рис. 15.
Внешние характеристики при самовозбуждении снимаются по схеме, показанной на рис. 15, а. Каждая характеристика снимается при неизменном значении частоты вращения генератора и неизменном сопротивлении цепи возбуждения.
Верхняя ветвь внешней характеристики на участке АВ (см. рис. 14, а) соответствует устойчивой работе генератора, когда при уменьшении сопротивления нагрузочного реостата напряжение генератора падает медленнее, чем сопротивление, и ток генератора возрастает. Нижняя ветвь внешней характеристики соответствует неустойчивой работе генератора.
Из семейства внешних характеристик, снятых при самовозбуждении, определяется, как правило, величина максимального тока, которая обеспечивается при заданном номинальном или регулируемом значении напряжения.
Семейство внешних характеристик, снятых по схеме независимого возбуждения, изображено на рис. 14, б. Каждая характеристика снимается при определенных значениях частоты вращения ротора генератора и напряжения постоянного тока, подводимого к обмотке возбуждения, что соответствует определенному значению тока возбуждения генератора.

Рис. 15. Электрические схемы соединения генератора при снятии семейства внешних характеристик:
а- при самовозбуждении; б — при независимой возбуждении;
B1 — выключатель в цепи возбуждения: В2 — выключатель в цепи нагрузки
В отличие от внешних характеристик, снятых при самовозбуждении, ток короткого замыкания генератора здесь больше номинального тока нагрузки и имеет максимальную величину при максимальной частоте вращения. Значение тока нагрузки, определяемое при независимом возбуждении, больше значения гока нагрузки, определяемого по схеме самовозбуждения, на величину тока возбуждения.
Регулировочная характеристика обычно определяется при нескольких значениях тока нагрузки генератора /н — минимальной, средней и максимальной, и имеет вид, представленный на рис. 16.
Минимальное значение тока возбуждения генератора Iвmin определяется при Iн = 0 и заданной максимальной частоте вращения ротора генератора. Из регулировочных характеристик обычно определяют диапазон изменения тока возбуждения с изменением тока нагрузки при неизменном значении выпрямленного напряжения Ud= const.

Токоскоростная характеристика генератора может определяться при независимом возбуждении или при самовозбуждении, однако основное практическое значение имеет характеристика, снятая при самовозбуждении. Электрические схемы соединений генератора для снятия токоскоростных характеристик те же, что и при снятии внешних характеристик (см. рис. 15).
Токоскоростная характеристика генератораIn=f(n)
имеет значительную кривизну (рис. 17), так как с увеличением частоты вращения п
отдаваемый генератором ток /н растет все медленнее. Это объясняется тем, что с увеличением частоты вращения ротора генератора, а следовательно, с увеличением частоты индуктированного в обмотке статора переменного тока увеличивается индуктивное сопротивление обмотки статора генератора, пропорциональное квадрату числа витков в фазе. Вследствие этого с увеличением частоты вращения ток генератора увеличивается медленнее, ассимптотически стремясь к некоторому предельному значению.
Действительно, при замыкании внешней цепи на сопротивление нагрузки индуктированная в обмотке статора электродвижущая сила вызывает ток
где r
—
активное сопротивление обмоток статора; R
— сопротивление нагрузки;
, где х
— индуктивное сопротивление обмотки генератора.
, где Су
и Су —
постоянные величины.
Подставляя в уравнение тока значения Е их, получим

При малойчастоте вращения ротора величина
мала по сравнению с (r+R)2
и ею можно пренебречь, тогда
Как видно из формулы, ток при малой частоте вращения растет пропорционально частоте вращения (начальная часть характеристики на рис. 17).
При возрастании частоты вращения возрастает значение
и при большой частоте вращения можно пренебречь значением (r+R)2
;
тогда ток будет равен:

т.е. ток будет равен какой-то постоянной величине, не зависящей от частоты вращения, а определяемой параметрами обмоток генератора и величиной магнитного потока холостого хода.
Рис. 17. Токоскоростные характеристики автомобильного генератора:
а—с ограничителем тока в схеме регулирования; б—с самоограничением максимального тока
В зависимости от способа ограничения максимального тока генератора различают два вида токоскоростных характеристик, а именно: с ограничителем тока в схеме регулирования напряжения генератора или с самоограничением максимального тока генератора. В первом случае, когда предельное значение тока генератора при большой частоте вращения больше, чем допустимо по нагреву, выпрямленный ток ограничивается автоматически посредством отдельного элемента — ограничителя тока, входящего в регулирующее устройство (рис. 17, а). Однако это ведет к усложнению конструкции регулирующего устройства, что нежелательно по технико-экономическим и эксплуатационным соображениям.
Для исключения из конструкции регулирующего устройства дополнительного элемента — ограничителя тока, число витков обмотки статора увеличивают и подбирают таким образом, чтобы при увеличении частоты вращения ротора предельное значение тока не превышало допустимой по нагреву величины (рис. 17, б). Тогда ограничитель тока становится излишним, так как генератор приобретает свойство самоограничения отдаваемого им тока. Все современные автомобильные генераторы выполняются с самоограничением отдаваемого ими тока и имеют характеристику, соответствующую рис. 17, б.
Кроме того, различают токоскоростные характеристики в так называемом «холодном» и «горячем» состоянии генератора, которые экспериментально определяют следующим образом. Генератор устанавливают на стенде, имеющем электрический двигатель для привода во вращение ротора генератора, и приборы, соединенные по схеме, приведенной на рис. 15, а или 15, б. В случае снятия характеристики по схеме рис. 15, б (независимого возбуждения) сначала включают выключатель В1 и реостатом устанавливают напряжение возбуждения, равное номинальной величине (т. е. 14 или 28 В), После этого плавно приводят во вращение ротор генератора и тахометром определяют начальную частоту вращения в режиме холостого хода, при которой выпрямленное напряжение достигает величины 14 или 28 В. Затем включают рубильник В2 и снимают характеристику, увеличивая частоту вращения и подбирая на каждой частоте вращения такое положение реостата нагрузки Rn, чтобы выпрямленное напряжение было равно номинальному напряжению 14 или 28 В. Характеристика, снятая таким образом, соответствует «холодному» состоянию.
Для определения токоскоростной характеристики в «горячем» состоянии генератор в комплекте с регулирующим устройством должен предварительно проработать на стенде в режиме нагрузки расчетным током при частоте вращения 3000—3500 об/мин в течение 1, 5—2 ч, после чего снятие характеристик производится так же, как описано выше.
Под расчетным током /р, величина которого определяет размеры и массу генератора, подразумевают: в случае применения в схеме регулирования ограничителя тока (рис. 17, а) — максимальный ток генератора, ограничиваемый ограничителем тока; в генераторе с самоограничением—величину тока нагрузки /р, равную 70—75% от максимальной величины тока самоограничения генератора (рис. 17, б). Частоту вращения ротора генератора, соответствующую расчетному току нагрузки, называют расчетной частотой вращения nр, а режим работы генератора при расчетном токе /р и расчетной частоте вращения Мр — расчетным режимом.
Параметры Iр и np , характеризующие расчетный режим генератора с самоограничением тока, можно определить, проведя из начала координат касательную к токоскоростной характеристике (см. рис. 17, б). Тогда точка касания определяет расчетные величины /р и nр.
Автомобильные генераторы рассчитаны таким образом, что узлы и детали генератора выдерживают тепловую нагрузку, соответствующую любому режиму его работы. Поэтому на табличке генератора обозначают наряду с номинальной величиной напряжения (14 или 28 В) величину максимального тока нагрузки генератора.
В случае применения ограничителя тока эта величина равна току, на который установлен ограничитель, а в случае генератора с самоограничением отдаваемого тока — максимальному току самоограничения.
Максимальная мощность генератора переменного тока определяется по соотношению
, где Udn — номинальное выпрямленное напряжение, равное по ГОСТ 3940—71, соответственно 14 или 28 В; IГ
max
— максимальный ток нагрузки генератора.
Генераторы с номинальным напряжением 14 и 28 В предназначены для работы соответственно в 12-вольтной и 24-вольтной системе электрооборудования автомобиля.
Для оценки использования материалов генератора применяется «коэффициент использования» (максимальный)
, где Gr - масса генератора, кг (без шкива).
Однако так как масса электрических машин зависит не от их мощности, а от момента (т. е. мощности, деленной на частоту вращения), то пользоваться этим коэффициентом можно только для сравнения технического уровня генераторов с одинаковой или близкой частотой вращения.
Поэтому для более объективной оценки технического уровня и совершенства расчета в смысле использования материалов генератора применяется удельный коэффициент использования, учитывающий различную частоту вращения
![]()
Удельный коэффициент использования также при одинаковом использовании материалов генератора несколько увеличивается с увеличением их мощности, однако это увеличение в пределах колебания мощностей автомобильных генераторов сравнительно невелико.
На практике в случаях, когда токоскоростная характеристика неизвестна и, следовательно, определить величину /р и «р нельзя, пользуются удельным коэффициентом использования по холостому ходу
![]()
где nx — начальная частота вращения при холостом ходе, которая обычно указывается в каталогах.
Этот коэффициент приблизительно пропорционален предыдущему, наиболее правильному оценочному параметру и составляет![]()
В технических условиях на генераторы, как правило, указывают следующие параметры токоскоростной характеристики генераторов в «холодном» и «горячем» состояниях: начальную частоту вращения в режиме холостого хода nx; расчетную частоту вращения ротора генератора np ; максимальную частоту вращения ротора генератора nm ах ; максимальный ток нагрузки генератора IГмах.
Список использованной литературы
1. Василевский В.И., Купеев Ю.А. Автомобильные генераторы.
М., «Транспорт», 1978
2. Данов Б.А., Рогачев В.Д. Электронные приборы автомобилей.
М., «Транспорт», 1996
Оглавление
Введение…………………………………………………………………………………………………. 1
Устройство генераторной установки……………………………………………………………………2
Принцип работы генератора……………………………………………………………………………..5
Характеристики генератора…………………………………………………………………………….. 7