| Скачать .docx |
Курсовая работа: Курсовая работа: Определение рассеивающей способности электролитов никелирования
МИНИСТЕРСТВО ОБРАЗОВАНИЯ РЕСПУБЛИКИ БЕЛАРУСЬ
УЧРЕЖДЕНИЕ ОБРАЗОВАНИЯ «ГРОДНЕНСКИЙ ГОСУДАРСТВЕННЫЙ УНИВЕРСИТЕТ ИМЕНИ ЯНКИ КУПАЛЫ»
Физико-технический факультет
Кафедра общей физики
ЛАВЫШ ДМИТРИЙ ВАЛЕРЬЕВИЧ
ОПРЕДЕЛЕНИЕ РАССЕИВАЮЩЕЙ СПОСОБНОСТИ ЭЛЕКТРОЛИТОВ НИКЕЛИРОВАНИЯ
Курсовая работа
студента 4 курса 1 группы дневного отделения
Научный руководитель:
доцент кафедры общей физики,
канд. физ.-мат. наук, Валько Н.Г.
ГРОДНО 2009
ОГЛАВЛЕНИЕ
ВВЕДЕНИЕ..................................................................................................... 3
1. ОБЗОР ЛИТЕРАТУРЫ............................................................................... 4
1.1 Теория рассеивающей способности...................................................... 4
1.2 Современные методы определения рассеивающей способности......... 5
2. ЯЧЕЙКА МОЛЕРА И МЕТОДИКА ОПРЕДЕЛЕНИЯ РАССЕИВАЮЩЕЙ СПОСОБНОСТИ............................................................................................ 8
2.1 Сооружение ячейки Молера.................................................................. 8
2.2 Методика определения рассеивающей способности.......................... 10
ЗАКЛЮЧЕНИЕ............................................................................................. 11
ПЕРЕЧЕНЬ ИСПОЛЬЗОВАННЫХ ИСТОЧНИКОВ.................................. 12
ВВЕДЕНИЕ
Изучению причин, оказывающих влияние на равномерность распределения тока и металла, уделялось много внимания в работе белорусских и зарубежных исследователей. Были установлены основные закономерности распределения тока и металла и в тоже время показано, что факторы, влияющие на их распределение, довольно разнообразны. Для оценки равномерности распределения тока и металла на поверхности электродов существует термин рассеивающая способность.[2]
В очень сложных геометрических системах даже в электролитах с высокими значениями показателя рассеивающей способности (РС) по току и сильным снижением выхода металла по току при увеличении плотности тока не всегда удается получить равномерное покрытие. В этом случае необходимо изменять геометрические параметры системы, т.е. первичное распределение тока.
С этой целью часто используют фигурные аноды, по форме соответствующие профилю катода, дополнительные аноды, которые подводятся к углубленным участкам изделия, дополнительные металлические катоды или неметаллические экраны, затрудняющие прохождению тока к выступающим участкам катода и снижающим тем самым плотность тока на этих местах.[6-8]
Поэтому целью исследования было изготовление ячейки для определения РС электролитов никелирования.
Для этого было необходимо решить следующие задачи:
1.Изучение различных методик для определения РС электролитов никелирования;
2.Обосновать выбор данной ячейки для определения РС;
3.Изготовить ячейку
1. ОБЗОР ЛИТЕРАТУРЫ
1.1 Теория рассеивающей способности.
Качество и свойства электрохимических покрытий определяются не только структурой, но и равномерностью распределения металла по толщине слоя на поверхности покрываемых изделий. Согласно закону Фарадея, толщина d электрохимических покрытий зависит от плотности тока i , продолжительности электролиза τ и с учетом выхода по току ВТ металла и его электрохимического эквивалента g может быть вычислена по формуле:
(1.1)
γ - здесь плотность осаждаемого металла.
Расчет по формуле (1.1) дает лишь среднюю толщину покрытия. На практике ток распределяется по поверхности электрода неравномерно, поэтому фактическая плотность тока и толщина покрытия на различных участках катода различны: на одних больше среднего значения, на других меньше. Это может отрицательно сказаться на свойствах покрытия, поскольку на отдельных участках его толщина может быть меньше минимально допустимой. Распределение тока и металла по поверхности катода зависит:
1) от геометрических факторов размера и формы электродов и ванны, расположения электродов относительно друг друга и стенок ванны;
2) от электрохимических факторов электропроводимости электролита и характера изменения катодной поляризации и выхода по току металла с изменением плотности тока[3]
Различают первичное и вторичное распределение тока.
Первичное зависит только от соотношения геометрических параметров электролитической ванны. Оно наблюдается при отсутствии зависимости катодной поляризации от плотности тока и одинаково для геометрически подобных систем любого масштаба.
Вторичное, или действительное, распределение тока отклоняется от первичного, как правило, в сторону большей равномерности.
Оно зависит от поляризуемости катода
удельной электропроводимости раствора х
и геометрических размеров системы. Параметром, обобщающим действие геометрических и электрохимических факторов на распределение тока, является критерий электрохимического подобия
Э, представляющий собой произведение
где l
0
— определяющий геометрический
размер системы. В геометрически подобных системах, чем больше критерий электрохимического подобия, тем более равномерно распределение тока.
Способность электролита изменять первичное распределение тока называют рассеивающей способностью PC электролита. Обычно этот термин употребляют и для оценки способности электролита давать равномерные по толщине покрытия на изделиях сложного профиля. Поэтому принято различать соответственно рассеивающую способность по току (РСТ ) и рассеивающую способность по металлу (РСМ ).[2]
Современные представления о механизме перераспределения тока в электролитах основываются на теории полей поляризации. Рассмотрим коротко ее основные положения. При прохождении тока через электролитическую ванну в ней возникает электрическое поле. Как и любое другое электрическое поле, поле в электролитической ванне может быть охарактеризовано функцией распределения в нем потенциала, т. е. математическим уравнением, связывающим значение потенциала U электрического поля в данной точке с координатами этой точки х и у:
(1.2)
В каждой данной электролитической ванне уравнение (1.2) имеет свой конкретный вид. Обычно функцию распределения потенциала в электрическом поле называют просто потенциалом данного поля. При отсутствии зависимости поляризации от плотности тока в электролитической ванне реализуется первичное поле, потенциал которого обозначается Ut и определяется только соотношением геометрических параметров ванны. Появление на электродах поляризации, зависящей от плотности тока, можно рассматривать как появление так называемого поля поляризации, потенциал которого обозначается Uo . [1] На значение Uo влияют геометрические параметры электролитической ванны и электрохимические характеристики электролита: электропроводимость и поляризуемость. Это поле Uo , суммируясь с первичным полем, дает в результате реально существующее на практике вторичное поле, потенциал которого обозначается U 2 . Очевидно, что:
(1.3)
Если поляризуемость стремится к бесконечности, то поле поляризации называют предельным полем поляризации,
потенциал его равен
. Вторичное поле в этом случае называют предельным полем, потенциал которого равен ![]()
1.2 Современные методы определения РС
Чтобы оценить рассеивающую способность электролитов, применяют ячейки различных конструкций, в которых экспериментально определяют распределение тока и металла и полученные с исследуемыми электролитами результаты сопоставляют. Иногда распределение тока и металла определяют расчетным путем.[1] По этим данным обычно приводят качественную характеристику рассеивающей способности; считают, что она выше у того электролита , у которого вторичное распределение тока или металла в данной ячейке более равномерное.
Одним из первых методов определения рассеивающей способности электролитов был метод Херинга-Блюма. Ячейка Херинга-Блюма представляет собой сосуд прямоугольного сечения, в котором между двумя плоскими катодами помещен дырчатый или сетчатый анод.[6] Первичное распределение тока в ячейке Херинга-Блюма соответствует отношению расстояний между катодами и анодом. Вторичное распределение тока определяют либо по привесу катодов (при 100%-ном выходе металла по току), либо с помощью амперметров, включенных в цепь ближнего и дальнего катодов.[8]
В ячейке Фильда катоды помещены по одну сторону от анода и разделены токонепроводящей перегородкой. Для исключения влияния анодной поляризации анод от разделяющей катоды перегородки необходимо помещать на расстоянии, не меньшем, чем ширина ячейки. [9]
Методы Херинга-Блюма и Фильда, хотя и весьма просты, имеют ряд существенных недостатков:
1) В ячейки Херинга-Блюма применяется сетчатый анод, который помещен между двумя катодами…;
2) В ячейки Фильда в связи с тем, что метод основан на расположении катодов на одну сторону от анода наблюдается большая поляризация анода, что плохо сказывается на покрытии;[10]
На практике рассеивающую способность электролитов определяют по ГОСТ 9.309—86.[4]
Согласно ГОСТ 9.309—86, рассеивающую способность электролитов определяют в щелевой ячейке Молера. Щелевая ячейка (рис. 1) представляет собой прямоугольный сосуд, в котором анодное и катодное пространства разделены токонепроводящей перегородкой с узкой щелью с одной стороны.
Преимущества щелевой ячейки перед другими ячейками сравнения:
1) катодное распределение тока в ней не зависит ни от формы, ни от расположения находящегося за щелью анода;
2) щель, играющая роль неполяризующегося анода, не вызывает концентрационных изменений в электролите. [5]
Рассеивающая способность электролита количественно может быть определена как отношение потенциала поля поляризации к потенциалу предельного поля поляризации:
(1.4)
![]() |
Практически отношение (1.5) может быть найдено по первичному и вторичному распределению тока по уравнению:
(1.5)
Здесь
- вторичное распределение тока;![]()
первичное распределение тока;
Заменив
на распределение металла
(
— масса покрытия на секции;
— средняя масса покрытия), можно определить рассеивающую способность по металлу (РСМ
).
2. ЯЧЕКА МОЛЕРА И МЕТОДИКА ОПРЕДЕЛЕНИЯ РС
2.1Сооружение ячейки Молера
Стандартная ячейка имеет длину катода ℓ = 100 мм, ширину катодного пространства h = 42,5 мм. В этой ячейке отношение максимальной плотности первичного распределения тока к минимальной равно 10, что позволяет исследовать рассеивающую способность электролитов в довольно широком диапазоне плотностей тока. Уравнение для расчета рассеивающей способности в этой ячейке имеет следующий вид:
(2.1)
Ячейка представляет собой плоский прямоугольный сосуд, вдоль одной из стенок которого (длиной ℓ) располагается катод. Анодом служит щель (шириной от 1 до 2% длины катода) между боковой стенкой и перегородкой, расположенной на расстоянии h от катода. Преимущество щелевой ячейки перед другими ячейками в том, что катодное распределение тока в ней не зависит ни от формы, ни от расположения находящегося за щелью реального анода; кроме того, щель, являющаяся в данном случае неполяризующимся анодом, не вызывает концентрационных изменений в растворе, а изменяя геометрические размены ячейки h и ℓ. можно получить любое распределение плотностей тока на подложке.
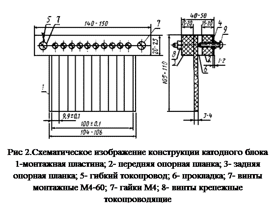
Распределение тока и металла определяют с помощью разборного катода. Разборный катод состоит из специального измерительного блока (см. приложение VIII ) и 10 секций — пластин, изготовленных из алюминия толщиной 2—3 мм. Ширина секции — 9,5 мм, длина—125 мм. Подготовка поверхности секций перед нанесением покрытия описана в приложении II . [5] После проведения предварительной подготовки катодные секции тщательно сушат и взвешивают. Затем на их нерабочую сторону наносят химически стойкий в исследуемом электролите лак. Его следует наносить так, чтобы верхняя часть секции (около 30 мм) осталась неизолированной. Подготовленные таким образом секции помещают в измерительный блок. Необходимо тщательно следить за равномерностью прижима секций к контактам измерительного блока. Для получения качественного покрытия на всех секциях среднюю плотность тока следует выбирать, исходя из того, что действительное значение плотности тока на ближних к щели секциях катода значительно выше среднего.
Для проведения опытов собирают электрическую схему. Блок с закрепленными в нем катодными секциями 1 помещают в специальные пазы ячейки 2. В ячейку погружают предварительно протравленный и промытый анод 3, заливают подогретый при необходимости до нужной температуры электролит до уровня примерно 50 мм, ячейку закрывают крышкой и включают ток. Продолжительность электролиза выбирают, исходя из необходимости получения покрытия средней толщиной около 10 мкм. Во время электролиза температуру электролита следует поддерживать с точностью ±2 0 С.[5]
Распределение металла определяют по изменению массы катодных секций за время электролиза.
![]() |
![]() |
По окончании электролиза выключают ток, извлекают катодные секции из измерительного блока, промывают в горячей воде, удаляют в ацетоне лак, сушат их и взвешивают.
Рис 3. Щелевая ячейка Молера
2.2 Методика определения РС
По результатам измерений на разборном катоде массу покрытия (
) на каждой пластине, г, вычисляют по формуле:
(2.2)
где
- масса каждой пластины после электролиза, г;
-масса каждой пластины до электролиза, г.
Среднюю массу покрытия одной пластины (
), г, вычисляют по формуле
(2.3)
Относительное распределение массы покрытия (
) вычисляют по формуле:
(2.4)
По результатам измерений на сплошном катоде среднюю толщину покрытия (
) мкм, вычисляют по формуле:
(2.5)
Относительное распределение толщины покрытия (
) вычисляют по формуле:
(2.6)
Рассевающая способность в обоих случаях рассчитывается по формуле:
(2.7)
где
- абсолютные величины разностей
или
6,37 – коэффициент, определяемый первичным распределением тока.
За результат определения PC принимают среднее арифметическое результатов трех измерений.
ЗАКЛЮЧЕНИЕ
Проделанный мной литературный обзор позволяют сделать следующие выводы:
1. Рассеивающая способность является очень важной характеристикой, своего рода КПД электролита, но к сожалению многие исследователи не указывают рассеивающую способность в своих работах , что подвергает сомнению достоверности .
2. Дальнейшее исследования по определению рассеивающей способности в изготовленной мной ячейки Молера являются актуальными.
ПЕРЕЧЕНЬ ИСПОЛЬЗОВАННЫХ ИСТОЧНИКОВ
- Гамбург Ю.Д. Гальванические покрытия. Справочник по применению /Ю.Д. Гамбург. —Москва: Техносфера, 2006. – 216 с.
- Кудрявцев Н.Т. Электролитические покрытия металлами: Химия, 1979. – 352 с.
- Учебное пособие для вузов/ Н.Г. Бахчисарабцьян, Ю.В. Борисоглебский, Г.К. Буркат и др. — Киев: 3-е изд. 1990.
- Вирбилис С. Гальванотехника для мастеров. Пер. с польского/Под редакцией А.Ф. Иванова Металлургия 1990 –208 с.
- ГОСТ 9.309-86.
- Садаков Г.А. Гальванопластика – Машиностроение 1987. –288с.
- Справочные материалы по гальванопластике
- Электроосаждение металлических покрытий Справ. изд. Беленький М.А., Иванов А.Ф. Металлургия 1985. –288с.
- Ямпольский А.М. Гальванотехника / А.М. Ямпольский. –Ленинград: Машгиз, 1952. – 146 с.
- Ямпольский А.М. Ильин В.А Краткий справочник гальванотехника / Москва–Ленинград: 1962. – 244 с.


