| Скачать .docx |
Реферат: Контрольная работа: Станочные гидроприводы
Министерство высшего и профессионального образования РФ
Томский политехнический университет
Контрольная работа по Гидравлике и Гидропневмопривода
Томск – 2011
План
гидроцилиндр трубопровод насос
Исходные данные
1. Подбор гидроцилиндров
2. Выбор насосной станции
3. Подбор регулирующей аппаратуры
4. Расчёт трубопровода
5. Расчёт потерь
6. Расчет регулировочной и механической характеристик
Исходные данные
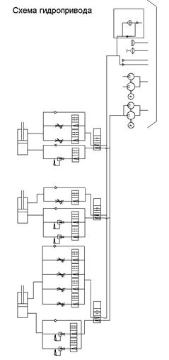
Привод зажима
![]()
![]()
![]()
![]()
![]()
![]()
Привод поджима
![]()
![]()
![]()
Привод механизма установки и снятия заготовки
![]()
![]()
![]()
Длинна магистрали ![]()
Подбор гидроцилиндр ов
Подбор гидроцилиндра №1 .
1. Расчитаем площадь гидроцилиндра F:
![]()
, где Pmax – максимальное усилие, Pmax =2000кг;
р – давление в системе кГс; выбирается из ряда стандартных значений(2,5; 6,3; 10; 16; 20; 25; 32; 40; 50; 63).
Расчетный диаметр поршня гидроцилиндра Dp :
![]()
,где F – площадь гидроцилиндра, мм2 ;
p - постоянная, p=3,14;
![]()
Выбираем диаметр гидроцилиндра исходя из условий:
, где Dp – расчётный диаметр гидроцилиндра;
Dв – выбранный диаметр гидроцилиндра;
Диаметр выбирается из ряда стандартных значений: 32; (36); 40; (45); 50; (56); 63; (70); 80; (90); 100; (110); 125; (140); 160; (180); 200; (220)мм.
Исходя из выше перечисленных условий принимаем Dв = 6,3см.
![]()
Рассчитаем расход Q:
![]()
Выбираем гидроцилиндр ЦРГ
ОСТ2 Г29-1-77
Подбор гидроцилиндра № 2 .
1. Расчитаем площадь гидроцилиндра F:
![]()
,где Pmax – максимальное усилие, Pmax =320 кг;
р – давление в системе кГс; выбирается из ряда стандартных значений(2,5; 6,3; 10; 16; 20; 25; 32; 40; 50; 63).
![]()
2. Расчетный диаметр поршня гидроцилиндра Dp :
,где F – площадь гидроцилиндра, мм2 ;
p - постоянная, p=3,14;
3. Выбираем диаметр гидроцилиндра исходя из условий:
, где Dp – расчётный диаметр гидроцилиндра;
Dв – выбранный диаметр гидроцилиндра;
Диаметр выбирается из ряда стандартных значений: 32; (36); 40; (45); 50; (56); 63; (70); 80; (90); 100; (110); 125; (140); 160; (180); 200; (220)мм.
Исходя из выше перечисленных условий принимаем Dв = 5см.
4. Рассчитаем расход Q:
![]()
![]()
Выбираем гидроцилиндр
ОСТ2 Г29-1-77
Подбор гидроцилиндра № 3 .
1. Расчитаем площадь гидроцилиндра F:
![]()
,где Pmax – максимальное усилие, Pmax =80кг;
р – давление в системе кГс; выбирается из ряда стандартных значений(2,5; 6,3; 10; 16; 20; 25; 32; 40; 50; 63).
2. Расчетный диаметр поршня гидроцилиндра Dp :
,
где F – площадь гидроцилиндра, см2 ;
p - постоянная, p=3,14;
![]()
3. Выбираем диаметр гидроцилиндра исходя из условий:
, где Dp – расчётный диаметр гидроцилиндра;
Dв – выбранный диаметр гидроцилиндра;
Диаметр выбирается из ряда стандартных значений: 32; (36); 40; (45); 50; (56); 63; (70); 80; (90); 100; (110); 125; (140); 160; (180); 200; (220)мм.
Исходя из выше перечисленных условий принимаем Dв = 3,2 см.
![]()
4. Рассчитаем расход Q:
![]()
Выбираем гидроцилиндр
ОСТ2 Г29-1-77
Выбираем насосную станцию:
Q1 =14,955 л/мин; P1 =10 МПа;
Q2 =1,884 л/мин; P2 =2,5 МПа;
Q3 =12,058 л/мин; P3 =2,5 МПа;
Qmax =14,955 л/мин; Pmax =10 МПа;
Выбираем насосную станцию
| А | М | Л | Г48-8 | 4 | УХЛ | 4Г49-33 |
3 – исполнение по высоте гидрошкафа;
А – с теплообменником и терморегулятором;
(исполнение по способу охлаждения)
М – один агрегат за щитом;
(исполнение по расположению и количеству насосных агрегатов)
Л – левое распеоложение насосного агрегата;
Г48-8 – обозначение насосной установки;
4 – исполнение по вместимости бака (4-160);
УХЛ – кинематическое исполнение;
БГ12-33М – тип комплеклующего насоса;
4А112МВ6 – тип электодвигателя;
4Г49-33 – номер насосного агрегата;
Подбор регулирующей аппаратуры.
1. Обратные клапана
Выбираем обратный клапан
Г 51 – 3 2(ТУ2-053-1649-83Е)
Г51-3 – обозначение по классификату станкостроения;
2 – исполнение по условному проходу;
Потери давления 0,25 МПа;
2. Дроссели
Выбираем дроссель типа ДР – 12(ТУ2-053-1711-84Е):
Максимальный расход – 40л/мин;
Номинальное рабочее давление – 25 МПа;
Условный диаметр прохода 12 мм;
Потери давления 0,3 МПа;
3. Гидрораспределители
Выбираем гидрораспределитель типа ВЕ10 – 573(ГОСТ 26890 - 86)
Условный диаметр прохода – 10мм;
Номинальный расход масла 20 – 32 л/мин;
Номинальное давление – 32 МПа;
Электронное управление;
Потери давления 0,55 МПа;
4. Трехпозиционный распределитель.
Выбираем регулятор типа В10 (ГОСТ 26890 - 86)
![]()
| В | Е | 10 | 44 | 41/ | О | Г24 | Н |
В – гидрораспределитель золотниковый;
Е – с электронным управлением;
10 – диаметр условного прохода;
44 – исполнение по гидросхеме;
41/ – номер конструкции;
О – без пружинного возврата;
Г24 – постоянный ток (напряжение 24В);
Н – электромагнит (пневмоголовка) с управлением от кнопки;
Потери давления 0,55 МПа;
Расчёт трубопровода
Принимаем материал трубопровода Ст20.
4.1 Определение внутреннего диаметра трубопровода
![]()
скорость для напорных
магистралей
Vм =4 так как р = 10 МПа
![]()
![]()
![]()
скорость для сливных
магистралей
Vм = 2 так как р = 10 МПа
![]()
![]()
![]()
4.2 Определение минимальной толщины стенок трубопровода.
![]()
Для напорной магистрали



Для сливной магистрали



Принимаем толщину стенок трубы для напорной магистрали
0,3мм и сливной магистрали
0,3мм
4.3 Определение наружного диаметра трубы
![]()
Для напорной магистрали
![]()
![]()
![]()
Для сливной магистрали
![]()
![]()
![]()
Выбираем трубу по; бесшовная холоднодеформированная прецизионная.
18
1 ГОСТ 8734-75 …………………… [1.с.351 ]
4.4 Масло

4.5 Определение числа Рейнальдса
; если число Рейнальдса >2300 – поток турбулентный, если < 2300
ламинарный.
Для напорной магистрали
![]()
![]()
![]()
Для сливной магистрали
![]()
![]()
![]()
Все ветви магистрали имеют ламинарный режим течения жидкости.
Расчёт потерь
Для схемы. 1
Так как для всех трубопроводов режим течения ламинарный то потери в трубопроводах считаются по формуле:
![]()
Первый контур:
![]()
![]()
![]()
Второй контур:
Третий контур
![]()
![]()
Расчет потерь в приводе поджима заготовки.
![]()
![]()
Местные потери
Для напорной магистрали
Для сливной магистрали
Общие потери
![]()
![]()
![]()

Расчет регулировочной и механической характеристик.
Механическая характеристика


![]()
![]()
![]()
![]()
![]()
![]()
![]()
| V | f | V | f | V | |||||||
| 0,01 | 0,068 | 0,01 | 0,066 | 0,01 | 0,064 | ||||||
| 0,02 | 0,136 | 0,02 | 0,132 | 0,02 | 0,129 | ||||||
| 0,03 | 0,203 | 0,03 | 0,188 | 0,03 | 0,194 | ||||||
| 0,04 | 0,270 | 0,04 | 0,264 | 0,04 | 0,258 | ||||||
| 0,05 | 0,338 | 0,05 | 0,330 | 0,05 | 0,323 | ||||||
| 0,06 | 0,406 | 0,06 | 0,396 | 0,06 | 0,387 | ||||||
| 0,07 | 0,474 | 0,07 | 0,462 | 0,07 | 0,452 | ||||||
| 0,08 | 0,574 | 0,08 | 0,528 | 0,08 | 0,517 | ||||||
| 0,09 | 0,609 | 0,09 | 0,594 | 0,09 | 0,581 | ||||||
| 0,1 | 0,677 | 0,1 | 0,660 | 0,1 | 0,646 | ||||||

Регулировочная характеристика.
![]() |

![]()
![]()
![]()
| F | V | F | V | F | V |
| 0 | 0,0341 | 0 | 0,1021 | 0 | 0,204 |
| 100 | 0,0335 | 100 | 0,102 | 100 | 0,201 |
| 200 | 0,0331 | 200 | 0,1019 | 200 | 0,1986 |
| 300 | 0,0326 | 300 | 0,1016 | 300 | 0,1956 |
| 400 | 0,0315 | 400 | 0,0947 | 400 | 0,1926 |
| 500 | 0,031 | 500 | 0,0932 | 500 | 0,1895 |
| 600 | 0,0305 | 600 | 0,0916 | 600 | 0,1864 |
| 700 | 0,03 | 700 | 0,09 | 700 | 0,1832 |
| 800 | 0,0294 | 800 | 0,0883 | 800 | 0,1767 |
| 900 | 0,0286 | 900 | 0,087 | 900 | 0,1689 |

Механическая характеристика

Список использованной литературы
1. Свешников В.К.,Усов А.А. Станочные гидроприводы: Справочник.: - М.: «Машиностроение», 1988.
2. Свешников В.К.,Усов А.А. Станочные гидроприводы: Справочник.: - М.: «Машиностроение», 1988.
3. Свешников В.К. Станочные гидроприводы: Справочник.: - М.: «Машиностроение», 1995.
4. Анурьев В.И. Справочник Конструктора Машиностроителя. Том 3. – М.: «Машиностроение», 1979.
