| Скачать .docx |
Дипломная работа: Горизонтально-ковочная машина
Оглавление
Введение
1 Общая часть.
1.1 Назначение и принцип действия изделия, сборочной единицы, в которую входит деталь.
1.2 Определение типа производства.
1.3 Материал детали и его свойства.
1.4 Анализ технологичности детали.
2 Технологическая часть.
2.1 Выбор и обоснование метода получения заготовки. Проектирование контура заготовки.
2.2 Расчет общих припусков, определение размеров заготовки. Технико-экономический расчет изготовления заготовки.
2.3 Анализ заводского технологического процесса.
2.4 Выбор окончательных методов обработки элементарных поверхностей.
2.5 Разработка маршрута обработки детали, выбор оборудования и обоснование способов базирования заготовки.
Введение
«Технология машиностроения» предусматривает изучение учащимися методов обработки заготовок деталей машин на металлообрабатывающих станках, основ проектирования технологических процессов их обработки, приспособлений и участков механосборочных цехов, а также технологии сборки машин.
Машиностроение является одной из ведущих отраслей промышленности нашей страны. Непрерывное совершенствование машин характеризуется возрастанием их мощности, снижением массы, а также повышением точности и надежности.
На современном этапе развития технологии трудно сосредоточить всю совокупность расширяющихся знаний во всех областях технологии производства машин в рамках одной специальности. Поэтому в машиностроении имеют самостоятельное значение такие специальности, как технология литейного производства, технология ковки и штамповки, технология сварки и т.п.
В условиях массового и крупносерийного производства должны применяться заготовки экономических форм с приближением их к формам готовых деталей и прокат специальных профилей, что значительно снизит трудоемкость обработки на металлорежущих станках.
Общая часть
1.1 Назначение и работа узла
Вал отбора мощности служит опорой блока 19 и передает крутящий момент на гидронасосы и вспомогательные механизмы в рабочем режиме. Передний конец вала опирается на шариковый подшипник, имеет цапфу для его установки и шлицы для установки подвижной зубчатой полумуфты 3 включения отбора мощности. Средняя цилиндрическая часть вала служит для установки подшипников блока шестерен с распорной втулкой, имеет участок с резьбой, на которую наворачивается гайка, крепящая подшипники.
Задний конец вала опирается на роликовый подшипник и имеет шлицевой конец, на котором установлен шкив 9 привода компрессора. Шкив имеет посадочное место и отверстие для крепления карданного вала привода гидронасосов. Внутреннее кольцо подшипника фиксируется на валу дистанционной втулки и ступицей шкива.
Муфта 20 может двигаться по шлицам и входить в зацепление с зубчатым венцом блока шестерен, соединяя его с валом.
1.2 Определение типа производства
Тип производства определяется по коэффициенту закрепления операций (
)
![]()
р – число рабочих выполняющих разные операции,
о – количество операций в технологическом процессе за исключением термических, гальванических, контрольных, заготовительных, моечных, окрасочных.
![]()
N – годовая программа выпуска деталей,
- время на изготовление первой детали,
- коэффициент ужесточения норм ![]()
- эффективный фонд рабочего времени завода или цены за год.
- коэффициент выполнения плана.
(час)
- количество дней в году,
- количество выходных дней в году,
- количество праздничных дней,
- продолжительность смен,
S – количество смен,
к – коэффициент потерь рабочего времени на наладку и ремонт оборудования:
при двух сменной работе
, при одной смене ![]()
![]()
![]()
- крупносерийное производство.
Крупносерийное производство характеризуется узкой номенклатурой выпуска изделий и их больших объемов, непрерывно изготавливаемых в течении продолжительного периода времени. При этом типе производства технологический процесс разрабатывается подробно и хорошо оснащается, что позволяет обеспечить высокую точность и взаимозаменяемость деталей, малую трудоемкость, а следовательно, более низкую, чем при серийном типе производства себестоимость изделий.
Оборудование и оснастка при крупносерийном типе производства специализированные и специальные; квалификация рабочей силы низкая; расстановка оборудования строго по технологическому процессу в линию, при этом транспортировка конвейерная; время обработки на каждом станке должно соответствовать такту выпуска изделий. При этом типе производства возможно более широко применять механизацию и автоматизацию производственных процессов.
1.3 Материал заготовки
Сталь 12ХН3А
Углерода – 0,12%
Хрома – до 1%
Никеля- 3%
А- высококачественная
Механические свойства:
Термообработка- закалка(860/780
)/отпуск(150
)
Среда термообработки 2-вода или 3- масло.
Предел прочности при растяжении ![]()
Предел текучести ![]()
Удлинение ![]()
НВ=217 ![]()
Сужение ψ=55%
Ударная вязкость ![]()
1.4 Анализ технологичности детали
Под технологичностью конструкции понимают соответствие конструкции требованиям минимальной трудоемкости и материалоемкости.
Правила выбора показателей технологической конструкции изделия направлены на повышение производительности труда, снижение затрат и сокращение времени на проектирование, технологическую подготовку производства, ремонт изделия при обеспечении его необходимого качества.
Конфигурация детали должна быть такой, чтобы для ее изготовления можно использовать высокопроизводительные технологические методы и выбрать удобную базу для установки заготовки в процессе обработки. Заданные точность и шероховатость поверхностей заготовки или детали должны быть обоснованы ее служебным значением.
Требования предъявляемые к заготовительным процессам следующие: в крупносерийном и массовом производстве применение специального профильного и периодического проката сокращает, а часто и исключает обработку резанием. Форма обрабатываемых плоских плоскостей в плане должна обеспечивать съем стружки равномерно и без ударов. Ширину поверхностей нужно назначать с учетом нормального ряда диаметрально торцевых или длин цилиндрических фрез и предусматривает обработку поверхностей напроход.
Деталь зубчатое колесо технологично.
2 Технологическая часть
2.1 Выбор и обоснование метода получения заготовки
Горизонтально ковочная машина (ГКМ) предназначена для штамповки, поковки типа стержней, втулок, колец и т.п. Преимущество штамповки на ГКМ перед штамповкой на молоте и прессах более высокопроизводительное, возможность штамповок без заусенцев, получение поковок типа палец без отхода металла на образование отверстия при пробивке. Для штамповки используют сортовой прокат круглого сечения и трубы. Штамповка выполнена из штучных заготовок или прутка. В последнем случае каждую поковку отделяют от прутка в штамповке.
Штамповка имеет три части: неподвижную матрицу в гнезде станины, неподвижную матрицу в подвижной щеке, закрепление в главном ползуне машины.
Штампуемый пруток подается до упора и зажимается матрицами. Штампы имеют разъем по двум взаимоперпендикулярным плоскостям, благодаря чему напуски на поковок и штамповок уклоны малы или отсутствуют. При движении пуансона на встречу матрицам форма поковки получается благодаря заполнению металла сомкнутых матриц.
При обратном ходе машины пуансон и подвижная матрица возвращается в исходное положение и поковку извлекают из ручья.
Проектирование технологического процесса штамповки, поковки на ГКМ выполняется с учетом основных правил высадки исключающих возникновение продольного изгиба и брак по зажимам.
2.2 Расчет общих припусков, определение размеров заготовки
Исходные данные по детали:
Материал:
Сталь 12ХН3А
0,12% углерода,
3% никеля
До 1% хрома
А- высококачественная
Масса детали 15,5 кг.
Заготовка- штамповка
1 класс точности Т3
2 группа стали М1
3 масса заготовки

3 степень сложности заготовки
![]()
![]()
ρ=0,0000000266
![]()
![]()
Степень сложности 1
4 исходный индекс 6
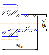
5 припуски:
2,4-Ø180 и чистота поверхности 3,6
2,4-176 и чистота поверхности 6,3
2,1- Ø125 и чистота поверхности 3,6
1,9-70 и чистота поверхности 6,3
1,9- Ø90 и чистота поверхности 6,3
2,1- Ø110 и чистота поверхности 6,3
2.2- Ø125 и чистота поверхности 1,6
| размер детали | вид поверхности | Rz | z0 | припуск | размер заготовки |
| Ø180 | Н | 3,6 | 1,3 | 2,4 | 184,8 |
| 176 | Н | 6,3 | 1,3 | 2,4 | 180,8 |
| Ø125 | Н | 3,6 | 1,1 | 2,1 | 129,2 |
| 70 | Н | 6,3 | 1 | 1,9 | 73,8 |
| Ø90 | В | 6,3 | 1 | 1,9 | 86,2 |
| Ø110 | В | 6,3 | 1,1 | 2,1 | 105,8 |
| Ø125 | В | 1,6 | 1,1 | 2,1 | 120,8 |
Размер заготовки
180+2,4*2=184,8
176+2,4*2=180,8
125+2,1*2=129,2
70+1,9*2=73,8
90-1,9*2=86,2
110-2,1*2=105,8
125-2,1*2=120,8
2.3 Анализ заводского технологического процесса
000 заготовительная (штамповка)
005 токарно-револьверная 1к36
010 токарно-револьверная 1к36
015 токарно-револьверная 1к36
020 токарно-винторезная 1к62
025 токарно-винторезная 1к62
030 зубофрезерная 5к32А
035 зубочасочная 5525
040 термическая
045 внутришлифовальная 3А288
050 кругло-шлифовальная 35161
055 зубошлифовальная найльс 500с
060 контрольная (контрольный стоп)
2.4 Выбор окончательных методов обработки элементарных
поверхностей
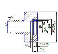
Наружные цилиндрические поверхности
| № | эскиз элементарной поверхности | маршрут обработки поверхности | квалитет | Ra, мкм | припуск на мм | операционный размер, мм |
| 1 |
|
0 загот. | 16 | 2,5 | 6,2 | |
| 1черн точ | 14 | 12,5 | 2,5 | |||
| 2получист точ. | 12 | 6,3 | 1,7 | |||
| 3чистов. точ. | 10 | 3,2 | 1,2 | |||
| 4шлиф. | 8 | 1,6 | 0,8 |
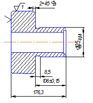
Внутренние цилиндрические поверхности
| 1 |
|
0 загот. | 16 | 12,5 | 6 | ||
| 1черн точ | 12 | 6,3 | 3,2 | ||||
| 2чистов. точ. | 10 | 3,2 | 2 | ||||
| 3шлиф. | 8 | 1,6 | 0,8 | ||||
| 2 |
|
0 загот. | 16 | 25 | 9,2 | ||
| 1черн точ | 14 | 12,5 | 3 | ||||
| 2получерн точ. | 12 | 6,3 | 2,8 | ||||
| 3чистов. точ. | 10 | 3,2 | 2,8 | ||||
| 4шлиф. | 8 | 1,6 | 0,6 |
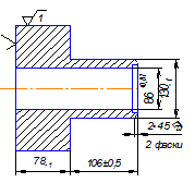
Торцевые плоские поверхности и пазы.
![]() |
0 загот. | 16 | 12,5 | 6,2 |
|
| Т1 | |||||
| 1черн точ | 12 | 6,3 | 2,4 | ||
| 2чистов. точ. | 9 | 3,2 | 1,5 | ||
| Т2 | |||||
| 1черн точ | 12 | 6,3 | 2 | ||
| 2чистов. точ. | 9 | 3,2 | 0,3 |
Зубчатые цилиндрические и фасонные поверхности.
| эскиз зубчатой поверхности | маршрут обработки | операционный размер |
|
зубофрезерная | |
| зубошлифовальная |
Поверхности, требующие однократной обработки.
Наружные цилиндрические поверхности:
- однократное точение.
Такой однократной токарной обработке не подлежат: протачивание наружной и внутренней канавок, снятие фасок.
2.5 Разработка маршрута обработки детали, выбор оборудования и
обоснование способов базирования заготовки
005 Токарно-многорезцовая 1А720

На данной операции происходит обработка внутренней цилиндрической поверхности, наружного диаметра, подрезка торца и снятие фасок. При подрезке торца необходимо выдержать осевые размеры согласно допуску. На этой операции деталь устанавливается в 3-х кулачковом патроне с упором в торец и лишается 5ти степеней свободы.
Токарно-револьверная 1П365.

На этой операции обрабатывается наружная цилиндрическая поверхность, подрезка торцов, прорезается канавка и снимаются фаски. Заготовка устанавливается в 3-х кулачковом патроне с упором в торец и лишается 5ти степеней свободы.
015 токарно-многошпиндельная 1Б240

На этой операции обрабатываются внутренние цилиндрические поверхности, прорезается канавка, снимаются фаски, подрезается торец. Заготовка устанавливается в 3-х кулачковом патроне с упором в торец и лишается 5ти степеней свободы.
020 зубофрезерная 53А20

На данной операции происходит нарезание зубьев. На этой операции деталь устанавливается в зубофрезерное приспособление с упором в торец и лишается 5ти степеней свободы.
025 зубофасочная

На этой операции снимаются фаски зубьев. Деталь устанавливается в зубофрезерное приспособление с упором в торец и лишается 5ти степеней свободы.
030 внутришлифовальная

На этой операции шлифуется внутренняя поверхность. Деталь устанавливается в 3-х кулачковом патроне с упором в торец и лишается 5ти степеней свободы.
040 кругло-шлифовальная

На этой операции шлифуется наружная поверхность. Деталь устанавливается на оправке и лишается 5ти степеней свободы.
045 зубошлифовальная

На этой операции шлифуются зубья. Деталь устанавливается в приспособлении и лишается 5ти степеней свободы.
Токарный многорезцовый полуавтомат 1А720.
Токарный многорезцовый полуавтомат 1А720 предназначен для черновой и чистовой токарной обработки деталей типа валов и фасонных деталей, деталей типа корпусов, подрезка концов, подрезка каналов.
Наибольшие размеры обрабатываемой заготовки, мм
Диаметр 410
Высота в патроне 200
Высота в центрах 360
Наибольшее перемещение суппорта, мм
Продольное или вертикальное 250
Поперечное или горизонтальное 200
Наибольшее перемещение поперечного суппорта, мм
Поперечное или горизонтальное (продольное установочное или вертикальное) 500(240)
Частота вращения шпинделя, 1/мин 50-330
Скорость быстрого перемещения суппорта, м/мин
Поперечного( в поперечном или горизонтальном направлении) 3,1
Мощность электродвигателя главного движения, кВт 7,0
Габаритные размеры, мм 2065х1490х2300
Масса, кг 6400
Токарно-револьверный станок 1Б365
Токарно-револьверный станок 1Б365 предназначен для токарной обработки деталей типа тел вращения, обработка ведется как наружних так и внутренних поверхностей.
Максимальный диаметр обработки заготовки, мм
Над станиной 500
Над суппортом 320
Число частот вращения шпинделя 12
Предел частот вращения шпинделя, 1/мин 34-1500
Диаметр шпинделя, номер корпуса Ø85,№8
Наибольший размер державки, мм 20х32
Подачи:
Продольная, мм/об 0,09-1,35
Поперечная 0,045-0,7
Наибольшая длина обтачивания, мм 3000
Расстояние от торца шпинделя до револьверной головки, мм
Наибольшее 1000
Наименьшее 275
Применяется в крупносерийном производстве, обрабатывает детали сложной формы с применением нескольких инструментов.
Внутришлифовальный станок 3К227Б
Наибольший диаметр:
Устанавливаемой заготовки 400
Устанавливаемой заготовки в кожухе 250
Наибольшая длина:
Устанавливаемой заготовки при наибольшем диаметре отверстия 125
Шлифования 125
Диаметр шлифуемых отверстий 5-150
Наибольший ход стола 450
Наибольшее наладочное перемещение поп:
Шлифовальной бабки: вперед( от рабочего) 50
назад ( на рабочего) 10
бабка заготовки: вперед 120
назад 30
наибольший угол поворота бабки, град 45
наибольший диаметр и высота шлифовального круга 180х63
скорость движения стола, м/мин:
при правке шлифовального круга 0,1-2
при шлифовании 1-7
при быстром продольном подводе и отводе 10
частота вращения, об/мин:
шпинделя внутришлифовального 9000, 12000, 18000, 22000
бабки заготовки 60-120
торцешлифовального приспособления 5600
Привод, габарит и вес станка
Мощность электродвигателей, кВт
Главного привода 1
Привода инструмента 1,7
Гидропривода 1
Насоса охлаждения 0,125
Габарит станка, мм
Длина 1862
Ширина 1940
Высота 1670
Вес станка, кг 2700
Зубозакругляющий станок 5580
Основные размеры:
Наименьшее и наибольшее расстояния от оси инструмента до плоскости стола в мм при угле поворота
0º 80-360
35º 155-200
Число оборотов шпинделя фрезы в минуту 1400, 1760
Обрабатываемые изделия
Наибольший диаметр в мм обрабатываемых зубчатых колес
С наружным зацеплением 320
С внутренним зацеплением 180
Наименьший и наибольший модуль обрабатываемых зубчатых
колес в мм 1-6
наименьшее и наибольшее число обрабатываемых зубьев колеса 10-100
Бабка изделия
Наибольшее перемещение стола вправо и влево, мм 265
Наибольший угол поворота стола, град ±35
Инструментальная бабка
Наибольшее перемещение суппорта, мм
Ручное 240
Гидравлическое 140
Наибольший угол поворота бабки, град
Вверх 20
Вниз 30
Мощность, кВт 4
Габаритные размеры 2815х1900х1750
Масса, кг 4300
Зубошлифовальный станок 5А841.
Зубошлифовальный станок 5А841.
Диаметр обрабатываемого зубчатого колеса 30-320
Обрабатываемый модуль 1,5-8
Наибольшая длина шлифуемого зуба прямозубого колеса 150
Наибольший угол наклона шлифуемого зубчатого колеса, град ±45
Число обрабатываемых зубьев колеса 10-200
Шлифовальный круг конический.
Наибольший размер шлифовального круга 350х32
Частота вращения шлифовального круга 1920
Вертикальная подача суппорта, мм/мин 60-800
Радиальная подача шпиндельной бабки за один ход суппорта 0,01-2,49
Мощность, кВт 1,5
Габаритные размеры 2850х2315х2085 мм
Масса, кг 80000
Токарный многошпиндельный станок 1Б240-6К.
Токарный многошпиндельный горизонтальный полуавтомат 1Б240-6К.
Наибольший диаметр обрабатываемой детали 200мм
Наибольшая длина подачи 200мм
Число шпинделей 6
Наибольший ход продольного суппорта 200мм
Число скоростей шпинделя 39
Частота вращения шпинделя, об/мин 130-1600
Число ступеней подач 30
Наибольшая подача, мм/об
Продольного суппорта 6,6
Поперечных суппортов 3,3
Мощность главного привода, кВт 15
Габаритные размеры 6170х1750х1985мм
Масса, кг 10000
Зубофрезерный полуавтомат 53А20
Зубофрезерный полуавтомат 53А20.
Наибольший диаметр обрабатываемой детали 200мм
Наибольшие размеры нарезаемых колес:
Модуль 6
Длина зуба прямозубых колес 180
Угол наклона зубьев, град ±60
Наибольший диаметр устанавливаемых фрез 125
Расстояние от торца стола до оси фрезы 160-410
Расстояние от оси инструмента до оси шпинделя заготовки 25-200
Наибольшие осевые перемещения фрезы 170
Частота вращения шпинделя инструмента, об/мин 75500
Подача заготовки, мм/об
Вертикальная или продольная 0,45-120мм/мин
Радиальная 0,1-1,6
Мощность электродвигателя привода главного движения, кВт 75,85
Габаритные размеры 3150х1815х2300 мм
Масса, кг 6800




