| Скачать .docx |
Реферат: Вимірювання рівнів
Міністерство освіти і науки України
Вінницький національний технічний університет
ЗВІТ
по практиці в теоретичному семестрі
за темою:
ВИМІРЮВАННЯ РІВНІВ
Виконала: ст. гр. 1АМ-01
Барбак О.П.
Перевірив: Ігнатенко О.Г.
2004
Завдання
Провести інформаційний пошук та аналітичний огляд первинних вимірювальних перетворювачів для вимірювання фізичної величини відповідно до тематики, а саме вимірювання неелектричних величин – геометричних розмірів за темою: “Вимірювання рівнів”.
Вступ
У класифікації фізичних величин за їх фізичними властивостями (прийнятій, зокрема, в Міжнародній системі одиниць) одну із величин становлять величини простору та часу, до якої належать геометричні розміри, час та параметри руху.
Геометричні розміри - це широка група понять лінійних та кутових розмірів, площі та об'єму.
Своєю чергою, до лінійних розмірів належить довжина, товщина (грубизна) покрить, відстань між об'єктами, рівень, шорсткуватість (нерівність) поверхні тощо.
Головними кутовими розмірами є плоский та тілесний кути.
Час є однією із семи основних одиниць СІ. Час, як і простір, - це одна із форм існування матерії. Вони нерозривно пов'язані між собою, характеризуючи, зокрема, параметри руху матерії, тобто динаміку матерії в просторі та в часі.
Лінійні та кутові переміщення, швидкості та прискорення характеризують просторово-часовий стан об'єктів (матерії) одного щодо іншого, прийнятого за нерухомий. Одним із різновидів параметрів руху є витрати рідких чи газоподібних речовин.
Вимірювання рівнів
Вимірювання рівнів наповнення рідин у різних резервуарах та баках займають значне місце в різних галузях промисловості, науки та техніки.
Основними групами рівнемірів є:
- візуальні (за допомогою водомірного скла);
- гідростатичні, в яких рівень визначають за значенням тиску рідини на дно резервуара з наступним вимірюванням різниці даного тиску та атмосферного за допомогою диференціального манометра;
- електромеханічні та механічні, зокрема поплавкові та буйкові;
- електричні, в яких рівень перетворюється в зміну електричного опору (кондуктометричні) або в зміну ємності (ємнісні).
Розглянемо деякі найпоширеніші типи рівнемірів, що застосовуються в промисловості.
Поплавкові рівнеміри. Принцип роботи поплавкових рівнемірів оснований на відсліджуванні рівня рідини за допомогою поплавка. Поплавок, маючи питому густину, значно меншу, ніж рідина, завжди знаходиться на її поверхні і переміщується з переміщенням вимірюваного рівня рідини. Переміщення поплавка перетворюється у вихідний сигнал відлікових пристроїв, що може здійснюватись як за допомогою звичайних механічних пристроїв, так і з перетворенням переміщення в електричний сигнал за допомогою різних вимірювальних перетворювачів.
Найпростішими є механічні рівнеміри, в яких поплавок підвішений на так званій мірній стрічці. При зміні рівня рідини та відповідному переміщенні мірної стрічки, яка має перфорацію, стрічка входить в зчеплення з виступами мірного шківа механічного відлікового пристрою.
Відліковий механізм - це десятковий лічильник із трьох або чотирьох барабанів з ціною найменшої поділки 1 мм. Застосовуються такі рівнеміри для вимірювань рівнів рідких нафтопродуктів імають верхню границю вимірювань до 20 м і абсолютну похибку вимірювання в межах до ±4 мм.
На рисунку 1 наведена принципова схема поплавкового рівнеміра з реостатним перетворювачем переміщення та логометричним вимірювальним приладом для вимірювання рівня пального в баках автомобілів та літаків.

Рисунок 1 Схема поплавкового рівнеміра
Поплавок розміщений в баку з досліджуваним рівнем і механічно зв'язаний з повзунком реостатного перетворювача Rn . Резистори R1 та R2 служать для узгодження параметрів перетворювача та логометра для забезпечення заданого діапазону вимірювання.
При зміні досліджуваного рівня та відповідному переміщенні поплавка повзунок реостатного перетворювача, змінюючи співвідношення опорів у колах рамок логометра, змінює і відношення струмів і відхилення α стрілки та покази логометра:

Шкала таких рівнемірів градуюється в значеннях вимірюваного рівня або в частках максимального рівня, прийнятого за одиницю.
До переваг логометричних кіл належить незмінність показів при коливанні напруги джерела живлення танезначний вплив опору лінії. Вторинними перетворювачами поплавкових рівнемірів можуть бути також індуктивні чи взаємоіндуктивні перетворювачі переміщень.
Буйкові рівнеміри. Їх робота базується на використанні виштовхувальної сили, що діє на занурене у рідину тіло (буйок) у вигляді циліндра, довжина якого значно більша від його діаметра (рисунок 2), а питома густина значно більша під питомої густини досліджуваної рідини.

Рисунок 2 Схема буйкового рівнеміра
Такий буйок механічно з'єднаний з чутливим елементом 2 вторинного перетворювача, а його переміщення обмежується за допомогою пружини 3, закріпленої одним кінцем до верхньої частини буйка, а другим до нерухомої частини перетворювача. Такий буйок, що вільно підвішений на пружині, служить масштабним перетворювачем порівняно великих змін рівня (до 10-20 м) у порівняно невеликі переміщення буйка та чутливого елемента вторинного перетворювача. Залежно від рівня рідини на буйок буде діяти підйомна сила, внаслідок чого пружина стискається, а чутливий елемент, яким може бути, наприклад, плунжер індуктивного чи взаємоіндуктивного перетворювача, переміщується, змінюючи відповідно вихідну індуктивність (повний електричний опір) чи вихідну ЕРС.
Функцію перетворення буйкового перетворювача можна визначити, виходячи з таких положень. При зануренні буйка в досліджувану рідину на нього буде діяти виштовхувальна сила:
![]()
деН - рівень рідини;
х - переміщення буйка;
S - площа поперечного перерізу буйка;
ρp - питома густина рідини;
g - земне прискорення.
Сила пружності пружини змінилися на величину Fпр =Wx ,
деW -штивність пружини.
Прирівнявши ці дві сили, одержимо

Вторинними вимірювальними приладами рівнемірів і буйковим перетворювачем можуть бути прилади тилу КПД чи КСД (з компенсаційним вимірювальним колом з диференціально-трансформаторними перетворювачами), рисунок 3.

Рисунок 3 Схема буйкового рівнеміра з диференціально-трансформаторними перетворювачами
Останнім часом широко застосовуються буйкові та поплавкові рівнеміри з силовою компенсацією, а також статичного зрівноважувального перетворення (рисунок 4).

Рисунок 4 Схема буйкового рівнеміра зрівноважувального перетворення
Вихідною величиною в таких вимірювачах є струм. Буйкові рівнеміри такого типу з уніфікованим вихідним сигналом 0...5 та 0...20 мА призначаються для вимірювань рівня рідин в технічних місткостях з рівнем заповнення до 10...16 м. Їх зведена похибка знаходиться в межах до 1,5 %.
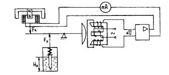
Принцип дії рівнемірів зрівноважувального перетворення. При зануренні буйка в досліджувану рідину на нього буде діяти виштовхувальна сила Fx , що приводить до переміщення буйка, яке за допомогою коромисла перетворюється в поворот осердя диференціально-трансформаторного перетворювача. Нерухома частина магнітопроводу виконана у вигляді Ш-подібного осердя. На середньому його стержні намотана первинна намагнічуюча обмотка, що живиться від джерела змінної напруги. Дві ідентичні вимірювальні обмотки, намотані на крайні стержні, утворюють два ідентичні перетворювальні елементи. Обмотки з'єднані послідовно і зустрічно.
Диференціально - трансформаторний перетворювач побудований так, що при нульовому значенні вимірюваного рівня чи деякому його номінальному значенні рухоме осердя займає симетричне щодо обох перетворювальних елементів положення, наведені в них ЕРС будуть однаковими, а їх різниця дорівнюватиме нулю. Зі зміною вимірюваного рівня і відповідним переміщенням рухомого осердя змінюються потоки в окремих перетворювальних елементах і наведені в них ЕРС. З'являється деяка різниця ЕРС, яка подається на підсилювач, вихідна напруга якого після перетворення змінного струму в постійний подається до вимірювальної обмотки зворотного магнітоелектричного перетворювача.
Струм Ix , що проходить через вимірювальну обмотку, взаємодіючи з полем постійного магнігу, створює компенсуючу силу Fk , спрямовану назустріч силі Fx . Струм, що протікатиме в момент рівноваги цих сил, буде мірою вимірюваного рівня. Дія точніших вимірювань струму Ix , використовують компенсатори постійного струму, що вимірюють спад напруги на вимірювальній котушці опору R0 .
Ємнісні рівнеміри відрізняються універсальністю, високою чутливістю, простотою вимірювального кола, відсутністю рухомих елементів в зоні вимірюваного рівня. Однією з основних проблем при побудові ємнісних рівнемірів є компенсація змін відносних діелектричних сталих εx середовища, рівень якого вимірюють, та εn повітря між обкладками вимірювального перетворювача в зоні, що не заповнена досліджуваним середовищем. На рисунку 5 показана схема рівнеміра, в якій передбачене виключення впливу зміни названих діелектричних сталих за допомогою компенсуючих конденсаторів.

Рисунок 5 Структура давача та схема ємнісного рівнеміра
Давач рівнеміра (рисунок 5, а) має робочий конденсатор та три компенсуючі конденсатори, два з яких знаходяться у повітрі і один повністю занурений в досліджуване середовище.
Вимірювальне коло такого рівнеміра складається з генератора змінної напруги, підсилювача, вольтметра та двох трансформаторів Тр1 та Тр2 і працює в режимі статичного зрівноважувального перетворення.
Якщо коефіцієнт підсилення достатньо великий, то можна вважати, що напруга на його вході, зашунтованому паразитною ємністю буде наближатись до нуля, а це означає, що практично буде дорівнювати нулю сума струмів, які надходять на вхід підсилювача через ємності Cp , Cn1 , Cn2 , Ck .

де U та Uв - відповідно напруга на виході генератора Г та покази вольтметра.
Якщо значення ємностей записати через довжини li відповідних конденсаторів, вимірюваний рівень через Nx , ємність на одиницю довжини відповідного конденсатора в повітрі C0 та відносну діелектричну сталу εx досліджуваного середовища, тобто одержимо:


Отже, покази вольтметра будуть пропорційними вимірюваному рівню Hx і не залежатимуть від значення діелектричної сталої εx .
Отже, покази вольтметра будуть пропорційними вимірюваному рівню Hx і не залежатимуть від значення діелектричної сталої εx .
Однією з мостових схем рівнеміра, розроблених в Інституті електродинаміки АН України, є схема (рисунок 6) з додаванням струмів через ємнісні елементи Сx , Сn та Сk - робочий ємнісний перетворювач та компенсаційні, що знаходяться відповідно в повітрі та досліджуваному середовищі.

Рисунок 6 Мостова схема ємнісного рівнеміра з додаванням струмів
Для того, щоб сума струмів I1 , I2 та I3 дорівнювала нулеві
![]()
регулюють відношення витків W2 /W3 .
Якщо ємності відповідних конденсаторів записати через їх довжину (зокрема, вимірюваний рівень Hx ) та погонну ємність Ci * , забезпечивши Сx * =Ck * , а також ln /lk =W5 /W4 , то відлік вимірюваного рівня може бути здійснений за кількістю витків W3 .
Зведена похибка кращих зразків ємнісних рівнемірів не перевищує 1 %.
Список літератури
1. Поліщук Є.С., Дорожовець М.М., Яцук В.О. та ін. Метрологія та вимірювальна техніка: Підручник / Є.С. Поліщук, М.М. Дорожовець, В.О. Яцук, В.М. Ванько, Т.Г. Бойко; За ред. проф. Є.С. Поліщука. – Львів: Видавництво “Бескид Біт”, 2003. – 544 с.
2. Поліщук Є.С. Методи та засоби вимірювань неелектричних величин. – Львів: Видавництво НУ “Львівська політехніка”, 2000. – 360 с.
3. Евтихиев Н.Н., Купершмидт Я.А. и др. Измерения электрических и неэлектрических величин. – М.: Энергоиздат, 1990. – 352 с.