| Скачать .docx |
Реферат: Вимірювання лінійних та кутових розмірів
ЗВІТ
по практиці в теоретичному семестрі
за темою:
"Вимірювання лінійних та кутових розмірів"
Завдання
Провести інформаційний пошук та аналітичний огляд первинних вимірювальних перетворювачів для вимірювання фізичної величини відповідно до тематики, а саме вимірювання неелектричних величин – геометричних розмірів за темою: «Вимірювання лінійних та кутових розмірів».
Вступ
У класифікації фізичних величин за їх фізичними властивостями (прийнятій, зокрема, в Міжнародній системі одиниць) одну із величин становлять величини простору та часу, до якої належать геометричні розміри, час та параметри руху.
Геометричні розміри – це широка група понять лінійних та кутових розмірів, площі та об'єму.
Своєю чергою, до лінійних розмірів належить довжина, товщина (грубизна) покрить, відстань між об'єктами, рівень, шорсткуватість (нерівність) поверхні тощо.
Головними кутовими розмірами є плоский та тілесний кути.
Час є однією із семи основних одиниць СІ. Час, як і простір, – це одна із форм існування матерії. Вони нерозривно пов'язані між собою, характеризуючи, зокрема, параметри руху матерії, тобто динаміку матерії в просторі та в часі.
Лінійні та кутові переміщення, швидкості та прискорення характеризують просторово-часовий стан об'єктів (матерії) одного щодо іншого, прийнятого за нерухомий. Одним із різновидів параметрів руху є витрати рідких чи газоподібних речовин.
Вимірювання лінійних та кутових розмірів
Вимірювання лінійних та кутових розмірів займають значне місце в різних галузях науки та техніки, зокрема, в машино – та приладобудуванні, де вимірювання цих величин займають до 80% від всіх вимірювань в цих галузях.
Завдання вимірювань лінійних та кутових розмірів можна розділити на такі групи:
- вимірювання лінійних розмірів в діапазоні від часток мкм до декількох десятків метрів та кутових розмірів, обмежених найчастіше повним колом з діапазоном вимірюваних значень кутових розмірів від 0,1° до 360°. Найпоширенішими в цій групі є вимірювання розмірів деталей, відхилення розміру деталі від заданого значення, вимірювання параметрів шорсткуватості поверхні, товщини покрить;
- вимірювання розмірів від часток метра до сотень метрів при визначенні рівня рідких та сипучих речовин у різних резервуарах та свердловинах, рівня пального в баках різних транспортних засобів;
- визначення координат об'єктів та відстаней між об'єктами, зокрема і космічними, що знаходяться в межах від одиниць міліметра до мільйонів кілометрів.
Останнім часом під впливом інтенсивного розвитку інтегральних схем, мікропроцесорних пристроїв відбулось корінне оновлення та значне урізноманітнення техніки, що застосовується при вимірюваннях лінійних та кутових розмірів. Сьогодні, завдяки прогресу в конструюванні приладів, можуть бути реалізовані такі методи вимірювань, які ще декілька років тому здавалися неймовірними. Нові апаратні рішення ведуть до появи нових різновидностей методів вимірювань. Донедавна для вимірювань геометричних розмірів застосовували здебільшого прилади, що працюють за аналоговим принципом. Сьогодні в зв'язку зі значним прогресом в галузі первинних вимірювальних перетворювачів та винятковими можливостями цифрової вимірювальної техніки на перший план виходять цифрові засоби вимірювань цих величин. Їх основні переваги: можливість автоматизації вимірювального процесу та автоматичної обробки результатів вимірювань, неперервний запис результатів вимірювань тощо. Тому зупинимось тільки на електричних засобах, зокрема з цифровим виходом, не забуваючи про те, що основною ланкою засобів вимірювань геометричних розмірів є первинний вимірювальний перетворювач.
Основні електричні методи та відповідні засоби вимірювань лінійних та кутових розмірів залежно від наявності чи відсутності механічного контакту між досліджуваним об'єктом та засобом вимірювань поділяють на контактні та безконтактні, а залежно від принципу вимірювального перетворення методи поділяють на електромеханічні , електрофізичні та спектрометричні (хвильові ).
Електромеханічні методи залежно від виду первинного перетворювача поділяють на резистивні, індуктивні, ємнісні, оптоелектронні, обкочування тощо.
Електрофізичні методи вимірювань основані на використанні відмінності в фізичних властивостях речовин, що знаходяться на різних сторонах границь вимірюваного розміру. Для вимірювань лінійних та кутових розмірів використовують методи та прилади, основані на відмінностях електричних, магнітних, теплових та інших властивостей. Відповідно електрофізичні методи поділяються на електромагнітні, ємнісні, кондуктометричні тощо. Найпоширенішими з електромагнітних є вихрострумові та резонансні методи.
Спектрометричні методи та відповідні засоби вимірювань залежно від довжини хвилі випромінювання, що використовується при вимірюванні, поділяють на звукові, ультразвукові, радіохвильові, надвисокочастотні, оптичні (лазерні). Залежно від фізичних явищ, які використовуються при вимірюванні, спектрометричні методи класифікують на локаційні, інтерферометричні, рефрактометричні тощо.
Електромеханічні методи широко застосовуються для вимірювань розмірів деталей та шорсткуватості поверхні (контактні штангенциркулі., мікрометри, профілометри), для вимірювань рівня (поплавкові та буйкові рівнеміри). Для вимірювань відстаней, пройдених транспортними засобами, широко використовують спосіб обкочування.
В контактних мікрометрах та профілометрах координати досліджуваного об'єкта попередньо перетворюються в лінійне переміщення голкоподібного щупа, а згодом в електричний сигнал за допомогою індуктивних, взаємоіндуктивних чи ємнісних перетворювачів.

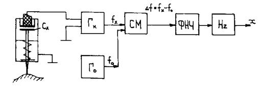
Рис. 1 До принципу дії ємнісного профілометра
Рисунок 1 пояснює принцип дії вимірювача малих розмірів на основі ємнісного перетворювача, який є елементом І-С-контура кварцового генератора. Ємнісний перетворювач має нерухомий електрод 1, напилений на полірований скляний стержень 2, та рухомий електрод З, механічно з'єднаний з голкоподібним щупом 4, закріпленим в корпусі за допомогою плоских пружин 5. Ємнісний перетворювач за допомогою кабеля з'єднаний з кварцовим генератором, вихідна частота
якого є функцією ємності
між рухомим та нерухомим електродами. Частота
та частота
від опорного генератора частоти подаються на вхід змішувача, вихідна частота якого
. Виміряна частотоміром частота
відповідатиме значенню вимірюваного розміру.
Враховуючи, що

а при ![]()

матимемо

За наведеною схемою будуються мікрометри з порогом чутливості в частки мкм та діапазоном вимірювань 0,1….І мм. Такий мікрометр може використовуватись для вимірювань параметрів шорсткуватості. Однак у цьому випадку можуть виникати значні похибки через деяку нелінійність в перетворенні реального профілю шорсткуватої поверхні в лінійне переміщення щупа. Виникають також похибки через відривання щупа в деяких точках профілю поверхні та внаслідок деформації (пружної та пластичної) досліджуваної поверхні під дією сили з боку щупа. Ці похибки визначаються зусиллям, що створюється щупом.
Це зусилля загалом не є сталим і може змінюватись залежно від інерційності перетворювача, радіуса щупа, властивостей матеріалу та характера профілю досліджуваної поверхні. В цьому відношенні перевагу має віброконтактний метод, оснований на перетворенні в електричний сигнал коливань вібруючого щупа.
Віброконтактний метод дає змогу здійснювати вимірювання при незначних зусиллях щупа, який тільки періодично торкається досліджуваного об'єкта. Завдяки цьому можна використати тонкі щупи, що дає можливість вимірювати розміри деталей, що легко деформуються, а також об'єктів складної конфігурації.
Подібними за своєю конструкцією та вимірювальним колом є індуктивні мікрометри-профілометри, в яких вимірювальний щуп у своїй верхній частині має закріплений феритовий стержень, котрий при переміщенні штока змінює індуктивність вимірювапьної котушки. Котушка, індуктивність
якої є функцією вимірюваного переміщення
, становить частотнозалежний елемент
-генератора.
Якщо частина опорного генератора

а частота вимірювального генератора

то

Мікрометри-профілометри з індуктивним первинним перетворювачем дають змогу вимірювати мікронерівності від 0,1 мкм, а верхня границя вимірювань становить звичайно декілька мм.
Здебільшого в приладо – та машинобудуванні необхідно вимірювати не все значення розміру, яке може досягати десятків см і більше, а лише його відхилення від деякого заданого значення, оскільки в процесі виготовлення деталі контролюється її розмір. Ці відхилення звичайно не перевищують часток мм, а отже, названі мікрометри можуть бути застосовані для цих потреб.

Рис. 2 Ємнісний штангенциркуль та приклади його вимірювальних кіл
Для вимірювань розмірів у діапазоні часток міліметра до декількох сантиметрів застосовують штангенциркуль (рисунок 2, а) з довгоходовим щупом 1 та ємнісним перетворювачем переміщень. Останній складається з циліндричних зовнішнього 2 та внутрішнього 3 електродів і екрана 4 з електропровідного матеріалу, з'єднаного механічно з вимірювальним щупом. При переміщенні екрана ємність вимірювального конденсатора буде змінюватись пропорційно вимірюваному переміщенню. Для виключення впливу довкілля на результат вимірювань передбачений компенсуючий конденсатор, ємність Ск якого дорівнює ємності вимірювального конденсатора при х=0. Приклади електричних вимірювальних кіл такого штангенциркуля наведені на рисунках 2, б, в.
Електрофізичні методи застосовують звичайно у вимірювачах товщини шару покрить та тонких листових виробів.
Список літератури
1.Поліщук Є.С., Дорожовець М.М., Яцук В.О. та ін. Метрологія та вимірювальна техніка: Підручник / Є.С. Поліщук, М.М. Дорожовець,
В.О. Яцук, В.М. Ванько, Т.Г. Бойко; За ред. проф. Є.С. Поліщука. – Львів: Видавництво «Бескид Біт», 2003. – 544 с.
2.Поліщук Є.С. Методи та засоби вимірювань неелектричних величин. – Львів: Видавництво НУ «Львівська політехніка», 2000. – 360 с.
3.Евтихиев Н.Н., Купершмидт Я.А. и др. Измерения электрических и неэлектрических величин. – М.: Энергоиздат, 1990. – 352 с.