| Скачать .docx |
Реферат: АСУ ТП 5-ти клетевого стана 630 холодной прокатки
Министерство образования и науки Российской Федерации
Федеральное агентство по образованию
Государственное образовательное учреждение высшего профессионального образования
״Магнитогорский государственный технический университет им. Г. И. Носова״
Кафедра обработки металлов давлением
Контрольная работа
по курсу «Основы автоматизации процессов ОМД»
на тему: «АСУ ТП 5-ти клетевого стана 630 холодной прокатки»
Выполнил:
студент гр. ТО-05
Проверил:
доцент, к.т.н.
Магнитогорск
2009
Введение
На предприятиях черной металлургии с полным циклом производства управление строится по переделам с координацией этих управлений в масштабе всего предприятия.
Автоматизация производства заключается в применении для выполнения производственных операций автоматических устройств, т.е. технических устройств, выполняющих заданные действия с использованием различных видов энергии без непосредственного участия человека.
Агрегаты цеха холодной прокатки оснащаются средствами автоматического контроля и системами регулирования и управления, обеспечивающие выполнение технологических требований, а также автоматизацию работы механизмов, диагностику неисправностей, учет работы оборудования и готовой продукции.
Цель автоматизации производства - повышение производительности и улучшение условий труда, обеспечение высокого качества продукции, оптимального использования всех ресурсов.
1 Функции и структура АСУ ТП стана 630 холодной прокатки
Основные функции АСУ ТП подразделяют на информационные, управляющие и вспомогательные.
Информационные функции централизованного контроля:
-измерение, оперативное отображение, регистрация и сигнализация отклонений значений технологических параметров и показателей состояния оборудования;
-обнаружение, оперативное отображение, регистрация и сигнализация отклонений значений технологических параметров и показателей состояния оборудования от установленных пределов
-контроль, оперативное отображение, регистрация и сигнализация срабатывания блокировок и защит;
- оперативное отображение, регистрация результатов математических и логических операций выполняемых КТС.
Информационные функции вычислительных и логических операций:
- косвенные измерения технологических параметров и показателей состояния оборудования;
- вычисление и анализ обобщенных показателей оценки текущего состояния ТОУ и его составляющих;
- анализ срабатываний блокировок и защит;
- диагностика протекания технологического процесса и состояния оборудования;
- прогнозирование хода технологического процесса и состояния оборудования;
- расчет технико-экономических и эксплуатационных показателей функционирования ТОУ;
- подготовка информации и выполнение процедур обмена информации со смежными и вышестоящими системами управления.
Управляющие функции
-определение рационального режима ведения технологического процесса;
- формирование и передача на входы исполнительных устройств управляющих воздействий;
- выдача оператору рекомендаций по управлению технологическим процессом.
Вспомогательные функции
- обеспечение алгоритма функционирования системы;
-формирование информационных массивов;
- введение информационной базы
- диагностика состояния КТС
Перечень функций конкретной АСУ ТП устанавливается техническим заданием на создание АСУ ТП.
Функции АСУ ТП можно реализовать в следующих режимах:
- информационно – советующим, при котором средства ВТ вырабатывают и выдают оперативному персоналу рекомендации по управлению процессом;
- комбинированном при котором средства ВТ изменяют уставки и параметры настройки локальных систем управления;
- прямого управления, при котором средства ВТ обеспечивают непосредственное управление исполнительными устройствами.
Непрерывный стан холодной прокатки, как объект автоматического регулирования, характеризуется наличием ряда взаимосвязанных регулирующих воздействий и многих возмущающих факторов, действующих на различные элементы системы стана.
Изменение толщины и твердости подката, эксцентриситет валков прокатных клетей, изменение коэффициента трения в зоне деформации, проявление эффекта скорости и ряд других факторов представляют собой возмущения процесса прокатки.
Сложность и многообразие внутренних взаимосвязей в системе непрерывного стана обусловлены влиянием упругости прокатных клетей, зависимости опережения металла от натяжения, явлением транспортного запаздывания и свойствами привода.
Функции АСУ ТП непрерывного стана холодной прокатки:
- слежение за рулонами от разматывателя до маркировочной машины;
- расчет установок для настройки стана на прокатку заданного сортамента;
- управление основными и вспомогательными механизмами прокатного стана;
- управление скоростными режимами прокатки;
- регулирование натяжения полосы;
- регулирование планшетности полосы;
- центрирование полосы по оси стана;
- контроль температуры полосы и валков;
- регулирование расхода смазочно-охлаждающей жидкости;
- измерение усилия прокатки и крутящих моментов;
- учет расхода энергоносителей;
- сбор, обработка и выдача технической и производственной информации, поступающей с пультов ручного ввода, от средств автоматического контроля и систем автоматизации;
- диагностика неисправностей оборудования.
Схема АСУ ТП непрерывного стана холодной прокатки представлена на рис.1.

Рис. 1. – Схема АСУ ТП стана холодной прокатки
Системы: 1 – автоматической перевалки рабочих валков; 2 – автоматической подачи и уборки рулонов; 3 – автоматической задачи полосы в клети; 4 – автоматического позиционирования механизмов; 5 – автоматического регулирования натяжения полосы между клетью и разматывателем; 6 – автоматического регулирования температуры валков; 7 – автоматической установки параллельности валков; 8 – автоматического управления соосностью валков; 9 – автоматического регулирования скорости прокатки; 10 – автоматического регулирования межклетевых натяжений; 11 – автоматического регулирования толщины полосы; 12 – автоматического центрирования полосы; 13 – автоматического регулирования натяжения полосы между клетью и моталкой; 14 – точной остановки барабана моталки; 15 – автоматического регулирования параметров смазочно-охлаждающей жидкости; 16 – расчета и выдачи уставок параметров; 17 – оптимизации процесса прокатки; 18 – слежения за рулонами от разматывателя до маркировочной машины; 19 – сбора, обработки и выдачи технической и производственной информации; 20 – диагностики неисправностей оборудования.
Средства автоматического контроля: 21 – датчики наличия рулонов на разматывателе и моталке; 22 – измеритель диаметра и ширины рулона; 23 – измеритель положения рулона на разматывателе (по оси стана и высоте); 24 – датчик начала и конца полосы; 25 – датчик положения сварного шва; 26 – датчик положения полосы относительно продольной оси стана; 27 – измеритель усилия прокатки; 28 – измеритель крутящего момента на шпинделях; 29 – измеритель усилия устройств регулирования клетей; 30 – датчик включения и выключения электродвигателей нажимных механизмов; 31 – измеритель температуры полосы и валков; 32 – датчик перемещения вспомогательных механизмов; 33 – измеритель зазора между рабочими валками; 34 – измеритель натяжения полосы; 35 – измеритель толщины полосы; 36 – измеритель скорости полосы; 37 – измеритель длины полосы; 38 – измеритель массы рулонов; 39 – датчики расхода смазочной и охлаждающей жидкостей.
2. Устройство и работа локальной системы автоматического управления САРТиН стана 630 холодной прокатки
Основными локальными системами управления устройствами являются:
1) системы управления положением валков;
2) системы управления скоростью вращения валков;
3) системы управления усилиями напряжения клетей (для клетей, оборудованных специальными устройствами);
4) системы управления натяжением моталки и разматывателя;
5) системы управления расходом смазочно-охлаждающей жидкости по длине бочки валков.
Локальные системы управления технологическими переменными включают:
1) систему регулирования натяжения полосы между клетями стана;
2) систему регулирования толщины полосы;
3) систему регулирования формы (профиля и формы) полосы.
Локальные системы управления технологическими переменными непрерывного стана холодной прокатки взаимодействуют через стан между собой. Поэтому они строятся как элементы единой комплексной системы автоматического управления технологическими переменными стана.
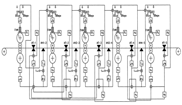
Толщина полосы измеряется измерителем толщины за 1-й клетью, сравнивается с заданной.
Полученный сигнал рассогласования воздействует на:
а) перемещение ГНМ 1-й клети;
б) изменение скорости 1-й клети.
Далее, толщина полосы, измеренная измерителем толщины за 2-ой клетью, сравнивается с заданной. Полученный сигнал рассогласования воздействует:
1 по отклонению на:
а) изменение скорости 1-й клети;
б) перемещение ГНМ 2-ой клети.
2 по возмущению через блок регулируемого запаздывания на:
а) изменение скоростей клетей 1 и 2 клетей;
б) изменение скорости клети 3 (в противоположном направлении скоростям клетей 1 и 2);
в) изменение скоростей клетей 1,2,3 для ликвидации разнотолщинности, если не исправили толщину каналов (Б) и (Г);
г) перемещение ГНМ 3-й клети.
После этого толщина полосы, измеренная измерителем толщины за 3-й клетью, сравнивается с заданной. Полученный сигнал рассогласования воздействует:
1 по отклонению на:
а) изменение скоростей клетей 1,2;
б) перемещение ГНМ 3-й клети.
2 по возмущению через блок регулируемого запаздывания на:
а) изменение скоростей клетей 1.2.3;
б) изменение скорости 4-ой клети (в противоположном направлении скоростям 1,2,3 клетей);
в) перемещение ГНМ 4-ой клети.
Затем толщина полосы, измеренная измерителем толщины за 4-ой клетью, сравнивается с заданной. Полученный сигнал рассогласования воздействует:
1 по отклонению на:
а) изменение скоростей клетей 1.2.3;
б) перемещение ГНМ 4-й клети.
2 по возмущению через блок на:
а) изменение скоростей клетей 1,2,3,4;
б) изменение скорости 5-й клети (в противоположном направлении скоростям 1,2,3,4 клетей);
в) перемещение ГНМ 5-ой клети.
Далее толщина полосы, измеренная измерителем толщины за 5-й клетью, сравнивается с заданной. Полученный сигнал рассогласования воздействует на:
а) перемещение ГНМ 5-ой клети;
б) изменение скорости 5-ой клети.
Структурная схема основных воздействий регулирования комплекса САРТиН 5-кл. стана "630" приведена на рисунке 2.

Рисунок 2. - Структурная схема основных воздействий регулирования комплекса САРТ и Н 5-кл. стана "630": ГНМ - гидравлический нажимной механизм; ИТ - измеритель толщины; ИН - измеритель натяжения; Н1, Н2, Н3, Н4, Н5 - уставки толщины; t - уставка натяжения;
Список использованной литературы
1. Омельченко Б. Я. Рациональный объём автоматизации прокатных станов. Метод. указ. по курсу «Основы автоматизации процессов ОМД» для студентов спец. 110600. Магнитогорск: МГТУ, 2004. 42 с.
2. Челюсткин А.Б. Автоматизация процессов прокатного производства. М.: Металлургия, 1971, 296 с.
3. Выдрин В.Н., Федосиенко А.С. Автоматизация прокатного производства. Учебник для вузов. М.: Металлургия, 1984. 472 с.