| Скачать .docx |
Курсовая работа: Анализ системы автоматического регулирования разрежения в топке
МИНИСТЕРСТВО СЕЛЬСКОГО ХОЗЯЙСТВА И ПРОДОВОЛЬСТВИЯ РЕСПУБЛИКИ БЕЛАРУСЬ
БЕЛАРУССКИЙ ГОСУДАРСТВЕННЫЙ АГРАРНЫЙ ТЕХНИЧЕСКИЙ УНИВЕРСИТЕТ
Кафедра автоматизированных систем управления производством
КУРСОВАЯ РАБОТА
по “Основам автоматики”
Анализ системы автоматического регулирования разрежения в топке
Студента гр……. .22 зптк
Руководитель _____________
МИНСК 2008
Содержание
Введение
1. Характеристика объекта управления, описание устройства и работы САР, составление её функциональной схемы, принцип автоматического управления и вид схемы
2. Составление структурной схемы
3. Определение закона регулирования системы
4. Определение передаточных функций системы по управляющему воздействиям и для ошибок по этим воздействиям
5. Анализ устойчивости системы. Определение устойчивости запасов
5.1 Анализ устойчивости по критерию Гурвица
5.2 Анализ устойчивости по критерию Найквиста
5.3 Определение запасов устойчивости
6. Анализ зависимости статической ошибки системы от изменения управляющего воздействия на систему
7. Совместный анализ изменения управляемой величины объекта управления и системы от возмущающего воздействия в статике. Определение статической ошибки системы по возмущающему воздействию
8. Оценка качества управления по переходным функциям
8.1 Отклонения регулируемой величины от своего установившегося значения характеризуется следующими величинами, показаниями
8.2 Быстродействие системы оценивается временем регулирования
8.3 Колебательность переходного процесса
9. Общие вопросы по работе
Литература
Введение
Цель работы: закрепление базовых знаний по курсу "Основы автоматики" на примере проведения анализа системы автоматического регулирования разрежения в топке.
Задание:
Дать краткую характеристику объекта управления, описать устройство и работу системы, составить её функциональную схему. Сделать вывод о принципе автоматического управления, и виде системы.
Составить структурную схему системы.
Определить закон регулирования системы.
Определить пересадочные функции системы по управляющему (задающему), возмущающему воздействиям и для ошибок по этим воздействиям.
Выполнить анализ устойчивости системы по критериям Гурвица и Найквиста. Определить запасы устойчивости.
Проанализировать зависимость статической ошибки системы от изменения управляющего (задающего) воздействия на систему. Сделать вывод о характере этой зависимости.
Провести совместный анализ изменения управляемой (регулируемой) величины объекта управления и системы от возмущающего воздействия в статике. Дать их сравнительную оценку. Определить статическую ошибку системы по возмущающему воздействию.
Оценить качество управления по переходным функциям.
Сделать общие выводы по работе.

Таблица 1 - исходные данные.
| Вар. | Сх. | К1 | К2 | Т1, с | кд | Тд, с | ку | кдв | кр | кв | кп | Тдв, с |
| 28 | 4 | 2 | 0,4 | 3 | 0,1 | 0,3 | 60 | 0,08 | 0,1 | 20 | 0,2 | 0,5 |
1. Характеристика объекта управления, описание устройства и работы САР, составление её функциональной схемы, принцип автоматического управления и вид схемы
Объектом управления является котёл. Регулируемой величиной разрежения воздуха внутри топки. Целью управления является поддержание нормального топочного режима на постоянном заданном уровне с помощью поворотных заслонок, что позволяет регулировать разрежение за счёт производительности дымососа. Основное возмущающее воздействие - применение расхода воздуха в топке.
Датчиком разрежения является дифтягометр, соединённый с верхней частью топки. Устройство сравнения выполнено на дифференциальном усилителе. Задатчик - потенциометр - формирует сигнализацию.
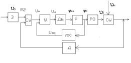
Управляющим воздействием на ОУ является производительность. Основное возмущающее воздействие изменения давления воздуха в топке Рт от расчётного. Дополнительным возмущающим воздействием может быть изменение потенциометра. Устройство сравнения выполнено на дифференциальном усилителе. ДУ выполняет функции сравнения, вычитание выходных сигналов (Uоз - Uос - Uз ) и усиление их разности. На вход усилителя поступает напряжение Uз и образный сигнал дифтягометра Uд, и сигнал с дифференциального устройства. Uос входной сигнал для электродвигателя - напряжение Uу, а входной сигнал - угол поворота вала электродвигателя φдв. Входной сигнал для редуктора φдв, выходной сигнал φр - поворота заслонки.
Устройство местной обряжной связи (УОС) выполнен в виде дифференциального преобразователя, выполнен в виде автотрансформатора, угол поворота вала двигателя φдв преобразуется в напряжение Uос, подвижный контакт жёстко связан с валом редуктора.
Регулирующий орган - заслонки, входной сигнал - это угол поворота вала редуктора φр.
Система работает: в установившемся режиме при равенстве разряжения в топке Рт заданному разрежению, сигнал на датчик не подается. При изменении разряжения, например при отсутствии большого количества воздуха в топку, датчик срабатывает, шток датчика связан с сердечником автотрансформатора, сердечник перемещается и изменяется напряжение датчика. Напряжение Uд являющееся сигналом возникшей ошибки системы, усиливается ДУ, и подаётся на обмотку возбуждения электродвигателя. Двигатель через редуктор открывает или закрывает заслонки дымососа, тем самым изменяется отток дымовых газов. Если разрежение выше заданного, то заслонка приоткрывается, а если ниже то закрывается. Одновременно вал электродвигателя изменяет положение сердечника, вследствие чего выходное напряжение Uос автотрансформатора подаётся на ДУ, где вычитается из напряжения Uд датчика. Усилитель усиливает разность напряжений Uд и Uос, за счёт местной отработанной связи обеспечивает пропорциональную зависимость между напряжением Uд и углом поворота вала электродвигателя φдв. Поэтому изменение угла поворота заслонки в дымососе пропорционально величине отклонения разряжения. В результате разрежение в топке возвращается к заданному режиму.
При непрерывном изменении разрежения процесс регулирования идет непрерывно. Если разрежения устанавливается, то через некоторое время система придет в новое установившееся положение.
В системе реализован принцип управления по отклонению.
Система является стабилизирующей.

2. Составление структурной схемы
1) Для составления структурной схемы получим передаточные функции всех элементов системы.
Уравнение объекта управления:
Т1* ( dPт /dt ) + Рт =к1* Qд - к2 Qв ;
где Рт , Па - разрежение в топке;
Qд, м3 /с - производительность дымососа;
Qв, м3 /с - расход воздуха в топку;
Изображение Лапласа.
Т 1* Р* Рт (р) + Рт (р) = к1 * Qд (р) - к2 * Qв (р);
Так как к звену приложено несколько воздействий, то составляем передаточные функции отдельно по каждому воздействию.
При этом остальные воздействия полагают равным нулю. Согласно принципу суперпозиции изменение выходной величины такого звена равно сумме изменений выходных величин по каждому воздействию.
В нашем случае передаточная функция топки котла по управляющему воздействию Qд .
Wy (р) = Рт (р) / Qд (р) = к1 / (Т1* Р + 1);
Рт (р) * (Т1* Р + 1) = к1 * Qд (р);
Wf (р) = Рт (р) / Qв (р) = - (к2 / (Т1* Р + 1)) –
передаточная функция по возмущающему воздействию Qв .
Аналогичным образом получили передаточные функции остальных элементов системы.
2) Датчик: дифтягометр с автотрансформатором Д:
Тд (dUM /dt) + UM = кд Рт ;
Тд * Р* UM (р) + UM (р) = кд * Рт (р);
UM (р) (Тд * Р + 1) = кд * Рт (р);
Wд = UM (р) / Рт (р) = кд / (Тд * Р + 1);
где UM , В - амплитуда выходного напряжения преобразуется.
3) Задатчик (3):
U3 = к3 * Рт3;
U3 (р) = к3 * Рт3 (р);
W3 (р) = V3 (р) / Рт3 (р) = к3 ;
Рт3 , Па - задающее значение разрежения.
4) Дифференциальный усилитель:
Uy = ку (Uз - Uос - Uд);
ДУ состоит из двух звеньев. Первое звено осуществляет вычитание напряжений Uос и Uд из напряжения Uз.
ΔU = (Uз - Uд - Uос);
Второе звено усиливает разность ΔU.
Uy = ку * ΔU;
Uy (р) = ку * ΔU (р);
Wy (р) = Uy (р) / ΔU (р) = ку ;
5) Устройство местной обряжной связи УОС.
Uос = к * n * φдв;
φдв град. - угол поворота выходного вала двигателя.
Uос (р) = к * n * φдв (р);
Wn (р) = Uос (р) / φдв (р) = кn ;
В устройство УОС входит дифференциальный трансформатор с преобразователем угла поворота.
6) Двигатель постоянного тока с якорным управлением.
Тдв * ( d2 φдв/ dt2 ) + (d2 φдв/ dt) = кдв * Uy ;
Тдв * р2 * φдв (р) + р * φдв (р) = кдв * Uy (р);
Wy (р) = φдв (р) / Uy (р) = кдв/ р * ( Тдв * Р + 1);
где Uy , В - напряжение управления.
φдв град. - угол поворота выходного вала двигателя.
7) Регулирующий орган дымососа (3) - заслонки.
Qд = кв * φр;
Qд (р) = кв * φр (р);
φр - угол порота дроссельных заслонок
Qд , м3 /с - производительность дымососа.
8) Редуктор (р).
φр = кр * φдв;
φр (р) = кр * φдв (р);
Wр = φр (р) / φдв (р) = кр ;
где φр, φдв - входной и выходной углы поворота.
Задатчик (з) системы является безинерциальным. Его коэффициент передачи должен быть равен коэффициенту передачи кд датчика. Поскольку заданное Рз и Рд - действительные разряжения должны вычитаться в одном масштабе. Поэтому кд = кз можно перенести за систему управления СУ и
считать, что из данного разрежения Рт непосредственно вычитают Рд и формируют сигнал ошибки "е". Преобразованная таким образом структурная схема САР разряжения в топке котла показана на рис.4.

3. Определение закона регулирования системы
Для определения закона регулирования рассматриваемой системы автоматического регулирования разрежения в топке котла найдем передаточную функцию, определяющую взаимосвязь Qв на объект и ошибки "е":
![]()

Подставим в найденное выражение численное значение коэффициентов и получим:

При последовательном соединении звеньев их передаточные функции перемножаются, поэтому:
![]()
Окончательно для безинерциального регулятора получаем:
![]()
Зависимость управляющего воздействия Qв от ошибки "е" показывает, что в рассматриваемой системе применён пропорциональный закон регулирования.
4. Определение передаточных функций системы по управляющему воздействиям и для ошибок по этим воздействиям
Передаточная функция системы автоматического регулирования по управляющему воздействию.
;
;
=
=
=
;
Передаточная функция САР по возмущающему воздействию определяет взаимосвязь между изменением регулируемой величиной Рт и применением возмущающего воздействия Qн :
;
;
где WF (р) - передаточная функция цепи звеньев от места приложения возмущающего воздействия до регулируемой величины.

=
;
;
Передаточная функция САР для ошибки по возмущающему воздействию, определяет взаимосвязь между изменением сигнала ошибки ез и применением задающего воздействия РТз .

=
;
Подставим в полученное выражение численные значения параметров, и после промежуточных преобразований, получаем:
;
Передаточная функция САР по возмущающему воздействию, определяем взаимосвязь между применением ошибки и применением возмущающего воздействия.
;
;
5. Анализ устойчивости системы. Определение устойчивости запасов
5.1 Анализ устойчивости по критерию Гурвица
Передаточная функция линейной системы автоматического регулирования в общем случае имеет вид:
;
где m
n, Q (p) =0 - характеристическое уравнение системы.
;
Составим определитель Гурвица.
![]()
Δ4
= 0,342 1,742 0 0
0,0372 1,16 3 0
0 0,342 1,742 0
0 0,0372 1,16 3
Условие устойчивости для системы с характеристическим уравнением четвёртой степени:
;
Второе уравнение:
;
Полученный результат показывает, что система устойчива.
5.2 Анализ устойчивости по критерию Найквиста
Передаточная функция разомкнутой системы:
;
Частотная передаточная функция разомкнутой системы:
;
Для построения АФЧХ разомкнутой системы рассчитаем значения А (w) и φ (w); тогда используя
;
;
Передаточная функция в виде:
;
Без преобразований получаем:
;
;
Таблица 2. значения А (w) и φ (w).
Подставим численные значения.
;
;
Строим на комплексной плоскости АФЧХ разомкнутой системы: (рис.5)

Рис.5. АФЧХ разомкнутой цепи
Таблица 2. - Результаты расчёта.
| w | 0 | 0.01 | 0.2 | 0.3 | 0.4 | 0.5 | 0.6 | 0.7 | 0.8 | 0.9 | 1 | 1.5 | 1.8 | 1.9 | 2.5 | 4 |
| A (w) | 2 | 1.99 | 1.69 | 1.44 | 1.23 | 1.03 | 0.88 | 0.75 | 0.64 | 0.55 | 0.48 | 0.25 | 0.15 | 0.13 | 0.076 | 0.018 |
| φ (w) | 0 | -5.2 | 4.63 | 6.45 | 80.7 | 94.3 | 106.3 | 117 | 127 | 137 | 145 | 181 | 216 | 221 | -245 | -260 |
Вывод: По критерию Найквиста система устойчива.
5.3 Определение запасов устойчивости
По АФЧХ разомкнутой системы определяем запас устойчивости по фазе Δφ, и запас устойчивости по амплитуде - ΔА.
, что удовлетворяет величинам запаса устойчивости по фазе и амплитуде.
Для рассматриваемой системы разрежение в топке Δφ и ΔА удовлетворяет рекомендуемым величинам запасов по фазе и амплитуде устойчивости.
6. Анализ зависимости статической ошибки системы от изменения управляющего воздействия на систему
Передаточная функция для ошибки по управляющему воздействию.
;
в статике Р обращается в ноль, поэтому:
;
где к - коэффициент передачи разомкнутой системы.
Таким образом,
;
. Рассматриваемая система имеет статическую ошибку, пропорционально применению управляющего воздействия на систему.
Из выражения следует, что величина статической ошибки тем больше, чем больше коэффициент передачи разомкнутой системы.
7. Совместный анализ изменения управляемой величины объекта управления и системы от возмущающего воздействия в статике. Определение статической ошибки системы по возмущающему воздействию
Для определения такого анализа пользуются передаточными функциями объекта управления и системы по возмущающему воздействию, а также передаточной функцией системы для ошибки по возмущающему воздействию. Воспользуемся передаточными функциями объекта управления и системы по возмущающему воздействию.
;
;
В статике Р
0, поэтому:
;
;
Для системы
;
;
где к - коэффициент передачи разомкнутой системы.
После подстановки численных значений параметров, получаем зависимость применения разрежения в топке, от изменения расхода воздуха в топку РТ = ОН для объекта без регулятора.
РТ =0,13QН - для объекта, снабженного регулятором (САР).
Передаточная функция системы для ошибки по возмущающему воздействию:
;
Поэтому для нашего примера:
;
Таким образом, разрежение в топке, не оборудованной регулятором, применяются также как и изменение расхода воздуха в топку.
В топке, оборудованной регулятором, изменение разрежения уменьшилось по сравнению с применением наружной температуры в
раз. В нашем примере применение разрежения в топке составляет около 13,3% от изменения наружной температуры. Это свидетельствует, что поддержание требуемого разрежения существенно улучшилось.
8. Оценка качества управления по переходным функциям
8.1 Отклонения регулируемой величины от своего установившегося значения характеризуется следующими величинами, показаниями
Для переходной функции по управляющему воздействию определяется перерегулирования:
;
где hmax 1 - максимальное значение регулируемой величины в переходном процессе.
Hуст - установившееся значение регулируемой величины.
;
Для переходных процессов по возмущающему воздействию, определяется максимальное отклонение регулируемой величины от установившегося значения, приходящегося на единицу возмущающего воздействия
:
;
где F (t) = l (t)
;
8.2 Быстродействие системы оценивается временем регулирования
Время регулирования tрег определяется как интервал времени от начала переходной функции до момента, когда отклонения выходной величины от её нового установившегося значения становится меньше определённой достаточно малой величины Δ:
;
где Δ = 1…5%, от нового установившегося значения регулируемой величины для переходной функции по управляющему воздействию, или от 1 до 5% от максимального отклонения регулируемой величины установившегося для переходной функции по возмущающему воздействию.
Причём
.
В нашем примере для переходной функции по управляющему воздействию:
;
(рис.8)
8.3 Колебательность переходного процесса
Колебательность переходного процесса определяется числом Nперерегулировании для переходной функции по управляющему воздействию или числом N колебаний для переходной функции по возмущающему воздействию за время переходного процесса.
Для рассматриваемого процесса N = 2, что в пределах нормы.
Колебательность по отношению соседних отклонений.
Для перехода процесса по управляющему воздействию (рис.7).
;
Для переходного процесса по возмущающему воздействию (рис.8).
;
Для рассматриваемой системы перерегулирование
составляет 30%, число перерегулирования и колебаний системы за время переходного процесса N = 2. Качество системы по этим показателям следует считать удовлетворительным.
Время регулирования составляет около 11,9 сек., максимальное отклонение регулируемой величины от её установившегося значения, приходящееся на единицу ступенчатого возмущающего воздействия, составляет
,
колебательность системы около 0,04:
;
;
поскольку функция получена при
.


9. Общие вопросы по работе
Объектом управления системы автоматического регулирования, разрежения в топке котла. Управляющим воздействием на объект является угол поворота поворотных заслонок. Основным возмущающим воздействием - применение расхода воздуха в топку.
Закон регулирования системы - пропорциональный закон.
Система устойчива. Запас устойчивости по амплитуде около 0,7. Запас устойчивости по фазе 690 , что удовлетворяет рекомендуемым запасам устойчивости.
Прямые оценки показателей качества управления следующие: перерегулирование составляет 30%, число перерегулирования и колебаний N = 2, что удовлетворяет предъявленным требованиям и свидетельствует о достаточном запасе устойчивости.
Время регулирования составляет 11,9 сек., максимальное отклонение регулируемой величины от её установившегося значения, приходящееся на единицу ступенчатого возмущающего воздействия, составляет
, а колебательность системы 0,04.
Качество системы следует считать удовлетворительным.
Литература
1. Юревич Е.Н., Теория автоматического управления - Л.: Энергия: 1975 - 416 с.
2. Бородин И.Ф., Кирилин Н.И., Основы автоматизации производственных процессов М.: Колос, 1977 - 328 с.
3. Теория автоматического управления. Н.А. Бабанов, А.А. Воронов М.: Высшая школа. 1986 - 367 с.
4. Бородин И.Ф. Технические средства автоматики М.: Колос, 1982 - 303 с.
5. Методические указания к курсовой роботе по предмету "Основы автоматики" для студентов специальности С 03.02.02, составитель Сидоренко Ю.А. - Минск 1998 г.