| Скачать .docx |
Курсовая работа: Автоматический потенциометр с кулачковым механизмом
Курсовая работа
на тему: “Автоматический потенциометр с кулачковым механизмом”
Содержание
Введение
Исходные данные
1. Расчет кулачкового механизма
1.1 Нахождение закона движения толкателя
1.2 Определение основных размеров кулачкового механизма
1.3 Построение теоретического профиля кулачка
1.4 Выбор радиуса ролика. Построение практического профиля кулачка
1.5 Расчет толщины кулачка
2. Проектирование механического привода
2.1 Расчет планетарной ступени редуктора
2.1.1 Определение передаточного отношения привода
2.2 Определение КПД привода и подбор электродвигателя
2.3 Расчет зубчатой передачи с неподвижными осями колес
2.3.1 Выбор материала. Проверка зубьев по контактным напряжениям и напряжениям изгиба
2.3.2 Определение основных размеров передачи
2.3.3 Проверочный расчет зубчатой передачи
3. Расчет вала привода (ведомого) на прочность
3.1 Проектный расчет валика
3.2 Определение реакций опор и построение изгибающих моментов
3.3 Проверка вала на установленную прочность
3.4 Проверка вала на статическую прочность
4. Подбор подшипников качения
5. Расчет штифтовых соединений
6. Конструирование элементов привода
Заключение
Список литературы
Введение
Для решения некоторых задач таких как повышение производительности труда, качества машин и приборов большая роль отводится средствам ВТ, автоматизации и механизации производственных процессов.
В соответствии с программой курса «Прикладная механика» объектом курсового проекта являются механизмы вычислительных машин и их периферийных устройств, радиоэлектронная аппаратура и системы автоматики.
Одним из наиболее применяемых в этих устройствах механизмов является механический потенциометр. Основным преимуществом кулачкового механизма, входящего в состав механического потенциометра, является возможность получения любого заданного закона движения выходного звена. Выходное звено, как правило, совершает возвратные движения. Прямолинейно движущееся выходное звено КМ – называется толкателем. Для согласования скорости движения выходного звена и электродвигателя применяют передаточные механизмы в виде одно и многоступенчатых зубчатых передач, которые могут быть выполнены как передачи с неподвижными осями, так и в виде планетарных, а также их комбинаций.
Исходные данные
| Частота вращения двигателя, nдв, об/мин | 1310 | |
| Частота вращения Кулачка, nк, об/мин | 20 | |
| Углы к графику аналога скоростей, град. | ОА=DE | 60 |
| AB | 45 | |
| BC | 90 | |
| СD | 60 | |
| Ход толкателя, h, мм | 30 | |
| Дизаксиал, е, мм | -5 | |
| Допускаемый угол давления, βadm, град. | 30 | |
| Направление вращения кулачка | Против час. стр. | |
| Момент на валу кулачка, Т, Нм | 14 | |
| Передаточное отношение планетарной ступени, Uпл | 23 | |
| Усилие пружины,Рmax, Н | 16 | |
| Долговечность подшипников, Ln∙103 ч. | 19 | |
| Расстояние между подшипниками, l, мм | 84 | |
1. Расчет кулачкового механизма
Кулачковым называется механизм, в состав которого входит кулачек. Кулачком называется звено, выполненное в виде поверхности переменной кривизны. Выходное звено кулачковых механизмов, как правило, движется возвратно. Прямолинейно движущееся выходное звено кулачкового механизма называется толкателем, а качающееся – коромыслом. Для уменьшения трения о поверхность кулачка и увеличение срока службы выходное звено часто снабжается роликом.
Основным преимуществом кулачковых механизмов является возможность получения любого заданного закона движения выходного звена.
1.1 Нахождение закона движения толкателя
Переход от одной формы закона движения выходного звена к другой осуществляется интегрированием или дифференцированием заданной формы закона движения.
Для нахождения закона движения толкателя применим метод графического интегрирования (рис.1). Заданный закон движения толкателя в форме изменения функции угла поворота кулачка
![]()
и ход толкателя h, мм. Закон движения толкателя
можно получить, проинтегрировав заданный закон.
Порядок графического интегрирования.
1). Строим график заданного закона
.
Для этого в произвольном масштабе на оси φ откладываем отрезок │OF│, соответствующий углу полного цикла, равному 2π радиан, что равно одному обороту кулачка. При этом максимальные ординаты графика (ААﺍ и DDﺍ) должны быть таковы, чтобы площади, ограниченные графиком и осью φ и расположенные выше и ниже оси φ, были одинаковыми.
, где
ААﺍ=5, АВ=45, CD=60 (АВ, CD – заданы)
Откуда DDﺍ =44 (град)
2). Отрезок │OF│ делим на 24 равные части. Получим 24 интервала. Из середины каждого интервала проводим ординаты до пересечения с графиком, и полученные точки сносим на ось ординат.
3). На продолжении оси φ влево от начала координат на расстоянии Н=40мм
выбираем полюс интегрирования П, который соединяем лучами с получен- ными точками на оси
. Лучи нумеруем соответственно интервалам (Р1, Р2... – соответствуют интервалам 0-1, 1-2, ...).
4). Выбираем систему координат с осями S и φ, параллельно осям
и φ соответственно. По оси φ откладываем такой же отрезок │OF│ и тоже делим его на 24 части. Также нумеруем точки деления. Из этих точек деления восстанавливаем перпендикуляры к оси φ. Затем на строящемся графике перемещения через начало координат проводим прямую, параллельную лучу Р1 на графике
,
которая при пересечении с перпендикуляром к оси φ, проведенным в точке 1, дает точку S1. Далее через точку S1 проводим прямую, параллельную Р2, и на ее пересечении с перпендикуляром в точке 2 получим точку S2. Соединим полученные точки S1, S2,…,Sn плавной кривой, получим график S=S(f).
Масштабы графиков по координатным осям определяем по формулам:

где h=28 мм – ход толкателя; Н – полюсное расстояние графика аналога скорости.
Истинные значения хода толкателя и аналога скорости получают умножением соответствующих ординат графиков на их масштабы (табл.1)
Таблица 1
| S, мм чер | S, мм | ||||
| 1 | 12 | 7,644 | 11,46 | 2 | 1,334 |
| 2 | 25 | 15,925 | 23,88 | 7 | 4,669 |
| 3 | 37 | 23,569 | 35,336 | 15 | 10,005 |
| 4 | 5 | 31,85 | 47,75 | 26 | 17,342 |
| 5 | 32 | 20,384 | 30,56 | 36 | 24,012 |
| 6 | 16 | 10,192 | 15,28 | 42 | 28,014 |
| 7 | 0 | 0 | 0 | 45 | 30,015 |
| 8 | 0 | 0 | 0 | 45 | 30,015 |
| 9 | 0 | 0 | 0 | 45 | 30,015 |
| 10 | 0 | 0 | 0 | 45 | 30,015 |
| 11 | 0 | 0 | 0 | 45 | 30,015 |
| 12 | 0 | 0 | 0 | 45 | 30,015 |
| 13 | 0 | 0 | 0 | 45 | 30,015 |
| 14 | 11 | 7,007 | 10,51 | 43 | 28,681 |
| 15 | 22 | 14,014 | 21,01 | 39 | 26,013 |
| 16 | 34 | 21,658 | 32,47 | 32 | 21,344 |
| 17 | 44 | 28,028 | 42,02 | 23 | 15,341 |
| 18 | 34 | 21,658 | 32,47 | 13 | 8,672 |
| 19 | 22 | 14,014 | 21,01 | 6 | 4,002 |
| 20 | 11 | 7,007 | 10,51 | 2 | 1,334 |
| 21 | 0 | 0 | 0 | 0 | 0 |
| 2 | 0 | 0 | 0 | 0 | 0 |
| 23 | 0 | 0 | 0 | 0 | 0 |
| 24 | 0 | 0 | 0 | 0 | 0 |
1.2 Определение основных размеров кулачкового механизма
Для кулачковых механизмов с поступательно движущимся толкателем основными размерами звеньев, определяющими величину угла давления и размеры механизма, являются:
а) минимальный радиус rmin кулачка;
б) смещение (дизаксиал) е – кратчайшее расстояние от оси вращения
кулачка до оси толкателя.
Минимальный радиус rmin кулачка определяется из условия ограничения угла давления. Для любого положения механизма текущий угол давления не должен превышать максимально допустимое значение βadm. Основные размеры кулачкового механизма можно определить графически, решая условие незаклинивание механизма:

Так как дизаксиал е и допускаемое значение βadm заданны, то можно найти rmin (рис.2).
мм – минимальный радиус кулачка.
1.3 Построение теоретического профиля кулачка
Построение профиля кулачка проводится методом обращенного движения: всему механизму сообщается вращение вокруг оси кулачка с угловой скоростью – ω, равной и обратнонаправленной угловой скорости ω кулачка.
Тогда по отношению к неподвижной системе координат кулачек остановится, а толкатель будет совершать плоскопараллельное движение.
Из произвольной точке проводим окружности радиусами rmin и е в принятом масштабе М 2:1. Окружность радиусом е разбиваем на n=24 частей в направлении против хода часовой стрелки, так как дизаксиал отрицательный. Из полученных точек проводим полукасательные по вращению кулачка. Эти полукасательные есть положение оси толкателя в обращенном движении. В принятом масштабе М отложим от точек пересечения полукасательных с окружностью радиусом rmin во внешнюю сторону отрезки Si, соответствующие перемещению толкателя для данного положения кулачка по таблице 1. Соединив полученные точки, получим теоретический профиль кулачка.
1.4 Выбор радиуса ролика
Построение практического профиля кулачка.
Радиус ролика rр выбирается из условий наименьших контактных напряжений и обеспечения реальных размеров кулачка:
rр≤0,7ρmin; rр≤0,4rmin, где ρmin – минимальный радиус кривизны теоретического профиля кулачка.
ρmin=42 мм, следовательно, должно быть rр≤29,4 мм и rр≤18,68 мм.
Из таблицы 4 [1] выбираем в качестве ролика радиальный шарикоподшипник сверхлегкой серии с радиусом
rр=D/2
и радиусом оси
r=d/2
1000904, D=37 мм, d=20 мм, rp=18,5 мм, r=9,25 мм.
Практический профиль кулачка получается, если теоретический уменьшить на величину радиуса ролика rр. Для этого из точек на теоретическом профиле проводят окружности радиусом rр и по внутренней огибающей этих окружностей проводят линию, которая является практическим профилем кулачка.
1.5 Расчет толщины кулачка
Для нормальной работы кулачкового механизма необходимо выполнения условия контактной прочности:
, где
F – сила взаимодействия толкателя и кулачка [Н];
b – толщина кулачка [мм];
- приведенный модуль упругости;
- приведенный радиус кривизны;
σНadm – допускаемое контактное напряжение [МПа].
Для сталей марок 45, 20Х, из которых обычно изготавливают кулачки и ролики Ек=Ер=2,1∙105 МПа. Для них σНadm=400...600 МПа.
Епр=2,1∙105 МПа, ρпр=12,84 мм, F=Pmax=19 H

Но толщина кулачка не должна быть меньше 4 мм, поэтому выбираем b=4 мм, что удовлетворяет перечисленным условиям.
2. Проектирование механического привода
Механическим приводом называется совокупность электродвигателя и передаточных механизмов, которые могут состоять из различного вида зубчатых передач и ременных передач. Передаточные механизмы, служащие для понижения угловых скоростей валов и, одновременно, увеличения крутящих моментов на них, выполненные в виде отдельных агрегатов, называются редукторами. В качестве передаточных механизмов применяются открытые передачи. В отдельных случаях они заключаются в легкий корпус из листовой стали, алюминия или пластмассы.
2.1 Расчет планетарной ступени редуктора
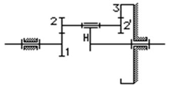
Отличительной особенностью планетарной передачи является наличие в них сателлитных зубчатых колес, которые вращаются и относительно собственных осей, связанных с водилом, и относительно осей центральных колес. Планетарные зубчатые передачи позволяют осуществить большие передаточные отношения при малом количестве колес. Недостатком является низкий КПД при больших передаточных отношениях. Передаточное отношение планетарной ступени Uпл.=U1h=23. Чтобы получить такое передаточное отношение используется планетарная передача, выполненная по схеме:

Н – водило;
2-2ﺍ - сателлитные зубчатые колеса;
1 – подвижное центральное колесо;
3 – неподвижное центральное колесо.
Определяется число зубьев колес, чтобы обеспечивать заданное передаточное отношение с допустимой точностью, условие отсутствия заклинивания колес, условие соосности, условие соседства сателлитов и условие сборки передачи.
Передаточное отношение (*)
,
где Z1, Z2, Z2ﺍ ,Z3 – числа зубьев колес. Подбор числа зубьев ведется только по двум условием – кине-
матическому (формула *) и соосности, а подбор числа сателлитов и проверка – по трем остальным условиям. Для
Uпл=23: 
Заменив числа зубьев колес пропорциональными им числами, получим
,
тогда a=1, b=5, c=5, d=22. Числа зубьев колес определяются по формулам: γ – любое положительное число, обеспечивающее условие отсутствия заклинивания:

для внутреннего зацепления
,
,
, для внешнего
. Эти условия выполняются при γ=1.
Тогда
,
,
, ![]()
Из условия соседства сателлитов найдем возможное число блоков сателлитов из условия:
,
так как
, получим

значит ![]()
Из условия сборки определяем возможное число блоков сателлитов
,
где С0 – любое целое число. Тогда
, ![]()
Выбираем число сателлитов
, удовлетворяющее обоим условиям.
2.1.1 Определение передаточного отношения привода
Заданы частоты вращения входного nвх и выходного nвых валов. nвх – частота вращения двигателя (1310 об/мин), nвых – частота вращения кулачка (20 об/мин).
Передаточное отношение привода определяется по формуле:

С другой стороны, передаточное отношение равно произведению передаточных отношений отдельных ступеней привода:
,
откуда
![]()
![]()
, тогда непланетарная часть привода имеет одну простую ступень.
2.2 Определение КПД привода и подбор электродвигателя
При заданном крутящем моменте на кулачке Тк=Твых и частоте его вращения nк=nвых можно определить требуемую мощность на выходе:
[Вт]
Для одной ступени планетарной передачи (закрытой) находим η1=0,98. Для непланетарной части (открытой) η2=0,96.
Определяем КПД планетарной ступени привода. При передаче вращения от центрального колеса к водилу и передаточном отношении │Uпл│>1 КПД определяется по формуле:
![]()
,
где k – число блоков сателлитов
![]()
![]()
Общий КПД привода
, где k1 – число ступеней непланетарной части
k1=1: ![]()
Определяем требуемую мощность электродвигателя:
[Вт]
По требуемой мощности и частоте вращения двигателя (nдв=1310 мин-1) по таблице 1.2 [2] выбираем двигатель с мощностью, большей, чем Ртр и частотой вращения близкой к заданной. Подходит двигатель АОЛ-011-4 с мощностью Р=50 Вт и частотой вращения n=1390 мин-1.
Уточняем передаточное отношение привода
![]()
и передаточное отношение непланетарной ступени
,
т.е. одна простая ступень с передаточным отношением ![]()
2.3 Расчет зубчатой передачи с неподвижными осями колес
Существует два вида расчетов для зубчатой передачи:
- проектный расчет,
- проверочный расчет.
Проектный расчет проводится по условию контактной прочности зубьев колес; при этом определяются основные геометрические размеры передачи.
Проверочный расчет проводится по условию прочности зубьев колес на изгиб.
2.3.1 Выбор материала. Проверка зубьев по контактным напряжениям и напряжениям изгиба
Считая условия работы привода нормальными, по таблице 1.3 [2] принимаем
для шестерни сталь 45 с термообработкой улучшения, а для зубчатого колеса – сталь 45 с термообработкой нормализация. По таблице 1.3 [2]:
а) для шестерни получаем твердость HB1=192…240; средняя НВср1=216, предел прочности σu1=750 МПа; предел текучести σу1=450 МПа;
б) для колеса: НВ2=167...229; средняя НВср2=198, σu2=580 МПа; σу2=320 МПа;
Допускаемое контактное напряжение определяется по формуле
, где
КHL – коэффициент долговечности передачи.
,
NH0=107 циклов, NH∑=60n2Lh
NH0 – базовое число циклов нагружения колес,
NH∑ - расчетное число циклов напряжения,
- частота вращения колеса,
Lh=11∙103 час – срок службы передачи,
NH∑=321,895∙106,
NH0=107, тогда КHL=0,03<1, значит примем КHL=1
σ0Нdim b2 =2НВ+70=466 МПа
предел контактной выносливости для нормализованной и улучшенной стали. SН=1,1, тогда σНadm=423,64 МПа.
2.3.2 Определение основных размеров передачи
1). Определение предварительного межосевого расстояния передачи
Предварительная величина межосевого расстояния определяется из условия контактной прочности зубьев колес по формуле:

u1 – передаточное отношение рассчитываемой зубчатой передачи;
Кнβ – коэффициент, учитывающий неравномерность нагрузки по длине контактных линий. Кнβ=1,0;
Т2 – момент на колесе, Н∙мм
![]()
Ψba=b/a – коэффициент ширины зубчатого колеса.
Для открытых передач Ψba=0,1...0,2. Принимаем Ψba=0,16, тогда

Предварительное межосевое расстояние aﺍ=32 мм.
2). Определение основных размеров колес.
Число зубьев шестерни (ведущее колесо) определяется:
, где
m – модуль зубчатого колеса, m=P/π, где Р- окружной шаг.
Модуль зубчатого колеса принимается из интервала (0,01...0,02)aﺍ, т.е. m=(0,01...0,02)∙32=0,32...0,64 мм. По ГОСТ 9563-80 принимаем m=0,4 мм.
![]()
Число зубьев колеса
![]()
Округляя числа зубьев до целых значений, получим Z1=40, Z2=120.
Определяем диаметры делительных окружностей колес:
d1=m∙z1=0,4∙40=16 мм
d2=m∙z2=0,4∙120=48 мм
Диаметры окружностей выступов:
da1=d1+2∙m=16+0,8=16,8 мм
da2=d2+2∙m=42+0,8=42,8 мм
Фактическое межосевое расстояние:
![]()
Ширина венцов зубчатых колес:
Колеса:
b2=Ψba
a=0,16∙32=5,12 мм, принимаем b2=6 мм
Шестерни:
b1=b2+2 мм=6+2=8 мм
Высота зубьев колес:
если m≤1, то h=2,35∙m=2,35∙0,4=0,94 мм
Фактическое передаточное отношение:
![]()

такая погрешность допустима.
2.3.3 Проверочный расчет зубчатой передачи
При твердости материалов колес НВ≤350 коэффициент долговечности определяется по формуле
,
причем 1≤КFL≤2,1
NF0 – базовое число циклов перемены напряжений для всех сталей NF0=4∙106.
NF∑ - число перемены напряжений за весь срок службы
NF∑=60∙n2∙Lh=411,3∙106
,
значит примем КFL=1.
Допускаемое напряжение при изгибе:
, где
KFC – коэффициент, учитывающий влияние двухстороннего приложения нагрузки. Считаем передачу нереверсивной, тогда KFC=1.
σ0Flimb=1,8∙НВср – предел выносливости материала колес при изгибе для нормализованной и улучшенной стали.
σ0Flimb1=1,8∙216=389 МПа
σ0Flimb2=1,8∙198=356 МПа
[SF]=1,1 – коэффициент безопасности.
σFadm1=354 МПа
σFadm2=324 МПа
Найдем YF – коэффициент формы зуба, зависящий от числа зубьев колес по таблице на стр. 23 [2]. Z1=40, значит YF1=3,70; Z2=120, YF2=3,60
![]()
![]()
Проверка прочности зубьев колес на изгиб проводится по тому из зубчатых колес, для которого отношение
меньше, т.е. по ведомому колесу. Формула для проверки прочности зубьев колес на изгиб имеет вид:
, где
- окружная сила на зубьях колес, [H]
- ширина зубчатого венца колеса, [мм]
- коэффициент, учитывающий неравномерность распределения нагрузки по ширине зубчатого венца, ![]()
- коэффициент динамической нагрузки.
При твердости НВ≤350 ![]()
![]()
![]()
значит, условие прочности на изгиб выполняется. Рассчитанные размеры колес считаем верными.
3. Расчет вала привода (ведомого) на прочность
Существует два метода расчета валика на прочность: проектный и проверочный.
При проектном расчете из условий прочности на чистое кручение (без учета изгиба) по пониженному допускаемому напряжению на кручение (τadm=30...40 МПа для всех марок стали) определяются основные геометрические размеры
валика (диаметры ступеней, длины ступеней и т.д.).
Проверочный расчет валика производится на установленную прочность с определением коэффициента запаса установленной прочности, который должен находиться в пределах 1,5≤S≤2,5.
3.1 Проектный расчет вала
В качестве материала валика принимаем сталь 45 нормализованную (ГОСТ 1050-74), для которой τ=40 МПа, наименьший диаметр вала определяется по формуле:

По стандартному ряду линейных размеров (ГОСТ 6636-69) принимаем наименьший диаметр вала d=7 мм.
Далее разрабатывается конструкция вала. Каждая деталь, устанавливаемая на вал, должна доходить до своего посадочного места свободно, поэтому вал должен быть ступенчатым. Для создания упора подшипников в торцы ступеней вала диаметры d0 прилегающих к подшипникам шеек вала должны быть равны:
d0=dп+(4…6)r, где
r – радиус закругления колец подшипников (таблица 4 [1]).
Принимаем в качестве опоры шариковый радиальный подшипник качения сверхлегкой серии 1000098, у которого d=8 мм, D=19 мм, В=6 мм, r=0,5 мм, С=1750 кН и С0=900 кН – статистическая грузоподъемность, С – динамическая.
d0=8+(4...6)∙0,5=10...11 мм,
принимаем d0=11 мм.
dk≥d0 – диаметр шеек вала под зубчатое колесо,
dk=12 мм, d1>dk, d1=15 мм.
Проводится эскизная компоновка вала (Рис. ). Размеры вала по длине определяются количеством и размерами по длине деталей, устанавливаемых на нем, а также необходимыми зазорами между их торцами. Определим длину ступицы зубчатого колеса:
lст=(1...2)d=8...16, причем
lст=16 (см. далее).
, где
b2 – ширина венцов зубчатого колеса (рассчитана в п. 2.3.2 (1)), b2=6 мм;
В – ширина подшипника, В=6 мм;
∆ - произвольный размер.
![]()
d3 – диаметр делительной окружности колеса во второй ступени зубчатой передачи.
d3=m∙Z3,
где
m – модуль колеса,
Z3 – число зубьев.
Выберем число зубьев колеса 3 из формулы:
![]()
Z3≥17, значит Z3=40
d3=0,5∙40=20 мм. (модуль принимаем немного больше, чем для первой ступени: m=0,5).
Составляется расчетная схема вала, на которой указываются все силы, действующие на зубчатое колесо, опоры и т.д. и их точки приложения. Все силы приводятся к точкам на оси вала и рассматривается изгиб вала в двух взаимно перпендикулярных плоскостях (Рис ).
3.2 Определение реакций опор и построение изгибающих моментов
Составляем расчетную схему вала и определяем усилия на зубьях колес:
на колесе 2: окружная сила
![]()
(Т2 рассчитан в п. 2.3.2 (1), d2 в п. 2.3.2 (2));
радиальная сила
, где
α – угол зацепления, α=200,
![]()
на шестерне 3:
Н
![]()
На основании принципа независимости действия сил и моментов рассмотрим отдельно изгиб вала и кручение. Так как на вал действует пространственная система сил, то ось вала изогнута и представляет собой пространственную кривую. Поэтому рассмотрим изгиб вала в двух взаимно перпендикулярных плоскостях – вертикальной и горизонтальной.
1). Рассмотрим вертикальную плоскость.
Изображаем вал в виде балки на двух опорах, с приложенными к ней силами в вертикальной плоскости (Рис.4.1 (в)). Составляем уравнение равновесия:
1) ![]()
,
отсюда
![]()
l – заданная величина, l=95, l0=20 – рассчитана в п. 3.1.
2). ![]()
![]()
![]()
Проверка:
![]()
![]()
, значит реакции определены верно.
Определяем величины изгибающих моментов в поперечных сечениях балки:

Строим эпюру My изгибающих моментов от сил, расположенных в вертикальной плоскости (Рис. ).
2). Рассмотрим горизонтальную плоскость.
Изображаем вал в виде балки с приложенными к ней силами в горизонтальной плоскости и составим уравнения равновесия:
1). ![]()
![]()
![]()
2). ![]()
![]()
![]()
Проверка:
![]()
![]()
, значит реакции определены верно.
Определяем величины изгибающих моментов в поперечных сечениях балки:

По этим значениям строим эпюру (Рис. ).
Определяем величины суммарных изгибающих моментов:

Строим эпюру суммарных изгибающих моментов (Рис. ).
Кручению подлежит участок вала между элементами, передающими вращения и установленными на нем. В данном случае – это участок АС. Крутящий момент в поперечном сечении на этом участке
. Эпюра крутящего момента показана на Рис.
По построенным эпюрам М и Т определим положение опасного сечения вала – такое сечение, в котором имеют максимальные значения. В данном случае таким сечением является сечение С.
3.3 Проверка вала на установленную прочность
По предполагаемому опасному сечению вала право проводится проверка его на установленную прочность. Для этого назначим материал вала, его термообработку: сталь 45 с термообработкой нормализация. Найдем характеристики материала: диаметр заготовки ≤100 мм; твердость НВ=167...229; предел прочности σu=580 МПа; предел текучести σу=320 МПа; модуль упругости Е=2∙105 МПа.
В опасном сечении С отверстие диаметром d0=11 мм (см. п. 5). По таблице 1 [1] находим коэффициенты концентрации напряжений при изгибе Кσ=1,8 и Кτ=1,75 (при кручении). Коэффициент KF, учитывающий шероховатость поверхности вала на его усталостную прочность имеет значение KF=1 при шлифованной поверхности (Ra=0,08…0,32 мкм). Коэффициенты Ψσ и Ψτ, учитывающие чувствительность материала вала к асимметрии цикла изменения напряжений, для сталей находятся по формулам:

Нормальные напряжения изгиба σ валов изменяются по симметричному циклу, при котором
,
где
М – суммарный изгибающий момент в сечении С;
Wu – момент сопротивления при изгибе;
Для круглого сплошного поперечного сечения диаметром dk=12:


Касательные напряжения τ изменяются по отнулевому циклу, при котором
, где
Т – крутящий момент в сечении С (Т=Т2=996 Н∙мм);
Wk – момент сопротивления при кручении:

τm – среднее напряжение цикла;
τА – амплитуда напряжений.
Далее определяются пределы выносливости материала по напряжениям изгиба σ-1 и кручения τ-1:
![]()
По таблице 2 [1] εσ=0,95; ετ=0,87.
Определяем коэффициенты запаса усталостной прочности вала по нормальным напряжениям изгиба и касательным напряжениям кручения.

значит принимаем размеры валика верными.
3.4 Проверка вала на статическую прочность
Условие статической прочности вала при одновременном кручении и изгибе имеет вид:
, где
σр – расчетное напряжение, МПа;
Мр – расчетный момент в опасном сечении, Н∙мм;
σadm – допускаемое напряжение материала вала на изгиб,
;
К – коэффициент запаса прочности зависит от условий работы, при спокойной нагрузке, К=1,5.

Значит условие статической прочности вала выполняется.
4. Подбор подшипников качения
Подшипники были выбраны в п.3.1: шариковый радиальный подшипник качения сверхлегкой серии 1000098, d=8 мм, D=19 мм, В=6 мм, r=0,5 мм, С=1750 кН и С0=900 кН .Определим реакции R1 и R2 опор вала по формуле:

Радиальная нагрузка на подшипниках будет равна:
![]()
Расчетная эквивалентная нагрузка на подшипник:
, где
V – коэффициент вращения кольца. При вращении внутреннего кольца отверстия V=1.
Кδ - коэффициент безопасности. При спокойной нагрузке Кδ=1.
КТ – температурный коэффициент. При рабочей температуре подшипника до 1000С, КТ=1.
![]()
Определяется долговечность в часах:

Значит оставляем выбранные подшипники.
5. Расчет штифтовых соединений
В штифтовых соединениях вала с деталями, устанавливаемыми на него, наиболее часто применяют штифты конические, которые изготавливают, как правило, из стали 45. Размер выбирается по таблице 5 [1].
d=dk=12 мм, d1=3 мм.
Длина штифта 2 мм. При действии на вал крутящего момента Т=Т2=996 Н∙мм штифт проверяют на срез:
,
где
k=1,3 – коэффициент запаса прочности штифта;
Fcp – усилие среза штифта, Н;
Аср – площадь двух срезов штифта;
d – диаметр вала, мм;
τср – напряжение среза, МПа;
τсрmax – допускаемое напряжение среза для материала штифта, МПа.
Для стальных штифтов примем τсрadm=60...80 МПа,
,
значит принимаем верным диаметр штифта.
d1=3 мм для диаметра вала d=12 мм.
Для крепления колеса 2 выбираем штифт с диаметром d1=2 мм для диаметра вала d=8 мм.
![]()
6. Конструирование элементов привода
Шестерня.
da3=d3+2m=20+1=21 мм<2dk=24 мм,
она крепится на валу при помощи штифта и должна иметь ступицу, позволяющую установить штифт. Обычно lст3=(1,2...1,5)d=14,4...18 мм, lm=18 мм, dст3=1,6d=19,2 мм, dст3=19 мм, b3=8 мм (равна b1, т.к. межосевое расстояние у колес 1,2 и 3,4 одинаковое).
Зубчатое колесо.
- lст=(1...2)d=7...14 мм, lm=14 мм (d – диаметр вала) – длина ступицы,
- диаметр ступицы dст=(1,5...2)d=10,5...14 мм, dст=14 мм,
- толщина обода δ0=(2,5...4,0)m=1...1,6 мм, δ0=1 мм,
- толщина диска С=(0,2...0,3)b=1,2...1,8 мм, С=1,8 мм,
- диаметр центровой окружности

Для облегчения колеса и уменьшения его инертности, колесо выполняют в виде, изображенном на Рис. ![]()
Стойка. Используется для установки подшипника в нее. Ширина Вст гнезда стойки под подшипник должна приниматься в пределах Вст=(1,1...1,3)∙В=(1,1...1,3)∙6 мм=6,6...7,8 мм; Всм=7 мм.
B, d, D – габариты подшипника. Толщина t цилиндрической части (головки) стойки должна быть в пределах t=(0,2...0,25)∙(D-d)=(0,2...0,25)∙(19-8)=2,2...2,75.
t=2,5 мм.
Заключение
В данном курсовом проекте мы рассмотрели вопросы устройства, принцип действия и расчет автоматического потенциометра.
Рассчитали механический привод, включающий в себя кинематический и силовой расчет линии передач, определили основные размеры зубчатой передачи из расчета на прочность и условий работы, а также выбрали электродвигатель. Был освоен принцип построения профиля кулачкового механизма.
Список литературы
1. Расчет элементов привода автоматического потенциометра: методическое указание к курсовому проекту/Рязан. радиотехн. ин.-т; Сост.: В.И. Нестеренко, И.М. Сельдимиров, А.М. Кузьменко; Под ред. Рязань, 1993.
2. Расчет привода автоматического потенциометра: методическое указание к курсовому проекту по курсу прикладной механики/Рязан. радиотехн. ин.-т; Сост.: В.К. Янкелиович, И.М. Сельдимиров, В.И. Нестеренко, А.М. Кузьменко; Под ред. В.К. Янкелиовича. Рязань, 1992.
3. Левин И.Я. “Справочник конструктора точных приборов”, М. 1967.