| Похожие рефераты | Скачать .docx |
Реферат: Простейшие типы деформаций стержней. Допущения и определение деформаций
БЕЛОРУССКИЙ ГОСУДРАСТВЕННЫЙ УНИВЕРСИТЕТ ИНФОРМАТИКИ И РАДИОЭЛЕКТРОНИКИ
Кафедра инженерной графики
РЕФЕРАТ
На тему:
«Простейшие типы деформаций стержней. Допущения и определение деформаций»
МИНСК. 2008
Любой механизм помимо других свойств должен обладать прочностью, т.е. способностью его деталей, соединений выдерживать, не разрушаясь, действие внешних сил (нагрузок)
До сих пор считали звенья абсолютно твердыми, т.е. не изменяющими ни формы, ни размеров. При расчетах на прочность такого грубого приближенного представления о свойствах материалов звеньев уже недостаточно. Без изучения изменений формы и размеров (деформаций) звеньев при действии внешних сил невозможно решить задачу о том, при каких условиях звено не выполняет свои функции и, наоборот, при каких условиях звено может безопасно работать. Способность элемента конструкции сопротивляться изменению своих первоначальных размеров и формы называется жесткостью. Помимо расчетов на прочность и жесткость в ряде задач серьезное внимание уделяется вопросам устойчивости . Под устойчивостью понимают способность звена сохранять определенную начальную форму равновесия. Равновесие устойчиво, если малому изменению нагрузки соответствует малое изменение деформаций. И, естественно, равновесие неустойчиво, если ограниченный рост нагрузки сопровождается неограниченным ростом деформаций. Признаком потери устойчивости является также внезапная смена одной формы равновесия другой.
Деформации и напряжения. Метод сечений
Под действием внешних сил звенья механизмов изменяют свою форму, размеры, т. е. деформируются . Деформация, исчезающая после снятия нагрузок, вызвавших ее, называется упругой , свойство тела восстанавливать свои первоначальные размеры называется упругостью . Если деформация после снятия нагрузки не исчезает, она называется остаточной . Остаточная деформация, не сопровождающаяся разрушением, называется пластической , а остаточная деформация, зависящая от времени деформирования – вязкой .
Упругие деформации связаны лишь с упругими искажениями кристаллической решетки материалов. Они наблюдаются, пока величина внешней силы не превзошла некоторого предела. Остаточная деформация связана с необратимыми перемещениями одних частей кристаллической решетки относительно других. При удалении внешних сил сместившиеся части сохраняют свое положение. Остаточная деформация всегда сопровождается упругой.
Смещение частиц материала детали при деформации сопровождается изменением сил взаимодействия (притяжения и отталкивания) между ними. Возникают внутренние силы – силы противодействия деформации или силы упругости. Интенсивность внутренних сил характеризуется напряжением. Напряжение связывают не только с точкой тела, но и с сечением, проходящим через данную точку. В одной и той же точке напряжение в разных сечениях, проходящих через нее, может быть различным. Напряжениемв точке называют внутреннюю силу, приходящуюся на единицу площади, выделенную у точки по проведенному сечению. При определении напряжений нужно, прежде всего, уметь вычислять внутренние силы в требуемых сечениях, естественно, через известные величины, т. е. через внешние силы, действующие на тело. Внутренние силы определяют с помощью метода сечений . Согласно этому методу тело, на которое действует какая-либо внешняя нагрузка, рассекается (мысленно) на две части плоскостью, проходящей через интересующую нас точку (рис. 1, а), в которой хотят определить напряжение. Затем отбрасываем условно одну из частей, например, правую относительно плоскости. Действие отброшенной части тела на оставшуюся заменяется действием внутренних сил, которые сводятся к категории внешних сил.

Рис. 1
Так как рассматриваемая часть тела свободна, не ограничена в движении связями и находится в покое, к системе действующих на нее сил применимы условия равновесия. Для равновесия системы сил необходимо и достаточно, чтобы суммы проекций всех сил на координатные оси и суммы моментов всех сил относительно осей координат были равны нулю. Для пространственной системы сил таких уравнений шесть:
![]()
![]()
![]()
![]()
(1)
,
а для плоской системы сил – три, например, для сил, действующих в плоскости OXY:
![]()
![]()
, (2)
где Fix ,F е x ;Fiy ,F е y ;Fiz ,F е z – проекции внутренней Fi и внешней F е сил на координатные оси x ,y ,z ;mx ( Fi ), mx ( F е ); my ( Fi ), my ( F е ) и mz ( Fi ), mz ( F е ) – моменты внутренней Fi и внешней F е сил относительно осей х ,y и z .
Со стороны отброшенной части тела на оставшуюся действуют распределенные по сечению внутренние силы. Из уравнений (5.1) и (5.2) можно выразить через внешние силы не закон распределения внутренних сил, а только их равнодействующие. В общем случае систему внутренних сил можно привести в точку к одной силе (главному вектору) и к одной паре сил (главному моменту). Выберем систему координат осей x , y , z с началом в центре масс сечения (рис. 5.1, б). Ось x направим по нормали к сечению, а оси y и z расположим в его плоскости. Составляющие внутренних сил определим из уравнений (5.1).
Составляющая внутренних сил, действующая вдоль нормали к сечению, называется нормальной силой
в сечении и обозначается как
. Она вызывает деформацию растяжения или сжатия. Составляющие
и
, действующие в плоскости сечения и стремящиеся сдвинуть одну часть тела относительно другой, называются поперечными силами
. Момент внутренних сил
, действующий в плоскости сечения, скручивает тело и называется крутящим моментом (Т)
. Моменты
и
изгибают тело соответственно в плоскостях x
0
z
и x
0
y
и называются изгибающими моментами
. Определяют эти составляющие (рис. 1, б) через внешние силы, используя уравнения (1) или (2).
Закон распределения внутренних сил по сечению можно охарактеризовать с помощью напряжений, которые рассматривают как количественную меру внутренних сил.
Рассмотрим сечение некоторого тела (рис. 5.2, а). В окрестности точки К
выделим элементарную площадку ΔА
, в пределах которой определена внутренняя сила
. Отношение
называют средним напряжением на площадке ΔА
. Уменьшая площадку, в пределе получим полное напряжение
в точке К по рассматриваемому сечению
,
которое по направлению совпадает с внутренними силами и имеет размерность силы, распределенной по площади (давление), измеряется в паскалях, мегапаскалях (кгс/мм2
). Разложим вектор
полного напряжения (рис. 2, б) на две составляющие: по нормали к плоскости сечения и в плоскости сечения. Составляющая полного напряжения, направленная по нормали к плоскости сечения, называется нормальным напряжением
и обозначается σ
. Составляющую полного напряжения, лежащую в плоскости сечения, называют касательным напряжением
и обозначают τ
.
|

|
Различать нормальные и касательные напряжения необходимо, так как конструкционные материалы по разному сопротивляются их действию (разные величины допускаемых напряжений, модуля упругости и т. д.). Составляющие внутренних сил, связанных с этими напряжениями, определяют с помощью уравнений (1).
Совокупность напряжений, возникающих во множестве сечений (площадок), проходящих через рассматриваемую точку, называется напряженным состоянием в точке. Напряженное состояние можно охарактеризовать, зная напряжения на любых трех взаимно перпендикулярных площадках, проходящих через эту точку.
Простейшие типы деформации стержней
Детали механизмов в зависимости от геометрических признаков конструкции, особенностей формы можно разбить на элементы типа стержней, пластин и оболочек. К стержням относят тела, длина которых значительно больше линейных размеров поперечного сечения, а к пластинам – тела (например, мембраны), линейные размеры которых вдоль одной координатной оси намного меньше размеров вдоль остальных осей. Тела с соизмеримыми размерами вдоль всех координатных осей (корпуса) относят к оболочкам. Большинство деталей механизмов можно отнести к телам типа стержней. Это валы и оси, пружины, болты, штифты, шпонки, заклепки и другие элементы конструкций. В дальнейшем будем изучать поведение нагруженных внешними силами стержней, закономерности распределений величин напряжений и деформаций в сечениях с наибольшей интенсивностью внутренних сил, т.е. в их поперечных сечениях.
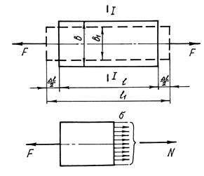
В зависимости от схемы приложения внешних нагрузок или от вида составляющих внутренних сил, действующих в поперечных сечениях стержней, различают следующие простейшие типы их деформаций: растяжение, сжатие, сдвиг, кручение и изгиб. При растяжении (рис. 5.3, а) или сжатии к концам стержня приложены силы, направленные вдоль его оси. Они пытаются соответственно увеличить или уменьшить длину стержня. Иногда растяжение, сжатие называют осевым, или центральным.


Рис. 3

|
|
|
При сдвиге (рис. 4) силы направлены по нормали к продольной оси на очень близком друг от друга расстоянии, пытаясь сдвинуть в плоскости поперечного сечения одну часть стержня относительно другой.
При кручении в торцовых сечениях стержня действуют противоположно направленные моменты внешних сил (рис. 5), а при изгибе нагрузки (рис. 6) должны действовать в плоскости, проходящей через продольную ось стержня. На схемах а рисунков 4 – 6 стержни представлены до деформации, на схемах б – в деформированном состоянии.
|
|

Рис. 5
|
|

Рис. 6
Часто детали одновременно могут испытывать несколько деформаций, например, валы одновременно подвергаются изгибу и кручению. Такое нагружение называется сложным сопротивлением.
Допущения, принимаемые при расчетах на прочность
Из-за сложности расчетов звеньев на прочность принимаются некоторые упрощающие расчет допущения относительно свойств материалов и характера взаимодействия звеньев и нагрузок. Экспериментальная проверка расчетных зависимостей, полученных с учетом принимаемых допущений, показала возможность их использования для практических расчетов.
Детали механизмов перестают выполнять свои функции не только при разрушении, но и при изменении своих размеров, формы, т.е. приобретая заметные остаточные деформации. Поэтому определение напряжений и деформаций проводят в области упругих деформаций, считая, что материал деталей обладает способностью полностью восстанавливать первоначальные форму и размеры тела после устранения причин, вызвавших его деформацию, т. е. обладает свойством идеальной упругости.
– Материал деталей является однородным и сплошным , т. е. свойства материала не зависят от размера и формы детали и одинаковы во всех ее точках, будь это композиционный материал, пластмасса или сплав.
– Материал детали изотропен , т.е. обладает во всех направлениях одинаковыми свойствами. Различие свойств в разных направлениях (анизотропия) учитывают при расчете деревянных деталей.
– В теле до приложения нагрузки нет начальных внутренних сил , т. е. отсутствуют напряжения.
– Деформации тела очень малы по сравнению с его размерами и не оказывают влияния на взаимное расположение нагрузок .
– Деформации материала в каждой его точке прямо пропорциональны напряжениям в этой точке (закон Гука ).
– Принцип независимости действия сил (принцип наложения) – результат воздействия на тело системы сил равен сумме результатов воздействия тех же сил, прилагаемых к телу отдельно в любом порядке .
– Принцип Сен-Венана – в точках тела, достаточно удаленных от мест приложения нагрузок, величина внутренних сил мало зависит от конкретного способа приложения этих нагрузок . Этот принцип позволяет замену одной системы сил другой более простой системой, статически эквивалентной первой, что упрощает расчет, например, замену системы распределенных сил равнодействующей, приложенной в центре масс.
– Гипотеза плоских сечений (гипотеза Бернулли) – поперечные сечения стержней, плоские до приложения нагрузки, остаются плоскими и нормальными к продольной оси стержня при действии нагрузки .
Определение деформаций и напряжений при растяжении-сжатии
Возьмем стержень (см. рис. 3, а), длиной ℓ , шириной b и нанесем на его поверхность координатную сетку, т. е. линии вдоль и перпендикулярно продольной оси. К торцам стержня приложим силы, направленные вдоль продольной оси. Стержень испытывает деформацию растяжения, длина его увеличилась на величину
, (3)
а ширина уменьшилась на величину
, (4)
где ℓ1 , b 1 – соответственно длина и ширина стержня после приложения сил. Величины Δℓ и Δ b называют абсолютным удлинением и сужением стержня или абсолютной продольной и поперечной деформацией. Величину
ε = Δℓ/ ℓ (5)
называют относительной линейной деформацией или относительным удлинением.
Соответственно ε1 = Δb/ b называется относительной поперечной деформацией. Абсолютная величина отношения относительной поперечной деформации ε1 к относительной продольной деформации ε называется коэффициентом поперечной деформации, или коэффициентом Пуассона
μ = | ε1 / ε |, (6)
который характеризует упругие свойства материала, его способность к поперечным деформациям. Величина коэффициента Пуассона определяется экспериментально и для различных материалов колеблется в пределах от нуля (для пробки), приближаясь к значению 0,5 (для резины). Для большинства металлических сплавов коэффициент Пуассона находится в пределах от 0,23 до 0,36 (для стали μ = 0,25 … 0,33; для чугуна μ = 0,23 … 0,27; для медных сплавов μ = 0,31 … 0,36; для алюминиевых сплавов μ = 0,32 … 0,36).
Замечено, что прямые линии, перпендикулярные продольной оси стержня, остаются прямыми и после деформаций, т.е. подтверждается гипотеза плоских сечений (гипотеза Бернулли). Это позволяет утверждать, что деформации (удлинения) и, в соответствии с законом Гука, напряжения образующих стержня, параллельных оси, в любом поперечном сечении равны, т.е. деформации и напряжения во всех точках поперечного сечения одинаковы .
Определим внутренние силы в поперечном сечении (см. рис. 3, б), воспользовавшись методом сечений. Они уравновешивают внешнюю силу F , складываясь в равнодействующую внутренних сил N . Из уравнения равновесия в проекциях сил на продольную ось стержня определим, что N = F.
Составляющая внутренних сил N направлена по нормали к поперечному сечению, поэтому в сечении действуют нормальные напряжения, величина которых определяется с учетом равномерного распределения их по сечению как
σ = N /A = F/ A, (7)
где А – площадь поперечного сечения стержня.
При упругих деформациях справедлив закон Гука, устанавливающий линейную зависимость между напряжением и деформацией,
σ = E·ε. (8)
Коэффициент пропорциональности Е называют модулем упругости материала (модулем Юнга). Он является физической постоянной материала, характеризует, как и коэффициент Пуассона, его упругие свойства и определяется опытным путем.
Подставив в выражение (8) значения σ (7) и ε (5), получим формулу для определения абсолютного удлинения стержня
Δℓ = (N·ℓ)/ (E·A). (9)
Произведение Е·А характеризует сопротивляемость стержня к удлинению (сжатию) и называется жесткостью стержня при растяжении (сжатии).
Формулой (9) можно пользоваться для определения абсолютной продольной деформации стержня длиной ℓ при условии, что площадь сечения стержня в пределах всей длины постоянна и продольная сила N во всех поперечных сечениях одинакова. Если параметры E , N , A по длине не постоянны, формула (9) позволяет определить удлинение только отдельного i–го участка стержня, а его полное удлинение определяется как алгебраическая сумма изменений длин участков
. (10)
При этом границами характерных участков являются точки приложения внешних продольных сил Fi ; места изменения поперечных размеров (Ai ) и границы соединения растягиваемого элемента (Ei ) из разных материалов. Продольная сила Ni на i-ом участке равна алгебраической сумме проекций на продольную ось стержня сил, действующих по одну (любую) сторону от сечения. Сжатие отличается от растяжения только направлением внешних сил. Принято считать внешние продольные силы, напряжения и деформации при растяжении положительными, а при сжатии – отрицательными. Зависимости по определению деформаций и напряжений при растяжении имеют место и при сжатии, но при сжатии длина стержня уменьшается, а поперечные размеры увеличиваются.
Пример . Определить внутренние силы и напряжения в поперечных сечениях участков с длиной ℓ1 , ℓ2 , ℓ3 , а также перемещения точек приложения внешних продольных сил F 1 , F 2 и F 3 ступенчатого стержня (рис. 7). Модули упругости материала участков E 1 , E 2 , E 3 и величины поперечных сечений постоянны по длинам участков и равны соответственно A 1 , A 2 ,A 3 .

Рис. 7
Пользуясь методом сечений , определим внутренние продольные силы в сечениях 1–1, 2–2 и 3–3. Так как силы реакции в месте закрепления (торец 0) стержня неизвестны, составляем для определения внутренних сил уравнения равновесия известных сил, т.е. сил, действующих на стержень справа от рассматриваемых сечений. Проектируя внешние и внутренние силы на продольную ось стержня, имеем
N1–1 = F1 – F2 + F3 ; N2–2 = – F2 + F3 ; N3–3 = F3 .
Напряжения в поперечных сечениях участков OO1 ,O1 B и BC соответственно равны σ1 = N1–1 /A1 ; σ2 = N2–2 /A2 ; σ3 = N3–3 /A3 .
Определим изменения длин участков ℓ1 , ℓ2 , ℓ3 стержня



Перемещение Δℓ точки О равно нулю, точки приложения сил: F1
:
= Δℓ1
; F2
: ΔℓB
= Δℓ1
+ Δℓ2
; F3
: ΔℓC
= Δℓ1
+ Δℓ2
+ Δℓ3
.
Силы веса стержня в данном примере не участвовали. Если при заданных схемах нагружения стержней их силы веса способствуют деформации растяжения (сжатия), то их нужно учитывать с соответствующим знаком при определении продольных внутренних сил N , напряжений и деформаций стержня.
ЛИТЕРАТУРА
1. Красковский Е.Я., Дружинин Ю.А., Филатова Е.М. Расчет и конструирование механизмов приборов и вычислительных систем: Учебное пособие. М.: – Высш. шк., 2001. – 480 с.
2. Сурин В.М. Техническая механика: Учебное пособие. – Мн.: БГУИР, 2004. – 292 с.
3. Ванторин В.Д. Механизмы приборных и вычислительных систем: Учебное пособие. – М.: Высш. шк., 1999. – 415 с.
Похожие рефераты:
Оборудование летательных аппаратов
Основы проектирования и конструирования
Модернизация подвески автомобиля ЗАЗ1102 Таврия
Модернизация двигателя мощностью 440 квт с целью повышения их технико-экономических показателей
Расчет и проектирование здания Дома быта на 15 человек
Кинематика и динамика поступательного движения
Соединения деталей и узлов машин
Применение колтюбинговой технологии в бурении
Исследование особенностей технической эксплуатации ходовой части автомобилей "Toyota"