| Похожие рефераты | Скачать .docx |
Реферат: Производство дивинила из этилового спирта по Лебедеву
Содержание
Введение
1. Производство основных мономеров для синтетического каучука
2. Производство дивинила из этилового спирта по Лебедеву
3. Основные параметры производства
Литература
Введение
Тема реферата «Производство дивинила из этилового спирта по Лебедеву».
За последние годы особенно быстро развивается производство разнообразных синтетических полимерных материалов. Пластические массы, ткани, резина, лаки, пленки широко применяются во всех отраслях промышленности и в быту. Дальнейшее развитие народного хозяйства нашей страны предусматривает еще большее увеличение производства высокополимерпых соединений.
В связи с расширением производства высокомолекулярных соединений возникает интерес к производству мономеров, служащих непосредственным сырьем для получения полимеров. Правильный выбор исходного сырья и рациональной технологии производства мономеров во многом определяют возможность рентабельного получения высокополимерных соединений.
1. Производство основных мономеров для синтетического каучука
Синтетические каучуки представляют большую группу разнообразных по химическому составу высокомолекулярных соединений, общим наиболее важным свойством которых является высокая эластичность. Для изготовления из каучука резиновых изделий его пластифицируют путем тщательного перемешивания в смесителях. При этом эластичность каучука понижается, пластичность же значительно увеличивается. В процессе вулканизации пластичность обрабатываемой массы уменьшается, эластичность значительно восстанавливается. После вулканизации резиновые изделия приобретают очень высокую упругость и прочность. Этими свойствами в сочетании с большой химической стойкостью и объясняется широкое применение резиновых изделий в народном хозяйстве.
Поскольку производство синтетического каучука является крупнотоннажной отраслью промышленности органического синтеза, вопрос о выборе сырья и методе производства исходных мономеров приобретает в настоящее время исключительное значение. В будущем основными исходными видами сырья явятся газы крекинга нефтепродуктов и природный газ. Наиболее важные мономеры для производства синтетического каучука дивинил, изопрен и хлоропрен, применяемые в настоящее время, очевидно, не потеряют значения и в дальнейшем. Стирол и а — метилстирол применяются обычно в качестве сополимеров дивинила при получении каучука.
Производство основного мономера-дивинила, разработанное по методу С. В. Лебедева, базировалось вначале на пищевом этиловом спирте. Затем потребность в спирте удовлетворялась частично за счет гидролизного спирта. Дальнейшее развитие промышленности основного органического синтеза позволило использовать для синтеза дивинила газы нефтепереработки, в частности, из этилена получают этанол, как показано на схеме, а затем дивинил. Несмотря на усовершенствование технологии и аппаратуры производства дивинила, использование побочных продуктов, введение в исходную шихту уксусного, альдегида, расход этилового спирта значителен, стоимость же его, по сравнению с другими видами нефтяного или газового сырья, велика. Поэтому этот метод производства дивипила вытесняется другими, более экономичными.
Большое значение имеют способы получения дивинила из бутана и бутиленов, которые в достаточном количестве получаются при проведении крекинг-процесса и используются в настоящее время как моторное топливо. Способы выделения бутана и бутиленов технологически хорошо разработаны. Сущность получения дивинила из бутана заключается в каталитическом дегидрировании последнего. Процесс дегидрирования бутана может быть осуществлен в две или одну стадию, как показано на схеме.
Более перспективным является одностадийный процесс. Для процесса дегидрирования найдены удовлетворительные катализаторы. Контактирование ведется с применением шарикового или взвешенною катализатора.
Возможны синтезы дивинила на базе ацетилена, если последний получать из природных или нефтяных газов. Подобные синтезы целесообразны и в странах, не имеющих нефти, но обладающих запасами каменного угля или дешевой электроэнергией для выработки карбидного ацетилена. Как видно из описываемой схемы, дивинил из ацетилена можно получить через ацетальдегид, альдоль и бутиленгликоль. Этот метод, известный под названием метода Кучерова-Остромысленского, осуществляется в виде сложного многостадийного процесса.
Конденсацией ацетилена с формальдегидом, по методу Реппе, можно получить бутиндиол, гидрируя который получают бутиленгликоль и затем дивинил. Этот процесс также является многостадийным и менее экономичным по сравнению с другими методами.
Синтез дивинила из ацетилена возможен через винилацетилен, который в настоящее время получается сравнительно легко. Процесс гидрирования последнего идет труднее. Поэтому винилацетилен гидрохлориру-ют, в результате чего образуется хлоропрен. Хлоропрен является мономером для приготовления хлоропренового каучука, обладающего рядом ценных свойств.
Поскольку натуральный каучук является полимером изопрена СН2=С(СНз) — СН = СН2 , были предприняты попытки получения синтетического изопренового каучука. Из возможных методов на схеме приведены наиболее целесообразные. Одним из них является получение каучука из ацетилена и ацетона по методу, разработанному Фаворским. Процесс выработки изопрена проходит ряд стадий. Осуществление стадий синтеза диметилацетиленилкарбинола и последующее гидрирование его протекает трудно. Поэтому, хотя этот метод был в дальнейшем несколько усовершенствован, все же он является сложным и дорогим.
Другим источником сырья для получения изопрена является изобутилен, выделенный из газов нефтепереработки, или полученный дегидрированием изобутана. Возможно также использование бутана путем его изомеризации и дегидрирования до изобутилена.
Конденсация изобутилена с формальдегидом дает диметилдиоксан — 1,3, который затем каталитически разлагается с образованием изопрена. При этом выделяется половина затраченного при конденсации формальдегида. Развитие производства каучука из изопрена по этому методу зависит от сравнительно ограниченных ресурсов изобутиленов. Поэтому более перспективен способ получения изопрена из нормального пептана, который изомеризуют в изопентан. Изопентан можно выделить из продуктов каталитического крекинга; из легких нефтяных погонов, получающихся при прямой гонке; из газобензинов, извлекаемых из попутных нефтяных газов. Как видно, ресурсы изопентана практически достаточно велики. На схеме указан путь получения изопрена пентана.
Изопрен из изопентана может быть получен в одну стадию. Возможно и двухстадииное дегидрирование изопентана, при этом на первой стадии получается изоамилен, который затем дегидрируют до изопрена. Можно, следовательно, использовать для производства изопрена иизоамилены, присутствующие в продуктах термической переработки нефти.
Дальнейшее увеличение производства синтетического каучука возможно только с использованием наиболее дешевого сырья газов нефтепереработки или природного газа, служащих исходным веществом для производства ацетилена.
![]() |
Схема № 1. Схемы методов синтеза дивинила, изопрена и хлоропрена.
2. Производство дивинила из этилового спирта по Лебедеву
Дивинил (бутадиен— 1,3) СН2 = СН — СН = СН2 — бесцветный газ сладковатого запаха, температура кипения— 4,41°, температура плавления— 108,9°. Удельный вес газа по воздуху 1,877. Для дивинила, углеводорода с сопряженными двойными связями, особенно характерна способность к полимеризации с образованием высокомолекулярных углеводородов, близких по свойствам к каучуку. Из общего количества мономеров, расходуемых в настоящее время для синтеза каучука, на долю дивинила приходится около 85%. Образование дивинила из этилового спирта по способу С. В. Лебедева протекает в присутствии катализатора, обладающего смешанными функциями дегидрирования, дегидратации и конденсации, и соответствует общему уравнению:
2С2 Н5 ОН → С4 Н6 + Н2 + 2Н2 0
По описываемой схеме производство дивинила состоит из следующих основных стадий:
1) подготовка шихты и контактирование,
2) конденсация,
3) абсорбция,
4) десорбция,
5) экстракция,
6) ректификация.
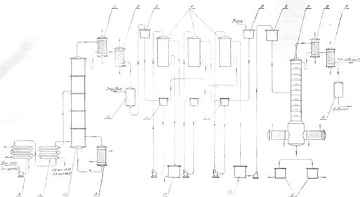
Свежий и возвратный этиловый спирт смешиваются в определенном отношении в емкости для спирта 13.Из нее полученная шихта, содержащая некоторое количество ацетальдегида, подается центробежным насосом в напорный бак 1, из которого самотеком, через теплообменник 2и спиртоуловитель 3стекает в кипятильник 12.Образовавшиеся в нем пары спирта, отделившись от жидкости, поступают в перегреватель 4 и нагреваются в нем до температуры около 100°С. Дальнейший перегрев паров до температуры контактирования осуществляется в центральном перегревателе 14и вертикальном перегревателе 15.Перегретые пары поступают в реторты контактной печи, обогреваемой форсунками, в которых сгорает мазут или газ, отходящий из скрубберов. Дымовые газы, образующиеся при сгорании топлива после обогрева реторт, используются для подогрева идущих на контактирование паров в вертикальном и центральном перегревателях 15, 14.
В ретортах контактной печи, заполненных катализатором Лебедева, протекают основные реакции образования дивинила. Сложный процесс превращения этилового спирта в дивинил может быть выражен уравнениями:
1) СНз-СН2 ОН — СНз-СНО+2Н
2) 2СН3 -СНО — СНз-СНОН-СН2 —СНО-- СНа—СН=СН-СНО+Н2 0
3) СНз—СН=СН—СНО+2Н — СН3 -СН=СН-СН2 ОН
4) СНа-СН=СН-СН2 ОН — Н2 0+СН2 =СН-СН=СН2
Реакционные газы по выходе из контактной печи проходят пылеуловитель 17,в котором задерживается уносимый газом катализатор, и направляются в систему конденсации.
В водяных конденсаторах 5конденсируется в основном этиловый спирт. Затем он проходит через фазоразделители 10и собирается в сборниках 18.Центробежным насосом содержимое из этих сборников перекачивается на эпюрацию для отделения легколетучих, после чего поступает на ректификацию для выделения спирта-регенерата. На схеме этот процесс не показан. Затем конденсация осуществляется в конденсаторе 6,охлаждаемом рассолом до —5°С. Конденсат, состоящий, главным образом, из эфиров и альдегидов, из этого конденсатора через фазоразделитель 10 стекает в сборник 18и перекачивается на установку для выделения этилового спирта, после чего этиловый спирт возвращается в емкость 13.
Несконденсировавшаяся в конденсаторе 6парогазовая фаза поступает в фазоразделитель 7.Отделившаяся в нем жидкость стекает в сборник 18.Парогазовая фаза турбокомпрессором подается в холодильник 8и проходит затем последовательно через три скруббера 9.В холодильнике 8конденсируется часть дивинила. Конденсат стекает в сборник 19.Скрубберы 9орошаются этиловым спиртом, который закачивается из приемника 21,через холодильник 11подается на последний по ходу газа скруббер и движется затем противотоком навстречу газу.
Насыщенный дивинилом этиловый спирт, вытекающий из первого по ходу газа скруббера 9,собирается в сборнике 19и перекачивается через теплообменник 14в десорбер 15(см. схему № 3).
Необходимая для десорбции дивинила температура поддерживается в десорбере 15 паром, поступающим в кипятильник 16.
Этиловый спирт, вытекающий из кубовой части десорбера 15, проходит теплообменник 14, холодильник 13 и центробежным насосом перекачивается в приемник регенерированного абсорбента 21 (схема № 2). Выходящие из верхней части десорбера пары легкокипящих веществ конденсируются в дефлегматоре 1. Часть конденсата из него возвращается в десорбер в виде флегмы. В копденсаторе 2, охлаждаемом рассолом, конденсируются пары, несконденспровавшиеся в дефлегматоре 1. Образовавшийся конденсат стекает в сборник 10. Несконденспровавшиеся газы сдуваются в абсорбционную установку. Дивинил-сырец поступает в напорный бак 3, из которого самотеком сливается в смесительный бачок 11, где смешивается с водой.
Вода, необходимая для экстрагирования примесей из дивинила, поступает из мерника 5 и движется противотоком дивинилу, образуя с ним эмульсию в смесительных бачках 11. Расслоение эмульсии происходит в отстойниках 4. Дивинил, имеющий меньший удельный вес (около 0,62), выходит сверху, вода вытекает снизу отстойников. Отмытый дивинил собирается в приемнике 18. Центробежным насосом из этого приемника дивинил перекачивается в напорный мерник 6, из которого поступает па ректификацию, с целью отделения от высококипящих углеводородов (остатка). Ректификация осуществляется в колонне 7.

Схема № 2. Технологическая схема производства дивинила из этилового спирта по Лебедеву
Обозначения на схеме № 2:
1— напорный бак
2—теплообменник,
3— спиртоуловитель,
4 —перегреватель,
5 - водяной конденсатор,
6 — рассольный конденсатор,
7 — фазоразделитель,
8 — холодильник газа,
9 — скруббер,
10 — фазоразделитель,
11—холодильник д/поглотителя,
12 — кипятильник,
13 — емкость для спирта,
14— центральный перегреватель,
15 — вертикальный перегреватель,
16—контактная печь,
17 — пылеуловитель,
18— приемник конденсата,
19 — сборник д/насыщен. поглотителя,
20 - промежуточные сборники,
21 —приемник д/регенерирован. абсорбента.
Кубовые остатки собираются в приемниках 19 и выводятся на полимеризацию, после чего выпускаются как побочный продукт производства под названием полпдиенов. Пары дивинила с примесью псевдобутилена конденсируются в дефлегматоре 8 и в рассольном конденсаторе 9. Небольшая часть паров дивинила вместе с легколетучими сдувается на абсорбцию. Дивинил-ректификат собирается в приемнике 12.
3. Основные параметры производства
Отношение свежего этилового спирта к оборотному в шихте, поступающей на контактирование, равно 1:1 (по весу)
Температура паров после перегреватели 4 около 100°С
Температура паров после вертикального перегревателя около 400°С
Температура в ретортах контактной печи около 450°С
Температура в топке контактной печи 1200 -1250°С
В дивинил за проход превращается этилового спирта около 50%
При конденсации в конденсаторах 5получается конденсат, содержащий этилового спирта 50-60%
Абсорбция дивинила производится этиловым спиртом при 5 – 7°С
При абсорбции поглощается дивинила от содержания его в газе до 96 %
Десорбция дивинила производится при температуре в кубе десорбера около 105%
Содержание дивинила в дивиниле-сырце 50 - 56%
Экстракция примесей (ацетальдегида) из винила производится водой
Соотношение дивинил : вода по объему 1 : 1
В отмытом продукте содержание дивинила составляет 60 – 70 %
Температура в кубе ректификационной колонны 62 – 70 %
Температура в дефлегматоре 23 – 28°С
Содержание дивинила в дивиниле-ректификате около 90 %

Схема № 3. Технологическая схема производства дивинила из этилового спирта по Лебедеву
На схеме № 3 обозначения:
1 - дефлегматор,
2 — рассольный конденсатор,
3 —напорный бак,
4 —отстойник,
5 — мерник для воды,
6 — напорный мерник для отмытого дивинила,
7 —ректификационная колонна,
8 - дефлегматор,
9—конденсатор,
10 —сборник,
11 — смесительный бачок,
12 — приемник д/дивинила-ректифик.,
13—холодильник,
14 —теплообменник,
15— десорбер,
16—кипятильник,
17—приемник д/альдегидн. воды,
18 —приемник д/отмытого дивинила,
19—приемник д/кубовых остатков.
Литература
1. Смирнов Н. И., Синтетические каучуки, ГХИ, 1954.
2. Уитби Г., Синтетический каучук, ГХИ, 1957.
3. Горин Ю. А.,ХП, № 2, 1, 1957.
4. Фридштейн И. Л., Литвин О. Б., Промышленные пути синтеза изопрена. Хим. наука и пром., № 3, 299, 1957.
5. Смирнов Н. И., Синтетические каучуки, ГХИ, 1934
2. Литвин О. Б., Основы технологии синтеза каучуков, ГХИ, 1959
Похожие рефераты:
Программа для поступающих в вузы (ответы)
Развитие, становление и основные аспекты фармации
Бутадиен-стирольные каучуки, получаемые в растворе и эмульсии
Проект реконструкции цеха первичной переработки нефти и получения битума на ОАО «Сургутнефтегаз»
Межпредметные связи в курсе школьного предмета химии на предмете углерода и его соединений
Получение аллилового спирта гидролизом хлористого аллила
Одно и многоатомные спирты. Простые эфиры
Производство этилового спирта из картофеля
Каучук и резина и их промышленное получение
Методические разработки урока по теме "Спирты"
Товароведная характеристика и экспертиза качества водки
Технологія виробництва спирту на спиртовому заводі "Nemiroff"
