| Похожие рефераты | Скачать .docx |
Реферат: Система охлаждения автомобиля
Содержание
1. Введение. Развитие автомобилестроения
2. Система охлаждения
2.1 Виды систем охлаждения и принцип их работы
2.2 Устройство и работа приборов жидкостной системы охлаждения
3. Проверка уровня и плотности жидкости в системе охлаждения
3.1 Заправка системы охлаждения жидкостью
3.2 Регулировка натяжения ремня привода насоса
3.3 Насос охлаждающей жидкости. Разборка
3.4 Термостат
3.5 Радиатор. Снятие с автомобиля
4. Основные неисправности и техническое обслуживание системы охлаждения и смазочной системы
4.1 Основные неисправности системы охлаждения
4.2 Техническое обслуживание.
4.3 Основные неисправности смазочной системы
5. Охлаждающие жидкости.
6. Безопасные приемы труда при техническом обслуживании двигателей
7. Литература
1. Введение
Развитие автомобилестроения
Автомобильный транспорт занимает одно из ведущих мест среди других видов транспорта.
Развитие автомобилестроения в бывшем СССР относится к 1931— 1932 гг., когда вступили в действие реконструированный завод АМО (ныне Акционерное общество АМО-ЗИЛ) и вновь построенный Горьковский автомобильный завод (ГАЗ) — ныне Акционерное общество открытого типа ГАЗ. На них было организовано массовое производство грузовых автомобилей ГАЗ-АА и ЗИС-5.
В 1940 г. начал производство малолитражных автомобилей Московский завод имени КИМ (Коммунистического Интернационала Молодежи) — ныне Производственное объединение "Москвич".
За годы послевоенных пятилеток вступили в строй Кутаисский (КАЗ), Кременчугский (КрАЗ), Ульяновский (УАЗ) и Минский (МАЗ) автомобильные заводы. Павловский (ПАЗ), Ликинский (ЛиАЗ) и Львовский (ЛАЗ) автобусные заводы, а также другие автомобильные заводы, производящие автомобили-самосвалы и прицепной подвижной состав.
С каждым годом растет производство автомобилей. Но одновременно с ростом числа автомобилей увеличивается загрязнение окружающей среды отработавшими газами (ОГ) и существенно возрастает шум, производимый ими. Токсичность отработавших газов, выбрасываемых в атмосферу при работе карбюраторных двигателей, обусловливается главным образом содержанием окиси углерода (СО), окислов азота (NO
) и соединениями свинца (РЬ), а дизелей — содержанием окислов азота и сажи (С).
Большое значение для уменьшения загрязнения окружающего воздуха отработавшими газами приобретает ежедневное техническое обслуживание подвижного состава автомобильного транспорта, находящегося в эксплуатации, одной из основных задач которого является контроль содержания токсичных веществ в выхлопных газах и доведение его до установленных норм.
На автомобильных заводах для снижения токсичности отработавших газов разрабатывают новые модели двигателей и мероприятия по совершенствованию рабочего процесса в двигателе, выбору оптимальных режимов его работы и оптимизации параметров систем питания и зажигания.
Значительное уменьшение токсичности ОГ может быть достигнуто также нейтрализацией токсичных веществ при помощи специальных дожигателей отработавших газов, устанавливаемых на автомобилях. Частичным решением этой проблемы является и оснащение автотранспортных средств дизельными двигателями, т. е. дизелизация автомобилей, которая позволяет значительно сократить расход топлива и снизить токсичность отработавших газов.
Последнее объясняется тем, что в топливе для дизелей не содержится свинцовых присадок, а выброс вредных компонентов, таких, как углеводород и окись углерода, в несколько раз ниже.
Кроме того, дизель на 25—30% экономичнее карбюраторного двигателя, для производства дизельного топлива требуется примерно в 2,5 раза меньше затрат, чем для производства бензина, и срок службы современного дизеля примерно в 1,5 раза выше карбюраторного двигателя.
Расширение дизелезации происходит благодаря росту выпуска дизелей на Камском автомобильном заводе (КамАЗ), Ярославском моторном заводе (ЯМЗ) и Кутаисском автомобильном заводе (КАЗ). Кроме того, созданы новые дизели для автомобилей ЗИЛ и ГАЗ и подготовлены производственные мощности для массовой дизелезации современных легковых автомобилей.
Одновременно с этим намечается расширение производства автомобилей, работающих на сжатом и сжиженном газах.
Перевод автомобилей с жидкого на газообразное топливо экономически оправдан, так как стоимость газового топлива примерно в 2,0—2,5 раза меньше стоимости бензина. По сравнению с карбюраторными двигателями продукты сгорания двигателей, работающих на газе, содержат значительно меньше токсичных веществ.
Сильный шум при движении автотранспортных средств возникает в результате выброса в атмосферу отработавших газов и взаимодействия шин с дорогой. Поэтому основными направлениями работ по снижению уровня шума, создаваемого автотранспортными средствами, являются совершенствование конструкции глушителей и шин.
В общем балансе шума, создаваемого автомобилями, значительная роль принадлежит несущей системе (кузову или раме), а также элементам подвески. Шум от несущей системы возникает в результате ее вибрации при движении автомобиля и работе двигателя. Для снижения шума внутренние поверхности и основание (пол) кузова легкового автомобиля покрывают вибропоглощающими пастами. Вибрацию несущей системы, возникающую от толчков при движении по неровностям дороги, снижают рессорами или подвесками специальных конструкций, в частности пневматическими.
Автомобильные заводы постоянно работают над совершенствованием конструкции грузовых автомобилей и автопоездов, т. е. повышением их эксплуатационных качеств, производительности, приспособленности к использованию прицепов и полуприцепов, уменьшению расходов топлива и смазочных материалов.
К основным направлениям развития конструкций легковых автомобилей следует отнести переход на выпуск переднеприводных автомобилей с уменьшенной массой (за счет применения пластмасс, более тонкого проката и проката из сплавов на основе алюминия), снабженных двигателями с рабочим объемом до 1,8 л. Уменьшение массы переднеприводных автомобилей позволяет снизить расход топлива на 10—15%.
Совершенствуется и структура автомобильного парка: увеличивается выпуск специализированных автомобилей, прицепов и полуприцепов, автомобилей грузоподъемностью до 2 т и более 8 т, уменьшается выпуск автомобилей грузоподъемностью 2—5 т.
Однако все эти усовершенствования смогут быть в полной мере реализованы только при условии грамотной эксплуатации автотранспортных средств, которая в основном зависит от водителя, от его знания конструкции автомобиля, умения своевременно обнаруживать и устранять неисправности и от его мастерства вождения.
2. Система охлаждения
2.1 Виды систем охлаждения и принцип их работы
В современных автомобильных двигателях в полезную работу превращается лишь 23—40% теплоты, выделяющейся в цилиндрах двигателя, остальная теплота уносится отработавшими газами, с охлаждающей жидкостью или воздухом и затрачивается на трение, рассеивание в окружающую среду внешними поверхностями двигателя и др.
Теплота, используемая на выполнение полезной работы, а также ее затраты на указанные виды потерь составляют тепловой баланс двигателя.
Так как сгорание в двигателе происходит при высоких температурах, достигающих 2100—2300°С, то без принудительного охлаждения такие детали, как цилиндр, поршень и направляющие втулки клапанов, нагревались бы до температуры, значительно превышающей температуру воспламенения (вспышки) масла. 46 Поэтому для поддержания нормального теплового режима работы узлов и механизмов необходимо непрерывно отводить теплоту от взаимодействующих деталей, не допуская их перегрева. Для этого и служит система охлаждения двигателя.
Количество теплоты, которое должна отводить система охлаждения, зависит от мощности и режимов работы двигателя.
При перегреве двигателя увеличиваются силы трения и изнашивание деталей, уменьшаются тепловые зазоры, происходит коксование масла с отложением нагара, ухудшается наполнение цилиндров карбюраторных двигателей горючей смесью, а дизелей—очищенным воздухом. Однако при чрезмерном отводе тепла возникает переохлаждение двигателя, которое вызывает изменение вязкостных свойств масла, что приводит также к увеличению изнашивания деталей и механических потерь на трение, снижению мощности и экономичности двигателя. Поэтому следует поддерживать тепловой режим двигателя в пределах 85—95 °С независимо от его нагрузки и температуры окружающей среды.
На современных поршневых двигателях применяют жидкостное или воздушное охлаждение. При воздушном охлаждении через оребренные поверхности блока и головки цилиндров излишняя теплота отводится потоком воздуха, создаваемым многолопастным вентилятором с устройством, регулирующим интенсивность охлаждения.
В воздушной системе охлаждения отсутствует радиатор, жидкостный насос, каналы и трубопроводы для охлаждающей жидкости, поэтому к преимуществам такой системы относятся простота конструкции, уменьшение массы, удобство обслуживания и, кроме того, исключается опасность размораживания двигателя зимой. Размораживание т. е. замерзание воды в системе водяного охлаждения, приводит к образованию трещин в блоке цилиндров. Однако система воздушного охлаждения хотя и обеспечивает условия для необходимого отвода тепла от сильно нагретых деталей,, но при этом требуется сравнительно большая мощность двигателя для приведения в действие вентилятора и затрудняется пуск двигателя при низкой температуре из-за отсутствия возможности прогрева его горячей водой.
На автомобильных двигателях наибольшее распространение получили жидкостные системы с принудительной циркуляцией охлаждающей жидкости. Такие системы более эффективны в работе и вместе с пусковыми устройствами обеспечивают легкий пуск двигателя при отрицательных температурах окружающего воздуха и создают меньший шум при его работе.
В качестве охлаждающих жидкостей применяется вода или ее этиленгликолевые смеси — антифризы. Широкое распространение получили смеси, замерзающие при низкой температуре: ТОСОЛ А-40 и ТОСОЛ А-65. Оба антифриза получают разбавлением технического этиленгликоля водой, например ТОСОЛ А-40 представляет собой 50%-ную смесь воды с этиленгликолем, которая при температуре —40°С превращается не в лед, а в густую массу, не вызывающую повреждения блока цилиндров или радиатора.
Принципиальные схемы жидкостной системы охлаждения двигателей показаны на рис.1. В зависимости от теплового состояния двигателя циркуляция жидкости в системе происходит по большому или малому кругу (рис.1, а) и обеспечивается насосом 8, который приводится в действие от шкива 18, соединенного через клиноременную передачу со шкивом коленчатого вала. При нормальном тепловом режиме работы двигателя охлаждающая жидкость циркулирует по большому кругу. При этом клапан термостата 10 открыт и жидкость через патрубок 11 подается к верхнему бачку 13 радиатора 16, откуда по трубкам сердцевины радиатора она поступает в нижний его бачок 20 (направление движения жидкости показано стрелками).
Жидкость, проходящая через радиатор, охлаждается воздухом, подаваемым под напором вентилятором 19, и потоком воздуха, возникающим при движении автомобиля и регулируемым при помощи жалюзи (пластин-створок) 17. Охлажденная жидкость через нижний патрубок 22 радиатора подается снова к насосу 8 и далее в рубашку охлаждения 7 блока и головки цилиндров.
При пуске и работе непрогретого двигателя, когда температура охлаждающей жидкости ниже 72 °С, ее циркуляция происходит по малому кругу. В этом случае жидкость не поступает в радиатор, так как клапан термостата 10 закрыт, а проходит по рубашке 7 блока и головки цилиндра и через перепускной канал 9, омывая термостат 10, снова поступает к насосу, обеспечивая тем самым быстрый прогрев холодного двигателя. По мере повышения температуры охлаждающей жидкости клапан термостата открывается, и она начинает циркулировать по большому кругу.
В V-образных двигателях ЗИЛ-130, ЗМЗ-53-11 и др. (рис.1,6) жидкость через приливы 23 корпуса насоса подается в раструбы рубашки охлаждения левого и правого рядов цилиндров и далее через полость 26 впускного трубопровода и термостат 10 поступает в радиатор 16, а затем к насосу. Одновременно из волости трубопровода по гибкому шлангу 24 жидкость также поступает в рубашку охлаждения компрессора, а по шлангу 25 возвращается в насос.
Для нормальной работы двигателя температура охлаждающей жидкости при входе в водяную рубашку должна быть в пределах 75—80 °С, а при.выходе из нее 85—95 °С.
![]() |
![]() |
Для повышения температуры кипения воды в современных двигателях применяют закрытую систему охлаждения которая может сообщаться с атмосферой при помощи пароотводной трубки 15 только через паровоздушный клапан, расположенный в пробке 14 радиатора или в пробке 27 расширительного бачка 28, имеющего сливной кран 21.
Температуру охлаждающей жидкости контролируют с помощью дистанционных магнитоэлектрических термометров, состоящих из указателей 5 (рис.1, а) и встроенных в систему охлаждения датчиков 6. О перегреве жидкости в системе охлаждения сигнализирует контрольная лампочка, установленная на щитке приборов (у автомобилей ЗИЛ-130, ГАЗ-53-12 и ГАЗ-24-10 «Волга») и соединенная с термодатчиком 12, ввернутым в верхний бачок радиатора.
Из-за расположения насоса в передней части двигателя теплоотдача от задних цилиндров и их камер сгорания и других деталей ухудшается, так как к ним поступает уже подогретая передними цилиндрами охлаждающая жидкость. Поэтому в отдельных конструкциях двигателей предусматривается циркуляция жидкости через распределительную трубу 4 или продольный канал с отверстиями, направленными к наиболее нагретым деталям (выпускные клапаны, стенки камеры сгорания, свечи зажигания и т. д.).
Кроме основного назначения, систему охлаждения двигателя используют для отопления пассажирского помещения кузовов легковых автомобилей и автобусов, а также кабин грузовых автомобилей. Для этой цели в отопительной системе имеются специально встроенные в салон кузова или кабины радиаторы 3, к которым через кран 1 и шланги 2 нагретая жидкость подается из системы охлаждения двигателя.
2.2 Устройство и работа приборов жидкостной системы охлаждения
Жидкостный насос.
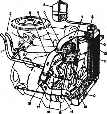
Для создания принудительной циркуляции охлаждающей жидкости в системе охлаждения служит жидкостный насос центробежного типа (рис.2). Расположен насос в передней части блока цилиндров и приводится в действие клиноременной передачей от шкива коленчатого вала. Он состоит из корпуса 7 крыльчатки 5

Рис. 2. Центробежный насос и вентилятор
и корпуса 10 подшипников, соединенных между собой через прокладку 6. Вал 4 насоса вращается в двух шарикоподшипниках 3, снабженных сальниками для удержания масла. Передний подшипник фиксируется упорным кольцом 2, а задний удерживается от перемещения дистанционной втулкой 11 .
Пластмассовая крыльчатка 5 крепится на заднем конце вала при помощи металлической ступицы. При вращении крыльчатки жидкость из подводящего патрубка 9 поступает к ее центру, затем захватывается лопастями и под действием центробежной силы отбрасывается к стенкам корпуса 7, а оттуда через полые приливы 8 подается в рубашку охлаждения двигателя.
Герметичность вращающихся деталей, расположенных в корпусе 7 насоса, обеспечивается самоподвижным сальником, установленным в крыльчатке и состоящей из уплотнительной шайбы 17, резиновой манжеты 16 и пружины, прижимающей шайбу 17 к торцу корпуса подшипников. Своими выступами шайба 17 входит в пазы крыльчатки 5 и закрепляется обоймой 18. На переднем конце вала 4 с помощью втулки 12 установлена ступица 13, к которой крепится шкив 14 привода насоса и вентилятора.
![]() |
Вентилятор.

Для повышения скорости потока воздуха, проходящего через радиатор, служит вентилятор 1 (см. рис.2). Устанавливаемые на двигателях вентиляторы имеют 4, 5 и 6 лопастей 15, которые изготовляют из листовой стали или пластмассы (у автомобилей ВАЗ-2106 «Жигули», «Москвич-2140» и др.).
На ряде двигателей лопасти вентилятора располагают в направляющем кожухе (диффузора), который улучшает вентиляцию подкапотного пространства и увеличивает количество воздуха, проходящего через радиатор. Для этой же цели лопасти 15 вентиляторов двигателей ЗМЗ-53, ЗИЛ-130 и др. изготовляют с отогнутыми концами в сторону радиатора.
На двигателях автомобилей ЗИЛ-130, ГАЗ-53-12, автобусах ЛиАЗ-677М и на многих легковых автомобилях привод вентилятора осуществляется клиноременной передачей. На дизелях ЯМЗ-236, -238 вентилятор приводится в действие через систему зубчатых колес непосредственно от зубчатого колеса распределительного вала.
На ряде моделей двигателей автомобилей семейства ГАЗ (ГАЗ-53-12 и ГАЗ-24-02) для лучшего поддержания в заданных пределах их теплового режима и уменьшения потери мощности на привод вентилятора последний приводится в действие электромагнитной муфтой. Центробежный насос в сборе с такой муфтой показан на рис. 4.3. Он состоит из корпуса 11 , вала 7, крыльчатки 9 с лопастями 10, самоподжимным сальником 8 и электромагнитной муфты 2. В зависимости от температуры жидкости в системе охлаждения электромагнитная муфта включается или выключается. Она состоит из электромагнита 6, установленного вместе со шкивом 1 на ступице 5 насоса, и ступицы 3 вентилятора, соединенной пластинчатой пружиной с якорем, свободно вращающимся вместе со ступицей на двух шарикоподшипниках 4. Катушка электромагнита соединена с тепловым реле, датчик которого расположен в верхнем бачке радиатора.
Когда температура охлаждающей жидкости в верхнем бачке радиатора достигает 85—90 °С, контакты теплового реле замыкаются и в катушку электромагнита поступает ток от аккумуляторной батареи. Якорь притягивается к электромагниту, и ступица вместе с лопастями вентилятора начинает вращаться. При понижении температуры охлаждающей жидкости до 80—85 °С контакты реле размыкаются и вентилятор отключается.
На автомобилях ВАЗ-2108 «Спутник», -2109 и их модификациях устанавливают электровентиляторы. Включение и выключение электродвигателя вентилятора происходят в зависимости от температуры охлаждающей жидкости датчиком, ввернутым в верхний бачок радиатора.
На дизелях автомобилей семейства КамАЗ в приводе вентилятора установлена гидромуфта, передающая крутящий момент от коленчатого вала к вентилятору. Гидромуфта имеет регулятор-выключатель с термосиловым
![]() |
датчиком, реагирующим на тепловой режим работы двигателя.

С повышением температуры охлаждающей жидкости до 80 °С активная масса, находящаяся в баллоне включателя, начинает плавиться с увеличением объема, вследствие чего шток датчика, воздействуя на золотник, открывает канал главной масляной магистрали, из которого масло поступает в гидромуфту, обеспечивающей плавное включение вентилятора.
В зависимости от теплового состояния двигателя изменяется перемещение золотника, а следовательно, количество подаваемого масла в гидромуфту, что в свою очередь влияет на частоту вращения вентилятора. При понижении температуры охлаждающей жидкости ниже 70 °С подача масла в гидромуфту прекращается и вентилятор отключается.
Термостат.
Для ускорения прогрева холодного двигателя и автоматического поддержания его теплового режима в заданных пределах служит термостат. Конструктивно он представляет собой клапан, регулирующий количество циркулирующей жидкости через радиатор.
Термостаты могут быть с твердым или жидкостным наполнителем. На двигателях автомобилей ЗИЛ-130, КамАЗ-5320, «Москвич-2140» и др. применяют термостаты с твердым наполнителем (рис. 4, а).
Такой термостат располагается между патрубком. 7 (рис.4, б) и корпусом 12 выпускного трубопровода. Баллончик 1 термостата заполнен активной массой 2, состоящей из смеси церезина (нефтяного воска) и медного порошка. Находящаяся в баллончике активная масса закрыта резиновой мембраной 3, на которой установлена направляющая втулка 4 с отверстием для резинового буфера 11 , предохраняющего мембрану от разрушения. На буфере установлен шток 5, связанный рычагом 8 с клапаном 6, который в закрытом положении плотно прижимается к седлу 10 пружиной 9.
При температуре охлаждающей жидкости (70 ±2) °С активная масса начинает плавиться и, расширяясь (рис. 4, а) перемещает вверх резиновую мембрану 3, буфер 11 к шток 5. Последний, воздействуя на рычаг 8, начинает открывать клапан 6, полное открытие которого произойдет при температуре (83 ±2) °С. Следовательно, в интервале температур от 68 до 85 °С клапан термостата, изменяя свое положение, регулирует в заданных пределах количество охлаждающей жидкости, проходящей через радиатор, поддерживая тем самым нормальный температурный режим работы двигателя.
Жидкостные термостаты применяют в системах охлаждения двигателей автомобилей ГАЗ-53-12, ГАЗ-24-10 «Волга» и др. В корпусе 1 (рис.5, а) такого термостата находится гофрированный цилиндр 6 из тонкой латуни, заполненный легкоиспаряющейся жидкостью (смесь —70% этилового спирта и 30% воды). К верхней части гофрированного цилиндра штоком 5 присоединен клапан 3 термостата.
При температуре охлаждающей жидкости ниже 75 °С гофрированный цилиндр находится в сжатом состоянии, клапан термостата при этом закрыт, а охлаждающая жидкость циркулирует через перепускной канал 2 (Шланг) по малому кругу, минуя радиатор.
С повышением температуры охлаждающей жидкости давление в гофрированном цилиндре 6 увеличивается (рис. 5, б), клапан термостата приоткрывается и жидкость через патрубок 4 (см. рис. 5,а) начинает циркулировать по большому кругу. При температуре выше 90 °С клапан термостата открывается полностью и вся жидкость циркулирует через радиатор.
Радиатор.
Радиатор, являющийся теплообменным узлом, предназначен для передачи тепла от охлаждающей жидкости потоку воздуха. Каркас радиатора образован боковыми стойками 1 (рис. 6, а), соединенными пластиной, припаянной к нижнему бачку. Он крепится к раме автомобиля на резиновых подушках 5, что необходимо для уменьшения вибраций и ударных нагрузок, возникающих при его движении.
![]() |
Рис. 5. Термостат с жидкостным наполнителем:
а— клапан термостата закрыт; б—клапан термостата открыт
Радиатор состоит из верхнего 4 и нижнего 6 бачков и теплорассеивающей сердцевины 7, наружная поверхность которой обдувается воздухом, рассеивающим теплоту, полученнуюжидким теплоносителем (охлаждающей жидкостью) от нагретых деталей двигателя.
Количество воздуха, проходящего через сердцевину, регулируется створками-жалюзи 5, установленными в специальной рамке на каркасе радиатора. Они выполнены в виде набора узких пластин из специального железа и снабжены шарнирным устройством, обеспечивающим их поворот из кабины водителя. В радиаторах применяют в основном трубчато-пластинчатые или трубчато-ленточные сердцевины.
Трубчато-пластинчатая сердцевина (рис. 6, б) состоит из трех-четырех рядов латунных трубок, овального сечения, к которым припаяны поперечно расположенные пластины 9, увеличивающие поверхность охлаждения.
Трубчато-ленточная сердцевина (рис. 6, в) состоит из плоских латунных трубок, между рядами которых размещаются широкие зигзагообразные ленты 10, имеющие специальные выштамповки, искривляющие воздушный канал и повышающие эффективность отдачи тепла потоку воздуха. Радиаторы с трубчато-ленточной сердцевиной получили широкое распространение и устанавливаются на большинстве двигателей.
В современных системах охлаждения закрытого типа горловина радиатора с установленной в ней пароотводной трубкой 2 (см. рис.7, а) герметически закрывается пробкой 3. Так как давление в такой системе охлаждения несколько больше атмосферного, то температура кипения жидкости (воды) находится в пределах 108—109 ºС, из-за этого она меньше испаряется и реже закипает, что обеспечивает более длительную работу двигателя без дозаправки и перегрева.
Герметичность закрытия горловины радиатора пробкой достигается упорной гофрированной шайбой 1 (рис. 7, а) и пружиной 2 , а сообщение системы охлаждения с атмосферой происходит через паровой 3 и воздушный 4 клапаны.
При избыточном давлении около 0,1 МПа (у двигателя ЗИЛ-130) и 0,045—0,055 МПа (у двигателя ЗМЗ-53-11) паровой клапан 3 открывается и пар или жидкость поступает к пароотводной трубке 5. Из-за разрежения, возникающего после выхода пара, давление в системе снижается и при его уменьшении на 0,01 МПа открывается воздушный клапан 4 (рис. 7, б), что предохраняет верхний бачок радиатора от деформации под действием давления воздуха.
На двигателях автомобилей ЗИЛ-131, КамАЗ-5320, ВАЗ-2105 «Жигули», «Москвич-2140» и др. в систему охлаждения устанавливают расширительный (конденсаторный) бачок 28 (см. рис. 1, б), служащий для поддержания постоянного объема циркулирующей жидкости. Для контроля уровня жидкости на бачке имеется контрольная метка или кран (у автомобиля КамАЗ-5320).
В пробке 27 расширительного бачка (у автомобилей ЗИЛ-131, КамАЗ-5320) или в пробке радиатора (у автомобилей ВАЗ-2105 «Жигули», «Москвич-2140») размещаются выпускной и впускной клапаны, устройство и принцип действия которых аналогичны описанным выше паровому и воздушному клапанам.
При избыточном давлении в системе охлаждения открывается выпускной клапан и пар или жидкость по трубопроводу отводится в расширительный бачок. По мере понижения температуры двигателя объем охлаждающей жидкости уменьшается, вследствие чего создается разрежение, под действием которого открывается впускной клапан, и жидкость из расширительного бачка поступает обратно в радиатор, в результате объем жидкости в системах охлаждения поддерживается постоянным при работе двигателя.
![]() |
Рис. 6. Радиатор и типы его сердцевин:
а — устройство; б, в — соответственно трубчато-пластинчатая и трубчато-ленточная сердцевины
Охлаждающую жидкость сливают через сливные краны 21, расположенные соответственно на нижнем патрубке радиатора и в нижней части блока-картера, при этом пробки радиатора и расширительного бачка должны быть открытыми. У двигателей ЗИЛ управление кранами дистанционное с выводом тяг 29 в подкапотное пространство.
![]() |
Вместимости систем охлаждения (в л) автомобилей составляют: у ЗИЛ-130 —26; у ЗИЛ-4331 — 27, у КамАЗ-5320 — 35, у ГАЗ-3102 — 12, у ВАЗ-2108 «Спутник» — 7,8.
Рис. 7. Пробка радиатора с открытым клапаном:
а — паровым; б — воздушным
Предпусковой подогреватель
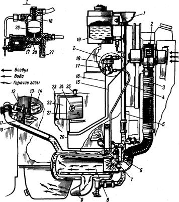
Предпусковой подогреватель служит для предварительного прогрева двигателя перед пуском в холодное время года. На автомобилях обычно устанавливают подогреватель, работающий на том же топливе, что и двигатель. Предпусковой подогреватель двигателя ЗИЛ-130 состоит из котла 8 (рис.8), постоянно соединенного трубопроводами 10 и 7 с системой охлаждения двигателя, топливного бачка 19, электродвигателя с вентилятором 2, регулятора 18 подачи топлива с электромагнитным клапаном 17 и пульта управления 22, расположенного на щитке 23 двигателя.
В камеру сгорания неразборного котла 8 из бачка 19 по трубке 4 самотеком подается топливо, а через воронку 1 по трубе 5 в котел подогревателя заливают 1,5—2 л воды. Электромагнитный клапан и регулятор 18 обеспечивают дозирование необходимого количества топлива. Они собраны в одном топливодозирующем устройстве, включающем в себя поплавковую камеру с поплавком 26, жиклер 28 и регулировочную иглу 27. Воздух в камеру сгорания подается вентилятором 2 по шлангу 3.
![]() |
Рис.8.Предпусковой подогреватель
Образовавшаяся горючая смесь первоначально воспламеняется свечой б, включаемой дистанционно выключателем 27, работу которой можно контролировать по накалу контрольной спирали 24, установленной на пульте управления 22 с под-. веденными к нему электропроводами 15, 16 и 20. Как только в камере сгорания горение смеси станет устойчивым (без дыма и копоти), свечу выключают переключателем 25 и дальнейшее воспламенение топлива происходит от горящей смеси. Через 1—2 мин после начала работы подогревателя в котел дополнительно наливают 6—8 л воды. Закрывают пробку воронки и продолжают прогрев двигателя.
Нагретая вода по трубопроводу 10 и патрубкам 11 и 13 поступает в жидкостную рубашку охлаждения правого 12 и левого 14 рядов цилиндров, прогревает его и в виде конденсата снова поступает к котлу через трубопровод 7. Газы, выходящие из котла по патрубку 9, направляются под поддон картера для прогрева масла.
После прогрева двигателя пусковой рукояткой проворачивают коленчатый вал несколько раз для распределения смазочного материала по подшипникам. Свободное вращение коленчатого вала 1 будет свидетельствовать о готовности двигателя к пуску стартером.
Когда ручка переключателя 25 вдвинута до отказа, система подогрева не работает, если она вытянута на половину хода, включается электродвигатель вентилятора 2, а если вытянута до отказа, то дополнительно включается электромагнитный клапан. При температуре —25 °С подогреватель обеспечивает прогрев двигателя за 15—20 мин.
Для прекращения работы подогревателя необходимо переключателем 25 включить электромагнитный клапан, закрыть кран бачка 19, а затем через 1—2 мин выключить вентилятор.
Если в систему охлаждения залита низкозамерзающая смесь (ТОСОЛ А-40, ТОСОЛ А-65), то, прежде чем пользоваться предпусковым подогревателем, необходимо убедиться, что она не превратилась в густую массу, и строго соблюдать заводскую Инструкцию по подготовке пуска двигателя с низкозамерзающей жидкостью.
3. Проверка уровня и плотности жидкости в системе охлаждения
Правильность заправки системы охлаждения проверяется по уровню жидкости в расширительном бачке, который на холодном двигателе (при 15-20° С) должен находиться на 3-4 см выше метки «МIN, нанесенной на расширительном бачке
![]() |
Рис. 9. Система охлаждения: 1 - трубка отвода жидкости от радиатора отопителя; 2 - шланг отвода горячей жидкости из головки цилиндров в радиатор отопителя; 3 - перепускной шланг термостата; 4 -выпускной патрубок рубашки охлаждения; 5 -подводящий шланг радиатора; б - расширительный. бачок; 7 - рубашка охлаждения; 8 - пробка радиатора; 19 - радиатор; 10 - кожух вентилятора; 11 - вентилятор; 12 - резиновая опора радиатора; 13 - шкив привода насоса охлаждающей жидкости; 14- отводящий шланг радиатора; 15 - ремень привода насоса и генератора; 16 - насос охлаждающей жидкости; 17 - шланг подачи охлаждающей жидкости в надое; 18 - термостат. Стрелками указано направление движения жидкости.
При необходимости проверяйте ареометром плотность охлаждающей жидкости, которая должна быть 1,078-1,085 г/см3 для жидкости ТОСОЛ А-40. При низкой плотности и высокой (более 1,085-1,095 г/см3 ) повышается температура кристаллизации жидкости, что может привести к ее замерзанию, в холодное время года. Если уровень жидкости в бачке ниже нормы, а плотность выше нормы, то доливайте дистиллированную воду. Если плотность нормальная доливайте жидкость той же плотности и марки, какая находится в системе охлаждения.
Если плотность жидкости в системе охлаждения ниже нормы, доливайте жидкость ТОСОЛ-А.
3.1 Заправка системы охлаждения жидкостью
Заправка производится при смене охлаждающей жидкости или после ремонта двигателя. Операции по заправке выполняйте в следующем порядке:
— снимите пробки с радиатора и с расширительного бачка и откройте кран отопителя;
— залейте охлаждающую жидкость (9,85 л) в радиатор (жидкость заливается до тех пор, пока она не будет выливаться из горловины) и поставьте, на место пробку радиатора;
—долейте оставшуюся жидкость в расширительный бачок и закройте его пробкой;
—запустите двигатель издайте ему поработать на холостом ходу 1-2 мин для удаления воздушных пробок. После остывания двигателя проверьте уровень охлаждающей жидкости. Если уровень ниже нормального, а в системе охлаждения нет следов подтекания, то долейте жидкость.
3.2 Регулировка натяжения ремня привода насоса
Натяжение ремня проверяется его прогибом между шкивами генератора и насоса или между шкивами насоса и коленчатого вала. При нормальном натяжении ремня прогиб А (рис. 10) под усилием 98 Н (10 кгс) должен быть в пределах 10-15 мм, а прогиб В в пределах 12-17 мм. Для увеличения натяжения ремня, ослабив гайки крепления генератора, сместите его от двигателя и затяните гайки.
![]() |
Рис. 10. Схема проверки натяжения ремня привода насоса
3.3 Насос охлаждающей жидкости. Разборка
Для разборки насоса:
— отсоедините корпус насоса от крышки 6 (рис. 11);
— закрепите крышку в тисках, используя прокладки, и снимите крыльчатку с валика съемником А. 40026 (рис. 12);
— при необходимости снимите ступицу 2 (рис.13) шкива вентилятора с валика при помощи съемника А.40005/1/5;
— выверните стопорный винт 5 (рис.11) и выньте подшипник с валиком насоса;
— удалите сальник 8 из крышки 6 корпуса.
Контроль
Проверьте осевой зазор в подшипнике. Эту операцию надо делать обязательно, если отмечался значительный шум насоса. Зазор не должен превышать 0,13 мм при нагрузке 49 Н (5 кгс). При большем зазоре подшипник замените.
Сальник насоса и прокладку между насосом и блоком цилиндров при ремонте рекомендуется заменять. Осмотрите корпус и крышку насоса, деформации или трещины не допускаются.
Сборка
Сборку насоса производите в следующем порядке:
— установите оправкой сальник, не допуская перекоса, в крышку корпуса;
— запрессуйте подшипник с валиком в крышку так, чтобы гнездо стопорного винта совпало с отверстием в крышке корпуса насоса;
— заверните стопорный винт подшипника и зачеканьте контуры гнезда, чтобы винт не ослабевал;
— напрессуйте с помощью приспособления А.60430 (рис.14) на валик ступицу шкива, выдержав размер 84,4±0,1 мм. Если ступица из металлокерамики, то после снятия напрессовывайте только новую;
— напрессуйте крыльчатку на валик с помощью приспособления А.60430, обеспечивающего технологический зазор между лопатками крыльчатки и корпусом насос 0,9-1,3мм, и соберите корпус насоса с крышкой, установив между ними прокладку.
![]() |
Рис. 11. Продольный разрез насоса охлаждающей жидкости: 1 - корпус; 2 - подшипник; 3...- щкив;4 -ступица шкива; 5 - стопорный винт подшипника; б -крышка; 7 - валик; в - сальник; 9 - крыльчатка
![]() |
Рис. 12. Снятие крыльчатки насоса: 1 - съемник; 2 -крыльчатка
![]() |
Рис.13. Снятие ступицы шкива: 1 - крышка корпуса насоса; 2 - ступица шкива; 3 – съемник.
![]() |
Рис.14. Напрессовка крыльчатки на валик насоса приспособлением А.60430: 1- опора 2 - валик насоса; 3-крышка корпуса насоса; 4-стакан; 5 - установочный винт
3.4 Термостат
У термостата следует проверять температуру начала 1 открытия основного клапана и ход основного клапана.
![]() |
ДляэтоготермостатустановитенастендсБС-106.000, опустив в бак с водой или охлаждающей жидкостью. Снизу в основной клапан 9 (рис.15) уприте кронштейн ножки индикатора.
Рис. 15. Термостат: 1 - входной патрубок (от двигателя); 2 - перепускной клапан; 3 - пружина перепускного клапана; 4 - стакан; 5 - резиновая вставка; 6 - выходной патрубок; 7 -1 пружина основного клапана; 8 - седло основного клапана; 9 - основной клапан; 10 - держатель; 11 - регулировочная гайка; 12-поршснь; 13-входной патрубок от радиатора; 14- наполнитель; 15 - обойма; D - вход жидкости от двигателя; Р - вход жидкости от радиатора; Н - выход жидкости к насосу
Начальная температура жидкости в баке должна быть 73-75º С. Температуру жидкости постепенно увеличивайте примерно на 1ºС в минуту при постоянном перемешивании, чтобы она во всем объеме жидкости была одинаковой.
За температуру начала открытия клапана принимается! та, при которой ход основного клапана составит 0,1 мм.
Термостат необходимо заменять, если температура 1| начала открытия основного клапана не находится в пределах
ºС или ход клапана менее 6,0мм;
Простейшая проверка термостата может быть осуществлена на ощупь непосредственно на автомобиле.
После пуска холодного двигателя при исправном термостате нижний бачок радиатора должен нагреваться, когда стрелка указателя температуры жидкости находится на расстоянии 3-4 мм от красной зоны шкалы, что соответствует 80-85ºС.
3.5 Радиатор. Снятие с автомобиля
Слейте жидкость из радиатора и блока цилиндров, удалив сливные пробки в нижнем бачке радиатора и на блоке цилиндров; при этом откройте кран отопителя, а пробку радиатора удалите с наливной горловины (с 1988 г. на двигателях с электровентиляторами сливную пробку нижнего бачка убрали, а жидкость сливают через отверстие датчика включения электровентилятора).
Отсоедините от двигателя шланги подвода и отвода охлаждающей жидкости, а от элекгродвигателя 4 рис.(16) вентилятора и его датчика 6 отсоедините провода.
![]() |
Рис.16.Детали радиатора и вентиляторов с электроприводом
1 - радиатор; 2 -. пробка радиатора; 3 - вентилятор; 4 -электродвигатель вентилятора; 5 - кожух вентилятора; 6 -датчик включения электродвигателя вентилятора; 7 - сливная пробка радиатора; 8 - нижняя опора радиатора
Отверните болты крепления радиатора к кузову и выньте его из отсека двигателя вместе с термостатом, шлангами и электровентилятором.
Снимите с радиатора шланги и кожух вентилятора с электродвигателем.
С 1988 г. на некоторых партиях автомобилей устанавливают радиатор с алюминиевой сердцевиной и пластмассовыми бачками.
Проверка герметичности.
Герметичность проверяется в ванне с водой. Заглушив патрубки радиатора, подведите к нему воздух под давлением 0,1 МПа (1 кгс/см2 ) и опустите в ванну с водой не менее чем на 30 с. При этом не должно наблюдаться травления воздуха. Для проверки алюминиевых радиаторов давление должно быть 0,2 МПа (2,кгс/см2 ).
Незначительные повреждения латунных радиаторов запаяйте мягким припоем, а при значительных — замените радиатор новым.
4. Основные неисправности и техническое обслуживание системы охлаждения и смазочной системы
4.1 Основные неисправности системы охлаждения
Признаками неисправности являются подтекания охлаждающей жидкости, перегрев или чрезмерное охлаждение двигателя. Причинами подтекания жидкости могут быть повреждение шлангов и их соединений, сальника водяного насоса, трещины, и выход из строя прокладок. Перегрев двигателя имеет место при недостаточном количестве охлаждающей жидкости в системе, при образовании накипи, загрязнении радиатора, пробуксовке ремня вентилятора или его обрыве, неисправности термостата, поломке водяного насоса или же при заедании жалюзи радиатора в закрытом положении. Чрезмерное охлаждение двигателя возможно при заедании термостата или жалюзи в открытом положении, отсутствии утеплительных чехлов в зимнее время.
4.2 Техническое обслуживание
В ежедневное обслуживание входит осмотр герметичности системы и долив охлаждающей жидкости. Если система охлаждения заполнена водой, то в зимнее время при безгаражном хранении автомобиля воду из системы охлаждения, пускового подогревателя, а также из бачка для обмыва ветрового стекла сливают. Перед пуском двигателя систему заполняют горячей водой или подключают двигатель к системе подогрева.
При проведении ТО-1 проверяют и при необходимости регулируют натяжение приводных ремней. При ТО-2 проверяют и, если надо, закрепляют вентилятор, радиатор и жалюзи, регулируют натяжение приводных ремней, смазывают подшипники водяного насоса и натяжного устройства ремня вентилятора.
Во время сезонного обслуживания проверяют герметичность системы охлаждения и отопления, а также пускового подогревателя;
промывают систему охлаждения; при подготовке к зиме проверяют работу пускового подогревателя. Проверку герметичности проводят визуально; на поверхности шлангов не должно быть трещин, вздутий и расслоений. Для этой проверки лучше использовать прибор, состоящий из воздушного насоса, манометра и устройства для соединения с заливной горловиной радиатора. При опрессовке в верхней части радиатора насосом создают давление около 60 кПа. Если система герметична, то после перекрытия крана стрелка манометра неподвижна; при потере герметичности стрелка укажет на уменьшение давления. Исправность воздушного и парового клапанов пробки радиатора проверяют нажатием на них пальцем.
Промывку системы охлаждения при несильном ее засорении выполняют следующим образом: сливают охлаждающую жидкость, заполняют систему водой; пускают и прогревают двигатель, сливают воду; еще раз так же промывают систему, а затем заполняют ее охлаждающей жидкостью до верхнего среза наливной горловины радиатора при снятой пробке, ставят пробку радиатора на место и заливают жидкость в расширительный бачок на 3—5 см выше метки «МIN». С учетом особенностей конструкции и свойств материалов заводы-изготовители указывают в инструкциях порядок промывки системы охлаждения и рецептуру промывочных жидкостей.
Например, радиатор двигателя КамАЗ-740 снимают и заливают в него раствор, состоящий из 5% каустической соды и 95% воды или 2,5% ингибированной соляной кислоты и 97,5% воды. Температура раствора должна быть 60—80°С. Через 30—40 мин раствор сливают и промывают радиатор горячей водой.
Для промывки рубашки охлаждения следует применять другой раствор—1% кальцинированной соды, 0,5% хромпика и 98,5% воды.
У двигателей КамАЗ-740 и ЗМЗ-34 автомобиля «Волга» (рис. 17, а) натяжение ремня привода генератора и водяного насоса регулируют перемещением генератора 7 по прорези установочной планки 2 При правильном натяжении ремня его прогиб при нажатии на середину наибольшей ветви с усилием 40—45 Н должен быть 15—22 мм у двигателя КамАЗ-740 и 8—10 мм у двигателя ЗМЗ-24.
Натяжение ремня привода водяного насоса и вентилятора двигателя ЗМЗ-53 регулируют с помощью натяжного ролика 4 (рис. 17, 6), перемещая рукоятку рычага 5. При усилии 30—40 Н прогиб ремня должен быть 10—15 мм.

Рис. 17. Регулирование натяжения приводных ремней двигателей:
а—ЗМЗ-24, б—ЗМЗ-53, в—ЗИЛ-130; 1— генератор, 2-—установочная планка, 3— гайка, 4— натяжной ролик, 5— рычаг, 6—шкив коленчатого вала, 7—шкив генератора, 8— регулировочный болт, 9, 10,11— шкивы компрессора, вентилятора, и водяного насоса, насоса гидроусилителя рулевого управления, 12— натяжной кронштейн
У двигателя ЗИЛ-130 необходимо следить за правильным натяжением трех ремней (рис. 17, в). Ремень привода насоса гидравлического усилителя рулевого управления натягивают смещением насоса в натяжном кронштейне 12, а ремень привода генератора — смещением генератора, ослабив шику его крепления к планке 2. Прогиб этих ремней при усилии 40 Н не должен превышать 8—14 мм. Ремень привода компрессора натягивают перемещением последнего к кронштейну с помощью регулировочного болта 8. Прогиб этого ремня под усилием 40 Н должен быть 5—8 мм.
![]() |
![]() |
У двигателя ЯМЗ-236 натяжение ремня привода компрессора выполняют винтовым устройством (рис. 18, а), а натяжение ремня 4 (рис. 18, б) привода водяного насоса регулируют изменением количества стальных шайб 2, зажимаемых между ступицей и съемной боковиной 3 шкива водяного насоса. При усилии 30 Н, приложенном к середине ветвей, прогиб не должен превышать 10—15 мм для ремней привода водяного насоса и генератора и 8 мм для ремня привода компрессора (на короткой ветви).
Рис.18.Регулировка натяжения ремней привода компрессора и водяного насоса дизеля ЯМЗ-236:а—привода компрессора, б— привода водяного насоса; 1— винтовое устройство, 2—шайба, 3— съемная боковина шкива;4— ремень приводаводяного насоса
Для проверки термостатов определяют температуру начала открытия и ход клапана. Например, термостат двигателя КамАЗ-740 проверяют следующим образом (рис. 19):
1. Вынимают термостат, очищают его от накипи и помещают в ванну 5 с водой, установленную на электроплитку 6.
2. Нагревают воду, перемешивая ее и контролируя температуру ртутным термостатом с ценой деления не более 1°С.
3. Индикатором 3 проверяют начало открытия клапана, т. е. определяют температуру (80±2)°С, при которой клапан откроется на 0,1 мм. Клапан откроется полностью в кипящей воде не менее чем на 8,5 мм.
4.3 Основные неисправности смазочной системы
Признаками неисправности смазочной системы являются загрязнение и течи масла, пониженное или повышенное давление в системе. Пониженное давление в системе наблюдается при недостаточном уровне масла, его разжижении, появлении течи масла, износе деталей масляного насоса, подшипников коленчатого и распределительного валов, заедании редукционного клапана в
открытом состоянии. Повышенное давление возникает в результате применения масла с большей вязкостью, чем рекомендуется инструкцией, заедания редукционного клапана в закрытом положении, засорения масляной магистрали.
Техническое обслуживание.
При ежедневном обслуживании проверяют отсутствие течи, контролируют уровень масла в картере двигателя и при необходимости доливают масло. У дизелей проверяют уровень масла в топливном насосе высокого давления и регуляторе частоты вращения коленчатого вала. Производят пробный пуск, и после остановки двигателя проверяют на слух работу фильтра центробежной очистки масла.
![]() |
Рис. 19. Схема проверки термостата: 1— кронштейн, 2— термометр, 3- индикатор, 4- термостат, 5— ванна с водой, 6- электроплитка

Рис. 20. Проверка уровня масла в картере двигателя ЗИЛ-130: 1- метка, соответствующая уровню масла после длительной стоянки
Во время проведения ТО-1 при работе в условиях большой запыленности окружающего воздуха заменяют масло в картере двигателя; сливают отстой из корпусов фильтров и очищают от отложений внутреннюю поверхность колпака фильтра центробежной очистки масла; промывают фильтрующий элемент воздушного фильтра вентиляции картера.
Для проверки уровня масла останавливают двигатель, подождав 2—3 мин, пока стечет масло, вынимают и вытирают маслоизмерительный стержень, вставляют его обратно до упора и, вынув вновь, по меткам определяют уровень. Если уровень масла ниже метки «Долей» (рис. 20), нужно долить масло до метки «Полно». При проверке уровня масла до пуска двигателя после длительной стоянки нормальный уровень должен соответствовать прямоугольной метке на маслоизмерительном стержне.
Масло в картере двигателя заменяют с периодичностью, рекомендованной заводами-изготовителями. При замене масла промывают фильтрующий элемент фильтра грубой очистки и заменяют элемент фильтра тонкой очистки или очищают фильтр центробежной очистки масла; сливают отстой из корпусов масляных фильтров;
очищают и промывают клапан вентиляции картера двигателя.
Во время сезонного технического обслуживания при смене марки масла (в зависимости от времени года) промывают смазочную систему двигателя, при подготовке к зиме отключают масляный радиатор.
Отработанное масло рекомендуется сливать с горячего двигателя. Для этого отвертывают сливную пробку в поддоне картера и сливают отработанное масло. Из корпусов (колпаков) масляных фильтров сливают отстой, разбирают и промывают фильтры. При сильном загрязнении масла промывают картер двигателя.
Для промывки в картер заливают чистое маловязкое (зимнее) масло примерно до нижней метки маслоизмерительного стержня, пускают двигатель и дают ему поработать 2—3 мин на холостом ходу. Затем сливают промывочное масло, заливают в картер свежее масло и пускают двигатель на 3—5 мин. Через 5—10 мин после остановки двигателя измеряют уровень масла в картере.
Вследствие окисления масла (и топлива) образуется нагар и лаковые отложения. Частицы нагара попадают в картер двигателя при засорении масляной магистрали и фильтров.
Для очистки масляных фильтров их разбирают, промывают керосином и насухо протирают или обдувают сжатым воздухом. Загрязненные фильтрующие элементы тонкой очистки заменяют.
Для первой категории условий эксплуатации фильтрующие элементы смазочной системы двигателя КамАЗ-740 заменяют одновременно со сменой масла через 12 тыс. км пробега.
![]() |
Рис. 21. Разборка фильтра центробежной очистки масла для очистки и промывки:1,3 - гайки, 2-кожух, 4-колпак, 5—вставка, б—сетчатый фильтр, 7 ротор, 8—пробка
Для очистки фильтра центробежной очистки масла останавливают прогретый двигатель и дают стечь маслу в течение 20—30 мин; отворачивают гайку 1 (рис.21) и снимают кожух 2, отворачивают пробку 8 и вставляют в отверстие бородок, чтобы удержать ротор 7 от вращения; наносят метки на ротор и колпак 4, отворачивают гайку 3 и снимают колпак 4; затем пластмассовую вставку 5, сетчатый фильтр 6 и прокладку. Снятые детали очищают от отложений и грязи.
Сборку производят в обратной последовательности. При этом следует обратить внимание на состояние уплотнительных резиновых колец и установку прокладки кожуха 2. Необходимо также совместить метки на роторе 7 и колпаке 4.
Далее проверяют работу фильтра на прогретом двигателе на слух. После остановки двигателя ротор исправного фильтра продолжает вращаться 2—3 мин, издавая характерное гудение. Если гудение прослушивается более короткое время, то ротор притормаживается, например вследствие чрезмерной затяжки барашковой гайки. Эту гайку надо затянуть от руки без помощи какого-либо инструмента.
В системе вентиляции картера снимают и очищают трубки и шланги, очищают и промывают воздушный фильтр. Трубки и шланги вентиляции картера должны быть плотно соединены между собой, шланги не должны иметь разрывов, расслоений и разбуханий. У двигателя ЗИЛ-130 промывают ацетоном клапан вентиляции картера.
Давление масла в прогретом двигателе КамАЗ-740 при частоте вращения коленчатого вала 2600 минˉ1 должно быть 0,45—0,55 МПа.
При движении автомобилей ГАЗ-53А и ЗИЛ-130 со скоростью 40—50 км/ч давление масла в системе смазывания должно быть 0,2—0,4 МПа. При снижении давления масла на холостом ходу до 0,09—0,04 МПА (двигатель ЗМЗ-53) или 0,06—0,03 МПа (двигатель ЗИЛ-130) загорается контрольная лампа на щитке приборов.
5. Охлаждающие жидкости
Охлаждающие жидкости должны удовлетворять следующим требованиям:
- эффективно отводить теплоту;
- иметь высокую температуру кипения и теплоту испарения;
- обладать низкой температурой кристаллизации;
- не вызывать коррозии металлических и не разрушать резиновых деталей;
- не вспениваться во время работы;
- быть дешевыми, безопасными, безвредными для здоровья и безопасными в пожарном отношении.
Вода как охлаждающая жидкость отвечает всем требованиям, предъявляемым к охлаждающим жидкостям, за исключением недостаточно высокой температурой кипения и достаточно высокой температурой кристаллизации. Кроме того, неочищенная вода способствует образованию на горячих стенках системы охлаждения двигателей накипи и шлама. Для предупреждения образования накипи применяют противонакипные присадки (антинакипины) или умягчают воду (табл. 1).
Таблица 1. Способы, предупреждающие образование накипи
| Операция | Реагенты и их действие | Порядок применения |
Смена воды Введение реагента Умягчение воды Перегонка Кипячение Обработка химическими реагентами |
Хромпик или азотнокислый аммоний переводит соли накипи в растворимое состояние Гексамет удерживает соли накипи во взвешенном состоянии Все растворимые соли остаются в перегонном кубе Соли выпадают в осадок. Остаточная временная жесткость до 2 мг полученного раствора Кальцинированная сода — 53 мг/л на 1 ед. жесткости. Тринат-рийфосфат — 55 мг/л на 1 ед. жесткости |
Менять воду в двигателе как можно реже. При смене промывать систему охлаждения Вначале приготовить концентрат: 100 г реагента на 1 л воды. На 1 л среднежесткой воды добавить 30—50 мл концентрата, на 1 л жесткой —100—130 мл Добавить в среднежесткую воду 0,2 г/л, а в жесткую — 0,3 г/л реагента Получают воду без солей жесткости Воду кипятить 20—30 мин, отстоять и отфильтровать от выпавшего осадка Теплую (горячую) воду перемешать с реагентом в течение 20—30 мин, отстоять и отфильтровать от выпавшего осадка |
Образовавшуюся накипь удаляют специальными составами (табл. 2).
Таблица 2. Составы для удаления накипи
| Раствор для удаления накипи | Количество реагента на 1 л воды,кг | Продолжительность обработки, ч |
| Техническая молочная кислота | 0,6 | 1...3 |
| Хромпик или хромовый ангидрид | 0,2 | 8...10 |
| Соляная кислота с замедлителем (ингибитором) кислотной коррозии | 0,25...0,5 |
0,5...1,0 |
| Смесь: | ||
| кальцинированная сода | 1,0...1,2 | 10...12 |
| хромпик | 0,02...0,03 | 10...12 |
Отечественная промышленность выпускает охлаждающую жидкость двух типов: этиленгликолевый антифриз и тосол (табл. 3), в виде как концентрата, так и водных растворов.
Соотношение тосола и воды приведены в табл. 4, а концентрация этиленгликоля и воды в зависимости от температуры кристаллизации и плотности антифриза — в табл. 5.
Таблица 3. Характеристика низкозамерзающих охлаждающих жидкостей.
| Показатель | Этиленгликолевый антифриз |
Тосол | “Лена” | |||||||
| концен-трат | 40 | 65 | концен-трат | 40 | 65 | ОЖ-К | ОЖ-40 | ОЖ-65 | ||
Цвет жидкости |
Светло-жёлтый | Оранжевый | Жёлто-зелёный | Красный | Жёлто-зелёный | |||||
Эксплуата ционная плотность |
1,11… 1,116 |
1,067… 1,072 |
1,085… 1,09 |
1,12… 1,14 |
1,075… 1.085 |
1,085… 1,095 |
1,120… 1,15 |
1,075-1,085 | 1,085-1,1 | |
Температура криста ллизации, ºС, не выше |
-11,5 | -40 | -65 | - | -49 | -65 | - | -40 | -65 | |
Температура кипения, ºС, не ниже |
+197 | +100 | +100 | +170 | +105 | +105 | +170 | +105 | +105 | |
Этилен гликоль, % по массе, не менее |
94 | 52 | 64 | 96 | 53 | 63 | 95 | 54 | 64 | |
| Вода, % по массе, не более | 5 | 47 | 35 | 3 | 44 | 55 | - | 44 | 35 | |
| Присадки, г/л: | ||||||||||
| декстрин | 1,8…1,85 | 1 | 1 | 1 | 0,4 | 0,5 | - | - | - | |
динатрий фосфат |
4,4…5,6 | 2,5…3,5 | 3…3,5 | - | - | - | - | - | - | |
антив спенив ающая |
- | - | - | 0,1 | 0,05 | 0,08 | - | - | - | |
композиции антикор розийных присадок |
- | - | - | 5 | 2.55 | 2,95 | - | - | - | |
Таблица 4. Соотношение тосола и воды при различных температурах кристаллизации.
| Температура кристаллизации, ºС | -21,5 | -45 | -49 | -65 | -52 | -40 | -35,5 | -24 | |
| Масса,% | тосол | 100 | 80 | 70 | 65 | 60 | 56 | 50 | 40 |
| вода | 0 | 20 | 30 | 35 | 40 | 44 | 50 | 60 | |
Таблица 5. Концентрация этиленгликоля в воде при различных температурах кристаллизации и плотности антифриза.
| Температура кристаллизации, ºС | -20 | -30 | -40 | -50 | -60 |
| Плотность антифриза, г/см³ | 1,05 | 1,063 | 1,071 | 1,078 | 1,083 |
| Концентрация этиленгликоля в воде, % | 36,4 | 45,6 | 52,6 | 58,0 | 63,1 |
6. Безопасные приемы труда при техническом обслуживании двигателей
При принудительном перемещении автомобилей с поста на пост поточной линии предусматривают световую или звуковую сигнализацию. При подаче сигнала о начале передвижения конвейера рабочие обязаны покинуть рабочие места, выйти из осмотровой ямы и отойти от конвейера. Для экстренной остановки конвейера на каждом посту имеются кнопки «Стоп».
Электрическое оборудование диагностического стенда с беговыми барабанами (пульт управления, аппаратные шкафы, блоки барабанов и др.) должно быть надежно заземлено.
В конце смены следует выключить рубильник стенда, закрыть краны топливных баков, перекрыть вентиль подачи сжатого воздуха.
При работе под опрокинутой кабиной автомобиля положение ограничителя необходимо фиксировать защелкой, при опускании кабины — надежно закрыть запорный механизм и правильно установить предохранительный крюк в пазу опорной балки.
Пуск двигателя должен производиться стартером, в исключительных случаях пусковой рукояткой. Чтобы избежать травмирования кисти рук, рукоятку следует брать так, чтобы все пальцы правой руки располагались с одной стороны ручки. Проворачивать коленчатый вал следует только снизу вверх, вкруговую запрещается.
Пускать газовый двигатель при наличии утечек газа не допускается.
Для проведения регулировочных работ на работающем двигателе должен выделяться специальный пост, оборудованный местным отсосом для удаления отработавших газов.
У газобаллонных автомобилей запрещается подтягивать детали газового оборудования и выполнять другой ремонт, если в узлах и трубопроводах имеется газ под давлением. В помещениях для технического обслуживания и ремонта автомобилей запрещается оставлять порожнюю тару с топливом и смазочными материалами. Разлитое топливо или масло следует немедленно убирать, применяя песок или опилки. После окончания работы следует собрать использованные обтирочные материалы и сложить в специальные лари.
Техническое обслуживание и ремонт приборов системы питания, снятых с автомобиля, выполняют в цехе (участке). У ванны для мойки деталей системы питания, верстаков для разборки-сборки, проверки и регулировки приборов, а также у точильного станка должны быть вентиляционные отсосы.
Работы по зачистке деталей перед пайкой и лужением должны выполняться на рабочих местах, имеющих местную вентиляцию. Топливные баки и тару из-под горючих жидкостей перед ремонтом необходимо промыть горячей водой, пропарить острым паром, промыть каустической содой и просушить горячим воздухом. Пайку или заварку выполнять при открытых пробках.
Тушить возгорания необходимо огнетушителями, песком или струёй распыленной воды. Баллоны с газом следует обильно поливать холодной водой, исключив повышение давления в них.
7. Литература
1. ”Руководство по ремонту автомобиля ВАЗ-2106.”. М., “Ливр”, 1997г.
2. Роговцев В.Л., Пузанков А.Г., Олдфильд Б.Д. “Устройство и эксплуатация автотранспортных средств”. М.,”Транспорт”, 1997 г.
3. Цветной иллюстрированный альбом. ВАЗ-2106. М.,”Третий Рим”, 1998 г.
4. Боровских Ю.И., Буралёв Ю.В., Морозов К.А., Никифоров В.М., Фещенко А.И., “Устройство, техническое обслуживание и ремонт автомобилей”. М., “Высшая школа”, 1997г.
5. Круглов С.М. “Всё о легковом автомобиле”. М., “Высшая школа”, 1998г.
Похожие рефераты:
Развитие сервисного обслуживания автомобилей
Устройство и принцип работы автомобиля ЗиЛ-130
Полные ответы на билеты по автоделу (экзамен 2002)
Мероприятия по совершенствованию технической базы школы подготовки водителей
Технологический расчет комплексного автотранспортного предприятия на 180 автомобилей ПАЗ - 3206
Разработка технологии и процесса ремонта двигателей автомобиля КамАЗ 5320 на АТП
Тепловой и динамический расчет двигателя ВАЗ-2106
Диагностика карбюраторных двигателей
Система смазки и охлаждения двигателя автомобиля
Устройство и принцип работы двигателя автомобиля
Устройство наддувного дизельного двигателя КамАЗ-7403.10



















